Главная // Актуальные документы // ГОСТ Р (Государственный стандарт)СПРАВКА
Источник публикации
М.: Издательство стандартов, 1993
Примечание к документу
Документ включен в
Перечень национальных стандартов, содержащих правила и методы исследований (испытаний) и измерений, в том числе правила отбора образцов, необходимые для применения и исполнения технического
регламента о безопасности объектов внутреннего водного транспорта и осуществления оценки соответствия (
Распоряжение от 29.06.2011 N 1100-р).
С 1 июля 2003 года до вступления в силу технических регламентов акты федеральных органов исполнительной власти в сфере технического регулирования носят рекомендательный характер и подлежат обязательному исполнению только в части, соответствующей целям, указанным в
пункте 1 статьи 46 Федерального закона от 27.12.2002 N 184-ФЗ.
Документ
введен в действие с 1 июля 1993 года.
Название документа
"ГОСТ Р 50016-92. Государственный стандарт Российской Федерации. Совместимость технических средств электромагнитная. Требования к ширине полосы радиочастот и внеполосным излучениям радиопередатчиков. Методы измерений и контроля"
(утв. и введен в действие Постановлением Госстандарта России от 16.07.1992 N 715)
"ГОСТ Р 50016-92. Государственный стандарт Российской Федерации. Совместимость технических средств электромагнитная. Требования к ширине полосы радиочастот и внеполосным излучениям радиопередатчиков. Методы измерений и контроля"
(утв. и введен в действие Постановлением Госстандарта России от 16.07.1992 N 715)
Утвержден и введен в действие
Постановлением Госстандарта России
от 16 июля 1992 г. N 715
ГОСУДАРСТВЕННЫЙ СТАНДАРТ РОССИЙСКОЙ ФЕДЕРАЦИИ
СОВМЕСТИМОСТЬ ТЕХНИЧЕСКИХ СРЕДСТВ ЭЛЕКТРОМАГНИТНАЯ
ТРЕБОВАНИЯ К ШИРИНЕ ПОЛОСЫ РАДИОЧАСТОТ
И ВНЕПОЛОСНЫМ ИЗЛУЧЕНИЯМ РАДИОПЕРЕДАТЧИКОВ
МЕТОДЫ ИЗМЕРЕНИЙ И КОНТРОЛЯ
Electromagnetic compatibility of technical means.
Frequency bandwidth and off-band emission requirements
of radiotransmitters. Test and control methods
ГОСТ Р 50016-92
Группа Э32
Дата введения
1 июля 1993 года
1. Разработан и внесен Техническим комитетом по стандартизации в области электромагнитной совместимости технических средств (ТК-30).
Разработчики: А.Г. Мищенко (руководитель темы); М.А. Быховский, канд. техн. наук; И.М. Воробьев; А.Ф. Медведев; В.М. Мещанкин, канд. техн. наук; А.М. Поляков, канд. техн. наук; В.П. Круглов.
2. Утвержден и введен в действие Постановлением Госстандарта России от 16.07.1992 N 715.
3. Срок проверки - 1998 г.
4. Введен впервые.
5. Стандарт соответствует Общесоюзным нормам 19-86, Регламенту радиосвязи.
6. Ссылочные нормативно-технические документы
┌──────────────────────────────────────────┬──────────────────────────────┐
│ Обозначение НТД, на который дана ссылка │ Номер пункта │
├──────────────────────────────────────────┼──────────────────────────────┤
└──────────────────────────────────────────┴──────────────────────────────┘
Настоящий стандарт распространяется на действующие, выпускаемые, устанавливаемые и вновь разрабатываемые (модернизируемые) радиопередатчики народнохозяйственного применения и устанавливает следующие основные параметры ширины полосы радиочастот и внеполосных излучений радиопередатчиков: необходимую ширину полосы частот, контрольную ширину полосы частот, ширину полосы частот внеполосного радиоизлучения на уровне X дБ в полосе частот от 10 кГц до 37,5 ГГц и методы их измерений и контроля.
Стандарт не распространяется на переносные радиопередатчики спасательных средств, радиопередатчики, используемые для передачи сигналов тревоги и бедствия, и радиопередатчики, работающие на полосе частот ниже 30 МГц с пиковой мощностью менее 1 Вт.
Настоящий стандарт является обязательным при стандартизации и сертификации технических средств в области ЭМС.
1. ТРЕБОВАНИЯ К ШИРИНЕ ПОЛОСЫ РАДИОЧАСТОТ
И ВНЕПОЛОСНЫМ ИЗЛУЧЕНИЯМ РАДИОПЕРЕДАТЧИКОВ
1.1. Исходным параметром при нормировании ширины полосы радиочастот и внеполосных радиоизлучений является необходимая ширина полосы частот, которую вычисляют по формулам, приведенным в табл. 1. При расчете необходимой ширины полосы частот используют параметры модуляции, указанные в технических условиях (ТУ) на данный тип радиопередатчика.
Таблица 1
Формулы для расчета норм на ширину полосы радиочастот
и внеполосные излучения
────────────────────────────────────────────────────────────────────────────────────────────────────────────────────────────────────────────────
Класс излучения Дополнительная Формулы для расчета Примечание
характеристика ────────────────────────────────────────────────────────────────────────────────────────
необходимой ширины контрольной внеполосных излучений
полосы частот ширины полосы ───────────────────────────────────

, Гц частот

, Гц на ширина полосы
уровне

, Гц
минус X,
дБ
────────────────────────────────────────────────────────────────────────────────────────────────────────────────────────────────────────────────
1. АМПЛИТУДНАЯ МОДУЛЯЦИЯ
1.1. Сигнал с информацией в квантованной
или цифровой форме
Телеграфия, Радиопередатчики KB,

40

Значение
незатухающие фиксированной где K = 5 - для линий, коэффициента K
колебания службы подверженных замираниям; 50

устанавливают для
A1AAN, A1BBN K = 3 - для линий различных типов
Радиопередатчики без замираний 60

радиопередатчиков в
сухопутной и ТУ в зависимости от
морской подвижных назначения
служб мощностью радиопередатчика и
более 100 Вт диапазона
используемых частот
Радиопередатчики 5B

40

сухопутной и
морской подвижных
служб мощностью
100 Вт и менее
Радиопередатчики 5B

40

1. Нормы
воздушных судов распространяются на
воздушной 50

скорости манипуляции
подвижной службы B <= 20 Бод.
60

В случае B > 20 Бод
вводят ограничения,
согласованные
с заказчиком
2. Контроль
осуществляют
до уровня минус 40 дБ
телеграфия,
A2AAN, A2BBN
Тональная -

40

За исключением
телеграфия, одна радиопередатчиков
боковая полоса 50

воздушной и морской
частот, полная подвижных служб,
несущая, H2BBN 60

требования к которым
избирательного
вызова с 50

использованием
последовательного 60

одночастотного
кодирования
Тональная Вторичное 5B

40

телеграфия, уплотнение
одна боковая канала, 50

полоса частот, образуемого
подавленная передатчиком J3E, 60

несущая, J2BBN тональными
посылками на 5B

40

Распространяется
поднесущей 1 на радиопередатчики
или 1,6 кГц сухопутной подвижной
службы мощностью
100 Вт и менее
тональная
телеграфия, 50

одна боковая
полоса частот, 60

ослабленная
несущая, R7BCF
тональная
телеграфия, 50

одна боковая
полоса частот, 60

подавленная
несущая, J7BCF
1.2. Телефония
Телефония, Радиопередатчики

40

две боковые фиксированной
полосы частот, службы без 50

одноканальная, предкоррекции АЧХ
A3EJN 60

фиксированной
службы с 50

предкоррекцией
АЧХ и передатчики 60

подвижной службы
воздушных судов
воздушной 50

подвижной службы
60

Телефония, одна Радиопередатчики

35

боковая полоса фиксированной
частот, полная службы 40

несущая, H3EJN,
ослабленная 50

несущая R3EJN
60

сухопутной
подвижной службы 50

мощностью более
100 Вт 60

сухопутной
подвижной службы 50

мощностью 100 Вт
и менее 60

Телефония, Радиопередатчики

35

одна боковая фиксированной
полоса частот, службы 40

подавленная
несущая, J3EJN 50

60

сухопутной
подвижной службы 50

мощностью более
100 Вт 60

сухопутной
подвижной службы 50

мощностью 100 Вт
и менее 60

Телефония, Телефония на

35

передача на двух независимых
независимых полосах частот 40

полосах частот,
ослабленная или 50

подавленная
несущая, B8EJN 60

на четырех
независимых 40

полосах частот
50

60

1.3. Звуковое радиовещание
две боковые
полосы частот, 45

A3EGN
50

60

одна боковая
полоса частот, 40

ослабленная
несущая, R3EGN 50

60

1.4. Факсимиле
с модуляцией
несущей,
модулированной
по частоте
поднесущей, две
боковые полосы
частот, A3C
с модуляцией
несущей, 50

модулированной
по частоте 60

поднесущей,
одна боковая
полоса частот,
ослабленная
несущая, R3C
1.5. Сложные излучения
излучение в двух полоса частот -
независимых телефония, 50

боковых полосах другая -
частот, многоканальная 60

подавленная или тональная
ослабленная телеграфия
несущая, B9WWX
2. ЧАСТОТНАЯ МОДУЛЯЦИЯ
2.1. Телеграфия, передача цифровой информации
методами частотной манипуляции
телеграфия
и манипуляция
при передаче 50

цифровой
информации,
F1B, F1E, F1D 60

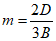
1,5 <= m < 5 B + 2,4D

40

50

60

5 <= m < 7 B + 2,4D

40 B(1,2m + 7)
50

60

7 <= m < 12 B + 2,4D B(m + 7) 40 B(1,2m + 7)
50

60

12 <= m < 16 B + 2,4D B(m + 7) 40 B(1,2m + 7)
50 B(1,2m + 15)
60

m > 16 B + 2,4D B(m + 7) 40 B(1,2m + 7)
50 B(1,2m + 15)
60 B(1,3m + 23)
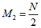
Четырех- Радиопередатчики 1. Для синхронизированных

40 B(4m + 13)

частотная фиксированной и каналов B + 2,2D
двухканальная подвижной служб 50 B(4,6m + 26)
телеграфия,
F7BDX 60 B(5,1m + 47)
Радиопередатчики 2. Для несинхронизированных

40

воздушных судов каналов 4B + 2,2D,
воздушной где B - наибольшая скорость 50

подвижной службы телеграфирования
1,5 <= m < 10 в каналах 60

манипуляция

необходимая ширина
поднесущих полосы частот для класса 60

частот, F1BXF излучения F1BXF
Частотно- 2B

60

манипулированная
двумя и более
частотами,
несущая, F7D,
F7E
Частотная 2B

60

манипуляция
двумя и более
частотами,
F8B, F9B
Минимальная При нормированной
<*> 40
<*> При условии, когда
частотная полосе Гауссового

манипуляция формирующего 50

с фильтрацией фильтра 60

сигнала в

1,18B
<*>
фильтре 1,0 1,14B
с Гауссовой 0,7 1,1B
формой АЧХ, 0,5 1,07B
F9E, F9D 0,3 0,93B
2.2. Относительная фазовая телеграфия,
фазовая манипуляция
Фазовая 5B

40

манипуляция
при передаче 50

цифровой
информации, 60

G1B, G1D, G1E,
G1F, G1W, G7D,
G7E, G7F, G7W
Узкополосная Радиопередатчики 1,1B

40

Рекомендуется
относительная морской подвижной скорость
фазовая службы 50

телеграфирования
телеграфия, гектометровых и 100 или 200 Бод
G1B декаметровых волн 60

фазовая
манипуляция 60

поднесущих
частот, G1BXF
Несущая S-позиционная
<*>
<*> 40
<*> Для сигналов,
манипулированная квадратурная у которых

по амплитуде амплитудная
и фазе D7W модуляция
2.3. Телефония
F3EJN
50

60

50

60

2.4. Радиовещание
Звуковое

- - При стереофоническом
радиовещание радиовещании норма
(монофонический увеличивается на
канал), F3EGN 20% по сравнению
с монофоническим
Передача ТВ

- -
с использованием
частотной
модуляции, F3F
2.5. Факсимиле
с частотной белого штрихового
модуляцией (текстового)

50

несущей частоты изображения
фотосигналом 60

в импульсной
форме F1C, F3C
полутонового
и цветного 50

изображения
60

2.6. Сложные излучения
Частотно- С применением

;

- - При работе радио-
модулированное составных для "Горизонт-М" n = 3; для передатчика
(ЧМ) колебание сигналов ДТР-12, ТР-120 n = 3 в линейном режиме
радиорелейных (аппаратура (один передатчик), n = 6 и установке фильтров
линий с частот- "Горизонт-М", (два передатчика); контроль в тракте
ным разделением ДТР-12, ТР-120) осуществляют при работе

- - При работе радио-
каналов (ЧРК), одного передатчика (D передатчика в режиме
F8EJF определяют по
табл. 4) насыщения
ЧМ колебание

- - Измерения и контроль
радиорелейной (D определяют по
табл. 4)

осуществляют
системы прямой на этапе госиспытаний
видимости,

В системах с пилот-сигналом

- - Измерения и контроль
модулированное взамен

подставляют

осуществляют
сигналом системы на этапе госиспытаний
передачи ЧРК,
F8EJF
ЧМ колебание

Измерения и контроль
радиорелейной звука. В системах с

осуществляют
системы прямой пилот-сигналом взамен

на этапе госиспытаний
видимости, подставляют

модулированное
сигналом ТВ и
поднесущими
звука, F8WWN
3. ИМПУЛЬСНАЯ МОДУЛЯЦИЯ
3.1. Радиопередатчики средств радиоопределения
Немодули- Выходной каскад

40

- в мегагерцах
рованная радиопередатчика- для t <= 0,5; для t < 0,32; (МГц);
несущая PONAN магнетрон t - в микросекундах

(мкс)
для t > 0,5 для 0,32 <= t < 1,6;
для t >= 1,6
50

для t < 1;
для 1 <= t < 5;
для t > 5
60

радиопередатчика для

; для

;
на ЭВП с сеточным

управлением для

; для


50

для

60

тываемые
передатчики для

; 50
<*>
для

Импульсная Выходной каскад

40

- в мегагерцах
передача с радиопередатчика (МГц);
амплитудной на ЭВП с сеточным 50

(МГц);
модуляцией управлением t - в микросекундах
несущей, K1B 60

(мкс)
Частотно- Выходной каскад 2D

40

(МГц);
модулированная радиопередатчика для

; D (МГц);
импульсная на клистроне или

t (мкс)
несущая, Q1B ЭВП с сеточным для

управлением 50

для

;
для

60

для

;
для

разрабатываемые для

;
передатчики
<*>
3.2. Сложные излучения
системы с фазово-
импульсной 50

модуляцией, M7EJT
60

--------------------------------
<*> Рекомендуемые значения для вновь разрабатываемых радиоэлектронных средств.
1.2. Ширина полосы радиочастот нормируется на уровне минус 30 дБ относительно заданного (исходного) уровня 0 дБ. Полоса, соответствующая этому уровню, принята за контрольную ширину полосы частот, нормы на которую вычисляют по формулам, приведенным в
табл. 1.
1.3. Внеполосные излучения нормируются по значениям полосы частот радиоизлучения на уровнях минус X дБ относительно заданного (исходного) уровня 0 дБ. Уровни X дБ указаны в
табл. 1, а нормированные значения ширины полосы на этих уровнях вычисляют по формулам, приведенным в
табл. 1.
Соединение нормированных отсчетных точек, координаты которых по оси ординат соответствуют указанным уровням, а по оси абсцисс - логарифму относительной расстройки по частоте, дает ограничительную линию для внеполосного спектра с одного края излучения. Ограничительная линия для внеполосного спектра с другого края спектра излучения проходит симметрично первой по отношению к средней частоте спектра (см. пример, приведенный в
Приложении 3).
1.4. Измеренные значения контрольной ширины полосы частот и внеполосных излучений не должны более чем на 20% превышать нормируемые значения на тех же уровнях. Указанный допуск включает погрешность метода измерений, приведенного в
разд. 2.
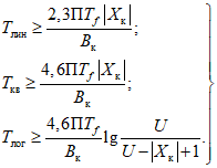
1.5. Требования к внеполосным излучениям радиопередатчиков ВЧ диапазона воздушных судов воздушной подвижной службы, работающих классами излучений H2BBN, H3EJN, J3EJN, J7BCF, JXX, приведены в табл. 2.
Таблица 2
Требования к внеполосным излучениям радиопередатчиков
ВЧ диапазона воздушных судов воздушной подвижной службы,
работающих классами излучений H2BBN, H3EJN,
J3EJN, J7BCF, JXX
───────────────────────────────────────┬───────────────────────────────────
Полоса частот │ Ослабление спектральных
│ составляющих относительно пиковой
│ мощности огибающей, дБ, не менее
───────────────────────────────────────┼───────────────────────────────────
От f +/- 1,5 кГц до f +/- 4,5 кГц │ 30
пр пр │
│
От f +/- 4,5 кГц до f +/- 7,5 кГц │ 38
пр пр │
│
От f +/- 7,5 кГц и более │ 43
пр │
Примечание. Присвоенная частота радиопередатчика -

на 1400 Гц выше частоты несущей или ее остатка.
1.6. Требования к внеполосным излучениям радиопередатчиков морской подвижной службы, работающих классами излучений H2BBN, H3EJN, J3EJN, R3EJN, приведены в табл. 3.
Таблица 3
Требования к внеполосным излучениям радиопередатчиков
морской подвижной службы, работающих классами излучений
H2BBN, H3EJN, J3EJN, R3EJN
──────────────────────────────────────┬────────────┬───────────────────────
Полоса частот │Порядок │ Уровень внеполосных
│комбина- │ составляющих на любой
│ционных │дискретной частоте, дБ,
│составляющих│ относительно
│двухтонового├─────────┬─────────────
│сигнала, │ пиковой │ одной
│попадающих │мощности │ из основных
│в данные │огибающей│составляющих
│полосы │ │ спектра
│частот │ │модулирующего
│излучений │ │двухтонового
│классов │ │ сигнала
│J3EJN, │ │
│H3EJN, │ │
│(H2BBN) │ │
──────────────────────────────────────┼────────────┼─────────┼─────────────
От f +/- 1,5 кГц до f +/- 4,5 кГц │ 3 │ 31 │ 25
пр пр │ │ │
│ │ │
От f +/- 4,5 кГц до f +/- 7,5 кГц │ 5 и 7 │ 38 │ 32
пр пр │ │ │
│ │ │
От f +/- 7,5 кГц до f +/- 10,0 кГц│ 9 │ 43 <*> │ 37 <*>
пр пр │ │ │
--------------------------------
<*> С абсолютным значением мощности не более 50 мВт.
Примечание. Присвоенная частота радиопередатчика -

на 1400 Гц выше частоты несущей или ее остатка.
Расчет пиковой девиации частоты, создаваемой многоканальным сообщением,

.
────────────────┬──────────────────┬─────────────────────────────┬─────────
Количество │ Эффективное │ Средняя мощность │ Средняя
каналов ТЧ │значение девиации │ многоканального сообщения │мощность
N │ частоты, │ (P ), дБм │ одного
c │ создаваемое │ загр │канала ТЧ
│ измерительным │ │ лямбда
│ уровнем одного │ │(P ),
│ канала ТЧ │ │ к.ср
│ Дельта f , МГц │ │ дБм
│ к │ │
────────────────┼──────────────────┼─────────────────────────────┼─────────
12 <= N < 60 │ 0,1
<*> │2,6 + 2lg N │ -
c │ │ c │
│ │ │
60 <= N <= 240 │ 0,2
<*> │~ (минус 1,5 + 5,5lg N ) │ -
c │ │ c │
│ │ │
240 < N <= 1020│ 0,2 │P + 10lg N │ Минус 13
c │ │ к.ср c │
│ │ │
N > 1020 │ 0,14 │P + 10lg N │ Минус 13
c │ │ к.ср c │
--------------------------------
<*> Указано максимальное значение; для конкретных систем может быть применено меньшее значение.
Примечание. Для аппаратуры ТРРС ("Горизонт-М", ДТР-12, ТР-120) значения

указаны в ТУ.
2. МЕТОДЫ ИЗМЕРЕНИЙ И КОНТРОЛЯ ШИРИНЫ ПОЛОСЫ ЧАСТОТ
И ВНЕПОЛОСНЫХ ИЗЛУЧЕНИЙ
2.1. Общие требования к измерениям и контролю
2.1.1. На результаты измерений не должны оказывать влияние излучения источников радиопомех (высоковольтных линий электропередачи, других радиоэлектронных средств и т.п.).
2.1.2. При контроле радиопередатчиков с перекрытием диапазона частот более 1,1 измерения проводят на трех частотах диапазона (в начале, середине и в конце диапазона).
При коэффициенте перекрытия менее 1,1 измерения проводят на одной частоте, близкой к середине диапазона.
2.1.3. Измерения и контроль следует осуществлять с использованием средств измерений, требования к которым приведены в
Приложении 4.
2.1.4. Обозначение и сравнение старых и новых обозначений классов излучений приведены в
Приложениях 5 и
6.
2.1.5. Для радиопередатчиков, работающих классами излучений R3EGN, R3EJN, J3EJN, H3EJN, R7BCF, J7BCF, допускается производить контроль выполнения требований настоящего стандарта только для излучения класса J3EJN.
Для радиопередатчиков, использующих классы излучений B8EJN и B9WWX, производится контроль только для излучения B8EJN.
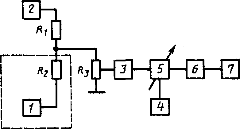
2.1.6. Контрольную ширину полосы частот и внеполосные излучения радиопередатчиков измеряют по структурной схеме, приведенной на черт. 1 (в обобщенном виде).
Структурная схема измерений ширины полосы радиочастот
и внеполосных излучений радиопередатчиков
1 - имитатор телеграфных сигналов; 2 - генератор
сигналов низкочастотный; 3 - генератор шума; 4 - передающее
устройство измерителя переходных помех; 5 - генератор
испытательных телевизионных сигналов; 6 - формирующий
фильтр; 7 - квадратичный вольтметр; 8 - радиопередатчик;
9 - модулометр; 10 - измеритель мощности; 11 - аттенюатор;
12 - элемент связи (направленный ответвитель);
13 - анализатор спектра; 14 - девиометр;
15 - эквивалент антенны; 16 - частотомер
При измерениях используют ту часть схемы, которая соответствует методике измерений данного класса излучения.
2.1.7. Для радиопередатчиков, работающих классами излучений F9B, F9E, F9D, контроль проводят по структурной схеме черт. 1 с дополнением со стороны переключателя генератором псевдослучайной последовательности с генератором тактовых сигналов. После аттенюатора к схеме подключают селективный микровольтметр.
2.2. Испытательные сигналы для проведения измерений и контроля радиопередатчиков
2.2.1 При контроле радиопередатчиков, работающих классами излучений A1AAN, A1BBN, A2AAN, H2BBN, J2BBN, F1BCN, F1D, F1E, F2B, F7E, F7B, F8B, G1B, G1E, G1F, G1W, G2D, G7D, G7E, G7F, G7W, измерения проводят при модуляции радиопередатчика испытательным сигналом типа "прямоугольные телеграфные точки".
При контроле радиопередатчиков, работающих классами излучений A1AAN, A1BBN, A2AAN, H2BBN, J2BBN, G1BCN, F1D, F1E, F2B, F7E, F7B, F8B, G1E, G1F, G1W, G2B, G2D, G7D, G7E, G7F, G7W, измерения проводят при максимальной скорости манипуляции, оговоренной в ТУ на испытуемый радиопередатчик.
При контроле радиопередатчиков морской подвижной службы, работающих классом излучения G1BCN в режиме узкополосной относительной фазовой телеграфии (УОФТ), измерения проводят при скорости телеграфирования

.
При контроле радиопередатчиков, работающих классом излучения F1BCN, F1D, F1E, F2B, измерения проводят при максимальных штатных значениях девиации частоты на максимальной скорости манипуляции и при наиболее часто применяемых сочетаниях девиации и скорости манипуляции.
2.2.2. При контроле радиопередатчиков, работающих классами излучения F7BDX, F7D, F7E, F8B, (G7D, G7E, G7F, G7W), испытательный сигнал формируется путем манипуляции обоих каналов радиопередатчика "телеграфными точками", скорость и синхронизация которых выбраны таким образом, чтобы мгновенная частота (фаза) радиопередатчика последовательно принимала все четыре значения в течение равных промежутков времени (черт. 2).
Формирование испытательного сигнала для радиопередатчиков,
работающих классом излучения F7BDX

- частота, соответствующая "отжатию" в первом и втором
каналах;

- частота, соответствующая "нажатию" в первом
и "отжатию" во втором каналах;

- частота, соответствующая
"отжатию" в первом и "нажатию" во втором каналах;

- частота, соответствующая "нажатию" в первом
и втором каналах; U - манипулирующее напряжение
Черт. 2
При контроле радиопередатчиков, работающих классом излучения F7BDX, измерения проводят при максимальном разносе частот и максимальной скорости манипуляции (по одному из каналов).
Примечание. Если при измерениях с использованием указанных манипулирующих сигналов радиопередатчик соответствует требованиям настоящего стандарта
(разд. 2) в части синхронного режима работы каналов, следует считать, что радиопередатчик будет соответствовать требованиям и в части асинхронного режима работы каналов.
2.2.3. При контроле радиопередатчиков, работающих классом излучения F1C или F3C, испытательный сигнал представляет собой синусоидальный сигнал с частотой 1,9 кГц, модулированный по амплитуде с коэффициентом модуляции, равным 90%, частотой 1,1 кГц. Ширину полосы частот измеряют при девиации частоты на выходе радиопередатчика, равной 1500 Гц.
2.2.4. При контроле радиопередатчиков, работающих классом излучения A3C или R3C, испытательный сигнал представляет собой синусоидальный сигнал с частотой 1,9 кГц, модулированный по частоте синусоидальным сигналом с частотой 550 Гц и девиацией 400 Гц (имитация передачи черно-белых штриховых изображений). Коэффициент глубины модуляции на выходе радиопередатчика устанавливают равным 90%.
2.2.5. При контроле радиопередатчиков, работающих классом излучения F3EGN, испытательный сигнал представляет собой синусоидальный сигнал с частотой, равной максимальной модулирующей частоте с коэффициентом нелинейных искажений, не превышающим 1%. Измерения проводят при максимальной девиации частоты. Девиацию устанавливают с точностью не хуже 5%.
Примечание. Нормы на контрольную ширину полосы частот излучений вещательных радиопередатчиков с широкополосным линейным трактом модуляции выполняются, если не превышается установленное максимальное значение девиации частоты при соблюдении норм на нелинейные искажения, шумы и фон радиопередатчиков.
2.2.6. При контроле радиопередатчиков, работающих классами излучений A3EJN, A3EGN, H3EJN, J3EJN, R3EJN, R3EGN, R7BCF, J7BCF, F3EJN, B8EJN, B9WWX, измерения проводят на шумовых испытательных сигналах, сформированных с помощью фильтров.
При контроле радиопередатчиков, работающих классом излучения A3EGN или R3EGN, используют фильтр, формирующий вещательный сигнал (
п. 4.2 Приложения 4).
При контроле радиопередатчиков, работающих классами излучений R7BCF, J7BCF, B9WWX, а также радиопередатчиков подвижной службы, работающих классами излучений A3EJN, R3EJN, H3EJN, J3EJN, F3EJN, в качестве формирующего фильтра применяют любой фильтр, имеющий полосу пропускания телефонного канала, используемого в данной службе.
Во всех остальных случаях в качестве формирующего фильтра используют фильтр, формирующий речевой сигнал (
п. 4.1 Приложения 4). Для передатчиков, работающих классами излучений B8EJN, B9WWX, шумовой испытательный сигнал подается через формирующие фильтры в каждый из каналов.
2.2.7. При контроле радиопередатчиков, работающих классом излучения F8EJF, в качестве испытательного сигнала используется шумовой сигнал от передатчика измерителя переходных помех (ИПП).
При контроле радиопередатчиков, работающих классом излучения D7W, в качестве испытательного сигнала используют сигнал от генератора псевдослучайной последовательности (ПСП) импульсов.
2.2.8. При контроле радиопередатчиков, работающих классами излучения F3F, F8WWN, в качестве испытательного сигнала используют сигнал от генератора испытательных телевизионных сигналов.
2.2.9. При контроле радиопередатчиков, работающих классами излучений M7E, PONAN или K1B, Q1B, измерения проводят в режиме модуляции радиопередатчика некодированными импульсами, длительность которых должна быть наименьшей из предусмотренных в ТУ на испытуемый радиопередатчик. В случае невозможности работы радиопередатчика в режиме только коротких импульсов допускается производить измерения в рабочем или испытательном режиме модуляции.
2.3. Установка уровней испытательных сигналов
2.3.1. Уровни испытательных сигналов при контроле радиопередатчиков, работающих классами излучений A1AAN, A1BBN, A2AAN, A3C, H2BBN, J2BBN, F1BCN, F1C, F1D, F1E, F2B, F3C, F7E, F7B, F8B, G1B, G1E, G1F, G1W, G2B, G2D, G7D, G7E, G7F, G7W, задаются уровнем немодулированной (неманипулированной) несущей, а для излучения класса R3C - уровнем поднесущей.
2.3.2. Уровни шумовых испытательных сигналов при контроле радиопередатчиков, работающих классами излучений A3EJN, A3EGN, R3EJN, R3EGN, B8EJN, H3EJN, J3EJN, R7BCF, J7BCF, B9WWX, F3EJN, устанавливают следующим образом.
На вход радиопередатчика от низкочастотного генератора подают синусоидальный сигнал с частотой 600 Гц при использовании фильтра, формирующего речевой сигнал, 1000 Гц при использовании фильтра, имеющего полосу пропускания телефонного канала, или 300 Гц при использовании фильтра, формирующего вещательный сигнал.
Уровень входного синусоидального сигнала устанавливают таким образом, чтобы обеспечивалась 100%-ная модуляция радиопередатчика, работающего классом излучения A3EJN или A3EGN, номинальная пиковая мощность радиопередатчиков, работающих классами излучений R3EGN, R3EJN, B8EJN, H3EJN, J3EJN, R7BCF, J7BCF, B9WWX, или номинальная девиация частоты радиопередатчика, работающего классом излучения F3EJN.
Фиксируют среднеквадратичное напряжение этого сигнала

. Затем на вход радиопередатчиков, работающих классами излучений A3EJN, A3EGN, R3EGN, R3EJN, H3EJN, J3EJN, R7BCF, J7BCF, B8EJN, B9WWX, через тот же формирующий фильтр подают шумовой сигнал, уровень которого устанавливают таким образом, чтобы эффективное напряжение шума

, измеряемое тем же вольтметром, было равно

.
Если невозможно обеспечить коэффициент модуляции, равный 100% (при излучении класса A3EJN или A3EGN), допускается устанавливать среднеквадратичное значение напряжения шумового сигнала по соотношению

.
Значение коэффициента S для различных случаев указано в табл. 5.
Таблица 5
Значение коэффициента S
────────────────────┬─────────────────────────────────────────────────┬────
Класс излучения │ Дополнительная характеристика │ S
────────────────────┼─────────────────────────────────────────────────┼────
A3EGN, A3EJN │ Радиовещание и телефония │0,35
│ Радиопередатчики воздушных судов воздушной │0,47
│подвижной службы │
H3EJN, R3EJN, R3EGN,│ Радиовещание и телефония, включая │0,47
J3EJN, J7BGF, F3EJN,│радиопередатчики подвижной службы, многоканальная│
R7BCF │тональная телеграфия │
B8EJN │ Телефония 2 канала │0,33
│ Телефония 4 канала │0,23
Необходимый уровень шумового сигнала при измерениях классов излучений R3EJN, R3EGN, J3EJN, B8EJN, J7BCF может устанавливаться с помощью измерителя выходной мощности радиопередатчика таким образом, чтобы при подаче шумового сигнала средняя выходная мощность радиопередатчика составляла 0,25 от его номинальной пиковой мощности.
При контроле радиопередатчиков, которые работают только с определенными типами электроакустических преобразователей (микрофон, ларингофон и т.д.) и имеют ограничители динамического диапазона входного сигнала, уровень шумового сигнала

на входе радиопередатчика устанавливают равным

.
При контроле радиопередатчиков, у которых нормируется среднеквадратичное значение входного напряжения, среднеквадратичное напряжение шумового сигнала должно устанавливаться равным этому значению.
2.3.3. При контроле радиопередатчиков, работающих классом излучения F8EJF, уровень шумового испытательного сигнала, подаваемого на вход оконечного оборудования телефонного ствола,

вычисляют по формуле

,
где

- номинальный уровень одного канала ТЧ на входе оконечного оборудования телефонного ствола радиорелейной линии (РРЛ);

- средняя мощность многоканального сообщения, определяемая по
табл. 4.
2.3.4. При контроле радиопередатчиков, работающих классом излучения F8WWN, уровень испытательного сигнала (размах сигнала яркости, подаваемого на вход оконечного оборудования телевизионного ствола РРЛ) должен быть равен 1 В.
При контроле радиопередатчиков, работающих классом излучения D7W, параметры испытательного сигнала устанавливают в соответствии с ГОСТ 26886.
2.4. Измерения контрольной ширины полосы частот и внеполосных излучений
2.4.1. Контрольную ширину полосы частот и внеполосные излучения радиопередатчиков измеряют в соответствии со структурной схемой, приведенной на
черт. 1.
При необходимости измерения можно производить при связи анализатора спектра с радиопередатчиком "по полю". При этом следует использовать антенны, соответствующие требованиям измерений по широкополосности.
При необходимости измерительную аппаратуру помещают в экранированную камеру.
2.4.2. Измерительная аппаратура в соответствии со структурной схемой, приведенной на
черт. 1, должна соответствовать требованиям, изложенным в
Приложении 4.
2.4.3. Параметры анализатора спектра устанавливают исходя из следующих критериев.
Полосу пропускания узкополосного тракта анализатора спектра на уровне минус 3 дБ

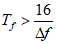
при использовании периодических испытательных сигналов выбирают в три раза меньше частоты манипуляции, а для импульсных классов излучений - близкой к 1/10t. При контроле импульсных классов излучений форма частотной характеристики узкополосного тракта анализатора спектра должна быть близкой к колоколообразной.
При использовании шумовых испытательных сигналов

должна быть не больше

.
Полоса обзора анализатора спектра (П) (а при использовании анализатора спектра, подключаемого к тракту усилителя промежуточной частоты - УПЧ приемника, и ширину полосы пропускания приемника) устанавливают в 1,5 - 2 раза шире значений ширины полосы частот, рассчитанных по данным
табл. 1.
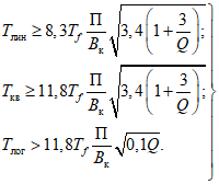
Постоянную времени последетекторного фильтра и время анализа анализатора спектра выбирают в зависимости от класса излучения радиопередатчика следующим образом:
при измерении излучений классов A1AAN, A1BBN, A2AAN, H2BBN, J2BBN, F1BCN, G1BCN, F3EGN, F1C, F3C, F7BDX, F2B, F1E, F1D, F7D, F7E, F8B, F9B, G1D, G1E, G1F, G1W, G7D, G7E, G7F, G2B, G2D постоянная времени должна быть минимальной из устанавливаемых в анализаторе спектра; время анализа (T) должно соответствовать условию

;
при этом могут использоваться анализаторы спектра с линейным или логарифмическим детектором;
при измерении излучений классов A3EJN, A3EGN, R3EJN, R3EGN, B8EJN, H3EJN, J3EJN, R7BCF, J7BCF, B9WWX, F3EJN, F8EJF и D7W могут использоваться анализаторы спектра с линейным, квадратичным и логарифмическим детекторами, при этом постоянная времени

должна соответствовать условию

.
Время анализа выбирают исходя из следующих условий:
если наклон огибающей спектра (Q) в точке измерения составляет менее 30 дБ/октава, то время анализа прибором, имеющим линейный, квадратичный и логарифмический детекторы, вычисляют по формулам:

(1)
Если наклон огибающей спектра (Q) в точке измерения превышает 30 дБ/октава, то время анализа вычисляют по формулам:

(2)
Если при вычислении по
формулам (1) и (2) время анализа окажется больше максимального времени развертки анализатора спектра, то измерения необходимо проводить с использованием ручной развертки.
Оценку величины Q осуществляют перед точными измерениями ширины контрольной полосы частот излучения следующим образом.
Полосу обзора анализатора спектра выбирают в три-четыре раза шире

, после чего величину Q оценивают непосредственно по экрану анализатора спектра с логарифмическим детектором в соответствии с черт. 3 или по разности показаний аттенюаторов анализатора спектра при отсчете на отметке шкалы "0 дБ" последовательно значений

и

.
Примечание. Допускается оценивать величину Q по разности уровней Q' между полосами

и

. Тогда величину Q вычисляют по формуле
Q = 1,7Q'.
Оценка величины наклона огибающей спектра
Черт. 3
При измерениях излучений классов P0NAN, K1B, Q1B постоянная времени последетекторного фильтра должна быть минимальной из устанавливаемых на анализаторе спектра.
Время анализа выбирают из условия

.
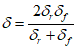
2.4.4. Нулевой уровень, относительно которого отсчитывают измерительный уровень X, дБ, на анализаторе спектра устанавливается следующим образом:
при измерениях излучений классов A1AAN, A1BBN, A2AAN, H2BBN, J2BBN, F1BCN, G1BCN, F3EGN, F1C, F3C, F7BDX, F1D, F1E, F2B, F7E, F7B, F8B, G1B, G1E, G1F, G1W, G2B, G2D, G7D, G7E, G7F, G7W - по уровню немодулированной (неманипулированной) несущей;
при измерениях излучений классов A3C, R3C - по уровню немодулированной поднесущей;
при измерениях излучений классов P0NAN, K1B, Q1B - по уровню максимальной составляющей спектра испытуемого сигнала;
при измерениях излучений классов A3EJN, A3EGN, R3EJN, R3EGN, B8EJN, H3EJN, J3EJN, R7BCF, J7BCF, B9WWX, F3EJN, F8EJF, F8WWN, D7W - по максимальному уровню огибающей спектра в пределах боковой полосы частот, уровень несущей или ее остаток не учитывается.
Примечание. Если при измерениях излучения класса A3EGN максимальный уровень спектральной плотности мощности в пределах боковой полосы частот маскируется несущей, спектр на экране анализатора устанавливают таким образом, чтобы на уровне минус 10 дБ ширина полосы частот излучения была равна 4 кГц.
Амплитуду соответствующей спектральной составляющей на экране анализатора спектра устанавливают на отметку "0 дБ" или в качестве отметки нулевого уровня принимают любую фиксированную горизонтальную линию в верхней трети экрана (индикатора) анализатора спектра.
Установку нулевого уровня и собственно измерения контрольной ширины полосы частот и внеполосных излучений должны осуществлять при одних и тех же параметрах анализатора спектра: полосы пропускания узкополосного тракта, времени развертки и постоянной времени последетекторного фильтра.
2.4.5. После установки нулевого уровня осуществляют измерения контрольной ширины полосы частот и внеполосных излучений.
В случае использования анализатора спектра с логарифмическим детектором отсчет контрольной ширины полосы частот и внеполосных излучений осуществляют непосредственно по шкале анализатора спектра на соответствующих уровнях по частотному интервалу между крайними спектральными составляющими, превышающими этот уровень (черт. 4). Такой отсчет допускается, если погрешность данного анализатора спектра по логарифмической шкале не превышает 2 дБ. В противном случае отсчет производится при использовании линейного детектора.
Отсчет контрольной ширины полосы частот
и внеполосных излучений на анализаторе спектра
с логарифмическим детектором
Черт. 4
Анализатор спектра с линейным детектором производится при затухании отсчетных аттенюаторов анализатора спектра (в тракте ВЧ и ПЧ), превышающем значение уровня X дБ. После подачи на радиопередатчик моделирующего сигнала, не меняя полосы пропускания узкополосного тракта анализатора спектра и полосы обзора, затухание отсчетных аттенюаторов уменьшают на величину X дБ и с помощью частотомера отсчитывают измеряемую ширину полосы частот на отметке нулевого уровня (черт. 5) между спектральными составляющими справа и слева от средней части спектра.
Отсчет ширины полосы частот на уровне X дБ

на анализаторе
спектра с линейным или квадратичным детектором
Черт. 5
Если при этом измеряемая ширина полосы частот радиоизлучения выходит за пределы шкалы анализатора спектра, что приводит к необходимости увеличения полосы обзора, то после измерения полосы обзора необходимо повторить калибровку анализатора спектра по уровню немодулированной несущей. После этого повторяют описанные выше операции.
2.5. Методика измерения и контроля внеполосных излучений радиопередатчиков ВЧ диапазона воздушных судов воздушной подвижной службы, работающих классами излучений H2BBN, H3EJN, J3EJN, J7BCF, JXX
2.5.1. Уровень любой компоненты спектральной плотности мощности внеполосного излучения, подводимого к антенне или ее эквиваленту, при модуляции радиопередатчика шумовым испытательным сигналом, обеспечивающим номинальную пиковую мощность, не должен превышать величин, указанных в
табл. 2.
2.5.2. Измерение и контроль внеполосных излучений радиопередатчиков проводят только в классе излучений J3EJN по структурной схеме, приведенной на черт. 6.
Структурная схема измерений внеполосных излучений
радиопередатчиков воздушной подвижной службы
1, 2 - генераторы сигналов низкочастотные;
3 - генератор шума; 4 - формирующий фильтр;
5 - квадратичный вольтметр; 6 - радиопередатчик;
7 - модулометр; 8 - измеритель мощности; 9 - аттенюатор;
10 - элемент связи (направленный ответвитель);
11 - анализатор спектра; 12 - девиометр;
13 - эквивалент антенны; 14 - частотомер
Черт. 6
2.5.3. На вход радиопередатчика от низкочастотных генераторов подают два синусоидальных сигнала с частотами 1100 и 1500 Гц одинакового уровня

, обеспечивающего номинальную пиковую мощность, подводимую к антенне.
На анализаторе спектра обе компоненты модуляции точной регулировкой их низкочастотного уровня поддерживают равными и устанавливают на уровне минус 6 дБ усилением анализатора спектра. В этом случае уровень 0 дБ соответствует пиковой мощности излучения радиопередатчика в классе излучения J3EJN.
2.5.4. Отключают оба низкочастотных генератора и на вход радиопередатчика подключают генератор шума через формирующий фильтр речевого сигнала. Уровень сигнала от генератора шума на входе радиопередатчика устанавливают равным

по среднеквадратичному вольтметру. Ширину полосы частот, занимаемую внеполосными излучениями, измеряют на уровнях минус 30, 38 и 43 дБ относительно установленного в
п. 2.5.3 нулевого уровня. Ширина полосы частот не должна превышать величин, указанных в
табл. 2.
2.6. Методика измерений и контроля внеполосных излучений радиопередатчиков морской подвижной службы, работающих классами излучений R3EJN, H3EJN, H2BBN, J3EJN
2.6.1. Уровень любой дискретной спектральной составляющей выходного сигнала радиопередатчика в пределах внеполосного спектра при модуляции радиопередатчика двухтоновым испытательным сигналом, обеспечивающим его модуляцию до номинальной пиковой мощности огибающей, не должен превышать величин, указанных в
табл. 3.
2.6.2. Измерения и контроль внеполосных спектров излучений радиопередатчиков, работающих в режиме J3EJN, осуществляют по схеме, приведенной на черт. 7.
Структурная схема измерения внеполосных излучений
радиопередатчиков морской подвижной службы
1, 2 - низкочастотные генераторы сигналов;
3 - радиопередатчик; 4 - измеритель средней или пиковой
мощности; 5 - эквивалент антенны; 6 - делитель;
7 - анализатор спектра
Измерительную аппаратуру выбирают в соответствии с
Приложением 3.
Примечание. Пиковую мощность огибающей выходного сигнала радиопередатчика допускается измерять по методике, изложенной в ГОСТ 22579.
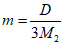
2.6.3. На вход радиопередатчика подают сигнал от одного из генераторов с частотой 470 Гц и уровнем, при котором на выходе радиопередатчика обеспечивается мощность

, (3)
где

- номинальная пиковая мощность огибающей.
Затем, не отключая сигнал от первого низкочастотного генератора, на радиопередатчик подают сигнал от второго низкочастотного генератора с частотой 2550 Гц, уровень которого устанавливают таким образом, чтобы на выходе радиопередатчика обеспечивалась мощность

(4)
2.6.4. Полосу обзора анализатора спектра устанавливают не менее 20 кГц, полосу пропускания анализирующего фильтра - 50 - 150 Гц. Скорость анализа устанавливают в соответствии с требованиями
п. 2.4.3.
2.6.5. Спектральные составляющие модулирующего сигнала устанавливают по горизонтали в центре шкалы анализатора спектра.
В случае равенства уровней спектральных составляющих модулирующего сигнала их путем регулировки коэффициента передачи анализатора спектра устанавливают на отметку "0 дБ" или на другую заменяющую ее отметку, расположенную в верхней трети шкалы анализатора спектра. Если уровни спектральных составляющих модулирующего сигнала не равны, то путем небольшого изменения уровней модулирующих сигналов добиваются их равенства, следя, чтобы не нарушались соотношения
формулы (4), а затем выравненные уровни спектральных составляющих модулирующего сигнала устанавливают на отметку "0 дБ" или заменяющую ее отметку шкалы анализатора спектра.
2.6.6. Уровни комбинационных составляющих 3 - 9-го порядка или любых других составляющих, попадающих в полосы частот, указанные в
табл. 3, при использовании анализатора спектра с логарифмической шкалой измеряют непосредственно по шкале анализатора спектра, а при использовании анализатора спектра с линейной шкалой - с помощью аттенюатора анализатора спектра согласно его описанию. Измеренные уровни должны быть ослаблены по отношению к уровню спектральных составляющих модулирующего сигнала не менее, чем указано в
табл. 3.
По измеренным величинам ослабления спектральных составляющих, лежащих в полосах частот

, вычисляют их мощности. Мощность каждой из этих составляющих в соответствии с
табл. 3 не должна превышать 50 мВт.
2.6.7. Измерения и контроль внеполосных спектров излучений радиопередатчиков, работающих в режиме H3EJN, проводят по схеме
черт. 7, из которой исключаются элементы, обведенные пунктиром.
Уровень несущей радиопередатчика устанавливают таким образом, чтобы на его выходе обеспечивалась мощность в соответствии с
формулой (3). Затем на радиопередатчик подают сигнал от низкочастотного генератора с частотой 2000 Гц, уровень которого устанавливают таким образом, чтобы на выходе радиопередатчика обеспечивалась мощность в соответствии с
формулой (4).
2.6.8. Измерения и контроль внеполосных спектров излучений радиопередатчиков, работающих в режиме H2BBN, проводят при установке радиопередатчика в режим постоянного "нажатия" по методике, изложенной в
п. 2.6.7.
2.6.9. Измерения и контроль внеполосных спектров излучений радиопередатчиков, работающих в режиме R3EJN, проводят при установке данного радиопередатчика в один из режимов J3EJN или H3EJN. Измерения осуществляют по методике, изложенной в
пп. 2.6.2 -
2.6.4 или
2.6.7 соответственно.
(справочное)
ТЕРМИНЫ, ПРИМЕНЯЕМЫЕ В НАСТОЯЩЕМ СТАНДАРТЕ, И ИХ ПОЯСНЕНИЯ
───────────────────────────┬───────────────────────────────────────────────
Термин │ Пояснение
───────────────────────────┼───────────────────────────────────────────────
радиочастот │
радиоизлучения на уровне │
минус X дБ │
частот излучения │
Время установления │ Время, в течение которого ток телеграфного
телеграфного сигнала │сигнала (импульса) изменяется от 0,1 до 0,9
(импульса) │(или наоборот) величины, достигаемой в
│установившемся режиме; в случае асимметричного
│сигнала время установления в начале и в конце
│сигнала может быть различным
Относительное время │ Отношение времени установления к длительности
установления телеграфного │импульса на уровне половины его амплитуды
сигнала (импульса) │
радиопередатчика │
радиопередатчика │
радиочастот │
Ограничительная линия │ Линия на плоскости координат уровень -
внеполосного излучения │частота, которая устанавливается для каждого
│класса излучения и является верхней границей
│максимально допустимых значений уровней
│составляющих внеполосного спектра излучения,
│выраженных в децибелах относительно заданного
│исходного уровня 0 дБ
(справочное)
УСЛОВНЫЕ ОБОЗНАЧЕНИЯ ВЕЛИЧИН, ПРИМЕНЯЕМЫХ
В НАСТОЯЩЕМ СТАНДАРТЕ
B - скорость телеграфирования, Бод;

- полоса пропускания Гауссовского формирующего фильтра на уровне минус 3 дБ;

- необходимая ширина полосы частот, Гц;

- контрольная ширина полосы частот, Гц;

- полоса частот радиоизлучения на уровне X дБ, Гц;
C - частота поднесущей, Гц;
D - пиковая девиация частоты (половина разности между максимальной и минимальной величинами мгновенной частоты), Гц;

- размах девиации частоты, создаваемый видеосигналом, Гц;

- разнос поднесущих по частоте, Гц;

- полоса обзора анализатора спектра, Гц;

- частота корреляторного сигнала, равная частотному разносу между элементарными сигналами составного сигнала, Гц;

- длительность заднего фронта, с;

- частота частотомера, Гц;

- частота пилот-сигнала, Гц;

- присвоенная радиочастота, Гц;

- ширина статической полосы пропускания узкополосного тракта анализатора спектра на уровне минус 3 дБ, Гц;

- частота следования импульсов, Гц;
f - несущая частота, МГц;
K - числовой коэффициент, зависящий от допустимого искажения сигнала;

- минимальная частота модуляции, Гц;

- максимальная частота модуляции (верхняя поднесущая звука), Гц;

- максимальная частота синусоидального сигнала, модулирующего вершину импульса класса излучения K1B, Гц;
m - индекс частотной модуляции;
N - максимально возможное число белых и черных элементарных посылок в секунду при передаче факсимиле;

- число поднесущих частот;
n - число частотно-разнесенных сигналов в составном сигнале;

- число каналов ТЧ группового тракта системы радиосвязи, в которой используется аппаратура с частотным разделением каналов (ЧРК);

- погрешность измерения в соответствии с техническим описанием;

- длительность переднего фронта, с;
Q - наклон огибающей спектра в его внеполосной части, дБ/октава;
S - позиционность квадратурной амплитудной модуляции (S-КАМ);
T - время анализа (длительность прямого хода развертки), с;

- постоянная времени последетекторного фильтра, с;
t - длительность импульса, с;

- время считывания частотомером, с;

- номинальный уровень одного канала ТЧ на входе оконечного оборудования телефонного ствола радиорелейной линии (РРЛ);

- средняя мощность многоканального сообщения, определяемая по
табл. 4, Вт;
U - динамический диапазон логарифмического усилителя анализатора спектра, дБ;

- эффективное значение уровня сигнала, обеспечивающее коэффициент модуляции, равный 100%;

- эффективное значение уровня сигнала, обеспечивающее коэффициент модуляции, равный 50%;

- среднеквадратичное значение номинального напряжения, создаваемого электроакустическим преобразователем, указанное в ТУ на этот преобразователь, В;
X - значение относительного уровня, дБ;

- относительное время установления телеграфного сигнала (импульса).
(справочное)
ПРИМЕР ПОСТРОЕНИЯ ОГРАНИЧИТЕЛЬНОЙ ЛИНИИ И КОНТРОЛЯ
ВНЕПОЛОСНЫХ СПЕКТРОВ ИЗЛУЧЕНИЙ
1. Исходные данные для расчета
Тип передатчика - вещательный передатчик.
Класс излучения - A3EGN.
2. Координаты точек ограничительной линии

;

.
X = -40 дБ;

.
X = -45 дБ;

.
X = -50 дБ;

.
X = -60 дБ;

.
График ограничительной линии, построенный по координатам указанных выше точек, представлен на черт. 8.
Пример сравнения измеренных и нормируемых значений
для излучения класса A3E (радиовещание)
Черт. 8
3. Сравнение результатов измерений с нормируемыми величинами
Измеренные значения (в данном примере - условные) ширины полосы частот на уровнях, указанных в
п. 2, отнесенные к необходимой ширине полосы частот, отмечены на черт. 8 знаками "*".
По результатам сравнения измеренных значений (условных) с нормируемыми величинами, приведенными на черт. 8, следует сделать вывод, что ширина контрольной полосы частот и внеполосные спектры излучений данного (условного) передатчика вплоть до уровня минус 45 дБ соответствуют нормам, а внеполосные спектры излучений ниже уровня минус 45 дБ - не соответствуют нормам.
(справочное)
ОБЩИЕ ТРЕБОВАНИЯ К СРЕДСТВАМ ИЗМЕРЕНИЙ
И КОНТРОЛЯ И РЕКОМЕНДУЕМЫЕ К ПРИМЕНЕНИЮ
РАДИОИЗМЕРИТЕЛЬНЫЕ ПРИБОРЫ
1. Анализаторы спектра
1.1. Диапазон частот анализатора спектра должен перекрывать рабочий диапазон частот испытуемого радиопередатчика.
Допускается производить измерения по участкам диапазона анализаторами спектра различных типов.
1.2. Полоса обзора анализатора спектра должна обеспечивать измерение огибающей спектра сигнала в полосе частот, соответствующей минимальному контрольному уровню.
Примечание. При отсутствии анализатора спектра с требуемой полосой обзора допускается измерение огибающей контролируемого спектра по участкам.
1.3. Полоса пропускания анализатора спектра на уровне минус 3 дБ должна быть:
при использовании периодических испытательных сигналов - в три раза меньше частоты манипуляции;
для импульсных излучений - 0,1/t;
для шумовых испытательных сигналов -

.
В этом случае анализатор спектра должен иметь последетекторную усредняющую цепочку с постоянной времени

.
1.4. Динамический диапазон анализатора спектра должен обеспечивать измерение максимального контрольного уровня.
1.5. Неравномерность амплитудно-частотной характеристики анализатора спектра в установленной полосе частот не должна превышать 3 дБ.
1.6. Погрешность измерения уровней должна быть не более 2,0 дБ.
1.7. Анализаторы спектра представлены в табл. 6.
Таблица 6
Анализаторы спектра
───────┬─────────────────┬─────────────────┬──────────────────┬───────────────────┬──────────────────┬───────
Тип │ Диапазон частот │ Полоса │Полоса пропускания│ Погрешность │ Погрешность │Динами-
прибора│ │ обзора │ на уровне 3 дБ │ установки частоты │ измерения уровня │ческий
│ │ │ │ │ │диапа-
│ │ │ │ │ │зон, дБ
───────┼─────────────────┼─────────────────┼──────────────────┼───────────────────┼──────────────────┼───────
│ │ │ │ -6 │ │
С4-77 │20 Гц - 600 кГц │50 Гц - 200 кГц │3 Гц - 3 кГц │+/- (10 f + │0,8 дБ │70 - 90
│ │ │ │ │ │
│ │ │ │+ Дельта f + 6) Гц │ │
│ │ │ │ │ │
│ │ │ │ -7 │ │
С4-82 │300 Гц - 1,5 ГГц │0 - 1,5 ГГц │3 Гц - 3 МГц │+/- 10 f │2 дБ │70 - 80
│ │ │ │ │ │
│ │ │ │ -7 │ │
СК4-83 │10 Гц - 1 МГц │0 - 1 МГц │3,16 Гц - 31,6 кГц│+/- 10 f + 0,1 Гц │+/- (1,5 - 30)% │ 90
│ │ │ │ │ │
│ │ │ │ -7 │ │
СК4-84 │30 Гц - 110 МГц │0 - 110 МГц │3,16 Гц - 316 кГц │+/- 10 f │+/- (0,5 - 1,5) дБ│ 85
│ │ │ │ │ │
│ │ │ 6 │ -7 │ │
СК4-85 │100 Гц - 39,6 ГГц│0,500 Гц - 20 ГГц│10 - 3 x 10 Гц │+/- 10 f │+/- 1 дБ │60 - 90
2. Генераторы шумовых сигналов
2.1. Неравномерность спектральной плотности мощности шума в полосе измерения от 50 до 2500 Гц должна быть не более 2 дБ.
2.2. Уровень мощности шума на выходе генератора должен обеспечивать нормальный режим модуляции. Допускается использовать генератор шума с меньшим уровнем мощности совместно с усилителем. Частотная характеристика усилителя должна иметь неравномерность не более 1 дБ (в полосе частот

, где

и

- нижняя и верхняя частоты модулирующих сигналов).
Усилитель должен иметь коэффициент нелинейных искажений не более 3% (при подаче на вход усилителя синусоидального сигнала последовательно на частотах 300, 600 и 1000 Гц).
2.3. Погрешность установки выходного уровня должна быть не более 6%.
3. Имитаторы телеграфных сигналов
3.1. Преобладание "телеграфных точек" не должно превышать 3%. Относительное время установления импульсов не должно превышать 2%. Должна обеспечиваться стандартная скорость манипуляции (от 47 до 4800 Бод) с относительной погрешностью не более 10. Имитатор должен иметь два канала с выходным напряжением сигнала, обеспечивающим работу радиопередатчика в штатном режиме.
4. Формирующий фильтр
4.1. Схема фильтра, формирующего спектр речевого сигнала, приведена на черт. 9, а его частотная характеристика - на
черт. 10.
Схема фильтра, формирующего спектр речевого сигнала
Черт. 9
Частотная характеристика фильтра, формирующего спектр
речевого сигнала
4.2. Схема фильтра, формирующего спектр вещательного сигнала, приведена на черт. 11, а его частотная характеристика - на
черт. 12.
Схема фильтра, формирующего спектр вещательного сигнала
Черт. 11
Частотная характеристика фильтра, формирующего спектр
вещательного сигнала
4.3. Допускаются отклонения частотных характеристик фильтров от кривых, приведенных на
черт. 10 и 12, в отдельных участках на величину до 2 дБ.
4.4. Формирующие фильтры должны быть метрологически аттестованы.
5. Аттенюаторы
5.1. Аттенюаторы во всей полосе контролируемых частот должны обеспечивать ослабление

, значение которого определяется из условия

, и иметь допустимую мощность рассеивания

, соответствующую условию

, где

- средняя мощность, подводимая к аттенюатору, дБмкВт,

,

- соответственно верхний и нижний пределы измерения средней мощности измерительного прибора, дБмкВт.
5.2. Коэффициент стоячей волны (КСВ) по напряжению входа (выхода) аттенюатора не должен превышать 1,4.
5.3. Погрешность установки затухания не должна быть более 1 дБ.
5.4. КСВ по напряжению каждого вспомогательного элемента высокочастотного тракта не должен превышать 1,5.
6. Рекомендуемые к применению радиоизмерительные приборы
6.1. Приборы для измерения мощности и их характеристики приведены в табл. 7.
Таблица 7
Приборы для измерения мощности
───────────┬───────────────┬─────────────────┬─────────────┬───────────────
Тип прибора│ Диапазон │Пределы измерения│ Допустимая │ Коэффициент
│ частот, ГГц │ мощности, Вт │ импульсная │ стоячей волны
│ │ │мощность, кВт│ напряжения
───────────┼───────────────┼─────────────────┼─────────────┼───────────────
│ │ -7 -2 │ │
М3-91 │ 17,44 - 25,86 │ 10 - 10 │ - │ 1,4
│ │ -7 -2 │ │
М3-92 │ 25,86 - 37,5 │ 10 - 10 │ - │ 1,4
│ │ -4 │ │
М3-91/1 │ 0 - 17,85 │ 10 - 1 │ - │ 1,15
6.2. Электронно-счетные частотомеры и их характеристики приведены в табл. 8.
Таблица 8
Электронно-счетные частотомеры
───────┬─────────────────┬─────────────────────────────────────────────────
Тип │ Диапазон │ Погрешность измерения частоты
прибора│измеряемых частот├──────────────────────┬──────────────────────────
│ │ в режиме │ в режиме
│ │ непрерывной генерации│ импульсной модуляции
───────┼─────────────────┼──────────────────────┼──────────────────────────
│ │ -7 │
Ч3-58 │10 Гц - 18 ГГц │2,5 x 10 │ -
│ │ │
│ │ │ 150
Ч3-61 │8,15 - 37,5 ГГц │дельта + 1 сч. ед. │дельта + --- + 1 сч. ед.
│ │ 0 │ 0 f
│ │ │
│ │ -7 │
Ч3-63/1│0,1 Гц - 1500 МГц│5 x 10 + 1 сч. ед. │ -
│ │ │
│ │ -9 │
│ │1 x 10 │ 150
Ч3-65 │0,01 Гц - 500 МГц│-------- │дельта + --- + 1 сч. ед.,
│ │ f │ 0 f
│ │ сч │ -7
│ │ │где дельта - 5 x 10
│ │ │ 0
│ │ │
│ │ 1 │
Ч3-71 │10 Гц - 37,5 ГГц │+/- (дельта + ------)│10 - 100 кГц
│ │ 0 f t │
│ │ х сч │
6.3. Генераторы сигналов низкочастотные и их характеристики приведены в табл. 9.
Таблица 9
Генераторы сигналов низкочастотные
────────────┬─────────────────────┬──────────────────────────┬─────────────
Тип прибора │ Диапазон частот │ Основная погрешность │ Выходное
│ │ установки частоты, % │напряжение, В
────────────┼─────────────────────┼──────────────────────────┼─────────────
│ │ 50 │
Г3-111 │20 Гц - 2 МГц │+/- (3 + --) │ 5
│ │ f │
│ │ │
│ │ 30 │
Г3-112 │10 Гц - 10 МГц │+/- (2 + --) │ 5
│ │ f │
│ │ │
│ │ -7 │
Г3-119 │20 Гц - 20 МГц │+/- 5 x 10 f │ 1
│ │ │
│ │ -7 │
Г3-122 │0,001 - 20 МГц │+/- 5 x 10 f │ 2,5
7. Генераторы шума
7.1. Генератор шума Г2-37
7.1.1. Диапазон частот - 15 Гц - 6,5 МГц.
7.1.2. Уровень выходного сигнала - 3 мкВ - 1 В.
7.1.3. Погрешность установки выходного сигнала - 4% от конечного значения шкалы.
7.2. Генератор шума Г2-57
7.2.1. Диапазон частот - 0,1 Гц - 1 МГц; 0,1 - 10 МГц.
7.2.2. Уровень выходного сигнала - 0,1 - 10 В.
7.2.3. Погрешность установки выходного сигнала - 5% от конечного значения шкалы.
8. Двухканальный имитатор телеграфных сигналов ДИТС-32
8.1. Вид испытательного сигнала (тест-сигнала) - точки, любая 5- или 7-элементная комбинация, комбинация 1:15, коррекция, квазипериодическая последовательность из

- 1 элементов (рекуррентный тест-сигнал), нажатие.
8.2. Скорости манипуляции стандартные - от 47 до 2400 Бод (47, 50, 75, 94, 100, 141, 150, 188, 200, 282, 300, 1200 и 2400 Бод) с относительной погрешностью не более

.
8.3. При использовании внешнего генератора скорость манипуляции может быть любой от 40 до 2500 Бод с относительной погрешностью, определяемой стабильностью частоты внешнего генератора.
8.4. Имитатор имеет два независимых от скорости и вида манипуляции канала.
8.5. Каждый канал имеет регулируемый тональный и импульсный выходы, а также три дополнительных нерегулируемых импульсных выхода. Уровень сигналов на импульсном выходе - 0 - 60 В и 25 В, на тональном - 0 - 5,5 В.
8.6. Несущие частоты тональных выходов - 900, 1200, 1620, 1980, 3000 и 4000 Гц +/- 2%.
8.7. Преобладания импульсных посылок не превышают 1%.
9. Вольтметры
9.1. Вольтметры и их характеристики приведены в табл. 10.
Таблица 10
Вольтметры
───────────┬────────────────────────┬────────────────────┬─────────────────
Тип │ Диапазон измерения │ Диапазон │ Погрешность
прибора │ напряжений, В │ частот │ измерения, %
───────────┼────────────────────────┼────────────────────┼─────────────────
│ -5 │ │
В3-57 │10 - 300 │5 Гц - 5 МГц │ 1 - 4
│ │ │
│ -4 │ │
В3-48 │3 x 10 - 300 │10 Гц - 50 МГц │ 2,5 - 10
│ │ │
│ -2 │ │
В3-49 │10 - 100 │20 Гц - 1000 МГц │ -
│ │ │
│ -4 │ │
В3-59 │2,65 x 10 - 300 │10 Гц - 100 МГц │ 0,4 - 2,5
10. Измерители коэффициента модуляции
10.1. Измерители коэффициента модуляции (модулометры) и их характеристики приведены в табл. 11.
Таблица 11
Измерители коэффициента модуляции (модулометры)
────────┬──────────────────┬───────────────────┬──────────────────┬────────
Тип │ Диапазон несущих │ Диапазон │Пределы измерения │Чувстви-
прибора │ частот, МГц │ модулирующих │ │тель-
│ │ частот, кГц │ │ность,
├─────────┬────────┼─────────┬─────────┼────────┬─────────┤мВ
│в режиме │в режиме│в режиме │в режиме │в режиме│в режиме │
│ ЧМ │ АМ │ ЧМ │ АМ │ЧМ, кГЦ │ АМ, % │
────────┼─────────┼────────┼─────────┼─────────┼────────┼─────────┼────────
СК3-39 │0,1 - 50 │0,1 - 50│0,03 - 15│0,03 - 15│10 - 30 │0,1 - 100│ 50
СК3-46 │5 - 6 │5 - 6 │ │ │ │ │
│10 - 1500│10 - 500│0,05 - 30│0,05 - 30│1 - 300 │1 - 100 │30 - 100
(справочное)
ОБОЗНАЧЕНИЯ КЛАССОВ ИЗЛУЧЕНИЙ
1.1. Излучения должны обозначаться в соответствии с необходимой шириной полосы частот и их классификацией.
1.2. Для полного обозначения излучения перед обозначением класса следует с помощью четырех знаков указать необходимую ширину полосы. Необходимая ширина полосы должна выражаться тремя цифрами и одной буквой. Букву располагают на месте запятой, отделяющей целую часть от дробной в десятичной дроби и она обозначает единицу измерения полосы частот. Первый знак не должен быть ни нулем, ни буквой K, M или G.
1.2.1. Необходимая ширина полосы должна выражаться:
от 0,001 до 999 Гц - в герцах (буква H);
от 1,00 до 999 кГц - в килогерцах (буква K);
от 1,00 до 999 МГц - в мегагерцах (буква M);
от 1,00 до 999 ГГц - в гигагерцах (буква G).
Примеры:
0,002 Гц = H002 6 кГц = 6K00 1,25 МГц = 1M25
0,1 Гц = H100 12,5 кГц = 12K5 2 МГц = 2M00
25,3 Гц = 25H3 180,4 кГц = 180K4 10 МГц = 10M0
400 Гц = 400H 180,5 кГц = 181K 202 МГц = 202M
2,4 кГц = 2K40 180,7 кГц = 181K 5,65 ГГц = 5G65
1.2.2. Необходимую ширину полосы определяют:
по формулам, приведенным в
табл. 1;
расчетами в случаях, когда формулы не предусмотрены в
табл. 1;
с помощью измерений в случаях, когда не предусмотрены по формулам и расчетами.
1.3. Обозначение класса излучения представляет собой совокупность характеристик (см.
Приложение 2).
Излучения должны классифицироваться и обозначаться в соответствии с их основными и дополнительными характеристиками. С помощью первых трех условных обозначений описывают основные характеристики для классификации излучения, а для полного описания излучения необходимо добавить еще две дополнительные характеристики.
Первое обозначение - тип модуляции основной несущей.
Второе обозначение - характер сигнала (сигналов), модулирующего основную несущую.
Третье обозначение - тип передаваемой информации.
Четвертое обозначение - подробные данные о сигнале (сигналах).
Пятое обозначение - характер уплотнения.
Основные характеристики являются обязательными в обозначении излучения, а вместо дополнительных, если они не используются, ставятся прочерки.
Например, для телевидения видео 6M25C3F, звук 750KF3EGN.
1.4. Основные характеристики
1.4.1. Первое обозначение - тип модуляции основной несущей.
1.4.1.1. Излучение немодулированной несущей . . . . . . . . . . . . N
1.4.1.2. Излучения, при которых основная несущая модулируется по
амплитуде (включая случаи, когда поднесущие имеют угловую модуляцию):
двухполосная . . . . . . . . . . . . . . . . . . . . . . . . . . . . A
однополосная:
с полной несущей . . . . . . . . . . . . . . . . . . . . . . . . . . H
с ослабленной несущей или с переменным уровнем несущей . . . . . . . R
с подавленной несущей . . . . . . . . . . . . . . . . . . . . . . . J
с независимыми боковыми полосами . . . . . . . . . . . . . . . . . B
с частично подавленной одной из боковых полос . . . . . . . . . . . C
1.4.1.3. Излучения, при которых основная несущая имеет угловую
модуляцию:
частотная модуляция . . . . . . . . . . . . . . . . . . . . . . . . F
фазовая модуляция . . . . . . . . . . . . . . . . . . . . . . . . . G
1.4.1.4. Излучения, при которых основная несущая имеет амплитудную
и угловую модуляции либо одновременно, либо в заранее установленной
последовательности . . . . . . . . . . . . . . . . . . . . . . . . . . . D
1.4.1.5. Импульсные излучения
<*> (последовательности импульсов):
немодулированных . . . . . . . . . . . . . . . . . . . . . . . . . P
модулированных по амплитуде . . . . . . . . . . . . . . . . . . . . K
модулированных по ширине или длительности . . . . . . . . . . . . . L
модулированных по положению или фазе . . . . . . . . . . . . . . . . M
при которых несущая имеет угловую модуляцию во время передачи
импульсов . . . . . . . . . . . . . . . . . . . . . . . . . . . . . . . Q
представляющие сочетание указанных выше способов или производимая
другими методами . . . . . . . . . . . . . . . . . . . . . . . . . . . . V
1.4.1.6. Прочие случаи, отличные от указанных выше, при которых
излучение состоит из основной несущей, модулированной либо одновременно,
либо в заранее установленной последовательности сочетанием двух или
более следующих методов модуляции:
амплитудной, угловой, импульсной . . . . . . . . . . . . . . . . . W
1.4.1.7. Прочие случаи . . . . . . . . . . . . . . . . . . . . . . . X
1.4.2. Второе обозначение - характер сигнала (сигналов),
модулирующего основную несущую.
1.4.2.1. Отсутствие модулирующего сигнала . . . . . . . . . . . . . 0
1.4.2.2. Один канал, содержащий квантованную или цифровую информацию
без использования модулирующей поднесущей
<**> . . . . . . . . . . . . . 1
1.4.2.3. Один канал, содержащий квантованную или цифровую информацию
при использовании модулирующей поднесущей
<**> . . . . . . . . . . . . . 2
1.4.2.4. Один канал с аналоговой информацией . . . . . . . . . . . . 3
1.4.2.5. Два канала или более, содержащие квантованную или цифровую
информацию . . . . . . . . . . . . . . . . . . . . . . . . . . . . . . . 7
1.4.2.6. Два канала или более с аналоговой информацией . . . . . . . 8
1.4.2.7. Сложная система с одним или несколькими каналами,
содержащими квантованную или цифровую информацию, совместно с одним
или несколькими каналами, содержащими аналоговую информацию . . . . . . 9
1.4.2.8. Прочие случаи . . . . . . . . . . . . . . . . . . . . . . . X
1.4.3. Третье обозначение - тип передаваемой информации
<***>
1.4.3.1. Отсутствие передаваемой информации . . . . . . . . . . . . N
1.4.3.2. Телеграфия для слухового приема . . . . . . . . . . . . . . A
1.4.3.3. Телеграфия для автоматического приема . . . . . . . . . . . B
1.4.3.4. Факсимиле . . . . . . . . . . . . . . . . . . . . . . . . . C
1.4.3.5. Передача данных, телеметрия, телеуправление . . . . . . . . D
1.4.3.6. Телефония (включая звуковое радиовещание) . . . . . . . . . E
1.4.3.7. Телевидение (видео) . . . . . . . . . . . . . . . . . . . . F
1.4.3.8. Сочетание указанных выше типов . . . . . . . . . . . . . . W
1.4.3.9. Прочие случаи . . . . . . . . . . . . . . . . . . . . . . X
1.4.4. Четвертое обозначение - подробные данные о сигнале
(сигналах).
1.4.4.1. Двухпозиционный код с разным количеством элементов и (или)
разной длительности . . . . . . . . . . . . . . . . . . . . . . . . . . A
1.4.4.2. Двухпозиционный код с одинаковым числом элементов
и одинаковой длительности без исправления ошибок . . . . . . . . . . . . B
1.4.4.3. Двухпозиционный код с одинаковым числом элементов
и одинаковой длительности с исправлением ошибок . . . . . . . . . . . . C
1.4.4.4. Четырехпозиционный код, в котором каждая позиция
представляет элемент сигнала (из одного или нескольких бит) . . . . . . D
1.4.4.5. Многопозиционный код, в котором каждая позиция
представляет элемент сигнала (из одного или нескольких бит) . . . . . . E
1.4.4.6. Многопозиционный код, в котором каждая позиция или
комбинация позиций представляет знак . . . . . . . . . . . . . . . . . . F
1.4.4.7. Передача звука радиовещательного качества (монофоническая) G
1.4.4.8. Передача звука радиовещательного качества (стереофоническая
или квадрофоническая) . . . . . . . . . . . . . . . . . . . . . . . . . H
1.4.4.9. Передача звука с приемлемым для коммерческой связи
качеством (исключая те категории, которые приведены в пп. 1.4.4.10
и 1.4.4.11) . . . . . . . . . . . . . . . . . . . . . . . . . . . . . . J
1.4.4.10. Передача звука с приемлемым для коммерческой связи
качеством при использовании инверсии частот или расщепления полосы
частот . . . . . . . . . . . . . . . . . . . . . . . . . . . . . . . . . K
1.4.4.11. Передача звука с приемлемым для коммерческой связи
качеством при использовании отдельно частотно-модулированных сигналов
для управления уровнем демодулированного сигнала . . . . . . . . . . . . L
1.4.4.12. Монохромный сигнал . . . . . . . . . . . . . . . . . . . . M
1.4.4.13. Цветной сигнал . . . . . . . . . . . . . . . . . . . . . . N
1.4.4.14. Сочетание вышеуказанных сигналов . . . . . . . . . . . . . W
1.4.4.15. Случаи, не предусмотренные в вышеприведенных пунктах . . . X
1.4.5. Пятое обозначение - характер разделения каналов.
1.4.5.1. Без разделения . . . . . . . . . . . . . . . . . . . . . . N
1.4.5.2. Кодовое разделение
<****> . . . . . . . . . . . . . . . . . C
1.4.5.3. Частотное разделение . . . . . . . . . . . . . . . . . . . F
1.4.5.4. Временное разделение . . . . . . . . . . . . . . . . . . . T
1.4.5.5. Сочетание частотного и временного разделений . . . . . . . W
1.4.5.6. Другие виды разделений . . . . . . . . . . . . . . . . . . X
--------------------------------
<*> Излучения, при которых основная несущая модулируется непосредственно сигналом, закодированным в квантованной форме (например, импульсно-кодовая модуляция), должны обозначаться в соответствии с
п. 1.4.1.2 или
1.4.1.3.
<**> Исключая временное разделение каналов.
<***> В этом контексте слово "информация" не включает информацию постоянного, неменяющегося характера, аналогичную той, которая обеспечивается излучениями стандартных частот, радиолокаторами с непрерывным и импульсным излучением и т.п.
<****> Включая методы расширения спектра.
(справочное)
СРАВНИТЕЛЬНАЯ ТАБЛИЦА СТАРОГО И НОВОГО ОБОЗНАЧЕНИЙ
КЛАССОВ ИЗЛУЧЕНИЙ
Таблица 12
───────────────────────────────────────────────────────────┬───────────────
Класс излучений │ Обозначение
│ классов
│ излучений
├──────┬────────
│старое│ новое
───────────────────────────────────────────────────────────┴──────┴────────
Амплитудная модуляция
Излучение немодулированной несущей │ A0 │ NON
Телеграфия
Незатухающие колебания (амплитудная манипуляция) │ A1 │A1A
<*>
Тональная (амплитудная манипуляция модулирующей звуковой │ A2 │ A2A
частоты) │ │ A2B
Тональная, одна боковая полоса частот: │ │
полная несущая │ A2A │H2A, H2B
подавленная несущая │ A2J │ J2B
Многоканальная тональная, одна боковая полоса частот: │ │
ослабленная несущая │ A7A │ R7B
подавленная несущая │ A7J │ J7B
Телефония
Две боковые полосы частот (в том числе радиовещание) │ A3 │ A3E
Одна боковая полоса частот: │ │
полная несущая │ A3H │ H3E
ослабленная несущая │ A3A │ R3E
подавленная несущая │ A3J │ J3E
Две независимых боковых полосы частот │ A3B │ B8E
Факсимиле
Излучение с модуляцией основной несущей частоты │ │
непосредственно или с помощью модулированной по частоте │ │
поднесущей: │ │
две боковые полосы частот │ A4 │ A3C
одна боковая полоса частот, ослабленная несущая │ A4A │ R3C
Телевидение
Излучение с частично подавленной боковой полосой частот │ A5C │ C3F
Угловая модуляция
Телеграфия одноканальная (ЧТ) │ F1 │ F1B
Телефония (радиовещание, звуковое сопровождение │ F3 │ F3E
телевидения) │ │
Факсимиле при непосредственной модуляции несущей │ F4 │ F1C
Четырехчастотная двухканальная телеграфия (ДЧТ) │ F6 │ F7B
Импульсная модуляция
Последовательность немодулированных импульсов │ P0 │ P0N
Телеграфия
Амплитудная манипуляция импульсной несущей без │ P1D │ K1B
использования модулирующей звуковой частоты │ │
Излучение с использованием модуляции импульсов звуковой │ │
частотой: │ │
по амплитуде │ P2D │ K2B
по ширине или длительности │ P2E │ L2B
по положению или фазе │ P2F │ M2B
Телефония
При модуляции импульсов: │ │
по амплитуде │ P3D │ K3E
по ширине или длительности │ P3E │ L3E
по положению или фазе │ P3F │ M3E
--------------------------------
<*> В третьем знаке новых условных обозначений классов излучений буква A означает слуховой прием, буква B - автоматический прием.