Главная // Актуальные документы // ГОСТ Р (Государственный стандарт)СПРАВКА
Источник публикации
М.: Издательство стандартов, 1994
Примечание к документу
С 1 июля 2003 года до вступления в силу технических регламентов акты федеральных органов исполнительной власти в сфере технического регулирования носят рекомендательный характер и подлежат обязательному исполнению только в части, соответствующей целям, указанным в
пункте 1 статьи 46 Федерального закона от 27.12.2002 N 184-ФЗ.
Документ
введен в действие с 1 июля 1994 года.
Название документа
"ГОСТ Р 34.30-93. Государственный стандарт Российской Федерации. Информационная технология. Передача данных. Интерфейс между оконечным оборудованием и аппаратурой окончания канала данных и распределение номеров контактов соединителей. Общие требования"
(утв. и введен в действие Постановлением Госстандарта России от 18.10.1993 N 223)
"ГОСТ Р 34.30-93. Государственный стандарт Российской Федерации. Информационная технология. Передача данных. Интерфейс между оконечным оборудованием и аппаратурой окончания канала данных и распределение номеров контактов соединителей. Общие требования"
(утв. и введен в действие Постановлением Госстандарта России от 18.10.1993 N 223)
Утвержден и введен в действие
Постановлением Госстандарта
России
от 18 октября 1993 г. N 223
ГОСУДАРСТВЕННЫЙ СТАНДАРТ РОССИЙСКОЙ ФЕДЕРАЦИИ
ИНФОРМАЦИОННАЯ ТЕХНОЛОГИЯ
ПЕРЕДАЧА ДАННЫХ. ИНТЕРФЕЙС МЕЖДУ ОКОНЕЧНЫМ ОБОРУДОВАНИЕМ
И АППАРАТУРОЙ ОКОНЧАНИЯ КАНАЛА ДАННЫХ И РАСПРЕДЕЛЕНИЕ
НОМЕРОВ КОНТАКТОВ СОЕДИНИТЕЛЕЙ
ОБЩИЕ ТРЕБОВАНИЯ
Information technology.
Data communication DTE/DCE interface and contact
assignments of connector. General specification
ГОСТ Р 34.30-93
Дата введения
1 июля 1994 года
1. Подготовлен и внесен Техническим комитетом по стандартизации (ТК 22) "Информационная технология".
2. Утвержден и введен в действие Постановлением Госстандарта России от 18.10.93 N 223.
Настоящий стандарт подготовлен на основе прямого применения международных стандартов:
ИСО 2110-89 "Информационная технология. Передача данных. Соединитель интерфейса 25-контактный между ООД и АКД и распределение номеров контактов";
ИСО 4902-89 "Информационная технология. Передача данных. Соединитель интерфейса 37-контактный между ООД и АКД и распределение номеров контактов";
ИСО 4903-89 "Информационная технология. Передача данных. Соединитель интерфейса 15-контактный между ООД и АКД и распределение номеров контактов" и полностью им соответствует.
Введен впервые.
Настоящий стандарт распространяется на:
а) 15-контактный соединитель и распределение номеров контактов соединителя для интерфейса (стыка) между оконечным оборудованием данных (ООД) и аппаратурой окончания канала данных (АКД), где применимы ГОСТ 23675 и ГОСТ 27771;
б) 25-контактный соединитель и распределение номеров контактов между ООД и АКД или параллельным устройством автоматического вызова (УАВ), где применимы ГОСТ 18145 и ГОСТ 20768.
В случае использования для сети передачи данных общего пользования интерфейса (стыка) по X.20 функции цепей обмена реализуются в соответствии с требованиями рекомендации X.24 МККТТ.
В случае применения интерфейса (стыка) внешней станции по V.20 электрические характеристики должны соответствовать требованиям рекомендаций V.31 или V.31 бис МККТТ.
В случае применения режима работы со скоростью, превышающей 20 кбит/с, электрические характеристики должны соответствовать требованиям ГОСТ 23675;
в) 37 и 9-контактные соединители и распределение номеров контактов соединителей на стыке между ООД и АКД, где применимы ГОСТ 18145 и ГОСТ 23675. Использование 9-контактного соединителя возможно в том случае, когда имеется необходимость использовать в интерфейсе канал обратной связи.
Настоящий стандарт определяет, кроме того, размеры корпуса соединителя, а также рекомендуемые средства для обеспечения замка (запирающего блока) и экранирования соединителя.
Настоящий стандарт соответствует международным стандартам ИСО 4902, ИСО 4903, ИСО 2110, за исключением
раздела 1 и его наименования. Для сокращения объема настоящего стандарта ряд разделов разработан путем объединения аналогичных по содержанию разделов международных стандартов, которые соответствуют настоящему стандарту, а именно:
- раздела 1 "Нормативные ссылки";
- раздела 2 "Определения";
- раздела 3 "Соединители";
- раздела 4 "Распределение номеров контактов";
- раздела 5 "Экранирование соединителя";
- Приложения A "Диаграммы области манипулирования".
Требования настоящего стандарта являются обязательными.
Нижеперечисленные стандарты содержат положения, которые путем ссылок на них в данном тексте образуют положения настоящего стандарта. В момент публикации настоящего стандарта указанные издания стандартов были действующими. Все стандарты подвергаются пересмотру и участникам соглашений, основанных на настоящем стандарте, следует рассмотреть возможность применения самых последних изданий перечисленных ниже стандартов. Комитеты - члены МЭК и ИСО имеют списки международных стандартов, действующих на текущий момент.
ИСО 261-73
<*> "ИСО Метрические винтовые резьбы общего назначения ИСО. Основные размеры".
ИСО 8480-87
<*> "Обработка информации, передача данных. Операции управления резервированием на стыке ООД/АКД с использованием 25-контактного соединителя".
Публикация МЭК 50 (581-78)
<*> "Международный электротехнический словарь. Глава 581. Электротехнические компоненты электронного оборудования".
--------------------------------
<*> До прямого применения данного документа в качестве государственного стандарта распространение его осуществляет ВНИИКИ.
Публикация МЭК 807-2-85
<*> "Прямоугольные соединители на частоты до 3 МГц. Часть 2. Технические условия на ряд соединителей с круглыми контактами. Приборные соединители с контактами под пайку".
ГОСТ 18145-81 "Цепи на стыке C2 аппаратуры передачи данных с оконечным оборудованием при последовательном вводе-выводе данных. Номенклатура и технические требования".
ГОСТ 20768-75 "Аппаратура передачи данных. Устройство автоматического вызова УАВ-ТЛФ. Типы и основные параметры".
ГОСТ 20855-83 "Устройства преобразования сигналов аппаратуры передачи данных для коммутируемых и некоммутируемых каналов тональной частоты. Типы и основные параметры".
ГОСТ 23675-79 "Цепи стыка C2 системы передачи данных. Электрические параметры".
ГОСТ 24174-80 "Устройства преобразования сигналов для первичных широкополосных каналов. Типы и основные параметры".
ГОСТ 26532-85 "Устройства преобразования сигналов аппаратуры передачи данных для некоммутируемых каналов тональной частоты. Типы и основные параметры".
ГОСТ 27374-87 "Устройства преобразования сигналов аппаратуры передачи данных для работы по телеграфным каналам связи. Типы и основные параметры".
ГОСТ 27771-88 "Процедурные характеристики на стыке между оконечным оборудованием данных и аппаратурой окончания канала данных. Общие требования и нормы".
ГОСТ 27912-88 "Устройство автоматического вызова для телеграфной связи. Требования к процедурам взаимодействия с внешними устройствами и каналом связи".
ГОСТ 28142-89 "Устройство автоматического вызова для телефонной связи. Требования к процедурам взаимодействия с внешними устройствами и каналом связи".
ГОСТ 28749-90 "Устройства преобразования сигналов для одновременной двусторонней передачи данных по коммутируемым каналам телефонной сети общего пользования со скоростью 2400 бит/с. Типы и основные параметры".
ГОСТ 28838-90 "Устройство преобразования сигналов аппаратуры передачи данных для работы по некоммутируемым каналам связи тональной частоты, использующее метод сверхточной кодировки информации. Основные параметры".
Рекомендация S.16 МККТТ: 1989
<*> "Соединение автоматического терминала, использующего стык АПД/ООД V.24, с сетью телекс".
Рекомендация V.19 МККТТ: 1989
<*> "Модемы для параллельной передачи данных с использованием частот телефонной сигнализации".
Рекомендация V.20 МККТТ: 1989
<*> "Модемы с параллельной передачей данных, стандартизованные для универсального использования на коммутируемой телефонной сети общего пользования".
Рекомендация V.27 тер МККТТ: 1989
<*> "Модем на 4800/2400 бит/с, стандартизованный для использования на коммутируемой телефонной сети общего пользования".
Рекомендация V.31 МККТТ: 1989
<*> "Электрические характеристики цепей стыка, работающих однополюсным током и управляемых замыканием контактов".
Рекомендация V.31 бис МККТТ: 1989
<*> "Электрические характеристики цепей стыка, работающих однополюсным током и использующих оптоэлектронные соединительные элементы".
Рекомендация V.32 МККТТ: 1989
<*> "Семейство 2-проводных дуплексных модемов со скоростями передачи данных до 9600 бит/с для использования на коммутируемой телефонной сети общего пользования и арендованных каналах телефонного типа".
Рекомендация V.37 МККТТ: 1989
<*> "Синхронная передача данных со скоростями выше 72 кбит/с по первичным групповым трактам с полосой 60 - 108 кГц".
Рекомендация X.20 МККТТ: 1989
<*> "Стык между оконечным оборудованием данных (ООД) и аппаратурой окончания канала данных (АКД) для служб стартстопной передачи по сетям данных общего пользования".
Рекомендация X.20 бис МККТТ: 1989
<*> "Использование в сетях данных общего пользования оконечного оборудования данных (ООД), которое рассчитано на сопряжение с асинхронными дуплексными модемами серии V".
Рекомендация X.21 МККТТ: 1989
<*> "Стык между оконечным оборудованием данных (ООД) и аппаратурой окончания канала данных (АКД) для синхронной работы по сетям данных общего пользования".
Рекомендация X.21 бис МККТТ: 1989
<*> "Использование в сетях данных общего пользования оконечного оборудования данных (ООД), которое рассчитано на сопряжение с синхронными модемами серии V".
Рекомендация X.22 МККТТ: 1989
<*> "Мультиплексный стык ООД/АКД для классов обслуживания абонентов 3 - 6".
--------------------------------
<*> До прямого применения данного документа в качестве государственного стандарта распространение его осуществляет НИЦЭВТ.
Примечание. Соответствие государственных стандартов данного раздела рекомендациям МККТТ приведено в
Приложении K.
Следующие определения взяты из публикации МЭК 50 (581).
3.1. Соединитель (n-контактный) - компонент, присоединяемый к проводникам с целью сочленения с соответствующим сочленяемым компонентом и расчленения с ним.
3.2. Соединители взаимосочленяемые - два соединителя считаются взаимосочленяемыми, если они обладают способностью к электрическому и механическому соединению, но без учета их рабочих характеристик и взаимоустанавливаемости.
3.3. Кожух соединителя - часть соединителя или вспомогательная деталь, представляющая собой жесткий корпус, закрепленный на соединителе. Может иметь кабельный зажим или уплотнительное устройство для закрепления экрана кабеля и обеспечивает защиту от электрических помех. Может быть прямым или угловым.
3.4. Корпус соединителя - часть соединителя, в которой закрепляются изолятор и контакты.
3.5. Гнездовой контакт - контакт, предназначенный для ввода штыревого контакта и обеспечения электрического контактирования с штыревым контактом своей внутренней поверхностью.
3.6. Штыревой контакт - контакт, предназначенный для ввода в гнездовой контакт и обеспечивающий контактирование по своей внешней поверхности.
3.7. Замок - устройство в некоторых компонентах, предназначенное для механического удержания сочленяемой части.
3.8. Схема расположения контактов - количество, расположение и конфигурация контактов в компоненте.
9, 15, 25, 37-контактные соединители предназначены для интерфейса (стыка) ООД/АКД.
Отдельный 25-контактный соединитель предназначен для параллельного интерфейса (стыка) устройства автоматического вызова, когда используется оборудование, соответствующее требованиям ГОСТ 20768.
На
рисунках 4.1 -
4.5 показаны 9, 15, 25, 37-контактные соединители. Приведены только те размеры, которые существенны для обеспечения соединения.
--------------------------------
1) Размеры в миллиметрах.
2) Максимальные и минимальные значения размеров.
Рисунок 4.1. Соединитель ООД
--------------------------------
1) Метрическая резьба в соответствии с ИСО 261.
2) Если не оговорено особо, допуски должны составлять:
- для размеров с двумя десятичными позициями после запятой ... +/- 0,51;
- для размеров с тремя позициями ... +/- 0,254.
3) Информация, указанная на данном рисунке, предназначена для разработчиков, которые применяют запирающий блок или метрические винты, либо то и другое.
4) Максимальные и минимальные значения размеров.
5) Размеры в миллиметрах.
Рисунок 4.2. 15, 25, 37-контактные соединители АКД
с запирающими блоками
--------------------------------
1) Метрическая резьба в соответствии с ИСО 261.
2) Если не оговорено особо, допуски должны составлять:
- для размеров с двумя десятичными позициями после запятой ... +/- 0,51;
- для размеров с тремя позициями ... +/- 0,254.
3) Информация, указанная на данном рисунке, предназначена для разработчиков, которые применяют запирающий блок или метрические винты, либо то и другое.
4) Максимальные и минимальные значения размеров.
5) Размеры в миллиметрах.
Рисунок 4.2а. 9-контактный соединитель АКД
с запирающими блоками
--------------------------------
Размеры в миллиметрах.
Рисунок 4.3. Расстояние между контактами
Рисунок 4.4. Штыревой контакт
--------------------------------
1) Для обеспечения надежного электрического контакта при соединении штыревого контакта с гнездовым со стороны гнездового контакта должно быть приложено достаточное усилие.
2) Максимальные и минимальные значения размеров.
3) Размеры в миллиметрах.
Рисунок 4.5. Гнездовой контакт
На
рисунке 4.1 показаны соединители ООД, которые содержат в корпусе 9, 15, 25, 37 штыревых контактов.
Рисунки 4.2 и
4.2а показывают соединители АКД, которые содержат в своем корпусе 9, 15, 25, 37 гнездовых контактов. Корпуса соединителей АКД имеют размеры, обеспечивающие их размещение внутри корпуса соединителей ООД (см.
рисунки 4.1,
4.2,
4.2а). Нумерация контактов определена на
рисунках 4.1,
4.2,
4.2а. На
рисунке 4.3 показаны размеры расстояний между контактами. На
рисунках 4.4 и
4.5 приведены соответственно размеры гнездового и штыревого контактов.
Соединитель ООД может быть снабжен замком, содержащим два запирающих блока, как показано на
рисунках 4.2 и
4.2а.
Благодаря тому, что запирающие блоки имеют резьбовые отверстия, которые могут служить в качестве гаек, соединитель ООД может быть, в свою очередь, оснащен либо рычажным приспособлением для крепления с запирающими блоками на соединителе АКД, либо винтами, которые соответствуют резьбовым отверстиям запирающих блоков. Резьба запирающих блоков должна быть типа М-3, как показано на
рисунках 4.2 и
4.2а.
Размеры соединителей, определенные в настоящем стандарте, достаточны для обеспечения взаимосочленения соединителей. Они совместимы с требованиями к соединителям по МЭК 807-2.
Диаграммы для области свободного манипулирования, приведенные в
Приложении A, даны в качестве руководящих материалов для разработчиков оборудования. На
рисунке A.1 приведены максимальные контуры соединителя ООД, включая средства крепления с запирающими блоками. На
рисунке A.2 показано минимальное пространство, занимаемое соединителем ООД при использовании нескольких интерфейсных построений.
5. РАСПРЕДЕЛЕНИЕ НОМЕРОВ КОНТАКТОВ
5.1. Распределение номеров контактов 15-контактного соединителя
Распределение номеров контактов для выбранных цепей интерфейса (стыка), определенных рекомендациями X.20, X.21 и X.22 МККТТ, приведено в
таблице 1 для применений с использованием электрических характеристик, указанных в рекомендациях X.26 и X.27 МККТТ. Дополнительно предусмотрен контакт 1 для подсоединения экрана экранированного соединительного кабеля. В
таблице 2 приведен перечень применяемых цепей интерфейса (стыка) и их описание. Их применение должно согласовываться с соответствующими рекомендациями МККТТ для оборудования АКД.
Таблица 1
Распределение номеров контактов цепей стыка
в соответствии с рекомендациями X.20, X.21, X.22 МККТТ
| Распределение цепей стыка |
| | |
X.26 | | | | |
1 | | | | | |
2 | T | T(A) | T | T(A) | T(A) |
3 | - | - | C | C(A) | C(A) |
4 | R | R(A) | R(A) | R(A) | R(A) |
5 | - | - | I(A) | I(A) | I(A) |
6 | - | - | S(A) | S(A) | S(A) |
7 | - | - | | | F(A) |
8 | G | G | G | G | G |
9 | Ga | T(B) | Ga | T(B) | T(B) |
10 | - | - | Ga | C(B) | C(B) |
11 | Gb | R(B) | R(B) | R(B) | R(B) |
12 | - | - | I(B) | I(B) | I(B) |
13 | - | - | S(B) | S(B) | S(B) |
14 | - | - | | | F(B) |
15 | Зарезервирован для будущего международного применения |
<1> Контакт 1 предназначен для соединения экранов между последовательными отрезками экранированного интерфейсного кабеля. В зависимости от национальных требований экран может быть соединен либо с защитной землей, либо со специальной землей со стороны ООД или с обеих сторон. |
Сигнальная земля, кроме того, может быть соединена с защитной землей в соответствии с национальными требованиями безопасности. Следует соблюдать осторожность, чтобы не допустить замыканий на землю, приводящих к возникновению больших токов. |
<2> ООД могут использовать электрические характеристики X.26 либо X.27 для функционирования с АКД, использующими электрические характеристики X.26 в соответствии с рекомендацией X.20. |
<3> ООД могут использовать электрические характеристики X.26 или X.27 для функционирования с АКД, использующими электрические характеристики X.27 в соответствии с рекомендацией X.21 по скоростям передачи данных 9,6 кбит/с и ниже. Для скоростей св. 9,6 кбит/с применима только рекомендация X.27. |
<4> Распределение номеров контактов было выбрано с учетом взаимодействия между ООД X.26 и АКД X.27, используя положения, приведенные в Приложении 2 рекомендаций X.26 и X.27. |
<5> В случае наличия сбалансированных цепей соответствующие пары обозначены A и B согласно рекомендации X.27. |
<6> Распределение номеров контактов отрегулировано таким образом, чтобы обеспечить парность и возможность подключения к многопарному соединительному кабелю. Соответствующими парными контактами являются 2 и 9, 3 и 10; ..., 8 и 15. |
<7> Цепь X используется в том случае, если ООД должно обеспечить синхронизацию элементов сигналов. |
Таблица 2
Обозначение цепи | Описание |
G | Сигнальная земля или общий обратный провод |
Gа | Общий обратный провод ООД |
Gв | Общий обратный провод АКД |
T | Передача |
R | Прием |
C | Управление |
I | Индикация |
S | Синхронизация элементов сигнала |
B | Синхронизация байтов |
F | Идентификация начала цикла |
X | Синхронизация элементов сигнала ООД |
5.2. Распределение номеров контактов 25-контактного соединителя
Распределение номеров контактов, определяемых рекомендацией V.24 МККТТ, приведено в таблице 3, которые сгруппированы по их применению, как это указано в заголовках колонок.
Таблица 3
Распределение номеров контактов
Номер контакта | Номера и замечания по цепи стыка |
Последовательные модемы диапазона звуковых частот | Сеть передачи данных общего пользования | Телеграф | Параллельные модемы диапазона звуковых частот | Автоматический вызов | |
A | B | | | D | E | F | G | H | I | J | K | | M |
V.21, V.22, V.22 бис, V.26 тер, V.32, V.33 | | V.26, V26 бис, V27, V.27 бис, V.27 тер | V.26, V.26 бис, V.27, V.27 бис, V.27 тер | X.20 бис | X.21 бис | | Телекс. Прочие | V.19, V.20 (A) Центральная установка | V.20 (A) Внешняя установка | V.20 (B) Центральная установка | V.20 (B) Внешняя установка | V25 S16 | Режимы работы св. 20 кбит/с <13> |
1 | | | | | | | | | | | | | | |
2 | 103 | 103 | 103 | 103 | 103 | 103 | T | 103 | | 192-A | | 119-A | 211 | 103 A |
3 | 104 | 104 | 104 | 104 | 104 | 104 | R | 104 | | | | | 205 | 104 A |
4 | 105 | 105 | 105 | 105 | F | 105 | F | | | | | | 202 | 105 A/133 A |
5 | 106 | 106 | 106 | 106 | 106 | 106 | F | 106 | | | | | 210 | 106 A |
6 | 107 | 107 | 107 | 107 | 107 | 107 | F | 107 | | | | | 213 | |
7 | 102 | 102 | 102 | 102 | 102 | 102 | G | 102 | 131 | | 131 | | 201 | 102 A |
8 | 109 | 109 | 109 | 109 | 109 | 109 | F | 109 | 109 | | 109 | | F | 109 A |
9 | N | N | N | N | N | N | N | N | | | | | N | 115 B |
10 | N | N | N | N | N | N | N | N | | | | | N | 109 B |
11 | 126 | N | N | N | N | N | N | N | | | | | F | 113 B |
12 | 112 | 122 | F | 122 | F | F | N | F | | 192-B | | 119-B | F | 114 B |
13 | F | 121 | F | 121 | F | F | N | F | | | | | 204 | 106 B |
14 | F | 118 | F | 118 | F | F | N | F | | 125-A | | 125-A | 206 | 103 B |
15 | 114 | | 114 | 114 | F | 114 | N | F | | 125-B | | 125-B | 207 | 114 A |
16 | F | 119 | F | 119 | F | F | N | F | | 105-A | | 105-A | 208 | 104 B |
17 | 115 | | 115 | 115 | F | 115 | N | F | 191-A | 105-B | 118 | 105-B | 209 | 115 A |
18 | 141 | 141 | 141 | 141 | 141 | 141 | F | 132 | 191-B | 129-A | 121 | 129-A | F | |
19 | F | 120 | F | 120 | F | F | F | F | 130 | 129-B | 120 | 129-B | F | 105 B/133 B |
20 | | | | | | | F | 108/2 | 105 | 119-A | 105 | 122-A | F | |
21 | 140 | 140 | 140 | 140 | 140 | 140 | F | F | 125 | 119-B | 125 | 122-B | F | |
22 | 125 | 125 | 125 | 125 | 125 | 125 | F | 125 | | 107-A | | 107-A | 203 | |
23 | 111 | 111 | 111 | 111 | N | N | F | N | 107 | 107-B | 107 | 107-B | N | 102 B |
24 | 113 | N | 113 | 113 | N | F | F | N | 102 | 108-A | 102 | 108-A | N | 113 A |
25 | 142 | 142 | 142 | 142 | 142 | 142 | F | F | 124 | 108-B | 124 | 108-B | F | |
Электрические характеристики | V.28 | V.28 | V.28 | V.28 | V.28 | V.28 | V.28 | V.28 | V.28 | V.31 | V.28 | V.31бис | V.28 | |
Обозначения: N - контакт, постоянно зарезервированный для национального использования. |
F - контакт, зарезервированный для будущей международной стандартизации и не подлежит для национального использования. |
<*> Цепь 108/1 или 108/2. |
|
<1> Контакт 1 предназначен для соединения экранов между последовательными секциями экранированного интерфейсного кабеля. В зависимости от национальных требований экран может быть соединен либо с защитной землей, либо с сигнальной землей со стороны АКД или с обеих сторон. |
Сигнальная земля, кроме того, может быть соединена с защитной землей в соответствии с национальными требованиями безопасности. Следует соблюдать осторожность, чтобы не допустить замыканий на землю, приводящих к большим токам. |
<2> В тех случаях, когда предусмотрена синхронизация элемента сигнала в АКД, контакт 15 подлежит использованию в цепи 114, а контакт 17 будет использован для цепи 115. |
<3> Цепи принимаемых данных 104 обозначаются через A1 - A4, B1 - B4, C1 - C4 в соответствии с нужной частотой. |
<4> Цепи передаваемых данных 103 обозначаются через A1 - A3, B1 - B3, C1 - C3 в соответствии с их нужной частотой, причем все цепи применяют контакт B в качестве общего возврата согласно V.31. |
<5> Контакт 2 зарезервирован для национального применения. В тех случаях, когда для АКД обеспечена цепь 110, она будет использовать контакт 2. |
<6> Электрические характеристики цепей 191 и 192 подчиняются требованиям спецификаций V.19 и V.20. |
<7> Функции цепи обмена данными должны осуществляться в соответстствии с требованиями X.24. Данный столбец относится только к типу соединителя ООД типа X.20 с характеристиками, заданными по V.28, поскольку он может стыковаться с X.20/V.10 АКД. |
<8> Колонка C1 предназначена для синхронных модемов без обратного канала. |
<9> Колонка C2 предназначена для синхронных модемов с обратным каналом. |
<10> Данная колонка не относится к V.25 бис, поскольку в данном случае информация для установления вызова выполняется по цепи 103. |
<11> В случае применения ИСО 8480 контакт 14 используется для цепи 116/1 либо 116/2, а контакт 16 используется для цепи 117. |
<12> В применениях (например, телематические услуги), где используется АКД, предназначенная для работы в асимметричном режиме, используется станция A АКД, имеющая только передатчик канала данных и приемник обратного канала, и станция B АКД, имеющая только приемник канала передачи данных и передатчик обратного канала. В такой АКД допускается выполнить цепи также обратного канала с контактами канала передачи данных: |
- в станции A средств АКД: цепь 119 на контакт 3 и цепь 122 на контакт 8; |
- в станции B АКД: цепь 118 на контакт 2 и цепь 121 на контакт 5. |
<13> Необходима ссылка на соответствующие рекомендации серии V, когда МККТТ делает ссылки на рекомендации V.10 и V.11 по соответствующим модемам. |
<14> Разработчики оборудования должны учитывать то обстоятельство, что данный соединитель находит предпочтительное применение в устройствах, использующих электрические характеристики в соответствии с рекомендацией V.28. В силу этого оборудование, применяющее данный стык, должно быть сконструировано таким образом, чтобы оно могло выдерживать повышенные напряжения, связанные с электрическими V.28, учитывая возможность подсоединения к этим устройствам. |
<15> Электрические характеристики V.10. |
В таблице 4 приведены перечень применяемых цепей стыка и их описание.
Таблица 4
Перечень цепей стыка
Номер цепи | Описание |
102 | Сигнальная земля или общий обратный провод |
102а | Общий обратный провод ООД |
102в | Общий обратный провод АКД |
103 | Передаваемые данные |
104 | Принимаемые данные |
105 | Запрос передачи |
106 | Готов к передаче |
107 | Аппаратура передачи данных готова |
108/1 | Подключить аппаратуру передачи данных к линии |
108/2 | Оконечное оборудование данных готово |
109 | Детектор принимаемого линейного сигнала канала данных |
110 | Детектор качества сигнала данных |
111 | Переключатель скорости передачи данных (источник - ООД) |
112 | Переключатель скорости передачи данных (источник - АКД) |
113 | Синхронизация элементов передаваемого сигнала (источник - ООД) |
114 | Синхронизация элементов передаваемого сигнала (источник - АКД) |
115 | Синхронизация элементов принимаемого сигнала (источник - АКД) |
116/1 | Переключение на резерв в прямом режиме |
116/2 | Переключение на резерв в санкционированном режиме |
117 | Индикатор резерва |
118 | Передаваемые данные обратного канала |
119 | Принимаемые данные обратного канала |
120 | Включить линейный сигнал обратного канала |
121 | Обратный канал готов |
122 | Детектор принимаемого линейного сигнала обратного канала |
123 | Детектор качества сигнала обратного канала |
124 | Выбор частотных групп |
125 | Индикатор вызова |
126 | Выбор частоты передачи |
127 | Выбор частоты приема |
128 | Синхронизация элементов принимаемого сигнала (источник - ООД) |
129 | Запрос приема |
130 | Включить обратный тон |
131 | Синхронизация принимаемых знаков |
132 | Вернуться в режим "не данные" |
133 | Готов к приему |
134 | Принимаемые данные выдаются |
136 | Новый сигнал |
140 | Шлейф испытания для техобслуживания |
141 | Местный шлейф |
142 | Индикатор испытания |
191 | Передаваемый голосовой ответ |
192 | Принимаемый голосовой ответ |
201 | Сигнальная земля или общий обратный провод |
202 | Запрос вызова |
203 | Линия данных занята |
204 | Дальняя установка подключена |
205 | Несостоявшийся вызов |
206 | Цифровой сигнал  |
207 | Цифровой сигнал  |
208 | Цифровой сигнал  |
209 | Цифровой сигнал  |
210 | Запрос следующей цифры |
211 | Цифра выдается |
213 | Индикатор электропитания |
G | Сигнальная земля или общий обратный провод |
T | Передача |
R | Прием |
5.3. Распределение номеров контактов 9 и 37-контактного соединителя
Распределение номеров контактов для выбранных цепей стыка, определенных рекомендацией V.24 МККТТ, которые могут быть использованы в модемах, работающих в соответствии с рекомендациями V.36 и V.37 МККТТ, для применений с использованием электрических характеристик в соответствии с рекомендациями V.10 и V.11 МККТТ приведено в
таблице 5. Несмотря на то что в
таблице 5 представлен полный перечень цепей стыка, предназначенный для всех вышеуказанных рекомендаций МККТТ по модемам, для конкретного оборудования требуются только те цепи стыка, которые необходимы при его реализации. В
таблице 6 показано предпочтительное распределение номеров контактов тех цепей, которые могут быть использованы для национальных применений. В
таблице 7 приведен перечень применимых цепей стыка, используемых в таблицах 5 и
6, и дано их описание.
Таблица 5
Распределение номеров контактов
Распределение первого сегмента <2> | Распределение второго сегмента <2> | | Направление к |
Номер контакта | Номер цепи | | Номер контакта | Номер цепи | | ООД | АКД |
1 | | | | | | - | - | - |
2 | N | A - A' | 20 | 102в | C - B' | 2 | X | |
3 | N | A - A' | 21 | N | B/C - B' | 1 | X | |
4 | 103 | A - A' | 22 | 103 | B/C - B' | 1 | | X |
5 | 114 | A - A' | 23 | 114 | B/C - B' | 1 | X | |
6 | 104 | A - A' | 24 | 104 | B/C - B' | 1 | X | |
7 | 105 | A - A' | 25 | 106 | B/C - B' | 1 | | X |
8 | 115 | A - A' | 26 | 115 | B/C - B' | 1 | X | |
9 | 106 | A - A' | 27 | 106 | B/C - B' | 1 | X | |
10 | 141 | A - A' | 28 | N | A - A' | 2 | | X |
11 | 107 | A - A' | 29 | 107 | B/C - B' | 1 | X | |
12 | | A - A' | 30 | | B/C - B' | 1 | X | |
13 | 109 | A - A' | 31 | 109 | B/C - B' | 1 | X | |
14 | 140 | A - A' | 32 | N | A - A' | 2 | | X |
15 | N | A - A' | 33 | N | A - A' | 2 | X | |
16 | 111 | A - A' | 34 | N | A - A' | 2 | | X |
17 | 113 | A - A' | 35 | 113 | B/C - B' | 1 | | X |
18 | 142 | A - A' | 36 | N | A - A' | 2 | X | |
19 | 102 | C - C' | 37 | 102а | C - B' | | | X |
Обозначение: N - контакт, постоянно зарезервированный для национального применения. |
<*> Цепь 108/1 или 108/2 (если одна из них предусмотрена). |
|
<1> Контакт 1 предназначен для соединения экранов между последовательными секциями экранированного интерфейсного кабеля. В зависимости от национальных требований экран может быть соединен либо с защитной землей, либо с сигнальной землей со стороны ООД или АКД, или с обеих сторон. Сигнальная земля, кроме того, может быть соединена с защитной землей в соответствии с национальными требованиями безопасности. Следует соблюдать осторожность, чтобы не допустить замыканий на землю, приводящих к большим токам. |
<2> Распределение номеров контактов отрегулировано по сегментам с целью обеспечения парности и возможностей подключения к многопарному соединительному кабелю. В каждой строке таблицы представлена соответствующая пара контактов, например 2 и 20, 3 и 21 и т.д. |
<3> Обозначения A, A', B, B', C и C' указывают соответствующие точки стыка в соответствии с распределением цепей, приведенных на рисунке 2 рекомендации V.10 и V.11 МККТТ. Там, где в таблице 5 использовано обозначение B/C, буква B применима только при использовании генератора V.11, а буква C - только при использовании генератора V.11 (см. Приложение 5V рекомендации V.10 МККТТ). |
<4> Категории приемников соответствуют обозначениям в V.10. Там, где применяются приемники категории 1, могут быть использованы генераторы либо V.10, либо V.11. Для цепей 103, 104, 113, 114 и 115 могут использоваться только генераторы V.11. Там, где применяются приемники категории 2, могут использоваться генераторы V.11. |
Таблица 6
Предпочтительное распределение номеров контактов
для цепей национального применения
Номер контакта | Номер цепи | Описание |
2 | 112 | Переключатель скорости передачи данных (источник - ООД) |
15 | 125 | Индикатор вызова |
33 | 110 | Детектор качества сигнала данных |
34 | 136 | Новый сигнал |
3/21 | 128 | Синхронизация элементов принимаемого сигнала (источник - АКД) |
Таблица 7
Номер цепи | Описание |
102 | Сигнальная земля или общий обратный провод |
102а | Общий обратный провод ООД |
102в | Общий обратный провод АКД |
103 | Передаваемые данные |
104 | Принимаемые данные |
105 | Запрос передачи |
106 | Готов к передаче |
407 | Аппаратура передачи данных готова |
108/1 | Подключить аппаратуру передачи данных к линии |
108/2 | Оконечное оборудование данных готово |
109 | Детектор принимаемого линейного сигнала канала данных |
110 | Детектор качества сигнала данных |
111 | Переключатель скорости передачи данных (источник - ООД) |
112 | Переключатель скорости передачи данных (источник - АКД) |
113 | Синхронизация элементов передаваемого сигнала (источник - ООД) |
114 | Синхронизация элементов передаваемого сигнала (источник - АКД) |
115 | Синхронизация элементов принимаемого сигнала (источник - АКД) |
125 | Индикатор вызова |
128 | Синхронизация элементов принимаемого сигнала (источник - ООД) |
136 | Новый сигнал |
140 | Шлейф испытания для техобслуживания |
141 | Местный шлейф |
142 | Индикатор испытания |
Использование 9-контактного разъема возможно только в том случае, когда имеется канал обратной связи. Рекомендуемое распределение номеров 9-контактного разъема приведено в
Приложении H.
6. ЭКРАНИРОВАНИЕ СОЕДИНИТЕЛЯ
Способы экранирования соединителя не устанавливаются настоящим стандартом и выполняются по национальным нормам. При этом экранирование должно быть выполнено с применением металлических корпусов как на соединителе ООД, так и на соединителе АКД.
7. КОНФИГУРАЦИЯ ВЗАИМОСОЕДИНЕНИЙ ПРИ СМЕШАННОМ
ИСПОЛЬЗОВАНИИ ЭЛЕКТРИЧЕСКИХ ХАРАКТЕРИСТИК
X.26, X.27, V.28 МККТТ
Вопросы взаимодействия оборудования, использующего X.26 МККТТ на одной стороне интерфейса (стыка), с оборудованием, использующим X.27 МККТТ на другой стороне интерфейса (стыка), рассмотрены в
Приложении A рекомендаций X.26 и X.27 МККТТ. Кроме того, в рекомендации V.10 МККТТ приведено определение конфигураций приемников категорий 1 и 2.
Руководящие материалы по возможным конфигурациям взаимосоединений, применимых к интерфейсам (стыкам) X.20 и X.21 МККТТ, приведены в
Приложении B.
Руководящие материалы по необходимой адаптации при необходимости использования характеристик X.26 для АКД X.20, взаимодействующих с ООД X.20 с применением характеристик V.28, приведены в
Приложении C. Любые адаптеры, необходимые для обеспечения взаимодействия с оборудованием, удовлетворяющим требованиям рекомендации V.28 МККТТ, должны быть снабжены оборудованием, отвечающим требованиям настоящего стандарта, т.е. АКД X.20/X.21 МККТТ. Не требуется никаких доработок или модификаций существующего оборудования, использующего электрические характеристики рекомендации V.28 МККТТ.
8. КОНФИГУРАЦИЯ ВЗАИМОСОЕДИНЕНИЙ ПРИ СМЕШАННОМ
ИСПОЛЬЗОВАНИИ ЭЛЕКТРИЧЕСКИХ ХАРАКТЕРИСТИК
V.10, V.11 и V.28 МККТТ
Вопросы взаимодействия оборудования, использующего V.10 МККТТ на одной стороне интерфейса (стыка), с оборудованием, использующим V.11 МККТТ на другой стороне интерфейса (стыка), рассмотрены в Приложении 1 рекомендаций V.10 и V.11 МККТТ. Кроме того, в рекомендации V.10 МККТТ приведено определение приемников категорий 1 и 2.
Руководящие материалы по возможным конфигурациям взаимосвязей, применимых к стыкам V.28 МККТТ, приведены в
Приложении E.
Руководящие материалы по необходимой адаптации при необходимости использования характеристик V.10 МККТТ для ООД или АКД, использующих характеристики V.28 МККТТ, приведены в
Приложении G. Любой адаптер, необходимый для обеспечения взаимодействия со стыком по V.28 МККТТ и
разделу 5.2, должен быть снабжен оборудованием, отвечающим требованиям настоящего стандарта. Не требуется никаких доработок или модификаций существующего оборудования, использующего электрические характеристики V.28 МККТТ.
Приложение G, рассматривающее взаимодействия между оборудованием с характеристиками V.10 и V.11 МККТТ, не относится к оборудованию согласно рекомендациям V.36 и V.37 МККТТ.
(информационное)
ДИАГРАММЫ ОБЛАСТИ МАНИПУЛИРОВАНИЯ
В данном Приложении содержится руководство для разработчиков оборудования в области манипулирования.
На
рисунках A.1 и
A.2 и в
таблице A.1 показаны максимальный контур соединителя ООД и минимальное рекомендуемое пространство между несколькими соединителями АКД с учетом различных стопорных механизмов (рычажных, винтовых) соединителей ООД.
--------------------------------
1) Размеры в миллиметрах.
2) Максимальные и минимальные значения размеров.
Рисунок A.1. Максимальный контур соединителя ООД
Рисунок A.2. Минимальное рекомендуемое пространство
между несколькими соединителями ООД
Таблица A.1
Размеры максимального контура соединителя ООД
и минимального пространства между соединителями АКД
Число контактов | Размеры в мм |
A | B | C | D | E | F | G |
не более |
9 | 18,85 | 50,8 | 11,43 | 63,1 | 44,25 | 48,3 | 36,8 |
15 | 23 | 50,8 | 11,43 | 71,4 | 48,4 | 48,3 | 36,8 |
25 | 29,9 | 50,8 | 11,43 | 85 | 55,2 | 48,3 | 36,8 |
37 | 38,1 | 50,8 | 11,43 | 101,6 | 63,5 | 48,3 | 36,8 |
(информационное)
КОНФИГУРАЦИИ ВЗАИМОСОЕДИНЕНИЙ ГЕНЕРАТОР/ПРИЕМНИК,
ПРИМЕНЯЕМЫЕ К СТЫКАМ X.20 и X.21 МККТТ
B.1. Рекомендация X.20 МККТТ
Рекомендация X.20 МККТТ констатирует, что электрические характеристики рекомендации X.26 МККТТ относятся к интерфейсу (стыку) со стороны АКД, в то время как электрические характеристики любой из рекомендаций X.26, X.27 МККТТ (без факультативной оконечной нагрузки кабеля) или V.28 МККТТ могут распространяться на интерфейс (стык) со стороны ООД. На
рисунках B.1 и
B.2 приведены диаграммы соответствующих конфигураций взаимосоединений для X.26 и X.27 ООД. Для взаимодействия X.20/X.26 АКД с ООД, использующим электрические характеристики V.28 МККТТ и 25-контактный соединитель, следует обратиться к
Приложению C настоящего стандарта.
--------------------------------
1) Контакт 1 предназначен для соединения экранов между спаренными частями экранированного интерфейсного кабеля. Экран может быть подсоединен либо к защитной земле, либо к сигнальной земле на стороне ООД или АКД, или на обеих сторонах в соответствии с национальными правилами.
Сигнальная земля может быть также подключена к защитной земле в соответствии с национальными правилами безопасности. Следует соблюдать осторожность, чтобы не допустить замыканий на землю, приводящих к возникновению больших токов.
2) Цепь G обеспечена для выборочного применения.
Рисунок B.1. Конфигурация взаимосоединений
по X.20 для X.26 ООД/X.26 АКД
--------------------------------
1) Контакт 1 предназначен для соединения экранов между спаренными частями экранированного интерфейсного кабеля. Экран может быть подсоединен либо к защитной земле, либо к сигнальной земле на стороне ООД или АКД, или на обеих сторонах в соответствии с национальными правилами.
Сигнальная земля может быть также подключена к защитной земле в соответствии с национальными правилами безопасности. Следует соблюдать осторожность, чтобы не допустить замыканий на землю, приводящих к возникновению больших токов.
2) Цепь G обеспечена для выборочного применения.
Рисунок B.2. Конфигурация взаимодействий
по X.20 для X.27 ООД/X.26 АКД
B.2. Рекомендация X.21 МККТТ
Рекомендация X.21 МККТТ констатирует, что электрические характеристики рекомендации X.27 МККТТ (без выборочной оконечной нагрузки кабеля) относятся к АКД, в то время как электрические характеристики любой из рекомендаций X.26 или X.27 (без выборочной оконечной нагрузки кабеля) могут распространяться на ООД для синхронных классов эксплуатации со скоростью 9,6 кбит/с и ниже. Для синхронных классов эксплуатации сверх скорости 9,6 кбит/с электрические характеристики X.27 МККТТ с факультативной оконечной нагрузкой кабеля распространяются как на ООД, так и на АКД.
Рисунки B.3 и
B.4 обеспечивают диаграммы для соответствующих конфигураций взаимосоединений для X.26 и X.27 ООД.
--------------------------------
1) Контакт 1 предназначен для соединения экранов между спаренными частями экранированного интерфейсного кабеля. Экран может быть подсоединен либо к защитной земле, либо к сигнальной земле на стороне ООД или АКД, или на обеих сторонах в соответствии с национальными правилами.
Сигнальная земля может быть также подключена к защитной земле в соответствии с национальными правилами безопасности. Следует соблюдать осторожность, чтобы не допустить замыканий на землю, приводящих к возникновению больших токов.
2) Цепь G обеспечена для выборочного применения.
Рисунок B.3. Конфигурация взаимосоединений
по X.21 для X.26 ООД/X.27 АКД
--------------------------------
1) Контакт 1 предназначен для соединения экранов между спаренными частями экранированного интерфейсного кабеля. Экран может быть подсоединен либо к защитной земле, либо к сигнальной земле на стороне ООД или АКД, или на обеих сторонах в соответствии с национальными правилами.
Сигнальная земля может быть также подключена к защитной земле в соответствии с национальными правилами безопасности. Следует соблюдать осторожность, чтобы не допустить замыканий на землю, приводящих к возникновению больших токов.
2) Цепь G обеспечена для выборочного применения.
Рисунок B.4. Конфигурация взаимосоединений
по X.21 для X.27 ООД/X.27 АКД
(информационное)
ТРЕБОВАНИЯ ПО ВЗАИМОДЕЙСТВИЮ С ЦЕПЯМИ V.28 МККТТ
C.1. Назначение
Данное Приложение описывает конфигурацию взаимосоединений с помощью адаптера, который может быть использован для обеспечения взаимодействия между X.20/V.28 ООД и X.20/X.26 АКД.
C.2. Электрические характеристики
В данном разделе описывается необходимая адаптация оборудования, работающего по характеристикам X.26, с целью приведения его в тесное соответствие с характеристиками X.28. Установлено такое перекрытие значений параметров X.2.6 и V.28, что дополнительные средства, введенные в цепи стыка с использованием X.26, обеспечат необходимую подгонку для правильных взаимодействий с цепями V.28. Следует отметить, что рабочие характеристики, относящиеся к взаимодействию цепей X.26 с цепями V.28, ограничены значениями, которые обычно имеют место при функционировании V.28.
C.2.1. Защита
Рекомендация X.26 определяет, что приемники не должны повреждаться при напряжениях до 112 В, тогда как генераторы V.28 могут создавать выходные напряжения до 25 В. Несмотря на то что многие коммерческие поставляемые приемники X.26 разработаны таким образом, чтобы нормально функционировать с более высокими напряжениями, чем допускается V28, защита потребуется для тех приемников, которые не имеют достаточных допусков по напряжениям. Генераторы X.26 могут также быть повреждены более высокими напряжениями генератора V.28, если они неумышленно замкнуты или закорочены друг на друга. Поскольку состояние короткого замыкания между генераторами V.28 и X.26 является чисто аварийной ситуацией, то все вытекающие отсюда вопросы оставлены на усмотрение разработчиков оборудования.
C.2.2. Уровни сигналов
Уровни выходных сигналов генератора, определенные в X.26 и V.28, перекрываются в диапазоне от 5 до 6 В. Кроме того, уровни X.26 могут понижаться до 4 В, тогда как уровни V.28 могут достигать 25 В. Вопросы, касающиеся верхних граничных уровней сигналов генераторов V.28, работающих с приемниками X.26, рассмотрены в C.21. Несмотря на то что выходной уровень сигналов генератора X.26 между 4 и 5 В не подпадает под действие рекомендации V.28, на нижнем пределе можно ожидать удовлетворительной работы с приемниками V.28, имеющими переходный запас в 3 В, благодаря низкому выходному импедансу генераторов X.26.
C.2.3. Время нарастания, скорость передачи данных, расстояние
Рекомендация V.28 МККТТ определяет, что время нарастания уровня сигнала для его прохождения через область перехода +/- 3 В не должно превышать 3% длительности элемента сигнала. С другой стороны X.26 требует в общем случае более медленных времен нарастания, определяемых в диапазоне от 10 до 90% общей амплитуды сигнала, с целью снижения перекрестных помех при работе на более длинные расстояния. Однако возможно путем соответствующего выбора формы сигнала для генераторов в оборудовании АКД X.20/X.26 одновременно удовлетворить требования как X.26, так и V.28 при скоростях передачи сигналов данных, применимых в X.20 МККТ.
В рекомендации X.26 МККТТ приведен график зависимости скорости передачи данных от длины кабеля. Этот график приведен на
рисунке C.1 и показывает взаимоотношения между временем нарастания и длиной кабеля. В качестве примера
рисунок C.1 показывает, что самым быстрым временем нарастания, допускаемым по X.26 для кабеля длиной в 1000 м, является 100 мкс. При эксплуатации генераторов X.26 с приемником V.28 время нарастания 100 мкс удовлетворит требованиям V.28 и составит менее 3% интервала единицы для скоростей передачи сигналов данных до 309 бит/с.
Рисунок C.1. Длина кабеля по отношению
ко времени нарастания
C.2.4. Условия неисправности в цепи
Приемник V.28, рассчитанный на обнаружение состояния отключения электропитания или разъединения соединительного кабеля, не будет иметь проблем с обнаружением таких же состояний при взаимодействии с генератором X.20. В противном случае рекомендация V.28 допускает в состоянии отключенного электропитания снижение импеданса генератора до 300 Ом, что слишком мало для обнаружения ошибок с помощью приемника X.26, использующего обычный метод смещенного напряжения. В результате последовательно с входом к приемнику X.26 потребуется ввести сопротивление 2 кОм для того, чтобы гарантировать обнаружение таких состояний при использовании традиционного метода смещающего напряжения.
C.2.5. Обратный сигнал
Рекомендация X.26 требует наличия двух цепей обратного сигнала, по одной на каждое направление передачи, в то время как V.28 требует только одну такую цепь. Для интерфейса X.20, следовательно, необходимо соединять цепи Gа и Gв оборудования АКД X.26 с цепью G оборудования ООД V.28. Оборудование АКД X.26 может также использовать цепь G. В этом случае все цепи Gа, Gв и G оборудования АКД X.26 должны быть соединены с цепью G оборудования ООД V.28, как это показано в
C.4.
C.3. Механические характеристики
Раздел 5.2 определяет 25-контактный соединитель интерфейса (стыка) ООД/АКД и распределение номеров контактов для оборудования V.28. Оборудование АКД X.20/X.26, соответствующее
разделу 5.1, использует 15-контактный соединитель, относящийся к тому же семейству соединителей, что и 25-контактный соединитель. Следовательно, для обеспечения взаимодействия между АКД X.20/X.26 и ООД X.20/V.28 необходимо механическое согласование. Для всех подобных взаимосоединений применима 25/15-контактная схема.
C.4. Предлагаемое исполнение
Конкретный способ исполнения для удовлетворения требований, приведенных в
разделах C.2 и
C.3, не стандартизован, поскольку здесь возможно множество новых подходов. В связи с этим разработчику оборудования АКД, соответствующего характеристикам стыка X.20/X.26, предоставлено право введения необходимых средств в случае, когда взаимодействие с оборудованием ООД. X.20/V.28 рассматривается как специальная необходимость. Не следует полагать, что любое оборудование АКД, удовлетворяющее требованиям X.20/X.26, будет взаимодействовать с оборудованием ООД X.20/V.28, если отсутствует специальная оговорка о том, что требования по взаимодействию выполняются.
Разработан один из методов, удовлетворяющий положениям
разделов C.2 и
C.3. Он представлен в данном разделе в качестве руководства для реализации характеристик АКД X.20/X.26, где взаимодействие с оборудованием V.28 ООД представляется существенно необходимым.
C.4.1. Защита приемников X.26
Хотя рекомендация X.26 определяет, что приемники должны выдерживать без повреждения напряжение 12 В, однако имеется ряд интегральных схем приемника, способных выдерживать и правильно функционировать при более высоких напряжениях, выдаваемых генераторами V.28. Однако в тех случаях, когда приемники X.26 не имеют соответствующего запаса допуска, потребуется дополнительная защита. Она может быть обеспечена путем добавления L-образного удлинителя аттенюатора перед входом приемника X.26, как показано на
рисунке C.2. L-образный удлинитель с магазином резисторов 2 кОм и шунтирующим сопротивлением 3,13 кОм оказывает дополнительный эффект в виде создания высокоимпедансного источника. Следовательно, этот удлинитель не должен отстоять от входов приемника X.26 более чем на 3 м по длине кабеля, чтобы переходные помехи от соседних цепей не достигли неприемлемого уровня (пиковое значение 1 В).
Рисунок C.2. L-образный удлинитель для защиты
приемника X.26
C.4.2. Выходные сигналы генераторов
Время нарастания сигнала генератора X.26 с показателем 100 мкс или выше допускает функционирование в пределах спецификаций V.28 и X.26 при скоростях передачи сигналов данных до 300 бит/с.
C.4.3. Средства обнаружения неисправностей
Как уже отмечалось выше, сопротивление 2 кОМ, последовательно подключенное ко входу приемника X.26, необходимо для обнаружения состояния отключенного питания, если приемник использует метод смещения. Однако это дополнительное сопротивление не требуется, если для защиты приемника используется L-образный удлинитель или используются другие методы обнаружения неисправностей.
C.4.4. Внешний адаптер
Простой внешний адаптер может быть использован для взаимосоединения оборудования АКД X.20/X.26 МККТТ с оборудованием ООД X.20/V.28 МККТТ. На
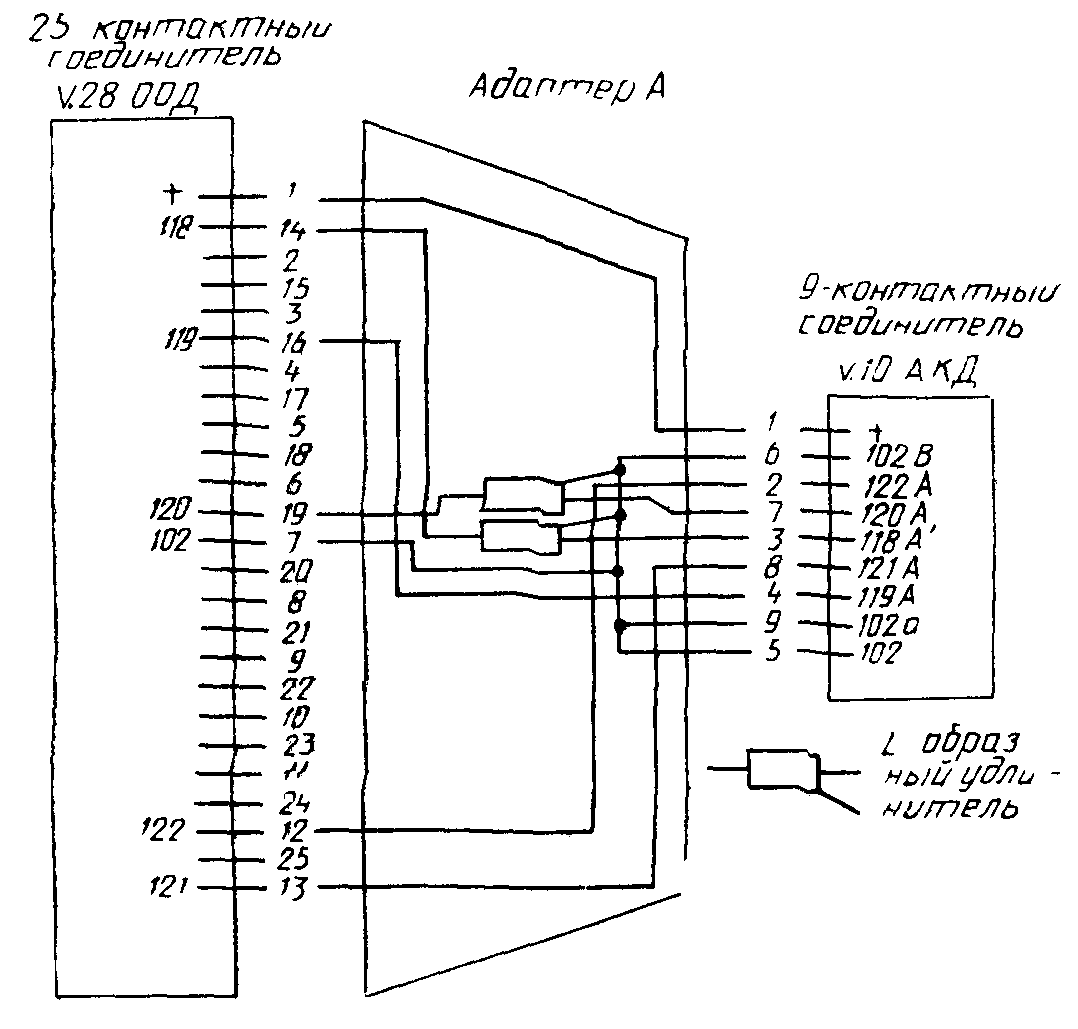
рисунке C.3 приведено размещение такого адаптера, которое обеспечивает необходимые электрические и механические преобразования.
Рисунок C.3. Типичная конфигурация связи
с 25/15-контактным адаптером
Схема проводки 25/15-контактных адаптеров показана на
рисунке C.4. L-образный удлинитель, который может оказаться необходимым для цепи T, также приведен. Данный удлинитель может быть легко реализован с использованием резисторов 0,125 Вт. В данном адаптере также может быть выполнена связка проводников передачи обратных сигналов. Как указывалось выше, L-образный удлинитель должен быть размещен в пределах 3 м по длине кабеля от приемника X.26 для избежания чрезмерных переходных помех.
--------------------------------
Рисунок C.4. Схема монтажа адаптера
C.4.5. Сводный перечень рекомендованных средств
а) 25/15-контактный механический адаптер;
б) время нарастания сигнала генератора X.26 МККТТ не должно быть медленнее 100 мкс;
в) L-образный удлинитель, при необходимости, должен присутствовать в соответствующей Т-образной цепи адаптера;
г) взаимосоединитель цепи обратных сигналов Gа и G с цепью G (если допустимо) от оборудования АКД X.20/X.26 МККТТ на цепь G от оборудования ООД X.20/V.28 МККТТ в адаптере;
д) при использовании L-образного удлинителя в T-образной цепи адаптер устанавливается таким образом, чтобы длина кабеля между адаптером и оборудованием АКД X.26 не превышала 3 м;
е) общая длина кабеля между оборудованием АКД X.26 и ООД V.28 ограничена величиной, обычно принятой для функционирования V.28.
(информационное)
ВЗАИМОСОЕДИНЕНИЕ С АДАПТЕРАМИ
D.1. Рекомендации V.36/V.37 МККТТ
При использовании оборудования с электрическими характеристиками в соответствии с рекомендациями V.10 и V.11 МККТТ (как это указано в заголовке колонки "Режим работы св. 20 кбит/с"
таблицы 1) возможна взаимосвязь с существующим оборудованием, предназначенным для поддержания широкополосных модемов, заданных рекомендациями V.36 и V.37 МККТТ.
Таблица D.1 иллюстрирует распределение номеров контактов для 37-контактного соединителя с перекрестной ссылкой на номера распределения цепей по рекомендациям V.24 МККТТ для 25-контактного соединителя "Режим работы св. 20 кбит/с". Следует также обратить внимание на то, что цепи 107 и 108 имеют распределения A и B (использовать электрические характеристики V.11 МККТТ) в 37-контактном соединителе, в то время как в 25-контактном они имеют одиночное распределение (использовать характеристики V.10 МККТТ). Поэтому при использовании взаимосвязи генератора V.11 МККТТ с приемником V.10 МККТТ следует применять L-образный удлинитель, показанный на
рисунке D.1.
Таблица D.1
Перекрестное присвоение номеров контактов для 25, 34,
37-контактных соединителей
Обозначение цепи | 25-контактный соединитель (ИСО 2110) | 37-контактный соединитель (ИСО 4902) | 34-контактный соединитель (ИСО 2593) |
Режим работы св. 20 кбит/с | МККТТ V.36/V.37 | МККТТ V.35 |
Контакт | Контакт | Контакт |
| | | |
103 - A | 2 | 4 | P |
104 - A | 3 | 6 | R |
105 - A | 4 | 7 | |
106 - A | 5 | 9 | |
107 | 6 | | E |
102 - A | 7 | 19 | B |
109 - A | 8 | 13 | |
115 - B | 9 | 26 | X |
109 - B | 10 | 31 | F |
113 - B | 11 | 35 | W |
114 - B | 12 | 23 | AA |
106 - B | 13 | 27 | |
103 - B | 14 | 22 | S |
114 - A | 15 | 5 | Y |
104 - B | 16 | 24 | T |
115 - A | 17 | 8 | V |
141 | 18 | 10 | L |
105 - B | 19 | 25 | |
108 | 20 | | H |
140 | 21 | 14 | N |
125 | 22 | 15 | J |
102 - B | 23 | 20 | B |
113 - A | 24 | 17 | U |
142 | 25 | 18 | |
<1> Контакт 1 предназначен для соединения экранов между последовательными секциями экранированного интерфейсного кабеля. Экран может быть подсоединен либо к защитной земле, либо к сигнальной земле на стороне ООД, или на стороне АКД, или на обеих сторонах в соответствии с национальными правилами. |
Сигнальная земля может быть также подключена к защитной земле в соответствии с национальными правилами безопасности. Следует соблюдать осторожность, чтобы не допустить замыканий на землю, приводящих к возникновению больших токов. |
<2> Подсоединить через L-образный удлинитель. |

Рисунок D.1. L-образный удлинитель для защиты
приемника V.10 или V.28
D.2. Рекомендация V.35 МККТТ
Взаимодействие с оборудованием более старых образцов, предназначенных для поддержания широкополосных модемов, как это было ранее задано в рекомендации V.35 МККТТ (в настоящее время не рекомендуется для применения), также осуществимо. Поскольку электрические характеристики данного стыка отличаются от характеристик, указанных в рекомендациях V.10 и V.11 МККТТ, взаимосоединение генератора V.11 с несимметричным приемником V.36 (V.28) необходимо осуществлять через L-образные удлинители, показанные на
рисунке D.1.
В
таблице D.1 представлено распределение номеров контактов для 34-контактного соединителя по ИСО 26193 (связанному с рекомендацией V.35 МККТТ) и соответствующие распределения номеров контактов для 25-контактного соединителя "Режим работы св. 20 кбит/с".
(информационное)
КОНФИГУРАЦИИ ВЗАИМОСОЕДИНЕНИЙ ГЕНЕРАТОР/ПРИЕМНИК,
ПРИМЕНЯЕМЫЕ К СТЫКАМ V.28 МККТТ
Рекомендация V.10 МККТТ определяет две базовые конфигурации приемника. В приемнике категории 1 обе точки стыка A и B доступны через соединитель стыка. В приемнике категории 2 только отдельные точки стыка A доступны через соединитель стыка, а все точки B соединены с оборудованием и связаны цепью "общий обратный провод" через соединитель стыка. Конфигурация приемника категории 1 может быть взаимосвязана либо с симметричными генераторами V.11 МККТТ, либо с несимметричными генераторами V.10 МККТТ. Конфигурация приемника категории 2 предназначена только для взаимосвязи с генераторами V.10 МККТТ. На
рисунке E.1 показаны три конфигурации взаимосвязей, которые могут быть использованы.
Рисунок E.1. Конфигурации взаимосоединений
генератор/приемник
(информационное)
ТРЕБОВАНИЯ ПО ВЗАИМОДЕЙСТВИЮ С ЦЕПЯМИ V.28 МККТТ
G.1. Назначение
Данное Приложение применимо к ООД и АКД, которые реализуют электрические характеристики V.10 МККТТ во всех цепях стыка. Описана необходимая адаптация для обеспечения совместимого взаимодействия оборудования V.10 МККТТ с оборудованием V.28 МККТТ. Эта адаптация связана исключительно с оборудованием V.10 МККТТ таким образом, чтобы не было необходимости в переделках или модификации оборудования V.28 МККТТ.
G.2. Электрические характеристики
В данном разделе описывается необходимая адаптация оборудования, работающего по характеристикам V.10, с целью приведения его в тесное соответствие с характеристиками V.28. Установлено такое перекрытие значений параметров V.10 и V.28 МККТТ, что дополнительные средства, введенные в цепи стыка V.10 МККТТ, потребуют необходимой подгонки для обеспечения правильных взаимодействий с цепями V.28. Следует заметить, что рабочие характеристики, относящиеся к взаимодействию цепей V.10 с цепями V.28, ограничены значениями, которые обычно имеют место при работе с V.28.
G.2.1. Защита
Рекомендация V.10 определяет, что приемники не должны повреждаться при напряжениях св. 12 В, в то время как генераторы V.28 могут создавать выходные напряжения до 25 В. Несмотря на то что многие коммерчески доступные приемники V.10 разработаны так, чтобы нормально функционировать с более высокими напряжениями, чем допускает V.28, защита будет необходима для тех приемников, которые не имеют достаточных допусков по напряжениям. Генераторы V.10 могут также быть повреждены более высокими напряжениями, допускаемыми V.28, если они неумышленно замкнуты друг на друга или закорочены. Поскольку состояние короткого замыкания цепи между генераторами V.28 и V.10 представляет собой явную неисправность, то все вытекающие отсюда вопросы оставлены на усмотрение разработчика оборудования.
G.2.2. Уровень сигнала
Уровни выходных сигналов генератора, определенные в V.10 и V.28, перекрываются в диапазоне от 5 до 6 В. Кроме того, уровни V.10 могут быть снижены до 4 В, тогда как уровни V.28 могут достигать 25 В. Вопросы, касающиеся верхних граничных уровней сигналов генераторов V.28, работающих с приемниками V.10, рассмотрены в G.2.1. Несмотря на то что выходные уровни сигналов генератора V.10 между 4 и 5 В не охватываются рекомендацией V.28 на нижнем пределе, можно ожидать удовлетворительной работы с приемниками V.28, имеющими переходный запас 3 В благодаря низкому выходному импедансу генераторов V.10.
G.2.3. Время нарастания, скорость передачи данных, расстояние
Рекомендация V.28 определяет, что время нарастания уровня сигнала для его прохождения через область перехода +/- 3 В не должно превышать 3% длительности элемента сигнала. С другой стороны V.10 требует в общем случае более медленных времен нарастания, определяемых в диапазоне от 10 до 90% общей амплитуды сигнала, с целью снижения перекрестных помех при работе на более длинные расстояния. Однако возможно путем соответствующего выбора формы сигнала для генераторов в оборудовании V.10 МККТТ одновременно удовлетворить требования как V.10 МККТТ, так и V.28 МККТТ при скоростях передачи сигналов данных, применимых в V.28 МККТТ (т.е. до 201 кбит/с).
В рекомендации V.10 МККТТ приведен график зависимости скорости передачи данных от длины кабеля. Этот график приведен на
рисунке G.1 и показывает взаимоотношения между временем нарастания, скоростью передачи данных и длиной кабеля. В результате получилась картина явных взаимоотношений между этими параметрами. На
рисунке G.1 показаны также улучшенные характеристики, относящиеся к линейной форме сигнала в сравнении с экспоненциальной формой сигнала. Предполагается, что в большинстве типичных применений будет использоваться линейная форма сигнала. Абсцисса на
рисунке G.1 представляет собой время нарастания сигнала генератора V.10 МККТТ.
Продвигаясь по линии ДЛИНА КАБЕЛЯ и по шкале левой координаты, можно определить соответствующую максимальную длину кабеля. Продвигаясь по линии СКОРОСТЬ ПЕРЕДАЧИ СИГНАЛОВ ДАННЫХ и по шкале правой координаты, можно определить соответствующую максимальную скорость передачи данных. Таким образом, для любого конкретного значения времени нарастания можно определить и максимальную длину кабеля, и максимальную скорость передачи сигналов данных. Эти значения будут гарантировать, что уровни перекрестных помех на ближнем конце останутся ниже пикового значения 1 В.
Рисунок G.1. Зависимость скорости передачи сигналов данных
и длины кабеля от времени нарастания
На
рисунке G.2 показано частичное совпадение характеристик времени нарастания сигнала, которое допускает взаимодействие между генераторами V.10 МККТТ и приемниками V.28 МККТТ. Имеется два набора линий, представляющих выбранные скорости передачи данных. Один из наборов относится к сигналам с линейным временем нарастания, другой - к сигналам с экспоненциальным временем нарастания. Правый предел частичного совпадения времен нарастания между V.10 и V.28 показан как 1 мкс для линейных времен нарастания и 1,25 мкс - для экспоненциальных времен нарастания. Первое значение основано на предельном времени нарастания 1 мкс согласно V.10, а второе - на предельном значении длины линии 15 м, которое обычно соответствует операциям V.28 МККТТ. Это обеспечивает переход к максимальной возможной скорости передачи данных, превышающей 20 кбит/с, и тем самым допускает взаимодействие для любых скоростей передачи данных, применимых в V.28 МККТТ, без необходимости введения факультативных функций в оборудование V.10 МККТТ.

Рисунок G.2. Влияние времени нарастания на взаимодействие
между V.10 и V.28
В свою очередь, время нарастания, выходное напряжение генератора

и скорость передачи данных определяют область взаимодействия между V.10 и V.28 МККТТ. Эта область взаимодействия ограничена предельной длиной линии в 15 м по V.28 МККТТ или предельным значением времени нарастания по V.10 МККТТ в 1 мкс правой стороны, линией скорости передачи сигналов данных с левой стороны, линией 6 В

сверху и линией 4 В

снизу.
G.2.4. Условия неисправности в цепи
Приемник V.28, рассчитанный на обнаружение состояния отключения электропитания или разъединения соединительного кабеля, не будет иметь проблем с обнаружением таких же состояний при взаимодействии с генератором V.10. В противном случае рекомендация V.28 допускает в состоянии отключенного электропитания снижение импеданса генератора до 300 Ом, что слишком мало для обнаружения ошибок с помощью приемника V.10, использующего обычный метод смещающего напряжения. В результате последовательно с входом к приемнику V.10 МККТТ потребуется ввести сопротивление 2 кОм для того, чтобы гарантировать надлежащее обнаружение таких состояний при использовании метода смещающего напряжения.
G.2.5. Обратный сигнал
Рекомендация V.10 МККТТ требует наличия двух цепей обратного сигнала, по одной на каждое направление передачи, в то время как V.28 МККТТ требует только одну такую цепь. Следовательно, необходимо соединять цепи обратных сигналов 102а, 102б и 102 оборудования V.10 МККТТ с цепью 102 оборудования V.28 МККТТ. Кроме того, все точки стыка B приемников категории 2 также должны быть соединены с цепью 102 оборудования V.28 МККТТ.
G.3. Механические характеристики
Раздел 5.2 определяет 25-контактный соединитель стыка ООД/АКД и распределение номеров контактов для оборудования V.28 МККТТ. Оборудование V.10 МККТТ, соответствующее
разделу 5.3, использует 37 и 9-контактные соединители стыка ООД/АКД, относящиеся к тому же семейству соединителей, что и 25-контактный соединитель. Следовательно, для обеспечения взаимодействия между этими двумя типами оборудования необходимо механическое согласование. Для всех подобных взаимосвязей применима 37/25-контактная схема. 9/25-контактная схема применяется тогда, когда имеется канал обратной связи.
G.4. Предлагаемое исполнение
Конкретный способ исполнения для удовлетворения требований, приведенных в
разделах G.2 и
G.3, не стандартизован, поскольку здесь возможно множество новых подходов. В связи с этим разработчику оборудования, соответствующего характеристикам стыка V.10, предоставляется право введения необходимых средств в случае, когда взаимодействие с оборудованием V.28 рассматривается как специальная возможность. Не следует полагать, что любое оборудование, отвечающее требованиям настоящего стандарта и использующее все генераторы V.10, будет взаимодействовать с оборудованием V.28, если только не сделана специальная оговорка о том, что требования по взаимодействию выполняются.
Разработан один из методов, удовлетворяющий положениям
разделов G.2 и
G.3. Он представлен в данном разделе как руководство для реализации характеристик стыка V.10, где взаимодействие с оборудованием V.28 является существенно важным.
G.4.1. Защита приемников V.10
Хотя рекомендация V.10 определяет, что приемники должны выдерживать без повреждения только 12 В, однако имеется ряд интегральных схем приемника, способных выдерживать и правильно функционировать при более высоких напряжениях, выдаваемых генераторами V.28. В случаях, когда приемники V.10 не имеют соответствующего запаса устойчивости, потребуется дополнительная защита. Она может быть обеспечена путем добавления L-образного удлинителя-аттенюатора перед входом приемника V.10, как показано на
рисунке G.3. L-образный удлинитель с магазином резисторов величиной 2 кОм и шунтирующим сопротивлением 3,3 кОм оказывает дополнительный эффект в виде создания высокоимпедансного источника. Для этого удлинитель должен быть подключен к входу приемника V.10 кабелем длиной не более 3 м с тем, чтобы переходные помехи на передающем конце от соседних цепей не достигли неприемлемо высокого уровня (пиковое значение 1 В).
Рисунок G.3. L-образный удлинитель для защиты
приемника V.10
G.4.2. Выходные сигналы генераторов
Время нарастания сигнала генератора V.10 и его выходное напряжение должны находиться в области взаимодействия, определенной на
рисунке G.2.
G.4.3. Средства обнаружения неисправностей
Как уже отмечалось выше, сопротивление 2 кОм, последовательно подключенное ко входу приемника V.10, необходимо для обнаружения состояния выключенного питания, если приемник использует метод смещения. Однако это дополнительное сопротивление не требуется в случаях, когда для защиты приемника используется L-образный удлинитель либо если используются другие методы обнаружения неисправностей.
G.4.4. Внешний адаптер
Простой внешний адаптер может быть использован для взаимосвязи ООД V.28 и АКД V.10 или наоборот. На
рисунке G.4 показано типичное расположение адаптеров, которое обеспечивает необходимые электрические и механические преобразования.
Примечание. Рекомендация V.24 МККТТ определяет, что соединитель необязательно должен быть физически подключен к АКД.
Рисунок G.4. Типичная конфигурация взаимосоединений
с базовыми 37/25-контактными адаптерами
--------------------------------
<*> Цепь 108/1 или 108/2.
<**> Могут потребоваться факультативные схемы для взаимосвязи с контактом 23 (цепь 126) или контактом 23 (цепь 111).
Рисунок G.5а. 37/25 базовый адаптер, конструкция A
--------------------------------
<*> Цепь 108/1 или 108/2
<**> Могут потребоваться факультативные схемы для взаимосвязи с контактом 11 (цепь 126) или контактом 23 (цепь 111)
Рисунок G.5б. 37/25-контактный базовый адаптер,
конструкция B
--------------------------------
Рисунок G.5в. 9/25-контактный базовый адаптер,
конструкция A
--------------------------------
Рисунок G.5г. 9/25-контактный базовый адаптер,
конструкция B
Соединения, дополнительно к показанным на схемах проводки, могут оказаться желательными для цепей национального использования либо для цепей, предусмотренных в
разделе 5.2.
L-образные удлинители, которые могут оказаться необходимы для защиты приемника V.10, также показаны на
рисунках G.5а,
G.5б,
G.5в и
G.5г. Эти удлинители могут быть легко реализованы с использованием резисторов 0,125 Вт. Связка проводников обратных сигналов также может быть выполнена в адаптерах.
Как отмечалось выше, L-образный удлинитель должен быть расположен в пределах 3 м длины кабеля от приемников V.10 с целью устранения чрезмерных переходных помех на передающем конце.
В случае конфигурации ООД V.10 с АКД V.28 этой проблемы не существует, поскольку обычно соединители располагаются в АКД. В других конфигурациях ООД V.10 с АКД V.28 размещение адаптера в ООД будет неприемлемо. Поэтому может потребоваться также реализовать 37-контактный соединитель, а в случае необходимости и 9-контактный в ООД V.10, чтобы позволить размещение адаптера в пределах 3 м длины кабеля от ООД V.10.
G.4.5. Сводный перечень рекомендованных средств
а) 37/25-контактный механический адаптер, а в случае использования канала обратной связи соответствующий 9/25-контактный адаптер;
б) генераторы, реализованные в соответствии с V.10;
в) время нарастания сигнала генератора V.10 и выходное напряжение, выбираемое в пределах области взаимодействия, показанных на
рисунке G.2;
г) L-образный удлинитель, при необходимости, в соответствующих цепях адаптера;
д) цепи 102а и 102б передачи сигнала "общий обратный провод" вместе с цепью 102 и проводами B' приемника, представленные на интерфейсе (стыке) от оборудования V.10, соединить с цепью 102 от оборудования V.28 в адаптере;
е) при использовании L-образных удлинителей для защиты приемников V.10 адаптер устанавливается таким образом, чтобы длина кабеля между адаптером и оборудованием V.10 не превышала 3 м;
ж) общая длина кабеля между оборудованием V.10 и V.28 ограничена величиной, обычно принятой при работе по V.28.
(информационное)
Таблица H.1
Рекомендуемое распределение номеров контактов
9-контактного соединителя
Распределение первого сегмента <2> | Распределение второго сегмента <2> | | Направление к |
Номер контакта | Номер цепи | | Номер контакта | Номер цели | | ООД | АКД |
1 | | | | | | - | - | - |
2 | 122 | A - A' | 6 | 102в | C - B' | 2 | X | |
3 | 118 | A - A' | 7 | 120 | A - A' | 2 | | X |
4 | 119 | A - A' | 8 | 121 | A - A' | 2 | X | |
5 | 102 | C - C' | 9 | 102в | C - B' | | | X |
Таблица K.1
Соответствие государственных стандартов
рекомендациям МККТТ
Номера стандартов | Рекомендации МККТТ |
ГОСТ 18145 | V.24 МККТТ "Перечень определений цепей стыка между оконечным оборудованием данных (ООД) и аппаратурой окончания канала данных (АКД)" |
ГОСТ 20768 | V.25 МККТТ "Устройство автоматического ответа и/или устройство параллельного вызова для коммутируемой телефонной сети общего пользования, а также процедуры нейтрализации устройств управления эхом для соединений, установленных вручную или автоматически" |
ГОСТ 20855 | V.21 МККТТ "Дуплексный модем на 300 бит/с, стандартизированный для использования на коммутируемой телефонной сети общего пользования" |
| V.22 МККТТ "Дуплексный модем на 1200 бит/с, стандартизированный для использования на коммутируемой телефонной сети общего пользования и двухниточных 2-проводных арендованных каналах телефонного типа" |
| V.23 МККТТ "Модем на 600/1200 бит/с, стандартизированный для использования на коммутируемой телефонной сети общего пользования" |
| V.26 МККТТ "Модем на 2400 бит/с, стандартизированный для использования на 4-проводных арендованных каналах телефонного типа" |
ГОСТ 23675 | V.10 МККТТ "Электрические характеристики несимметричных цепей стыка, работающих двухполюсным током и предназначенных для общего использования в устройствах передачи данных на интегральных схемах" |
| V.11 МККТТ "Электрические характеристики симметричных цепей стыка, работающих двухполюсным током и предназначенных для общего использования в устройствах передачи данных на интегральных схемах" |
| V.28 МККТТ "Электрические характеристики несимметричных цепей стыка, работающих двухполюсным током" |
| X.26 МККТТ "Электрические характеристики несимметричных цепей стыка, работающих двухполюсным током и предназначенных для общего использования в устройствах передачи данных на интегральных схемах" |
| X.27 МККТТ "Электрические характеристики симметричных цепей стыка, работающих двухполюсным током и предназначенных для общего использования в устройствах передачи данных на интегральных схемах" |
ГОСТ 24174 | V.36 МККТТ "Модемы для синхронной передачи данных по первичным групповым трактам с полосой 60 - 108 кГц |
ГОСТ 26532 | V.27 МККТТ "Модем на 4800 бит/с с ручным корректором, стандартизованный для использования на арендованных каналах телефонного типа" |
| V.27 бис МККТТ "Модем на 4800/2400 бит/с с автоматическим корректором, стандартизованный для использования на арендованных каналах телефонного типа" |
| V.29 МККТТ "Модем на 9000 бит/с, стандартизованный для использования на двухточечных 4-проводных арендованных каналах телефонного типа" |
ГОСТ 27771 | X.24 МККТТ "Перечень определений цепей стыка между оконечным оборудованием данных (ООД) и аппаратурой окончания канала данных (АКД) в сетях данных общего пользования" |
ГОСТ 28142 | V.25 бис МККТТ "Устройство автоматического вызова и/или ответа для коммутируемой телефонной сети общего пользования (КТСОП) с применением цепей стыка серии 100" |
ГОСТ 28749 | V.26 бис МККТТ "Модем на 2400/1200 бит/с, стандартизованный для использования на коммутируемой телефонной сети общего пользования" |
| V.26 тер МККТТ "Дуплексный модем на 2400 бит/с с методом эхокомпенсации, стандартизованный для использования на коммутируемой телефонной сети общего пользования и двухточечных 2-проводных арендованных каналах телефонного типа" |
ГОСТ 28838 | V.33 МККТТ "Модем на 14400 бит/с, стандартизованный для использования на двухточечных 4-проводных арендованных каналах телефонного типа" |