Главная // Актуальные документы // ГОСТ Р (Государственный стандарт)
СПРАВКА
Источник публикации
М.: ИПК Издательство стандартов, 2003
Примечание к документу
Документ введен в действие с 01.01.2004.
Название документа
"ГОСТ Р МЭК 60118-14-2003. Государственный стандарт Российской Федерации. Аппараты слуховые программируемые. Технические требования к устройствам цифрового интерфейса. Размеры электрических соединителей"
(принят и введен в действие Постановлением Госстандарта России от 06.06.2003 N 186-ст)

"ГОСТ Р МЭК 60118-14-2003. Государственный стандарт Российской Федерации. Аппараты слуховые программируемые. Технические требования к устройствам цифрового интерфейса. Размеры электрических соединителей"
(принят и введен в действие Постановлением Госстандарта России от 06.06.2003 N 186-ст)


Содержание


Принят и введен в действие
Постановлением Госстандарта России
от 6 июня 2003 г. N 186-ст
ГОСУДАРСТВЕННЫЙ СТАНДАРТ РОССИЙСКОЙ ФЕДЕРАЦИИ
АППАРАТЫ СЛУХОВЫЕ ПРОГРАММИРУЕМЫЕ
ТЕХНИЧЕСКИЕ ТРЕБОВАНИЯ К УСТРОЙСТВАМ ЦИФРОВОГО ИНТЕРФЕЙСА.
РАЗМЕРЫ ЭЛЕКТРИЧЕСКИХ СОЕДИНИТЕЛЕЙ
Programmable hearing aids. Specification of a digital
interface devices. Dimensions of electrical connectors
ГОСТ Р МЭК 60118-14-2003
Группа Р24
ОКС 11.180
ОКП 94 4480
Дата введения
1 января 2004 года
Предисловие
1 РАЗРАБОТАН Всероссийским научно-исследовательским институтом стандартизации
ВНЕСЕН Техническим комитетом по стандартизации ТК 381 "Технические средства для инвалидов"
2 ПРИНЯТ И ВВЕДЕН В ДЕЙСТВИЕ Постановлением Госстандарта России от 6 июня 2003 г. N 186-ст
3 Разделы (приложения) настоящего стандарта, за исключением приложений А, Б, представляют собой полный аутентичный текст международного стандарта МЭК 60118-14:1998 "Слуховые аппараты. Технические требования к устройству цифрового интерфейса".
Приложение А к настоящему стандарту представляет собой полный аутентичный текст международного стандарта МЭК 60118-12:1996 "Слуховые аппараты. Размеры электрических соединителей"
4 ВВЕДЕН ВПЕРВЫЕ
Введение
Настоящий стандарт устанавливает технические требования к устройствам цифрового интерфейса, обеспечивающим электронную настройку оперативных параметров любых программируемых слуховых аппаратов с помощью управляющих устройств типа персональных ЭВМ.
Поскольку в настоящем стандарте установлены общие требования к типам соединителей слуховых аппаратов и устройствам цифрового интерфейса, в приложении А представлен полный аутентичный текст международного стандарта МЭК 60118-12:1996 "Слуховые аппараты. Размеры электрических соединителей", введенного в действие взамен международного стандарта МЭК 90:1973.
В приложении Б настоящего стандарта даны общие сведения о кабельных соединителях устройства цифрового интерфейса с программируемыми слуховыми аппаратами в соответствии с разделом 1 международного стандарта МЭК 61076-4-105:1995.
1 Область применения
Настоящий стандарт устанавливает технические требования к устройствам цифрового интерфейса (далее - устройства интерфейса), предназначенным для передачи программирующих сигналов с устройств управления типа персональных ЭВМ (далее - устройства управления) на программируемые слуховые аппараты (далее - слуховые аппараты) для обеспечения электронной настройки оперативных параметров последних.
Стандарт распространяется на устройства интерфейса, использующие для связи с устройствами управления последовательный интерфейс по [1] и передающие сигналы на программируемые слуховые аппараты по кабелю.
Стандарт не распространяется на устройства интерфейса, предназначенные для передачи программирующих сигналов любыми беспроводными методами (радио, инфракрасными и т.п.).
Стандарт устанавливает также требования к присоединительным размерам электрических соединителей слуховых аппаратов всех типов.
Требования безопасности к устройствам интерфейса - по 5.2.
2 Нормативные ссылки
В настоящем стандарте использованы ссылки на следующие стандарты:
ГОСТ 30324.0-95 (МЭК 601-1-88)/ГОСТ Р 50267.0-92 (МЭК 601-1-88) Изделия медицинские электрические. Часть 1. Общие требования безопасности
ГОСТ Р 51024-97 Аппараты слуховые электронные реабилитационные. Общие технические условия
3 Определения
В настоящем стандарте применены следующие термины с соответствующими определениями:
3.1 устройство цифрового интерфейса: Устройство обмена сигналами между слуховым аппаратом и устройством управления для электронной настройки оперативных параметров слухового аппарата.
3.2 устройство управления: Персональный компьютер или другое программирующее устройство, выполняющее процедуры, необходимые для электронной настройки оперативных параметров слухового аппарата.
Связь между устройствами управления и устройствами интерфейса осуществляется через последовательный интерфейс.
3.3 слуховой аппарат: Предназначенное для компенсации ограничений жизнедеятельности человека, связанных с нарушением слуха, устройство любого типа, программируемая электронная настройка оперативных параметров которого обеспечивается устройством интерфейса и устройством управления.
3.4 последовательный интерфейс: Метод передачи электрических импульсных сигналов по однопроводной или двухпроводной линии. Стандартный последовательный интерфейс - по [1].
3.5 входные данные: Данные, передаваемые со слухового аппарата на устройство интерфейса.
3.6 выходные данные: Данные, передаваемые с устройства интерфейса на слуховой аппарат.
4 Обозначения
В настоящем стандарте применяют следующие обозначения:
- Uбат (Ubat) - фиксированное напряжение питания;
- Uвых (Uo) - выходное напряжение переменных данных;
- Uпрог (Uprog) - изменяемое программируемое напряжение;
- Uпит (Usupply) - изменяемое напряжение питания;
- G - общая земля.
5 Технические требования к устройствам интерфейса
5.1 Общие требования
По конструктивному исполнению устройства интерфейса подразделяют на:
- выполненные в виде отдельного устройства;
- входящие в состав устройства управления и составляющие с ним единую систему.
Соединение устройства интерфейса со слуховым аппаратом осуществляется кабелем с соединителями на обоих концах. Рекомендуется иметь в устройстве интерфейса два независимых соединителя для обеспечения бинаурального протезирования.
5.2 Требования безопасности
По безопасности в эксплуатации устройство интерфейса должно удовлетворять требованиям [2], тип BF.
В случае, когда устройство интерфейса входит в состав устройства управления, система в целом также должна удовлетворять требованиям [2], тип BF, и (или) ГОСТ 30324.0.
5.3 Требования подключения к устройству управления
Управление устройством интерфейса, выполненным в виде отдельного устройства, осуществляется устройством управления при последовательном соединении в соответствии с требованиями [1].
В этом случае устройство интерфейса должно удовлетворять техническим требованиям [1] для оконечной аппаратуры передачи данных.
Конструктивные требования к соединителю кабеля, подключаемого к устройству управления, могут отличаться от требований [1] с учетом следующего:
а) должны быть обеспечены минимальные электрические характеристики [две линии данных и сигнальная земля, условно обозначаемые TX (линия передачи), RX (линия приема) и E];
б) все параметры соединений должны быть установлены в конструкторских документах на устройство интерфейса;
в) переходное устройство, обеспечивающее подключение стандартного кабеля, указанного в [1], должно быть доступно потребителю.
Примечание - Настоящий стандарт не устанавливает требований к соединениям между устройством интерфейса и устройством управления, составляющими единую систему.
5.4 Требования к соединению со слуховым аппаратом
Требования к соединению со слуховым аппаратом распространяются как на один соединитель, так и на каждый из двух соединителей, которые применяют для обеспечения бинаурального протезирования.
5.4.1 Конструктивные требования
5.4.1.1 Общие требования
Устройство интерфейса должно быть подключено к слуховому аппарату кабелем.
Типы кабельных соединителей, подключаемых к слуховому аппарату, приведены в приложении А. Распределение сигналов по контактам устанавливает изготовитель слухового аппарата.
Тип кабельного соединителя, подключаемого к устройству интерфейса, - шестиконтактный экранированный соединитель по [3]. Основные характеристики соединителя приведены в приложении Б.
5.4.1.2 Распределение сигналов по контактам соединителя устройства интерфейса
Распределение сигналов по контактам соединителя устройства интерфейса зависит от:
- вида подключаемого слухового аппарата;
- типа логических схем (низкого или высокого логического уровня), применяемых в конкретных слуховых аппаратах.
Устройство интерфейса включает в себя:
а) четыре источника напряжений различных номинальных значений для питания, выход данных и общую землю;
б) устройство считывания принимаемых входных данных;
в) систему мультиплексирования, обеспечивающую распределение различных комбинаций напряжений входных и выходных данных по контактам соединителя.
На контакты 1, 2 и 5 соединителя постоянно подаются: фиксированное напряжение питания Uбат, общая земля G и изменяемое напряжение питания Uпит соответственно.
Распределение сигналов по контактам соединителя - в соответствии с указанным в таблице 1.
Таблица 1
Номер контакта
Наименование сигнала
1
Фиксированное напряжение питания (Uбат)
2
Общая земля (G)
3
Входные и выходные данные (данные "1/0")
4
Входные и выходные данные (данные "1/0") или изменяемое программируемое напряжение (Uпрог)
5
Изменяемое напряжение питания (Uпит)
6
Выходные данные или общая земля (G)
5.4.2 Электрические требования
5.4.2.1 Требования к фиксированному напряжению питания Uбат
Фиксированное напряжение питания Uбат, используемое взамен батарейного источника питания слухового аппарата, всегда должно быть подключено к контакту 1.
Параметры Uбат:
- напряжение - 1,35 В +/- 5%;
- пороговый ток - 10 мА или 50 мА +/- 20%;
- выходной импеданс - менее 5 Ом.
Выбор значения порогового тока должен быть проведен устройством управления.
5.4.2.2 Требования к общей земле G
Общая земля, выполняющая функции низкоимпедансной земли, всегда должна быть подключена к контакту 2, а также, дополнительно, может быть подключена к контакту 6.
5.4.2.3 Требования к выходному напряжению переменных данных Uвых
Выбор контакта, к которому должно быть подключено напряжение Uвых (3, 4 и 6), должен быть проведен устройством управления.
Параметры Uвых:
- диапазон напряжений - от минус 3 до плюс 3 В;
- разрешающая способность - менее 50 мВ;
- допуск на установку напряжения - +/- 5% значения Uвых или +/- 30 мВ (выбирают большее значение);
- время установления - не более 0,3 мкс.
5.4.2.4 Изменяемое программируемое напряжение Uпрог (необходимость подключения определяется устройством управления)
Это напряжение должно быть подключено к контакту 4 и может быть использовано как источник программируемого напряжения в зависимости от технологий выполнения схем памяти.
Параметры напряжения Uпрог:
- диапазон - от минус 16 до плюс 18 В;
- разрешающая способность - менее 500 мВ;
- допуск на установленное напряжение - +/- 5% значения Uпрог или +/- 150 мВ (выбирают большее значение);
- максимальный ток - 10 мА +/- 20%;
- время установления - не более 3 мс.
5.4.2.5 Изменяемое напряжение питания Uпит
Это напряжение должно быть подключено к контакту 5. Необходимость подключения и значение напряжения определяются устройством управления.
Параметры напряжения Uпит:
- диапазон напряжений - от минус 3,5 до плюс 3,5 В;
- разрешающая способность - менее 50 мВ;
- допуск на установленное напряжение - +/- 5% значения Uпит или +/- 30 мВ (выбирают большее значение);
- максимальный ток - 30 мА +/- 20%;
- выходной импеданс - менее 5 Ом;
- время установления - менее 10 мс.
5.4.3 Передача данных
5.4.3.1 Общие требования
По сигналам устройства управления устройство интерфейса в зависимости от типа подключенного слухового аппарата должно обеспечивать коммутацию выходных сигналов при работе в режимах передачи и приема данных. Кодирование токов и напряжений выхода данных может быть осуществлено при подключении различных импедансов генератора.
5.4.3.2 Выходные данные
Выходные данные могут быть поданы на контакты 3, 4 и 6. Одновременно должна быть проведена коммутация между любой из четырех цепей Uвых, Uбат, Uпит и G в зависимости от типа логической схемы (низкого уровня или высокого уровня логики), применяемой в слуховом аппарате. Контакты 3 и 4, кроме того, могут быть подключены к различным импедансам генератора устройства интерфейса (3, 10, 20, 50 кОм; высокий импеданс).
Значения выходных импедансов на контактах:
- 3 - менее 350 Ом;
- 4 - менее 350 Ом;
- 6 - менее 5 Ом, максимальный ток 9 мА +/- 20% или более 20 мА при напряжении 1,35 В.
Выбор максимального тока должен быть проведен устройством управления.
5.4.3.3 Входные данные
Входные данные могут быть поданы на контакты 3, 4 и 6. Данные могут быть переданы как значения напряжения (контакты 3 и 4) или тока (контакты 3, 4 и 6). Электрические характеристики входных данных на выбранном контакте должны быть установлены устройством управления и соответствовать 5.4.3.2.
5.4.3.3.1 Напряжение входных данных
Напряжение входных данных может быть подано на контакт 3 или 4. Выбор значений порогового напряжения должен быть проведен устройством управления.
Параметры напряжения:
- диапазон значений пороговых напряжений - от минус 3 до плюс 3 В;
- разрешающая способность - менее 50 мВ;
- допуск на выбранное пороговое напряжение - +/- 5% значения Uвых или +/- 30 мВ (выбирают большее значение);
- гистерезис - +/- 200 мВ +/- 10%.
5.4.3.3.2 Ток входных данных
Ток входных данных может быть подан на контакты 3, 4 и 6. Выбор значений порогового тока должен быть проведен устройством управления.
Параметры тока:
- диапазон значений порогового тока на контактах 3 и 4 - от минус 200 до плюс 200 мкА;
- диапазон значений порогового тока на контакте 6 - от 0 до 5 мкА;
- разрешающая способность на контактах 3 и 4 - менее 5 мкА;
- разрешающая способность на контакте 6 - менее 50 мкА;
- допуск на значение порогового установленного тока на контактах 3 и 4 - +/- 5% измеренного значения или +/- 6 мкА (выбирают большее значение);
- допуск на значение порогового установленного тока на контакте 6 - +/- 5% измеренного значения или +/- 50 мкА (выбирают большее значение).
5.4.4 Протоколы передачи цифровой информации
К устройству интерфейса могут быть приложены протоколы передачи цифровой информации. Протоколы должны включать в себя следующие сведения о параметрах линий связи: синхронная или асинхронная линия, длительность импульса в линиях.
Генератор устройства интерфейса должен иметь следующие параметры:
- диапазон частоты синхронизации - от 100 Гц до 10 кГц;
- разрешающая способность по такту - менее 2 мкс;
- относительная нестабильность частоты генератора - +/- 10-4;
- размер буферного запоминающего устройства - более 3200 бит.
5.5 Требования к документации на устройства интерфейса
На устройство интерфейса должен быть выпущен полный комплект конструкторских документов, содержащий методы управления устройством интерфейса с помощью устройства управления. В документах должны быть приведены все управляющие коды и последовательности кодов, а также полное описание положений всех переключателей и других органов регулирования, обеспечивающих управление устройством интерфейса в ручном режиме.
Приложение А
(обязательное)
РАЗМЕРЫ ЭЛЕКТРИЧЕСКИХ СОЕДИНИТЕЛЕЙ СЛУХОВЫХ АППАРАТОВ
А.1 Настоящее приложение содержит требования, установленные в [3], к размерам и допускам систем электрических соединителей (далее - соединители) слуховых аппаратов (далее - СА) для обеспечения их взаимозаменяемости.
А.2 Общие сведения, относящиеся к системам соединителей, представлены в таблице А.1.
Таблица А.1
Наименование
Область применения
Номер таблицы
Номер рисунка
Система прямоугольных соединителей:
- двухконтактная полярная вилка
СА
- трехконтактная неполярная вилка
СА
- трехконтактная полярная вилка
Электрический вход
Система цилиндрических соединителей:
ИС МЕГАНОРМ: примечание.
В официальном тексте документа, видимо, допущена опечатка: п. А.7 отсутствует.
- трехконтактная вилка
См. А.7
- трехконтактная розетка
См. А.7
- четырехконтактная вилка
См. А.7
- четырехконтактная розетка
См. А.7
- пятиконтактная вилка
См. А.7
- пятиконтактная розетка
См. А.7
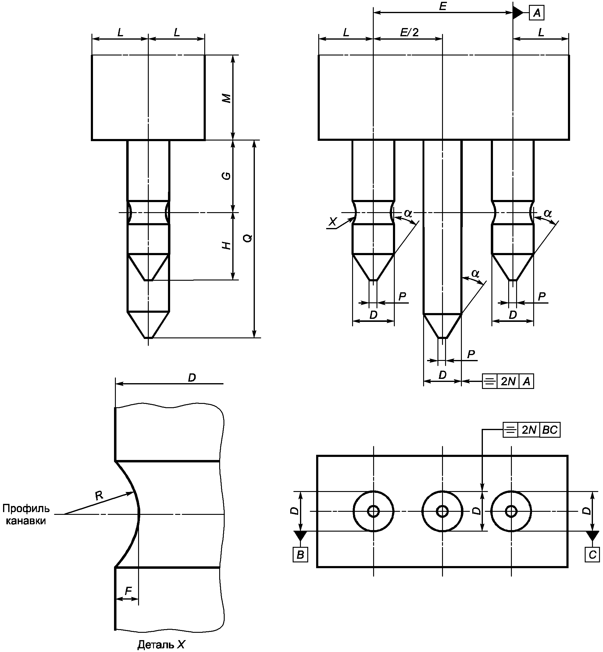
А.3 Размеры вилок, показанные на рисунках А.1, А.2, А.3, приведены в таблице А.2.
Таблица А.2
Обозначение размера
Размер
Номер примечания к таблице
минимальный
номинальный
максимальный
A
3,45
3,50
3,55
B
1,56
1,58
1,60
1, 5
C
1,26
1,28
1,30
1, 5
D
1,16
1,18
1,20
1, 5
E
4,15
4,20
4,25
F
0,10
0,12
0,14
G
2,00
2,05
2,10
4, 5
H
1,90
1,90
2,00
K
-
-
1,0
L
-
-
1,70
2, 5
M
2,50
-
-
2, 5
N
-
-
0,04
3, 5
P
-
-
0,30
1, 5
Q
5,70
5,90
6
4, 5
R
0,42
0,45
0,48
35
35
37
Примечания
1 Штыри вилок - цилиндрические с коническим окончанием, поэтому размеры B, C, D являются диаметрами штырей.
2 Расстояние между поверхностью корпуса вилки и центральной осью крайнего штыря не должно превышать размеров K и L в пределах части соединителя, обозначенной M, за пределами M эти размеры не ограничены.
3 Любые отклонения положений центра каждого штыря от их общей центральной линии должны лежать в пределах значения N. Расстояние между центральным штырем и каждым из двух крайних штырей должно быть не более значения N.
4 В случае применения вилки в герметизированном устройстве размеры G и Q измеряют относительно поверхности устройства для того, чтобы расположение канавки соответствовало размерам G и Q, показанным на рисунках А.1, А.2, А.3. В случае применения такого герметизированного устройства его поверхность рассматривают в качестве части вилки.
5 Размеры указаны в миллиметрах.
6 Углы указаны в градусах.
А.4 Размеры вилок, показанные на рисунках А.4, А.5, А.6, приведены в таблице А.3.
Таблица А.3
Обозначение размера
Размер
Номер примечания к таблице
минимальный
номинальный
максимальный
B
2,03
2,05
2,05
1, 5
C
-
0,60
-
2, 6
D
0,38
0,40
0,40
E
0,66
0,68
0,70
F
0,76
0,78
0,80
G
0,35
0,35
0,37
H
0,25
0,25
0,27
J
1,50
1,50
1,60
K
-
120
-
3, 6
L
-
90
-
3, 6
M
-
72
-
3, 6
N
-
0,03
-
P
1,40
1,40
-
Примечания
1 Размер является диаметром, указанным в миллиметрах.
2 Все размеры являются радиусами, указанными в миллиметрах.
3 Все размеры являются значениями углов, указанными в градусах.
4 Контакты представляют собой отверстия цилиндрической формы диаметра D.
5 Геометрический допуск (начало отсчета A = datum A).
6 Базовые размеры.
7 Зоны позиционирования (установки) допуска.
8 Размеры указаны в миллиметрах.
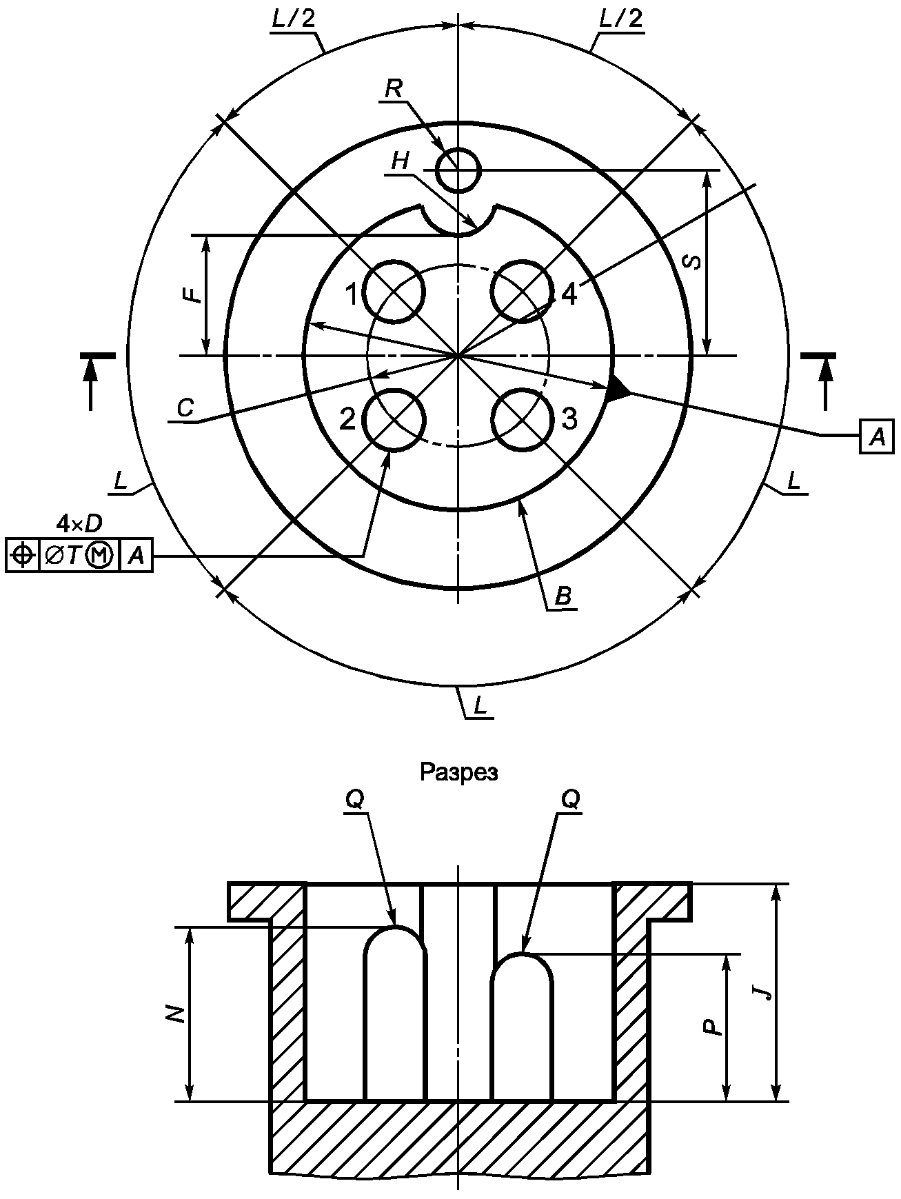
А.5 Размеры розеток, показанные на рисунках А.7, А.8, А.9, приведены в таблице А.4.
Таблица А.4
Обозначение размера
Размер
Номер примечания к таблице
минимальный
номинальный
максимальный
B
2,06
2,10
2,10
1, 5
C
-
0,60
-
2, 6
D
0,40
0,40
0,42
E
0,70
0,70
0,74
F
0,80
0,80
0,84
G
0,33
0,35
0,35
H
0,23
0,25
0,25
J
1,48
1,50
1,52
K
-
120
-
3, 6
L
-
90
-
3, 6
M
-
72
-
3, 6
N
1,18
1,20
1,27
P
0,98
1,00
1,07
Q
0,15
0,20
0,20
R
0,30
0,30
0,35
1, 4
S
1,22
1,25
1,28
T
-
0,03
-
Примечания
1 Все размеры являются диаметрами, указанными в миллиметрах.
2 Все размеры являются радиусами, указанными в миллиметрах.
3 Все размеры являются значениями углов, указанными в градусах.
4 Цветная маркировка.
5 Геометрический допуск (начало отсчета A = datum A).
6 Базовые размеры.
7 Зоны позиционирования (установки) допуска.
8 Размеры указаны в миллиметрах.
А.6 Рекомендации по применению системы цилиндрических соединителей
А.6.1 Система трехконтакных соединителей предназначена для применения в слуховых аппаратах с электрическим входом по ГОСТ Р 51024.
А.6.2 Система четырех- и пятиконтактных соединителей предназначена, главным образом, для применения в программируемых слуховых аппаратах.
А.6.3 Длинный штырь (номер 1), показанный на рисунках А.7, А.8, А.9, рекомендуется использовать как контакт заземления.
Рисунок А.1 - Двухконтактная полярная вилка
для головных телефонов
Рисунок А.2 - Трехконтактная неполярная вилка
для головных телефонов
Рисунок А.3 - Трехконтактная полярная вилка
для электрического входа
Рисунок А.4 - Трехконтактная вилка
Рисунок А.5 - Четырехконтактная вилка
Рисунок А.6 - Пятиконтактная вилка
Рисунок А.7 - Трехконтактная розетка
Примечание - Длина контакта 1 равна N; длина других контактов равна P.
Рисунок А.8 - Четырехконтактная розетка
Примечание - Длина контакта 1 равна N; длина других контактов равна P.
Рисунок А.9 - Пятиконтактная розетка
Примечание - Длина контакта 1 равна N; длина других контактов равна P.
Приложение Б
(справочное)
ОСНОВНЫЕ ХАРАКТЕРИСТИКИ ШЕСТИКОНТАКТНОГО СОЕДИНИТЕЛЯ
УСТРОЙСТВА ИНТЕРФЕЙСА
Б.1 Полный комплект шестиконтактного соединителя устройства интерфейса по [4] включает в себя:
- соединитель (прямоугольный или вертикальный), неподвижно установленный на печатной плате (фиксированный соединитель);
- кабельный соединитель.
Б.2 Общие виды соединителей в изометрической проекции представлены на рисунке Б.1.
Рисунок Б.1 - Общий вид соединителей
в изометрической проекции
В конструкции каждого соединителя предусмотрен ключ, предотвращающий неправильное соединение.
Б.3 Номинальные характеристики соединителей:
- рабочее напряжение - 30 В постоянного или переменного тока (среднеквадратичное значение);
- сопротивление изоляции - не менее 1000 МОм;
- диапазон температур: от минус 55 °C до плюс 100 °C.
Б.4 Соединители предназначены для установки в печатную плату толщиной 1,58 мм.
Б.5 Основные конструктивные характеристики и обозначения типов фиксированных соединителей указаны в таблице Б.1.
Таблица Б.1
Обозначение типа соединителей
Основная конструктивная характеристика
A
Экранированный прямоугольный
B
Экранированный прямоугольный с поверхностным монтажом
C
Экранированный прямоугольный с креплением в печатную плату
D
Экранированный прямоугольный с заземлением на плате и пайке через сквозные отверстия в плате
E
Экранированный вертикальный с низким фланцем
F
Экранированный вертикальный с высоким фланцем
G
Неэкранированный вертикальный с низким фланцем
H
Неэкранированный вертикальный с высоким фланцем
J
Экранированный вертикальный с низким фланцем с закреплением передней панели соединителя винтом
K
Экранированный вертикальный с высоким фланцем с закреплением передней панели соединителя винтом
Б.6 Основные конструктивные характеристики и обозначения типов кабельных соединителей указаны в таблице Б.2.
Таблица Б.2
Обозначение типа соединителей
Основная конструктивная характеристика
L
Экранированный с защитой от смещения изоляции
M
Другие (по согласованию с потребителем)
Б.7 Полный состав конструктивных требований, общие виды, указания по монтажу и установке соединителей приведены в [3].
Приложение В
(справочное)
БИБЛИОГРАФИЯ
[1]
ITU-T Recommendation V.24:1996 List of definitions for interchange circuit between data terminal equipment (DTE) and data circuit-termination equipment (DCE) - Перечень определений цепей взаимообмена между аппаратурой передачи данных (DTE) и оконечной аппаратурой обработки данных (DCE)
[2]
МЭК 60601-1-1-1:1992 Medical electrical equipment/Part 1: Collateral standard: Safety requirements for medical electrical systems. Изделия медицинские электрические. Часть 1. Дополнительные требования безопасности для медицинских электрических изделий
[3]
МЭК 60118-12:1996 Hearing aids - Part 12: Dimensions of electrical connector systems. Слуховые аппараты. Размеры электрических соединителей
[4]
МЭК 61076-4-105:1995 Connectors with assessed quality, for use in d.c., low-frequency analogue and in digital high-speed data application. Part 4. Printed board connectors - Section 105: Detail specification for 9 mm circular connector with 3 to 8 contacts for use in a wide range of applications including the telecommunication and audio industry - Соединители с оцененным качеством, применяемые в цепях постоянного тока, низкочастотных аналоговых цепях и высокоскоростных цифровых линиях передачи данных. Часть 4. Соединители для печатных плат. Раздел 105. Общие технические условия на 9-миллиметровые цилиндрические соединители с числом контактов от 3 до 8 широкого применения, включая применение в телекоммуникационной и звуковой отраслях промышленности
УДК 616.28-089.24:006.354
ОКС 11.180
Р24
ОКП 94 4480
Ключевые слова: программируемые слуховые аппараты, устройства цифрового интерфейса, технические требования, линии связи, прием и передача данных, соединители для слуховых аппаратов, присоединительные размеры