Главная // Актуальные документы // ГОСТ Р (Государственный стандарт)СПРАВКА
Источник публикации
М.: Стандартинформ, 2010
Примечание к документу
Документ
введен в действие с 1 января 2011 года.
Название документа
"ГОСТ Р ИСО 4136-2009. Национальный стандарт Российской Федерации. Испытания разрушающие сварных соединений металлических материалов. Испытание на растяжение образцов, вырезанных поперек шва"
(утв. и введен в действие Приказом Ростехрегулирования от 15.12.2009 N 1085-ст)
"ГОСТ Р ИСО 4136-2009. Национальный стандарт Российской Федерации. Испытания разрушающие сварных соединений металлических материалов. Испытание на растяжение образцов, вырезанных поперек шва"
(утв. и введен в действие Приказом Ростехрегулирования от 15.12.2009 N 1085-ст)
Утвержден и введен в действие
агентства по техническому
регулированию и метрологии
от 15 декабря 2009 г. N 1085-ст
НАЦИОНАЛЬНЫЙ СТАНДАРТ РОССИЙСКОЙ ФЕДЕРАЦИИ
ИСПЫТАНИЯ РАЗРУШАЮЩИЕ
СВАРНЫХ СОЕДИНЕНИЙ МЕТАЛЛИЧЕСКИХ МАТЕРИАЛОВ
ИСПЫТАНИЕ НА РАСТЯЖЕНИЕ ОБРАЗЦОВ, ВЫРЕЗАННЫХ ПОПЕРЕК ШВА
Destructive tests on welds in metallic materials.
Transverse tensile test
ISO 4136:2001
Destructive tests on welds in metallic materials -
Transverse tensile test
(IDT)
ГОСТ Р ИСО 4136-2009
Группа Т51
Дата введения
1 января 2011 года
Цели и принципы стандартизации в Российской Федерации установлены Федеральным
законом от 27 декабря 2002 г. N 184-ФЗ "О техническом регулировании", а правила применения национальных стандартов Российской Федерации -
ГОСТ Р 1.0-2004 "Стандартизация в Российской Федерации. Основные положения".
1. Подготовлен Федеральным государственным учреждением "Научно-учебный центр "Сварка и контроль" при МГТУ им. Н.Э. Баумана (ФГУ НУЦСК при МГТУ им. Н.Э. Баумана), Национальным Агентством Контроля и Сварки (НАКС) на основе собственного аутентичного перевода стандарта, указанного в
пункте 4.
2. Внесен Техническим комитетом по стандартизации ТК 364 "Сварка и родственные процессы".
3. Утвержден и введен в действие
Приказом Федерального агентства по техническому регулированию и метрологии от 15 декабря 2009 г. N 1085-ст.
4. Настоящий стандарт идентичен международному стандарту ИСО 4136:2001 "Испытания разрушающие сварных соединений металлических материалов. Испытание на растяжение образцов, вырезанных поперек шва" (ISO 4136:2001 "Destructive tests on welds in metallic materials - Transverse tensile tests").
При применении настоящего стандарта рекомендуется использовать вместо ссылочных международных стандартов соответствующие им национальные стандарты.
5. Введен впервые.
Информация об изменениях к настоящему стандарту публикуется в ежегодно издаваемом информационном указателе "Национальные стандарты", а текст изменений и поправок - в ежемесячно издаваемых информационных указателях "Национальные стандарты". В случае пересмотра (замены) или отмены настоящего стандарта соответствующее уведомление будет опубликовано в ежемесячно издаваемом информационном указателе "Национальные стандарты". Соответствующая информация, уведомление и тексты размещаются также в информационной системе общего пользования - на официальном сайте Федерального агентства по техническому регулированию и метрологии в сети Интернет.
Международный стандарт ИСО 4136 разработан Техническим комитетом ИСО/ТК 44 "Сварка и родственные процессы", подкомитетом SC 5 "Испытание и приемка сварки".
Настоящий стандарт определяет размеры испытательных образцов и процедуру проведения испытаний стыковых сварных соединений в целях определения предела прочности и места разрушения при растяжении поперек сварного шва.
Настоящий стандарт распространяется на все виды металлических конструкций, имеющих сварные соединения, выполненные сваркой плавлением.
Если в отдельных пунктах стандарта не указаны требования, то следует руководствоваться требованиями, изложенными в стандарте ИСО 6892-1.
В настоящем стандарте использованы нормативные ссылки на следующие стандарты. Для датированных ссылок применяются только указанные редакции. Для недатированных ссылок применяется последнее издание документа (включая изменения).
ИСО 4063:1998 Сварка и родственные процессы. Перечень и условное обозначение процессов (ISO 4063:1998 Welding and allied processes - Nomenclature of processes and reference numbers)
ИСО 6892-1 Материалы металлические. Испытания на растяжение. Часть 1. Испытание при комнатной температуре (ISO 6892-1 Metallic materials - Tensile testing - Part 1: Method of test at room temperature)
Примечание. При пользовании настоящим стандартом целесообразно проверить действие ссылочных стандартов и классификаторов в информационной системе общего пользования - на официальном сайте Федерального агентства по техническому регулированию и метрологии в сети Интернет или по ежегодно издаваемому информационному указателю "Национальные стандарты", который опубликован по состоянию на 1 января текущего года, и по соответствующим ежемесячно издаваемым информационным указателям, опубликованным в текущем году. Если ссылочный стандарт заменен (изменен), то при пользовании настоящим стандартом следует руководствоваться заменяющим (измененным) стандартом. Если ссылочный стандарт отменен без замены, то положение, в котором дана ссылка на него, применяется в части, не затрагивающей эту ссылку.
Сварное соединение подвергается растяжению поперек сварного шва приложением плавно нарастающего усилия вплоть до полного разрушения.
Если нет других указаний в стандартах или другой технической документации, то испытания проводят при нормальной температуре (23 +/- 5) °C.
Обозначения размеров, используемых при испытаниях, и значения символов приведены в таблице 1 и представлены на
рисунках 1 -
3.
Таблица 1
Символ | Значение символов | Единица измерения |
b | Ширина рабочей части образца | мм |
| Ширина захватной части образца | мм |
d | Диаметр пробки | мм |
D | Наружный диаметр трубы <a> | мм |
| Длина рабочей части | мм |
| Исходная базовая длина | мм |
| Максимальная ширина сварного шва после обработки | мм |
| Полная длина образца | мм |
r | Радиус перехода от рабочей части образца к захватной | мм |
t | Толщина сварного соединения | мм |
| Толщина образца | мм |
<a> Термин "труба" используют для обозначения трубы или круглого сечения. |
5. Изготовление испытательных образцов
Образцы для испытаний (испытательные образцы) могут вырезать из сварной конструкции или из специально изготовленного контрольного сварного соединения.
Образцы вырезают поперек сварного соединения таким образом, чтобы после механической обработки ось сварного шва располагалась посредине его рабочей части длиной

.
Для труб небольших диаметров допускается проводить испытание на всей трубе (см.
рисунок 3). Если нет других указаний в стандартах или другой технической документации, испытания проводят на трубах с наружным диаметром D < 18 мм.
Каждый испытательный образец должен быть замаркирован так, чтобы после вырезки можно было точно определить его положение в конструкции или в контрольном сварном соединении.
Если стандарт или другая техническая документация содержат требование о дополнительной информации, связанной с целью испытаний, по конструкции или технологии (например, направление проката, поковка и т.п.), это также учитывают при маркировке.
5.3. Термическая обработка и (или) старение
Термическую обработку сварных соединений или вырезанных испытательных образцов проводят только в тех случаях, если она предусмотрена технической документацией на контролируемое сварное соединение. Сведения о проведении любой термической обработки заносят в протокол испытаний.
При испытаниях сварных соединений из алюминиевых сплавов, склонных к естественному старению, в протокол испытаний заносят время между сваркой и испытаниями.
Примечание. Если при испытаниях сварных соединений сплавов на основе железа требуется исключить влияние водорода на результаты испытаний, то проводят дегазацию сварных соединений или испытательных образцов.
5.4. Требования к технологии вырезки испытательных образцов
5.4.1. Общие требования
Механические или термические процессы, используемые при вырезке испытательных образцов, не должны оказывать влияния на его механические свойства.
5.4.2. Сталь
Рубка на ножницах допускается при толщине не более 8 мм.
При использовании термической резки или других методов вырезки, которые могут повлиять на результаты испытаний, вырезку проводят с припуском на величину заготовки не менее 8 мм.
Термическая резка по толщине сварного соединения параллельно свариваемым поверхностям не допускается.
5.4.3. Другие металлические материалы
Термическая резка не допускается. Следует использовать только механическую обработку.
5.5. Механическая обработка испытательных образцов
5.5.1. Общие требования
Допуски на размеры испытательных образцов должны соответствовать ИСО 6892-1.
5.5.2. Расположение испытательных образцов по сечению сварного соединения
Толщина испытательного образца

должна быть, как правило, равна толщине основного металла рядом со сварным швом (см. рисунок 1a). Если требуется испытание всего сечения сварного шва при толщине металла более 30 мм, вырезают несколько образцов так, чтобы перекрыть всю толщину шва (см.
рисунок 1b). В этом случае расположение каждого образца указывают в протоколе испытаний.
a) испытание полного сечения
Примечание. Испытательные образцы могут частично перекрывать друг друга по толщине соединения.
b) испытание нескольких образцов по сечению
Рисунок 1. Примеры расположения испытательных образцов
по сечению сварного соединения
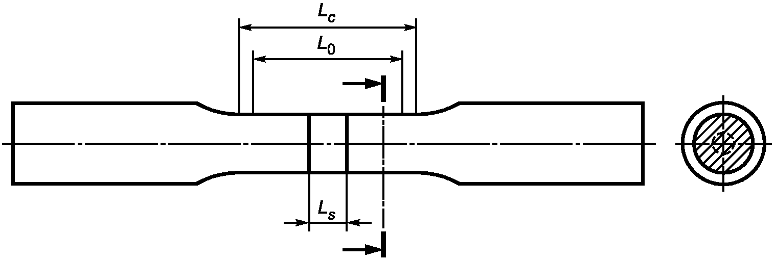
5.5.3. Размеры
5.5.3.1. Пластины и трубы
Толщина испытательного образца

должна быть одинаковой по всей длине рабочей части

. Форма и размеры испытательных образцов должны соответствовать значениям, указанным в таблице 2, значения символов указаны на
рисунке 2 и в
таблице 1.
Таблица 2
Размеры испытательных образцов, вырезаемых
из пластин и труб
В миллиметрах
Наименование размера | Символ | Размеры |
Общая длина образца | | Соответствие особенностям разрывной машины |
Ширина захватной части образца | | b + 12 |
Ширина рабочей части образца | пластин | b | 12 для  25 для  |
труб | b | 6 для D <= 50 12 для 50 < D <= 168,3 25 для D > 168,3 |
Длина рабочей части образца <a>, <b> | | |
Радиус перехода от рабочей части образца к захватной | r | >= 25 |
<a> Для прессовой сварки и лучевой сварки (группы процессов 2, 4, 51 и 52 в соответствии с ИСО 4063:1998)  . <b> Для некоторых металлических материалов (например, алюминий, медь или их сплавы) возможно  . |
a) образцы для испытаний сварных соединений пластин
b) образцы для испытаний сварных соединений труб
Рисунок 2. Образцы для испытаний сварных
соединений труб и пластин
Для испытательных образцов, вырезаемых из трубы, допускается сплющивание захватной части. Возможное при этом изменение толщины не должно оказывать влияния на размеры рабочей части образца

и на результаты испытаний.
5.5.3.2. Трубы полного сечения
Размеры для испытаний труб полного сечения показаны на рисунке 3.
Рисунок 3. Образцы для испытаний труб
5.5.3.3. Материалы высокой прочности
Размеры цилиндрических испытательных образцов при испытании сварных соединений материалов высокой прочности должны быть согласованы с заказчиком.
После механической обработки размеры цилиндрических образцов должны соответствовать ИСО 6892-1, за исключением длины рабочей части образца

, которая должна быть не менее чем

, как показано на рисунке 4, а для алюминия, меди и их сплавов - в соответствии со
сноской b) в таблице 2.
Рисунок 4. Цилиндрические образцы для материалов
высокой прочности
5.5.4. Требования к поверхности
Окончательную механическую обработку необходимо выполнять на режимах, исключающих деформацию, перегрев или поверхностную закалку материала испытательного образца.
На поверхности рабочей части

не допускаются царапины, забоины, надрезы, расположенные поперек оси образца, кроме подрезов сварного шва, допускаемых соответствующим стандартом.
Если нет других указаний в стандартах или иной технической документации на изделие, выпуклости сварного шва с обеих сторон удаляют механической обработкой до уровня основного металла, за исключением выпуклости внутри трубы при испытании полного сечения труб.
При испытании образец подвергают нарастающей нагрузке в соответствии с ИСО 6892-1.
7.1. Общие положения
Результаты испытаний необходимо определять в соответствии с ИСО 6892-1.
7.2. Место разрушения
Место разрушения указывают в протоколе испытаний. При необходимости место расположения сварного шва определяют травлением образца.
7.3. Контроль поверхности разрушения
Поверхность разрушения после испытаний образца должна быть обследована на наличие дефектов, которые могли повлиять на результаты испытаний. Вид дефектов и их размеры должны быть занесены в протокол испытаний. При наличии дефектов вида "рыбий глаз" они должны быть описаны в протоколе, при этом только их центральные области следует рассматривать как дефекты.
Протокол должен включать следующую информацию дополнительно к тому, что указано в ИСО 6892-1:
a) ссылки на настоящий стандарт, т.е. на ГОСТ Р ИСО 4136;
b) тип и место вырезки испытательного образца, эскиз, если требуется (см.
рисунок 1);
c) температура испытаний, если отличается от нормальной;
d) место разрушения;
e) типы и размеры обнаруженных дефектов.
Пример
формы типового протокола приведен в Приложении А.
(рекомендуемое)
ФОРМА ПРОТОКОЛА ИСПЫТАНИЙ
N _____________
Согласно pWPS _____________
Результаты испытаний "_____________"
Изготовитель: _____________
Цель испытаний: _____________
Форма конструкции: _____________
Основной металл: _____________
Присадочный металл: _____________
Температура испытаний: _____________
Таблица А.1
Результаты испытаний на растяжение образцов
согласно ГОСТ Р ИСО 4136
N образца | Размеры/диаметр, мм | Максимальная нагрузка  , Н | Предел прочности  , Н/мм2 | Место разрушения | Примечание |
| | | | | |
Исполнитель или группа исполнителей Утверждаю
___________________________________ _______________________
(Ф.И.О., дата, подпись) (Ф.И.О., дата, подпись)
(справочное)
СВЕДЕНИЯ О СООТВЕТСТВИИ ССЫЛОЧНЫХ МЕЖДУНАРОДНЫХ
СТАНДАРТОВ ССЫЛОЧНЫМ НАЦИОНАЛЬНЫМ СТАНДАРТАМ
РОССИЙСКОЙ ФЕДЕРАЦИИ (И ДЕЙСТВУЮЩИМ В ЭТОМ
КАЧЕСТВЕ МЕЖГОСУДАРСТВЕННЫМ СТАНДАРТАМ)
Таблица ДА.1
Обозначение ссылочного международного стандарта | Степень соответствия | Обозначение и наименование соответствующего национального стандарта |
ИСО 4063:1998 | - | |
ИСО 6892-1 | - | |
<*> Соответствующий национальный стандарт отсутствует. До его утверждения рекомендуется использовать перевод на русский язык данного международного стандарта. Перевод данного международного стандарта находится в Федеральном информационном фонде технических регламентов и стандартов. |