Главная // Актуальные документы // ГОСТ Р (Государственный стандарт)СПРАВКА
Источник публикации
М.: Стандартинформ, 2010
Примечание к документу
Документ
введен в действие с 1 декабря 2010 года.
Название документа
"ГОСТ Р ИСО 24497-3-2009. Национальный стандарт Российской Федерации. Контроль неразрушающий. Метод магнитной памяти металла. Часть 3. Контроль сварных соединений"
(утв. и введен в действие Приказом Ростехрегулирования от 10.11.2009 N 499-ст)
"ГОСТ Р ИСО 24497-3-2009. Национальный стандарт Российской Федерации. Контроль неразрушающий. Метод магнитной памяти металла. Часть 3. Контроль сварных соединений"
(утв. и введен в действие Приказом Ростехрегулирования от 10.11.2009 N 499-ст)
Утвержден и введен в действие
по техническому регулированию
и метрологии
от 10 ноября 2009 г. N 499-ст
НАЦИОНАЛЬНЫЙ СТАНДАРТ РОССИЙСКОЙ ФЕДЕРАЦИИ
КОНТРОЛЬ НЕРАЗРУШАЮЩИЙ
МЕТОД МАГНИТНОЙ ПАМЯТИ МЕТАЛЛА
ЧАСТЬ 3
КОНТРОЛЬ СВАРНЫХ СОЕДИНЕНИЙ
Non-destructive testing. Metal magnetic memory method.
Part 3. Inspection of welded joints
ISO 24497-3-2009
Non-destructive testing - Metal magnetic memory - Part 3:
Inspection of welded joints
(IDT)
ГОСТ Р ИСО 24497-3-2009
Группа Т51
Дата введения
1 декабря 2010 года
Цели и принципы стандартизации в Российской Федерации установлены Федеральным
законом от 27 декабря 2002 г. N 184-ФЗ "О техническом регулировании", а правила применения национальных стандартов Российской Федерации -
ГОСТ Р 1.0-2004 "Стандартизация в Российской Федерации. Основные положения".
1. Подготовлен Автономной некоммерческой организацией "Научно-исследовательский центр контроля и диагностики технических систем" (АНО "НИЦ КД") на основе собственного аутентичного перевода стандарта, указанного в пункте 4.
2. Внесен Техническим комитетом по стандартизации ТК 132 "Техническая диагностика".
3. Утвержден и введен в действие
Приказом Федерального агентства по техническому регулированию и метрологии от 10 ноября 2009 г. N 499-ст.
4. Настоящий стандарт идентичен международному стандарту ИСО 24497-3:2007 "Контроль неразрушающий. Метод магнитной памяти металла. Часть 3. Контроль сварных соединений" (ISO 24497-3-2007 "Non-destructive testing - Metal magnetic memory - Part 3: Inspection of welded joints".
5. Введен впервые.
Информация об изменениях к настоящему стандарту публикуется в ежегодно издаваемом информационном указателе "Национальные стандарты", а текст изменений и поправок - в ежемесячно издаваемых информационных указателях "Национальные стандарты". В случае пересмотра (замены) или отмены настоящего стандарта соответствующее уведомление будет опубликовано в ежемесячно издаваемом информационном указателе "Национальные стандарты". Соответствующая информация, уведомление и тексты размещаются также в информационной системе общего пользования - на официальном сайте Федерального агентства по техническому регулированию и метрологии в сети Интернет.
Настоящий стандарт устанавливает общие требования к применению метода магнитной памяти металла для контроля качества сварных соединений оборудования и конструкций, работающих под давлением.
Настоящий стандарт распространяется на оборудование и конструкции, подведомственные и неподведомственные Госгортехнадзору РФ в различных отраслях промышленности, включая изготовление и эксплуатацию.
Настоящий стандарт может быть распространен на сварные соединения любых видов трубопроводов, сосудов, оборудования и металлоконструкций по согласованию с потребителем.
Термины и определения, использованные в настоящем стандарте, приведены в ИСО 24497-1, общие требования - в ИСО 24497-2.
2.1. Контроль методом магнитной памяти металла (ММП-контроль) основан на измерении и анализе распределения собственных магнитных полей рассеяния (СМПР) металла сварных соединений, отображающих их структурную технологическую наследственность. При контроле используется естественная намагниченность, сформировавшаяся в процессе сварки в магнитном поле Земли.
2.2. ММП-контроль служит для определения зон концентрации механических напряжений (ЗКН) и выдачи рекомендаций для дополнительного контроля опасных зон в сварных соединениях сосудов, трубопроводов, оборудования и конструкций.
2.3. ММП-контроль является первоочередным по отношению к известным методам неразрушающего дефектоскопического контроля (ультразвуковой, радиационный, магнитопорошковый, капиллярный, цветная дефектоскопия, измерение твердости и толщинометрия).
2.4. ММП-контроль позволяет контролировать сварные соединения любых размеров и форм (стыковые, тавровые, угловые, нахлесточные, торцевые, прерывистые и др.) без ограничения толщины свариваемого металла на всех видах ферромагнитных и аустенитных сталей и сплавов и на чугунах.
2.5. ММП-контроль может проводиться как при работе объекта контроля (ОК), так и при его ремонте.
2.6. При ММП-контроле определяют:
- зоны концентрации остаточных сварочных напряжений и их распределение вдоль сварного соединения;
- зоны вероятного расположения микро- и макродефектов всех видов (поры, шлаковые включения, несплошности, трещины, разрывы).
Классификацию дефектов по магнитным параметрам проводят по специальным методикам контроля для конкретного сварного соединения.
2.7. ММП-контроль можно использовать для контроля:
- степени "засоренности" сварных швов дефектами и наличия развивающегося дефекта;
- качества сварных соединений при аттестации, выборе, оптимизации и сертификации технологии сварки.
2.8. Температурный диапазон ММП-контроля составляет от минус 20 °C до плюс 60 °C и регламентируется условиями нормальной работы оператора и приборов контроля.
2.9. По результатам ММП-контроля рекомендуется использовать традиционные методы и средства дефектоскопического контроля в зонах максимальной концентрации напряжений и вероятного расположения микро- и макродефектов по действующим нормам для сварного соединения.
2.10. Необходимость применения ММП-контроля может устанавливаться соответствующими нормами контроля качества сварных соединений на данном предприятии или в данной отрасли.
3.1. Оборудование и конструкции контролируют с использованием метода МПМ как в рабочем состоянии (под нагрузкой), так и при их останове (после снятия рабочей нагрузки).
3.2. Зачистки и какой-либо подготовки поверхности не требуются. Изоляцию рекомендуется снять. В отдельных случаях допускается проведение контроля без снятия немагнитной изоляции. Максимально допустимая для проведения контроля толщина изоляции определяется экспериментально.
3.3. Допустимый диапазон толщин металла в зонах контроля указывают в методиках на данный объект контроля.
3.4. Ограничивающими факторами применения МПМ являются:
- наличие искусственной намагниченности металла;
- наличие на объекте контроля постороннего ферромагнитного изделия;
- наличие вблизи (ближе 1 м) объекта контроля источника внешнего магнитного поля и поля от электросварки.
3.5. Акустические шумы, механические вибрации вблизи объектов контроля и на самих ОК не оказывают влияния на результаты контроля.
4.1. Для контроля оборудования с использованием метода МПМ применяются специализированные магнитометрические приборы, имеющие соответствующие сертификаты. В описании указанных приборов должны быть типовые методики определения ЗКН.
4.2. Принцип действия указанных приборов должен быть основан на фиксации импульсов тока в обмотке феррозонда при помещении его в СМПР приповерхностного пространства объекта контроля. В качестве датчиков для измерения напряженности СМПР могут быть использованы феррозондовые или другие магниточувствительные преобразователи: полемеры или градиентометры.
4.3. Приборы должны иметь экран для графического представления параметров контроля, регистрирующее устройство на базе микропроцессора, блок памяти и сканирующие устройства в виде специализированных датчиков. Должна быть обеспечена возможность передачи информации от прибора компьютеру и распечатки на принтере. В комплекте с прибором должно поставляться программное обеспечение для обработки результатов контроля на компьютере.
4.4. В комплекте с прибором поставляются специализированные датчики. Тип датчика определяется методикой и объектом контроля. На датчике должно быть не менее двух каналов измерений, один из которых измерительный, а другой используют для отстройки от внешнего магнитного поля Земли.
В корпусах датчиков должен быть электронный блок усиления измеряемого поля и датчик для измерения длины контролируемого участка.
4.5. Допустимую погрешность измерений напряженности магнитного поля указывают в методиках в зависимости от объекта контроля.
4.6. Приборы должны иметь следующие метрологические характеристики:
- основная относительная погрешность измеряемого магнитного поля для каждого канала измерений не должна превышать +/- 5%;
- относительная погрешность измеряемой длины не должна превышать +/- 5%;
- диапазон измерений приборов должен быть не менее +/- 1000 А/м;
- минимальный шаг сканирования (расстояние между двумя соседними точками контроля) должен быть 1 мм;
- уровень электронных шумов, обусловленный работой процессора и микросхем, не должен превышать +/- 5 А/м.
4.7. Прибор должен иметь паспорт с инструкцией для пользователя.
5.1. Подготовка к контролю содержит следующие основные этапы:
- анализ технической документации на объект контроля и составление карты (формуляра) ОК;
- выбор типов датчиков и приборов контроля;
- настройку и калибровку приборов и датчиков в соответствии с инструкцией, указанной в паспорте прибора;
- условное разбиение объекта контроля на отдельные участки и узлы, имеющие конструктивные особенности, и обозначение их на формуляре ОК.
5.2. Анализ технической документации на объект контроля включает в себя:
- выявление марок сталей и типоразмера узлов;
- анализ режимов работы ОК и причин отказов (повреждений);
- выявление конструктивных особенностей узлов, мест расположения сварных соединений.
6. ПОРЯДОК ПРОВЕДЕНИЯ КОНТРОЛЯ
6.1. Контроль сварных соединений с использованием приборов, имеющих цифровую индикацию напряженности магнитного поля
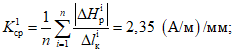
Схема сканирования датчиком прибора при диагностировании сварных соединений представлена на
рисунке 1.
а
б
a - перемещение датчика вдоль сварного шва; b - перемещение датчика перпендикулярно к сварному шву; МШ - металл шва; ЗТВ - зона термического влияния сварного соединения; ОМ - основной металл; 1, 2, 3 - зоны контроля
Рисунок 1. Схема сканирования датчиком при диагностировании
сварных соединений по остаточной намагниченности металла
Феррозондовый преобразователь располагается перпендикулярно к поверхности контроля и перемещается оператором вручную последовательно вдоль сварного шва по всему периметру (отдельно по металлу шва и зонам термического влияния с обеих сторон шва) и затем перпендикулярно к сварному шву с отклонением от края шва на 30 - 50 мм в сторону основного металла трубы.
Второй оператор регистрирует в журнале данные контроля: напряженность магнитного поля

, со знаком плюс или минус. Скачкообразное изменение знака и величины поля

указывает на концентрацию остаточных напряжений по линии

, равной 0, для конкретного участка сварного соединения. Эти участки отмечают мелом или краской.
6.2. Контроль сварных соединений с использованием приборов, имеющих экран, регистрирующее и сканирующее устройства
На
рисунке 2 приведена схема контроля стыкового сварного соединения. Контроль осуществляют с помощью сканирующего устройства, состоящего из четырех феррозондовых преобразователей 1, 2, 3, 4 и счетчика измерения длины, встроенного в корпус тележки и позволяющего одновременно с измерением величин напряженности магнитного поля

выполнять измерение длины контролируемого участка. Преобразователи 1 и 3 располагают при контроле по зонам термического влияния с обеих сторон шва, а преобразователь 2 располагают между ними посередине.
1, 2, 3 - феррозондовые преобразователи сканирующего устройства для регистрации поля

на поверхности сварного шва; 4 - феррозондовый преобразователь для отстройки от внешнего магнитного поля; 5 - колеса привода измерителя длины;

- базовое расстояние между феррозондовыми преобразователями
Рисунок 2. Схема контроля стыковых сварных соединений труб
четырехканальным датчиком прибора
Перед началом контроля по каждому каналу измерений устанавливают шаг измерения поля

. Шаг измерения S или расстояние между двумя соседними точками контроля

по каждому каналу измерений не должны превышать толщину стенок, соединяемых сварным швом.
Базовое расстояние

между соседними преобразователями 1, 2 и 3 устанавливают в соответствии с размерами сварного шва и заносят в память прибора после измерений.
7.1. По результатам контроля методом МПМ определяют следующие параметры:
- градиент магнитного поля по каждому каналу измерений, вычисляемый по формуле
- градиент магнитного поля между каналами измерений, вычисляемый по формуле
- средние

и максимальные

значения по каждому каналу измерений на базовом расстоянии между каналами измерений;
- магнитный параметр m, характеризующий степень неоднородности напряженно-деформированного состояния и деформационную способность металла в ЗКН, вычисляемый по формуле
Магнитный параметр m изменяется в диапазоне не менее 1,05 - 3,0, в зависимости от качества сварного соединения.
Примечание. Указанные магнитные параметры определяют с использованием программного обеспечения используемого прибора.
7.2. Наиболее предрасположенными к развитию повреждений являются участки сварного шва, на которых зафиксировано максимальное разнополярное значение поля

между каналами измерений (максимальное значение

) или максимальное значение градиента поля по любому из каналов измерений. Эти участки соответствуют ЗКН и дефектам сварного соединения. Для выявления конкретных дефектов в ЗКН проводят дополнительный контроль традиционными методами (УЗД, рентген и т.д.).
7.3. По результатам контроля методом МПМ устанавливают участки для дополнительного контроля другими методами дефектоскопии.
7.4. В ЗКН со значением магнитного параметра не менее 2,0 делают шлифовку (или выборку металла) и повторный контроль методом МПМ.
7.5. Результаты выполненных измерений оформляют в виде заключения с приложением протокола. Форма протокола приведена в
Приложении A.
7.6. Пример обработки результатов контроля для прибора с цифровой индикацией магнитного поля

приведен в
Приложении B.
7.7. Пример обработки результатов контроля для прибора, имеющего регистрирующее и сканирующее устройства, приведен в
Приложении C. Расчеты показателей

,

,

и m выполняют с использованием программного обеспечения, которое входит в комплектацию прибора.
(рекомендуемое)
ПРОТОКОЛ РЕЗУЛЬТАТОВ КОНТРОЛЯ
Наименование предприятия _________________________
Наименование оборудования, тип ___________________
Номер формуляра, рисунка, схемы __________________
ПРОТОКОЛ N __________
"__" ____________
Наименование узла и объем контроля _______________
Наименование методики
или руководящего документа _______________________
Наименование прибора _____________________________
1. Результаты контроля
N | Место расположения ЗКН на формуляре (рисунке, схеме) сварного соединения | Экстремальные (min/max) значения поля  в ЗКН | Значение параметров контроля | Результат контроля другими методами (ЭМИТ, УЗК, МПД цветная и др.) | Примечание |
 всех ЗКН | | | m |
| | | | | | | | |
| | | | | | | | |
2. Выводы
Рекомендуемые для дополнительного
контроля и ремонта участки ЗКН ___________________
Контроль выполнил ________________________________
должность, ФИО
Удостоверение N
и квалификация специалиста _______________________
Дата контроля ____________________________________
(справочное)
ПРИМЕР ОПРЕДЕЛЕНИЯ ЗОН КОНЦЕНТРАЦИИ НАПРЯЖЕНИЙ ПРИБОРОМ
С ЦИФРОВОЙ ИНДИКАЦИЕЙ НАПРЯЖЕННОСТИ МАГНИТНОГО ПОЛЯ
На
рисунке B.1a показан пример распределения магнитного поля

по периметру стыкового соединения и в зоне концентрации остаточных напряжений (линия КН).
Для определения интенсивности напряжений вблизи линии КН (линии

) на равном расстоянии

от нее по обе стороны
(рисунок B.1b) измеряют величину

и определяют градиент величины

по длине

. Этот градиент, определенный по формуле

, характеризует магнитный коэффициент интенсивности остаточных напряжений

.
a - эпюра

по периметру стыка с концентрацией остаточных напряжений КН (в зонах 1 - 4, по линии

, равной 0); b - эпюра

вдоль нижней образующей трубы в зонах 1 и 2 максимальной концентрации напряжений
Рисунок B.1. Схема распределения магнитного поля

по периметру стыкового сварного соединения в зоне
концентрации остаточных напряжений
По результатам определения значений

для разных участков с зонами концентрации напряжений устанавливают максимальные его значения.
Например, для участка сварного соединения
(рисунок B.1b) значения

для зон 1 и 2 составляют:
для зоны 1:

для зоны 2:

Отсюда следует, что максимальное значение

находится в зоне 2.
(справочное)
ПРИМЕР ОПРЕДЕЛЕНИЯ ЗОН КОНЦЕНТРАЦИИ НАПРЯЖЕНИЙ ПРИБОРОМ,
ИМЕЮЩИМ РЕГИСТРИРУЮЩЕЕ И СКАНИРУЮЩЕЕ УСТРОЙСТВА
На
рисунке C.1 представлены результаты контроля кольцевого сварного шва N 1 толстостенного барабана (

, сталь аналогична марке 16 ГНМ) котла блока 110 МВт ТЭС.
b
Рисунок C.1. Распределение поля

вдоль сварного шва N 1
барабана котла блока 110 МВт ТЭС
На рисунке C.1 показано распределение поля

по периметру шва
(рисунок C.1a) и в развертке (рисунок C.1b), а также отмечены зоны максимальных КН, в которых поле

имеет знакопеременный и скачкообразный характер с максимальным значением dH/dx. Расчет

,

, ...,

,

проводили только для области сварного шва с зонами КН.