Главная // Актуальные документы // ГОСТ Р (Государственный стандарт)СПРАВКА
Источник публикации
М.: Стандартинформ, 2019
Примечание к документу
Документ
введен в действие с 01.08.2020.
Название документа
"ГОСТ Р МЭК 61869-5-2019. Национальный стандарт Российской Федерации. Трансформаторы измерительные. Часть 5. Дополнительные требования к емкостным трансформаторам напряжения"
(утв. и введен в действие Приказом Росстандарта от 30.10.2019 N 1074-ст)
"ГОСТ Р МЭК 61869-5-2019. Национальный стандарт Российской Федерации. Трансформаторы измерительные. Часть 5. Дополнительные требования к емкостным трансформаторам напряжения"
(утв. и введен в действие Приказом Росстандарта от 30.10.2019 N 1074-ст)
Утвержден и введен в действие
агентства по техническому
регулированию и метрологии
от 30 октября 2019 г. N 1074-ст
НАЦИОНАЛЬНЫЙ СТАНДАРТ РОССИЙСКОЙ ФЕДЕРАЦИИ
ТРАНСФОРМАТОРЫ ИЗМЕРИТЕЛЬНЫЕ
ЧАСТЬ 5
ДОПОЛНИТЕЛЬНЫЕ ТРЕБОВАНИЯ
К ЕМКОСТНЫМ ТРАНСФОРМАТОРАМ НАПРЯЖЕНИЯ
Instrument transformers. Part 5. Additional requirements
for capacitor voltage transformers
(IEC 61869-5:2011, IDT)
ГОСТ Р МЭК 61869-5-2019
Дата введения
1 августа 2020 года
1 ПОДГОТОВЛЕН Федеральным государственным унитарным предприятием "Всероссийский научно-исследовательский институт метрологической службы" (ФГУП "ВНИИМС") на основе собственного перевода на русский язык англоязычной версии стандарта, указанного в
пункте 4
2 ВНЕСЕН Техническим комитетом по стандартизации ТК 445 "Метрология учета энергоресурсов"
3 УТВЕРЖДЕН И ВВЕДЕН В ДЕЙСТВИЕ
Приказом Федерального агентства по техническому регулированию и метрологии от 30 октября 2019 г. N 1074-ст
4 Настоящий стандарт идентичен международному стандарту МЭК 61869-5:2011 "Трансформаторы измерительные. Часть 5. Дополнительные требования к емкостным трансформаторам напряжения" (IEC 61869-5:2011 "Instrument transformers - Part 5: Additional requirements for capacitor voltage transformers", IDT).
При применении настоящего стандарта рекомендуется использовать вместо ссылочных международных стандартов соответствующие им национальные и межгосударственные стандарты, сведения о которых приведены в дополнительном
приложении ДА
5 ВВЕДЕН ВПЕРВЫЕ
Правила применения настоящего стандарта установлены в статье 26 Федерального закона от 29 июня 2015 г. N 162-ФЗ "О стандартизации в Российской Федерации". Информация об изменениях к настоящему стандарту публикуется в ежегодном (по состоянию на 1 января текущего года) информационном указателе "Национальные стандарты", а официальный текст изменений и поправок -
в ежемесячном информационном указателе "Национальные стандарты". В случае пересмотра (замены) или отмены настоящего стандарта соответствующее уведомление будет опубликовано в ближайшем выпуске ежемесячного информационного указателя "Национальные стандарты". Соответствующая информация, уведомление и тексты размещаются также в информационной системе общего пользования -
на официальном сайте Федерального агентства по техническому регулированию и метрологии в сети Интернет (www.gost.ru)
Перечень серии стандартов МЭК 61869 под общим названием "Трансформаторы измерительные", разрабатываемых Техническим комитетом ТК МЭК 38, находится на электронном сайте МЭК: www.iec.ch. Обзор разрабатываемых/разработанных стандартов на дату публикации настоящего стандарта представлен ниже.
Серия, объединяющая стандарты МЭК | Разрабатываемый/разработанный стандарт МЭК | Наименование стандарта | Перерабатываемый стандарт МЭК |
| 61869-2 | Дополнительные требования к трансформаторам тока | 60044-1 60044-6 |
61869-3 | Дополнительные требования к индуктивным трансформаторам напряжения | 60044-2 |
61869-4 | Дополнительные требования к комбинированным трансформаторам | 60044-3 |
61869-5 | Дополнительные требования к емкостным трансформаторам напряжения | 60044-5 |
61869-1 | 61869-6 | 61869-7 | Дополнительные требования к электронным трансформаторам напряжения | 60044-7 |
Общие требования к измерительным трансформаторам | Дополнительные общие требования к измерительным преобразователям (трансформаторам) малой мощности |
61869-8 | Дополнительные требования к электронным трансформаторам тока | 60044-8 |
61869-9 | Цифровой интерфейс для измерительных трансформаторов |
61869-10 | Дополнительные требования к маломощным пассивным трансформаторам (преобразователям) тока |
61869-11 | Дополнительные требования к маломощным пассивным трансформаторам (преобразователям) напряжения | 60044-7 |
61869-12 | Дополнительные требования к комбинированным электронным измерительным трансформаторам или комбинированным отдельно стоящим датчикам | |
61869-13 | Требования к отдельно стоящему устройству сопряжения с шиной (сумматору сигналов) | |
В тексте настоящего стандарта ссылочные международные стандарты актуализированы.
Требования настоящего стандарта распространяются на емкостные трансформаторы напряжения для экспортных поставок.
Настоящий стандарт распространяется на однофазные емкостные трансформаторы напряжения, устанавливаемые между фазой и землей для линий электропередачи с номинальными напряжениями Um >= 72,5 кВ в диапазоне частот от 15 до 100 Гц. Трансформаторы предназначены для преобразования высокого напряжения в низкое напряжение для его подачи на оборудование с измерительными, контролирующими и защитными функциями.
Емкостные трансформаторы напряжения могут быть укомплектованы дополнительными приспособлениями для передачи высокочастотного сигнала на частотах от 30 до 500 кГц для применения на линиях электропередач с несущей частотой (PLC).
Основные требования для конденсаторов связи и емкостных делителей определены в МЭК 60358. Требования к передаче данных через устройства связи по линиям электропередач (PLC) определены в МЭК 60481.
Применение данных трансформаторов в целях измерения включает в себя как отображение измерений, так и коммерческий учет.
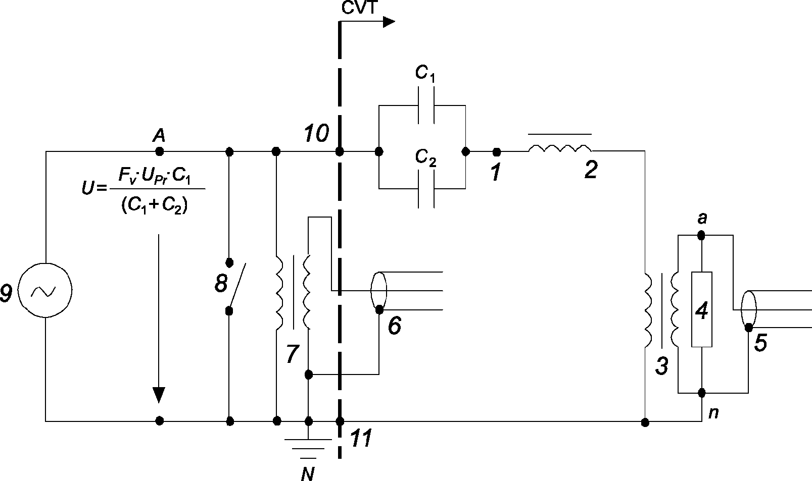
Примечание 501 - Диаграммы емкостного трансформатора напряжения, к которому применяется данный стандарт, представлены на
рисунках 5A.1 и
5A.2.
Раздел 2 МЭК 61869-1:2007 применяется со следующими дополнениями:
IEC 61869-1:2007, Instrument transformers - Part 1: General requirements (Трансформаторы измерительные. Часть 1. Общие требования)
IEC 60038 ed7.0 (2009-06), IEC standard voltages (Напряжения, нормированные по IEC)
IEC 60060-1, High-voltage test techniques - Part 1: General definitions and test requirements (Методы испытаний высоким напряжением. Часть 1. Общие определения и требования к испытаниям)
IEC 60050-436, International electrotechnical vocabulary - Chapter 436: Power capacitors (Международный электротехнический словарь. Глава 436. Силовые конденсаторы)
IEC 60050-601, International Electrotechnical Vocabulary - Chapter 601: Generation, transmission and distribution of electricity - General (Международный электротехнический словарь. Глава 601. Производство, передача и распределение электроэнергии. Общие положения)
IEC 60050-604, International Electrotechnical Vocabulary - Chapter 604: Generation, transmission and distribution of electricity - Operation (Международный электротехнический словарь. Глава 604. Получение, передача и распределение электроэнергии. Эксплуатация)
IEC 60358, Coupling capacitors and capacitor dividers (Конденсаторы разделительные и емкостные делители)
IEC 60481, Coupling devices for power line carrier systems (Устройства подключения каналов высокочастотной связи по линиям электропередачи)
В настоящем стандарте применены термины и определения по МЭК 61869-1 со следующими дополнениями:
3.1.501 емкостный трансформатор напряжения; ЕТН (capacitor voltage transformer, CVT): Трансформатор напряжения, состоящий из емкостного делителя и электромагнитного устройства, так спроектированных и связанных между собой, что напряжение вторичной обмотки всего трансформатора пропорционально первичному и смещение угла фазового сдвига от него близко к нулю для соответствующего типа подключения.
[МЭК 60050-321:1986, 321-03-14, измененный]
3.1.502 измерительный трансформатор напряжения (measuring voltage transformer): Трансформатор напряжения, предназначенный для передачи информационного сигнала к измерительным приборам, интегрирующим измерителям и другим подобным приборам.
[МЭК 60050-321:1986, 321-03-04, измененный]
3.1.503 защитный трансформатор напряжения (protective voltage transformer): Трансформатор напряжения, предназначенный для передачи информационного сигнала устройствам электрической защиты и управления.
[МЭК 60050-321:1986, 321-03-05]
3.1.504 вторичная обмотка (secondary winding): Обмотка, которая обеспечивает напряжением схему измерительных приборов, счетчиков, устройств защиты или управления.
[МЭК 60050-321:1986 МЭК, 321-01-07, измененный]
3.1.505 обмотка нулевой последовательности (residual voltage winding): Обмотка однофазного емкостного трансформатора напряжения, предназначенного для работы в группе трех однофазных трансформаторов, подключенных по схеме разомкнутого треугольника таким образом, чтобы получить напряжение нулевой последовательности в условиях короткого замыкания на землю.
[МЭК 60050-321:1986, 321-03-11]
3.1.506 диапазон рабочих температур емкостного трансформатора напряжения (rated temperature category of a capacitor voltage transformer): Диапазон температур атмосферного воздуха или охлаждающей среды, для которых предназначен ЕТН.
3.1.507 линейный ввод (line terminal): Терминал, предназначенный для подключения к проводнику сети.
[МЭК 60050-436:1986, 436-03-01]
3.1.508 феррорезонанс (ferro-resonance): Длительный резонанс в схеме, состоящей из емкости, нелинейно насыщаемой магнитной индуктивности и источника напряжения переменного тока, возбуждающего схему.
Примечание 501 - Феррорезонанс может быть инициирован операциями переключений в первичной или вторичной цепях.
3.1.509 переходная характеристика (transient response): Точность преобразования формы волны вторичного напряжения в сравнении с формой волны напряжения на клеммах высокого напряжения при переходных процессах в сети.
3.1.510 подключенный к напряжению емкостный трансформатор напряжения (voltage-connected CVT): Емкостный трансформатор напряжения, имеющий только одно высоковольтное соединение.
Примечание 501 - При нормальных условиях верхнее подключение передает только ток емкостного трансформатора напряжения.
3.1.511
подключенный к току емкостный трансформатор напряжения (current-connected CVT): Емкостный трансформатор напряжения, который имеет два высоковольтных соединения.
Примечание 501 - Клеммы и верхнее подключение предназначены для протекания тока сети при нормальных условиях.
3.1.512 емкостный трансформатор напряжения, подключенный через линейный фильтр (line trap-connected CVT): Емкостный трансформатор напряжения с линейным фильтром вверху.
3.1.513 конденсатор (capacitor): Устройство, имеющее две клеммы, характеризуемое в основном по его емкости.
[МЭК 60050-151:2001, 151-13-28]
3.1.514 (емкостный) элемент [(capacitor) element]: Устройство, состоящее по существу из двух электродов, разделенных диэлектриком.
[МЭК 60050-436:1986, 436-01-03]
3.1.515
(емкостный) модуль [(capacitor) unit]: Сборка одного емкостного элемента или более в одном корпусе с выведенными наружу клеммами.
[МЭК 60050-436:1986, 436-01-04]
Примечание 501 - Общий тип модулей для конденсаторов связи имеет цилиндрический корпус из изоляционного материала и металлические выводы, которые служат клеммами.
3.1.516 (емкостная) сборка [(capacitor) stack]: Последовательное подключение емкостных модулей.
[МЭК 60050-436:1986, 436-01-05]
Примечание 501 - Емкостные модули, как правило, устанавливают в вертикальной сборке.
3.1.517 емкостный делитель напряжения (capacitor voltage divider): Емкостная сборка, образующая делитель напряжения переменного тока.
[МЭК 60050-436:1986, 436-02-10]
3.1.518
номинальная емкость конденсатора (rated capacitance of a capacitor)
Cr: Значение емкости, на которую рассчитан конденсатор.
Примечание 501 - Это определение применяют:
- для емкостного модуля - к емкости между клеммами модуля;
- емкостной сборки - к емкости между клеммами высокого и низкого напряжения или между клеммами сети и земли;
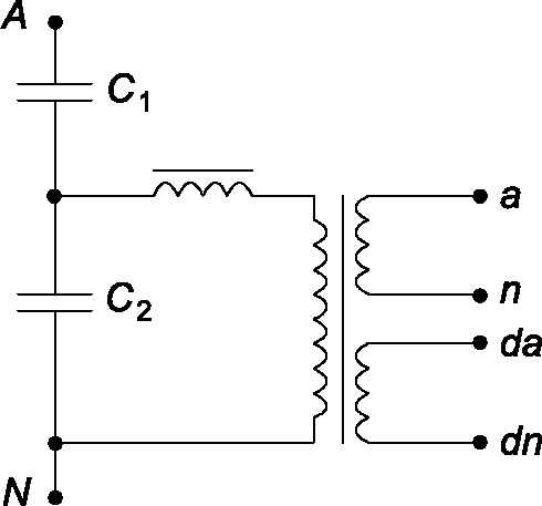
- емкостного делителя - к емкости, определяемой как Cr = C1·C2/(C1 + C2).
3.1.519 конденсатор связи (coupling capacitor): Конденсатор, используемый для передачи сигналов в энергосистеме.
[IEV 60050-436:1986, 436-02-11]
3.1.520 верхнее плечо емкостного делителя [high voltage capacitor (of a capacitor divider)] C1: Конденсатор, подключенный между клеммой высокого напряжения и промежуточной клеммой емкостного делителя.
[МЭК 60050-436:1986, 436-02-12]
3.1.521 нижнее плечо емкостного делителя [intermediate voltage capacitor (of a capacitor divider)] C2: Конденсатор, подключенный между промежуточным выводом и клеммой низкого напряжения делителя.
[МЭК 60050-436:1986, 436-02-13]
3.1.522 промежуточная клемма подключения емкостного делителя напряжения [intermediate voltage terminal (of a capacitor divider)]: Клемма, предназначенная для подключения к промежуточной схеме, например к электромагнитному устройству емкостного трансформатора напряжения.
[МЭК 60050-436:1986, 436-03-03]
3.1.523 клемма подключения нижнего плеча емкостного делителя напряжения (low voltage terminal of a capacitor divider): Клемма, предназначенная для подключения к контуру земли напрямую или через импеданс, значением которого можно пренебречь при частоте сети.
Примечание 501 - В конденсаторе связи эта клемма подключена к устройству, передающему сигнал.
[МЭК 60050-436:1986, C 436-03-04]
3.1.524 допустимое отклонение емкости (capacitance tolerance): Допустимое различие между фактической емкостью и номинальной емкостью при нормированных условиях.
[МЭК 60050-436:1986, 436-04-01]
3.1.525 эквивалентное последовательное сопротивление конденсатора (equivalent series resistance of a capacitor): Сопротивление, которое следует подключить последовательно с идеальным конденсатором, имеющим такую же емкость, как и реальный, который имел бы потери мощности, равные активной мощности рассеяния в реальном конденсаторе при нормированных условиях на высокой частоте.
3.1.526 высокочастотная емкость (конденсатора) (high frequency capacitance (of a capacitor)): Эффективная емкость при заданной частоте в результате объединенного влияния внутренней емкости и индуктивности конденсатора.
[МЭК 60050-436:1986, 436-04-03]
3.1.527 промежуточное напряжение емкостного делителя напряжения (intermediate voltage of a capacitor divider) UC: Напряжение между промежуточной клеммой емкостного делителя напряжения и клеммой подключения нижнего плеча емкостного делителя при подаче напряжения первичной обмотки между клеммами высокого и низкого напряжения или клеммами высокого напряжения и заземления.
3.1.528 коэффициент масштабного преобразования напряжения (емкостного делителя напряжения) (voltage ratio (of a capacitor divider)) KC: Отношение напряжения, приложенного к емкостному делителю, к напряжению на его промежуточной клемме, при разомкнутой вторичной цепи.
[МЭК 60050-436:1986, 436-04-05]
Примечание 501 - Это отношение соответствует сумме емкостей высокого напряжения и промежуточного напряжения, деленной на емкость конденсатора высокого напряжения: (C1 + C2)/C1 = KC.
Примечание 502 - C1 и C2 включают паразитные емкости, которые как правило, незначительны.
3.1.529 активные потери конденсатора (capacitor losses): Активная мощность, потребляемая конденсатором.
[МЭК 60050-436:1986, 436-04-10]
3.1.530
тангенс угла потерь конденсатора 
[tangent of the loss angle

of a capacitor]: Отношение между активной
Pa и реактивной
Pr мощностями:

.
3.1.531 температурный коэффициент емкости (temperature coefficient of capacitance) TC: Изменение значения емкости при указанном изменении температуры:

(3-1)

- изменение емкости при изменении температуры на

;
C20° - значение емкости, измеренное при температуре 20 °C.
Примечание 501 - Термин

согласно этому определению можно применять, только если емкость является приблизительно линейной функцией от температуры в рассматриваемом диапазоне. В противном случае температурную зависимость емкости следует изобразить на графике или в таблице.
3.1.532 паразитная емкость клеммы вывода низкого напряжения (stray capacitance of the low voltage terminal): Паразитная емкость между клеммой вывода низкого напряжения и клеммой заземления.
3.1.533 паразитная проводимость клеммы вывода низкого напряжения (stray conductance of the low voltage terminal): Паразитная проводимость между клеммой, предназначенной для подключения к выводу низкого напряжения, и клеммой, предназначенной для подключения к контуру земли.
Примечание 501 - В конденсаторе связи эта клемма подключена к устройству, передающему сигнал.
3.1.534 диэлектрик конденсатора (dielectric of a capacitor): Изоляционный материал между электродами.
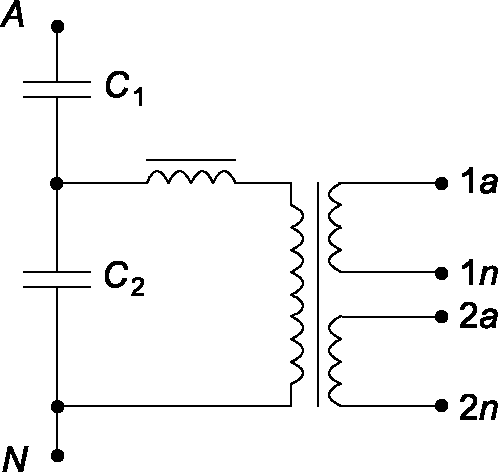
3.1.535 электромагнитное устройство (electromagnetic unit): Компонент емкостного трансформатора напряжения, подключаемый между клеммой промежуточного напряжения и клеммой заземления емкостного делителя напряжения [или возможно прямое подключение к заземлению при использовании устройств для передачи высокочастотного сигнала устройства связи несущей частоты (для передачи частотного сигнала)] и с которого выдается напряжение вторичной обмотки.
Примечание 501 - Электромагнитное устройство, как правило, представляет собой трансформатор для уменьшения промежуточного напряжения до значения, требуемого для напряжения вторичной обмотки, и компенсирующую индуктивность. Реактивное сопротивление

компенсирующей индуктивности должно быть приблизительно равным при номинальной частоте
fR, емкостному реактивному сопротивлению

двух частей делителя, подключенных параллельно. Компенсирующая индуктивность может быть встроена полностью или частично в трансформатор.
3.1.536 промежуточный трансформатор (intermediate transformer): Трансформатор напряжения, в котором напряжение вторичной обмотки при нормальных условиях эксплуатации пропорционально первичному напряжению.
3.1.537 компенсационная индуктивность (compensating inductance) L: Индуктивность, которая обычно подключается между промежуточной клеммой и клеммой высокого напряжения первичной обмотки промежуточного трансформатора или между клеммой заземления и клеммой заземления со стороны первичной обмотки промежуточного трансформатора или встроенной в первичную и вторичную обмотки промежуточного трансформатора.
Примечание 501 - Расчетное значение индуктивности:

.
3.1.538 демпфирующее устройство (damping device): Устройство, встраиваемое в электромагнитное устройство с целью:
a) ограничения перенапряжения, которое может возникнуть в одном компоненте или более;
b) или/и предотвращения длительного феррорезонанса;
c) или/и получения лучших переходных характеристик емкостного трансформатора напряжения.
3.1.539
частотно-передающее оборудование (устройства для передачи частотного сигнала) (carrier-frequency accessories): Элемент схемы, предназначенный для пропускания сигнала несущей частоты и подключенный между клеммами низкого напряжения емкостного делителя и землей. Образованный им импеданс несущественен на промышленной частоте, но существенен для несущей частоты (см.
рисунок 5A.2).
3.1.540 отводная катушка (фильтр присоединения) (drain coil): Индуктивность, которая встроена между клеммой вывода емкостного делителя напряжения и землей и импеданс которой мал на промышленной частоте, но имеет большое значение на несущей частоте.
3.1.541 элемент, ограничивающий напряжение (voltage limitation element): Элемент, встраиваемый в цепь отводной катушки (фильтра присоединения) или между клеммой низкого напряжения емкостного делителя напряжения и землей, для того чтобы ограничить переходные перенапряжения, которые могут возникать в отводной катушке (фильтре присоединения).
Примечание 501 - Пример возможных причин перенапряжения:
a) короткое замыкание между проводником высокого напряжения и землей;
b) если импульсное напряжение приложено между проводником высокого напряжения и землей;
c) операция по размыканию сети.
3.1.542 выключатель заземления (carrier earthing switch): Выключатель для заземления, при необходимости для клемм низкого напряжения.
3.2 Определения, относящиеся к электрическим параметрам и напряжениям
3.2.501
номинальное напряжение первичной обмотки (rated primary voltage)
UPr: Значение напряжения первичной обмотки, которое есть в обозначении трансформатора напряжения и на котором основаны его характеристики.
[МЭК 60050-321:1986, C 321-01-12]
3.2.502 номинальное напряжение вторичной обмотки (rated secondary voltage) USr: Значение напряжения вторичной обмотки, на которое спроектирован трансформатор напряжения и на котором основаны его характеристики.
[МЭК 60050-321:1986, C 321-01-16]
3.2.503 номинальный коэффициент напряжения FV (rated voltage factor): Коэффициент, на который следует умножить номинальное напряжение первичной обмотки, для того чтобы определить максимальное напряжение, при котором трансформатор должен отвечать соответствующим требованиям по температуре нагрева в течение установленного времени и соответствующим требованиям к точности.
[МЭК 60050-321:1986, C 321-03-12]
3.4 Определения, относящиеся к точности
3.4.3
погрешность коэффициента масштабного преобразования (ratio error)

: Применяют определение согласно 3.4.3 МЭК 61869-1:2007 со следующим дополнительным примечанием:
Примечание 501 - Это определение верно только для установившегося режима и только для составляющих первичного и вторичного напряжений, обусловленных номинальной частотой, и не принимает во внимание составляющие, обусловленные постоянным напряжением и напряжением нулевой последовательности.
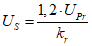
Погрешность напряжения:

(3-2)
где kr - номинальный коэффициент масштабного преобразования;
UP - фактическое напряжение первичной обмотки;
| | ИС МЕГАНОРМ: примечание. Текст дан в соответствии с официальным текстом документа. | |
US - фактическое напряжение вторичной обмотки, когда напряжение первичной обмотки приложено условиях измерения.
3.5 Определения, относящиеся к другим параметрам
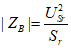
3.5.501 ограничение тепловой мощности (thermal limiting output): Значение полной мощности, выраженной в вольт-амперах при номинальном напряжении, которое может быть получено на вторичной обмотке, при номинальном первичном напряжении, без превышения пределов повышения температуры.
3.5.502 диапазон номинальной частоты (rated frequency range): Диапазон частоты, в котором определен номинальный класс точности.
3.7 Список сокращений и обозначений
Подраздел 3.7 МЭК 61869-1 заменен следующей таблицей:
IT | Измерительный трансформатор |
CT (ТТ) | Трансформатор тока |
VT (ТН) | Трансформатор напряжения |
CVT (ЕТН) | Емкостный трансформатор напряжения |
GIS | Комплектное распределительное устройство (коммутационная аппаратура) с газовой изоляцией (газовый выключатель) (Gas-Insulated Switchgear) |
AIS | Воздушный выключатель (Air-Insulated Switchgear) |
PLC | Канал линии электропередачи (ВЧ-тракт) |
k | Действительный коэффициент масштабного преобразования |
kr | Номинальный коэффициент масштабного преобразования |
| Погрешность коэффициента масштабного преобразования |
| Угол фазового сдвига |
Sr | Выходная мощность |
Usys | Максимальное напряжение сети |
Um | Максимальное напряжение для оборудования |
fR | Номинальная частота |
Frel | Относительная скорость утечки |
C1 | Высоковольтный конденсатор (верхнее плечо емкостного делителя) |
C2 | Конденсатор промежуточного напряжения (нижнее плечо емкостного делителя) |
Cr | Номинальная емкость конденсатора |
F | Механическая нагрузка |
FV | Номинальный коэффициент напряжения |
KC | Коэффициент масштабного преобразования емкостного делителя |
L | Компенсационная индуктивность |
| Тангенс угла диэлектрических потерь конденсатора |
TC | Температурный коэффициент емкости |
UC | Промежуточное напряжение емкостного делителя |
UP(t) | Действительное значение первичного напряжения |
UPr | Номинальное значение первичного напряжения |
US(t) | Действительное значение вторичного напряжения |
USr | Номинальное значение вторичного напряжения |
| Погрешность коэффициента масштабного преобразования |
В настоящем стандарте применяют требования раздела 5 МЭК 61869-1 со следующими изменениями.
Примечание 501 - Следует отметить, что дополнительные номиналы напряжения должны быть рассмотрены вместе с подразделом 5.2: высокое напряжение для оборудования, данное в
5.501; нормированные значения номинальных напряжений. При пересмотре МЭК 61869 в будущем расположение этого подраздела будет изменено.
5.3 Номинальные уровни прочности изоляции
5.3.3 Дополнительные требования к изоляции выводов первичной обмотки
5.3.3.1 Частичные разряды
В настоящем стандарте применяют требования 5.3.3.1 МЭК 61869-1 со следующим дополнением:
таблица 3 применима также к емкостным трансформаторам напряжения.
5.3.3.2 Срезанный грозовой импульс
В настоящем стандарте применяют требования 5.3.3.2 МЭК 61869-1 со следующим дополнением:
в случае ЕТН, емкостных делителей и конденсаторов связи это испытание является обязательным типовым испытанием с целью проверки конструкции внутренних последовательных подключений емкостных элементов.
5.3.3.3 Емкость и угол диэлектрических потерь
В настоящем стандарте применяют требования 5.3.3.3 МЭК 61869-1 со следующими изменениями:
5.3.3.3.501 Емкость на промышленной частоте
Емкость C модуля, сборки и емкостного делителя напряжения, измеренная при UPr и при окружающей температуре, не должна отличаться от номинальной емкости более чем на значение от минус 5% до плюс 10%. Отношение емкостей любых двух модулей, являющихся частью емкостной сборки, не должно отличаться более чем на 5% от взаимного отношения номинальных напряжений модулей.
5.3.3.3.502 Угол диэлектрических потерь конденсатора на промышленной частоте
Допустимые значения угла диэлектрических потерь, выраженного как

и измеренного при
UPr, следующие:
- бумажный - <= 5 x 10-3;
- смешанный - пленка-бумага-пленка и бумага-пленка-бумага <= 2 x 10-3;
- пленочный - <= 1 x 10-3.
Примечание 501 - Значения

для диэлектриков, которые пропитаны минеральным или синтетическим маслом при температуре 20 °C (293 К).
5.3.3.501 Вывод низкого напряжения емкостного делителя напряжения
Емкостные делители напряжения с выводом низкого напряжения должны быть испытаны в течение 1 мин напряжением между клеммами вывода низкого напряжения и заземления. Испытательное напряжение должно быть 4 кВ (среднеквадратическое).
5.3.3.502 Вывод низкого напряжения, находящийся под воздействием атмосферных влияний
Если вывод низкого напряжения будет подвергаться атмосферным влияниям, то он должен быть испытан напряжением 10 кВ, действующим в течение 1 мин между клеммами вывода низкого напряжения и заземления.
Во время этого испытания электромагнитное устройство не отключается.
Примечание 501 - Испытательные напряжения можно подавать на ЕТН как с установленным вспомогательным частотным оборудованием, так и без него, и с защитой от перенапряжения.
Если защитный разрядник между выводом низкого напряжения и землей является встроенным, то следует предотвратить его срабатывание во время испытания. Вспомогательное частотное оборудование должно быть отключено во время испытаний.
Если испытательное напряжение слишком мало для проверки изоляции вспомогательного частотного оборудования совместно с выводом низкого напряжения, то может быть согласовано более высокое значение по запросу покупателя.
5.3.5 Требования к изоляции выводов вторичной обмотки
В настоящем стандарте применяют требования 5.3.5 МЭК 61869-1 со следующими изменениями.
5.3.501 Требования к изоляции электромагнитного устройства
a) Номинальный прикладываемый грозовой импульс напряжения для электромагнитного устройства:
испытательное напряжение импульса

.
b) Номинальное кратковременное повышенное напряжение промышленной частоты электромагнитного устройства:
Примечание 501 -
Испытания a) могут быть выполнены на ЕТН в сборе (смонтированном в том виде, как он будет установлен при эксплуатации).
Примечание 502 - При
испытании b) электромагнитное устройство может быть отключено от емкостного делителя.
Примечание 503 - Коэффициент 3,3 установлен для всех значений
Um и покрывает худшие случаи. (Коэффициент

- корреляционный коэффициент между испытательным переменным напряжением промышленной частоты и
Um).
В настоящем стандарте применяют требования 5.4 МЭК 61869-1 со следующими изменениями.
Для измерительных классов точности номинальный частотный диапазон от 99% до 101% номинальной частоты.
Для защитных классов точности номинальный частотный диапазон от 96% до 102% номинальной частоты.
5.5.501 Нормированные значения номинальной выходной мощности
Рекомендуемые значения номинальной выходной мощности при коэффициенте мощности 1, выраженные в вольт-амперах:
1,0 - 2,5 - 5,0 - 10 ВА (ряд I).
При этом точность нормируется от 0% до 100% номинальной нагрузки.
Рекомендуемые значения номинальной выходной мощности при коэффициенте мощности 0,8, выраженные в вольт-амперах:
10 - 25 - 50 - 100 ВА (ряд II).
При этом точность нормируется от 25% до 100% номинальной нагрузки.
Примечание 501 - Трансформатор с одним из значений номинальной выходной мощности, из приведенных выше, является стандартным, и он ассоциируется с нормированным классом точности. Декларирование других значений номинальных мощностей, которые могут быть нестандартными и ассоциироваться с другими стандартизованными классами точности, не исключается.
5.5.502 Нормированные номинальные значения предельной тепловой мощности
Нормированные номинальные значения предельной тепловой мощности должны быть определены в вольт-амперах; рекомендуемые номинальные значения:
25 - 50 - 100 ВА
и их десятикратные произведения в соотношении с номинальным вторичным напряжением и с коэффициентом мощности 1.
Примечание 501 - При этих условиях пределы погрешности могут быть превышены.
Примечание 502 - В случае нескольких вторичных обмоток значения предельной тепловой мощности должны быть указаны отдельно для каждой обмотки.
Примечание 503 - Нормированные номинальные значения предельной тепловой мощности определяют и проверяют на одной обмотке, при этом другие обмотки разомкнуты; поэтому если планируется одновременно нагружать номинальной предельной тепловой мощностью несколько обмоток, то это должно быть согласовано или/и рассмотрено с изготовителем (см. также
7.2.2.501).
5.5.503 Нормированные значения номинальной мощности вторичных обмоток напряжения нулевой последовательности
Нормированные значения номинальной мощности обмоток, предназначенных для подключения в схеме с разомкнутым треугольником к типовым обмоткам, для подачи напряжения нулевой последовательности, должны быть нормированы в вольт-амперах, и значение должно быть выбрано из значений, указанных в
5.5.501.
5.5.504 Нормированные номинальные значения предельной тепловой мощности вторичных обмоток напряжения нулевой последовательности
Для вторичных обмоток напряжения нулевой последовательности предпочтительное значение продолжительности номинальной предельной тепловой мощности составляет 8 ч с номинальным коэффициентом напряжения.
Примечание 501 - Так как напряжение нулевой последовательности возникает в схеме с разомкнутым треугольником дополнительных обмоток только в условиях неисправности (при коротком замыкании), то эти обмотки нагружены только во время неисправности (короткого замыкания).
5.6 Нормированные классы точности
5.6.501 Измерительные емкостные трансформаторы напряжения
5.6.501.1 Обозначение класса точности измерительных емкостных трансформаторов напряжения
Для измерительного ЕТН класс точности определен самой большой допустимой погрешностью напряжения в процентном отношении при номинальном напряжении и с номинальной нагрузкой, нормированной для выбранного класса точности.
5.6.501.2 Нормированные классы точности измерительных емкостных трансформаторов напряжения
Нормированные классы точности для однофазных измерительных ЕТН следующие:
0,2 - 0,5 - 1,0 - 3,0.
5.6.501.3 Пределы погрешности напряжения и угол фазового сдвига измерительных емкостных трансформаторов напряжения
Погрешность напряжения и угол фазового сдвига не должны превышать значений, приведенных в
таблице 501 (см. также
рисунок 501) для соответствующего класса точности при любом значении температуры и частоты в пределах допуска нормальных значений и нагрузками от 0% до 100% номинального значения (для ряда I) или с нагрузкой от 25% до 100% номинального значения (для ряда II). Погрешности должны быть определены на клеммах ЕТН и учитывать влияние предохранителей или резисторов в том случае, если они являются составной частью ЕТН.
Таблица 501
Пределы погрешности напряжения и угла фазового сдвига
для измерительных емкостных трансформаторов напряжения
Класс точности | Погрешность напряжения (коэффициента масштабного преобразования)  , +/- % | Угол фазового сдвига |
+/- мин | +/- срад |
0,2 | 0,2 | 10 | 0,3 |
0,5 | 0,5 | 20 | 0,6 |
1,0 | 1,0 | 40 | 1,2 |
3,0 | 3,0 | Не нормируется | Не нормируется |
Примечание 501 - Входная нагрузка от применяемого прибора сравнения должна составлять малое значение (~0) (т.е. входное сопротивление очень высокое).
Примечание 502 - Коэффициент мощности номинальной нагрузки в соответствии с
5.5.
Примечание 503 - Для ЕТН, имеющих две вторичные обмотки или более, если одна из обмоток нагружена только иногда в течение коротких периодов или используется только в качестве обмотки напряжения нулевой последовательности, то ее влияние на другие обмотки незначительно.
Рисунок 501 - Диаграмма погрешности емкостного
трансформатора напряжения для классов
точности 0,2; 0,5 и 1,0
Для трансформаторов с отводами на вторичной обмотке требования к точности относятся к наибольшему значению коэффициента масштабного преобразования, если другое не определено.
5.6.502 Требования к точности защитных емкостных трансформаторов напряжения
5.6.502.1 Обозначение класса точности защитных емкостных трансформаторов напряжения
| | ИС МЕГАНОРМ: примечание. В официальном тексте документа, видимо, допущена опечатка: пункт 5.3.503 отсутствует. | |
Класс точности для защитного ЕТН определен самой высокой допустимой погрешностью напряжения, выраженной в процентах, для заданного класса точности в диапазоне от 5% номинального напряжения до напряжения, соответствующего номинальному коэффициенту напряжения (см. 5.3.503). К числу прибавляется буква "Р" (см. таблицу 502).
Таблица 502
Пределы погрешности напряжения и угла фазового сдвига
для защитных емкостных трансформаторов напряжения
Классы защиты | % от номинального напряжения |
2 | 5 | 100 | X | 2 | 5 | 100 | X | 2 | 5 | 100 | X |
Погрешность напряжения (коэффициента масштабного преобразования) , +/- % | Угол фазового сдвига  , +/- мин | Угол фазового сдвига  , +/- срад |
3Р | 6,0 | 3,0 | 3,0 | 3,0 | 240 | 120 | 120 | 120 | 7,0 | 3,5 | 3,5 | 3,5 |
6Р | 12,0 | 6,0 | 6,0 | 6,0 | 480 | 240 | 240 | 240 | 14,0 | 7,0 | 7,0 | 7,0 |
Примечание - X = FV·100 (номинальный коэффициент напряжения, умноженный на 100). |
В
6.503.3 введены три дополнительных класса для переходной характеристики: Т1, Т2 и Т3. Это обозначение должно следовать за обозначением класса точности. Класс 3РТ1, например, включает исполнение класса точности 3Р и класса переходной характеристики Т1 (см.
таблицу 507).
5.6.502.2 Нормированные классы точности защитных емкостных трансформаторов напряжения
Нормированные классы точности для защитных ЕТН - 3Р и 6Р.
5.6.502.3 Пределы погрешности напряжения и угол фазового сдвига защитных емкостных трансформаторов напряжения
Погрешность напряжения и угла фазового сдвига не должна превышать значений, приведенных в
таблице 502 для соответствующего класса точности при 2% и 5% номинального напряжения и при номинальном напряжении, умноженном на номинальный коэффициент напряжения (1,2; 1,5 или 1,9), и при любом значении температуры и частоты в пределах области нормальных значений с нагрузками от 0% до 100% номинального значения (для ряда I) или с нагрузкой от 25% до 100% номинального значения (для ряда II).
Примечание 501 - Коэффициент мощности номинальной нагрузки в соответствии с
5.5.
Примечание 502 - Когда трансформаторы имеют различные пределы погрешностей при 5% номинального напряжения и при верхнем пределе напряжения (например, напряжение, соответствующее номинальному коэффициенту напряжения 1,2; 1,5; 1,9), то это должно быть согласовано между изготовителем и покупателем.
5.6.502.4 Обозначение класса точности для вторичной обмотки защитного ЕТН, предназначенного для подачи напряжения нулевой последовательности
Класс точности для обмотки напряжения нулевой последовательности должен быть 3Р или 6Р согласно
5.6.502.3.
5.501 Нормированные номинальные значения напряжений
5.501.1 Нормированные номинальные значения напряжений первичной обмотки UPr
Нормированные номинальные значения напряжений первичной обмотки ЕТН, включенного между одной из линий трехфазной системы и землей или нейтральной точкой сети и землей, должны быть в

раза менее значения номинального линейного напряжения.
Рекомендуемые нормированные значения приведены в МЭК 60038.
Примечание 501 - Тип исполнения ЕТН (измерительный или защитный) основан на номинальном первичном напряжении UPr, тогда как номинальный уровень изоляции основан на одном из самых высоких напряжений для оборудования Um в соответствии с МЭК 60071-1.
5.501.2 Нормированные номинальные значения напряжений вторичной обмотки USr
Номинальное напряжение вторичной обмотки USr должно быть выбрано согласно местной практике применения трансформатора. Значения, приведенные ниже, считают стандартными значениями для ЕТН, включенных между одной из фаз и землей в трехфазной системе:
1)

и

;
2) в некоторых странах -

.
5.501.3 Нормированные номинальные значения напряжений вторичных обмоток нулевой последовательности
Номинальные вторичные напряжения обмоток, предназначенных для подключения в схему с разомкнутым треугольником для однотипных обмоток и используемых для получения напряжения нулевой последовательности, приведены в таблице 503.
Таблица 503
Номинальные вторичные напряжения нулевой последовательности
для емкостных трансформаторов напряжения
Рекомендуемые значения, В | Альтернативные значения (непредпочтительные), В |
100 | 110 | 200 |
| | ИС МЕГАНОРМ: примечание. Значение в графе "110" дано в соответствии с официальным текстом документа. | |
|
| | |
| | |
Примечание - Если состояние системы не позволяет использовать рекомендуемые значения номинальных вторичных напряжений нулевой последовательности, так как они малы, то могут быть использованы непредпочтительные значения, но следует обратить внимание на необходимость принятия мер предосторожности для обеспечения безопасности. |
5.501.4 Нормированные номинальные значения коэффициента напряжения
Коэффициент напряжения определен максимальным рабочим напряжением, которое, в свою очередь, определяет схему заземления сети.
Нормированные номинальные значения коэффициентов напряжения, соответствующие различным схемам заземления, приведены в таблице 504. Также в этой таблице представлены требования к допустимой продолжительности прикладывания максимального рабочего напряжения (т.е. номинальное допустимое время).
Таблица 504
Нормированные номинальные значения коэффициентов
напряжения для определения требований
к точности и для требований по нагреву
Номинальный коэффициент напряжения FV | Номинальное время | Метод подключения первичных клемм и схема заземления сети |
1,2 | Продолжительное | Между фазой и землей в системах с эффективно заземленной нейтралью (см. 3.2.7 a МЭК 61869-1) |
1,5 | 30 с |
1,2 | Продолжительное | Между фазой и землей в системах с неэффективно заземленной нейтралью (см. 3.2.7 b МЭК 61869-1) с автоматическим отключением при обрыве проводника |
1,9 | 30 с |
1,2 | Продолжительное | Между фазой и землей в системах с изолированной нейтралью (см. 3.2.4 МЭК 61869-1) без автоматического отключения при обрыве проводника или в сети с заземлением нейтрали через дугогасящий реактор (см. 3.2.5 МЭК 61869-1) без автоматического отключения при обрыве проводника |
1,9 | 8 ч |
Примечание 1 - Уменьшенное номинальное время допустимо по соглашению между изготовителем и пользователем. Примечание 2 - Требования к точности и требования к нагреву ЕТН основаны на первичном номинальном напряжении, тогда как номинальный уровень изоляции основан на максимальном напряжении для оборудования Um (МЭК 60071-1). Примечание 3 - Максимальное рабочее напряжение ЕТН должно быть ниже или равным максимальному напряжению для оборудования  , или номинальному первичному напряжению UPr, умноженному на номинальный коэффициент трансформации 1,2 для продолжительной работы (выбирают меньшее). |
6 Требования к конструкции
В настоящем стандарте применяют требования раздела 6 МЭК 61869-1 со следующими изменениями.
6.1 Требования к жидким диэлектрикам, применяемым для электрооборудования
6.1.4 Герметизация жидкого диэлектрика
6.1.4.501 Герметичность емкостного делителя напряжения
Емкостной модуль или сборка емкостного делителя напряжения должны быть герметичными во всем диапазоне температур для выбранной температурной категории.
6.1.4.502 Герметичность электромагнитного устройства
Электромагнитное устройство должно быть герметичным во всем диапазоне температур для выбранной температурной категории.
6.7 Требования к механической прочности
В настоящем стандарте применяют требования раздела 6.7 МЭК 61869-1 со следующими изменениями.
Примечание 501 - Это требование не относится к подвесным ЕТН.
Примечание 502 - Система подвески ЕТН или емкостного делителя должна быть так разработана, чтобы противостоять силе растяжения по крайней мере с запасом прочности 2,5, умноженным на 9,81 в зависимости от массы (в килограммах) ЕТН или емкостного делителя для того, чтобы получить соответствующую силу, выраженную в Ньютонах.
Примечание 503 - Если ЕТН еще используется для поддержания высокочастотного заградителя, то должны быть согласованы другие испытательные нагрузки между изготовителем и заказчиком.
6.8 Требования к стойкости к многократным срезанным грозовым импульсам напряжения на выводах первичной обмотки
Требования подраздела 6.8 не применяют для ЕТН.
6.9 Требования к защите от электрической дуги при внутреннем коротком замыкании
Требования подраздела 6.9 не применяют для ЕТН.
В настоящем стандарте применяют требования подраздела 6.13 МЭК 61869-1 со следующими изменениями.
Следующая информация должна быть представлена в табличке с паспортными данными каждого емкостного модуля:
1) изготовитель;
2) серийный номер и год изготовления;
3) номинальная емкость Cr, выраженная в пикофарадах.
6.13.501 Маркировка вводов и выводов
Рисунок 502 - ЕТН с одной вторичной обмоткой
Рисунок 503 - ЕТН с двумя вторичными обмотками
Рисунок 504 - ЕТН с двумя секционированными
вторичными обмотками
Рисунок 505 - ЕТН с одной обмоткой напряжения
нулевой последовательности и одной вторичной обмоткой
6.13.502 Маркировка таблички с паспортными данными
Маркировка таблички с паспортными данными приведена в таблице 505.
Таблица 505
Маркировка таблички с паспортными данными
N | Параметры | Сокращение | M - ЕТН | (M + P): ЕТН | Раздел/подраздел |
1 | Наименование изготовителя или товарный знак | | X | X | 6.13 (a) МЭК 61869-1 |
2 | Объект: ЕТН | | X | X | 6.13 (b) МЭК 61869-1 |
3 | Тип, обозначение | | X | X | 6.13 (b) МЭК 61869-1 |
4 | Год изготовления | | X | X | 6.13 (b) МЭК 61869-1 |
5 | Серийный номер | | X | X | 6.13 (b) МЭК 61869-1 |
6 | Максимальное напряжение для оборудования | Um, кВ | X | X | 6.13 (d) МЭК 61869-1 |
7 | Номинальный уровень изоляции, основанный на Um SIL/BIL/AC и т.д. Um < 300 кВ Um > 300 кВ | | X | X | 6.13 (e) МЭК 61869-1 |
8 | Номинальная частота | fR, Гц | X | X | |
| | ИС МЕГАНОРМ: примечание. В официальном тексте документа, видимо, допущена опечатка: пункт 5.3.503 отсутствует. | |
|
9 | Номинальный коэффициент напряжения, длительное время работы, короткое время работы | FV | | | |
X X | X X | 5.3.503 |
10 | Номинальная емкость емкостного делителя | Cr, пФ | X | X | |
11 | Номинальная емкость верхнего высоковольтного конденсатора | C1, пФ | X | X | |
12 | Номинальная емкость нижнего конденсатора | C2, пФ | X | X | |
13 | Число емкостных модулей | | X | X | |
14 | Серийный номер емкостных модулей | | X | X | 6.13 (b) МЭК 61869-1 |
15 | Климатическое исполнение (категория окружающей температуры) | | X | X | 6.13 (f) МЭК 61869-1 |
16 | Емкостной делитель: изоляционное масло (минеральное или синтетическое) | Тип Масса, кг | X | X | |
17 | Электромагнитное устройство: изоляционное масло (минеральное или синтетическое) | Тип Масса, кг | X | X | |
18 | Масса ЕТН в сборе | кг | X | X | 6.13 (g) МЭК 61869-1 |
19 | Редакция стандарта (год) | МЭК 61869-5 (200X) | X | X | - |
20 | Ток I: подключение A1 - A2 | I, А A1 - A2 | X | X | |
21 | Номинальное напряжение первичной обмотки и обозначение выводов | A - N UPr, В | X | X | |
22 | Обозначение выводов каждой вторичной обмотки | 1a - 1n 2a - 2n 3a - 3n | X | X | |
23 | Напряжение каждой вторичной обмотки | USr, В | X | X | 5.3.502.2 |
24 | Значение номинальной нагрузки | ВА | X | X | |
25 | Класс точности | M | X | | |
26 | Класс точности | M P | X | X | |
27 | Наибольшая одновременная нагрузка для обмоток ЕТН в сборе в соответствии с классом точности | ВА M | X | | |
| |
| | ВА P | | X | |
| | ВА M | | X | |
ВА P | | X | |
28 | Предельная мощность | ВА | X | X | |
29 | Класс переходной характеристики | | | X | |
30 | Вспомогательное частотное оборудование: | | | | |
отводная катушка (фильтр присоединения) | мГн | X | X | |
устройство ограничения перенапряжений BIL 1,2/50 мкс | кВ | X | X | |
Примечание 1 - Значение сокращений: M - измерительный; P - защитный; (M + P) - измерительный и защитный; BIL - уровень изоляции основного импульса (ссылка на 5.2 таблицы 2, графа 3 МЭК 61869-1); SIL - уровень коммутационного импульса (ссылка на 5.2 таблицы 2, графа 4 МЭК 61869-1). Примечание 2 - Все, что касается вспомогательного частотного оборудования, может быть отображено на дополнительной табличке. |
Для трансформаторов напряжения, относящихся к диапазону нагрузок I, эти параметры должны быть отображены прямо перед обозначением нагрузки (например, 0 - 10 ВА класс 0,2).
Пример типовой таблички с паспортными данными представлен на
рисунке 506.
Рисунок 506 - Пример типовой таблички с паспортными данными
6.501 Устойчивость к короткому замыканию
ЕТН должен быть спроектирован и сконструирован таким образом, чтобы выдерживать без повреждений механические, электрические и тепловые влияния при номинальном напряжении от внешнего короткого замыкания вторичной(ых) обмотки(ок) в течение 1 с.
6.502.1 Общие положения
ЕТН должен быть спроектирован и сконструирован таким образом, чтобы не допускать длительных феррорезонансных колебаний.
6.502.2 Переходные характеристики феррорезонансных колебаний
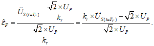
Переходные характеристики феррорезонансных колебаний максимальной мгновенной погрешности рассчитывают по формуле
То есть определяют максимальную мгновенную погрешность

за время
TF после начала колебаний,
где

- максимальная мгновенная погрешность;

- напряжение вторичной обмотки (пиковое);
UP - напряжение первичной обмотки (среднеквадратическое);
UPr - номинальное напряжение первичной обмотки (среднеквадратическое);
kr - коэффициент трансформации;
TF - длительность феррорезонанса;
t - продолжительность испытаний на устойчивость к феррорезонансу.
После начала феррорезонанса ЕТН от операций переключения или от переходных характеристик на первичных или вторичных выводах, феррорезонансные колебания не должны быть продолжительными при любом напряжении ниже
FV·
UPr и при любой нагрузке от 0 и до номинальной. Максимальная мгновенная погрешность

для нормированной продолжительности
TF представлена в
таблицах 506a и
506b:
a) система с эффективно заземленной нейтралью (см. 4.4 МЭК 61869-1).
Таблица 506a
Требования к мгновенной погрешности при феррорезонансе
Напряжение первичной обмотки (среднеквадратическое) | Длительность колебаний феррорезонанса TF, с | Погрешность  после длительности TF, % |
0,8·UPr | <= 0,5 | <= 10 |
1,0·UPr | <= 0,5 | <= 10 |
1,2·UPr | <= 0,5 | <= 10 |
1,5·UPr | <= 2 | <= 10 |
b) система с неэффективно заземленной нейтралью или система с изолированной нейтралью (см. 4.4 МЭК 61869-1).
Таблица 506b
Требования к мгновенной погрешности при феррорезонансе
Напряжение первичной обмотки UP (среднеквадратическое) | Длительность колебаний феррорезонанса TF, с | Погрешность  после длительности TF, % |
0,8·UPr | <= 0,5 | <= 10 |
1,0·UPr | <= 0,5 | <= 10 |
1,2·UPr | <= 0,5 | <= 10 |
1,9·UPr | <= 2 | <= 10 |
6.503 Требования к переходной характеристике
6.503.1 Общие положения
Переходная характеристика представлена отношением напряжения вторичной обмотки
US(
t) при нормированном времени
TS после возникновения первичного короткого замыкания к амплитудному значению напряжения вторичной обмотки

перед моментом короткого замыкания. Напряжение вторичной обмотки
US =
US(
t) после возникновения первичного короткого замыкания напряжения
UP =
UP(
t) может быть представлено графически (см. рисунок 507).
1 - короткое замыкание UP(t); 2 - апериодическое
демпфирование US(t); 3 - периодическое демпфирование US(t)
Рисунок 507 - Переходная характеристика
емкостного трансформатора напряжения
6.503.2 Требования к переходной характеристике
После короткого замыкания в цепи питания между вводом высокого напряжения фазы
A и выводом низкого напряжения фазы
N, подключенным к земле, напряжение вторичной обмотки ЕТН должно падать в границах требуемого времени
TS до указанного значения пикового напряжения, выраженного в процентах от напряжения, установившегося перед возникновением короткого замыкания (см.
рисунок 507).
6.503.3 Нормированные классы переходной характеристики
Классы переходной характеристики определены в таблице 507.
Таблица 507
Нормированные значения и классы переходной характеристики
Время TS, с | Отношение  |
Классы |
3РТ1 6РТ1 | 3РТ2 6РТ2 | 3РТ3 6РТ3 |
10·10-3 | - | <= 25 | <= 4 |
20·10-3 | <= 10 | <= 10 | <= 2 |
40·10-3 | < 10 | <= 2 | <= 2 |
60·10-3 | < 10 | <= 0,6 | <= 2 |
90·10-3 | < 10 | <= 0,2 | <= 2 |
Примечание 1 - Для указанных классов переходная характеристика напряжения вторичной обмотки US(t) может быть апериодического или периодического затухания, и для этих процессов может быть использовано надежное демпфирующее устройство. Примечание 2 - ЕТН для переходных характеристик классов 3РТ3 и 6РТ3 требуют использования демпфирующего устройства. Примечание 3 - Другие значения соотношения и времени TS могут быть согласованы между изготовителем и заказчиком. Примечание 4 - Выбор класса переходной характеристики зависит от особенностей релейной защиты. |
Типовое испытание на соответствие переходной характеристике должно быть проведено согласно
7.2.504.
Если использовано демпфирующее устройство, доказательство надежности этого устройства должно быть частью соглашения между изготовителем и заказчиком.
6.504 Требования к вспомогательному частотно-передающему оборудованию
6.504.1 Общие положения
Вспомогательное частотно-передающее оборудование, включая отводную катушку (фильтр присоединения) и защитное устройство, должно быть связано с выводом низкого напряжения емкостного делителя напряжения и выводом заземления. Типичные соединители изображены на
рисунке 5A.2.
Когда вспомогательное частотно-передающее оборудование подключено в разрыв провода заземления конденсатора нижнего плеча делителя напряжения, точность ЕТН должна оставаться в пределах указанного класса точности (см.
рисунок 5A.2).
Требования для устройства связи в сборке определены в МЭК 60481.
6.504.2 Отводная катушка (фильтр присоединения)
Отводная катушка (фильтр присоединения) должна быть спроектирована таким образом, чтобы:
a) импеданс на промышленной частоте между первичными выводами и выводами заземления устройства связи должен быть настолько низким, насколько возможно, и ни при каких обстоятельствах не превышать

;
b) устойчивость к воздействию тока на промышленной частоте следующая:
- продолжительное воздействие: 1 А (среднеквадратическое),
- кратковременный ток: 50 А (среднеквадратическое) в течение 0,2 с;
c) отводная катушка (фильтр присоединения) должна выдерживать напряжение импульса длительностью 1,2/50 мкс, амплитудное значение которого вдвое превышает напряжение срабатывания устройства ограничения напряжения.
6.504.3 Устройство ограничения напряжения
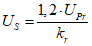
Устройством ограничения напряжения может быть искровой или другой вид разрядника, имеющего напряжение срабатывания на промышленной частоте USP в 10 раз более максимального напряжения переменного тока на клеммах фильтра присоединения во время номинальных режимов эксплуатации.
Напряжение USP рассчитывают по формуле:
где LD - значение индуктивности фильтра присоединения, Гн.
Примечание 501 - Пример уровня изоляции:
a) Повышенное напряжение промышленной частоты:
- искровой: 2 кВ (среднеквадратическое);
- вентильный разрядник с искровым промежутком: номинальное напряжение приблизительно 1 кВ (среднеквадратическое).
b) Импульсное повышенное напряжение:
- воздушный искровой разрядник и вентильный разрядник с искровым промежутком при испытательном импульсном напряжении приблизительно 4 кВ с формой волны 8/20 мкс должны выдерживать пиковый ток по крайней мере в 5 кА.
Примечание 502 - Только воздушный искровой разрядник или вентильный разрядник с искровым промежутком подходит для этого применения.
В настоящем стандарте применяют требования раздела 7 МЭК 61869-1 со следующими изменениями.
Перечень испытаний, приведенный в таблице 10 МЭК 61869-1, заменен новым.
Таблица 10
Перечень испытаний
Вид испытания | Структурный элемент стандарта |
Типовые испытания | |
Испытание на превышение температуры | |
Испытание первичных вводов срезанным грозовым импульсом напряжения | |
Испытание первичных вводов импульсным напряжением | |
Испытание трансформаторов для наружной установки на воздействие влажности | |
Испытание на электромагнитную совместимость | 7.2.5 |
Испытание на соответствие классу точности | |
Проверка степени защиты, обеспечиваемой оболочкой (корпусом) | 6.10 |
Испытание на герметичность оболочки (корпуса) при температуре окружающего воздуха | |
Испытание оболочки (корпуса) давлением | 7.2.9 |
Измерение емкости и  при напряжении промышленной частоты | |
Испытание на способность выдерживать ток короткого замыкания | |
Испытание на устойчивость к феррорезонансу | |
Испытание на устойчивость к переходным характеристикам (для защитных емкостных трансформаторов) | |
Испытание вспомогательного частотно-передающего оборудования | |
Приемо-сдаточные испытания | |
Испытание первичных вводов повышенным напряжением промышленной частоты | |
Измерение уровня частичных разрядов | |
Испытание межсекционной изоляции повышенным напряжением промышленной частоты | 7.3.3 |
Испытание вторичных выводов повышенным напряжением промышленной частоты | 7.3.4 |
Испытание на соответствие классу точности | |
Проверка маркировки | 7.3.6 |
Испытание на герметичность оболочки (корпуса) при температуре окружающего воздуха | |
Испытание оболочки (корпуса) давлением | |
Испытание на устойчивость к феррорезонансу | 7.3.501 |
Приемо-сдаточные испытания вспомогательного частотно-передающего оборудования | 7.3.502 |
Измерение электрической емкости и тангенса угла диэлектрических потерь ( C и  ) | |
Специальные испытания | |
Испытание на передаваемые перенапряжения | 7.4.4 |
Испытание на механическую прочность | 7.4.5 |
Испытание оболочки (корпуса) на герметичность при низких и высоких температурах | 7.4.7 |
Определение температуры точки росы газа | 7.4.8 |
Испытание на коррозионную стойкость | 7.4.9 |
Испытания на пожаробезопасность | 7.4.10 |
Определение температурного коэффициента (TC) | |
Испытание на герметичность емкостных модулей | |
Выборочные испытания | 7.5 |
7.1.3 Последовательность испытаний
Пункт 7.1.3 МЭК 61869-1 заменен следующим текстом:
Последовательность испытаний описывает одно или два вида оборудования.
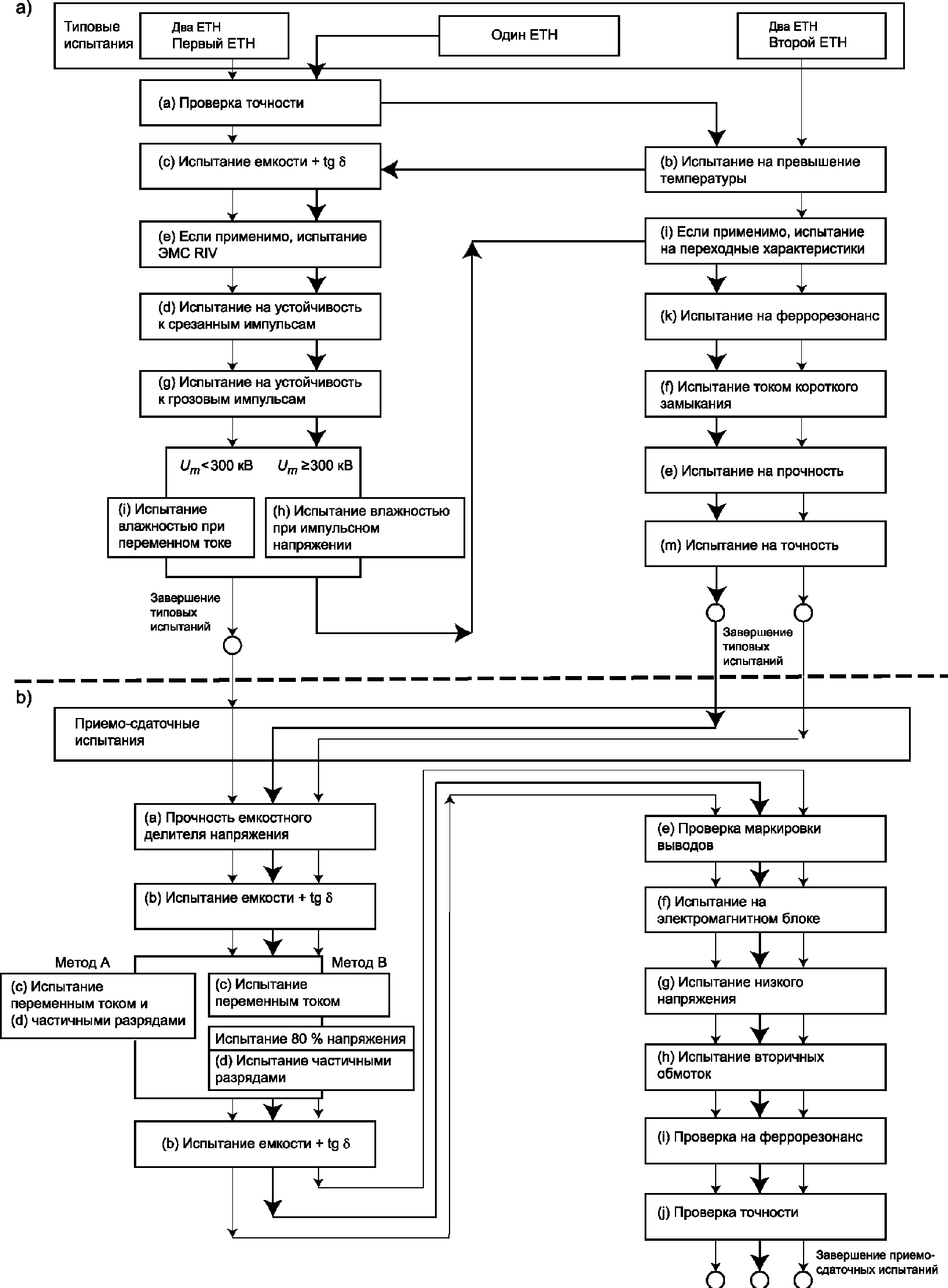
Испытательную последовательность блок-схемы следует считать обязательной (см. a и b
рисунка 508).
Примечание 501 - Допускаются небольшие изменения в последовательности испытаний при согласовании между изготовителем и заказчиком.
Рисунок 508 - Блок-схема последовательности испытаний,
применяемая при типовых испытаниях
(a) и приемо-сдаточных испытаниях (b)
Повторные испытания напряжением промышленной частоты должны быть выполнены при 80% от нормированного испытательного напряжения. Типовые испытания могут быть выполнены на одном или двух емкостных трансформаторах напряжения согласно последовательности блок-схемы, приведенной на
рисунке 508.
7.2.2 Испытание на превышение температуры
В настоящем стандарте применяют требования 7.2.2 МЭК 61869-1 со следующими изменениями.
7.2.2.501 Испытание на превышение температуры на вторичных обмотках, предназначенных для измерения или защиты
Испытание может быть выполнено на ЕТН в сборе или только на электромагнитном устройстве отдельно. Когда испытание проведено на ЕТН в сборе, то напряжение первичной обмотки UP должно быть установлено в соответствии с таблицей 2 МЭК 61869-1.
Когда испытание проведено на электромагнитном устройстве, промежуточный трансформатор должен быть настроен таким образом, чтобы напряжение вторичной обмотки
US(
t) соответствовало данным, приведенным в
таблице 508.
Испытание на превышение температуры должно быть выполнено с номинальной нагрузкой; если у трансформатора несколько номинальных нагрузок, то испытания проводят с наибольшей нагрузкой (см.
5.5). Температура должна быть зарегистрирована.
Если трансформатор имеет несколько вторичных обмоток, то испытание должно быть выполнено с соответствующими номинальными нагрузками, подключенными к соответствующим вторичным обмоткам одновременно, если иное соглашение между изготовителем и покупателем отсутствует.
Обмотка напряжения нулевой последовательности должна быть нагружена в соответствии с
5.5.502.
Температура на испытательном стенде должна быть от 10 °C до 30 °C.
ЕТН или только одно электромагнитное устройство должны быть испытаны в соответствии с
перечислениями a),
b) или
c), приведенными ниже соответственно.
a) Все трансформаторы напряжения независимо от коэффициента напряжения и временных параметров должны быть проверены при напряжении 1,2 номинального первичного.
Если предельная тепловая мощность определена, то трансформатор должен быть испытан при номинальном первичном напряжении, а также при нагрузке, соответствующей предельной тепловой мощности с коэффициентом мощности, равным единице, без нагрузки на обмотке напряжения нулевой последовательности.
Если предельная тепловая мощность определена для нескольких вторичных обмоток, то трансформатор должен быть испытан отдельно с каждой из этих обмоток, поочередно соединенных с нагрузкой, соответствующей предельной тепловой мощности, с коэффициентом мощности, равным единице.
Испытание должно быть проведено до тех пор, пока температура трансформатора не достигнет устойчивого состояния.
b) Трансформаторы, имеющие коэффициент напряжения 1,5 в течение 30 с или 1,9 в течение 30 с, должны быть проверены при их соответствующих коэффициентах напряжения в течение 30 с, начинающихся после приложения 1,2 номинального напряжения в течение времени, достаточного для того, чтобы достигнуть устойчивых тепловых условий; повышение температуры не должно превышать более чем на 10 К значения, определенные в таблице 5 МЭК 61869-1.
Альтернативно такие трансформаторы могут быть испытаны при их соответствующем коэффициенте напряжения в течение 30 с начиная с холодного состояния; повышение температуры обмотки не должно превышать 10 К.
Примечание - Это испытание может быть пропущено, если другими средствами можно подтвердить, что трансформатор удовлетворяет этим условиям.
c) Трансформаторы, имеющие коэффициент напряжения 1,9 в течение 8 ч, должны быть испытаны при 1,9 номинального напряжения в течение 8 ч, начиная после приложения 1,2 номинального напряжения на время, достаточное для того, чтобы достигнуть устойчивых тепловых условий; повышение температуры не должно превышать более чем на 10 К значения, определенные в таблице 5 МЭК 61869-1.
Можно полагать, что электромагнитное устройство находится в условиях устойчивого состояния, когда скорость повышения температуры не превышает 1 К/ч. Повышение температуры обмотки должно быть определено методом измерения сопротивления.
Окружающая температура может быть измерена термометрами или термопарами, погруженными в теплоизоляционный материал таким образом, чтобы система имела тепловую постоянную времени того же порядка, что и электромагнитное устройство отдельно.
7.2.2.502 Испытание на повышение температуры на вторичной обмотке нулевой последовательности
Если одну из вторичных обмоток используют как обмотку напряжения нулевой последовательности, то испытание должно быть проведено в соответствии с
7.2.2.501 после испытания, описанного в
перечислении a).
Во время предварительного испытания с первичным напряжением 1,2·UPr обмотка напряжения нулевой последовательности не нагружена.
Во время испытания трансформаторов с коэффициентом напряжения 1,9 номинального первичного напряжения в течение 8 ч обмотка напряжения нулевой последовательности должна быть нагружена соответствующей номинальной предельной тепловой мощностью (см.
5.5.502), в то время как другие обмотки нагружены их номинальными нагрузками.
Если для других вторичных обмоток предельная тепловая мощность определена, то дополнительное испытание должно быть проведено в соответствии с
7.2.2.501 при первичном напряжении 1,2·
UPr без нагрузки обмотки напряжения нулевой последовательности.
Примечание 501 - Измерение напряжения должно быть выполнено на первичной обмотке. При этом фактическое напряжение вторичной обмотки может быть намного меньше номинального напряжения вторичной обмотки, умноженного на коэффициент напряжения.
7.2.3 Испытание первичных вводов импульсным напряжением
7.2.3.1 Общие положения
В настоящем стандарте применяют требования раздела 7.2.3.1 МЭК 61869-1 со следующими изменениями.
Вывод заземления первичной обмотки и нетестируемый линейный вывод каждой вторичной обмотки, рама, корпус (при наличии) и сердечник должны быть заземлены во время испытания.
Форма волны прикладываемых импульсов должна соответствовать приведенной в МЭК 60060-1, но время фронта (время до максимума) может быть увеличено до 8 мкс вследствие определенных ограничений испытательного оборудования.
Дефекты ЕТН будут обнаружены во время заключительного приемо-сдаточного испытания.
Подключения к заземлению могут быть сделаны через подходящие устройства регистрации тока.
Таблица 508
Испытательное напряжение для испытания
на превышение температуры
Нагрузка | Номинальная нагрузка | Предельная тепловая мощность вторичной обмотки <a> |
Коэффициент напряжения и длительность неисправности | FV = 1,2 Продолжительное | FV = 1,5 или 1,9 30 с | FV = 1,9 8 ч | - |
Конфигурация испытания | | | ЭМУ | ЕТН в сборе | ЭМУ | ЕТН в сборе | ЭМУ | ЕТН в сборе |
Предварительное испытательное напряжение до достижения скорости нагрева менее 1 К/ч | | UP = 1,2·UPr | | UP = 1,2·UPr | | UP = 1,2·UPr | | UP = 1,2·UPr |
Испытательное напряжение для длительности неисправности | - | - | | UP = FV·UPr | | UP = 1,9·UPr | - | - |
<a> Дополнительное испытание, если предельная тепловая мощность нормирована. <*> ЭМУ - электромагнитное устройство; ЕТН - емкостный трансформатор напряжения. |
При проведении испытания должны быть отключены элементы ограничения перенапряжений.
7.2.3.3 Испытание напряжением коммутационного импульса
7.2.3.3.1 Общие положения
В настоящем стандарте применяют требования 7.2.3.3.1 МЭК 61869-1 со следующими изменениями.
Испытание должно быть проведено на ЕТН в сборе. Испытательные напряжения приведены в таблице 2.
7.2.4 Испытание трансформаторов для наружной установки на воздействие влажности
В настоящем стандарте применяют требования 7.2.4 МЭК 61869-1 со следующими изменениями.
Во время испытания переменным напряжением при воздействии влажности демпфирующие и защитные устройства должны быть отключены. Если использовано промежуточное подключение между электромагнитным устройством и емкостным делителем для работы в помещениях, то электромагнитное устройство может быть отключено. При промежуточном подключении между электромагнитным устройством и емкостным делителем для работы при наружной установке электромагнитное устройство может быть отключено, но тогда оно должно быть испытано на воздействие влажности отдельно с приложением напряжения переменного тока, с номинальными значениями и продолжительностью согласно
7.3.1.504.
7.2.6 Испытание на соответствие классу точности
7.2.6.501 Общие положения
Испытания должны быть проведены при номинальной частоте, нормальной температуре и при обоих крайних значениях температуры на ЕТН в сборе.
Для класса точности >= 1 может быть использована эквивалентная схема.
Для классов точности 0,5 и 0,2 использование эквивалентной схемы или расчет влияния температуры должны быть согласованы между заказчиком и изготовителем.
Примечание 501 - Испытание при крайних значениях температуры на ЕТН в сборе - более сложный и дорогой процесс, чем испытания при эквивалентной схеме или вычисление влияния температуры. Испытания на ЕТН в сборе предоставляют возможность продемонстрировать отношение погрешности измерений, которые могут появиться при эксплуатации ввиду изменений окружающей температуры.
Если применена эквивалентная схема, то должны быть проведены два измерения в пределах стандартного диапазона при идентичных условиях напряжения, нагрузки, частоты и температуры: один раз на приборе в сборе и один раз при эквивалентной схеме.
Различие между результатами этих двух измерений не должно превышать 20% класса точности (например, 0,1% и 4 мин для класса точности 0,5). Это должно быть принято в расчет добавлением дополнительных 20% во время определения погрешности ЕТН в сборе при крайних значениях температуры и частоты.
При условии, что температурные характеристики емкостного делителя известны по эталонному диапазону температуры, погрешности при крайних значениях температуры могут быть вычислены на основании результатов измерений при одной температуре и температурном коэффициенте емкостного делителя. Альтернативно измерение только при комнатной температуре может быть выполнено при эквивалентной схеме, если эквивалентная емкость (например, конденсатор, произведенный специально для этой цели) приспособлена к значениям емкости, соответствующим крайним значениям температуры, с учетом температурного коэффициента фактического емкостного делителя.
Испытания при постоянной температуре должны быть проведены при крайних значениях частоты.
Фактические значения испытательной частоты и испытательной температуры должны быть частью отчета об испытаниях.
Примечание 502 - Испытания показывают влияние нагрузки, напряжения и частоты, так же как влияние температуры на эквивалентную емкость
C1 +
C2 на значение погрешности. Следует обратить внимание на тот факт, что температурное влияние на индуктивное сопротивление и на сопротивления обмотки электромагнитного устройства может быть определено, только если фактическое электромагнитное устройство подвергнуто крайним температурам. Как дополнительный признак, касающийся изменений в коэффициенте деления емкостного делителя, вызванном температурой, рекомендуется измерить погрешность напряжения и угол фазового сдвига до и сразу после - или во время - испытания на повышение температуры по
7.2.2, выполненного как прямое испытание на ЕТН. В этом случае измерение, так же как испытание на повышение температуры, не может быть выполнено на эквивалентной схеме или только на одном электромагнитном устройстве.
Примечание 503 - Современный опыт обслуживания показал, что емкостные трансформаторы напряжения могут иметь удовлетворительные характеристики в классе точности 0,5. Внезапные изменения в температуре, погоде, условия загрязнения, паразитная емкость и токи утечки могут влиять на погрешность напряжения и угол фазового сдвига. Это влияние, которое может быть оценено только теоретическими соображениями, главным образом является важным для емкостных трансформаторов напряжения более высоких классов точности.
7.2.6.502 Типовые испытания на соответствие классу точности измерительных емкостных трансформаторов напряжения
Для подтверждения соответствия положениям
7.3.5.501 и
5.6.501 испытания следует проводить при 80%, 100% и 120% номинального напряжения в стандартном нормированном диапазоне значений частот для измерения и со значениями в соответствии с таблицей 509 при коэффициенте мощности 1 (ряд I) или при коэффициенте мощности 0,8 (ряд II) на ЕТН в сборе и при верхнем и нижнем пределах номинальных мощностей.
Таблица 509
Диапазон нагрузок для испытания
на соответствие классу точности
Диапазон нагрузок | Рекомендуемые значения номинальной мощности, ВА | Испытательные значения номинальной мощности, % |
I | 1,0 2,5 5 10 | 0 и 100 |
II | 10 25 50 100 | 25 и 100 |
7.2.6.503 Испытания на соответствие классу точности защитных емкостных трансформаторов напряжения
Для того чтобы показать соответствие
5.6.502.3, типовые испытания следует проводить при 2%, 5% и 100% номинального напряжения и на номинальном напряжении, умноженном на номинальный коэффициент напряжения (1,2; 1,5 или 1,9) в двух крайних значениях стандартного диапазона частоты для защиты и со значениями номинальной выходной мощности в соответствии с таблицей 509 при коэффициенте мощности 1 (ряд I) или при коэффициенте мощности 0,8 (ряд II) на ЕТН в сборе.
Обмотка напряжения нулевой последовательности не должна быть нагружена во время испытаний при напряжениях не выше 100% номинального напряжения и нагружена номинальной нагрузкой во время испытания с напряжением, равным произведению номинального напряжения на номинальный коэффициент напряжения.
7.2.6.504 Типовые испытания на соответствие классу точности измерительных и защитных емкостных трансформаторов напряжения
Для того чтобы доказать соответствие
7.3.5.501, типовые испытания должны быть проведены одновременно на всех измерительных и защитных обмотках согласно
7.2.6.502 и
7.2.6.503.
Заказывая трансформаторы, имеющие две вторичные обмотки или более, из-за их взаимной зависимости пользователь должен определить диапазоны выходной мощности, причем верхний предел каждого диапазона выходной мощности должен соответствовать стандартной номинальной выходной мощности. Каждая обмотка должна удовлетворять соответствующим ей требованиям точности в пределах диапазона нагрузки, пока в то же самое время другая(ие) обмотка(и) нагружена(ы) любой нагрузкой из ее диапазона нагрузок от 0% до 100%. Для подтверждения соответствия этим требованиям достаточно проверить погрешности только при крайних значениях. Если спецификация диапазонов выходной мощности не предоставлена при поставке, то эти диапазоны должны соответствовать данным таблицы 509.
7.2.8 Испытание на герметичность оболочки (корпуса) при температуре окружающего воздуха
7.2.8.501 Испытание на герметичность заполненного жидким диэлектриком электромагнитного устройства
Испытание на герметичность должно быть типовым испытанием на электромагнитном устройстве, заполненном определенным жидким диэлектриком. Давление минимум на (0,5 +/- 0,1)·105 Па выше максимального рабочего давления должно быть выдержано в течение 8 ч в электромагнитном устройстве. Электромагнитное устройство считается выдержавшим испытание, если отсутствуют следы утечки.
7.2.501 Измерение емкости и
при напряжении промышленной частоты
7.2.501.1 Измерение емкости
Испытание может быть проведено на емкостном делителе напряжения, или на емкостной сборке, или на отдельных модулях. Во время этого испытания электромагнитное устройство должно быть отключено.
Емкость должна быть измерена при помощи метода, который исключает погрешности из-за гармоник и вспомогательного оборудования, используемого в схеме. Неопределенность в методе измерения должна быть указана в протоколе испытаний.
Заключительное измерение емкости должно быть проведено при UPr +/- 10% после типовых испытаний диэлектрика или/и приемо-сдаточного испытания. Измерение должно быть выполнено при номинальной частоте или, при согласовании, на частоте от 0,8 и 1,2 ее номинального значения.
Для того чтобы показать любое изменение в емкости из-за пробоя одного элемента или более, предварительное измерение емкости должно быть проведено перед типовыми испытаниями диэлектрика или/и приемо-сдаточными испытаниями при достаточно низком напряжении (менее чем 15% номинального напряжения), для того чтобы гарантировать, что не произойдет пробоя компонентов.
Примечание 501 - Когда есть вывод промежуточного напряжения, который доступен, когда ЕТН полностью собран, то должна быть измерена емкость между:
a) линейными вводами и выводами низкого напряжения или вводами линейного напряжения и клеммой заземления;
b) выводами промежуточного и низкого напряжения или выводами промежуточного напряжения и клеммой заземления.
Примечание 502 - Если диэлектрическая система конденсатора такая, что измеренная емкость меняется в зависимости от напряжения, то более значимым является повторное измерение емкости после испытания напряжением при том же напряжении, что и ранее, и затем при напряжении, которое должно быть не менее номинального напряжения.
Примечание 503 - Если количество последовательных элементов в испытуемом модуле большое, то может быть трудно установить, из-за чего произошли изменения, - это пробой:
- или плохая воспроизводимость измерения;
- или изменение емкости, вызванное механическим воздействием на элементы во время диэлектрических испытаний;
- или изменение емкости, вызванное перепадом температур конденсатора до и после испытаний.
В этом случае то, что не произошло пробоя, должно быть доказано изготовителем, например путем сравнения изменения емкости конденсатора того же типа или/и вычисления изменения емкости, вызванного повышением температуры во время испытаний; для того чтобы уменьшить неопределенность измерения, следует выполнить данные измерения на каждом модуле.
Емкость
C модуля или сборки, или емкостного делителя напряжения не должна изменяться более чем на

во время любых испытаний.
Примечание 504 -

,
где n - число последовательных элементов;
C0 - емкость одного элемента.
Выбор на испытания одного или двух трансформаторов остается за изготовителем.
Протокол типовых испытаний должен включать в себя результаты приемо-сдаточных испытаний.
Примечание 505 -

- измеренное изменение емкости
C.
7.2.501.2 Измерение

Диэлектрические потери

должны быть измерены при
UPr +/- 10% совместно с измерением емкости при помощи метода, который исключает погрешности из-за гармоник и вспомогательного оборудования в измерительной схеме. Точность метода измерения должна быть представлена. Измерение должно быть выполнено при номинальной частоте или, при согласовании, на частоте от 0,8 и 1,2 ее номинального значения.
Примечание 501 - Целью является проверка технологической стабильности производства. Пределы допустимых отклонений могут быть предметом согласования между изготовителем и покупателем.
Примечание 502 - Значение

зависит от изоляционной конструкции и напряжения, температуры и частоты при измерении.
Примечание 503 - Значение

для нормированных типов диэлектриков - функция времени возбуждения перед измерением.
Примечание 504 - Потери в конденсаторе - признак качества процесса сушки и пропитки.
7.2.502 Испытание на устойчивость к короткому замыканию
Это испытание должно быть проведено для подтверждения соответствия
6.501. Для данного испытания трансформатор должен находиться при температуре от 10 °C до 30 °C. Напряжение должно быть приложено к емкостному трансформатору напряжения между выводами высокого напряжения и заземления и выводами вторичной обмотки, замкнутыми накоротко. Длительность одного подобного короткого замыкания должна быть продолжительностью 1 с. Ток должен быть измерен и зарегистрирован.
Примечание 501 - Это требование также применяют в тех случаях, когда плавкие предохранители являются неотъемлемой частью трансформатора.
Во время короткого замыкания среднеквадратическое значение приложенного к выводам трансформатора напряжения должно быть не меньше, чем номинальное напряжение первичной обмотки UPr между фазой и землей.
В случае трансформаторов, имеющих несколько вторичных обмоток или секцию, или отводы, последовательность испытаний должна быть согласована между изготовителем и покупателем.
ЕТН считается выдержавшим это испытание, если после охлаждения до температуры окружающей среды он удовлетворяет следующим требованиям:
a) явные повреждения отсутствуют;
b) погрешности не отличаются от зарегистрированных перед испытаниями более чем на половину пределов от погрешности его класса точности и существенные изменения в значении емкости отсутствуют;
c) выдерживает приемо-сдаточное диэлектрическое испытание, определенное в
7.1.2;
d) при осмотре на изоляции рядом с поверхностью первичной и вторичной обмоток электромагнитного устройства повреждения (например, обугливание) отсутствуют.
Проведение исследования, описанного в
перечислении d), не требуется, если плотность тока в обмотке не превышает 160 А/мм
2, когда обмотка из меди проводимостью не менее чем 97% значения, приведенного в МЭК 60028. Плотность тока должна быть основана на измеренном действующем значении симметричного тока короткого замыкания во вторичной обмотке.
Примечание 502 - Для проведения исследования изменения емкости см.
7.2.501.1.
7.2.503 Испытания на устойчивость к феррорезонансу
Следующие испытания должны быть проведены на ЕТН в сборе или на эквивалентной схеме для подтверждения соответствия
6.502.
Для реализации эквивалентной схемы должен(ы) быть использован(ы) фактический(ие) конденсатор(ы). Испытания должны быть проведены закорачиванием вторичных выводов в течение по крайней мере 0,1 с. Короткое замыкание будет разомкнуто защитным устройством (например, плавкий предохранитель, выключатель и т.д.), выбранным для этой цели по соглашению между изготовителем и пользователем. Если согласования не было, выбор остается за изготовителем.
Если плавкий предохранитель использован в качестве защитного устройства, продолжительность времени короткого замыкания может быть короче 0,1 с.
Нагрузка ЕТН после короткого замыкания должна быть только от регистрирующего оборудования и не должна превышать 1 ВА. Напряжение от источника на высоковольтном выводе, напряжение вторичной обмотки и ток короткого замыкания во время испытания должны быть зарегистрированы. Запись должна быть частью протокола испытаний.
Во время испытания напряжение, выдаваемое источником, не должно отличаться более чем на 10% от напряжения до короткого замыкания, и оно должно оставаться главным образом синусоидальным. Падение напряжения в петле короткого замыкания (контактное сопротивление включенного замыкателя должно быть учтено), измеренное непосредственно на вторичных выводах ЕТН, должно быть менее чем 10% напряжения на тех же выводах перед коротким замыканием.
a) Испытание на феррорезонанс для системы с эффективно заземленной нейтралью
(6.502.2, таблица 506a): испытание должно быть проведено не менее 10 раз на каждом первичном напряжении, определенном в
таблице 506a.
b) Испытание на феррорезонанс для системы с неэффективно заземленной нейтралью или для системы с изолированной нейтралью
(6.502.2, таблица 506b): испытание должно быть проведено не менее 10 раз на каждом первичном напряжении согласно
таблице 506b.
Примечание 501 - Если известно, что насыщаемая нагрузка будет использована при эксплуатации, должно быть заключено соглашение между пользователем и изготовителем относительно испытаний, которые будут проведены при этой нагрузке, или близко к ней.
Примечание 502 - Для того чтобы гарантировать, что напряжение источника энергии во время испытания не отличается более чем 10% напряжения перед коротким замыканием, импеданс схемы питания короткого замыкания должен быть низким.
7.2.504 Испытание на переходные характеристики
7.2.504.1 Общие положения
Испытание должно быть выполнено только на защитном емкостном трансформаторе напряжения. Испытание может быть сделано на ЕТН в сборе или на эквивалентной схеме, собранной с фактическими конденсаторами.
Испытание должно быть выполнено с помощью короткого замыкания источника высокого напряжения на фактическом первичном напряжении
UP или на эквивалентной схеме при напряжении

при 100%, и 25% и 0% номинальной нагрузки.
Нагрузка должна быть одной из следующих возможных:
a) последовательная нагрузка, состоящая из чистого активного сопротивления (диапазон I) или из индуктивного сопротивления с коэффициентом мощности 0,8 (диапазон II);
b) активная нагрузка.
Вид нагрузки ЕТН влияет на результаты испытаний на переходные характеристики.
Измерительные или другие обмотки должны быть нагружены, как при эксплуатации, но не выше чем 100% нормированной нагрузки.
Испытание должно быть проведено дважды на пике напряжения первичной обмотки и дважды при переходе синусоиды напряжения первичной обмотки через ноль. Угол фазового сдвига напряжения первичной обмотки не должен отличаться более чем на +/- 20° между пиковым и нулевым переходами.
Примечание 501 - Современная система защиты, основанная на микропроцессорах, имеет коэффициент мощности 1.
Примечание 502 - По соглашению между изготовителем и покупателем испытание может быть выполнено с нагрузкой, присоединенной так, как при эксплуатации.
7.2.504.2 Испытательные значения действительного напряжения первичной обмотки UP
UP зависит от нормированного коэффициента напряжения FV.
a) Продолжительная работа: 1,0 и 1,2·
UPr.
b) Кратковременные перенапряжения: 1,5 или 1,9·
UPr.
1 - вывод промежуточного напряжения; 2 - компенсационная
индуктивность; 3 - трансформатор промежуточного напряжения;
4 - нагрузка ZB; 5 - запись напряжения вторичной обмотки;
6 - запись напряжения первичной обмотки; 7 - измерительный
трансформатор напряжения; 8 - устройство для создания
короткого замыкания; 9 - источник напряжения; 10 - выводы
высокого напряжения; 11 - выводы заземления
Рисунок 509 - Диаграмма схемы эквивалентного метода
при испытании емкостного трансформатора
напряжения на переходные характеристики
Напряжения первичной и вторичной обмоток должны быть зарегистрированы на осциллографе. Данные осциллографирования должны быть включены в протокол испытаний.
Примечание 501 - Требования для переходной характеристики приведены в
6.503.2 и
6.503.3.
Примечание 502 - Для измерения входного напряжения U также может быть использован резистивно-емкостный делитель напряжения.
Нагрузки при испытании на переходные характеристики приведены на
рисунках 510 и
511.
IEC 1319/11
Рисунок 510 - Последовательная нагрузка
IEC 1320/11
Рисунок 511 - Чистое резистивное сопротивление
Значения импеданса для последовательной нагрузки при испытании на переходные характеристики следующие:
где Sr - номинальная нагрузка, ВА;
USr - номинальное напряжение вторичной обмотки, В;
|ZB| - импеданс, Ом.
Примечание 501 - Полный импеданс, полученный при этих значениях
RB и

, имеет коэффициент мощности 0,8.
Примечание 502 - Индуктивное сопротивление должно иметь линейный тип, например сопротивление без сердечника. Последовательное сопротивление состоит из эквивалентного последовательного сопротивления индуктивного реактанса (сопротивление обмотки) и отдельного сопротивления.
Примечание 503 - Допустимое отклонение нагрузки должно быть менее +/- 5% для |ZB| и менее чем +/- 0,03 для коэффициента мощности.
7.2.505 Типовые испытания вспомогательного частотно-передающего оборудования
7.2.505.1 Испытания отводной катушки (фильтра присоединения)
7.2.505.1.1 Испытание импульсным напряжением
Испытание импульсным напряжением отводной катушки (фильтра присоединения) должно быть выполнено в соответствии с диаграммой, приведенной на
рисунке 5A.2, после отключения устройства ограничения напряжения. Десять импульсов напряжения длительностью 1,2/50 мкс должны быть приложены последовательно - пять импульсов отрицательной полярности и пять положительной (см. МЭК 60060-1).
7.2.505.1.2 Испытание повышенным напряжением
Испытание повышенным напряжением переменного тока промышленной частоты должно быть проведено между выводами отводной катушки (фильтра присоединения). Испытательное напряжение должно быть таким, чтобы получить ток 1 А (среднеквадратическое значение). Во время этого испытания должно быть измерено повышение температуры

, и испытание следует продолжать до тех пор, пока температура не достигнет устойчивого состояния

. Повышение температуры не должно превышать значений, приведенных в таблице 5 МЭК 61869-1.
7.2.505.2 Испытания устройства ограничения напряжения
Рекомендуется проводить испытание импульсным напряжением.
Испытание должно быть проведено со включенной отводной катушкой (фильтром присоединения) в соответствии с диаграммой, представленной на
рисунке 5A.2.
К искровым разрядникам и вентильным разрядникам с искровым промежутком должны быть последовательно приложены импульсы пробивного напряжения длительностью 8/20 мкс, пять отрицательной полярности и пять положительной полярности.
Примечание 501 - Дополнительные испытания, такие как композитные потери и обратные потери, касаются устройств связи для систем PLC и приведены в МЭК 60481. Эти испытания применяют только к емкостным трансформаторам напряжения, оборудованным вспомогательным оборудованием PLC.
7.3 Приемо-сдаточные испытания
7.3.1 Испытания вводов первичной обмотки повышенным напряжением промышленной частоты
В настоящем стандарте применяют требования 7.3.1 МЭК 61869-1 со следующими изменениями.
7.3.1.501 Испытание повышенным напряжением промышленной частоты и измерение электрической емкости,

и уровня частичных разрядов
Испытание должно быть проведено с напряжениями, имеющими практически синусоидальную форму. Напряжение должно быть быстро увеличено с относительно низкого до испытательного значения, выдержано в течение 1 мин, при отсутствии иной договоренности, и затем быстро уменьшено до относительно низкого значения, прежде чем будет отключено. Для данного испытания электромагнитное устройство может быть отключено от емкостного делителя напряжения.
Измерения электрической емкости
C,
(7.2.501) и уровня частичных разрядов
(7.3.2) могут быть проведены во время испытаний переменным напряжением емкостного делителя или на подсистемах.
7.3.1.502 Испытание повышенным напряжением промышленной частоты и измерение электрической емкости,

емкостного делителя напряжения или его компонентов
Каждый емкостной делитель напряжения или емкостной модуль должны быть испытаны переменным напряжением с измерением емкости и

. Испытательное напряжение прикладывается между выводами высокого напряжения и заземлением при испытании емкостной сборки и между выводами при испытании модуля при условии, что вывод низкого напряжения должен быть подключен непосредственно или через малый импеданс к земле во время этого испытания. Кроме того, во время испытания не должно возникать пробоя (см.
7.2.501.1) или перекрытия изоляции.
Емкость C должна быть измерена при напряжении менее 15% номинального первичного напряжения UPr для оценки до и после испытания повышенным напряжением промышленной частоты.
Значение испытательного напряжения должно быть равно
при испытании отдельного модуля, являющегося частью сборки.
Значение испытательного напряжения должно быть равно
когда проводят испытание отдельной сборки, являющейся частью ЕТН в сборе.
Значения испытательных напряжений для ЕТН при Um < 300 кВ (диапазон I) или Um >= 300 кВ (диапазон II) должны иметь соответствующие значения, приведенные в таблице 2 МЭК 61869-1, в зависимости от наибольшего значения напряжения для оборудования.
Примечание 501 - Пример испытательных значений модулей и стеков для ЕТН 525 кВ приведен в таблице 510.
Таблица 510
Испытательные напряжения для модулей, сборок и ЕТН в сборе
Количество | Действующие значения испытательных напряжений, кВ |
модулей | сборок | модулей | сборок | ЕТН в сборе |
2 | - | 340 x 1,05 | - | 680 |
4 | 2 | 170 x 1,05 | 340 x 1,05 | 680 |
6 | 3 | 113 x 1,05 | 227 x 1,05 | 680 |
Максимальное напряжение для оборудования - Um = 525 кВ.
Номинальное кратковременное выдерживаемое напряжение промышленной частоты - 680 кВ.
Емкость
C и

должны быть измерены при следующем напряжении:
или
7.3.1.503 Испытание напряжением промышленной частоты на низковольтном выводе емкостного делителя напряжения
Емкостные делители напряжения с низковольтным выводом должны быть испытаны в течение 1 мин напряжением между низковольтным и заземляемым выводами. Испытание проводят при переменном напряжении 10 кВ (среднеквадратическое значение). Если низковольтный вывод не подвергается атмосферным влияниям или если устройство для передачи частотного сигнала с защитой от перенапряжения является частью ЕТН, то переменное испытательное напряжение должно быть 4 кВ (среднеквадратическое значение).
- Во время этого испытания электромагнитное устройство не отключается.
Примечание - Испытательное напряжение применимо к емкостным трансформаторам напряжения с и без вспомогательного оборудования для передачи частотного сигнала с защитой от перенапряжения.
- Если защитный разрядник между выводами низкого напряжения и землей включен, то следует предотвратить его срабатывание во время испытания. Вспомогательное частотное оборудование должно быть отключено во время испытания.
- Если испытательное напряжение слишком мало для координации изоляции вспомогательного частотного оборудования с выводом низкого напряжения, более высокие значения могут быть согласованы по запросу покупателя.
7.3.1.504 Испытание повышенным напряжением промышленной частоты на электромагнитном устройстве
7.3.1.504.1 Испытание изоляции электромагнитного устройства
Испытательное напряжение должно быть приложено между промежуточным выводом напряжения и землей. Значение испытательного кратковременного выдерживаемого напряжения промышленной частоты должно быть
Частота испытательного напряжения может быть увеличена и быть выше номинального значения, для того чтобы предотвратить насыщение сердечника. Продолжительность испытания должна составлять 1 мин. Однако если частота испытательного напряжения превышает номинальную частоту вдвое, то продолжительность испытания может быть уменьшена с 1 мин до следующих значений:
Минимальная продолжительность равна 15 с.
Примечание 501 - Если защитное устройство подключено к электромагнитному устройству, то следует предотвратить его срабатывание во время испытания. Защитный промежуток, включенный через вспомогательное частотное оборудование, должен быть закорочен во время испытания.
7.3.2 Измерение уровня частичных разрядов
| | ИС МЕГАНОРМ: примечание. Нумерация пунктов дана в соответствии с официальным текстом документа. | |
7.3.2.2 Процедура измерения уровня частичных разрядов
В настоящем стандарте применяют требования 7.3.2.2 МЭК 61869-1 со следующими изменениями.
Если только часть емкостного делителя напряжения будет испытана, то значение испытательного напряжения будет равно:
или
7.3.5 Испытание на соответствие классу точности
7.3.5.501 Проверка класса точности
Проверка класса точности должна быть проведена при номинальном напряжении промышленной частоты, окружающей температуре и на ЕТН в сборе или на эквивалентной схеме для классов точности >= 1 в соответствии с таблицей 511.
Таблица 511
Разделы проверки класса точности (пример)
Вторичная(ые) обмотка(и) | Напряжение проверки | Испытательные диапазоны номинальной мощности, % |
Диапазон I. Коэффициент мощности 1. Нормированные значения номинальной мощности | Диапазон II. Коэффициент мощности 0,8 (индуктивный). Нормированные значения номинальной мощности |
от 1 до 10 ВА | от 10 до 100 ВА |
Измерительный | Защитный | Измерительный | Защитный |
Одна измерительная обмотка | 1 x UPr | 0 | - | 25 | - |
100 | - | 100 | - |
Одна защитная обмотка | 0,05 x UPr | - | 0 | - | 25 |
- | 100 | - | 100 |
FV x UPr | - | 0 | - | 25 |
- | 100 | - | 100 |
Одна измерительная и одна защитная обмотки | Измерительная 1 x UPr | 0 | 0 | 25 | 0 |
100 | 100 | 100 | 100 |
Защитная 0,05 x UPr | 0 | 0 | 0 | 25 |
100 | 100 | 100 | 100 |
Защитная FV x UPr | 0 | 0 | 0 | 25 |
100 | 100 | 100 | 100 |
Примечание 501 - Примечания для эквивалентной схемы:
a) эквивалентная схема может быть использована, если сравнение между испытанием на соответствие классу точности на трансформаторе в сборе во время типовых испытаний и испытанием на соответствие классу точности при эквивалентной схеме показало, что различие между измеренными значениями менее чем 20% пределов класса точности;
b) чтобы реализовать эквивалентную схему, действующий конденсатор или другие конденсаторы могут быть использованы. Если применяют другие конденсаторы, то они могут быть подстроены к фактическим измеренным значениям.
Примечание 502 - ЕТН в сборе и эквивалентная схема:
a) границу изменений погрешности вследствие изменений температуры и частоты при использовании трансформатора в пределах его нормальных диапазонов температуры и частоты допустимо определять в худших случаях влияния температуры и частоты, происходящих одновременно. Эта граница зависит от типа диэлектрика конденсатора и исполнения. На диаграмме погрешности, приведенной на
рисунке 512, обозначены 20% + граница. Границу определяет изготовитель;
b) если проверка класса точности будет проведена на ЕТН в сборе, то граница будет определена изготовителем и добавлена для совместного воздействия частоты и температуры.
Рисунок 512 - Пример диаграммы погрешности ЕТН
класса 1 для проверки класса точности на эквивалентной схеме
7.3.5.502 Приемо-сдаточные испытания на соответствие классу точности измерительного емкостного трансформатора напряжения
| | ИС МЕГАНОРМ: примечание. В официальном тексте документа, видимо, допущена опечатка: возможно, имеется в виду таблица 501, а не таблица 511. | |
Приемо-сдаточные испытания на проверку точности должны быть проведены при окружающей температуре при уменьшенном количестве напряжений или/и нагрузок и при номинальной частоте (см. 5.6.501.3,
таблица 511) при условии, что есть результаты типовых испытаний на подобном ЕТН и уменьшенное количество испытаний является достаточным, для того чтобы подтвердить соответствие
5.6.501.3.
7.3.5.503 Приемо-сдаточные испытания на соответствие классу точности защитного емкостного трансформатора напряжения
| | ИС МЕГАНОРМ: примечание. В официальном тексте документа, видимо, допущена опечатка: возможно, имеется в виду таблица 501, а не таблица 511. | |
Приемо-сдаточные испытания на проверку точности должны быть проведены при окружающей температуре, при уменьшенном количестве напряжений или/и нагрузок и при номинальной частоте (см. 5.6.502.3,
таблица 511) при условии, что есть результаты типовых испытаний на подобном ЕТН и уменьшенное количество испытаний является достаточным, для того чтобы подтвердить соответствие
5.6.501.3.
7.3.7 Испытание на герметичность оболочки (корпуса) при температуре окружающего воздуха
7.3.7.501 Герметичность емкостного делителя напряжения с жидкой изоляцией
Испытание на герметичность должно быть приемо-сдаточным испытанием емкостного делителя напряжения или отдельных модулей.
Испытание на герметичность должно быть проведено с давлением жидкости выше рабочего давления, в зависимости от типа устройства расширения для емкостных модулей, в течение 8 ч.
Примечание 501 - По соглашению между изготовителем и покупателем может быть определено специальное испытание с целью подтверждения герметичности емкостных модулей.
7.3.8 Испытание оболочки (корпуса) давлением
7.3.8.501 Проверка устойчивости к феррорезонансу
Эти испытания должны быть проведены на ЕТН в сборе или на эквивалентной схеме.
Первичное испытательное напряжение UP, количество замыканий на вторичных терминалах и пределы переходных характеристик колебаний феррорезонанса нормированы в таблице 512.
Таблица 512
Проверка устойчивости к феррорезонансу
Первичное напряжение (среднеквадратическое) | Количество коротких замыканий на вторичных выводах | Длительность колебаний феррорезонанса TF, с | Погрешность  после длительности TF, % |
0,8·UPr | 3 | <= 0,5 | <= 10 |
FV·UPr | 3 | <= 2 | <= 10 |
Метод испытания должен соответствовать
7.2.503, за исключением количества напряжений и коротких замыканий. ЕТН считается выдержавшим проверку на феррорезонанс, если пределы продолжительности и погрешности не превышают пределов, нормированных в
таблице 512.
7.3.8.502 Приемо-сдаточные испытания вспомогательного частотно-передающего оборудования
7.3.8.502.1 Приемо-сдаточные испытания отводной катушки (фильтра присоединения)
Следующие приемо-сдаточные испытания проводят для отводной катушки (фильтра присоединения):
a) измерение импеданса на промышленной частоте;
b) испытание переменным током.
Испытание должно быть проведено в течение 1 мин на напряжении промышленной частоты между выводами отводной катушки (фильтра присоединения). Испытательное напряжение должно быть настроено таким образом, чтобы достигнуть тока 1 А (среднеквадратическое).
7.3.8.502.2 Приемо-сдаточное испытание устройства ограничения напряжения
Приемо-сдаточное испытание данного устройства нормировано следующим образом:
a) для воздушного разрядника.
Измеряют пробивное напряжение при промышленной частоте;
b) для нелинейного разрядника с искровым промежутком.
Испытание проводят продолжительным нормированным выдерживаемым напряжением переменного тока. Испытательное напряжение не должно быть менее 1 кВ действующего напряжения переменного тока.
7.4 Специальные испытания
7.4.1 Испытание первичных вводов на устойчивость к напряжению срезанных грозовых импульсов
В настоящем стандарте применяют требования 7.4.1 МЭК 61869-1 со следующим изменением.
Для ЕТН это испытание типовое.
Напряжение должно быть нормированным грозовым импульсом согласно МЭК 60060-1, срезанным после того, как амплитудное значение достигло от 1,2 до 8 мкс.
Примечание 501 - Испытание срезанным импульсом заменяет испытание частичными разрядами согласно МЭК 60358.
7.4.2 Испытание первичных вводов на устойчивость к напряжению многократных срезанных импульсов
Требования 7.4.2 не применяют для ЕТН.
7.4.3 Измерение электрической емкости и тангенса угла диэлектрических потерь
В настоящем стандарте применяют требования 7.4.3 МЭК 61869-1 со следующим изменением.
Для ЕТН это испытание приемо-сдаточное.
7.4.6 Испытание на устойчивость к электрической дуге при внутреннем коротком замыкании
Требования 7.4.6 не применяют для ЕТН.
7.4.501 Определение температурного коэффициента
Определение температурных коэффициентов для значения емкости
C1 и
C2 и их значений

должно быть проведено согласно МЭК 60358.
7.4.502 Испытание конструкции на герметичность емкостных модулей
Это испытание проводят с целью подтвердить качество конструкции на предмет герметичности емкостного модуля и соответствие требованиям
6.1.4.
Примечание 501 - Это испытание не является испытанием на старение. Оно не предназначено для решения проблем с герметичностью из-за старения, которые наблюдаются в рамках особых конструкций емкостных частей делителя напряжения.
Испытание следует проводить при давлении жидкости не менее чем на 105 Па выше максимального рабочего давления, которое могло быть достигнуто при нормальных условиях эксплуатации и при температуре 80 °C в течение 8 ч.
Емкостный делитель напряжения должен быть собран в нормальных рабочих условиях. Устройство расширения емкостного модуля может быть отдельно откалибровано для испытания при температуре 80 °C. Соответствующая схема может быть собрана по наличию механических деформаций при превышении давления 105 Па.
Емкостный делитель напряжения с жидким диэлектриком считается выдержавшим испытание, если отсутствуют свидетельства утечки во время и после испытания.
(обязательное)
ТИПОВАЯ ДИАГРАММА ЕМКОСТНОГО ТРАНСФОРМАТОРА НАПРЯЖЕНИЯ
Рисунок 5A.1 - Пример диаграммы
для емкостного трансформатора напряжения
Рисунок 5A.2 - Пример диаграммы
для емкостного трансформатора напряжения
с вспомогательным частотным оборудованием
(справочное)
ПЕРЕХОДНАЯ ХАРАКТЕРИСТИКА ЕМКОСТНОГО ТРАНСФОРМАТОРА
НАПРЯЖЕНИЯ В УСЛОВИЯХ НЕИСПРАВНОСТИ
Наиболее существенной проблемой переходных процессов для ЕТН, использующего емкостный делитель в качестве датчика высокого напряжения, является эффект остаточных зарядов.
Остаточные заряды могут сохраняться в емкостном делителе после его отключения от сети в течение нескольких дней, если их уровень зависит от фазы синусоиды напряжения в момент выключения. Худшим случаем является тот момент, когда напряжение находится в своем максимальном значении

. В этом случае конденсатор верхнего плеча делителя
C1 остается заряженным, сохраняя заряд

, в то время как конденсатор нижнего плеча
C2 разрядится через электромагнитное устройство.
Если повторное включение трансформатора напряжения произойдет при наличии остаточного заряда на конденсаторе верхнего плеча делителя, возникнут переходные характеристики, он будет тем интенсивнее, чем более разница в начальных и конечных значениях электрических зарядов. В этом процессе помимо емкостей делителя участвует и электромагнитное устройство, в результате чего погрешность выходного напряжения во время переходного процесса может достигать очень больших величин.

(5B.1)
(обязательное)
ВЫСОКОЧАСТОТНЫЕ ХАРАКТЕРИСТИКИ
ЕМКОСТНОГО ТРАНСФОРМАТОРА НАПРЯЖЕНИЯ
В МЭК 60358 изложены и нормированы высокочастотные характеристики, требования и испытания, значимые для применения ЕТН в частотных системах.
Содержание МЭК 60358:
- высокочастотная емкость и эквивалентное последовательное сопротивление;
- паразитная емкость и проводимость ввода низкого напряжения;
- высокочастотный ток конденсатора связи;
- измерение высокочастотной емкости и эквивалентного последовательного сопротивления.
Положения МЭК 60358 следует применять в части требований и испытаний, предъявляемых к высокочастотным характеристикам ЕТН.
(справочное)
СВЕДЕНИЯ О СООТВЕТСТВИИ ССЫЛОЧНЫХ МЕЖДУНАРОДНЫХ СТАНДАРТОВ
МЕЖГОСУДАРСТВЕННЫМ СТАНДАРТАМ
Таблица ДА.1
Обозначение ссылочного международного стандарта | Степень соответствия | Обозначение и наименование соответствующего межгосударственного стандарта |
IEC 61869-1:2007 | - | |
IEC 60038 ed7.0 (2009-06) | MOD | |
IEC 60060-1 | - | |
IEC 60050-436 | IDT | |
IEC 60050-601 | - | |
IEC 60050-604 | - | |
IEC 60358 | IDT | ГОСТ IEC 60358-1-2014 "Конденсаторы разделительные и емкостные делители. Часть 1. Общие правила" |
IEC 60481 | - | |
<*> Соответствующий национальный стандарт отсутствует. До его принятия рекомендуется использовать перевод на русский язык данного международного стандарта. Примечание - В настоящей таблице использованы следующие условные обозначения степени соответствия стандартов: - IDT - идентичные стандарты; - MOD - модифицированные стандарты. |
IEC 60422, Mineral insulating oils in electrical equipment - Supervision and maintenance guidance (Масла минеральные изоляционные для электрооборудования. Руководство по контролю и сохранению)
УДК 621.314.222.8:006.354 | |
Ключевые слова: трансформаторы измерительные, трансформаторы напряжения емкостные |