Главная // Актуальные документы // ГОСТ Р (Государственный стандарт)СПРАВКА
Источник публикации
М.: Стандартинформ, 2019
Примечание к документу
Документ
введен в действие с 7 июня 2019 года.
Название документа
"ГОСТ Р 58401.19-2019. Национальный стандарт Российской Федерации. Дороги автомобильные общего пользования. Смеси асфальтобетонные дорожные и асфальтобетон. Определение содержания битумного вяжущего методом экстрагирования"
(утв. и введен в действие Приказом Росстандарта от 06.06.2019 N 289-ст)
"ГОСТ Р 58401.19-2019. Национальный стандарт Российской Федерации. Дороги автомобильные общего пользования. Смеси асфальтобетонные дорожные и асфальтобетон. Определение содержания битумного вяжущего методом экстрагирования"
(утв. и введен в действие Приказом Росстандарта от 06.06.2019 N 289-ст)
Утвержден и введен в действие
агентства по техническому
регулированию и метрологии
от 6 июня 2019 г. N 289-ст
НАЦИОНАЛЬНЫЙ СТАНДАРТ РОССИЙСКОЙ ФЕДЕРАЦИИ
ДОРОГИ АВТОМОБИЛЬНЫЕ ОБЩЕГО ПОЛЬЗОВАНИЯ
СМЕСИ АСФАЛЬТОБЕТОННЫЕ ДОРОЖНЫЕ И АСФАЛЬТОБЕТОН
ОПРЕДЕЛЕНИЕ СОДЕРЖАНИЯ БИТУМНОГО ВЯЖУЩЕГО
МЕТОДОМ ЭКСТРАГИРОВАНИЯ
Automobile roads of general use. Asphalt mixtures
and asphalt concrete for road pavement. Determination
of binder content by extraction method
ГОСТ Р 58401.19-2019
Дата введения
7 июня 2019 года
1 РАЗРАБОТАН Обществом с ограниченной ответственностью "Центр метрологии, испытаний и стандартизации" (ООО "ЦМИиС") совместно с Автономной некоммерческой организацией "Научно-исследовательский институт транспортно-строительного комплекса" (АНО "НИИ ТСК")
2 ВНЕСЕН Техническим комитетом по стандартизации ТК 418 "Дорожное хозяйство"
3 УТВЕРЖДЕН И ВВЕДЕН В ДЕЙСТВИЕ
Приказом Федерального агентства по техническому регулированию и метрологии от 6 июня 2019 г. N 289-ст
4 ВВЕДЕН ВПЕРВЫЕ
Правила применения настоящего стандарта установлены в статье 26 Федерального закона от 29 июня 2015 г. N 162-ФЗ "О стандартизации в Российской Федерации". Информация об изменениях к настоящему стандарту публикуется в ежегодном (по состоянию на 1 января текущего года) информационном указателе "Национальные стандарты", а официальный текст изменений и поправок - в ежемесячном информационном указателе "Национальные стандарты". В случае пересмотра (замены) или отмены настоящего стандарта соответствующее уведомление будет опубликовано в ближайшем выпуске ежемесячного информационного указателя "Национальные стандарты". Соответствующая информация, уведомление и тексты размещаются также в информационной системе общего пользования - на официальном сайте Федерального агентства по техническому регулированию и метрологии в сети Интернет (www.gost.ru)
Настоящий стандарт распространяется на асфальтобетонные дорожные смеси и асфальтобетон и устанавливает метод определения содержания битумного вяжущего в асфальтобетонных смесях методом экстрагирования.
В настоящем стандарте использованы нормативные ссылки на следующие стандарты:
ГОСТ 12.1.019 Система стандартов безопасности труда. Электробезопасность. Общие требования и номенклатура видов защиты
ГОСТ 12.4.252 Система стандартов безопасности труда. Средства индивидуальной защиты рук. Перчатки. Общие технические требования. Методы испытаний
ГОСТ 12.4.299 Система стандартов безопасности труда. Средства индивидуальной защиты органов дыхания. Рекомендации по выбору, применению и техническому обслуживанию
ГОСТ 9968 Метилен хлористый технический. Технические условия
ГОСТ 9976 Трихлорэтилен технический. Технические условия
ГОСТ Р 58401.9 Дороги автомобильные общего пользования. Смеси асфальтобетонные дорожные и асфальтобетон. Методы сокращения проб
ГОСТ Р 58407.4 Дороги автомобильные общего пользования. Смеси асфальтобетонные дорожные. Методы отбора проб
Примечание - При пользовании настоящим стандартом целесообразно проверить действие ссылочных стандартов в информационной системе общего пользования - на официальном сайте Федерального агентства по техническому регулированию и метрологии в сети Интернет или по ежегодному информационному указателю "Национальные стандарты", который опубликован по состоянию на 1 января текущего года, и по выпускам ежемесячного информационного указателя "Национальные стандарты" за текущий год. Если заменен ссылочный стандарт, на который дана недатированная ссылка, то рекомендуется использовать действующую версию этого стандарта с учетом всех внесенных в данную версию изменений. Если заменен ссылочный стандарт, на который дана датированная ссылка, то рекомендуется использовать версию этого стандарта с указанным выше годом утверждения (принятия). Если после утверждения национального стандарта в ссылочный стандарт, на который дана датированная ссылка, внесено изменение, затрагивающее положение, на которое дана ссылка, то это положение рекомендуется применять без учета данного изменения. Если ссылочный стандарт отменен без замены, то положение, в котором дана ссылка на него, рекомендуется применять в части, не затрагивающей эту ссылку.
В настоящем стандарте применены следующие термины с соответствующими определениями:
3.1
асфальтобетонная смесь: Рационально подобранная смесь, состоящая из минеральной части (щебня, песка и минерального порошка или без него) и битумного вяжущего, взятых в определенных соотношениях и перемешанных в нагретом состоянии. |
3.2
асфальтобетон: Уплотненная асфальтобетонная смесь. |
3.3
номинально максимальный размер минерального заполнителя, мм: Размер минерального заполнителя в асфальтобетонной смеси, соответствующий размеру ячейки сита, которое на один размер больше первого сита, полный остаток минерального заполнителя на котором составляет более 10%. |
3.4
максимальный размер минерального заполнителя, мм: Размер минерального заполнителя в асфальтобетонной смеси, который на один размер больше, чем номинально максимальный размер минерального заполнителя. |
3.5
постоянная масса: Масса материала, высушиваемого в сушильном шкафу, различающаяся не более чем на 0,05% по результатам двух последних последовательно проводимых взвешиваний через промежутки времени, составляющие не менее 2 ч. |
3.6 экстракт: Выделившаяся в процессе центрифугирования смесь мелкого минерального заполнителя битума и растворителя.
4 Требования к средствам измерений, вспомогательным устройствам, материалам и реактивам
4.1 При выполнении испытаний применяют следующие средства измерений, вспомогательные устройства, материалы и реактивы.
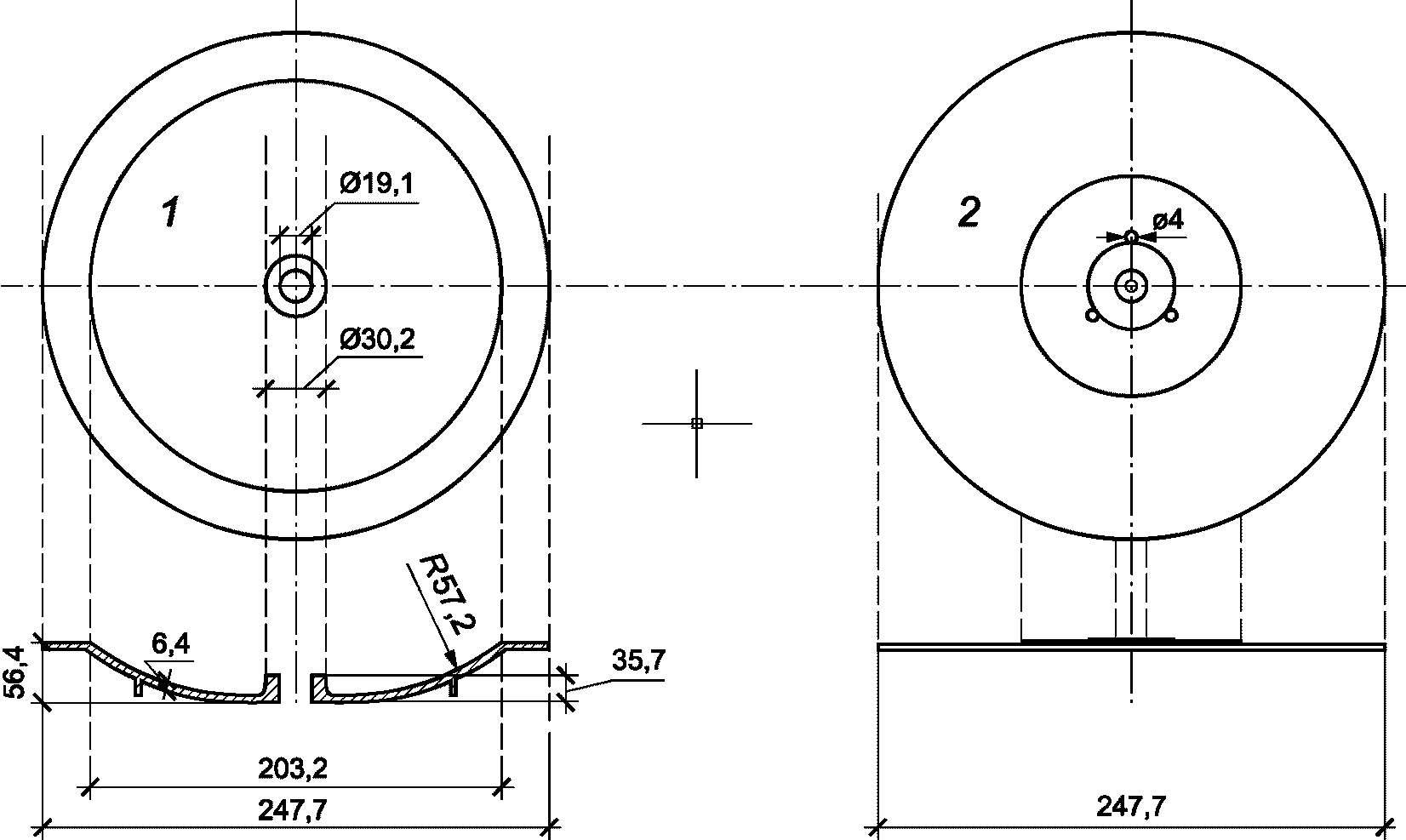
4.1.1 Аппарат для экстрагирования, оснащенный контейнером для улавливания и слива растворителя достаточного размера, чтобы вместить центрифужную тарелку с крышкой (см. рисунок 1). Аппарат должен быть оснащен приводным устройством для вращения центрифужной тарелки с регулируемой скоростью вращения не более 3600 об/мин. Аппарат также должен быть оснащен средствами взрывозащиты и установлен под вытяжным коробом.
1 - центрифужная тарелка; 2 - крышка
Рисунок 1 - Центрифужная тарелка для экстрагирования
вяжущего из асфальтобетонной смеси
4.1.2 Кольца фильтровальные из войлока или бумаги.
4.1.3 Центрифуга высокоскоростная со скоростью вращения от 9000 до 20 000 об/мин.
4.1.4 Шкаф сушильный с принудительной конвекцией, обеспечивающий поддержание температуры в диапазоне от 110 °C до 165 °C, с погрешностью 3 °C.
4.1.5 Противень металлический для нагревания асфальтобетонной смеси.
4.1.6 Весы, обеспечивающие измерение массы пробы с относительной погрешностью 0,1% от определяемой величины.
4.1.7 Цилиндры мерные объемом от 1000 до 2000 мл для экстракта.
4.1.8 Растворитель типа трихлорэтилен по
ГОСТ 9976 или метилен хлористый по
ГОСТ 9968, или перхлорэтилен (тетрахлорэтилен) химически чистый.
Примечание - Допускается применение автоматических приборов для экстрагирования битумного вяжущего в соответствии с инструкцией по эксплуатации применяемого прибора.
Сущность метода заключается в определении количества битумного вяжущего в составе асфальтобетонной смеси путем полного вымывания вяжущего с помощью растворителя. Оставшуюся после экстрагирования минеральную часть смеси применяют для анализа зернового состава асфальтобетонной смеси.
6 Требования безопасности и охраны окружающей среды
При работе с растворителями используют средства индивидуальной защиты органов дыхания по
ГОСТ 12.4.299.
При выполнении испытаний соблюдают правила по электробезопасности по
ГОСТ 12.1.019 и инструкции по эксплуатации оборудования.
Стальные бочки с трихлорэтиленом следует хранить в прохладных сухих помещениях плотно закрытыми и открывать их необходимо как можно реже. Трихлорэтилен следует переливать из бочек в чистые сухие колбы из коричневого стекла для лабораторного использования.
При транспортировании, использовании, хранении и утилизации химического растворителя следует соблюдать требования по обеспечению пожарной безопасности, а также требования к очистке сточных вод.
7 Требования к условиям испытаний
При выполнении испытаний соблюдают следующие условия для помещений, в которых испытывают образцы:
- температура (22 +/- 3) °C;
- относительная влажность не более 80%.
8 Подготовка к выполнению испытаний
При подготовке к выполнению испытаний проводят следующие работы.
В том случае, если при подготовке асфальтобетонной смеси к испытаниям на нее попала вода, асфальтобетонную смесь высушивают до постоянной массы в сушильном шкафу при температуре (110 +/- 5) °C.
Минимальная масса испытуемой пробы зависит от номинально максимального размера заполнителя в асфальтовой смеси и должна соответствовать требованиям
таблицы 1. Масса пробы не должна превышать требуемые значения более чем на 500 г.
Примечание - Если размер пробы превышает вместимость используемого оборудования, то ее можно разделить на несколько частей и испытать раздельно, приняв за окончательный результат среднее значение нескольких определений.
Таблица 1
Минимальная масса испытуемой пробы в зависимости
от номинального максимального размера заполнителя
Номинально максимальный размер заполнителя, мм | Минимальная масса испытуемой пробы, г |
5,6 и менее | 500 |
8,0 | 1000 |
11,2 | 1500 |
16,0 | 2000 |
22,4 | 3000 |
31,5 и более | 4000 |
9 Порядок выполнения испытаний
9.1 Получение экстракта из асфальтобетонной смеси
Взвешивают пробу асфальтобетонной смеси с точностью до 0,1 г и записывают как W1. Помещают требуемое количество асфальтобетонной смеси, предварительно разогретой до температуры от 135 °C до 165 °C, в центрифужную тарелку. Дают остыть смеси до температуры не выше 70 °C и заливают в центрифужную тарелку применяемый растворитель таким образом, чтобы он полностью покрывал пробу смеси. Пробу вымачивают в растворителе в течение 30 - 60 мин.
Затем помещают центрифужную тарелку с асфальтобетонной смесью и растворителем в контейнер аппарата для экстрагирования. Фильтровальное кольцо, просушенное до постоянной массы в сушильном шкафу при температуре (110 +/- 5) °C, устанавливают на центрифужную тарелку. Плотно закрывают центрифужную тарелку крышкой, после чего закрывают контейнер.
Начинают вращение центрифужной тарелки с малой скоростью, постепенно увеличивая скорость до 3600 об/мин, до тех пор, пока экстракт не перестанет вытекать в мерный цилиндр. Останавливают вращение и добавляют растворитель так, чтобы он полностью покрывал пробу смеси, и повторяют процедуру. Добавляют растворитель не менее трех раз до тех пор, пока экстракт на выходе не будет иметь светло-коричневый цвет.
Сливают полученный экстракт в отдельную емкость для последующего отделения мелкого минерального компонента в центрифуге.
Снимают крышку с центрифужной тарелки и аккуратно перекладывают фильтровальное кольцо и все содержимое тарелки на металлический лоток с известной массой. После улетучивания оставшихся паров просушивают до постоянной массы при температуре (110 +/- 5) °C фильтровальное кольцо и все содержимое тарелки в сушильном шкафу. Массу экстрагированного заполнителя рассчитывают как разницу содержимого лотка и начальной массы фильтровального кольца в сухом состоянии и записывают как W2, с точностью до 0,1 г.
9.2 Отделение мелкого минерального заполнителя из экстракта
Определяют массу чистой пустой емкости центрифуги с точностью до 0,1 г и помещают ее в центрифугу. Запускают центрифугу, раскрутив ее до скорости от 9000 до 20 000 об/мин. Заливают весь экстракт в подающий резервуар центрифуги и начинают подачу со скоростью от 100 до 150 мл/мин.
После того как весь экстракт пройдет через центрифугу, промывают подающий резервуар, несколько раз долив, при включенной центрифуге, небольшое количество чистого растворителя. Необходимо доливать растворитель до тех пор, пока выходящий растворитель не станет практически прозрачным.
Затем останавливают центрифугу и вынимают емкость с мелким заполнителем. В случае необходимости промывают внешнюю поверхность чистым растворителем. После улетучивания оставшихся паров просушивают емкость с мелким заполнителем до постоянной массы при температуре (110 +/- 5) °C. Охлаждают емкость с мелким заполнителем до температуры (22 +/- 3) °C и определяют ее массу с точностью до 0,1 г. Массу мелкого заполнителя в экстракте рассчитывают как разницу между массой просушенной емкости с мелким заполнителем и массой чистой сухой емкости без него и записывают как W3, с точностью до 0,1 г.
Примечание - При необходимости возможно проведение зернового анализа минеральной части асфальтобетонной смеси, оставшейся после экстрагирования.
10 Обработка результатов испытаний
Содержание битумного вяжущего Pb, %, в смеси вычисляют по формуле

(1)
где W1 - масса асфальтобетонной смеси до экстрагирования, г;
W2 - масса асфальтобетонной смеси после экстрагирования, г;
W3 - масса мелкого заполнителя, отделенного от экстракта, г.
За результат испытания принимают среднеарифметическое значение двух параллельных определений. Расхождение между полученными значениями не должно превышать 0,2%.
11 Оформление результатов испытаний
Результаты оформляют соответствующим образом с указанием следующей информации:
- обозначение настоящего стандарта;
- дата проведения испытания;
- наименование организации, проводившей испытание;
- вид (тип) асфальтобетона;
- содержание битумного вяжущего, %.
12 Контроль точности результатов испытаний
Точность результатов испытаний обеспечивается:
- соблюдением требований настоящего стандарта;
- проведением периодической оценки метрологических характеристик средств измерений. Весы, применяемые при испытаниях по настоящему стандарту, должны иметь действующий знак поверки и/или свидетельство о поверке;
- проведением периодической аттестации оборудования.
Лицо, проводящее испытание, должно быть ознакомлено с требованиями настоящего стандарта.