Главная // Актуальные документы // ГОСТ Р (Государственный стандарт)СПРАВКА
Источник публикации
М.: Стандартинформ, 2019
Примечание к документу
Текст данного документа приведен с учетом
поправки, опубликованной в "ИУС", N 6, 2021.
Документ
введен в действие с 07.06.2019.
Название документа
"ГОСТ Р 58401.18-2019. Национальный стандарт Российской Федерации. Дороги автомобильные общего пользования. Смеси асфальтобетонные дорожные и асфальтобетон. Метод определения водостойкости и адгезионных свойств"
(утв. и введен в действие Приказом Росстандарта от 06.06.2019 N 288-ст)
"ГОСТ Р 58401.18-2019. Национальный стандарт Российской Федерации. Дороги автомобильные общего пользования. Смеси асфальтобетонные дорожные и асфальтобетон. Метод определения водостойкости и адгезионных свойств"
(утв. и введен в действие Приказом Росстандарта от 06.06.2019 N 288-ст)
Утвержден и введен в действие
агентства по техническому
регулированию и метрологии
от 6 июня 2019 г. N 288-ст
НАЦИОНАЛЬНЫЙ СТАНДАРТ РОССИЙСКОЙ ФЕДЕРАЦИИ
ДОРОГИ АВТОМОБИЛЬНЫЕ ОБЩЕГО ПОЛЬЗОВАНИЯ
СМЕСИ АСФАЛЬТОБЕТОННЫЕ ДОРОЖНЫЕ И АСФАЛЬТОБЕТОН
МЕТОД ОПРЕДЕЛЕНИЯ ВОДОСТОЙКОСТИ И АДГЕЗИОННЫХ СВОЙСТВ
Automobile roads of general use.
Asphalt mixtures and asphalt concrete for road pavement.
Method for determination of water resistance
and adhesion properties
ГОСТ Р 58401.18-2019
Дата введения
7 июня 2019 года
1 РАЗРАБОТАН Обществом с ограниченной ответственностью "Центр метрологии испытаний и стандартизации" (ООО "ЦМИиС") совместно с Автономной некоммерческой организацией "Научно-исследовательский институт транспортно-строительного комплекса" (АНО "НИИ ТСК")
2 ВНЕСЕН Техническим комитетом по стандартизации ТК 418 "Дорожное хозяйство"
3 УТВЕРЖДЕН И ВВЕДЕН В ДЕЙСТВИЕ
Приказом Федерального агентства по техническому регулированию и метрологии от 6 июня 2019 г. N 288-ст
4 ВВЕДЕН ВПЕРВЫЕ
Правила применения настоящего стандарта установлены в статье 26 Федерального закона от 29 июня 2015 г. N 162-ФЗ "О стандартизации в Российской Федерации". Информация об изменениях к настоящему стандарту публикуется в ежегодном (по состоянию на 1 января текущего года) информационном указателе "Национальные стандарты", а официальный текст изменений и поправок - в ежемесячном информационном указателе "Национальные стандарты". В случае пересмотра (замены) или отмены настоящего стандарта соответствующее уведомление будет опубликовано в ближайшем выпуске ежемесячного информационного указателя "Национальные стандарты". Соответствующая информация, уведомление и тексты размещаются также в информационной системе общего пользования - на официальном сайте Федерального агентства по техническому регулированию и метрологии в сети Интернет (www.gost.ru)
Настоящий стандарт распространяется на смеси асфальтобетонные дорожные и асфальтобетон и устанавливает метод определения водостойкости и адгезионных свойств асфальтобетона.
В настоящем стандарте использованы нормативные ссылки на следующие стандарты:
ГОСТ 12.1.019 Система стандартов безопасности труда. Электробезопасность. Общие требования и номенклатура видов защиты
ГОСТ 12.4.252 Система стандартов безопасности труда. Средства индивидуальной защиты рук. Перчатки. Общие технические требования. Методы испытаний
ГОСТ Р 58401.9 Дороги автомобильные общего пользования. Смеси асфальтобетонные дорожные и асфальтобетон. Методы сокращения проб
ГОСТ Р 58401.10 Дороги автомобильные общего пользования. Смеси асфальтобетонные дорожные и асфальтобетон. Методы определения объемной плотности
ГОСТ Р 58401.13-2019 Дороги автомобильные общего пользования. Смеси асфальтобетонные дорожные и асфальтобетон. Метод приготовления образцов вращательным уплотнителем
ГОСТ Р 58401.16-2019 Дороги автомобильные общего пользования. Смеси асфальтобетонные дорожные и асфальтобетон. Методы определения максимальной плотности
ГОСТ Р 58406.9 Дороги автомобильные общего пользования. Смеси асфальтобетонные дорожные и асфальтобетон. Метод приготовления образцов уплотнителем Маршалла
ГОСТ Р 58407.4 Дороги автомобильные общего пользования. Смеси асфальтобетонные дорожные. Методы отбора проб
ГОСТ Р 58407.5 Дороги автомобильные общего пользования. Асфальтобетон дорожный. Методы отбора проб из уплотненных слоев дорожной одежды
Примечание - При пользовании настоящим стандартом целесообразно проверить действие ссылочных стандартов в информационной системе общего пользования - на официальном сайте Федерального агентства по техническому регулированию и метрологии в сети Интернет или по ежегодному информационному указателю "Национальные стандарты", который опубликован по состоянию на 1 января текущего года, и по выпускам ежемесячного информационного указателя "Национальные стандарты" за текущий год. Если заменен ссылочный стандарт, на который дана недатированная ссылка, то рекомендуется использовать действующую версию этого стандарта с учетом всех внесенных в данную версию изменений. Если заменен ссылочный стандарт, на который дана датированная ссылка, то рекомендуется использовать версию этого стандарта с указанным выше годом утверждения (принятия). Если после утверждения национального стандарта в ссылочный стандарт, на который дана датированная ссылка, внесено изменение, затрагивающее положение, на которое дана ссылка, то это положение рекомендуется применять без учета данного изменения. Если ссылочный стандарт отменен без замены, то положение, в котором дана ссылка на него, рекомендуется применять в части, не затрагивающей эту ссылку.
В настоящем стандарте применены следующие термины с соответствующими определениями:
3.1
асфальтобетонная смесь: Рационально подобранная смесь, состоящая из минеральной части (щебня, песка и минерального порошка или без него) и битумного вяжущего, взятых в определенных соотношениях и перемешанных в нагретом состоянии. |
3.2
асфальтобетон: Уплотненная асфальтобетонная смесь. |
3.3 испытуемый образец: Уплотненная асфальтобетонная смесь в виде цилиндра.
3.4
коэффициент водостойкости; TSR: Коэффициент, выраженный как отношение предела прочности при непрямом растяжении серии образцов, подверженных водонасыщению и циклу "замораживание-оттаивание", к пределу прочности при непрямом растяжении серии образцов, выдержанных при комнатных условиях. |
3.5 цикл "замораживание-оттаивание": Цикл, за который образец асфальтобетона подвергают замораживанию в водонасыщенном состоянии при температуре минус 18 °C в течение не менее 16 ч, с последующим оттаиванием в водяной среде при температуре 60 °C в течение 24 ч.
4 Требования к средствам измерений, вспомогательным устройствам и материалам
При выполнении испытаний применяют следующие средства измерений, вспомогательные устройства и материалы.
4.3 Противень металлический для термостатирования смеси площадью от 50 000 до 150 000 мм2 и глубиной не менее 25 мм.
4.4 Термостат водяной, способный поддерживать температуру от 59 °C до 61 °C.
4.5 Весы, обеспечивающие измерение массы пробы с относительной погрешностью 0,1% от определяемой величины.
4.6 Установка вакуумная для насыщения водой уплотненных образцов асфальтобетона.
4.7 Камера морозильная, способная поддерживать температуру от минус 15 °C до минус 21 °C.
4.8 Цилиндр мерный объемом не менее 10 мл.
4.9 Шкаф сушильный с принудительной конвекцией, обеспечивающий поддержание температуры от 25 °C до 180 °C, с погрешностью 3 °C.
4.10 Пресс с максимальной нагрузкой не менее 50 кН, способный поддерживать постоянную скорость деформации, равную 50 мм в минуту, с автоматической регистрацией значений деформации и нагрузки.
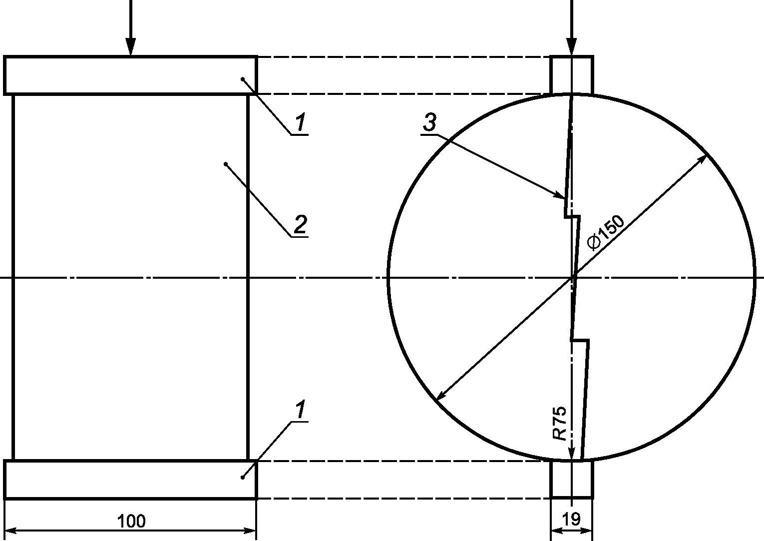
4.11 Пластины нагрузочные (см.
рисунок 1), через которые передается нагрузка на образец диаметром 150 мм, приготовленный на вращательном уплотнителе или образец диаметром 152,4 мм, приготовленный на уплотнителе Маршалла, длиной не менее 100 мм, шириной (19,0 +/- 0,1) мм и радиусом кривизны рабочей поверхности (75,0 +/- 0,5) мм.
1 - нагрузочная пластина; 2 - образец асфальтобетона;
3 - образующаяся после нагружения вертикальная трещина
Рисунок 1 - Схема испытания на определение предела прочности
при непрямом растяжении асфальтобетона
При проведении испытания проводят на образцах диаметром 101,6 мм, приготовленных на уплотнителе Маршалла, необходимо применять нагрузочные пластины длиной не менее 70 мм, шириной (12,7 +/- 0,1) мм и радиусом кривизны рабочей поверхности (50,0 +/- 0,5) мм.
4.12 Пакеты герметичные полиэтиленовые, способные вместить испытуемые образцы.
4.13 Термометр с пределом измерений не менее 30 °C и ценой деления 1 °C.
4.14 Стрэтч-пленка бытовая пластиковая или пленка пищевая.
Сущность метода заключается в определении отношения предела прочности при непрямом растяжении серии образцов после воздействия воды и цикла "замораживание-оттаивание", и предела прочности при непрямом растяжении серии образцов, выдержанных на воздухе при температуре (22 +/- 3) °C.
После определения отношения предела прочности при непрямом растяжении по поверхности разлома визуально определяют степень адгезии битума с минеральной частью смеси.
6 Требования безопасности, охраны окружающей среды
При выполнении испытаний соблюдают правила по электробезопасности по
ГОСТ 12.1.019 и инструкции по эксплуатации оборудования.
7 Требования к условиям испытаний
При выполнении испытаний соблюдают следующие условия для помещений, в которых испытывают материалы:
- температура (22 +/- 3) °C;
- относительная влажность не более 80%.
8 Подготовка к выполнению испытаний
8.1 При подготовке к выполнению испытаний проводят следующие работы:
- подготовка образцов;
- оценка объемных свойств образцов.
8.2 Подготовка образцов
Для проведения испытаний необходимо приготовить не менее шести образцов, три из которых выдерживают на воздухе при температуре (22 +/- 3) °C, а остальные три подвергают водонасыщению, а также циклу "замораживание-оттаивание".
8.2.1 Подготовка образцов из асфальтобетонной смеси, приготовленной в лаборатории
Разогревают минеральный заполнитель (кроме минерального порошка), а также вяжущее и смешивают их в заранее рассчитанных пропорциях из расчета одна смешанная порция на один образец. Допускается замешивать сразу большую порцию смеси для приготовления как минимум трех образцов.
Приготовленную асфальтобетонную смесь равномерно распределяют на металлическом противне и остужают при температуре (22 +/- 3) °C в течение (120 +/- 30) мин.
Затем противень со смесью помещают в сушильный шкаф при температуре (60 +/- 3) °C и выдерживают при заданной температуре в течение 15 - 17 ч. Противень со смесью следует ставить на перфорированные полки для обеспечения свободной циркуляции воздуха под ним.
| | ИС МЕГАНОРМ: примечание. В официальном тексте документа, видимо, допущена опечатка: приложение Г в ГОСТ Р 58401.13-2019 отсутствует. | |
Далее противень со смесью помещают в сушильный шкаф при температуре, равной температуре уплотнения, на (120 +/- 10) мин. Температурой уплотнения является температура, при которой вязкость несостаренного вяжущего находится в пределах (0,28 +/- 0,03) Па·с. Температуру уплотнения определяют в соответствии с ГОСТ Р 58401.13-2019 (приложение Г).
После выдерживания смеси в сушильном шкафу определяют максимальную плотность в соответствии ГОСТ Р 58401.16-2019
(раздел 9).
В соответствии с
ГОСТ Р 58401.13 формуют необходимое число образцов диаметром 150 мм и высотой (95 +/- 5) мм или формуют образцы диаметром 101,6 мм и высотой (63,5 +/- 2,5) мм, или диаметром 152,4 мм и высотой (95 +/- 5) мм в соответствии с
ГОСТ Р 58406.9, с требуемым количеством воздушных пустот. Уплотненные образцы выдерживают при температуре (22 +/- 3) °C в течение (24 +/- 3) ч.
Требуемое количество воздушных пустот достигается путем подбора определенного числа оборотов вращательного уплотнителя либо числа падений молота уплотнителя Маршалла.
8.2.2 Подготовка образцов из асфальтобетонной смеси, приготовленной на асфальтобетонном заводе
Асфальтобетонная смесь, приготовленная на заводе, должна быть отобрана в соответствии с
ГОСТ Р 58407.4.
Отобранную асфальтобетонную смесь равномерно распределяют на металлическом противне и остужают при температуре (22 +/- 3) °C в течение (120 +/- 30) мин.
Затем уменьшают количество асфальтобетонной смеси до массы, требуемой для изготовления необходимого числа образцов в соответствии с
ГОСТ Р 58401.9.
После этого определяют максимальную плотность в соответствии с ГОСТ Р 58401.16-2019
(раздел 9).
В соответствии с
ГОСТ Р 58401.13 формуют необходимое число образцов диаметром 150 мм и высотой (95 +/- 5) мм либо формуют образцы диаметром 101,6 мм и высотой (63,5 +/- 2,5) мм, или диаметром 152,4 мм и высотой (95 +/- 5) мм в соответствии с
ГОСТ Р 58406.9, с требуемым количеством воздушных пустот. Уплотненные образцы выдерживают при температуре (22 +/- 3) °C в течение (24 +/- 3) ч.
Требуемое количество воздушных пустот достигается путем подбора определенного числа оборотов вращательного уплотнителя либо числа падений молота уплотнителя Маршалла.
8.2.3 Подготовка образцов, отобранных из покрытия
Для проведения испытания на образцах, отобранных из слоев дорожного покрытия, необходимо отобрать керны толщиной не менее 40 мм и диаметром (100 +/- 1,5) мм либо толщиной не менее 60 мм и диаметром (150 +/- 2,5) мм в соответствии с
ГОСТ Р 58407.5.
Примечание - Керны диаметром (100 +/- 1,5) мм отбирают из слоев с номинальным максимальным размером смеси до 22,4 мм включительно. Из слоев с номинальным максимальным размером смеси более 22,4 мм отбирают керны диаметром (150 +/- 2,5) мм.
Необходимо отделить слои кернов друг от друга путем разрезания их на циркулярной пиле. После распиливания необходимо просушить образцы при температуре не более 50 °C до постоянной массы. Число отобранных кернов должно быть не менее шести для каждой группы.
8.3 Оценка объемных свойств образцов
Необходимо определить объемную плотность
Gmb, г/см
3, и объем уплотненного образца, определенный при гидростатическом взвешивании
E, см
3, каждого образца в соответствии с
ГОСТ Р 58401.10 и вычислить количество воздушных пустот
Pa, %, по формуле

(1)
где Gmm - максимальная плотность асфальтобетона, г/см3;
Gmb - объемная плотность уплотненного асфальтобетона, г/см3.
Далее вычисляют объем воздушных пустот Va, см3, в уплотненном образце по формуле

(2)
где
E - объем образца, равный (B - C) по ГОСТ Р 58401.10 [см.
формулу (1)].
После определения количества воздушных пустот у каждого образца необходимо разделить образцы на две группы как минимум по три образца в каждой, так чтобы среднее содержание воздушных пустот в обеих группах было приблизительно одинаковое.
9 Порядок выполнения испытаний
После проведения всех подготовительных процедур образцы одной группы выдерживают при температуре (22 +/- 3) °C, а образцы второй группы подвергают неполному водонасыщению, а также циклу "замораживание-оттаивание".
9.1 Образцы из первой группы выдерживают на воздухе при температуре (22 +/- 3) °C в течение не менее 24 ч.
9.2 Образцы второй группы подготавливают следующим образом.
Определяют массу асфальтобетонных образцов на воздухе с точностью до 0,1 г и помещают их в вакуумную камеру с перфорированными полками. Затем заливают их водой при температуре (23 +/- 1) °C так, чтобы толщина слоя воды над поверхностью образца была не менее 25 мм.
Далее в камере создают остаточное давление, равное от 13 до 67 кПа, и выдерживают образцы при этом давлении в течение 5 - 10 мин. После этого определяют массу насыщенных образцов на воздухе в соответствии с
ГОСТ Р 58401.10 и записывают ее как
B с точностью до 0,1 г. После проведения взвешивания образцы, насыщенные водой, необходимо снова хранить в воде, пока проводят расчет степени насыщения.
Затем вычисляют объем поглощенной воды J, см3, по формуле

(3)
где B - масса образца после насыщения водой, на воздухе, г;
A - масса сухого образца на воздухе, г;

- плотность воды, равная 0,997, г/см
3.
Далее вычисляют степень насыщения W, %, по формуле

(4)
где Va - объем воздушных пустот, см3.
Если степень насыщения составляет от 70% до 80%, то заматывают насыщенные водой образцы в пластиковую стрэтч-пленку и помещают их в герметичные полиэтиленовые пакеты, каждый отдельно, и добавляют в пакет (10,0 +/- 0,5) мл воды. Плотно закрыв полиэтиленовые пакеты, помещают их вместе с образцами в морозильную камеру при температуре от минус 15 °C до минус 21 °C на время не менее 16 ч.
Если степень насыщения составляет менее 70%, то следует повторить вышеописанную процедуру водонасыщения, используя большее давление вакуума или более продолжительное время насыщения, до тех пор, пока степень насыщения не будет составлять от 70% до 80%.
В случае если степень насыщения превысила 80%, то данные образцы следует отбраковать.
Вынимают образцы из морозильной камеры, удаляют стрэтч-пленку и полиэтиленовый пакет и помещают образцы в водяной термостат с температурой (60 +/- 1) °C на (24 +/- 1) ч.
9.3 Образцы из первой (сухой группы) помещают в герметичный пакеты непосредственно перед помещением в водяной термостат.
Далее образцы из первой группы, в герметичных пакетах, и из второй группы, без стрэтч-пленки и пакетов, помещают в водяную ванну при температуре (23 +/- 1) °C на (120 +/- 10) мин. Уровень воды над поверхностью образцов должен составлять не менее 25 мм. При необходимости допускается добавление льда в водяную ванну для стабилизации температуры в первые 15 мин.
После термостатирования в водяной ванне необходимо измерить толщину всех образцов
h, мм, и раздавить их с применением нагрузочных пластин, описанных в
4.10, фиксируя максимальную нагрузку
P, Н, при сжатии каждого образца, продолжая нагружение до полного разрушения образца на две части. При проведении испытания необходимо удостовериться в том, что нагрузку прикладывают строго по вертикальной диаметральной оси образца.
На разломившихся поверхностях образцов из второй группы оценивают адгезионные свойства асфальтобетона. Оценку выставляют по пятибалльной шкале - чем больше количество разрушений было выявлено на разломившейся поверхности образца, тем ниже оценка.
Разрушениями на поверхности образца принято считать участки, на которых произошло отслаивание битумной пленки от каменного материала, или места разрушения самого каменного материала.
10 Обработка результатов испытаний
10.1 Для каждого испытуемого образца предел прочности при непрямом растяжении S, кПа, вычисляют по формуле

(5)
где P - максимальная нагрузка, Н;
h - толщина образца, мм;
D - диаметр образца, мм.
10.2 Коэффициент водостойкости TSR вычисляют как отношение среднеарифметических пределов прочности при непрямом растяжении между второй и первой группами образцов по формуле

(6)
где S2 - среднеарифметическое значение предела прочности при непрямом растяжении образцов из второй группы, кПа;
S1 - среднеарифметическое значение предела прочности при непрямом растяжении образцов из первой группы, кПа.
11 Оформление результатов испытаний
Результаты оформляют соответствующим образом с указанием следующей информации:
- обозначения настоящего стандарта;
- даты проведения испытания;
- наименования организации, проводившей испытание;
- вида (типа) асфальтобетона;
- числа образцов в каждой группе, шт.;
- коэффициента водостойкости;
- визуальной оценки адгезионных свойств по пятибалльной шкале.
12 Контроль точности результатов испытаний
Точность результатов испытаний обеспечивается:
- соблюдением требований настоящего стандарта;
- проведением периодической оценки метрологических характеристик средств измерений. Весы, применяемые при испытаниях по настоящему стандарту, должны иметь действующий знак поверки и/или свидетельство о поверке;
- проведением периодической аттестации оборудования.
Лицо, проводящее испытание, должно быть ознакомлено с требованиями настоящего стандарта.