Главная // Актуальные документы // ГОСТ Р (Государственный стандарт)СПРАВКА
Источник публикации
М.: Стандартинформ, 2019
Примечание к документу
Документ
введен в действие с 1 июля 2019 года.
Название документа
"ГОСТ Р 58336-2018. Национальный стандарт Российской Федерации. Упоры уголковые анкерные. Методы испытаний"
(утв. и введен в действие Приказом Росстандарта от 28.12.2018 N 1183-ст)
"ГОСТ Р 58336-2018. Национальный стандарт Российской Федерации. Упоры уголковые анкерные. Методы испытаний"
(утв. и введен в действие Приказом Росстандарта от 28.12.2018 N 1183-ст)
Утвержден и введен в действие
агентства по техническому
регулированию и метрологии
от 28 декабря 2018 г. N 1183-ст
НАЦИОНАЛЬНЫЙ СТАНДАРТ РОССИЙСКОЙ ФЕДЕРАЦИИ
УПОРЫ УГОЛКОВЫЕ АНКЕРНЫЕ
МЕТОДЫ ИСПЫТАНИЙ
Anchor angular emphasis. Test methods
ГОСТ Р 58336-2018
Дата введения
1 июля 2019 года
1 РАЗРАБОТАН Обществом с ограниченной ответственностью "Центральный научно-исследовательский институт "ПроектСтальКонструкция" (ООО "ЦНИИ ПроектСтальКонструкция")
2 ВНЕСЕН Техническим комитетом по стандартизации ТК 144 "Строительные материалы (изделия) и конструкции"
3 УТВЕРЖДЕН И ВВЕДЕН В ДЕЙСТВИЕ
Приказом Федерального агентства по техническому регулированию и метрологии от 28 декабря 2018 г. N 1183-ст
4 ВВЕДЕН ВПЕРВЫЕ
Правила применения настоящего стандарта установлены в статье 26 Федерального закона от 29 июня 2015 г. N 162-ФЗ "О стандартизации в Российской Федерации". Информация об изменениях к настоящему стандарту публикуется в ежегодном (по состоянию на 1 января текущего года) информационном указателе "Национальные стандарты", а официальный текст изменений и поправок - в ежемесячном информационном указателе "Национальные стандарты". В случае пересмотра (замены) или отмены настоящего стандарта соответствующее уведомление будет опубликовано в ближайшем выпуске ежемесячного информационного указателя "Национальные стандарты". Соответствующая информация, уведомление и тексты размещаются также в информационной системе общего пользования -
на официальном сайте Федерального агентства по техническому регулированию и метрологии в сети Интернет (www.gost.ru)
Настоящий стандарт разработан в соответствии с Федеральным
законом от 27 декабря 2002 г. N 184-ФЗ "О техническом регулировании" и предназначен для разработчиков стандарта и организаций, разрабатывающих проектную и иную документацию при строительстве сталежелезобетонных перекрытий, в том числе с монолитной плитой по стальному профилированному настилу.
В настоящем стандарте рассматриваются методы испытаний уголковых анкерных упоров, обеспечивающих совместную работу стальных балок и железобетонной плиты перекрытия комбинированной конструкции.
Стандарт разработан авторским коллективом ООО "ЦНИИ ПроектСтальКонструкция".
Руководитель работы - канд. тех. наук Э.Л. Айрумян.
Инженеры: Н.И. Каменщиков, О.А. Ошкампе.
Настоящий стандарт устанавливает методы испытаний упоров в виде холодногнутых уголков, выполняющих функции анкерных упоров в сталежелезобетонных конструкциях перекрытий в соответствии с
СП 266.1325800.2016.
Настоящий стандарт определяет требования к методам статических испытаний уголковых упоров, закрепленных на балках перекрытия с помощью дюбелей.
Настоящий стандарт не содержит методов оценки несущей способности уголковых упоров.
В настоящем стандарте использованы нормативные ссылки на следующие документы:
ГОСТ 12.1.004 Система стандартов безопасности труда. Пожарная безопасность. Общие требования
ГОСТ 12.2.003 Система стандартов безопасности труда. Оборудование производственное. Общие требования безопасности
ГОСТ 1497 (ИСО 6892) Металлы. Методы испытаний на растяжение
ГОСТ 8267 Щебень и гравий из плотных горных пород для строительных работ. Технические условия
ГОСТ 9013 (ИСО 6508) Металлы. Метод измерения твердости по Роквеллу
ГОСТ 10178 Портландцемент и шлакопортландцемент. Технические условия
ГОСТ 10180 Бетоны. Методы определения прочности по контрольным образцам
ГОСТ 17624 Бетоны. Ультразвуковой метод определения прочности
ГОСТ 18321 Статистический контроль качества. Методы случайного отбора выборок штучной продукции
ГОСТ 22690 Бетоны. Определение прочности механическими методами неразрушающего контроля
ГОСТ 26633 Бетоны тяжелые и мелкозернистые. Технические условия
ГОСТ 27772 Прокат для строительных стальных конструкций. Общие технические условия
ГОСТ 28570 Бетоны. Методы определения прочности по образцам, отобранным из конструкций
ГОСТ 31108 Цементы общестроительные. Технические условия
ГОСТ Р 57837 Двутавры стальные горячекатаные с параллельными гранями полок. Технические условия
ГОСТ Р ИСО 5725-2 Точность (правильность и прецизионность) методов и результатов измерений. Часть 2. Основной метод определения повторяемости и воспроизводимости стандартного метода измерений
Примечание - При пользовании настоящим стандартом целесообразно проверить действие ссылочных стандартов (сводов правил) в информационной системе общего пользования - на официальном сайте Федерального агентства по техническому регулированию и метрологии в сети Интернет или по ежегодному информационному указателю "Национальные стандарты", который опубликован по состоянию на 1 января текущего года, и по выпускам ежемесячного информационного указателя "Национальные стандарты" за текущий год. Если заменен ссылочный документ, на который дана недатированная ссылка, то рекомендуется использовать действующую версию этого документа с учетом всех внесенных в данную версию изменений. Если заменен ссылочный документ, на который дана датированная ссылка, то рекомендуется использовать версию этого документа с указанным выше годом утверждения (принятия). Если после утверждения настоящего стандарта в ссылочный документ, на который дана датированная ссылка, внесено изменение, затрагивающее положение, на которое дана ссылка, то это положение рекомендуется применять без учета данного изменения. Если ссылочный документ отменен без замены, то положение, в котором дана ссылка на него, рекомендуется применять в части, не затрагивающей эту ссылку.
3 Термины, определения и обозначения
3.1 В настоящем стандарте применены следующие термины с соответствующими определениями:
3.1.1 сталежелезобетонная конструкция перекрытия: Комбинированная конструкция, в которой совместная работа несущих стальных балок и железобетонной плиты перекрытия обеспечивается стальными упорами, закрепленными на балках.
3.1.2 уголковый упор: Конструктивный элемент в виде стального холодногнутого уголка, закрепленного одной полкой к верхнему поясу стальной балки сталежелезобетонного перекрытия.
3.1.3 профилированный настил: Стальные листовые профили с трапециевидными гофрами, соединенные между собой и выполняющие функции несъемной опалубки плиты перекрытия.
3.1.4 дюбель: Стальной гвоздь, предназначенный для крепления уголковых упоров к балке пороховым монтажным пистолетом.
3.2 В настоящем стандарте применены следующие обозначения:
hsc - высота свободной полки уголкового упора;
h - толщина бетонной плиты перекрытия;
a' - защитный слой бетона над уголковым упором;
tI, bI - толщина и ширина плоского листа из профилированного настила;
tII, bII - толщина и ширина стальной пластины, имитирующей верхнюю полку стальной балки;
P - сдвигающее усилие при испытании образца;

- сдвиг балки по направлению приложенной нагрузки
P;

- предельный сдвиг балки по направлению приложенной нагрузки
P, по достижении которого происходит разрушение образца;
PRk - нормативная величина прилагаемой нагрузки P;
d0 - диаметр дюбеля;
b0 - средняя ширина гофры профилированного настила.
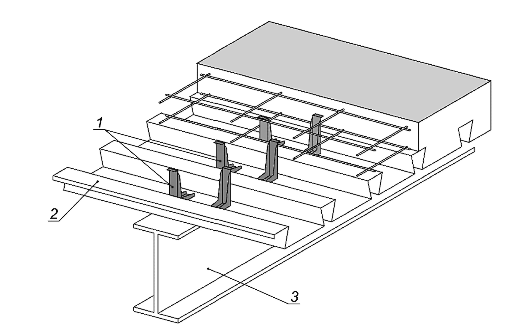
4.1 Уголковые упоры, предназначенные для обеспечения совместной работы стальных балок и монолитной железобетонной плиты перекрытия, изготовленной по
СП 261.1325800.2016, изготовляют из стали толщиной не менее 2,0 мм и располагают непосредственно на стальной балке или на нижних полках профилированного настила (см.
рисунок 1).
1 - уголковый упор; 2 - дюбель; 3 - балка;
4 - настил; 5 - плита
Рисунок 1 - Уголковый упор в плите
по профилированному настилу
4.2 Уголковые упоры располагают на нижних полках профилированного настила перпендикулярно или параллельно оси балки (как показано на
рисунке 2).
1 - уголковый упор; 2 - профилированный настил; 3 - балка
Рисунок 2 - Установка уголковых упоров
параллельно оси балки
4.3 Уголковые упоры крепят к балке дюбелями диаметром не менее
d0 >= 4,5 мм пороховым монтажным пистолетом. Для повышения сопротивления сдвигу дюбели должны иметь одну или две металлические шайбы (см.
рисунок 3).
1 - головка; 2 - шайба; 3 - хвостовик
4.4 Выбор типа дюбеля для крепления упоров зависит от толщины и прочности верхней полки балок, толщина которой должна быть не менее 8 мм для стали с временным сопротивлением не более 700 МПа.
4.5 Результаты испытаний по настоящему стандарту используют для установления или контроля соответствия механических характеристик уголковых упоров нормативным документам и технической документации производителя.
4.6 В качестве механических характеристик уголковых упоров принимают:
- прочность и податливость на сдвиг соединения стальной балки и железобетонной плиты, выполненного с помощью уголковых упоров;
- прочность и податливость соединений листов профилированного настила со стальной балкой в местах установки уголковых упоров.
4.7 Совместно с уголковыми упорами на испытание представляют комплект следующей технической документации:
- сведения о предприятии-изготовителе;
- руководство по установке уголкового упора;
- комплект стандартного оборудования для установки уголковых упоров.
5 Требования к условиям испытаний и оборудованию
5.1 Условия проведения испытаний
5.1.1 Испытания следует проводить при температуре окружающего воздуха от 10 °C до 40 °C и влажности не более 70%.
5.1.2 Бетон образца плиты следует выдерживать при положительной температуре окружающего воздуха не менее 7 сут.
5.2 Требования к бетону образца
5.2.1 Для испытаний следует применять тяжелый бетон, соответствующий требованиям
ГОСТ 26633, изготовленный на портландцементе по
ГОСТ 10178,
ГОСТ 31108.
5.2.2 В качестве заполнителя для бетона следует применять гранитный щебень по
ГОСТ 8267 крупностью 5 - 20 мм.
5.2.3 Бетон должен быть изготовлен с водоцементным отношением не более 0,75, при этом расход цемента должен составлять не менее 240 кг/м3.
5.2.4 Средняя прочность бетона плиты, соответствующая принятому классу бетона, который предназначен для испытаний, должна быть в диапазоне, указанном в таблице 1.
Таблица 1
Диапазон прочности бетона
Класс бетона B | Диапазон прочности R, МПа | Класс бетона B | Диапазон прочности R, МПа |
15 | 12 - 19 | 40 | 40 - 44 |
20 | 20 - 24 | 45 | 45 - 49 |
25 | 25 - 29 | 50 | 50 - 54 |
30 | 30 - 34 | 55 | 55 - 59 |
35 | 35 - 39 | 60 | 60 - 70 |
5.2.5 Прочность бетона плиты следует устанавливать по стандартным образцам-кубам, изготовляемым при бетонировании образца для испытаний с уголковыми упорами, согласно
ГОСТ 10180 в количестве не менее трех образцов.
5.2.6 Испытания стандартных образцов по
ГОСТ 10180 следует проводить в ходе испытаний образцов с уголковыми упорами. Допускается также определять прочность бетона путем отбора образцов по
ГОСТ 28570 или методами неразрушающего контроля по
ГОСТ 22690 и
ГОСТ 17624.
5.2.7 Испытания образцов с уголковыми упорами следует проводить в возрасте бетона не менее 28 сут. Допускается проводить испытание в возрасте, отличном от 28 сут, при соблюдении требований в
5.2.4.
5.3 Требования к образцам и оборудованию для испытаний
5.3.1 Стандартные испытания прочности и податливости соединений стальной балки и железобетонной плиты при их взаимном сдвиге должны проводиться на образцах двух типов. Схема и размеры образцов 1 и 2 типа с уголковыми упорами приведены в
приложениях А и
Б соответственно.
5.3.2 Между смежными гофрами профилированного листа допускается располагать от одного до трех упоров. Минимальное расстояние между стенками соседних поперечных упоров - 50 мм, для продольного расположенных упоров - 100 мм. Максимальное расстояние между соседними продольными упорами не должно превышать 600 мм или 4
h. Свободные полки упоров должны выступать над верхними полками настила не менее чем на 20 мм, как показано на
рисунках 4 и
5.
а
б
а - при установке упора вдоль оси балки;
б - при установке упора поперек оси балки
Рисунок 4 - Ориентация уголковых упоров
а
б
а - при установке упора вдоль оси балки;
б - при установке упора на профилированном настиле
Рисунок 5 - Интервалы и расстояния
при расположении уголковых упоров
5.3.3 Каждую из двух бетонных плит образца следует бетонировать в горизонтальном положении, как при бетонировании сталежелезобетонных плит в реальных условиях.
5.3.4 Сцепление по контакту между полками стальной балки и бетоном следует предотвращать с помощью нанесения смазки на полку.
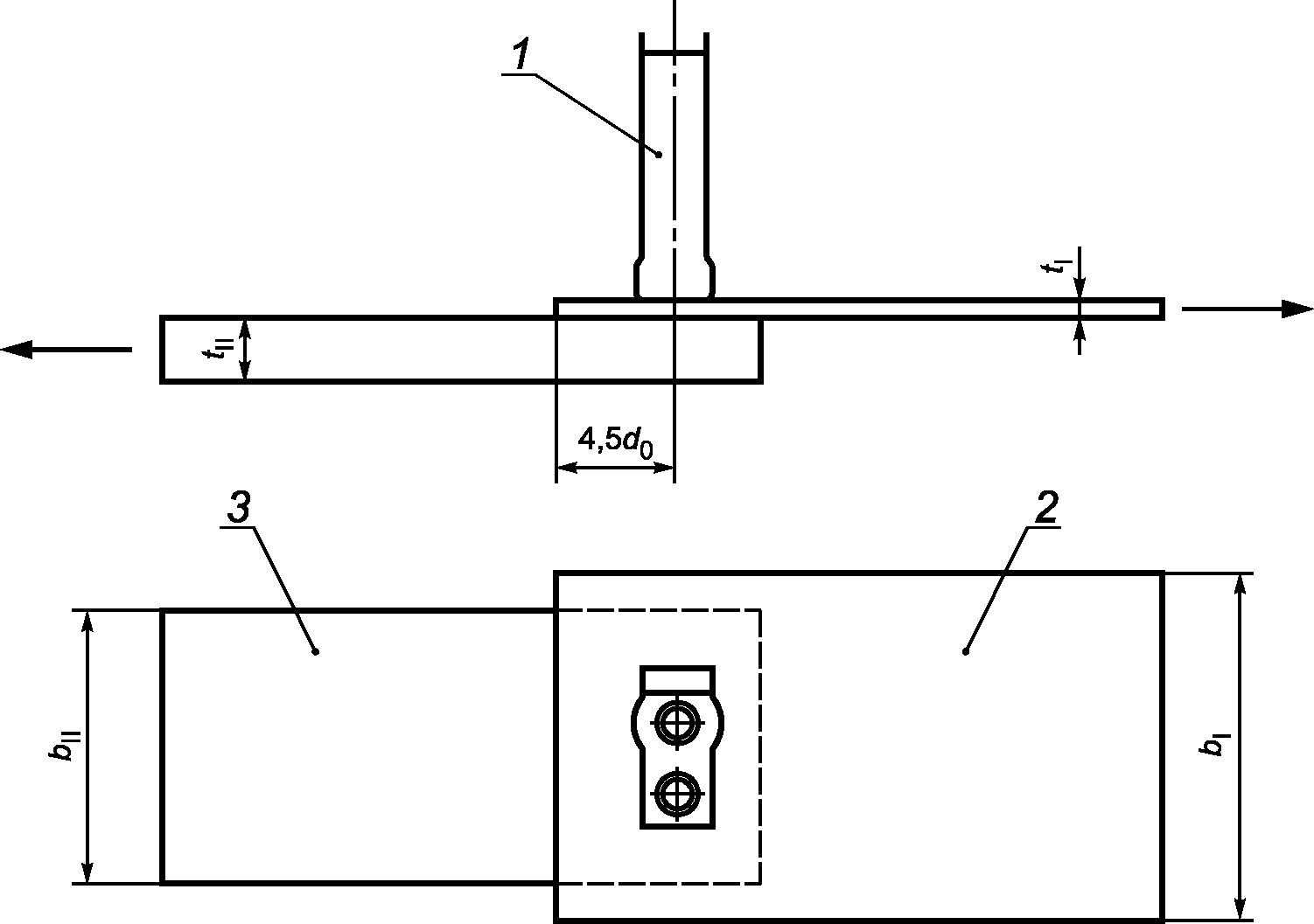
5.3.5 Плита образца должна иметь прямоугольную форму в плане толщиной не менее h, включающей толщину защитного слоя бетона над уголковым упором a' >= 25 мм.
5.3.6 Стандартные испытания прочности и податливости закрепления концов профилированного настила с балками при его вырыве из-под уголковых упоров следует проводить на образцах, схематично показанных на рисунках 6
а и 6
б, при условии
bII <= 1,5·
bI.
а
Рисунок 6 - Образец для испытания на вырыв настила
из-под уголкового упора на балке
б
1 - уголковый упор; 2 - плоский лист из профилированного
настила; 3 - стальная пластина, имитирующая верхнюю полку
стальной балки
а - при установке упора вдоль оси балки;
б - при установке упора поперек оси балки
Рисунок 6, лист 2
5.3.7 Перед испытанием следует определить предел текучести, временное сопротивление при растяжении и максимальное удлинение на стандартных образцах стальной балки образца и стального профилированного настила по
ГОСТ 1497.
5.3.8 Оборудование должно обеспечивать плавное приложение нагрузки с постоянной скоростью изменения усилия или перемещения и обеспечивать одновременную фиксацию усилия или перемещения подвижной части образца. Допускается также прикладывать нагрузку ступенями.
5.4 Требования к средствам измерений
5.4.1 Для измерений следует использовать аттестованные средства контроля, прошедшие калибровку и поверку в установленном порядке.
5.4.2 Погрешность измерения нагрузки не должна превышать 2% несущей способности уголкового упора при испытаниях на вырыв настила.
5.4.3 Погрешность измерения перемещений уголкового упора не должна превышать 0,02 мм при максимальном перемещении 6 мм.
5.5 Требования безопасности при проведении испытаний
5.5.2 При установке уголковых упоров следует соблюдать требования безопасности, предусмотренные в технической документации производителя.
5.5.3 Расположение испытательной площадки, оснастки и оборудования на ней должны гарантировать безопасность персонала, участвующего в испытании.
5.5.4 Испытания следует останавливать в следующих случаях:
- повышение давления в гидравлическом оборудовании выше значений, допускаемых технической документацией на оборудование;
- падение давления в гидравлическом оборудовании, не связанное с характером работы анкера под нагрузкой;
- обнаружение повреждений или неисправности оснастки и средств измерений.
5.5.5 Все работы, связанные с устранением обнаруженных дефектов, следует проводить только при полной разгрузке.
6 Методика проведения испытаний
6.1 Отбор образцов для испытаний
6.1.1 На испытания отбирают образцы уголковых упоров, представляющих готовую продукцию производителя. Комплектность поставки упоров и дюбелей должна соответствовать технической документации на представленный образец.
6.1.2 Образцы следует отбирать в случайном порядке по
ГОСТ 18321. Отбор образцов оформляется актом.
6.1.3 Перед испытаниями должна быть проведена идентификация отобранных уголковых упоров в следующем порядке:
- визуальный осмотр для установления соответствия уголкового упора технической документации;
- контроль соответствия маркировки, нанесенной на уголковый упор, технической документации;
- измерение размеров уголкового упора в соответствии с технической документацией.
6.1.4 Испытания уголковых упоров на сдвиг необходимо проводить не менее чем на трех одинаковых образцах типов 1 и 2 для оценки влияния различных параметров (размера уголкового упора, прочности бетона, шага упоров и др.).
Результаты испытаний следует группировать с учетом влияния различных параметров на механизм разрушения образца.
6.1.5 Испытания закрепления концов настила на вырыв в местах установки уголковых упоров необходимо проводить не менее чем на десяти одинаковых образцах, при толщине листов настила tI от 0,8 до 3,0 мм и толщине пластины tII не менее 8,0 мм.
6.1.6 При проведении испытаний номинально одинаковых образцов и отклонении результатов от среднего значения более чем на 10% необходимо провести дополнительно не менее трех испытаний образцов одного типа в соответствии с
ГОСТ 18321.
6.2 Испытательное оборудование и измерительная аппаратура
6.2.1 При испытании образцов с уголковыми упорами на сдвиг нагрузка должна быть приложена параллельно поверхности бетонных плит.
6.2.2 Для испытаний на сдвиг нагрузка должна прикладываться с помощью гидравлического домкрата непрерывно или ступенями с использованием электронных измерителей нагрузки и перемещения.
6.2.3 Для испытаний образцов с уголковым упором на вырыв листа должна использоваться разрывная машина с точностью измерения нагрузки по
5.4.2.
6.2.4 Для измерения перемещения по направлению испытательной нагрузки при испытаниях на сдвиг и вырыв должны использоваться индикаторы с погрешностью измерения не более 0,01 мм.
6.2.5 Продолжительность приложения нагрузки должна составлять от 5 до 7 мин при непрерывном нагружении и 15 - 20 мин при нагружении ступенями с выдержкой 2 - 3 мин на каждой ступени.
6.3 Проведение испытаний и обработка результатов
6.3.1 Нагружение образцов выполняют ступенями или непрерывно до достижения одного из предельных состояний.
6.3.2 Предельным состоянием при испытании образцов на сдвиг считается:
- нарушение сцепления стальной балки с бетонной плитой при их взаимном сдвиге;
- выкалыванием бетона плиты под уголковым упором;
- разрушение уголкового упора или дюбеля.
6.3.3 Предельным состоянием при испытании образцов на вырыв листа из-под уголковых упоров (см.
5.3.6) считается:
- взаимное перемещение листа и опорной пластины образца, превышающее 5 мм;
- разрыв листа в дюбельном соединении;
- разрушение дюбеля.
6.3.4 Результаты испытаний образцов на сдвиг и вырыв оцениваются статистически в соответствии с положениями
ГОСТ Р ИСО 5725-2 с учетом нижней доверительной границы при обеспеченности 95% и коэффициента надежности, равного 1,25.
6.3.5 Кривые "нагрузка-перемещение" и нагрузки, соответствующие предельным состояниям, а также свойства листового материала, уголковых упоров, материала плиты и дюбелей должны быть внесены в отчет о результатах испытаний. Твердость стержней дюбелей должна проверяться по шкале Роквелла в соответствии с
ГОСТ 9013 не менее чем на 10 образцах, и соответствовать спецификации, предоставленной производителем.
7 Правила оформления результатов испытаний
7.1 Общие сведения
В протокол испытания должны быть включены следующие сведения:
- описание и тип уголкового упора;
- идентификация уголкового упора (размеры, материалы, покрытие, метод изготовления);
- название и адрес предприятия изготовителя;
- название и адрес испытательной лаборатории;
- дата проведения испытания;
- лицо, ответственное за проведение испытания;
- вид испытания (например, испытание на растяжение, сдвиг);
- количество испытаний;
- оснастка для испытаний с рисунками или фотографиями.
7.2 Характеристика плиты для испытания
В протокол испытания должны быть включены следующие сведения:
- состав бетона;
- показатели бетонной смеси перед укладкой (плотность, подвижность);
- дата изготовления;
- размеры контрольных образцов и/или кернов (в соответствующих случаях);
- значение прочности на сжатие в момент проведения испытания (отдельные результаты и среднее значение);
- характер и расположение армирования плиты.
7.3 Характеристика балки для испытания
В протокол испытания должны быть включены следующие сведения:
- размеры сечения и длина.
7.4 Характеристика профилированного настила для испытаний на сдвиг и вырыв
В протокол испытания должны быть включены следующие сведения:
- тип гофрированного профиля;
- толщина профилированного листа без учета толщины цинка;
- марка стали;
- толщина и марка стали пластины основания образца при испытании на вырыв.
7.5 Установка уголкового упора
В протокол испытания должны быть включены следующие сведения:
- сведения о расположении упора (вдоль или поперек балки);
- расстояния между соседними упорами и краем бетонной плиты;
- тип использования дюбелей;
- тип использования патронов для установки дюбелей.
7.6 Зафиксированные показатели
В протокол испытания должны быть включены следующие сведения:
- параметры приложения нагрузки (время достижения максимальной нагрузки, скорость перемещения);
- график сдвига балки от приложенной нагрузки по плоскостям контакта между каждой бетонной плитой и стальной балкой, следует измерять на каждом этапе нагружения (см.
рисунок 7);
- разрушающая нагрузка;
- тип разрушения упора;
- форма и размеры конуса выкалывания бетонного основания при разрушении (в соответствующих случаях);
- сведения об испытаниях листа на вырыв (механизм разрушения, возможен срез дюбеля).
Примечание - Содержание протокола может быть дополнено, в зависимости от объема и обстоятельств испытаний.
а - схема нагружения стандартного образца; б - график
зависимости сдвига балки

от приложенной нагрузки
P
Рисунок 7 - Стандартные испытания прочности и податливости
соединений стальной балки и железобетонной плиты
при их взаимном сдвиге
(справочное)
ОБРАЗЕЦ ДЛЯ СТАНДАРТНОГО ИСПЫТАНИЯ НА СДВИГ - ТИП 1
Арматурная сталь |
Позиция | Диаметр, мм | Эскиз | Длина, мм | Вес, кг |
1 | 10 | | 1250 | 23,25 |
2 | 10 | | 1180 | 17,56 |
1 - слой цементного раствора; 2 - зазор 30 мм;
3 - армирование: арматура периодического профиля диаметром
10 мм с пределом текучести 400 <= Rs,n <= 500 Н/мм2,
стальное сечение: двутавр 25К2-ГК; 4 - бетонная плита
толщиной h = hsc + a'; 5 - защитный слой бетона a' = 25 мм
Рисунок А.1 - Образец для стандартного испытания
на сдвиг - тип 1
Сталь |
Позиция | Количество | Наименование |
1.1 | 3 | 25К2-ГК <1>; L = 600 мм, С345 <2> |
1.2 | | Пластина b/h/t = 250/85/20 мм, С235 <2> |
1.3 | | Упор уголковый |
|
Рисунок А.2 - Стальной элемент стандартного образца
для испытаний на сдвиг - тип 1
(справочное)
ОБРАЗЕЦ ДЛЯ СТАНДАРТНОГО ИСПЫТАНИЯ НА СДВИГ - ТИП 2
Арматурная сталь |
Позиция | Диаметр, мм | Эскиз | Длина, мм | Вес, кг |
1 | 10 | | 1250 | 23,25 |
2 | 10 | | 1180 | 17,56 |
1 - слой цементного раствора; 2 - зазор 30 мм;
3 - армирование: арматура периодического профиля диаметром
10 мм с пределом текучести 400 <= Rs,n <= 500 Н/мм2,
стальное сечение: двутавр 25К2-ГК; 4 - бетонная плита
толщиной h = hsc + a'; 5 - защитный слой бетона a' = 25 мм
Рисунок Б.1 - Образец для стандартного испытания
на сдвиг - тип 2
Сталь |
Позиция | Количество | Наименование |
1.1 | 3 | 25К2-ГК <1>; L = 600 мм, С345 <2> |
1.2 | | Пластина b/h/t = 250/85/20 мм, С235 <2> |
1.3 | | Упор уголковый |
|
Рисунок Б.2 - Стальной элемент стандартного образца
для испытаний на сдвиг - тип 2