Главная // Актуальные документы // ГОСТ Р (Государственный стандарт)
СПРАВКА
Источник публикации
М.: Стандартинформ, 2019
Примечание к документу
В соответствии с Приказом Росстандарта от 27.09.2019 N 805-ст данный документ вводился в действие с 01.03.2020. В соответствии с изменениями, внесенными Приказами Росстандарта от 27.01.2020 N 15-ст, 28.07.2020 N 422-ст, срок введения в действие данного документа перенесен на 01.01.2022.

Название документа
"ГОСТ Р 53261-2019. Национальный стандарт Российской Федерации. Техника пожарная. Самоспасатели пожарные фильтрующие для защиты людей от токсичных продуктов горения при спасании из задымленных помещений во время пожара. Общие технические требования. Методы испытаний"
(утв. и введен в действие Приказом Росстандарта от 27.09.2019 N 805-ст)

"ГОСТ Р 53261-2019. Национальный стандарт Российской Федерации. Техника пожарная. Самоспасатели пожарные фильтрующие для защиты людей от токсичных продуктов горения при спасании из задымленных помещений во время пожара. Общие технические требования. Методы испытаний"
(утв. и введен в действие Приказом Росстандарта от 27.09.2019 N 805-ст)


Содержание


Утвержден и введен в действие
Приказом Федерального
агентства по техническому
регулированию и метрологии
от 27 сентября 2019 г. N 805-ст
НАЦИОНАЛЬНЫЙ СТАНДАРТ РОССИЙСКОЙ ФЕДЕРАЦИИ
ТЕХНИКА ПОЖАРНАЯ
САМОСПАСАТЕЛИ ПОЖАРНЫЕ ФИЛЬТРУЮЩИЕ
ДЛЯ ЗАЩИТЫ ЛЮДЕЙ ОТ ТОКСИЧНЫХ ПРОДУКТОВ ГОРЕНИЯ
ПРИ СПАСАНИИ ИЗ ЗАДЫМЛЕННЫХ ПОМЕЩЕНИЙ ВО ВРЕМЯ ПОЖАРА
ОБЩИЕ ТЕХНИЧЕСКИЕ ТРЕБОВАНИЯ.
МЕТОДЫ ИСПЫТАНИЙ
Fire equipment. Fire self-rescuer filters for protection
of people against toxic products at the escape from smoking
buildings during a fire. General technical requirements.
Test methods
(EN 403:2004, NEQ)
ГОСТ Р 53261-2019
ОКС 13.340.30
13.220
ОКПД2 32.99.11.111
Приказом Росстандарта от 28.07.2020 N 422-ст дата введения в действие перенесена на 01.01.2022.
Дата введения
1 марта 2020 года
Предисловие
1 РАЗРАБОТАН Федеральным государственным бюджетным учреждением "Всероссийский ордена "Знак Почета" научно-исследовательский институт противопожарной обороны" Министерства Российской Федерации по делам гражданской обороны, чрезвычайным ситуациям и ликвидации последствий стихийных бедствий (ФГБУ ВНИИПО МЧС России)
2 ВНЕСЕН Техническим комитетом по стандартизации ТК 274 "Пожарная безопасность"
3 УТВЕРЖДЕН И ВВЕДЕН В ДЕЙСТВИЕ Приказом Федерального агентства по техническому регулированию и метрологии от 27 сентября 2019 г. N 805-ст
4 Настоящий стандарт разработан с учетом основных нормативных положений европейского стандарта ЕН 403:2004 "Фильтрующее респираторное защитное устройство с маской для самостоятельной эвакуации с места пожара. Требования, испытания, маркировка" (EN 403:2004 "Respiratory protective devices for self-rescue - Filtering devices with hood for escape from fire - Requirements, testing, marking", NEQ)
5 ВЗАМЕН ГОСТ Р 53261-2009
Правила применения настоящего стандарта установлены в статье 26 Федерального закона от 29 июня 2015 г. N 162-ФЗ "О стандартизации в Российской Федерации". Информация об изменениях к настоящему стандарту публикуется в ежегодном (по состоянию на 1 января текущего года) информационном указателе "Национальные стандарты", а официальный текст изменений и поправок - в ежемесячном информационном указателе "Национальные стандарты". В случае пересмотра (замены) или отмены настоящего стандарта соответствующее уведомление будет опубликовано в ближайшем выпуске ежемесячного информационного указателя "Национальные стандарты". Соответствующая информация, уведомление и тексты размещаются также в информационной системе общего пользования - на официальном сайте Федерального агентства по техническому регулированию и метрологии в сети Интернет (www.gost.ru)
1 Область применения
1.1 Настоящий стандарт устанавливает общие технические требования и требования к методам испытаний на самоспасатели пожарные фильтрующие для индивидуальной защиты органов дыхания и зрения детей от 7 до 12 лет (далее - самоспасатели для детей от 7 до 12 лет) и людей старше 12 лет (далее - самоспасатели для людей старше 12 лет) от токсичных продуктов горения при спасании из помещений во время пожара.
1.2 Настоящий стандарт может быть рекомендован для целей подтверждения соответствия требованиям технических регламентов.
2 Нормативные ссылки
В настоящем стандарте использованы нормативные ссылки на следующие стандарты:
ГОСТ 12.4.005 Система стандартов безопасности труда. Средства индивидуальной защиты органов дыхания. Метод определения величины сопротивления дыханию
ГОСТ 12.4.026 Система стандартов безопасности труда. Цвета сигнальные, знаки безопасности и разметка сигнальная. Назначение и правила применения. Общие технические требования и характеристики. Методы испытаний
ГОСТ 12.4.061 Система стандартов безопасности труда. Метод определения работоспособности человека в средствах индивидуальной защиты
ГОСТ 12.4.157 Система стандартов безопасности труда. Противогазы и респираторы промышленные фильтрующие. Нефелометрические методы определения коэффициента подсоса масляного тумана под лицевую часть
ГОСТ 12.4.158 Система стандартов безопасности труда. Средства индивидуальной защиты органов дыхания фильтрующие. Методы определения времени защитного действия фильтрующе-поглощающих коробок по парообразным вредным примесям
ГОСТ 12.4.160 Система стандартов безопасности труда. Средства индивидуальной защиты органов дыхания фильтрующие. Метод определения времени защитного действия фильтрующе-поглощающих коробок по оксиду углерода
ГОСТ 12.4.293 (EN 136:1998) Система стандартов безопасности труда. Средства индивидуальной защиты органов дыхания. Маски. Общие технические условия
ГОСТ 12.4.294 (EN 149:2001+A1:2009) Система стандартов безопасности труда. Средства индивидуальной защиты органов дыхания. Полумаски фильтрующие для защиты от аэрозолей. Общие технические условия
ГОСТ 15.309 Система разработки и постановки продукции на производство. Испытания и приемка выпускаемой продукции. Основные положения
ГОСТ 15150 Машины, приборы и другие технические изделия. Исполнения для различных климатических районов. Категории, условия эксплуатации, хранения и транспортирования в части воздействия климатических факторов внешней среды
ГОСТ 16504 Система государственных испытаний продукции. Испытания и контроль качества продукции. Основные термины и определения
ГОСТ Р 15.301 Система разработки и постановки продукции на производство. Продукция производственно-технического назначения. Порядок разработки и постановки продукции на производство
Примечание - При пользовании настоящим стандартом целесообразно проверить действие ссылочных стандартов в информационной системе общего пользования - на официальном сайте Федерального агентства по техническому регулированию и метрологии в сети Интернет или по ежегодному информационному указателю "Национальные стандарты", который опубликован по состоянию на 1 января текущего года, и по выпускам ежемесячного информационного указателя "Национальные стандарты" за текущий год. Если заменен ссылочный стандарт, на который дана недатированная ссылка, то рекомендуется использовать действующую версию этого стандарта с учетом всех внесенных в данную версию изменений. Если заменен ссылочный стандарт, на который дана датированная ссылка, то рекомендуется использовать версию этого стандарта с указанным выше годом утверждения (принятия). Если после утверждения настоящего стандарта в ссылочный стандарт, на который дана датированная ссылка, внесено изменение, затрагивающее положение, на которое дана ссылка, то это положение рекомендуется применять без учета данного изменения. Если ссылочный стандарт отменен без замены, то положение, в котором дана ссылка на него, рекомендуется применять в части, не затрагивающей эту ссылку.
3 Термины и определения
В настоящем стандарте применены следующие термины с соответствующими определениями:
3.1 самоспасатель пожарный фильтрующий: Средство индивидуальной защиты органов дыхания и зрения человека, в котором вдыхаемый человеком воздух очищается в комбинированном фильтре самоспасателя, а выдыхаемый воздух удаляется в окружающую среду.
3.2 время защитного действия; ВЗД: Период, в течение которого сохраняется защитная способность фильтра самоспасателя, определяемый временем от момента поступления тест-вещества в фильтр до момента появления тест-вещества за фильтром в проскоковой концентрации.
3.3 спасание: Процесс индивидуального или коллективного перемещения людей в безопасную зону при наличии угрозы их жизни (здоровью) от воздействия опасных факторов пожара с использованием соответствующих технических средств защиты и (или) спасения.
3.4 легочная вентиляция: Объем воздуха, прошедшего при дыхании через легкие человека или через стенд-имитатор дыхания за одну минуту.
4 Общие технические требования
4.1 Требования назначения
4.1.1 В комплект самоспасателя должны входить:
- рабочая часть;
- герметичная упаковка;
- руководство по эксплуатации;
- паспорт;
- сумка (футляр).
Примечание - Рекомендуется партию самоспасателей для детей от 7 до 12 лет комплектовать учебным изделием (макетом) и учебным видеоматериалом по применению самоспасателя.
Проверку следует проводить в соответствии с положениями 7.1 и 7.2.
4.1.2 В рабочую часть самоспасателя должны входить:
- капюшон со смотровым окном;
- комбинированный фильтр (далее - фильтр).
Проверку следует проводить в соответствии с положениями 7.2.
4.1.3 Время защитного действия фильтра самоспасателя должно быть не менее 15 мин при воздействии на него следующих тест-веществ:
- монооксида углерода;
- хлорида водорода;
- цианида водорода;
- акролеина.
Испытания следует проводить в соответствии с 7.3.
4.1.4 Коэффициент подсоса аэрозоля стандартного масляного тумана (аэрозоля хлорида натрия) в подмасочное пространство капюшона самоспасателя для людей старше 12 лет должен быть:
- не более 2%;
- не более 5% - для людей, имеющих бороду, длинные волосы (объемную прическу).
Испытания следует проводить в соответствии с 7.16.
4.1.5 Коэффициент подсоса аэрозоля стандартного масляного тумана (аэрозоля хлорида натрия) под капюшон самоспасателя для людей старше 12 лет в зоне смотрового окна должен быть не более 5% при наличии полумаски (четвертьмаски) в капюшоне.
Испытания следует проводить в соответствии с 7.16.
4.1.6 Герметичность рабочей части должна быть такой, чтобы при создании вакуумметрического давления (800 +/- 10) Па изменение давления в ней не превышало (150 +/- 10) Па в 1 мин.
Испытания следует проводить в соответствии с 7.12.
4.1.7 Сопротивление дыханию самоспасателя для людей старше 12 лет при легочной вентиляции 35 дм3·мин-1 должно быть:
- на вдохе - не более 800 Па;
- на выдохе - не более 300 Па.
Испытания следует проводить в соответствии с 7.4.
4.1.8 Сопротивление дыханию самоспасателя для людей старше 12 лет при легочной вентиляции 50 дм3·мин-1 должно быть:
- на вдохе - не более 950 Па;
- на выдохе - не более 350 Па.
Испытания следует проводить в соответствии с 7.4.
4.1.9 Сопротивление дыханию самоспасателя для детей от 7 до 12 лет при легочной вентиляции 30 дм3·мин-1 должно быть:
- на вдохе - не более 650 Па;
- на выдохе - не более 300 Па.
Испытания следует проводить в соответствии с 7.4.
4.1.10 В самоспасателе содержание диоксида углерода на вдохе должно быть не более 3,0% (об.), при среднем значении - не более 1,5% (об.).
Испытания следует проводить в соответствии с 7.14, 7.15 и 7.17.
4.1.11 Масса рабочей части самоспасателя для людей старше 12 лет должна быть не более 1,00 кг.
4.1.12 Масса рабочей части самоспасателя для детей от 7 до 12 лет должна быть не более 0,85 кг.
Испытания следует проводить в соответствии с 7.5.
4.1.13 Время надевания и приведения самоспасателя для людей старше 12 лет в действие должно быть не более 60 с.
Испытания следует проводить в соответствии с 7.16.
4.1.14 Слюна и конденсат, образующиеся при дыхании в самоспасателе, не должны препятствовать работе самоспасателя.
Испытания следует проводить в соответствии с 7.15 и 7.16.
4.2 Требования надежности
4.2.1 Срок службы самоспасателя в состоянии ожидания применения должен быть не менее 5 лет с момента изготовления.
4.2.2 Вероятность сохранения исправности самоспасателя за время нахождения его в состоянии ожидания применения должна быть не менее 0,98.
Испытания следует проводить в соответствии с 7.13.1.
4.2.3 Вероятность безотказной работы самоспасателя за время защитного действия должна быть не менее 0,98.
Испытания следует проводить в соответствии с 7.13.2.
4.3 Требования стойкости к внешним воздействиям
4.3.1 Самоспасатель по виду климатического исполнения следует относить к исполнению У категории размещения 1 в соответствии с ГОСТ 15150, он должен быть рассчитан на применение при температуре окружающей среды в диапазоне от 0 °C до 60 °C и относительной влажности воздуха до 95% (при температуре (25 +/- 2) °C).
Испытания следует проводить в соответствии с 7.1.
4.3.2 Самоспасатель должен сохранять работоспособность после воздействия на него вибронагрузки с перегрузкой от 2 до 3g (g - ускорение свободного падения) при частоте от 50 до 60 Гц в течение (30 +/- 1) мин.
Испытания следует проводить в соответствии с 7.7.1.
4.3.3 Самоспасатель должен сохранять работоспособность после свободного падения с высоты (1,5 +/- 0,1) м на ровную бетонную поверхность.
Испытания следует проводить в соответствии с 7.7.2.
4.3.4 Самоспасатель должен сохранять работоспособность после воздействия климатических факторов:
- температуры (50 +/- 3) °C в течение (24 +/- 1) ч;
- температуры минус (50 +/- 3) °C в течение (4,0 +/- 0,1) ч;
- температуры (35 +/- 2) °C при относительной влажности воздуха (90 +/- 5)% в течение (24 +/- 1) ч.
Испытания следует проводить в соответствии с 7.8.
4.3.5 Самоспасатель должен сохранять работоспособность после пребывания в среде с температурой (200 +/- 5) °C в течение (60 +/- 5) с.
Испытания следует проводить в соответствии с 7.9.
4.3.6 Самоспасатель должен сохранять работоспособность после воздействия температуры открытого пламени (800 +/- 50) °C в течение (3,0 +/- 0,2) с.
Испытания следует проводить в соответствии с 7.10.
4.3.7 Самоспасатель должен сохранять работоспособность после воздействия теплового потока плотностью (8,5 +/- 0,5) кВт·м-2 в течение (3,0 +/- 0,1) мин.
Испытания следует проводить в соответствии с 7.11.
4.4 Требования к капюшону самоспасателя для детей от 7 до 12 лет
4.4.1 В конструкции самоспасателя должен использоваться одноразмерный капюшон яркого цвета со смотровым окном.
Испытания следует проводить в соответствии с 7.1 и 7.2.
4.4.2 Капюшон самоспасателя должен полностью закрывать голову ребенка.
Испытания следует проводить в соответствии с 7.1 и 7.2.
4.4.3 В конструкцию капюшона должна входить полумаска (или четвертьмаска) одного размера, которые закрывают нос и рот ребенка, изолируя подмасочное пространство от остального пространства под капюшоном.
Капюшон должен иметь шейный обтюратор из эластичного материала, обеспечивающий герметизацию капюшона по шее пользователя.
Испытания следует проводить в соответствии с 7.1 и 7.2.
4.4.4 Система крепления на капюшоне должна быть простой и удобной.
Испытания следует проводить в соответствии с 7.1 и 7.2.
4.4.5 Смотровое окно капюшона должно обеспечивать общую площадь поля зрения не менее 70% от общей площади поля зрения без капюшона.
Испытания следует проводить в соответствии с 7.18.
4.4.6 Соединение в самоспасателе между корпусом капюшона и фильтром должно выдерживать осевое растягивающее усилие (50 +/- 5) Н.
Испытания следует проводить в соответствии с 7.6.
4.4.7 Материалы, применяемые для изготовления самоспасателя и непосредственно соприкасающиеся с кожей пользователя и вдыхаемым воздухом, не должны оказывать раздражающего или иного вредного влияния на человека, что должно подтверждаться протоколами санитарно-гигиенических исследований на соответствие действующим нормативам.
Испытания следует проводить в соответствии с 7.1.
4.5 Требования к капюшону самоспасателя для людей старше 12 лет
4.5.1 Капюшон должен полностью закрывать голову человека.
Примечание - В конструкцию капюшона самоспасателя рекомендуется включать полумаску или четвертьмаску которые закрывают нос и рот человека, изолируя подмасочное пространство от остального пространства под капюшоном.
Проверку следует проводить в соответствии с 7.2 и 7.16.
4.5.2 Капюшон должен иметь только один размер.
Проверку следует проводить в соответствии с 7.2 и 7.16.
4.5.3 Капюшон должен быть удобным и комфортным для ношения и не вызывать наминов третьей степени мягких тканей лица, шеи, головы человека и болевых ощущений в течение времени защитного действия самоспасателя.
Испытания следует проводить в соответствии с 7.15.
4.5.4 Капюшон при использовании не должен ограничивать подвижность головы, шеи, рук и туловища человека.
Испытания следует проводить в соответствии с 7.15.
4.5.5 Капюшон должен позволять ведению переговоров между людьми, использующими самоспасатели.
Испытания следует проводить в соответствии с 7.15.
4.5.6 Конструкция смотрового окна капюшона должна препятствовать его запотеванию, существенно затрудняющему обзор человеку в самоспасателе.
Испытания следует проводить в соответствии с 7.15.
4.5.7 Смотровое окно капюшона должно обеспечивать общую площадь поля зрения не менее 70% от общей площади поля зрения без капюшона.
Испытания следует проводить в соответствии с 7.18.
4.5.8 Соединение в самоспасателе между корпусом капюшона и фильтром должно выдерживать осевое растягивающее усилие (50 +/- 5) Н.
Испытания следует проводить в соответствии с 7.6.
4.5.9 Материалы, применяемые для изготовления самоспасателя и непосредственно соприкасающиеся с кожей пользователя и вдыхаемым воздухом, не должны оказывать раздражающего или иного вредного влияния на человека, что должно подтверждаться протоколами санитарно-гигиенических исследований на соответствие действующим нормативам.
4.6 Требования к герметичной упаковке и футляру (сумке)
4.6.1 На футляре (сумке) самоспасателя должны быть нанесены пиктограммы по правилам приведения в действие самоспасателя.
Проверку следует проводить в соответствии с 7.2.
4.6.2 Герметичная упаковка и футляр (сумка) самоспасателя должны позволять их быстрое вскрытие руками, но препятствовать случайному вскрытию.
Испытания следует проводить в соответствии с 7.16.
4.6.3 Футляр (сумка) самоспасателя должен быть опечатан предприятием-изготовителем.
Испытания следует проводить в соответствии с 7.2.
4.7 Требования к маркировке
4.7.1 Требования к маркировке герметичной упаковки или футляра (сумки)
На герметичной упаковке или футляре (сумке) самоспасателя должна быть указана информация о назначении самоспасателя, а также нанесены следующие данные:
- наименование или условное обозначение изделия;
- возраст людей, для которых предназначен самоспасатель;
- номер технических условий (ТУ) и (или) номер стандарта;
- товарный знак или наименование предприятия-изготовителя (фирмы);
- страна-изготовитель;
- заводской номер партии;
- дата изготовления (месяц, год) и срок службы в состоянии ожидания применения, или дата истечения срока службы в состоянии ожидания применения (дата ближайшей проверки);
- информация на русском языке о том, что фильтрующий самоспасатель допускается использовать только при условии, если концентрация кислорода в окружающей среде составляет не менее 17% (об.).
Проверку следует проводить в соответствии с положениями 7.2.
4.7.2 Требования к маркировке рабочей части самоспасателя
На рабочей части самоспасателя должны быть нанесены следующие данные:
- наименование или условное обозначение изделия;
- номер партии самоспасателей;
- дата изготовления (год и месяц).
Проверку следует проводить в соответствии с положениями 7.2.
4.8 Требования к содержанию эксплуатационной документации на самоспасатель
4.8.1 Требования к содержанию руководства по эксплуатации самоспасателя
Руководство по эксплуатации самоспасателя должно содержать следующие сведения:
- наименование самоспасателя;
- область применения;
- составные части самоспасателя;
- основные технические характеристики (время защитного действия, масса, защитные свойства);
- возраст людей, для которых допускается эксплуатировать самоспасатель;
- правила подгонки и включения в самоспасатель;
- правила хранения;
- требования безопасности;
- ограничения применения;
- информация о том, что фильтрующий самоспасатель допускается использовать только при условии, что концентрация кислорода в окружающей среде составляет не менее 17% (об.);
- порядок и методы проверки (при необходимости).
4.8.2 Требования к содержанию паспорта на самоспасатель
Паспорт на самоспасатель должен содержать следующие сведения:
- информация об изготовителе (юридический адрес, телефон, факс, E-mail);
- дата изготовления (месяц, год);
- свидетельство о приемке;
- печать предприятия-изготовителя;
- срок службы в состоянии ожидания применения;
- номер партии самоспасателей;
- гарантии изготовителя.
Примечания
1 Допускается совмещать руководство по эксплуатации и паспорт на самоспасатель в одном документе.
2 Допускается составлять паспорт на партию самоспасателей.
3 Эксплуатационная документация на самоспасатель должна быть на русском языке.
5 Требования безопасности
5.1 Все надписи на самоспасателе, касающиеся техники безопасности, должны быть на русском языке.
5.2 Самоспасатель является изделием одноразового применения. Не допускается включаться в ранее использовавшийся самоспасатель.
5.3 Материалы, применяемые для изготовления самоспасателей, не должны при хранении выделять в атмосферу вредные вещества в концентрациях, превышающих их предельно допустимые значения.
5.4 Фильтрующий самоспасатель допускается использовать только при условии, что концентрация кислорода в окружающей среде составляет не менее 17% (об.).
5.5 Пыль из комбинированного фильтра самоспасателя не должна попадать в дыхательные пути пользователя и оказывать негативное воздействие на него.
6 Правила приемки
6.1 Стадии и этапы разработки и приемки
Самоспасатель должен пройти все стадии и этапы разработки и приемки, предусмотренные ГОСТ Р 15.301 и ГОСТ 15.309.
Производство и приемка самоспасателей осуществляется партиями. Размер партии и правила приемки должны устанавливаться в нормативно-технической документации производителя на самоспасатель.
6.2 Виды испытаний
Для контроля качества самоспасателей проводят в процессе разработки и производства следующие испытания:
- предварительные (заводские);
- приемочные;
- квалификационные;
- приемо-сдаточные;
- периодические;
- типовые.
Предварительные, приемочные, квалификационные испытания проводят в соответствии с ГОСТ Р 15.301.
Приемо-сдаточные, периодические, типовые испытания проводят в соответствии с ГОСТ 15.309.
Определения видов испытаний - по ГОСТ 16504.
6.2.1 Предварительные испытания
6.2.1.1 Предварительные испытания самоспасателей проводит предприятие-изготовитель в целях оценки соответствия опытных образцов самоспасателя требованиям технического задания (ТЗ), а также определения готовности опытных образцов к приемочным испытаниям.
6.2.1.2 Программа и методика предварительных и приемочных испытаний должна включать в себя проверку всех показателей и характеристик, указанных в настоящем стандарте, а также другие требования и методы испытаний в соответствии с ТЗ на конкретный тип самоспасателя.
6.2.2 Приемочные испытания
6.2.2.1 Приемочные испытания самоспасателей проводит предприятие-изготовитель в целях оценки всех определенных ТЗ характеристик самоспасателя, а также для принятия решения вопроса о возможности постановки самоспасателя на серийное производство.
6.2.2.2 Приемочным испытаниям подвергают опытные образцы самоспасателя.
6.2.3 Квалификационные испытания
6.2.3.1 Квалификационные испытания самоспасателей проводит предприятие-изготовитель в целях определения готовности предприятия к серийному производству самоспасателей.
6.2.3.2 Квалификационные испытания проводят по отдельной программе и методике испытаний, утвержденной предприятием-изготовителем.
6.2.4 Приемо-сдаточные испытания
6.2.4.1 Приемо-сдаточные испытания самоспасателей проводят в порядке и объеме, установленном в конструкторской документации на самоспасатель.
6.2.4.2 Приемо-сдаточным испытаниям подвергают партию самоспасателей.
6.2.5 Периодические испытания
6.2.5.1 Периодические испытания самоспасателей проводят один раз в два года в целях контроля стабильности качества самоспасателей.
6.2.5.2 Периодические испытания проводят в порядке и объеме, установленном в ТУ на самоспасатель.
6.2.6 Типовые испытания
6.2.6.1 Типовые испытания самоспасателей проводят в целях оценки эффективности и целесообразности внесения изменений в конструкцию самоспасателя.
6.2.6.2 Программа и методика типовых испытаний должна содержать проверку тех характеристик и параметров, на которые могут повлиять данные изменения.
6.2.6.3 Программа и методика типовых испытаний должна быть разработана предприятием-изготовителем.
6.2.6.4 Результаты типовых испытаний оформляют протоколом с заключением о целесообразности внесения изменений.
7 Методы испытаний
Испытания (проверки) проводят в нормальных климатических условиях по ГОСТ 15150 за исключением специально оговоренных условий испытаний.
На каждый вид испытаний (за исключением специально оговоренных) должны быть представлены три комплекта самоспасателей.
7.1 Проверка нормативно-технической документации на самоспасатель
Результат проверки считают положительным, если при рассмотрении нормативно-технической документации (НТД) установлено соответствие ее содержания требованиям настоящего стандарта.
7.2 Проверка внешнего вида, комплектности и маркировки самоспасателя
Результат проверки считают положительным, если при визуальном осмотре самоспасателя установлено его соответствие требованиям настоящего стандарта.
7.3 Проверка ВЗД фильтра самоспасателя
Проверку проводят определением фильтрующе-сорбирующих свойств фильтра самоспасателя при воздействии на него монооксида углерода, хлорида водорода, цианида водорода и акролеина.
Результат проверки считают положительным, если ВЗД фильтра по каждому тест-веществу составляет не менее 15 мин, а концентрация монооксида углерода во вдыхаемом воздухе на (5,0 +/- 0,1) и (10,0 +/- 0,1) мин от начала испытания составляет:
на (5,0 +/- 0,1) мин - не более 50 мг·м-3;
на (10,0 +/- 0,1) мин - не более 100 мг·м-3.
В испытаниях используют по два фильтра самоспасателя на каждое тест-вещество.
7.3.1 Проверка ВЗД фильтра самоспасателя по монооксиду углерода
Проверку проводят в соответствии с ГОСТ 12.4.160.
Время защитного действия определяют от момента пуска пульсирующего потока смеси монооксида углерода с воздухом в фильтр самоспасателя до момента появления проскоковой концентрации монооксида углерода после фильтра.
Проверку проводят при следующих постоянных условиях:
- объемный расход пульсирующего потока газовоздушной смеси (30,0 +/- 0,9) дм3·мин-1 (при использовании одного фильтра) и (15,0 +/- 0,5) дм3·мин-1 (при использовании двух фильтров);
- относительная влажность воздуха (90 +/- 5)%;
- температура воздушного потока (20 +/- 5) °C;
- начальная концентрация монооксида углерода в газовоздушной смеси, подаваемой в фильтр, 0,35% (об.) (4375 +/- 125) мг·м-3;
- частота пульсаций 20 - 25 пульсаций в 1 мин.
Проскоковая концентрация монооксида углерода после фильтра - 200 мг·м-3.
7.3.2 Проверка ВЗД фильтра самоспасателя по цианиду водорода (синильной кислоте)
Проверку проводят в соответствии с ГОСТ 12.4.158.
Время защитного действия определяют от момента пуска смеси воздуха с цианидом водорода в фильтр самоспасателя до момента появления за фильтром смеси воздуха с цианидом водорода в количестве, обнаруживаемом индикатором.
Проверку проводят при следующих постоянных условиях:
- объемный расход постоянного потока паровоздушной смеси (30,0 +/- 0,9) дм3·мин-1 (при использовании одного фильтра) и (15,0 +/- 0,5) дм3·мин-1 (при использовании двух фильтров);
- относительная влажность воздуха (50 +/- 3)%;
- температура воздушного потока (20 +/- 5) °C;
- начальная концентрация цианида водорода в паровоздушной смеси, подаваемой на фильтр (400 +/- 40) см3·м-3.
Проскоковая концентрация цианида водорода после фильтра - 10 см3·м-3.
Испытания проводят до момента изменения окраски индикатора.
7.3.3 Проверка ВЗД фильтра самоспасателя по хлориду водорода
Проверку проводят при следующих постоянных условиях:
- объемный расход постоянного потока паровоздушной смеси (30,0 +/- 0,9) дм3·мин-1 (при использовании одного фильтра) и (15,0 +/- 0,5) дм3·мин-1 (при использовании двух фильтров);
- относительная влажность воздуха не более 50%;
- температура воздушного потока (23 +/- 5) °C;
- начальная концентрация хлорида водорода в газовоздушной смеси, подаваемой на фильтр, (1000 +/- 100) см3·м-3.
Проскоковая концентрация хлорида водорода после фильтра - 5 см3·м-3.
7.3.4 Проверка ВЗД фильтра самоспасателя по акролеину
Проверку проводят при следующих постоянных условиях:
- объемный расход постоянного потока паровоздушной смеси (30,0 +/- 0,9) дм3·мин-1 (при использовании одного фильтра) и (15,0 +/- 0,5) дм3·мин-1 (при использовании двух фильтров);
- относительная влажность воздуха не более (70 +/- 5)%;
- температура воздушного потока (23 +/- 5) °C;
- начальная концентрация акролеина в паровоздушной смеси, подаваемой на фильтр, (100 +/- 10) см3·м-3.
Проскоковая концентрация акролеина после фильтра - 0,5 см3·м-3.
7.4 Проверка сопротивления дыханию самоспасателя
7.4.1 Испытательное оборудование и средства измерений:
- насос "искусственные легкие", создающий легочную вентиляцию от 30 до 50 дм3·мин-1;
- мановакуумметр с диапазоном измерений от минус 1000 до 1000 Па с погрешностью измерения не более +/- 20 Па;
- муляж головы человека.
7.4.2 Порядок проведения испытаний
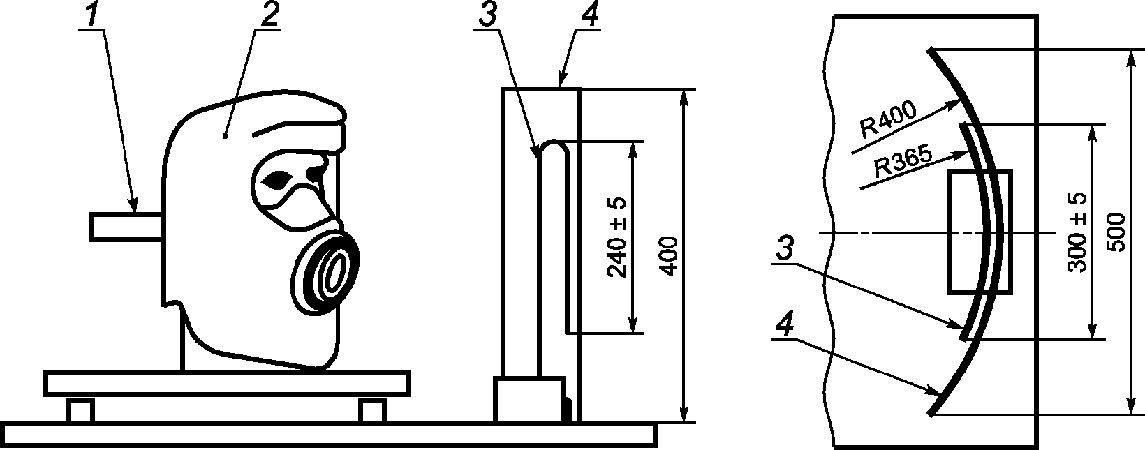
Самоспасатель надевают на муляж головы человека (см. рисунок 1). К муляжу присоединяют насос "искусственные легкие" и мановакуумметр.
1 - патрубок для измерения сопротивления дыхания;
2 - патрубок для измерения CO2
Рисунок 1 - Шеффилдский муляж головы человека
Насос "Искусственные легкие" настраивают на создание объемного расхода воздуха, соответствующего условиям конкретного испытания. Значения показателей режимов работы насоса "искусственные легкие" во время испытаний должны соответствовать значениям, приведенным в таблице 1.
Таблица 1
Наименование показателя
Работа
средней тяжести
тяжелая
Легочная вентиляция, дм3·мин-1
30
35
50
Дыхательный объем, дм3
1,5
1,75
2
Частота дыхания, мин-1
20
20
25
Включают насос "искусственные легкие" и определяют сопротивление дыханию самоспасателя на вдохе и выдохе.
Результат проверки считают положительным, если выполняются требования 4.1.7, 4.1.8, 4.1.9.
7.5 Проверка массы рабочей части самоспасателя
7.5.1 Средства измерения:
- весы, класс точности III (средний).
7.5.2 Порядок проведения испытаний
Определяют массу рабочей части самоспасателя без герметичной упаковки и футляра (сумки) с точностью до 0,01 кг.
Результат испытания считают положительным, если выполняются требования 4.1.11, 4.1.12.
7.6 Проверка прочности соединения в самоспасателе между корпусом капюшона и фильтром
7.6.1 Средства измерения и вспомогательные устройства:
- муляж головы человека;
- система дополнительных ремней, снимающих нагрузку с капюшона;
- секундомер, класс точности II;
- динамометр для создания и измерения усилия с погрешностью не более +/- 5%.
7.6.2 Подготовка к испытаниям
Самоспасатель надевают на муляж головы человека (см. рисунок 2).
1 - система дополнительных ремней, снимающих нагрузку
с капюшона; 2 - муляж головы человека; 3 - капюшон;
4 - фильтр
Рисунок 2 - Установка для определения прочности соединения
между корпусом капюшона и фильтром самоспасателя
Поверх капюшона надевают дополнительную систему ремней, снимающих нагрузку с капюшона. Одним концом динамометр закрепляют за фильтр.
7.6.3 Порядок проведения испытаний
В течение (10,0 +/- 0,2) с в осевом направлении создают растягивающее усилие (50 +/- 5) Н, которое измеряют динамометром. Испытания проводят 5 раз с интервалом в (10,0 +/- 0,2) с.
Результат испытаний считают положительным, если после их окончания установлено, что отсутствуют визуально наблюдаемые изменения внешнего вида капюшона и фильтра.
7.7 Проверка сохранения работоспособности самоспасателя после механических воздействий
В испытаниях используют один самоспасатель.
Самоспасатель последовательно подвергают механическим воздействиям по 7.7.1 и 7.7.2. После завершения воздействий визуально определяют отсутствие механических повреждений самоспасателя, влияющих на его работоспособность, и определяют соответствие самоспасателя требованиям 4.1.6, 4.1.7 и 4.1.9.
7.7.1 Проверка сохранения работоспособности самоспасателя после вибронагрузки
Испытания проводят на вибростенде, который обеспечивает поддержание требуемых параметров, установленных в 4.3.2.
Самоспасатель в транспортной упаковке (индивидуальной коробке) жестко крепят в центре платформы стенда в положении, определяемом надписью или условным знаком на упаковке "Верх". Испытания проводят с перегрузкой от 2 до 3g (g - ускорение свободного падения) при частоте от 50 до 60 Гц в течение (30 +/- 1) мин.
При отсутствии транспортной упаковки (индивидуальной коробки) проводят испытания самоспасателя в штатной сумке (футляре).
7.7.2 Проверка сохранения работоспособности самоспасателя после его падения
Самоспасатель 1 раз роняют с высоты (1,5 +/- 0,1) м на ровную бетонную поверхность, обеспечивая свободное падение самоспасателя (начальная скорость равна 0, без отклонения от вертикали).
7.8 Проверка сохранения работоспособности самоспасателя после воздействия на него климатических факторов
В испытаниях используют один самоспасатель.
Испытания самоспасателя проводят при нахождении его в сумке (футляре).
Испытания проводят в климатической камере, обеспечивающей поддержание заданных параметров, установленных в 4.3.4.
Испытания проводят в такой последовательности:
- самоспасатель выдерживают в климатической камере при температуре (50 +/- 3) °C в течение (24 +/- 1) ч. После этого самоспасатель выдерживают при температуре окружающей среды (25 +/- 5) °C в течение (4,0 +/- 0,1) ч;
- самоспасатель выдерживают в климатической камере при температуре минус (50 +/- 3) °C в течение (4,0 +/- 0,1) ч. После этого самоспасатель выдерживают при температуре окружающей среды (25 +/- 5) °C в течение (4,0 +/- 0,1) ч;
- самоспасатель выдерживают в камере тепла и влаги при температуре (35 +/- 2) °C и относительной влажности (90 +/- 5)% в течение (24 +/- 1) ч. После этого самоспасатель выдерживают при температуре окружающей среды (25 +/- 5) °C в течение (4,0 +/- 0,1) ч.
Результат проверки считают положительным, если после ее окончания выполняются требования 4.1.6, 4.1.7, 4.1.9.
7.9 Проверка сохранения работоспособности самоспасателя после пребывания в воздушной среде с температурой (200 +/- 5) °C
В испытании используют один самоспасатель.
7.9.1 Оборудование
Камера тепла вместимостью не менее 0,4 м3, обеспечивающая поддержание температуры не более 220 °C с погрешностью измерения не более +/- 5 °C.
В случае использования камеры тепла с открытыми нагревательными элементами проводится экранирование образца от воздействия лучистого потока.
7.9.2 Порядок проведения испытаний
Самоспасатель помещают в камеру тепла с температурой (200 +/- 5) °C. Время выдержки самоспасателя в камере должно составлять (60 +/- 5) с.
Результат проверки считают положительным, если после ее окончания выполнены требования 4.1.6, 4.1.7, 4.1.9.
7.10 Проверка сохранения работоспособности самоспасателя после воздействия температуры открытого пламени (800 +/- 50) °C
В испытании используют один самоспасатель.
7.10.1 Оборудование и средства измерений:
- стенд для проведения огневых испытаний, описание которого приведено в приложении А;
- секундомер, класс точности II.
7.10.2 Подготовка к испытаниям
На манекен надевают боевую одежду пожарного (БОП). Самоспасатель надевают на голову манекена. Манекен с самоспасателем устанавливают на передвижном устройстве и располагают в месте стенда в границах рабочей зоны, где создается температура пламени (800 +/- 50) °C и пламя полностью перекрывает самоспасатель при использовании одной верхней горелки одной стойки.
Примечание - Допускается проведение огневых испытаний самоспасателей без использования на манекене боевой одежды пожарного.
7.10.3 Проведение испытаний
Включают огневую установку. Воздействуют открытым пламенем одной верхней горелки одной стойки на самоспасатель. Время выдержки самоспасателя в зоне пламени должно составлять (3,0 +/- 0,2) с. По истечении этого времени манекен с самоспасателем выводят из зоны пламени и проверяют состояние самоспасателя.
Составные части самоспасателя (капюшон со смотровым окном, фильтрующе-поглощающая коробка) не должны поддерживать горение или тление более (5,0 +/- 0,2) с после вывода изделия из зоны пламени.
Результат проверки считают положительным, если после ее окончания отсутствуют визуальные изменения (разрушения) составных частей самоспасателя, составные части не поддерживают горение или тление более (5,0 +/- 0,2) с, а также выполняются требования 4.1.6, 4.1.7, 4.1.9.
7.11 Проверка сохранения работоспособности самоспасателя после воздействия теплового потока плотностью (8,5 +/- 0,5) кВт·м-2
В испытании используют один самоспасатель.
7.11.1 Оборудование:
Установка (рисунок 3), включающая в себя:
- металлический муляж головы человека;
- насос "искусственные легкие", имитирующий вентиляционную функцию легких человека и создающий легочную вентиляцию 30 дм3·мин-1 (20 циклов в 1 мин по 1,5 дм3 за 1 цикл) и 35 дм3·мин-1 (20 циклов в 1 мин по 1,75 дм3 за 1 цикл).
7.11.2 Средства измерения:
- мановакуумметр с диапазоном измерений от минус 1000 до 1000 Па и погрешностью измерения не более +/- 20 Па;
- секундомер, класс точности II.
7.11.3 Подготовка к испытаниям
Надевают капюшон на металлический муляж головы человека; соединяют муляж с насосом "искусственные легкие" (см. рисунок 3). Включают источник теплового потока. На подставку устанавливают разделительный экран. В зону, в которой плотность теплового потока составляет (8,5 +/- 0,5) кВт·м-2, устанавливают металлический муляж головы человека с надетым капюшоном. Включают насос "искусственные легкие".
1 - патрубок для подключения насоса "искусственные легкие";
2 - капюшон; 3 - источник теплового излучения; 4 - рефлектор
Рисунок 3 - Схема установки для определения устойчивости
капюшона самоспасателя к воздействию теплового потока
7.11.4 Проведение испытаний
Убирают разделительный экран. Испытания проводят в течение (3,0 +/- 0,1) мин, во время которых контролируют сопротивление дыханию на вдохе и выдохе в самоспасателе для людей старше 12 лет при легочной вентиляции 35 дм3·мин-1, в самоспасателе для детей от 7 до 12 лет при легочной вентиляции 30 дм3·мин-1.
Результат проверки считают положительным, если после окончания испытаний отсутствуют разрушения материалов самоспасателя и выполнены требования 4.1.6, 4.1.7, 4.1.9.
7.12 Проверка герметичности рабочей части самоспасателя
7.12.1 Оборудование и средства измерения:
- устройство, оснащенное встроенным насосом и мановакуумметром с диапазоном измерений от минус 1000 Па до 1000 Па с погрешностью не более +/- 20 Па;
- муляж головы человека;
- секундомер, класс точности II.
7.12.2 Порядок проведения испытания
Самоспасатель надевают на муляж головы человека. Герметизируют фильтр самоспасателя заглушкой. К муляжу присоединяют устройство, оснащенное встроенным насосом и мановакуумметром, создают устройством в рабочей части самоспасателя вакуумметрическое давление (900 +/- 20) Па. Делают выдержку (1,0 +/- 0,1) мин для стабилизации давления (800 +/- 20) Па. Включают секундомер и через (1,0 +/- 0,1) мин регистрируют изменение давления под капюшоном самоспасателя.
По той же схеме проверки герметизируют клапан выдоха, создают под капюшоном избыточное давление (900 +/- 20) Па. Делают выдержку (1,0 +/- 0,1) мин для стабилизации давления (800 +/- 20) Па. Включают секундомер и через (1,0 +/- 0,1) мин регистрируют изменение давления под капюшоном самоспасателя.
Примечание - Допускается использовать штуцер, устанавливаемый в рабочую часть самоспасателя для подсоединения устройства, оснащенного встроенным насосом и мановакуумметром.
Результат проверки считают положительным, если выполняются требования 4.1.6.
7.13 Проверка показателей надежности
7.13.1 Проверка вероятности сохранения исправности самоспасателя за время нахождения его в состоянии ожидания применения
Проводят испытания:
- на воздействие отрицательной температуры минус (50 +/- 1) °C;
- на воздействие повышенной температуры (50 +/- 1) °C и высокой относительной влажности воздуха от 95% до 100% при температуре (35 +/- 1) °C.
Время проведения испытания на воздействие отрицательной температуры минус (50 +/- 1) °C составляет не менее 6 ч.
Один цикл испытаний на воздействие повышенной температуры и высокой относительной влажности воздуха включает в себя: испытания на воздействие повышенной температуры (50 +/- 1) °C (не менее 72 ч) и испытания на воздействие высокой относительной влажности воздуха от 95% до 100% при температуре (35 +/- 1) °C (не менее 72 ч). Один такой цикл соответствует одному году ожидания применения самоспасателя.
7.13.1.1 Порядок проведения испытаний
Для подтверждения коэффициента вероятности сохранения исправности самоспасателя за время нахождения его в состоянии ожидания применения 0,98 и срока службы 5 лет самоспасатели числом 80 шт. подвергают испытаниям, эквивалентным 5 годам ожидания применения, что включает в себя испытания на воздействие отрицательной температуры (не менее 6 ч) и испытания на воздействие повышенной температуры и высокой относительной влажности в количестве 5 циклов.
Затем самоспасатели подвергают испытаниям, имитирующим применение по прямому назначению. Самоспасатели подвергают испытаниям по применению.
Испытания по применению самоспасателей включают в себя:
- надевание капюшона на муляж головы человека (80 шт. самоспасателей);
- определение ВЗД самоспасателя при воздействии на него монооксида углерода (40 шт. самоспасателей), водорода хлорида (5 шт. самоспасателей), водорода цианида (10 шт. самоспасателей), акролеина (5 шт. самоспасателей) в соответствии с 7.3.1 - 7.3.4;
- определение сопротивления дыханию самоспасателей для людей старше 12 лет при легочной вентиляции 35 дм3·мин-1, для детей от 7 до 12 лет при легочной вентиляции 30 дм3·мин-1 (10 шт.) в соответствии с 7.4;
- определение герметичности самоспасателя в соответствии с 7.12 (10 шт.);
- снятие капюшона с муляжа головы человека (80 шт.).
К отказам самоспасателя за время нахождения его в состоянии ожидания применения при проведении испытаний относят:
- несоответствие ВЗД фильтра самоспасателя требованиям 4.1.3;
- превышение сопротивления дыханию на вдохе и выдохе (несоответствие требованиям 4.1.7, 4.1.9);
- нарушение герметичности самоспасателя (несоответствие требованиям 4.1.6).
Результат проверки считают положительным, если при выполнении полного комплекса испытаний не произошло ни одного отказа.
При увеличенном сроке службы самоспасателя в состоянии ожидания применения (более 5 лет) самоспасателя подвергают испытаниям в количестве циклов, эквивалентным годам ожидания применения.
7.13.2 Проверка вероятности безотказной работы самоспасателя для людей старше 12 лет за ВЗД
Вероятность безотказной работы самоспасателя подтверждается всем комплексом испытаний.
Исходными данными для проверки являются:
- браковочный уровень вероятности работы - 0,98;
- приемочный уровень вероятности работы - 0,998;
- риск поставщика (изготовителя) - 0,2;
- риск потребителя (заказчика) - 0,2.
Для подтверждения заданного показателя вероятности безотказной работы самоспасателя за ВЗД следует провести не менее 80 проверок.
Допускается использовать результаты аналогичных испытаний самоспасателя по ВЗД фильтра самоспасателя в соответствии с 7.13.1.
Отказы (при проведении испытаний самоспасателя с участием людей) определяет работающий в самоспасателе. К отказам относят: значительное, но все же переносимое, повышенное сопротивление дыханию; увеличение объемной доли диоксида углерода во вдыхаемой смеси более 3,0% (об.). Общим признаком отказов является потеря способности самоспасателя защищать органы дыхания и зрения человека и отсутствие возможности человеком продолжать дальнейшую работу.
Результат проверки считают положительным, если при проведении 80 проверок самоспасателей, продолжительностью не менее 15 мин каждая, не произошел ни один отказ.
7.14 Испытания самоспасателя для людей старше 12 лет с участием испытателей-добровольцев
Испытания проводят в соответствии с ГОСТ 12.4.061.
Испытания самоспасателя с участием испытателей-добровольцев дополняют основную оценку самоспасателя, полученную при испытаниях на приборах и установках.
Испытания проводят в целях определения:
- защитных свойств самоспасателя;
- условий дыхания в самоспасателе;
- физиологических реакций людей на работу в самоспасателе;
- особенности работы составных частей самоспасателя;
- удобства пользования самоспасателем.
Испытания следует проводить под руководством лица, ответственного за испытания, которое привлекает для участия в экспериментах испытателей, а также врача или физиолога.
Испытатели должны получить полную информацию о характере и объеме испытаний, допуск к которым осуществляет ответственный за испытания.
Испытания проводят в эргометрическом зале, климатической камере, камере масляного тумана.
7.15 Испытания самоспасателя для людей старше 12 лет с участием испытателей-добровольцев в эргометрическом зале, климатической камере
В испытаниях используют не менее 5 комплектов самоспасателей.
7.15.1 Помещения, оборудование и средства измерения:
- эргометрический зал площадью не менее 20 м2 и высотой не менее 2,7 м;
- климатическая камера с диапазоном температур от 0 до 60 °C с погрешностью измерения не более +/- 3 °C;
- помост площадью (9,0 +/- 1,5) дм2 и высотой (3,0 +/- 0,1) дм;
- термометр с погрешностью измерения не более +/- 0,1 °C для измерения температуры тела;
- тонометр медицинский манометрический с погрешностью измерения не более +/- 1 мм рт. ст.;
- газоанализатор для измерения концентрации диоксида углерода в диапазоне от 0 до 20% с погрешностью +/- 0,5% (об.);
- секундомер, класс точности II.
7.15.2 Подготовка к испытаниям
Непосредственно в зоне дыхания под капюшоном самоспасателя устанавливают штуцер для подключения газоанализатора в соответствии с ГОСТ 12.4.005.
7.15.3 Условия проведения испытаний
Для проведения испытаний привлекают 5 испытателей-добровольцев (далее - испытателей) - мужчин и женщин в возрасте от 18 до 50 лет, которые имеют размер шеи не менее 3,0 дм. Среди привлекаемых на испытания людей:
- один человек должен носить очки;
- один - иметь усы и (или) бороду;
- один - иметь объемную прическу или длинные, распущенные по шее волосы.
Испытания проводят путем выполнения испытателями дозированной физической работы, соответствующей реальной нагрузке людей при эвакуации из помещений во время пожара. Комплекс упражнений выполняется в лабораторных условиях.
Испытания самоспасателя с участием испытателей проводят при:
- температуре окружающей среды (0 +/- 1) °C;
- температуре окружающей среды (25 +/- 2) °C, относительной влажности воздуха от 40% до 80%;
- температуре окружающей среды (40 +/- 2) °C, относительной влажности воздуха от 15% до 60%.
Испытатели должны быть одеты в повседневную одежду и обувь, соответствующую климатическим условиям.
7.15.4 Проведение испытаний
Перед началом испытаний у испытателя измеряют: массу тела; рост; размер шеи; частоту пульса; артериальное давление; температуру тела (аксилярную), отмечают особые приметы: бороду, длину волос (объемную прическу), наличие очков. После завершения испытаний (через (1,0 +/- 0,1) мин) у испытателя измеряют частоту пульса, артериальное давление, температуру тела (аксилярную).
При выполнении испытателем комплекса упражнений в лабораторных условиях контролируют параметры самоспасателя в соответствии с 4.1.10, 4.5.3, 4.5.4 и 4.5.6.
Показатели продолжительности и последовательности выполнения упражнений и отдыха приведены в таблице 2.
Таблица 2
Наименование упражнения
Продолжительность выполнения упражнения и отдыха, мин
Температура окружающей среды, °C
0
25
40
Ходьба со скоростью 140 шагов в 1 мин
5/1 <*>
5/1
3/1
Чтение вслух смыслового значения указательных знаков безопасности
3/- <**>
Подъем на помост высотой (3,0 +/- 0,1) дм и спуск с него в темпе 20 раз в 1 мин
5/1
5/1
3/1
Ходьба со скоростью 140 шагов в 1 мин
-
3/1
<*> В числителе указана продолжительность выполнения упражнения, а в знаменателе - продолжительность отдыха после выполнения упражнения.
<**> При комнатной температуре.
Все упражнения выполняет каждый испытатель последовательно, без выключения из самоспасателя как во время работы, так и во время отдыха.
Во время ходьбы испытатели должны разговаривать, подавать и выполнять команды.
Испытатели осуществляют вслух чтение смыслового значения не менее 10 предложенных указательных знаков безопасности размером (100 x 130) мм каждый по ГОСТ 12.4.026, расположенных на расстоянии (6,0 +/- 0,1) м от испытателей, и сообщают руководителю испытаний установленное значение изображения знака.
Во время испытаний следует проводить непрерывный контроль объемной доли диоксида углерода на вдохе, а также частоты пульса испытателя.
По окончании комплекса упражнений испытатель сообщает о самочувствии, степени усталости и дает субъективную оценку испытуемого самоспасателя.
Испытания самоспасателя прекращают при наступлении одного из событий:
- достижение частоты пульса 150 мин-1;
- содержание диоксида углерода на вдохе более 3,0% (об.);
- невозможность испытателем продолжать дальнейшую работу.
После испытаний проводят расчеты среднего значения содержания диоксида углерода на вдохе и процентного отношения правильно прочитанных знаков безопасности по отношению к общему числу знаков безопасности (должно быть не менее 80%). На основании мнения испытателя оценивают удобство пользования самоспасателем и условий дыхания в соответствии с требованиями 4.1.14, 4.5.3, 4.5.4 и 4.5.6, а врач или физиолог при осмотре испытателя определяет наличие и степень наминов в мягких тканях лица и головы.
7.16 Испытания самоспасателя для людей старше 12 лет с участием испытателей-добровольцев в камере масляного тумана
В испытаниях используют не менее 5 комплектов самоспасателей.
7.16.1 Оборудование, аппаратура и материалы:
- комплект аппаратуры и материалов по испытаниям с использованием аэрозоля стандартного масляного тумана в соответствии с ГОСТ 12.4.157;
- движущаяся беговая дорожка, расположенная внутри испытательной камеры, обеспечивающая движение по ней со скоростью (6,0 +/- 0,1) км/ч;
- секундомер, класс точности II;
- грузы массой (5,0 +/- 0,1) кг.
Примечания
1 Допускается проведение испытаний без использования беговой дорожки путем выполнения различных упражнений (ходьба, наклоны, повороты головы, глубокие вдохи, разговор и т.п.).
2 При испытаниях самоспасателя с использованием аэрозоля хлорида натрия используется аппаратура в соответствии с ГОСТ 12.4.294.
7.16.2 Подготовка к испытаниям
Непосредственно в зоне дыхания под капюшоном устанавливают штуцер для отбора пробы воздуха. В зоне смотрового окна капюшона на уровне глаз устанавливают два штуцера - для отбора пробы воздуха и для подачи свежего воздуха под капюшон.
7.16.3 Условия по испытаниям с использованием тест-веществ
7.16.3.1 Условия по испытаниям с использованием аэрозоля стандартного масляного тумана:
- концентрация аэрозоля в атмосфере испытательной камеры (0,250 +/- 0,025) г·м-3;
- средний расход пульсирующего потока воздуха в пробе, отбираемой из подмасочного пространства, и расход постоянного потока в пробе, отбираемой из аэрозольной камеры на фотометр (6,5 +/- 0,5) дм3·мин-1.
При отборе пробы воздуха в зоне смотрового окна капюшона одновременно через другой штуцер подают свежий воздух в объеме, равном отобранной пробе.
7.16.3.2 Условия по испытаниям с использованием аэрозоля хлорида натрия должны соответствовать ГОСТ 12.4.294.
7.16.4 Условия проведения испытаний с участием испытателей
В испытаниях должны участвовать не менее 5 испытателей-добровольцев - мужчины и женщины в возрасте от 18 до 50 лет, с размером шеи не менее 3,0 дм, изучивших правила применения самоспасателя, из них:
- не менее трех человек с различными антропометрическими размерами головы (по вертикальному обхвату - длины круговой линии от 610 до 720 мм, проходящей по подбородку и щекам через высшую точку головы (макушки), и морфологической высоты лица - расстояния от 110 до 140 мм от наиболее углубленной точки спинки носа (переносицы) до наиболее выступающей точки подбородка.
Один человек из них должен носить очки;
- один - иметь бороду;
- один - иметь длинные, распущенные по шее волосы, или объемную прическу.
7.16.5 Проведение испытаний
Испытания проводят в соответствии с ГОСТ 12.4.157.
По команде руководителя испытаний каждый испытатель (на время) самостоятельно изучает пиктограммы, нанесенные на футляре (сумке) или герметичной упаковке самоспасателя, вскрывает пакет руками, надевает самоспасатель и приводит его в рабочее состояние. Испытатели оценивают удобство вскрытия герметичной упаковки, руководитель испытаний определяет время, затраченное каждым испытателем на включение в самоспасатель. По окончании испытаний определяют среднее значение времени надевания и приведения в действие самоспасателя.
Испытатели, включенные в самоспасатель, по очереди заходят в испытательную камеру и выполняют упражнения.
Показатели последовательности и продолжительности выполнения упражнений и отдыха приведены в таблице 3.
Таблица 3
Наименование упражнения
Продолжительность выполнения упражнения и отдыха, мин
Ходьба по горизонтальной движущейся дорожке со скоростью (6,0 +/- 0,1) км/ч (140 шагов в 1 мин) с грузами по (5,0 +/- 0,1) кг в обеих руках
3/1
Подъем на помост высотой (3,0 +/- 0,1) дм и спуск с него в темпе 20 раз в 1 мин
3/1
Подъем двумя руками грузов массой (5,0 +/- 0,1) кг на высоту (1,0 +/- 0,1) м в темпе 20 раз в 1 мин
3/1
Ходьба по горизонтальной движущейся дорожке со скоростью (6,0 +/- 0,1) км/ч (140 шагов в 1 мин) с грузами по (5,0 +/- 0,1) кг в обеих руках
3/-
Примечание - В числителе указана продолжительность выполнения упражнения, в знаменателе продолжительность отдыха после выполнения упражнения.
При ходьбе испытатель выполняет повороты головы из стороны в сторону (не менее 15 раз), осматривая стены камеры масляного тумана, а также поднимает и опускает голову (приблизительно 15 раз), осматривая пол и потолок.
Во время испытаний проводят непрерывный контроль коэффициента подсоса аэрозоля стандартного масляного тумана (аэрозоля хлорида натрия) непосредственно в зоне дыхания под капюшоном и коэффициента подсоса аэрозоля стандартного масляного тумана (аэрозоля хлорида натрия) под капюшон в зоне смотрового окна капюшона.
Во время отдыха испытатель читает вслух алфавит, а также выполняет команды руководителя испытаний.
После выполнения последнего упражнения дают оценку разборчивости речи и правильно выполненным испытателем команд к общему количеству команд (в процентах). Рассчитывают среднее значение коэффициента подсоса аэрозоля стандартного масляного тумана (аэрозоля хлорида натрия) в подмасочное пространство капюшона, в том числе отдельно для людей, имеющих бороду и длинные волосы, а также среднее значение коэффициента подсоса аэрозоля стандартного масляного тумана (аэрозоля хлорида натрия) под капюшон в зоне смотрового окна.
На основании мнения испытателя оценивают удобство пользования самоспасателем и условий дыхания в нем.
Результат проверки считают положительным, если правильно выполненные испытателями команды составляют не менее 80% от общего количества команд, а также выполняются требования 4.1.4, 4.1.5, 4.1.13, 4.1.14, 4.5.1 и 4.6.2.
7.17 Испытания на стенде-имитаторе внешнего дыхания человека
Испытания проводятся на самоспасателях, предназначенных для использования детьми в возрасте от 7 до 12 лет.
7.17.1 Оборудование:
- стенд-имитатор внешнего дыхания человека, описание которого приведено в приложении В.
7.17.2 Подготовка к испытаниям
При подготовке самоспасателя к испытанию допускается вмешательство в его конструкцию, необходимое для определения некоторых параметров при условии, что это не нарушит работоспособности самоспасателя. Допускается присоединение к капюшону приспособления для отбора проб газовоздушной смеси.
Значения показателей режимов работы стенда во время испытаний должны соответствовать значениям, приведенным в таблице 4, с учетом допусков, приведенных в приложении В.
Самоспасатель помещают в климатическую камеру в рабочем положении, капюшон надевают на муляж головы человека (см. рисунок 1), подключенный к стенду, и закрывают камеру.
7.17.3 Порядок проведения испытаний
Испытания самоспасателя проводят при дыхательном режиме, приведенном в таблице 4 и температуре окружающей среды (25 +/- 5) °C.
Таблица 4
Наименование показателя
Работа средней тяжести
Легочная вентиляция, дм3·мин-1
30
Дыхательный объем, дм3
1,5
Частота дыхания, мин-1
20
Выделение диоксида углерода, дм3·мин-1
1,4
Потребление кислорода, дм3·мин-1
1,4
Объемная доля диоксида углерода на выдохе, %
4,0
Включают стенд. Затем через (5,0 +/- 0,1) мин регистрируют содержание диоксида углерода на вдохе.
По окончании испытания регистрируют содержание диоксида углерода на вдохе.
7.18 Проверка общей площади поля зрения смотрового окна капюшона
Испытания проводят в соответствии с ГОСТ 12.4.293.
Результат проверки считают положительным, если значение площади поля зрения смотрового окна капюшона удовлетворяет требованиям 4.4.5 и 4.5.7.
Приложение А
(обязательное)
МЕТОДИКА ИСПЫТАНИЙ ПО ОПРЕДЕЛЕНИЮ УСТОЙЧИВОСТИ
ФИЛЬТРУЮЩЕГО САМОСПАСАТЕЛЯ К ВОЗДЕЙСТВИЮ ОТКРЫТОГО ПЛАМЕНИ
С ТЕМПЕРАТУРОЙ (800 +/- 50) °C
А.1 Введение
А.1.1 Настоящая методика устанавливает:
- объем и порядок проведения испытаний фильтрующего самоспасателя;
- общие требования техники безопасности при проведении испытаний.
А.1.2 Испытания проводит испытательная лаборатория, имеющая соответствующую аккредитацию.
А.1.3 Все средства измерения должны пройти метрологический контроль и быть поверены.
А.2 Цель испытаний
Определение соответствия устойчивости фильтрующего самоспасателя к воздействию открытого пламени с температурой (800 +/- 50) °C.
А.3 Условия проведения испытаний
При проведении испытаний в помещении должны соблюдаться нормальные климатические условия по ГОСТ 15150.
А.4 Порядок проведения испытаний
А.4.1 Испытания включают в себя:
- рассмотрение эксплуатационной документации на фильтрующий самоспасатель;
- проверку внешнего вида, составных частей самоспасателя;
- испытания на стенде.
А.4.2 При визуальном осмотре определяется наличие составных частей самоспасателя, маркировки, общий внешний вид изделия. По результатам проверки делается вывод о соответствии изделия эксплуатационной документации и готовности изделия к испытаниям.
А.4.3 Описание стенда для проведения огневых испытаний
А.4.3.1 Испытания должны проводиться на специальном стенде для термических испытаний (рисунок А.1).
1 - баллоны газовые; 2 - редуктор; 3 - клапан
электромагнитный; 4 - горелка газовая; 5 - система поджига;
6 - манекен с самоспасателем фильтрующим
Рисунок А.1 - Схема стенда по определению устойчивости
самоспасателя фильтрующего к воздействию пламени
А.4.3.2 Стенд должен размещаться в специально отведенном для него помещении с габаритными размерами не менее (6000 x 9000 x 3000) мм. Стены и потолок помещения должны быть сделаны из негорючих материалов.
А.4.3.3 Помещение должно иметь смотровое окно из термостойкого стекла и входную металлическую дверь.
А.4.3.4 В помещении должны располагаться:
- манекен тела человека, изготовленный из негорючих материалов;
- передвижное устройство для крепления манекена, а также автоматического ввода и вывода его в рабочую зону и из нее;
ИС МЕГАНОРМ: примечание.
В официальном тексте документа, видимо, допущена опечатка: имеется в виду рисунок А.2, а не А.1.
- газовая система для моделирования очага возгорания, включающая в себя две горелки (см. рисунок А.1), автоматическую систему поджига, подводку из труб и гибких шлангов, газовые баллоны;
- принудительная система вентиляции, располагающаяся над испытательным стендом и предназначенная для удаления продуктов горения.
1 - диффузор; 2 - трубка поджига; 3 - сопло
Рисунок А.2 - Горелка
А.5 Требования безопасности и охраны окружающей среды
А.5.1 Все участники испытаний проходят общий инструктаж по правилам техники безопасности и расписываются в специальном журнале инструктажа по технике безопасности.
А.5.2 Ответственность за организацию работ по обеспечению техники безопасности при проведении испытаний несет руководитель испытаний.
Перед началом испытаний он обязан:
- проинструктировать личный состав о порядке проведения испытаний и уточнить функции всех участников испытаний;
- установить единый сигнал оповещения людей об опасности;
- проверить исправность технологического и измерительного оборудования, а также средств пожаротушения.
А.5.3 Во время испытаний газовые баллоны должны находиться вне зоны испытаний на открытом воздухе.
А.5.4 Обслуживающий персонал и регистрирующая аппаратура должны находиться в безопасной зоне.
А.5.5 Страховщики занимают возможно близкую позицию (вне опасной зоны) и наблюдают за проведением испытания. При необходимости безотлагательно приступают к тушению манекена.
А.5.6 Для общей страховки в непосредственной близости от манекена должны находиться первичные средства пожаротушения (рукавная линия со стволом от пожарного крана и огнетушитель объемом не менее 5 дм3). Перед испытаниями пожарный кран должен быть проверен на работоспособность.
А.5.7 Исполнение электрического оборудования должно быть огнезащищенным.
Приложение Б
(обязательное)
Протокол
испытаний самоспасателя с участием испытателей-добровольцев
___________________________________________________________________________
(наименование организации, проводившей испытания, подразделение)
___________________________________________________________________________
(место проведения испытания, организация, подразделение, город, дата)
Б.1 Общие сведения о самоспасателе
Б.1.1 Наименование самоспасателя и его обозначение ____________________
Б.1.2 Изготовитель ____________________________________________________
Б.1.3 Обозначение нормативного документа, в соответствии с которым
изготовлен самоспасатель __________________________________________________
Б.1.4 Номер самоспасателя _____________________________________________
Б.1.5 Дата изготовления _______________________________________________
Б.2 Условия испытаний
Б.2.1 Температура окружающей среды, °C ________________________________
Б.2.2 Относительная влажность, % ______________________________________
Б.3 Данные об испытателе-добровольце
Б.3.1 Фамилия, имя, отчество __________________________________________
Б.3.2 Возраст, лет ____________________________________________________
Б.3.3 Рост ____________________________________________________________
Б.3.4 Особые приметы: _________________________________________________
До испытания
После испытания
Масса, кг
Температура тела, °C
Частота пульса, мин-1
Размер шеи, дм
Артериальное давление, мм рт. ст.
Б.4 Запись наблюдений в процессе испытания
Время от начала опыта, мин
Вид упражнения
Режим работы, мин
Содержание диоксида углерода на вдохе, % (об.)
Частота пульса, мин-1
работа
отдых
Время надевания и приведения самоспасателя в действие ______________ с.
Замечания испытателя:
- негативное воздействие пыли, выдуваемой из фильтра самоспасателя
на органы дыхания пользователя ____________________________________________
- влияние слюны и конденсата на работу самоспасателя __________________
- болевые ощущения и намины в мягких тканях лица, шеи и головы ________
- ограничение подвижности головы, шеи, рук и туловища
при использовании самоспасателя ___________________________________________
___________________________________________________________________________
- запотевание смотрового окна капюшона (лицевой части) ________________
- доступность и удобство органов управления самоспасателя
для приведения их в действие и защита от механических повреждений
и от случайного срабатывания ______________________________________________
Замечания ведущего испытания: _________________________________________
Ответственный за испытание _______________ ________________________
(подпись) (Ф.И.О.)
Приложение В
(рекомендуемое)
СТЕНД - ИМИТАТОР ВНЕШНЕГО ДЫХАНИЯ ЧЕЛОВЕКА
Стенд - имитатор внешнего дыхания человека предназначен для объективной оценки самоспасателя при работе с различной дыхательной нагрузкой и в различных внешних микроклиматических условиях.
Принципиальная схема стенда показана на рисунке В.1.
1 - дозатор диоксида углерода; 2 - термостат с увлажнителем;
3 - анализатор диоксида углерода; 4 - датчики температуры
и влажности; 5 - "Шеффилдский" муляж головы человека;
6 - климатическая камера; 7 - односторонний клапан;
8 - прибор для измерения сопротивления дыханию; 9 - насос
"искусственные легкие"; 10 - клапанная коробка с клапанами
вдоха и выдоха; 11 - поглотитель диоксида углерода;
12 - насос для отбора проб; 13 - анализатор
диоксида углерода
Рисунок В.1 - Принципиальная схема стенда - имитатора
внешнего дыхания человека
Стенд имитирует вентиляционную функцию легких и легочный газообмен. Для имитации вентиляционной функции легких стенд создает пульсирующий поток газа с изменением объемного расхода, близким к синусоидальному, и равной продолжительностью фаз вдоха и выдоха.
Стенд имитирует температурно-влажностный режим выдоха путем нагревания и увлажнения выдыхаемой ГДС.
Объем дыхательного цикла должен быть от 1,5 до 3,0 дм3, частота дыхания должна быть от 20 до 30 мин-1.
Температура и относительная влажность газовоздушной смеси на выдохе из муляжа должны соответствовать (36,5 +/- 0,5) °C и (95 +/- 3)%.
В состав стенда должна входить климатическая камера, где поддерживается температура в пределах (25 +/- 2) °C с отклонением от заданной величины не более +/- 2 °C.
Стенд должен быть укомплектован контрольно-измерительными приборами и устройствами, позволяющими устанавливать и контролировать параметры дыхательной нагрузки и регистрировать:
- объемную долю диоксида углерода во вдыхаемой смеси в диапазоне от 0% до 20% с погрешностью не более +/- 0,5% (об.).