Главная // Актуальные документы // ГОСТ Р (Государственный стандарт)СПРАВКА
Источник публикации
М.: Стандартинформ, 2016
Примечание к документу
Документ
введен в действие с 1 сентября 2011 года.
Название документа
"ГОСТ Р ИСО 13584-511-2010. Национальный стандарт Российской Федерации. Системы промышленной автоматизации и интеграция. Библиотека деталей. Часть 511. Механические системы и компоненты общего пользования. Словарь ссылок. Крепежные детали"
(утв. и введен в действие Приказом Росстандарта от 21.12.2010 N 870-ст)
"ГОСТ Р ИСО 13584-511-2010. Национальный стандарт Российской Федерации. Системы промышленной автоматизации и интеграция. Библиотека деталей. Часть 511. Механические системы и компоненты общего пользования. Словарь ссылок. Крепежные детали"
(утв. и введен в действие Приказом Росстандарта от 21.12.2010 N 870-ст)
Утвержден и введен в действие
агентства по техническому
регулированию и метрологии
от 21 декабря 2010 г. N 870-ст
НАЦИОНАЛЬНЫЙ СТАНДАРТ РОССИЙСКОЙ ФЕДЕРАЦИИ
СИСТЕМЫ ПРОМЫШЛЕННОЙ АВТОМАТИЗАЦИИ И ИНТЕГРАЦИЯ
БИБЛИОТЕКА ДЕТАЛЕЙ
ЧАСТЬ 511
МЕХАНИЧЕСКИЕ СИСТЕМЫ И КОМПОНЕНТЫ ОБЩЕГО ПОЛЬЗОВАНИЯ.
СЛОВАРЬ ССЫЛОК. КРЕПЕЖНЫЕ ДЕТАЛИ
Industrial automation systems and integration.
Parts library. Part 511. Mechanical systems and components
for general use. Reference dictionary. Fasteners
ISO 13584-511:2006
Industrial automation systems and integration - Parts
library - Part 511: Mechanical systems and components
for general use - Reference dictionary for fasteners
(IDT)
ГОСТ Р ИСО 13584-511-2010
Дата введения
1 сентября 2011 года
1 ПОДГОТОВЛЕН Научно-техническим центром ИНТЕК на основе собственного аутентичного перевода на русский язык стандарта, указанного в пункте 4
2 ВНЕСЕН Техническим комитетом по стандартизации ТК 100 "Стратегический и инновационный менеджмент"
3 УТВЕРЖДЕН И ВВЕДЕН В ДЕЙСТВИЕ
Приказом Федерального агентства по техническому регулированию и метрологии от 21 декабря 2010 г. N 870-ст
4 Настоящий стандарт идентичен международному стандарту ИСО 13584-511:2006 "Системы промышленной автоматизации и интеграция. Библиотека деталей. Часть 511. Механические системы и компоненты общего назначения. Словарь ссылок. Крепежные детали" (ISO 13584-511:2006 "Industrial automation systems and integration - Parts library - Part 511: Mechanical systems and components for general use - Reference dictionary for fasteners").
При применении настоящего стандарта рекомендуется использовать вместо ссылочных международных стандартов соответствующие им национальные стандарты, сведения о которых приведены в дополнительном
приложении ДА
5 ВВЕДЕН ВПЕРВЫЕ
Правила применения настоящего стандарта установлены в ГОСТ Р 1.0-2012
(раздел 8). Информация об изменениях к настоящему стандарту публикуется в ежегодном (по состоянию на 1 января текущего года) информационном указателе "Национальные стандарты", а официальный текст изменений и поправок - в ежемесячном информационном указателе "Национальные стандарты". В случае пересмотра (замены) или отмены настоящего стандарта соответствующее уведомление будет опубликовано в ближайшем выпуске ежемесячного информационного указателя "Национальные стандарты". Соответствующая информация, уведомление и тексты размещаются также в информационной системе общего пользования - на официальном сайте Федерального агентства по техническому регулированию и метрологии в сети Интернет (www.gost.ru)
Комплекс стандартов ИСО 13584 распространяется на компьютерное представление и порядок обмена данными библиотеки деталей. Данный комплекс стандартов разработан с целью создания эффективного механизма передачи данных библиотеки деталей с помощью любого компьютерного приложения, использующего данную библиотеку. Установленные в стандарте описания облегчают обмен файлами деталей, создают основу для последующего применения данных библиотеки деталей и их совместного использования.
Комплекс стандартов ИСО 13584 состоит из нескольких взаимосвязанных частей. Части комплекса стандартов ИСО 13854 включают в себя основные описания, логический ресурс, используемые данные, описания методологии, протоколы обмена видами, словари ссылок. Описания частей приведены в ИСО 13584-1. В настоящем стандарте приведены описания словарей ссылок.
Различные части ссылочных словарей стандартов комплекса ИСО 13584 определяют онтологии описания сущностей, области их применения, свойства и области значений. Каждая сущность, каждое свойство или каждая область значений устанавливают словарную статью, которая является формализованным компьютерным представлением указанной онтологии. Каждая статья соотносится с компьютерно-представимым определением и имеет компьютерный идентификационный код. Идентификационный код словарной статьи обеспечивает уникальность ссылки для работы с любым компьютерным приложением. Определения и идентификационные коды словарных статей состоят из экземпляров классов объектов, тип которых определяется сущностями языка EXPRESS.
Экземпляры классов определены общей словарной схемой или ее расширениями, описанными в стандартах комплекса ИСО 13584 на логический ресурс.
В настоящем стандарте описания словарных ссылок на крепежные детали, их свойства и области значений соответствуют их описаниям в других стандартах ИСО, устанавливающим требования к механическим крепежным деталям.
В настоящем словаре определения классов и свойств крепежных деталей соответствуют:
- стандартам ИСО, приведенным в
разделе "Библиография";
- Федеральному руководству США по идентификации изделий;
- справочнику машиностроителя (Machinery's Handbook, 26-е издание).
Настоящий стандарт разработан техническим комитетом ИСО/ТК 184 "Системы автоматизации производства и их интеграция", подкомитетом ПК 4 "Технические данные".
Комплекс стандартов ИСО 13584 состоит из следующих частей, имеющих общее наименование "Системы промышленной автоматизации и интеграция. Библиотека деталей":
- часть 1: Обзор и основные принципы;
- часть 20: Логический ресурс: Логическая модель выражений;
- часть 24: Логический ресурс: Логическая модель библиотеки поставщика;
- часть 25: Логический ресурс: Логическая модель библиотеки поставщика с агрегированными значениями и подробным содержанием;
- часть 26: Логический ресурс: Идентификация поставщика информации;
- часть 31: Средства реализации: Интерфейс геометрического программирования;
- часть 42: Методология описания: методология структурирования групп деталей;
- часть 101: Протокол обмена геометрическими представлениями по параметрической программе;
- часть 102: Протокол обмена представлениями по спецификации соответствия ИСО 10303;
- часть 501: Справочный словарь измерительных инструментов. Процедура регистрации;
- часть 511: Механические системы и компоненты общего назначения. Справочный словарь по крепежу.
Описание структуры комплекса стандартов ИСО 13584 приведено в ИСО 13584-1. Нумерация частей данного комплекса стандартов соответствует его структуре:
- части 10 - 19 содержат основные описания;
- части 20 - 29 содержат описания логических данных;
- части 30 - 39 содержат описания используемых данных;
- части 40 - 49 содержат описания методологии;
- части 100 - 199 содержат описания протоколов обмена видами;
- части 500 - 599 содержат описания словарей ссылок.
Нумерация готовящихся к публикации частей комплекса стандартов ИСО 13584 должна соответствовать указанному образцу.
Настоящий стандарт устанавливает словарь ссылок на механические крепежные детали, требования к которым определены в стандартах комплекса ИСО 13584. Словарь ссылок определяет свойства деталей и области значений этих свойств.
Словарь ссылок содержит:
- определения и идентификационные коды классов крепежных деталей с соответствующими схемами классификации в соответствии со стандартами ИСО на механические крепежные детали;
- определения и идентификационные коды типов элементов данных, устанавливающих свойства крепежных деталей;
- определения и идентификационные коды областей значений вышеуказанных типов элементов данных.
Каждые класс, свойство и область значений, соответствующие рассматриваемому приложению, устанавливают статью словаря ссылок, определенную в настоящем стандарте. Словарная статья ассоциируется с определением в электронном виде, а также с идентификационным кодом. Идентификационный код словарной статьи обеспечивает однозначность ссылки на данную статью для любого компьютерного приложения.
Определения и идентификационные коды словарных статей представляют стандартными данными, состоящими из экземпляров типов данных сущностей языка EXPRESS. Экземпляры установлены в обычной словарной схеме и в ее расширениях в соответствии с ИСО 13584-24 и ИСО 13584-25.
Настоящий стандарт распространяется на стандартные данные:
- представляющие классы крепежных деталей;
- представляющие свойства крепежных деталей;
- представляющие области значений свойств крепежных деталей.
Настоящий стандарт не распространяется на:
- методологию структурирования семейств деталей, используемую для описания стандартных данных, соответствующих настоящему стандарту;
- метод реализации, с помощью которого осуществляется обмен стандартными данными, соответствующими настоящему стандарту.
Примечание - Структура физического файла, используемого для обмена стандартными данными, соответствующими настоящему стандарту, приведена в ИСО 10303-21. Требования к физическому файлу, содержащему стандартные данные о крепежных деталях, приведены в
приложении E настоящего стандарта.
В настоящем стандарте использованы нормативные ссылки на следующие документы, которые необходимо учитывать при использовании настоящего стандарта. В случае ссылок на документы, у которых указана дата утверждения, необходимо пользоваться только указанной редакцией. В случае, когда дата утверждения не приведена, следует пользоваться последней редакцией ссылочных документов, включая любые поправки и изменения к ним.
ИСО 1891:1979 Болты, винты, гайки и комплектующие изделия. Терминология и номенклатура (ISO 1891:1979, Bolts, screws, nuts and accessories - Terminology and nomenclature)
ИСО/МЭК 8824-1 Информационная технология. Абстрактная синтаксическая система обозначений. Версия 1 (АССО.1). Часть 1. Описание основной системы обозначений (ISO/IEC 8824-1, Information technology - Abstract Syntax Notation One (ASN.1) - Part 1: Specification of basic notation)
ИСО 10303-1:1994 Системы автоматизации производства и их интеграция. Представление данных об изделии и обмен этими данными. Часть 1. Общий обзор и основные принципы (ISO 10303-1:1994, Industrial automation systems and integration - Product data representation and exchange - Part 1: Overview and fundamental principles)
ИСО 10303-11:1994 Системы автоматизации производства и их интеграция. Представление данных об изделии и обмен этими данными. Часть 11. Методы описания. Справочное руководство по языку EXPRESS (ISO 10303-11:1994, Industrial automation systems and integration - Product data representation and exchange - Part 11: Description methods: The EXPRESS language reference manual)
ИСО 10303-21 Системы автоматизации производства и их интеграция. Представление данных об изделии и обмен этими данными. Часть 21. Методы реализации. Открытое текстовое кодирование обменной структуры (ISO 10303-21, Industrial automation systems and integration - Product data representation and exchange - Part 21: Implementation methods: Clear text encoding of the exchange structure)
ИСО 13584-1:2001 Системы промышленной автоматизации и интеграция. Библиотека данных на детали. Часть 1. Обзор и основные принципы (ISO 13584-1:2001, Industrial automation systems and integration - Parts library - Part 1: Overview and fundamental principles)
ИСО 13584-24:2003 Системы промышленной автоматизации и интеграция. Библиотека данных на детали. Часть 24. Логический ресурс. Логическая модель библиотеки поставщика (ISO 13584-24:2003, Industrial automation systems and integration - Parts library - Part 24: Logical resources: Logical model of supplier library)
ИСО 13584-25 Системы промышленной автоматизации и интеграция. Библиотека данных на детали. Часть 25. Логический ресурс. Логическая модель библиотеки поставщика с агрегированными значениями и подробным содержанием (ISO 13584-25, Industrial automation systems and integration - Parts library - Part 25: Logical resources: Logical model of supplier library with aggregate values and explicit content)
ИСО 13584-42:1998 Системы промышленной автоматизации и интеграция. Библиотека данных на детали. Часть 42. Методология описания. Методология структурирования групп деталей (ISO 13584-42:1998, Industrial automation systems and integration - Parts library - Part 42: Description methodology: Methodology for structuring part families)
МЭК 61360-4:1997 Стандартные типы элементов данных и ассоциированная схема классификации электрических компонентов. Часть 4. Сборник ссылок МЭК для типов элементов данных и классов компонентов (IEC 61360-4:1997, Standard data element types with associated classification scheme for electric components - Part 4: IEC reference collection of standard data element types and component classes)
3 Термины, определения и сокращения
В настоящем стандарте использованы термины и сокращения по ИСО 10303-1, ИСО 10303-11, ИСО 13584-1, ИСО 13584-24, ИСО 13584-42, а также следующие термины с соответствующими определениями.
3.1 Термины и определения
3.1.1 характерное свойство (applicable property): Общее свойство, присущее некоторому семейству деталей, характерное для любой детали конкретного семейства.
[ИСО 13584-24:2003]
Пример - Для семейства винтов характерным свойством является диаметр резьбы, которое присуще всем винтам.
3.1.2 базовая семантическая единица (basic semantic unit; BSU): Сущность, обеспечивающая абсолютную и универсальную идентификацию заданных объектов в области рассматриваемого приложения.
[ИСО 13584-42:1998]
Пример - Классы, типы элементов данных.
3.1.3 характеристика детали (characteristic of a part (part characteristic)): Постоянное свойство, характеристика детали, значение которой остается неизменным.
[ИСО 13584-24:2003]
Примечание - Изменение значения характеристики детали означает изменение самой детали.
Пример - Характеристиками шайбы являются ее номинальный и наружный диаметры.
3.1.4 общая словарная схема (common dictionary schema): Информационная модель словаря, представленная на языке EXPRESS и соответствующая требованиям ИСО ТК 184/ПК 4/РГ 2 и МЭК ПК 3D.
[ИСО 13584-42:1998]
Примечание - Требования к общей словарной схеме определены в МЭК 61360-2:2004, а к ее содержанию - в ИСО 13584-42:1998 (приложение D).
3.1.5 данные (data): Представление фактов, понятий или инструкций в формализованном виде, предназначенном для передачи данных, их интерпретации и обработки вручную или на компьютере.
[ИСО 10303-1:1994]
3.1.6 тип элемента данных (data element type; DET): Единица данных, имеющая идентификационный код, описание и значение.
[ИСО 13584-42:1998]
3.1.7 обмен данными (data exchange): Хранение, организация доступа, передача и архивирование данных.
[ИСО 10303-1:1994]
3.1.8 тип данных (data type): Область возможных значений определенного типа.
[ИСО 10303-11:1994]
3.1.9 словарь (dictionary): Словарные статьи, оформленные в виде таблицы, каждое значение в которой соответствует только одной словарной статье, а каждая словарная статья имеет только одно значение.
[ИСО 13584-1:2001]
Примечание 1 - Согласно комплексу стандартов ИСО 13584 словарь - это формализованная компьютерно-представимая онтология.
Примечание 2 - В комплексе стандартов ИСО 13584 установлены следующие виды значений словарных статей: поставщик, класс, свойство, библиотека программ, тип, таблица и документ.
Примечание 3 - В комплексе стандартов ИСО 13584 информация, представляющая словарную статью, имеет три сущности: basic_semantic_unit (BSU) = базовая семантическая единица, обеспечивающая ссылку, dictionary_element = элемент словаря, представляющий собой описание словарной статьи с помощью атрибутов и, возможно, сущность content_item = пункт содержания, описывающая словарную статью путем описания ее содержания.
3.1.10 словарные данные (dictionary data): Набор данных, описывающих иерархию семейств деталей и свойства этих деталей.
[ИСО 13584-42:1998]
3.1.11 элемент словаря (dictionary element): Набор атрибутов, составляющий словарное описание заданных объектов рассматриваемой предметной области.
[ИСО 13584-42:1998]
Пример - Классы, тип элемента данных.
3.1.12 сущность (entity): Класс информации, определенный общими свойствами.
[ИСО 10303-11:1994]
3.1.13 тип данных сущности (entity data type): Представление сущности, устанавливающее область значений, определенную общими атрибутами и ограничениями.
[ИСО 10303-11:1994]
3.1.14 экземпляр (тип данных) сущности (entity (data type) instance): Единица данных с конкретным именем, представляющая единицу информации внутри класса, определенного сущностью, являющаяся элементом области, определенной типом данных сущности.
[ИСО 10303-11:1994]
3.1.15 семейство деталей (family of parts): Простое или обобщенное семейство деталей.
[ИСО 13584-42:1998]
3.1.16 родовое семейство деталей (Generic family of parts): Множество простых или обобщенных семейств деталей, используемых для классификации и разложения на категории (части) общей информации.
[ИСО 13584-42:1998]
3.1.17 метод реализации (implementation method): Компьютерная технология обмена данными, представленная на языке EXPRESS.
[ИСО 13584-24:2003]
3.1.18 соотношение частичного соответствия (in-case-of relationship): Частичное соответствие описания одного объекта другому.
[ИСО 13584-24:2003]
Примечание - В стандартах комплекса ИСО 13584 новые семейства деталей, частично соответствующие некоторому старому семейству, могут импортировать его свойства и типы данных (как видимые, так и применимые для некоторого семейства деталей). Эти свойства и типы данных могут быть использованы для описания новых семейств.
3.1.19 библиотечно-интегрированная информационная модель (library integrated information model; LIIM): Схема на языке EXPRESS, интегрирующая структурные компоненты ресурсов других схем на языке EXPRESS с целью описания библиотек поставщика и последующего обмена данными в соответствии с установленными требованиями.
[ИСО 13584-24:2003]
3.1.20 онтология (ontology): Согласованное описание понятий предметной области независимо от характера использования данных понятий.
Примечание - Согласно комплексу стандартов ИСО 13584 словарь - это формализованное и компьютерно-представимое описание онтологии.
3.1.21 деталь (part): Материальный или функциональный элемент изделия.
[ИСО 13584-1:2001]
3.1.22 свойство (property): Информация, представляемая типом элемента данных.
[ИСО 13584-42:1998]
3.1.23 простое семейство деталей (simple family of parts): Детали, имеющие одно и то же свойство.
[ИСО 13584-42:1998]
3.1.24 видимое свойство (visual property): Свойство, характеризующее конкретное семейство деталей, которым могут не обладать отдельные детали этого семейства.
[ИСО 13584-42:1998]
Пример - Для родового семейства винтов отсутствие резьбы на некотором участке является видимым свойством, которого не имеют отдельные винты данного семейства.
Примечание - Идентификационным кодом класса, в котором некоторое свойство определено как видимое, является часть идентификационного кода типа элемента данных, представляющего это свойство.
3.1.25 стандартные данные (standard data): Требование к программному обеспечению, определенному с помощью сущностей (типа данных) языка EXPRESS, распознаваемых данным программным обеспечением.
[ИСО 13584-24:2003]
ХС - характерное свойство;
БСЕ - базовая семантическая единица;
КО - класс определений;
ДТП - дата текущего пересмотра;
ДТВ - дата текущей версии;
ТЭД - тип элемента данных;
ДНО - дата начального определения;
ТД - тип данных;
БИИМ - библиотечно-интегрированная информационная модель;
ПБС - предпочтительный буквенный символ;
КТС - классификация типов свойств;
УЧ - упрощенный чертеж;
ПИО - первоисточник определения;
СП - свойства подкласса;
ФЗ - формат значений;
ВС - видимое свойство.
4 Представление онтологических понятий в виде словарных статей
4.1 Класс крепежные детали
4.1.1 Смоделированные классы
4.1.1.1 Класс крепежные детали и суперкласс
В настоящем стандарте класс крепежные детали и класс резьбы в общей иерархии расположены ниже суперкласса механические компоненты общего пользования (см.
рисунок 1).
Примечание - Кроме класса крепежные детали, некоторые другие классы (например, класс подшипники или класс пружины) в общей иерархии будут расположены ниже класса механические компоненты общего пользования при разработке нового стандартного словаря ссылок.
Класс крепежные детали разделен на пять подклассов (крепежные детали с наружной резьбой, гайки, заклепки, штифты и шайбы), которые по Международной
классификации стандартов (далее - МКС) относятся к крепежным деталям. Все смоделированные классы представлены в
приложении B.
Механические компоненты общего пользования
│
│
├────── Крепежные детали
│ │
│ │
│ ├──── Крепежные детали с наружной резьбой
│ │
│ ├──── Гайки
│ │
│ ├──── Шайбы
│ │
│ ├──── Заклепки
│ │
│ └──── Штифты
│
└───── Резьбы
Рисунок 1 - Класс вид крепежных деталей в общей иерархии
расположен ниже класса крепежные детали
4.1.1.2 Классы компонентов
Иерархическая структура библиотеки включает в себя различные классы компонентов, определенных в настоящем стандарте. При этом класс крепежные детали с наружной резьбой имеет два подкласса: подкласс компоненты крепежных деталей с наружной резьбой и подкласс признаки крепежных деталей с наружной резьбой. Подклассы описывают компоненты и их геометрические признаки соответственно.
Пример 1 - Класс крепежные детали с наружной резьбой включает в себя следующие подклассы: головки, стержни, концы деталей, встроенные приводы.
Классы компонентов разделяют на классы классификационных компонентов. Ниже каждого класса классификационных компонентов в общей иерархии находятся некоторые соответствующие простые семейства деталей. В настоящем стандарте установлен механизм сопоставления классов компонентов с соответствующими классами признаков с помощью классификационных свойств и ссылочных свойств (см.
приложение E).
Пример 2 - Класс компоненты крепежных деталей с наружной резьбой имеет девять подклассов: болты/винты с метрической резьбой, винты с саморежущей резьбой (для отверстий), винты для дерева, шурупы, установочные винты, шпильки, винты без головки со шлицем под отвертку и стержнем, резьбовые шпильки, винты с выдавливающей резьбой (для отверстий).
Пример 3 - Структура класса крепежные детали с наружной резьбой приведена на рисунке 2.
Рисунок 2 - Структура класса крепежные детали
с наружной резьбой
В настоящем стандарте ссылки на классы других классификаций не используются.
4.1.3 Использованные атрибуты
В настоящем стандарте классы определены с помощью следующих элементов информации, приведенных в ИСО 13584-42:
- код;
- суперкласс;
- предпочтительное имя;
- свойство выбора подкласса;
- видимое свойство;
- характерное свойство;
- определение значения класса;
- определение;
- первоисточник определения;
- дата текущей версии;
- дата текущего пересмотра;
- дата первоначального определения;
- примечание;
- замечание;
- номер версии;
- номер пересмотра;
- упрощенный чертеж.
Следующие элементы информации, приведенные в ИСО 13584-42, в настоящем стандарте не используются:
- краткое имя;
- синонимичное имя;
- видимые типы;
- применимые типы.
4.1.4 Раскладка
Определения классов крепежных деталей, включая все атрибуты этих классов, приведены в
приложении B. На
рисунке 3 приведен пример оформления документации (раскладка определения) на класс крепежные детали. На
рисунке 4 указано месторасположение и некоторые унаследованные (родовые) свойства класса P511AAA340 в иерархической структуре.
Примечание | - | (1) | - | код; |
| | (2) | - | номер текущей версии; |
| | (3) | - | номер пересмотра; |
| | (4) | - | предпочтительное имя. |
Рисунок 3 - Раскладка определения класса
Рисунок 4 - Месторасположение и некоторые унаследованные
свойства класса P511AAA340
Последовательность раскладки при определении класса:
- сокращения (см.
3.2), используемые вместо полных наименований атрибутов;
- обязательные атрибуты;
- вспомогательные атрибуты не указывают только в случае их отсутствия;
- каждый класс, входящий в суперкласс, или свойство, указанное как характерное свойство (ХС) или как свойство выбора подкласса (СВП), включающие в себя идентификационный код и предпочтительное имя.
4.2 Определения типов элементов данных свойств
4.2.1 Типы смоделированных дат
В настоящем стандарте определены два вида свойств: общие и классификационные.
Общие свойства состоят из свойств признаков и непризнаков.
Классификационные свойства с типом данных non_quantitative_code_type используют только для классов признаков. Они указывают, какие подклассы принадлежат к классам текущего уровня.
Примечание - Свойства ссылок для класса признаков с типом данных class_instance_type для общей иерархии компонентов служат только для соединения каждого класса компонентов с соответствующим ссылочным классом признаков.
4.2.2 Импортированные свойства
Свойства, установленные в МЭК 61360-4:
- международный стандарт;
- установление подлинности;
- масса;
- национальный стандарт.
4.2.3 Используемые атрибуты
В настоящем стандарте ТЭД свойств определены с помощью следующих элементов информации, указанных в ИСО 13584-42:
- код;
- класс определений;
- тип данных;
- предпочтительное имя;
- определение;
- предпочтительный буквенный символ;
- единица;
- формат;
- классификация типов свойств;
- примечание;
- замечание;
- первоисточник определения;
- формат значения;
- дата первоначального определения;
- дата текущей версии;
- дата текущего пересмотра;
- номер версии;
- номер пересмотра.
Следующие элементы информации, указанные в ИСО 13584-42 для определения ТЭД свойств, в настоящем стандарте не используют:
- условие;
- краткое имя;
- формула;
- синонимичный буквенный символ;
- синонимичное имя.
Пример раскладки определения ТЭД свойств приведен на рисунке 5.
Примечание | - | (1) | - | код; |
| | (2) | - | номер текущей версии; |
| | (3) | - | номер пересмотра; |
| | (4) | - | предпочтительное имя. |
Рисунок 5 - Раскладка определения ТЭД свойств
Последовательность раскладки определения ТЭД свойств:
- сокращения (см.
3.2), используемые вместо полных наименований атрибутов;
- обязательные атрибуты, указываемые в списке определений;
- вспомогательные атрибуты, не указываемые только в том случае, если они отсутствуют;
- определение класса, включающее его идентификационный код и предпочтительное имя.
4.3 Определения типов данных
4.3.1 Свойства типов данных
Для свойств, указанных в настоящем стандарте, используют шесть типов данных: тип real_measure_type - для геометрических свойств; тип non_quantitative_code_type - для идентификационного кода метода испытания на твердость, идентификационного кода покрытия крепежной детали, идентификационного кода материала крепежной детали, свойств допуска на резьбу, классов свойств и классификационных свойств; тип class_instance_type - для свойств ссылок класса признаков; тип level_type - для некоторых значений свойств твердости; тип entity_instance_type - для описания геометрии деталей нестандартной формы и тип string_type - для свойств, которые могут быть описаны символьной строкой.
4.3.2 Используемые атрибуты
В настоящем стандарте атрибуты для определения типа данных не используются.
4.4 Правила формулирования определений классов и свойств
Определение класса (свойства) крепежной детали должно состоять из одной фразы, которая описывает понятие класса (свойства) с учетом расположения этого понятия в общей системе понятий. При формулировке определения следуют следующим правилам:
Правило 1 - Структура определения должна состоять из основной части, устанавливающей класс, к которому относится данное понятие, и дополнительной части, содержащей характеристики, позволяющие отличать данное понятие от остальных элементов рассматриваемого класса.
Правило 2 - Следует использовать предпочтительные термины, установленные в настоящем стандарте или в сопутствующих документах. Следует избегать использования новых определений или их частей, если существуют предпочтительные термины.
Правило 3 - Предпочтительный термин в определении следует приводить в полной форме.
5.1 Связь с существующими классификациями
Настоящий стандарт не связан с существующими классификациями, за исключением МКС.
Примечание - МКС используют, главным образом, для определения места словаря, описанного в настоящем стандарте, по отношению к аналогичным словарям, соответствующим другим стандартам. МКС не соответствует внутренней классификации, установленной в настоящем стандарте и использующей технические термины из области крепежных деталей.
5.2 Верхний уровень иерархии
В соответствии с правилом 2, приведенным в ИСО 13584-42, пункт 6.1.2, верхний уровень иерархии в настоящем стандарте соответствует иерархии крепежных деталей, установленной в МКС (см.
4.1.1 и
4.1.2 настоящего стандарта).
5.3 Нижний уровень иерархии
Чтобы упростить и уменьшить высоту дерева классификации крепежных деталей на нижнем уровне иерархии, две ветви иерархии (класс признаков и класс компонентов) в настоящем стандарте расположены ниже класса виды крепежных деталей (см.
4.1.1).
Для правила 1 и правила 8, приведенных в ИСО 13584-42, в настоящем стандарте установлены дополнительные правила.
Дополнительное правило 1 - Определять классы нижнего уровня следует только в том случае, если это необходимо для определения свойств деталей. Роль классов, не определяющих свойства деталей и находящихся на нижнем уровне иерархии (родовые семейства деталей), сводится только к тому, чтобы точно определить смысл каждого свойства. Таким образом, на нижнем уровне иерархии новый подкласс вводят только в том случае, если необходимо привести более точное определение смыслового значения рассматриваемого свойства. Классы, отличающиеся от других классов только значениями свойств, не приводят.
Примечание - Правила использования классов компонентов, не вводящих дополнительные определения свойств деталей, будут приведены в следующих изданиях настоящего стандарта.
Дополнительное правило 2 - Свойства, определенные в других стандартах ИСО, распространяющихся на крепежные детали, должны быть определены в словаре, соответствующем настоящему стандарту.
Дополнительное правило 3 - При необходимости свойства значений классов (классификационные свойства) могут сохранять свои значения на нескольких уровнях ниже того уровня, на котором они определены.
В настоящем подразделе установлены требования к стилю кодирования, обеспечивающему создание универсальных идентификационных кодов для классов и свойств БСЕ.
Дополнительное правило 4 - Способ кодирования, установленный в настоящем стандарте (см. рисунок 6), заключается в следующем:
Р 51 1 Х Х Х Х Х Х
───┬─── ──────┬──────
│ └ Вторая секция
└────────────── Первая секция
Рисунок 6 - Способ кодирования
- общее число символов равно 10. Символы разделяют на две секции;
- первая секция содержит четыре символа P511 в постоянной строке словаря крепежных деталей;
- вторая секция содержит шесть символов в любой последовательности букв и цифр.
Пример - Идентификационный код P511AAA003 обозначает класс крепежные детали с наружной резьбой. Идентификационный код P511BAA024 обозначает свойство шаг резьбы.
5.5 Общие и классификационные свойства
Свойства бывают двух типов:
- общие;
- классификационные.
Данные свойства имеют атрибуты, определенные в ИСО 13584-42, но другие функции.
5.5.1 Общие свойства
Общие свойства, расположенные в данной иерархии на один класс ниже данного класса, являются определениями этого класса (см.
4.2.1). Пример раскладки свойств приведен в
4.2.4.
5.5.2 Классификационные свойства
Классификационные свойства указывают, какие подклассы по своим значениям в данной иерархии находятся ниже текущего класса. Они образуют множество информационных кодов типа non_quantitative.
Классификационные свойства определены на уровне класса виды крепежных деталей, начиная с которого происходит иерархическое деление на ветвь признаков и ветвь компонентов. Данные ветви входят в общую иерархию библиотеки.
| | ИС МЕГАНОРМ: примечание. В официальном тексте документа, видимо, допущена опечатка: таблица D.1 отсутствует. Возможно, имеется в виду таблица E.1. | |
Описание классификационных свойств и их значений, определенных в настоящем стандарте, приведено в приложении D,
таблица D.1.
6 Описание для компьютерной (программной) обработки
В комплексе стандартов ИСО 13584 приведено описание механизма ссылок внешнего файла, позволяющего привести необходимую документацию (в электронной или другой форме) в соответствие изделию, задаче, шагу обработки информации, определению из словаря крепежных деталей и т.п. Данный механизм облегчает доступ пользователей к информации, находящейся за пределами области применения настоящего стандарта.
Механизм ссылок внешнего файла для словаря крепежных деталей изображен на рисунке 7.
Рисунок 7 - Механизм ссылок внешнего файла
В словаре крепежных деталей один вид внешних файлов имеет ссылку referenced_graphics, которая является подтипом graphics, для описания атрибутов simplified_drawing простого семейства деталей. Областью атрибута graphics_reference ссылки referenced_graphics является document_BSU. Используя document_BSU можно найти соответствующие элементы документа document_element и содержание документа document_content. Таким образом получают доступ к документу.
Пример - Атрибут упрощенного чертежа класса P511AAA015 (полусферическая головка) имеет ссылку на код P511DAA015, который является идентификационным кодом внешнего файла, представляющего полусферическую головку болта/винта. Последние пять символов данного буквенно-цифрового кода аналогичны последним пяти символам кода класса, к которому он принадлежит.
Примечание - Все графические документы деталей в настоящем стандарте представлены в формате JPG.
Описание внешнего файла должно соответствовать расширенной схеме словаря ISO13584_extended_dictionary_schema и схеме расширенного файла ISO13584_external_file_schema, описания которых приведены в ИСО 13584-24 на языке EXPRESS.
6.2 Информационные модели и классы соответствия
Настоящий стандарт соответствует библиотечно-интегрированной информационной модели БИИМ 25, определенной в ИСО 13584-25, а также соответствует библиотечно-интегрированной информационной модели БИИМ 24, определенной в ИСО 13584-24.
Схема, использованная в настоящем стандарте, соответствует классу соответствия 2, установленному в ИСО 13584-25. Класс соответствия 2 обращается к тем реализациям, которые поддерживают класс соответствия 1, а также совокупные типы данных и значений. Реализация класса соответствия 2 библиотечно-интегрированной информационной модели БИИМ 25 должна поддерживать следующие сущности и соответствующие структурные компоненты:
SCHEMA ISO13584_25_IEC61360_5_liim_schema;
USE FROM ISO13584_IEC61360_dictionary_schema
(axis1_placement_type,
axis2_placement_2d_type,
axis2_placement_3d_type,
boolean_type,
class_BSU,
class_instance_type,
class_value_assignment,
complex_type,
component_class,
condition_DET,
data_type_BSU,
data_type_element,
dates,
dependent_P_DET,
dic_unit,
dic_value,
entity_instance_type,
identified_document,
int_currency_type,
int_measure_type,
int_type,
integer_type,
item_class,
item_names,
label_with_language,
level_type,
material_class,
mathematical_string,
named_type,
non_dependent_P_DET,
non_quantitative_code_type,
non_quantitative_int_type,
non_si_unit,
number_type,
placement_type,
property_BSU,
property_DET,
real_currency_type,
real_measure_type,
real_type,
string_type,
supplier_BSU,
supplier_element,
value_domain);
USE FROM ISO13584_IEC61360_language_resource_schema
(global_language_assignment, present_translations,
translated_label, translated_text);
USE FROM ISO13584_instance_resource_schema (null_value, primitive_value,
null_or_primitive_value, simple_value, null_or_simple_value,
number_value, null_or_number_value, integer_value,
null_or_integer_value, real_value, null_or_real_value,
boolean_value, null_or_boolean_value, translatable_string_value,
translated_string_value, string_value,
null_or_translatable_string_value, complex_value,
null_or_complex_value,
entity_instance_value,
null_or_entity_instance_value,
defined_entity_instance_value,
controlled_entity_instance_value,
STEP_entity_instance_value,
PLIB_entity_instance_value,
property_or_data_type_BSU,
level_spec_value,
null_or_level_spec_value,
int_level_spec_value,
null_or_int_level_spec_value,
real_level_spec_value,
null_or_real_level_spec_value,
property_value,
context_dependent_property_value,
dic_class_instance,
null_or_dic_class_instance,
dic_component_instance,
dic_feature_instance,
dic_material_instance,
lib_component_instance,
lib_feature_instance,
lib_material_instance,
dic_f_model_instance,
lib_f_model_instance);
USE FROM ISO13584_IEC61360_dictionary_aggregate_extension_schema
(entity_instance_type_for_aggregate, list_type, set_type, bag_type,
array_type, set_with_subset_constraint_type);
USE FROM ISO13584_extended_dictionary_schema (dictionary,
dictionary_in_standard_format, library_iim_identification,
view_exchange_protocol_identification, representation_type,
geometric_representation_context_type,
representation_reference_type, program_reference_type,
program_library_BSU, document_BSU,
supplier_program_library_relationship, class_document_relationship,
representation_P_DET, class_related_dictionary_element,
program_library_element, document_element,
document_element_with_http_access,
document_element_with_translated_http_access,
referenced_document,
referenced_graphics,
feature_class,
functional_model_class,
fm_class_view_of,
functional_view_class,
non_instantiable_functional_view_class,
view_control_variable_range,
item_class_case_of,
component_class_case_of,
material_class_case_of,
feature_class_case_of,
a_posteriori_case_of,
a_posteriori_view_of);
USE FROM ISO13584_external_file_schema
(standard_simple_program_protocol,
non_standard_simple_program_protocol,
linked_interface_program_protocol, standard_data_protocol,
non_standard_data_protocol, http_protocol, program_library_content,
document_content, representation_reference, program_reference,
property_value_external_item, message, illustration,
A6_illustration, A9_illustration, translated_external_content,
not_translated_external_content, not_translatable_external_content,
language_specific_content, external_file_unit, http_file,
http_class_directory, simple_program_protocol);
USE FROM ISO13584_aggregate_value_schema
(aggregate_entity_instance_value, list_value, set_value, bag_value,
array_value, set_with_subset_constraint_value);
USE FROM ISO13584_library_content_schema (library,
library_in_standard_format, explicit_item_class_extension,
explicit_functional_model_class_extension,
property_classification, property_value_recommended_presentation);
USE FROM measure_schema (amount_of_substance_measure, area_measure,
context_dependent_measure, context_dependent_unit,
conversion_based_unit, count_measure, derived_unit,
derived_unit_element, dimensional_exponents,
electric_current_measure, global_unit_assigned_context,
length_measure, length_measure_with_unit, length_unit,
luminous_intensity_measure, mass_measure, measure_value,
measure_with_unit, named_unit, numeric_measure, parameter_value,
plane_angle_measure, positive_length_measure,
positive_plane_angle_measure, ratio_measure, si_unit,
solid_angle_measure, thermodynamic_temperature_measure,
time_measure, volume_measure);
USE FROM person_organization_schema (address, organization, person);
USE FROM date_time_schema (date, date_and_time, local_time,
calendar_date, ordinal_date, week_of_year_and_day_date);
USE FROM geometry_schema (axis1_placement, axis2_placement_2D,
axis2_placement_3D, geometric_representation_context, placement);
USE FROM representation_schema
(representation,
representation_context,
representation_item);
USE FROM application_context_schema
(application_context,
application_context_element,
application_protocol_definition);
END_SCHEMA;--ISO13584_25_IEC61360_5_liim_schema
(обязательное)
РЕГИСТРАЦИЯ ИНФОРМАЦИОННОГО ОБЪЕКТА
A.1 Идентификация документа
Для обеспечения точной идентификации информационного объекта настоящему стандарту присвоен следующий идентификатор объекта:
{ISO standard 13584 part (511) version (1)}
Данное значение определено в ИСО/МЭК 8824-1 и описано в ИСО 13584-1.
A.2 Идентификация словаря
Словарю, соответствующему настоящему стандарту, присвоен следующий идентификатор объекта:
{ISO standard 13584 part (511) version (1) object (1) fasteners (1)}
(обязательное)
КЛАССИФИКАЦИОННЫЕ ТАБЛИЦЫ
Описания классификационных структур и идентификационных кодов каждого класса, соответствующего настоящему стандарту, приведены в таблице B.1.
Таблица B.1
Классификационные структуры классов
Классификационная структура | Суперкласс | Код |
Механические компоненты общего пользования | | P511AAA001 |
| Крепежные детали | P511AAA001 | P511AAA002 |
| | Крепежные детали с наружной резьбой | P511AAA002 | P511AAA003 |
| | | Компоненты крепежных деталей с наружной резьбой | P511AAA003 | P511AAA004 |
| | | | Шурупы | P511AAA004 | P511AAA210 |
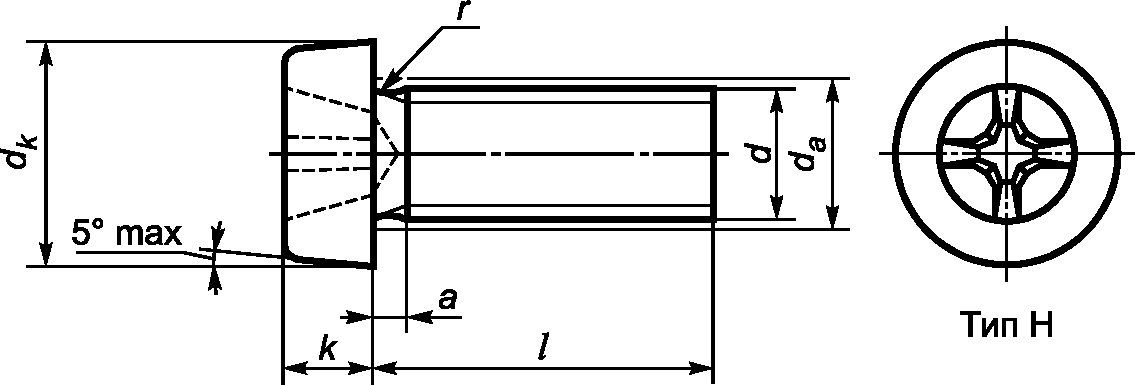
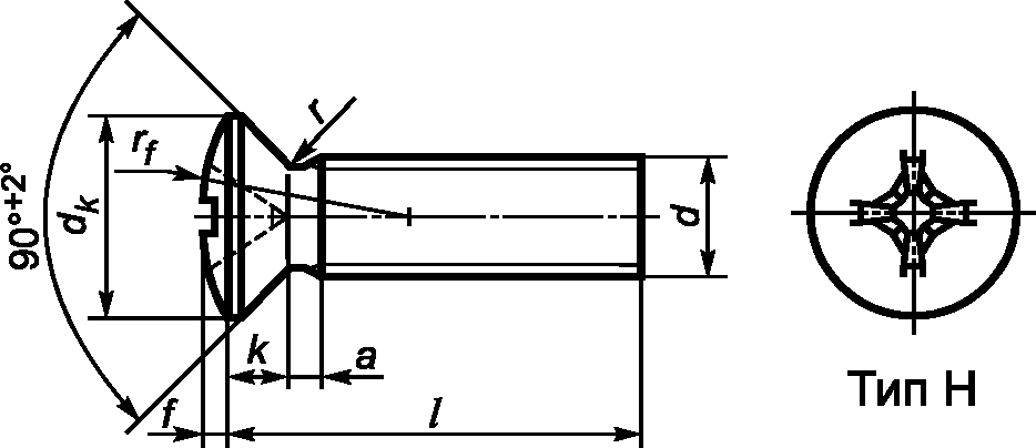
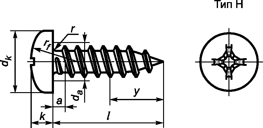
| | | | | Шурупы с крестообразным шлицем (тип H) и потайной головкой | P511AAA210 | P511AAA213 |
| | | | | Шурупы с крестообразным шлицем (тип H) и головкой в виде цилиндра с закругленным торцом | P511AAA210 | P511AAA212 |
| | | | | Шурупы с крестообразным шлицем (тип H) с поднятой потайной головкой | P511AAA210 | P511AAA214 |
| | | | | Шурупы с крестообразным шлицем (тип Z) и потайной головкой | P511AAA210 | P511AAA287 |
| | | | | Шурупы с крестообразным шлицем (тип Z), головкой в виде цилиндра с закругленным торцом и саморежущей резьбой | P511AAA210 | P511AAA286 |
| | | | | Шурупы с крестообразным шлицем (тип Z) и поднятой потайной головкой | P511AAA210 | P511AAA288 |
| | | | | Шурупы с шестигранной головкой и неотделимой от нее шайбой | P511AAA210 | P511AAA211 |
| | | | Винты без головки со стержнем | P511AAA004 | P511AAA354 |
| | | | | Винты без головки, со шлицем под отвертку и стержнем | P511AAA354 | P511AAA187 |
| | | | Болты/винты с метрической резьбой | P511AAA004 | P511AAA005 |
| | | | | Винты с плоской потайной головкой и крестообразным шлицем (тип H) | P511AAA005 | P511AAA184 |
| | | | | Винты с плоской потайной головкой и крестообразным шлицем (тип Z) | P511AAA005 | P511AAA281 |
| | | | | Винты с цилиндрической головкой и крестообразным шлицем (тип H) | P511AAA005 | P511AAA181 |
| | | | | Винты с цилиндрической головкой с закругленным торцом и крестообразным шлицем (тип H) | P511AAA005 | P511AAA182 |
| | | | | Винты с цилиндрической головкой и крестообразным шлицем (тип Z) | P511AAA005 | P511AAA279 |
| | | | | Винты с цилиндрической головкой с закругленным торцом и крестообразным шлицем (тип Z) | P511AAA005 | P511AAA280 |
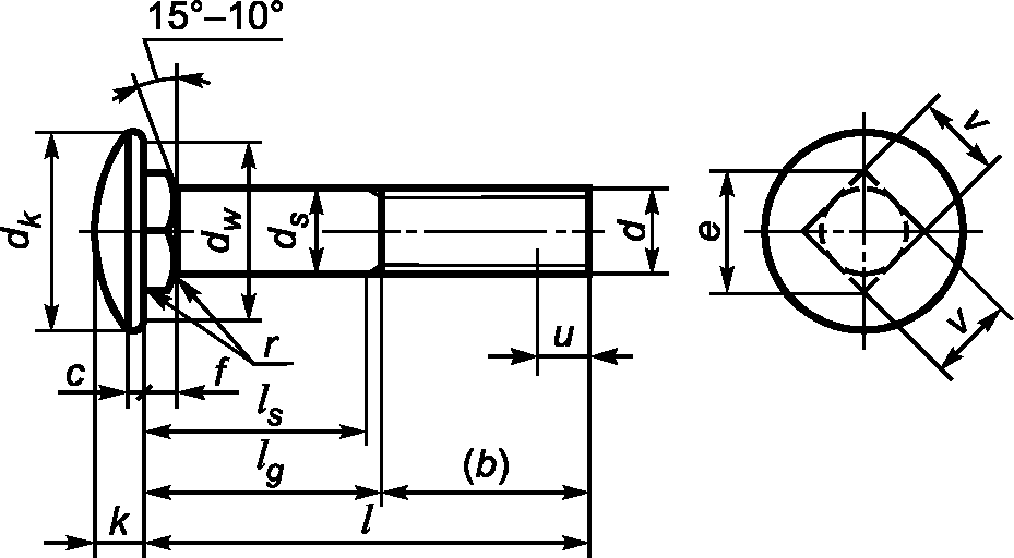
| | | | | Болты с полукруглой головкой и квадратным подголовком | P511AAA005 | P511AAA051 |
| | | | | Болты с большой полукруглой головкой и квадратным подголовком | P511AAA005 | P511AAA158 |
| | | | | Болты с шестигранной головкой | P511AAA005 | P511AAA156 |
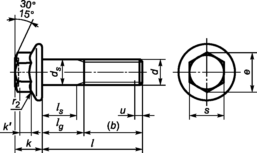
| | | | | Болты с шестигранной головкой, фланцем, мелкой резьбой и нормальным стержнем | P511AAA005 | P511AAA081 |
| | | | | Болты с шестигранной головкой, фланцем, мелкой резьбой и ступенчатым стержнем | P511AAA005 | P511AAA146 |
| | | | | Болты с шестигранной головкой, фланцем и нормальным стержнем | P511AAA005 | P511AAA047 |
| | | | | Болты с шестигранной головкой, фланцем и ступенчатым стержнем | P511AAA005 | P511AAA157 |
| | | | | Болты с шестигранной головкой и мелкой метрической резьбой | P511AAA005 | P511AAA339 |
| | | | | Винты с шестигранной головкой | P511AAA005 | P511AAA169 |
| | | | | Винты с шестигранной головкой и мелкой метрической резьбой | P511AAA005 | P511AAA340 |
| | | | | Винты с полусферической головкой и шестигранным углублением под торцевой ключ | P511AAA005 | P511AAA172 |
| | | | | Винты с потайной головкой и шестигранным углублением под торцевой ключ | P511AAA005 | P511AAA173 |
| | | | | Винты с шестигранной головкой и углублением под торцевой ключ | P511AAA005 | P511AAA170 |
| | | | | Винты с шестигранной головкой, углублением под торцевой ключ и мелкой метрической резьбой | P511AAA005 | P511AAA342 |
| | | | | Винты с шестигранной головкой, буртом и углублением под торцевой ключ | P511AAA005 | P511AAA171 |
| | | | | Винты с цилиндрической головкой и шестидольным углублением под торцевой ключ | P511AAA005 | P511AAA174 |
| | | | | Винты с шестидольной головкой с углублением под торцевой ключ | P511AAA005 | P511AAA050 |
| | | | | Винты с цилиндрической головкой с закругленным торцом и шестидольным углублением под торцевой ключ | P511AAA005 | P511AAA175 |
| | | | | Винты с поднятой потайной головкой и шестидольным углублением под торцевой ключ | P511AAA005 | P511AAA176 |
| | | | | Болты с восьмигранной головкой | P511AAA005 | P511AAA163 |
| | | | | Винты с потайной поднятой головкой и крестообразным шлицем (тип H) | P511AAA005 | P511AAA185 |
| | | | | Винты с потайной поднятой головкой и крестообразным шлицем (тип Z) | P511AAA005 | P511AAA282 |
| | | | | Винты с цилиндрической головкой и шлицем | P511AAA005 | P511AAA177 |
| | | | | Винты с потайной плоской головкой и шлицем | P511AAA005 | P511AAA179 |
| | | | | Винты с цилиндрической головкой с закругленным торцом и шлицем | P511AAA005 | P511AAA178 |
| | | | | Винты с поднятой потайной головкой и шлицем | P511AAA005 | P511AAA180 |
| | | | | Болты с квадратной головкой | P511AAA005 | P511AAA159 |
| | | | | Болты с квадратной головкой с цилиндрическим буртом | P511AAA005 | P511AAA160 |
| | | | | Болты с Т-образной головкой | P511AAA005 | P511AAA166 |
| | | | | Болты с треугольной головкой | P511AAA005 | P511AAA162 |
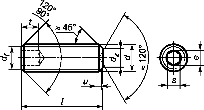
| | | | Установочные винты | P511AAA004 | P511AAA186 |
| | | | | Установочные винты с шестигранным углублением под торцевой ключ и коническим концом | P511AAA186 | P511AAA189 |
| | | | | Установочные винты с углублением под торцевой ключ и центровым углублением на конце винта | P511AAA186 | P511AAA191 |
| | | | | Установочные винты с шестигранным углублением под торцевой ключ и цилиндрическим концом | P511AAA186 | P511AAA190 |
| | | | | Установочные винты с шестигранным углублением под торцевой ключ и плоским концом | P511AAA186 | P511AAA188 |
| | | | | Установочные винты со шлицем и коническим концом | P511AAA186 | P511AAA192 |
| | | | | Установочные винты со шлицем и центровым углублением на конце винта | P511AAA186 | P511AAA195 |
| | | | | Установочные винты со шлицем и плоским концом | P511AAA186 | P511AAA193 |
| | | | | Установочные винты со шлицем и длинным цилиндрическим концом | P511AAA186 | P511AAA194 |
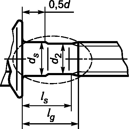
| | | | Шпильки | P511AAA004 | P511AAA049 |
| | | | | Шпильки с нормальным стержнем | P511AAA049 | P511AAA091 |
| | | | | Шпильки с утоненным стержнем | P511AAA049 | P511AAA071 |
| | | | Резьбовые шпильки | P511AAA004 | P511AAA099 |
| | | | Винты с саморежущей резьбой | P511AAA004 | P511AAA196 |
| | | | | Винты с саморежущей резьбой, потайной головкой с крестообразным шлицем и коническим концом | P511AAA196 | P511AAA203 |
| | | | | Винты с саморежущей резьбой, потайной головкой с крестообразным шлицем и плоским концом | P511AAA196 | P511AAA269 |
| | | | | Винты с саморежущей резьбой, головкой в виде цилиндра с закругленным торцом, крестообразным шлицем (тип H) и коническим концом | P511AAA196 | P511AAA201 |
| | | | | Винты с саморежущей резьбой, головкой в виде цилиндра с закругленным торцом, крестообразным шлицем (тип H) и плоским концом | P511AAA196 | P511AAA270 |
| | | | | Винты с саморежущей резьбой, поднятой потайной головкой с крестообразным шлицем (тип H) и коническим концом | P511AAA196 | P511AAA204 |
| | | | | Винты с саморежущей резьбой, поднятой потайной головкой с крестообразным шлицем (тип H) и плоским концом | P511AAA196 | P511AAA244 |
| | | | | Винты с саморежущей резьбой, потайной головкой с крестообразным шлицем (тип Z) и коническим концом | P511AAA196 | P511AAA284 |
| | | | | Винты с саморежущей резьбой, потайной головкой с крестообразным шлицем (тип Z) и плоским концом | P511AAA196 | P511AAA268 |
| | | | | Винты с саморежущей резьбой, головкой в виде цилиндра с закругленным торцом с крестообразным шлицем (тип Z) и коническим концом | P511AAA196 | P511AAA283 |
| | | | | Винты с саморежущей резьбой, головкой в виде цилиндра с закругленным торцом с крестообразным шлицем (тип Z) и плоским концом | P511AAA196 | P511AAA144 |
| | | | | Винты с саморежущей резьбой, поднятой потайной головкой с крестообразным шлицем (тип Z) и коническим концом | P511AAA196 | P511AAA285 |
| | | | | Винты с саморежущей резьбой, поднятой потайной головкой с крестообразным шлицем (тип Z) и плоским концом | P511AAA196 | P511AAA267 |
| | | | | Винты с саморежущей резьбой, шестигранной фланцевой головкой и коническим концом | P511AAA196 | P511AAA202 |
| | | | | Винты с саморежущей резьбой, шестигранной фланцевой головкой и плоским концом | P511AAA196 | P511AAA271 |
| | | | | Винты с саморежущей резьбой, шестигранной головкой и коническим концом | P511AAA196 | P511AAA197 |
| | | | | Винты с саморежущей резьбой, шестигранной головкой и плоским концом | P511AAA196 | P511AAA293 |
| | | | | Винты с саморежущей резьбой, шестигранной головкой, неотделимой от нее шайбой и коническим концом | P511AAA196 | P511AAA205 |
| | | | | Винты с саморежущей резьбой, шестигранной головкой, неотделимой от нее шайбой и плоским концом | P511AAA196 | P511AAA243 |
| | | | | Винты с саморежущей резьбой, потайной головкой, шестидольным углублением под торцевой ключ и коническим концом | P511AAA196 | P511AAA207 |
| | | | | Винты с саморежущей резьбой, потайной головкой, шестидольным углублением под торцевой ключ и плоским концом | P511AAA196 | P511AAA226 |
| | | | | Винты с саморежущей резьбой, потайной головкой, шестидольным углублением под торцевой ключ и закругленным концом | P511AAA196 | P511AAA238 |
| | | | | Винты с саморежущей резьбой, головкой в виде цилиндра с закругленным торцом, шестидольным углублением под торцевой ключ и коническим концом | P511AAA196 | P511AAA206 |
| | | | | Винты с саморежущей резьбой, головкой в виде цилиндра с закругленным торцом, шестидольным углублением под торцевой ключ и плоским концом | P511AAA196 | P511AAA239 |
| | | | | Винты с саморежущей резьбой, головкой в виде цилиндра с закругленным торцом, шестидольным углублением под торцевой ключ и закругленным концом | P511AAA196 | P511AAA242 |
| | | | | Винты с саморежущей резьбой, поднятой потайной головкой, шестидольным углублением под торцевой ключ и коническим концом | P511AAA196 | P511AAA208 |
| | | | | Винты с саморежущей резьбой, поднятой потайной головкой, шестидольным углублением под торцевой ключ и плоским концом | P511AAA196 | P511AAA291 |
| | | | | Винты с саморежущей резьбой, поднятой потайной головкой, шестидольным углублением под торцевой ключ и закругленным концом | P511AAA196 | P511AAA292 |
| | | | | Винты с саморежущей резьбой, потайной плоской головкой, шлицем и коническим концом | P511AAA196 | P511AAA199 |
| | | | | Винты с саморежущей резьбой, потайной плоской головкой, шлицем и плоским концом | P511AAA196 | P511AAA290 |
| | | | | Винты с саморежущей резьбой, цилиндрической головкой с закругленным торцом, шлицем и коническим концом | P511AAA196 | P511AAA198 |
| | | | | Винты с саморежущей резьбой, цилиндрической головкой с закругленным торцом, шлицем и плоским концом | P511AAA196 | P511AAA139 |
| | | | | Винты с саморежущей резьбой, поднятой купольной потайной головкой, шлицем и коническим концом | P511AAA196 | P511AAA200 |
| | | | | Винты с саморежущей резьбой, поднятой купольной потайной головкой, шлицем и плоским концом | P511AAA196 | P511AAA289 |
| | | | Винты с выдавливающей резьбой | P511AAA004 | P511AAA309 |
| | | | Винты для дерева | P511AAA004 | P511AAA209 |
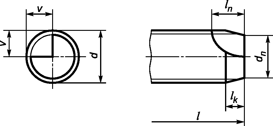
| | | Крепежная деталь с наружной резьбой | P511AAA003 | P511AAA007 |
| | | | Концы деталей | P511AAA007 | P511AAA028 |
| | | | | Прокатанный конец | P511AAA028 | P511AAA029 |
| | | | | Конец с фаской | P511AAA028 | P511AAA031 |
| | | | | Конический конец (тип C) винта с саморежущей резьбой | P511AAA028 | P511AAA130 |
| | | | | Конический конец | P511AAA028 | P511AAA032 |
| | | | | Конец с центровым углублением | P511AAA028 | P511AAA034 |
| | | | | Цилиндрический конец | P511AAA028 | P511AAA035 |
| | | | | Сверлящий конец шурупа | P511AAA028 | P511AAA012 |
| | | | | Конец винта с выдавливающей резьбой | P511AAA028 | P511AAA006 |
| | | | | Плоский конец (тип F) винта с саморежущей резьбой | P511AAA028 | P511AAA132 |
| | | | | Плоский конец | P511AAA028 | P511AAA131 |
| | | | | Направляющий конец детали | P511AAA028 | P511AAA349 |
| | | | | Закругленный конец | P511AAA028 | P511AAA030 |
| | | | | Закругленный конец (тип R) винта с саморежущей резьбой | P511AAA028 | P511AAA138 |
| | | | | Конический с притуплением конец винта с саморежущей резьбой | P511AAA028 | P511AAA036 |
| | | | | Усеченный конический конец установочного винта | P511AAA028 | P511AAA033 |
| | | | | Усеченный направляющий конец | P511AAA028 | P511AAA350 |
| | | | Головки | P511AAA007 | P511AAA008 |
| | | | | 12-конечная фланцевая головка | P511AAA008 | P511AAA121 |
| | | | | Полусферическая головка | P511AAA008 | P511AAA223 |
| | | | | Плоская цилиндрическая головка | P511AAA008 | P511AAA016 |
| | | | | Потайная головка | P511AAA008 | P511AAA019 |
| | | | | Полусферическая головка | P511AAA008 | P511AAA353 |
| | | | | Цилиндрическая головка | P511AAA008 | P511AAA122 |
| | | | | Головка в виде глаза | P511AAA008 | P511AAA021 |
| | | | | Головка в виде проушины | P511AAA008 | P511AAA022 |
| | | | | Головка с накаткой | P511AAA008 | P511AAA351 |
| | | | | Головка с воротком | P511AAA008 | P511AAA046 |
| | | | | Головка с лапками | P511AAA008 | P511AAA352 |
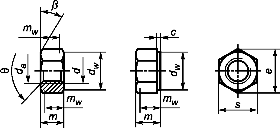
| | | | | Шестигранная головка | P511AAA008 | P511AAA009 |
| | | | | Шестигранная головка с цилиндрическим буртом | P511AAA008 | P511AAA217 |
| | | | | Шестигранная головка с фланцем | P511AAA008 | P511AAA011 |
| | | | | Шестигранная головка с опорным выступом под шайбу | P511AAA008 | P511AAA010 |
| | | | | Восьмигранная головка | P511AAA008 | P511AAA120 |
| | | | | Головка в виде цилиндра с закругленным торцом | P511AAA008 | P511AAA018 |
| | | | | Поднятая цилиндрическая головка | P511AAA008 | P511AAA017 |
| | | | | Поднятая потайная головка | P511AAA008 | P511AAA020 |
| | | | | Полусферическая головка | P511AAA008 | P511AAA015 |
| | | | | Квадратная головка | P511AAA008 | P511AAA023 |
| | | | | Квадратная головка с цилиндрическим буртом | P511AAA008 | P511AAA013 |
| | | | | Т-образная головка | P511AAA008 | P511AAA014 |
| | | | | Треугольная головка с фланцем | P511AAA008 | P511AAA119 |
| | | | Встроенные приводы | P511AAA007 | P511AAA042 |
| | | | | 12-конечное углубление под торцевой ключ | P511AAA042 | P511AAA143 |
| | | | | Поперечное отверстие | P511AAA042 | P511AAA147 |
| | | | | Крестообразный шлиц (тип H) | P511AAA042 | P511AAA045 |
| | | | | Крестообразный шлиц (тип Z) | P511AAA042 | P511AAA272 |
| | | | | Шестигранное углубление под торцевой ключ | P511AAA042 | P511AAA043 |
| | | | | Шестидольное углубление под торцевой ключ | P511AAA042 | P511AAA222 |
| | | | | Шестишлицевое углубление под торцевой ключ | P511AAA042 | P511AAA142 |
| | | | | Шлиц | P511AAA042 | P511AAA044 |
| | | | | Квадратное углубление под торцевой ключ | P511AAA042 | P511AAA141 |
| | | | | Треугольное углубление под торцевой ключ | P511AAA042 | P511AAA140 |
| | | | Стержни | P511AAA007 | P511AAA024 |
| | | | | Стержень, устанавливаемый в отверстие без зазора | P511AAA024 | P511AAA128 |
| | | | | Нормальный стержень | P511AAA024 | P511AAA125 |
| | | | | Ступенчатый стержень | P511AAA024 | P511AAA126 |
| | | | | Стержень с квадратным подголовком | P511AAA024 | P511AAA025 |
| | | | | Стержень с буртом | P511AAA024 | P511AAA129 |
| | | | | Утоненный стержень | P511AAA024 | P511AAA127 |
| | Гайки | P511AAA002 | P511AAA052 |
| | | Накидная гайка | P511AAA052 | P511AAA311 |
| | | Глухая колпачковая гайка | P511AAA052 | P511AAA312 |
| | | Шестигранная корончатая гайка | P511AAA052 | P511AAA229 |
| | | Шестигранная гайка (стиль 1) | P511AAA052 | P511AAA313 |
| | | Шестигранная гайка с цилиндрическим буртом | P511AAA052 | P511AAA314 |
| | | Шестигранная гайка с фланцем | P511AAA052 | P511AAA228 |
| | | Шестигранная гайка (стиль 2) | P511AAA052 | P511AAA326 |
| | | Шестигранная тонкая гайка с фаской | P511AAA052 | P511AAA327 |
| | | Шестигранная тонкая гайка без фаски | P511AAA052 | P511AAA338 |
| | | Восьмигранная гайка | P511AAA052 | P511AAA323 |
| | | Пятигранная гайка | P511AAA052 | P511AAA322 |
| | | Цельнометаллическая шестигранная гайка, рассчитанная на преобладающее значение крутящего момента (стиль 1) | P511AAA052 | P511AAA330 |
| | | Цельнометаллическая шестигранная гайка, рассчитанная на преобладающее значение крутящего момента (стиль 2) | P511AAA052 | P511AAA331 |
| | | Цельнометаллическая шестигранная гайка с фланцем, рассчитанная на преобладающее значение крутящего момента | P511AAA052 | P511AAA333 |
| | | Шестигранная гайка с фланцем и неметаллической вставкой, рассчитанная на преобладающее значение крутящего момента | P511AAA052 | P511AAA332 |
| | | Шестигранная гайка с неметаллической вставкой, рассчитанная на преобладающее значение крутящего момента (стиль 1) | P511AAA052 | P511AAA328 |
| | | Шестигранная гайка с неметаллической вставкой, рассчитанная на преобладающее значение крутящего момента (стиль 2) | P511AAA052 | P511AAA329 |
| | | Круглая гайка с отверстиями на торце под ключ | P511AAA052 | P511AAA232 |
| | | Круглая гайка с радиальными отверстиями | P511AAA052 | P511AAA315 |
| | | Круглая гайка с накаткой | P511AAA052 | P511AAA318 |
| | | Круглая гайка со шлицем на торце | P511AAA052 | P511AAA316 |
| | | Круглая гайка с радиальными шлицами | P511AAA052 | P511AAA317 |
| | | Шестигранная гайка со шлицем | P511AAA052 | P511AAA227 |
| | | Квадратная гайка | P511AAA052 | P511AAA319 |
| | | Квадратная гайка с цилиндрическим буртом | P511AAA052 | P511AAA320 |
| | | Треугольная гайка с цилиндрическим буртом | P511AAA052 | P511AAA321 |
| | | Гайка-барашек | P511AAA052 | P511AAA324 |
| | Штифты | P511AAA002 | P511AAA098 |
| | | Штифты с отверстием на конце под шплинт | P511AAA098 | P511AAA355 |
| | | | Штифты с головкой и отверстием на конце под шплинт | P511AAA355 | P511AAA255 |
| | | | Штифт без головки с отверстием на конце под шплинт | P511AAA355 | P511AAA334 |
| | | Насеченный штифт | P511AAA098 | P511AAA356 |
| | | | Насеченный штифт с потайной головкой | P511AAA356 | P511AAA260 |
| | | | Насеченный штифт с полукруглой головкой | P511AAA356 | P511AAA259 |
| | | | Насеченный штифт с параллельными канавками по всей длине и фаской | P511AAA356 | P511AAA258 |
| | | | Насеченный штифт с параллельными канавками по всей длине и направляющей | P511AAA356 | P511AAA257 |
| | | | Насеченный штифт с конусной канавкой по всей длине | P511AAA356 | P511AAA278 |
| | | | Насеченный штифт с центральной канавкой до половины длины | P511AAA356 | P511AAA335 |
| | | | Насеченный штифт с обратной конусной канавкой до половины длины | P511AAA356 | P511AAA265 |
| | | | Насеченный штифт с конусной канавкой до половины длины | P511AAA356 | P511AAA337 |
| | | | Насеченный штифт с центральной канавкой до трети длины | P511AAA356 | P511AAA336 |
| | | Цилиндрические штифты | P511AAA098 | P511AAA252 |
| | | | Цилиндрический штифт с внутренней резьбой | P511AAA252 | P511AAA253 |
| | | Разрезные штифты | P511AAA098 | P511AAA248 |
| | | Пружинные штифты | P511AAA098 | P511AAA357 |
| | | | Пружинный навитый прямой штифт | P511AAA357 | P511AAA325 |
| | | | Пружинный прямой штифт со шлицем | P511AAA357 | P511AAA261 |
| | | Конусные штифты | P511AAA098 | P511AAA358 |
| | | | Простой конусный штифт | P511AAA358 | P511AAA249 |
| | | | Конусный штифт с наружной резьбой | P511AAA358 | P511AAA251 |
| | | | Конусный штифт с внутренней резьбой | P511AAA358 | P511AAA250 |
| | Заклепки | P511AAA002 | P511AAA345 |
| | | Односторонняя заклепка | P511AAA345 | P511AAA083 |
| | | | Односторонняя заклепка с сердечником, потайной головкой и закрытым концом | P511AAA083 | P511AAA246 |
| | | | Односторонняя заклепка с сердечником, выступающей головкой и закрытым концом | P511AAA083 | P511AAA245 |
| | | | Односторонняя заклепка с сердечником, потайной головкой и открытым концом | P511AAA083 | P511AAA082 |
| | | | Односторонняя заклепка с сердечником, выступающей головкой и открытым концом | P511AAA083 | P511AAA093 |
| | | Заклепка с нормальным стержнем | P511AAA345 | P511AAA346 |
| | | Полутрубчатая заклепка | P511AAA345 | P511AAA348 |
| | | Трубчатая заклепка | P511AAA345 | P511AAA347 |
| | Шайбы | P511AAA002 | P511AAA072 |
| | | Разрезная пружинная шайба | P511AAA072 | P511AAA241 |
| | | | Потайная разрезная пружинная шайба с наружным зацеплением | P511AAA241 | P511AAA183 |
| | | | Потайная пилообразная разрезная пружинная шайба с наружным зацеплением | P511AAA241 | P511AAA218 |
| | | | Разрезная пружинная шайба с наружным зацеплением | P511AAA241 | P511AAA164 |
| | | | Разрезная пружинная шайба с внутренним зацеплением | P511AAA241 | P511AAA168 |
| | | | Пилообразная шайба с наружным зацеплением | P511AAA241 | P511AAA215 |
| | | | Пилообразная шайба с внутренним зацеплением | P511AAA241 | P511AAA216 |
| | | Плоская шайба | P511AAA072 | P511AAA026 |
| | | | Плоская шайба с двойной фаской | P511AAA026 | P511AAA359 |
| | | | Плоская шайба с наружной фаской | P511AAA026 | P511AAA027 |
| | | | Плоская шайба с квадратным отверстием | P511AAA026 | P511AAA136 |
| | | | Плоская шайба без фаски | P511AAA026 | P511AAA235 |
| | | | Квадратная шайба с круглым отверстием | P511AAA026 | P511AAA089 |
| | | Пружинные шайбы | P511AAA072 | P511AAA236 |
| | | | Конусная пружинная шайба | P511AAA236 | P511AAA137 |
| | | | Изогнутая пружинная шайба | P511AAA236 | P511AAA150 |
| | | | Разрезная пружинная шайба | P511AAA236 | P511AAA148 |
| | | | Волнистая пружинная шайба | P511AAA236 | P511AAA161 |
| | | Квадратная конусная шайба | P511AAA072 | P511AAA237 |
| | | Лапчатые шайбы | P511AAA072 | P511AAA240 |
| | | | Шайба с наружным отгибным стопором | P511AAA240 | P511AAA221 |
| | | | Шайба с внутренним отгибным стопором | P511AAA240 | P511AAA225 |
| | | | Лапчатая шайба с длинной лапкой | P511AAA240 | P511AAA219 |
| | | | Лапчатая шайба с длинной лапкой и крылышком | P511AAA240 | P511AAA220 |
| Резьбы | P511AAA001 | P511AAA037 |
| | Метрическая наружная резьба | P511AAA037 | P511AAA038 |
| | Метрическая внутренняя резьба | P511AAA037 | P511AAA344 |
| | Саморежущая резьба | P511AAA037 | P511AAA039 |
| | Выдавливающая резьба | P511AAA037 | P511AAA310 |
| | Резьба для дерева | P511AAA037 | P511AAA041 |
(обязательное)
ОПРЕДЕЛЕНИЯ КЛАССОВ КРЕПЕЖНЫХ ДЕТАЛЕЙ
В настоящем приложении приведены все определения классов, установленных в настоящем стандарте.
P511AAA001-1 001
механические компоненты общего пользования
Суперкласс:
Определение: Множество компонентов, широко используемых в технике, находящихся наверху иерархии
ХС:
УЧ:
ДНО: 2006-02-22 ДТВ: 2006-02-22
ДТП: 2006-02-22
P511AAA002-1 001
крепежная деталь
Суперкласс: P511AAA001: механический компонент общего пользования
Определение: Все типы изделий, предназначенных для механического соединения двух или более элементов конструкций либо для получения готового цельного или разборного узла, либо для достижения этой цели
ХС: P511BAA320: идентификационный код материала крепежной детали
P511BAA322: название материала крепежной детали
P511BAA324: идентификационный код покрытия крепежной детали
УЧ:
ДНО: 2006-02-22 ДТВ: 2006-02-22
ДТП: 2006-02-22
P511AAA003-1 001
крепежная деталь с наружной резьбой
Суперкласс: P511AAA002: крепежные детали
Определение: Крепежные детали с наружной резьбой, включая болты, винты и шпильки
ХС:
УЧ:
ДНО: 2006-02-22 ДТВ: 2006-02-22
ДТП: 2006-02-22
P511AAA004-1 001
компонент крепежной детали с наружной резьбой
Суперкласс: P511AAA003: крепежные детали с наружной резьбой
Определение: Класс компонентов, включающий в себя все крепежные детали с наружной резьбой, такие как болты, винты и шпильки
ХС: P511BAA005: изготовитель
P511BAA006: код соответствует международному указателю
P511BAA007: дата изготовления
P511BAA008: обозначение
P511BAA011: европейский товарный код/код единой системы кодирования США
P511BAA248: поле допуска резьбы
P511BAA249: квалитет резьбы
P511BAA256: класс допуска резьбы
P511BAA319: идентификатор предприятия-изготовителя
P511BAA321: класс свойств стальных крепежных деталей
P511BAA323: класс свойств крепежных деталей из нержавеющей стали
P511BAA340: размер резьбы
УЧ:
ДНО: 2006-02-22 ДТВ: 2006-02-22
ДТП: 2006-02-22
P511AAA005-1 001
болты/винты с метрической резьбой
Суперкласс: P511AAA004: компоненты крепежных деталей с наружной резьбой
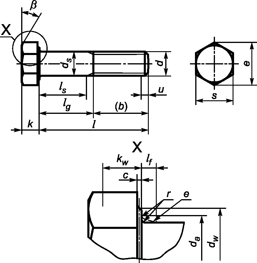
Определение: Крепежная деталь с головкой, наружной резьбой, цилиндрическим стержнем с полной или частичной резьбой; головка может иметь приводной признак
ХС: P511BAA103: название формы головки
P511BAA104: изображение формы головки
P511BAA105: название формы стержня
P511BAA106: изображение формы стержня
P511BAA107: название формы конца детали
P511BAA108: изображение конца детали
P511BAA109: название формы встроенного привода
P511BAA110: изображение формы встроенного привода
P511BAA243: свойства головки
P511BAA244: свойства стержня
P511BAA245: свойства конца детали
P511BAA246: свойства резьбы
P511BAA247: свойства встроенного привода
P511BAA303: тип головки
P511BAA305: тип стержня
P511BAA306: тип конца детали
P511BAA307: тип резьбы
P511BAA308: тип встроенного привода
P511BAA326: сорт продукции
СП: P511BAA303: тип головки
P511BAA305: тип стержня
P511BAA306: тип конца детали
P511BAA307: тип резьбы
P511BAA308: тип встроенного привода
УЧ:
ДНО: 2006-02-22 ДТВ: 2006-02-22
ДТП: 2006-02-22
P511AAA006-1 001
конец винта с выдавливающей резьбой
Суперкласс: P511AAA028: концы деталей
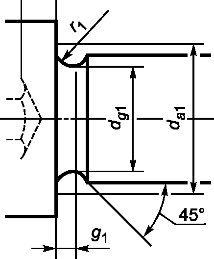
Определение: Конец винта, выдавливающего резьбу в отверстии на сопряженной детали
ХС:
ПИО: ИСО 1891:1979, пункт 27.1
УЧ: P511DAA006
ДНО: 2006-02-22 ДТВ: 2006-02-22
ДТП: 2006-02-22
P511AAA007-1 001
признак крепежной детали с наружной резьбой
Суперкласс: P511AAA003: крепежные детали с наружной резьбой
Определение: Геометрические признаки крепежных деталей с наружной резьбой
ХС:
УЧ:
ДНО: 2006-02-22 ДТВ: 2006-02-22
ДТП: 2006-02-22
P511AAA008-1 001
головка
Суперкласс: P511AAA007: признаки крепежных деталей с наружной резьбой
Определение: Геометрические признаки головок крепежных деталей с наружной резьбой
ХС: P511BAA303: тип головки
СП: P511BAA303: тип головки
ПИО: ИСО 1891:1979
УЧ:
ДНО: 2006-02-22 ДТВ: 2006-02-22
ДТП: 2006-02-22
P511AAA009-1 001
шестигранная головка
Суперкласс: P511AAA008: головки
Определение: Головка в форме шестигранника
ХС: P511BAA031: высота под гаечный ключ
P511BAA032: размер под ключ
P511BAA033: ширина на угол
P511BAA034: высота головки
P511BAA041: диаметр опорного выступа под шайбу (несущей опорной поверхности)
ПИО: ИСО 4016:1999
УЧ: P511DAA009
ДНО: 2006-02-22 ДТВ: 2006-02-22
ДТП: 2006-02-22
P511AAA010-1 001
шестигранная головка с опорным выступом под шайбу
Суперкласс: P511AAA008: головки
Определение: Головка в форме шестигранника с опорным выступом под шайбу (несущей опорной поверхностью)
ХС: P511BAA031: высота под ключ
P511BAA032: размер под ключ
P511BAA033: ширина на угол
P511BAA034: высота головки
P511BAA041: диаметр опорного выступа под шайбу или несущей опорной поверхности
P511BAA042: высота несущего элемента болта (винта, гайки)
ПИО: ИСО 4016:1999
УЧ: P511DAA010
ДНО: 2006-02-22 ДТВ: 2006-02-22
ДТП: 2006-02-22
P511AAA011-1 001
шестигранная головка с фланцем
Суперкласс: P511AAA008: головки
Определение: Головка в форме шестигранника с фланцем на несущей опорной поверхности для уменьшения давления на подголовник
ХС: P511BAA031: высота под гаечный ключ
P511BAA032: размер под ключ
P511BAA033: ширина на угол
P511BAA034: высота головки
P511BAA042: высота несущей опорной поверхности элемента болта (винта, гайки)
P511BAA044: угол фланца
P511BAA045: диаметр фланца (бурта)
ПИО: ИСО 15071:1999
УЧ: P511DAA011
ДНО: 2006-02-22 ДТВ: 2006-02-22
ДТП: 2006-02-22
P511AAA012-1 001
сверлящий конец шурупа
Суперкласс: P511AAA028: концы деталей
Определение: Конец шурупа особой формы, обеспечивающей возможность сверления
ХС: P511BAA093: диаметр точки сверления
ПИО: ИСО 15480:1999
УЧ: P511DAA012
ДНО: 2006-02-22 ДТВ: 2006-02-22
ДТП: 2006-02-22
P511AAA013-1 001
квадратная головка с цилиндрическим буртом
Суперкласс: P511AAA008: головки
Определение: Головка в форме квадрата с цилиндрическим буртом на несущей опорной поверхности для уменьшения давления на подголовок
ХС: P511BAA032: размер под ключ
P511BAA033: ширина на угол
P511BAA034: высота головки
P511BAA042: высота несущего элемента болта (винта, гайки)
P511BAA045: диаметр фланца (бурта)
ПИО: ИСО 1891:1979, пункт 3.6
УЧ: P511DAA013
ДНО: 2006-02-22 ДТВ: 2006-02-22
ДТП: 2006-02-22
P511AAA014-1 001
Т-образная головка
Суперкласс: P511AAA008: головки
Определение: Головка в форме прямоугольника, плоская с Т-образным шлицем, предохраняющим от проворачивания
ХС: P511BAA034: высота головки
ПИО: ИСО 1891:1979, пункт 3.10
УЧ: P511DAA014
ДНО: 2006-02-22 ДТВ: 2006-02-22
ДТП: 2006-02-22
P511AAA015-1 001
полусферическая головка
Суперкласс: P511AAA008: головки
Определение: Круглая головка с купольной поверхностью
ХС: P511BAA034: высота головки
P511BAA051: диаметр головки
ПИО: ИСО 1891:1979, пункт 3.11
УЧ: P511DAA015
ДНО: 2006-02-22 ДТВ: 2006-02-22
ДТП: 2006-02-22
P511AAA016-1 001
плоская цилиндрическая головка
Суперкласс: P511AAA008: головки
Определение: Головка цилиндрической (слегка конусной) формы с плоской верхней поверхностью и закругленной верхней кромкой
ХС: P511BAA034: высота головки
P511BAA051: диаметр головки
ПИО: ИСО 1891:1979, ИСО 1207:1992
УЧ: P511DAA016
ДНО: 2006-02-22 ДТВ: 2006-02-22
ДТП: 2006-02-22
P511AAA017-1 001
поднятая цилиндрическая головка
Суперкласс: P511AAA008: головки
Определение: Головка цилиндрической формы с купольной поверхностью
ХС: P511BAA034: высота головки
P511BAA051: диаметр головки
P511BAA060: радиус купола
ПИО: ИСО 1891:1979, пункт 3.14
УЧ: P511DAA017
ДНО: 2006-02-22 ДТВ: 2006-02-22
ДТП: 2006-02-22
P511AAA018-1 001
головка в виде цилиндра с закругленным торцом
Суперкласс: P511AAA008: головки
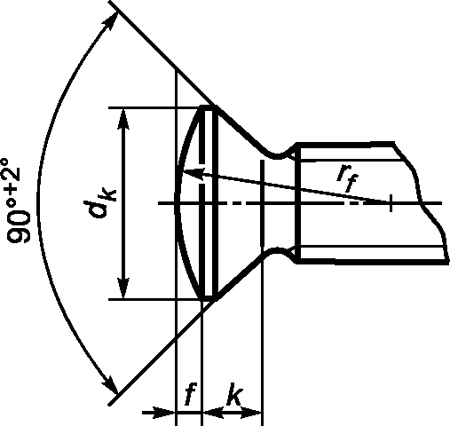
Определение: Головка цилиндрической формы с закругленной верхней торцевой поверхностью
ХС: P511BAA034: высота головки
P511BAA051: диаметр головки
P511BAA060: радиус закругления
ПИО: ИСО 1891:1979, пункт 3.15, ИСО 1580:1994
УЧ: P511DAA018
ДНО: 2006-02-22 ДТВ: 2006-02-22
ДТП: 2006-02-22
P511AAA019-1 001
потайная головка
Суперкласс: P511AAA008: головки
Определение: Круглая головка с конусной несущей опорной поверхностью, которая без зазора устанавливается в потайное углубление
ХС: P511BAA034: высота головки
P511BAA051: диаметр головки
P511BAA368: угол головки (потайного конуса)
ПИО: ИСО 1891:1979, пункт 3.16, ИСО 2009:1994
УЧ: P511DAA019
ДНО: 2006-02-22 ДТВ: 2006-02-22
ДТП: 2006-02-22
P511AAA020-1 001
поднятая потайная головка
Суперкласс: P511AAA008: головки
Определение: Потайная головка с купольной торцевой поверхностью
ХС: P511BAA034: высота головки
P511BAA051: диаметр головки
P511BAA060: радиус купола
P511BAA368: угол головки (потайного конуса)
P511BAA376: высота купола поднятой потайной головки
ПИО: ИСО 1891:1979, пункт 3.17, ИСО 2010:1994
УЧ: P511DAA020
ДНО: 2006-02-22 ДТВ: 2006-02-22
ДТП: 2006-02-22
P511AAA021-1 001
головка в виде глаза
Суперкласс: P511AAA008: головки
Определение: Головка имеет форму кольца (глаза), ось которого перпендикулярна к оси болта
ХС:
ПИО: ИСО 1891:1979, пункт 19.2
УЧ: P511DAA021
ДНО: 2006-02-22 ДТВ: 2006-02-22
ДТП: 2006-02-22
P511AAA022-1 001
головка в виде проушины
Суперкласс: P511AAA008: головки
Определение: Головка имеет форму открытого якорного кольца, ось которого перпендикулярна к оси болта
ХС:
ПИО: ИСО 1891:1979, пункт 19.8
УЧ: P511DAA022
ДНО: 2006-02-22 ДТВ: 2006-02-22
ДТП: 2006-02-22
P511AAA023-1 001
квадратная головка
Суперкласс: P511AAA008: головки
Определение: Головка в форме квадрата
ХС: P511BAA032: размер под ключ
P511BAA033: ширина на угол
P511BAA034: высота головки
ПИО: ИСО 1891:1979, пункт 3.5
УЧ: P511DAA023
ДНО: 2006-02-22 ДТВ: 2006-02-22
ДТП: 2006-02-22
P511AAA024-1 001
стержень
Суперкласс: P511AAA007: признаки крепежных деталей с наружной резьбой
Определение: Класс признаков, определяющих геометрические признаки стержней крепежных деталей с наружной резьбой
ХС: P511BAA305: тип стержня
СП: P511BAA305: тип стержня
ПИО: ИСО 1891:1979
УЧ:
ДНО: 2006-02-22 ДТВ: 2006-02-22
ДТП: 2006-02-22
P511AAA025-1 001
стержень с квадратным подголовком
Суперкласс: P511AAA024: стержни
Определение: Стержень с квадратным подголовком для предотвращения проворачивания
ХС: P511BAA067: диаметр стержня
P511BAA071: ширина квадратного подголовка
P511BAA072: длина квадратного подголовка
ПИО: ИСО 1891:1979, пункт 4.6, ИСО 8677:1986
УЧ: P511DAA025
ДНО: 2006-02-22 ДТВ: 2006-02-22
ДТП: 2006-02-22
P511AAA026-1 001
плоская шайба
Суперкласс: P511AAA072: шайбы
Определение: Шайба с параллельными плоскими поверхностями
ХС: P511BAA326: сорт продукции
P511BAA337: толщина
ПИО: ИСО 1891:1979, пункт 38.1
УЧ:
ДНО: 2006-02-22 ДТВ: 2006-02-22
ДТП: 2006-02-22
P511AAA027-1 001
плоская шайба с наружной фаской
Суперкласс: P511AAA026: плоские шайбы
Определение: Плоская шайба с фаской на одной из наружных кромок
ХС: P511BAA333: наружный диаметр
P511BAA334: диаметр отверстия
ПИО: ИСО 7090:2000
УЧ: P511DAA027
ДНО: 2006-02-22 ДТВ: 2006-02-22
ДТП: 2006-02-22
P511AAA028-1 001
конец детали
Суперкласс: P511AAA007: признаки крепежных деталей с наружной резьбой
Определение: Класс признаков, определяющих геометрические признаки концов крепежных деталей с наружной резьбой
ХС: P511BAA306: тип конца детали
СП: P511BAA306: тип конца детали
ПИО: ИСО 1891:1979
УЧ:
ДНО: 2006-02-22 ДТВ: 2006-02-22
ДТП: 2006-02-22
P511AAA029-001
накатанный конец детали
Суперкласс: P511AAA028: концы деталей
Определение: Конец крепежной детали с наружной резьбой, полученной накаткой
ХС: P511BAA082: неполная длина резьбы
ПИО: ИСО 4753:1999
УЧ: P511DAA029
ДНО: 2006-02-22 ДТВ: 2006-02-22
ДТП: 2006-02-22
P511AAA030-1 001
закругленный конец детали
Суперкласс: P511AAA028: концы деталей
Определение: Сферический конец стержня
ХС: P511BAA082: неполная длина резьбы
P511BAA084: радиус скругления
ПИО: ИСО 4753:1999
УЧ: P511DAA030
ДНО: 2006-02-22 ДТВ: 2006-02-22
ДТП: 2006-02-22
P511AAA031-1 001
конец детали с фаской
Суперкласс: P511AAA028: концы деталей
Определение: Конец крепежной детали с наружной резьбой, на котором перед накаткой делают фаску
ХС: P511BAA082: неполная длина резьбы
ПИО: ИСО 4753:1999
УЧ: P511DAA031
ДНО: 2006-02-22 ДТВ: 2006-02-22
ДТП: 2006-02-22
P511AAA032-1 001
конический конец установочного винта
Суперкласс: P511AAA028: концы деталей
Определение: Конец крепежной детали с наружной резьбой в виде конуса
ХС: P511BAA082: неполная длина резьбы
ПИО: ИСО 4753:1999
УЧ: P511DAA032
ДНО: 2006-02-22 ДТВ: 2006-02-22
ДТП: 2006-02-22
P511AAA033-1 001
усеченный конический конец установочного винта
Суперкласс: P511AAA028: концы деталей
Определение: Конец крепежной детали с наружной резьбой в виде усеченного конуса
ХС: P511BAA077: диаметр усечения
P511BAA082: неполная длина резьбы
ПИО: ИСО 4753:1999
УЧ: P511DAA033
ДНО: 2006-02-22 ДТВ: 2006-02-22
ДТП: 2006-02-22
P511AAA034-1 001
центровое углубление на конце винта
Суперкласс: P511AAA028: концы деталей
Определение: Конусное углубление на конце крепежной детали с наружной резьбой, создающее острую круглую кромку на торцевой поверхности
ХС: P511BAA078: диаметр конца винта с центровым углублением
P511BAA082: неполная длина резьбы
ПИО: ИСО 4753:1999
УЧ: P511DAA034
ДНО: 2006-02-22 ДТВ: 2006-02-22
ДТП: 2006-02-22
P511AAA035-1 001
цилиндрический конец детали
Суперкласс: P511AAA028: концы деталей
Определение: Цилиндрический выступ на конце крепежной детали с наружной резьбой
ХС: P511BAA079: длина выступа
P511BAA082: неполная длина резьбы
P511BAA085: диаметр цилиндрического (плоского) конца детали
ПИО: ИСО 4753:1999
УЧ: P511DAA035
ДНО: 2006-02-22 ДТВ: 2006-02-22
ДТП: 2006-02-22
P511AAA036-1 001
конический с притуплением конец винта с саморежущей резьбой
Суперкласс: P511AAA028: концы деталей
Определение: Конец резьбы с режущей кромкой, имеющий особую форму
ХС: P511BAA080: диаметр конического с притуплением конца винта с саморежущей резьбой
P511BAA081: длина конической части винта с саморежущей резьбой
P511BAA083: длина концевой конической притупленной части винта с саморежущей резьбой
ПИО: ИСО 4753:1999
УЧ: P511DAA036
ДНО: 2006-02-22 ДТВ: 2006-02-22
ДТП: 2006-02-22
P511AAA037-1 001
резьба
Суперкласс: P511AAA001: механические компоненты общего пользования
Определение: Класс признаков, определяющих типы резьб механических компонентов общего пользования
ХС: P511BAA024: шаг резьбы
P511BAA307: тип резьбы
СП: P511BAA307: тип резьбы
ПИО: ИСО 1891:1979
УЧ:
ДНО: 2006-02-22 ДТВ: 2006-02-22
ДТП: 2006-02-22
P511AAA038-1 001
метрическая наружная резьба
Суперкласс: P511AAA037: резьбы
Определение: Наружная резьба общего пользования, заданная в метрической системе единиц измерения
ХС: P511BAA327: тип шага
P511BAA346: основной диаметр наружной резьбы
P511BAA347: средний диаметр наружной резьбы
P511BAA348: внутренний диаметр наружной резьбы
ПИО: ИСО 68-1:1998
УЧ: P511DAA038
ДНО: 2006-02-22 ДТВ: 2006-02-22
ДТП: 2006-02-22
P511AAA039-1 001
саморежущая резьба
Суперкласс: P511AAA037: резьбы
Определение: Наружная резьба, предназначенная для нарезания резьбы в отверстиях тонких металлических деталей
ХС: P511BAA349: наружный диаметр
P511BAA350: диаметр отверстия под резьбу
ПИО: ИСО 1478:1999
УЧ: P511DAA039
ДНО: 2006-02-22 ДТВ: 2006-02-22
ДТП: 2006-02-22
P511AAA041-1 001
саморежущая резьба для дерева
Суперкласс: P511AAA037: резьбы
Определение: Наружная резьба, предназначенная для нарезания резьбы в отверстиях деревянных деталей
ХС: P511BAA349: наружный диаметр
P511BAA350: диаметр отверстия под резьбу
ПИО: ИСО 1891:1979, пункт 2.4
УЧ: P511DAA041
ДНО: 2006-02-22 ДТВ: 2006-02-22
ДТП: 2006-02-22
P511AAA042-1 001
встроенный привод
Суперкласс: P511AAA007: признак крепежных деталей с наружной резьбой
Определение: Классы признаков приводов: углубления под торцевой ключ, шлицы или прорези на головке или на конце крепежной детали с наружной резьбой, используемые для приложения момента силы
ХС: P511BAA308: тип встроенного привода
СП: P511BAA308: тип встроенного привода
ПИО: ИСО 1891:1979
УЧ:
ДНО: 2006-02-22 ДТВ: 2006-02-22
ДТП: 2006-02-22
P511AAA043-1 001
шестигранное углубление под торцевой ключ
Суперкласс: P511AAA042: встроенные приводы
Определение: Встроенный привод, имеющий форму шестигранного углубления
ХС: P511BAA032: размер под ключ
P511BAA098: ширина шестигранного углубления под торцевой ключ равна ширине на угол
P511BAA101: глубина проникания
ПИО: ИСО 1891:1979, пункт 6.6, ИСО 4762:2004
УЧ: P511DAA043
ДНО: 2006-02-22 ДТВ: 2006-02-22
ДТП: 2006-02-22
P511AAA044-1 001
шлиц
Суперкласс: P511AAA042: встроенные приводы
Определение: Признак встроенного привода: прямоугольная канавка, перпендикулярная к оси крепежной детали с наружной резьбой
ХС: P511BAA052: ширина шлица
P511BAA101: глубина проникания
ПИО: ИСО 1891:1979, пункт 6.11, ИСО 7434:1983
УЧ: P511DAA044
ДНО: 2006-02-22 ДТВ: 2006-02-22
ДТП: 2006-02-22
P511AAA045-1 001
крестообразный шлиц (тип H)
Суперкласс: P511AAA042: встроенные приводы
Определение: Встроенный привод с крестообразным углублением и конической формой поверхности контакта с инструментом (тип H)
ХС: P511BAA101: глубина проникания
P511BAA102: номер шлица
ПИО: ИСО 4757:1983
УЧ: P511DAA045
Примечание: С одной стороны конусность поверхностей приводит к появлению осевой силы, выталкивающей инструмент из крестообразного шлица, с другой стороны - крестообразные шлицы типа H не чувствительны к погрешностям взаимного положения винта и приводного инструмента
ДНО: 2006-02-22 ДТВ: 2006-02-22
ДТП: 2006-02-22
P511AAA046-1 001
головка с воротком
Суперкласс: P511AAA008: головки
Определение: Головка с воротком, вставляемым в цилиндрическое отверстие перпендикулярно к оси болта (винта)
ХС:
ПИО: ИСО 1891:1979, пункт 6.15
УЧ: P511DAA046
ДНО: 2006-02-22 ДТВ: 2006-02-22
ДТП: 2006-02-22
P511AAA047-1 001
болты с шестигранной головкой с фланцем и нормальным стержнем
Суперкласс: P511AAA005: болты/винты с метрической резьбой
Определение: Крепежная деталь с наружной метрической резьбой, шестигранной головкой, фланцем и нормальным стержнем
ХС: P511BAA047: радиус кривизны подголовка
P511BAA069: минимальная длина захвата
P511BAA087: переходная длина
P511BAA357: переходный диаметр
P511BAA369: длина болта/винта (головка с плоской опорной поверхностью)
P511BAA383: переходный диаметр осевого поднутрения
ПИО: ИСО 4162:1990
УЧ: P511DAA047
Примечание: ИСО 15071:1999 принадлежит к настоящему простому классу
ДНО: 2006-02-22 ДТВ: 2006-02-22
ДТП: 2006-02-22
P511AAA049-1 001
шпильки
Суперкласс: P511AAA004: компоненты крепежных деталей с наружной резьбой
Определение: Крепежная деталь без головки, имеющая наружную резьбу на обоих концах; на стержне между резьбами имеется участок без резьбы
ХС: P511BAA028: полная длина
P511BAA105: название формы стержня
P511BAA106: изображение формы стержня
P511BAA107: название формы конца детали
P511BAA108: изображение конца детали
P511BAA244: свойства стержня
P511BAA245: свойства конца детали
P511BAA246: свойства резьбы
P511BAA306: тип конца детали
P511BAA307: тип резьбы
P511BAA326: сорт продукции
СП: P511BAA306: тип конца детали
P511BAA307: тип резьбы
ПИО: ИСО 1891:1979, пункт 21.1
УЧ:
ДНО: 2006-02-22 ДТВ: 2006-02-22
ДТП: 2006-02-22
P511AAA050-1 001
винт с цилиндрической головкой и шестидольным углублением под торцевой ключ
Суперкласс: P511AAA005: болты/винты с метрической резьбой
Определение: Крепежная деталь с наружной резьбой, цилиндрической головкой и шестидольным углублением под торцевой ключ
ХС: P511BAA047: радиус кривизны подголовка
P511BAA069: минимальная длина захвата
P511BAA087: переходная длина
P511BAA357: переходный диаметр
P511BAA369: длина болта/винта (головка имеет плоскую опорную поверхность)
ПИО: ИСО 14579:2001
УЧ: P511DAA050
ДНО: 2006-02-22 ДТВ: 2006-02-22
ДТП: 2006-02-22
P511AAA051-1 001
болты с полукруглой головкой и квадратным подголовком
Суперкласс: P511AAA005: болты/винты с метрической резьбой
Определение: Крепежная деталь с наружной резьбой, полукруглой головкой и квадратным подголовком
ХС: P511BAA047: радиус кривизны подголовка
P511BAA069: минимальная длина захвата
P511BAA369: длина болта/винта (головка с плоской опорной поверхностью)
ПИО: ИСО 8678:1988
УЧ: P511DAA051
ДНО: 2006-02-22 ДТВ: 2006-02-22
ДТП: 2006-02-22
P511AAA052-1 001
гайка
Суперкласс: P511AAA002: крепежные детали
Определение: Крепежные детали с внутренней резьбой, предназначенные для накручивания на крепежные детали с наружной резьбой
ХС: P511BAA005: предприятие-изготовитель
P511BAA006: код соответствует международному указателю
P511BAA007: дата изготовления
P511BAA008: обозначение
P511BAA011: европейский товарный код/код единой системы кодирования США
P511BAA117: высота гайки
P511BAA246: свойства резьбы
P511BAA248: поле допуска резьбы
P511BAA249: квалитет резьбы
P511BAA256: класс допуска резьбы
P511BAA307: тип резьбы
P511BAA319: идентификационный код предприятия-изготовителя
P511BAA321: класс свойств стальных крепежных деталей
P511BAA323: класс свойств крепежных деталей из нержавеющей стали
P511BAA326: сорт продукции
P511BAA327: тип шага резьбы
P511BAA340: размер резьбы
P511BAA387: название гайки
P511BAA388: изображение гайки
СП: P511BAA307: тип резьбы
УЧ:
ДНО: 2006-02-22 ДТВ: 2006-02-22
ДТП: 2006-02-22
P511AAA071-1 001
шпилька с утоненным стержнем
Суперкласс: P511AAA049: шпильки
Определение: Шпилька с диаметром стержня менее внутреннего диаметра резьбы
ХС: P511BAA025: длина резьбы металлического конца шпильки
P511BAA030: длина сбега резьбы
P511BAA371: длина шпильки
ПИО: ИСО 1891:1979, пункт 21.3
УЧ: P511DAA071
ДНО: 2006-02-22 ДТВ: 2006-02-22
ДТП: 2006-02-22
P511AAA072-1 001
шайба
Суперкласс: P511AAA002: крепежные детали
Определение: Крепежная деталь, используемая в болтовых соединениях для уменьшения давления на несущую опорную поверхность
ХС: P511BAA005: изготовитель
P511BAA006: код, соответствующий международному указателю
P511BAA007: дата изготовления
P511BAA008: обозначение
P511BAA011: европейский товарный код/код единой системы кодирования США
P511BAA319: идентификационный код предприятия-изготовителя
P511BAA335: название шайбы
P511BAA340: размер резьбы
P511BAA342: твердость ядра
P511BAA343: твердость поверхности
P511BAA344: класс твердости стальной крепежной детали
P511BAA345: идентификационный код метода испытаний на твердость
P511BAA351: изображение шайбы
P511BAA417: класс твердости детали из нержавеющей стали
УЧ:
ДНО: 2006-02-22 ДТВ: 2006-02-22
ДТП: 2006-02-22
P511AAA081-1 001
болты с шестигранной головкой, фланцем, мелкой резьбой и нормальным стержнем
Суперкласс: P511AAA005: болты/винты с метрической резьбой
Определение: Крепежные детали с метрической мелкой наружной резьбой, шестигранной головкой, фланцем и нормальным стержнем
ХС: P511BAA047: радиус кривизны подголовка
P511BAA069: минимальная длина захвата
P511BAA087: переходная длина
P511BAA357: переходный диаметр
P511BAA369: длина болта/винта (головка с плоской опорной поверхностью)
P511BAA382: глубина осевого поднутрения
P511BAA383: переходный диаметр осевого поднутрения
ПИО: ИСО 15072:1999
УЧ: P511DAA081
ДНО: 2006-02-22 ДТВ: 2006-02-22
ДТП: 2006-02-22
P511AAA082-1 001
односторонняя заклепка с сердечником, открытым концом и потайной головкой
Суперкласс: P511AAA083: односторонняя заклепка
Определение: Односторонняя заклепка с сердечником, открытым концом и потайной головкой
ХС: P511BAA191: односторонняя длина
P511BAA411: длина заклепки с головкой и плоской опорной поверхностью (выступающая головка)
ПИО: ИСО 15978:2002
УЧ: P511DAA082
Примечание: ИСО 15980:2002, ИСО 15982:2002, ИСО 15984:2002, ИСО 16585:2002 принадлежат настоящему простому классу
ДНО: 2006-02-22 ДТВ: 2006-02-22
ДТП: 2006-02-22
P511AAA083-1 001
односторонняя заклепка
Суперкласс: P511AAA345: заклепки
Определение: Заклепки, которые могут быть установлены, даже если доступ для установки и сама установка могут быть только с одной стороны
ХС: P511BAA013: материал стержня
P511BAA014: материал сердечника
P511BAA189: вылет сердечника
P511BAA190: диаметр сердечника
P511BAA254: растягивающая сила
P511BAA255: разрывная нагрузка сердечника
P511BAA328: название головки заклепки
P511BAA329: изображение головки заклепки
P511BAA415: диаметр заклепки
ПИО: ИСО 14588:2000
УЧ:
ДНО: 2006-02-22 ДТВ: 2006-02-22
ДТП: 2006-02-22
P511AAA089-1 001
квадратная шайба с круглым отверстием
Суперкласс: P511AAA026: плоские шайбы
Определение: Плоская шайба квадратной формы с центральным круглым отверстием
ХС: P511BAA334: диаметр отверстия
ПИО: ИСО 1891:1979, пункт 38.3
УЧ: P511DAA089
ДНО: 2006-02-22 ДТВ: 2006-02-22
ДТП: 2006-02-22
P511AAA091-1 001
шпильки с нормальным стержнем
Суперкласс: P511AAA049: шпильки
Определение: Шпильки с диаметром стержня, равным номинальному диаметру резьбы
ХС: P511BAA025: длина резьбы металлического конца шпильки
P511BAA030: длина сбега резьбы
P511BAA371: длина шпильки
P511BAA386: длина резьбы конца гайки
ПИО: ИСО 1891:1979, пункт 21.1
УЧ: P511DAA091
ДНО: 2006-02-22 ДТВ: 2006-02-22
ДТП: 2006-02-22
P511AAA093-1 001
односторонняя заклепка с сердечником, открытым концом и выступающей головкой
Суперкласс: P511AAA083: односторонняя заклепка
Определение: Односторонняя заклепка с сердечником, открытым концом и выступающей головкой
ХС: P511BAA191: односторонняя длина
P511BAA412: длина заклепки с потайной головкой
ПИО: ИСО 15977:2002
УЧ: P511DAA093
Примечание: ИСО 15979:2002, ИСО 15981:2002, ИСО 15983:2002, ИСО 16583:2002 принадлежат настоящему простому классу
ДНО: 2006-02-22 ДТВ: 2006-02-22
ДТП: 2006-02-22
P511AAA098-1 001
штифт
Суперкласс: P511AAA002: крепежные детали
Определение: Цилиндрическая (конусная) крепежная деталь может фиксироваться на посадке с натягом, может быть разрезной и устанавливаться либо на головке, либо с обоих концов детали
ХС: P511BAA005: предприятие-изготовитель
P511BAA006: код соответствует международному указателю
P511BAA007: дата изготовления
P511BAA008: обозначение
P511BAA011: европейский товарный код/код единой системы кодирования США
P511BAA319: идентификационный код предприятия-изготовителя
P511BAA342: твердость ядра
P511BAA343: твердость поверхности
P511BAA345: идентификационный код метода испытаний на твердость
P511BAA389: название головки штифта
P511BAA390: изображение головки штифта
P511BAA391: название стержня штифта
P511BAA392: изображение стержня штифта
P511BAA393: название конца штифта
P511BAA394: изображение конца штифта
P511BAA414: диаметр штифта
УЧ:
ДНО: 2006-02-22 ДТВ: 2006-02-22
ДТП: 2006-02-22
P511AAA099-1 001
резьбовые шпильки
Суперкласс: P511AAA004: компоненты крепежных деталей с наружной резьбой
Определение: Крепежные детали с резьбой по всей длине
ХС: P511BAA246: свойства резьбы
P511BAA307: тип резьбы
P511BAA326: сорт продукции
P511BAA401: длина резьбовой шпильки
ПИО: ИСО 1891:1979, пункт 21.6
УЧ: P511DAA099
ДНО: 2006-02-22 ДТВ: 2006-02-22
ДТП: 2006-02-22
P511AAA119-1 001
треугольная головка с фланцем
Суперкласс: P511AAA008: головки
Определение: Треугольная головка с цилиндрическим буртом на несущей опорной поверхности для уменьшения давления на подголовок
ХС: P511BAA034: высота головки
P511BAA042: высота несущего элемента болта (винта, гайки)
P511BAA045: диаметр фланца (бурта)
ПИО: ИСО 1891:1979, пункт 3.7
УЧ: P511DAA119
ДНО: 2006-02-22 ДТВ: 2006-02-22
ДТП: 2006-02-22
P511AAA120-1 001
восьмигранная головка
Суперкласс: P511AAA008: головки
Определение: Головка восьмигранной формы
ХС: P511BAA033: ширина на угол
P511BAA034: высота головки
ПИО: ИСО 1891:1979, пункт 3.8
УЧ: P511DAA120
ДНО: 2006-02-22 ДТВ: 2006-02-22
ДТП: 2006-02-22
P511AAA121-1 001
12-конечная фланцевая головка
Суперкласс: P511AAA008: головки
Определение: Головка в форме 12-конечной звезды с фланцем со стороны несущей опорной поверхности для уменьшения давления на подголовок
ХС: P511BAA034: высота головки
ПИО: ИСО 1891:1979, пункт 3.9
УЧ: P511DAA121
ДНО: 2006-02-22 ДТВ: 2006-02-22
ДТП: 2006-02-22
P511AAA122-1 001
цилиндрическая головка
Суперкласс: P511AAA008: головки
Определение: Головка цилиндрической формы
ХС: P511BAA034: высота головки
P511BAA051: диаметр головки
ПИО: ИСО 4762:2004
УЧ: P511DAA122
ДНО: 2006-02-22 ДТВ: 2006-02-22
ДТП: 2006-02-22
P511AAA125-1 001
нормальный стержень
Суперкласс: P511AAA024: стержни
Определение: Стержень с номинальным диаметром, равным номинальному диаметру резьбы
ХС: P511BAA054: длина стержня
P511BAA067: диаметр стержня
ПИО: ИСО 4014:1999
УЧ: P511DAA125
ДНО: 2006-02-22 ДТВ: 2006-02-22
ДТП: 2006-02-22
P511AAA126-1 001
ступенчатый стержень
Суперкласс: P511AAA024: стержни
Определение: Стержень, диаметр которого приблизительно равен среднему диаметру резьбы
ХС: P511BAA054: длина стержня
P511BAA067: диаметр стержня
ПИО: ИСО 4162:1990
УЧ: P511DAA126
ДНО: 2006-02-22 ДТВ: 2006-02-22
ДТП: 2006-02-22
P511AAA127-1 001
утоненный стержень
Суперкласс: P511AAA024: стержни
Определение: Стержень, диаметр которого меньше внутреннего диаметра резьбы
ХС:
ПИО: ИСО 1891:1979, пункт 7.8
УЧ: P511DAA127
ДНО: 2006-02-22 ДТВ: 2006-02-22
ДТП: 2006-02-22
P511AAA128-1 001
стержень, устанавливаемый без зазора
Суперкласс: P511AAA024: стержни
Определение: Стержень, диаметр которого больше номинального диаметра резьбы
ХС:
ПИО: ИСО 1891:1979, пункт 7.4
УЧ: P511DAA128
ДНО: 2006-02-22 ДТВ: 2006-02-22
ДТП: 2006-02-22
P511AAA129-1 001
бурт
Суперкласс: P511AAA024: стержни
Определение: Увеличенная плоская опорная часть стержня, прижимаемая к поверхности сопряженной детали
ХС: P511BAA038: радиус поднутрения подголовка
P511BAA067: диаметр стержня
P511BAA365: переходный диаметр бурта
ПИО: ИСО 7379:1983
УЧ: P511DAA129
ДНО: 2006-02-22 ДТВ: 2006-02-22
ДТП: 2006-02-22
P511AAA130-1 001
винты с саморежущей резьбой с коническим концом (тип C)
Суперкласс: P511AAA028: концы деталей
Определение: Конец винта с саморежущей резьбой в форме конуса типа C
ХС: P511BAA096: длина конца винта с саморежущей резьбой
ПИО: ИСО 1478:1999
УЧ: P511DAA130
ДНО: 2006-02-22 ДТВ: 2006-02-22
ДТП: 2006-02-22
P511AAA131-1 001
плоский конец детали
Суперкласс: P511AAA028: концы деталей
Определение: Плоский конец крепежной детали с наружной резьбой
ХС: P511BAA082: неполная длина резьбы
P511BAA085: диаметр цилиндрического конца или плоского конца
ПИО: ИСО 4753:1999
УЧ: P511DAA131
ДНО: 2006-02-22 ДТВ: 2006-02-22
ДТП: 2006-02-22
P511AAA132-1 001
| | ИС МЕГАНОРМ: примечание. Текст дан в соответствии с официальным текстом документа. | |
винты с саморежущей резьбой с плоским концом (тип E)
Суперкласс: P511AAA028: концы деталей
Определение: Плоский конец винта с саморежущей резьбой типа F
ХС: P511BAA090: диаметр плоского конца
P511BAA096: длина конца винта с саморежущей резьбой
ПИО: ИСО 1478:1999
УЧ: P511DAA132
ДНО: 2006-02-22 ДТВ: 2006-02-22
ДТП: 2006-02-22
P511AAA136-1 001
плоская шайба с квадратным отверстием
Суперкласс: P511AAA026: плоская шайба
Определение: Плоская круглая шайба с центральным квадратным отверстием
ХС: P511BAA333: наружный диаметр
ПИО: ИСО 1891:1979, пункт 38.4
УЧ: P511DAA136
ДНО: 2006-02-22 ДТВ: 2006-02-22
ДТП: 2006-02-22
P511AAA137-1 001
конусная пружинная шайба
Суперкласс: P511AAA236: пружинные шайбы
Определение: Пружинная шайба конусной формы
ХС: P511BAA326: сорт продукции
ПИО: ИСО 1891:1979, пункт 39.6
УЧ: P511DAA137
ДНО: 2006-02-22 ДТВ: 2006-02-22
ДТП: 2006-02-22
P511AAA138-1 001
закругленные концы (тип R) винтов с саморежущей резьбой
Суперкласс: P511AAA028: концы деталей
Определение: Закругленные конические концы винтов с саморежущей резьбой типа R
ХС: P511BAA096: длина конца винта с саморежущей резьбой
ПИО: ИСО 1478:1999
УЧ: P511DAA138
ДНО: 2006-02-22 ДТВ: 2006-02-22
ДТП: 2006-02-22
P511AAA139-1 001
винты со шлицем с головкой в виде цилиндра с закругленным торцом, саморежущей резьбой и плоским концом
Суперкласс: P511AAA196: винты с саморежущей резьбой
Определение: Винты с саморежущей резьбой, шлицем, головкой в виде цилиндра с закругленным торцом и плоским концом
ХС: P511BAA046: расстояние от последнего полноразмерного витка резьбы до несущей опорной поверхности головки
P511BAA047: радиус кривизны подголовка
P511BAA357: переходный диаметр
P511BAA369: длина болта/винта (головка с плоской опорной поверхностью)
ПИО: ИСО 1481:1983
УЧ: P511DAA139
ДНО: 2006-02-22 ДТВ: 2006-02-22
ДТП: 2006-02-22
P511AAA140-1 001
треугольное углубление под торцевой ключ
Суперкласс: P511AAA042: встроенные приводы
Определение: Признак встроенного привода в виде углубления под торцевой ключ треугольной формы
ХС: P511BAA101: глубина проникания
ПИО: ИСО 1891:1979, пункт 6.7
УЧ: P511DAA140
ДНО: 2006-02-22 ДТВ: 2006-02-22
ДТП: 2006-02-22
P511AAA141-1 001
квадратное углубление под торцевой ключ
Суперкласс: P511AAA042: встроенные приводы
Определение: Признак встроенного привода в виде углубления под торцевой ключ квадратной формы
ХС: P511BAA101: глубина проникания
ПИО: ИСО 1891:1979, пункт 6.8
УЧ: P511DAA141
ДНО: 2006-02-22 ДТВ: 2006-02-22
ДТП: 2006-02-22
P511AAA142-1 001
шестишлицевое углубление под торцевой ключ
Суперкласс: P511AAA042: встроенные приводы
Определение: Признак встроенного привода в виде углубления под торцевой ключ с шестью шлицами
ХС: P511BAA101: глубина проникания
ПИО: ИСО 1891:1979, пункт 6.9
УЧ: P511DAA142
ДНО: 2006-02-22 ДТВ: 2006-02-22
ДТП: 2006-02-22
P511AAA143-1 001
12-конечное углубление под торцевой ключ
Суперкласс: P511AAA042: встроенные приводы
Определение: Признак встроенного привода в виде углубления под торцевой ключ в форме 12-конечной звезды
ХС: P511BAA101: глубина проникания
ПИО: ИСО 1891:1979, пункт 6.10
УЧ: P511DAA143
ДНО: 2006-02-22 ДТВ: 2006-02-22
ДТП: 2006-02-22
P511AAA144-1 001
винт с саморежущей резьбой, крестообразным шлицем (тип Z), головкой в виде цилиндра с закругленным торцом и плоским концом
Суперкласс: P511AAA196: винты с саморежущей резьбой
Определение: Винты с саморежущей резьбой, головкой в виде цилиндра с закругленным торцом, крестообразным шлицем (тип Z) и плоским концом
ХС: P511BAA046: расстояние от последнего полнопрофильного витка резьбы до несущей опорной поверхности головки
P511BAA047: радиус кривизны подголовка
P511BAA357: переходный диаметр
P511BAA369: длина болта/винта с головкой с плоской опорной поверхностью
ПИО: ИСО 7049:1983
УЧ: P511DAA144
ДНО: 2006-02-22 ДТВ: 2006-02-22
ДТП: 2006-02-22
P511AAA146-1 001
болты с шестигранной головкой, фланцем, мелкой резьбой и ступенчатым стержнем
Суперкласс: P511AAA005: болты/винты с метрической резьбой
Определение: Болты с мелкой метрической наружной резьбой, шестигранной головкой, фланцем и ступенчатым стержнем
ХС: P511BAA047: радиус кривизны подголовка
P511BAA087: переходная длина
P511BAA357: переходный диаметр
P511BAA369: длина болта/винта с головкой с плоской опорной поверхностью
P511BAA383: переходный диаметр осевого поднутрения
ПИО: ИСО 15072:1999
УЧ: P511DAA146
ДНО: 2006-02-22 ДТВ: 2006-02-22
ДТП: 2006-02-22
P511AAA147-1 001
поперечное отверстие
Суперкласс: P511AAA042: встроенные приводы
Определение: Признак встроенного привода в виде поперечного отверстия
ХС:
ПИО: ИСО 1891:1979, пункт 6.18
УЧ: P511DAA147
ДНО: 2006-02-22 ДТВ: 2006-02-22
ДТП: 2006-02-22
P511AAA148-1 001
разрезная пружинная шайба
Суперкласс: P511AAA236: пружинные шайбы
Определение: Пружинная шайба с открытым концом, изогнутая в осевом направлении
ХС:
ПИО: ИСО 1891:1979, пункт 39.1
УЧ: P511DAA148
ДНО: 2006-02-22 ДТВ: 2006-02-22
ДТП: 2006-02-22
P511AAA150-1 001
изогнутая пружинная шайба
Суперкласс: P511AAA236: пружинные шайбы
Определение: Плоская пружинная шайба, изогнутая в осевом направлении
ХС:
ПИО: ИСО 1891:1979, пункт 39.4
УЧ: P511DAA150
ДНО: 2006-02-22 ДТВ: 2006-02-22
ДТП: 2006-02-22
P511AAA156-1 001
болты с шестигранной головкой
Суперкласс: P511AAA005: болты/винты с метрической резьбой
Определение: Крепежные детали с наружной метрической резьбой, шестигранной головкой и цилиндрическим хвостовиком
ХС: P511BAA047: радиус кривизны подголовка
P511BAA069: минимальная длина захвата
P511BAA087: переходная длина
P511BAA357: переходный диаметр
P511BAA369: длина болта/винта с головкой с плоской опорной поверхностью
ПИО: ИСО 4014:1999
УЧ: P511DAA156
Примечание: ИСО 7411:1984, ИСО 7412:1984 и ИСО 4016:1999 принадлежат настоящему простому классу
ДНО: 2006-02-22 ДТВ: 2006-02-22
ДТП: 2006-02-22
P511AAA157-1 001
болты с шестигранной головкой, фланцем и ступенчатым стержнем
Суперкласс: P511AAA005: болты/винты с метрической резьбой
Определение: Крепежные детали с метрической наружной резьбой, шестигранной головкой, фланцем и ступенчатым стержнем
ХС: P511BAA087: переходная длина
P511BAA357: переходный диаметр
P511BAA369: длина болта/винта с головкой с плоской опорной поверхностью
P511BAA383: переходный диаметр осевого поднутрения
ПИО: ИСО 4162:1990
УЧ: P511DAA157
Примечание: ИСО 15071:1999 принадлежит настоящему простому классу
ДНО: 2006-02-22 ДТВ: 2006-02-22
ДТП: 2006-02-22
P511AAA158-1 001
болты с большой полукруглой головкой и квадратным подголовком
Суперкласс: P511AAA005: болты/винты с метрической резьбой
Определение: Крепежные детали с наружной метрической резьбой, большой полукруглой головкой и квадратным подголовком
ХС: P511BAA047: радиус кривизны подголовка
P511BAA069: минимальная длина захвата
P511BAA369: длина болта/винта с головкой с плоской опорной поверхностью
ПИО: ИСО 8677:1986
УЧ: P511DAA158
ДНО: 2006-02-22 ДТВ: 2006-02-22
ДТП: 2006-02-22
P511AAA159-1 001
болт с квадратной головкой
Суперкласс: P511AAA005: болты/винты с метрической резьбой
Определение: Крепежные детали с наружной метрической резьбой и квадратной головкой
ХС: P511BAA012: длина резьбы
P511BAA047: радиус кривизны подголовка
P511BAA069: минимальная длина захвата
P511BAA369: длина болта/винта с головкой с плоской опорной поверхностью
ПИО: ИСО 1891:1979
УЧ: P511DAA159
ДНО: 2006-02-22 ДТВ: 2006-02-22
ДТП: 2006-02-22
P511AAA160-1 001
болт с квадратной головкой и цилиндрическим буртом
Суперкласс: P511AAA005: болты/винты с метрической резьбой
Определение: Крепежные детали с наружной метрической резьбой, квадратной головкой и цилиндрическим буртом
ХС: P511BAA012: длина резьбы
P511BAA047: радиус кривизны подголовка
P511BAA069: минимальная длина захвата
P511BAA087: переходная длина
P511BAA357: переходный диаметр
P511BAA369: длина болта/винта с головкой с плоской опорной поверхностью
ПИО: ИСО 1891:1979
УЧ: P511DAA160
ДНО: 2006-02-22 ДТВ: 2006-02-22
ДТП: 2006-02-22
P511AAA161-1 001
волнистая пружинная шайба
Суперкласс: P511AAA236: пружинные шайбы
Определение: Плоская пружинная шайба, изогнутая в форме волн, число которых больше одной
ХС:
ПИО: ИСО 1891:1979, пункт 39.5
УЧ: P511DAA161
ДНО: 2006-02-22 ДТВ: 2006-02-22
ДТП: 2006-02-22
P511AAA162-1 001
болт с треугольной головкой
Суперкласс: P511AAA005: болты/винты с метрической резьбой
Определение: Крепежные детали с наружной метрической резьбой и треугольной головкой
ХС: P511BAA012: длина резьбы
P511BAA047: радиус кривизны подголовка
P511BAA069: минимальная длина захвата
P511BAA087: переходная длина
P511BAA357: переходный диаметр
P511BAA369: длина болта/винта с головкой с плоской опорной поверхностью
ПИО: ИСО 1891:1979
УЧ: P511DAA162
ДНО: 2006-02-22 ДТВ: 2006-02-22
ДТП: 2006-02-22
P511AAA163-1 001
болт с восьмигранной головкой
Суперкласс: P511AAA005: болты/винты с метрической резьбой
Определение: Крепежные детали с наружной метрической резьбой и восьмигранной головкой
ХС: P511BAA012: длина резьбы
P511BAA047: радиус кривизны подголовка
P511BAA069: минимальная длина захвата
P511BAA087: переходная длина
P511BAA357: переходный диаметр
P511BAA369: длина болта/винта с головкой с плоской опорной поверхностью
ПИО: ИСО 1891:1979
УЧ: P511DAA163
ДНО: 2006-02-22 ДТВ: 2006-02-22
ДТП: 2006-02-22
P511AAA164-1 001
разрезная пружинная шайба с наружным зацеплением
Суперкласс: P511AAA241: разрезная пружинная шайба
Определение: Разрезная пружинная шайба с наружным зубчатым зацеплением
ХС:
ПИО: ИСО 1891:1979, пункт 39.7
УЧ: P511DAA164
ДНО: 2006-02-22 ДТВ: 2006-02-22
ДТП: 2006-02-22
P511AAA166-1 001
болт с Т-образной головкой
Суперкласс: P511AAA005: болты/винты с метрической резьбой
Определение: Крепежная деталь с наружной метрической резьбой, Т-образной головкой и Т-образным шлицем
ХС: P511BAA012: длина резьбы
P511BAA047: радиус кривизны подголовка
P511BAA069: минимальная длина захвата
P511BAA369: длина болта/винта с головкой с плоской опорной поверхностью
ПИО: ИСО 1891:1979
УЧ: P511DAA166
ДНО: 2006-02-22 ДТВ: 2006-02-22
ДТП: 2006-02-22
P511AAA168-1 001
разрезная пружинная шайба с внутренним зацеплением
Суперкласс: P511AAA241: разрезные пружинные шайбы
Определение: Разрезная пружинная шайба с внутренним зубчатым зацеплением
ХС:
ПИО: ИСО 1891:1979, пункт 39.8
УЧ: P511DAA168
ДНО: 2006-02-22 ДТВ: 2006-02-22
ДТП: 2006-02-22
P511AAA169-1 001
винт с шестигранной головкой
Суперкласс: P511AAA005: болты/винты с метрической резьбой
Определение: Крепежные детали с шестигранной головкой и наружной метрической резьбой до головки
ХС: P511BAA047: радиус кривизны подголовка
P511BAA357: переходный диаметр
P511BAA369: длина болта/винта с головкой с плоской опорной поверхностью
ПИО: ИСО 4017:1999
УЧ: P511DAA169
ДНО: 2006-02-22 ДТВ: 2006-02-22
ДТП: 2006-02-22
P511AAA170-1 001
винт с шестигранной головкой и углублением под торцевой ключ
Суперкласс: P511AAA005: болты/винты с метрической резьбой
Определение: Крепежные детали с наружной метрической резьбой, высокой цилиндрической головкой и шестигранным углублением под торцевой ключ
ХС: P511BAA047: радиус кривизны подголовка
P511BAA069: минимальная длина захвата
P511BAA087: переходная длина
P511BAA357: переходный диаметр
P511BAA369: длина болта/винта с головкой с плоской опорной поверхностью
ПИО: ИСО 4762:2004
УЧ: P511DAA170
ДНО: 2006-02-22 ДТВ: 2006-02-22
ДТП: 2006-02-22
P511AAA171-1 001
винт с буртом и шестигранным углублением под торцевой ключ
Суперкласс: P511AAA005: болты/винты с метрической резьбой
Определение: Крепежные детали с наружной метрической резьбой, цилиндрической головкой, шестигранным углублением под торцевой ключ и буртом подголовка
ХС: P511BAA012: длина резьбы
P511BAA020: минимальный диаметр радиального поднутрения
P511BAA022: ширина радиального поднутрения
P511BAA037: ширина радиального поднутрения в стержне
P511BAA048: минимальный диаметр радиального поднутрения в стержне
P511BAA357: переходный диаметр
P511BAA369: длина болта/винта с головкой с плоской опорной поверхностью
P511BAA383: переходный диаметр осевого поднутрения
ПИО: ИСО 7379:1983
УЧ: P511DAA171
ДНО: 2006-02-22 ДТВ: 2006-02-22
ДТП: 2006-02-22
P511AAA172-1 001
винт с полусферической головкой и шестигранным углублением под торцевой ключ
Суперкласс: P511AAA005: болты/винты с метрической резьбой
Определение: Крепежные детали с наружной метрической резьбой, полусферической головкой и шестигранным углублением под торцевой ключ
ХС: P511BAA046: расстояние от последнего полнопрофильного витка резьбы до несущей опорной поверхности головки
P511BAA047: радиус кривизны подголовка
P511BAA357: переходный диаметр
P511BAA369: длина болта/винта с головкой с плоской опорной поверхностью
ПИО: ИСО 7380:2004
УЧ: P511DAA172
ДНО: 2006-02-22 ДТВ: 2006-02-22
ДТП: 2006-02-22
P511AAA173-1 001
винт с потайной головкой и шестигранным углублением под торцевой ключ
Суперкласс: P511AAA005: болты/винты с метрической резьбой
Определение: Крепежные детали с наружной метрической резьбой, потайной головкой и шестигранным углублением под торцевой ключ
ХС: P511BAA047: радиус кривизны подголовка
P511BAA069: минимальная длина захвата
P511BAA370: длина потайного болта/винта
ПИО: ИСО 10642:2004
УЧ: P511DAA173
ДНО: 2006-02-22 ДТВ: 2006-02-22
ДТП: 2006-02-22
P511AAA174-1 001
винт с плоской цилиндрической головкой и шестидольным углублением под торцевой ключ
Суперкласс: P511AAA005: болты/винты с метрической резьбой
Определение: Крепежные детали с наружной метрической резьбой, плоской цилиндрической головкой и шестидольным углублением под торцевой ключ
ХС: P511BAA030: длина сбега резьбы
P511BAA357: переходный диаметр
P511BAA369: длина болта/винта с головкой с плоской опорной поверхностью
ПИО: ИСО 14580:2001
УЧ: P511DAA174
ДНО: 2006-02-22 ДТВ: 2006-02-22
ДТП: 2006-02-22
P511AAA175-1 001
винт с цилиндрической головкой с закругленным торцом и шестидольным углублением под торцевой ключ
Суперкласс: P511AAA005: болты/винты с метрической резьбой
Определение: Крепежные детали с наружной метрической резьбой, цилиндрической головкой в виде цилиндра с закругленным торцом и шестидольным углублением под торцевой ключ
ХС: P511BAA012: длина резьбы
P511BAA030: длина сбега резьбы
P511BAA046: расстояние от последнего полноразмерного витка резьбы до несущей опорной поверхности головки
P511BAA047: радиус кривизны подголовка
P511BAA357: переходный диаметр
P511BAA369: длина болта/винта с головкой с плоской опорной поверхностью
ПИО: ИСО 14583:2001
УЧ: P511DAA175
ДНО: 2006-02-22 ДТВ: 2006-02-22
ДТП: 2006-02-22
P511AAA176-1 001
винт с поднятой потайной головкой и шестидольным углублением под торцевой ключ
Суперкласс: P511AAA005: болты/винты с метрической резьбой
Определение: Крепежные детали с наружной метрической резьбой, поднятой потайной головкой и шестидольным углублением под торцевой ключ
ХС: P511BAA012: длина резьбы
P511BAA030: длина сбега резьбы
P511BAA046: расстояние от последнего полноразмерного витка резьбы до несущей опорной поверхности головки
P511BAA047: радиус кривизны подголовка
P511BAA370: длина потайного болта/винта
ПИО: ИСО 14584:2001
УЧ: P511DAA176
ДНО: 2006-02-22 ДТВ: 2006-02-22
ДТП: 2006-02-22
P511AAA177-1 001
винт с цилиндрической головкой и шлицем
Суперкласс: P511AAA005: болты/винты с метрической резьбой
Определение: Крепежные детали с наружной метрической резьбой, шлицем и цилиндрической головкой
ХС: P511BAA030: длина сбега резьбы
P511BAA046: расстояние от последнего полноразмерного витка резьбы до несущей опорной поверхности головки
P511BAA047: радиус кривизны подголовка
P511BAA357: переходный диаметр
P511BAA369: длина болта/винта с головкой с плоской опорной поверхностью
ПИО: ИСО 1207:1992
УЧ: P511DAA177
ДНО: 2006-02-22 ДТВ: 2006-02-22
ДТП: 2006-02-22
P511AAA178-1 001
винт с цилиндрической головкой с закругленным торцом и шлицем
Суперкласс: P511AAA005: болты/винты с метрической резьбой
Определение: Крепежные детали с наружной метрической резьбой, шлицем и цилиндрической головкой с закругленным торцом
ХС: P511BAA012: длина резьбы
P511BAA030: длина сбега резьбы
P511BAA046: расстояние от последнего полноразмерного витка резьбы до несущей опорной поверхности головки
P511BAA047: радиус кривизны подголовка
P511BAA357: переходный диаметр
P511BAA369: длина болта/винта с головкой с плоской опорной поверхностью
ПИО: ИСО 1580:1994
УЧ: P511DAA178
ДНО: 2006-02-22 ДТВ: 2006-02-22
ДТП: 2006-02-22
P511AAA179-1 001
винт с потайной плоской головкой и шлицем
Суперкласс: P511AAA005: болты/винты с метрической резьбой
Определение: Крепежные детали с наружной метрической резьбой и плоской потайной головкой со шлицем
ХС: P511BAA012: длина резьбы
P511BAA030: длина сбега резьбы
P511BAA046: расстояние от последнего полноразмерного витка резьбы до несущей опорной поверхности головки
P511BAA047: радиус кривизны подголовка
P511BAA370: длина потайного болта/винта
ПИО: ИСО 2009:1994
УЧ: P511DAA179
ДНО: 2006-02-22 ДТВ: 2006-02-22
ДТП: 2006-02-22
P511AAA180-1 001
винт с поднятой потайной головкой и шлицем
Суперкласс: P511AAA005: болты/винты с метрической резьбой
Определение: Крепежные детали с наружной метрической резьбой, поднятой потайной головкой и шлицем
ХС: P511BAA012: длина резьбы
P511BAA030: длина сбега резьбы
P511BAA046: расстояние от последнего полноразмерного витка резьбы до несущей опорной поверхности головки
P511BAA047: радиус кривизны подголовка
P511BAA370: длина потайного болта/винта
ПИО: ИСО 2010:1994
УЧ: P511DAA180
ДНО: 2006-02-22 ДТВ: 2006-02-22
ДТП: 2006-02-22
P511AAA181-1 001
винты с плоской цилиндрической головкой и крестообразным шлицем (тип H)
Суперкласс: P511AAA005: болты/винты с метрической резьбой
Определение: Крепежные детали с наружной метрической резьбой, плоской цилиндрической головкой и крестообразным шлицем (тип H)
ХС: P511BAA012: длина резьбы
P511BAA030: длина сбега резьбы
P511BAA046: расстояние от последнего полноразмерного витка резьбы до несущей опорной поверхности головки
P511BAA047: радиус кривизны подголовка
P511BAA357: переходный диаметр
P511BAA369: длина болта/винта с головкой с плоской опорной поверхностью
ПИО: ИСО 7048:1998
УЧ: P511DAA181
ДНО: 2006-02-22 ДТВ: 2006-02-22
ДТП: 2006-02-22
P511AAA182-1 001
винты с цилиндрической головкой, закругленным торцом и крестообразным шлицем (тип H)
Суперкласс: P511AAA005: болты/винты с метрической резьбой
Определение: Крепежные детали с наружной метрической резьбой, цилиндрической головкой с закругленным торцом (тип H) и крестообразным шлицем
ХС: P511BAA012: длина резьбы
P511BAA030: длина сбега резьбы
P511BAA046: расстояние от последнего полноразмерного витка резьбы до несущей опорной поверхности головки
P511BAA047: радиус кривизны подголовка
P511BAA357: переходный диаметр
P511BAA369: длина болта/винта (головка с плоской опорной поверхностью)
ПИО: ИСО 7045:1994
УЧ: P511DAA182
ДНО: 2006-02-22 ДТВ: 2006-02-22
ДТП: 2006-02-22
P511AAA183-1 001
потайная разрезная пружинная шайба с наружным зубчатым зацеплением
Суперкласс: P511AAA241: разрезные пружинные шайбы
Определение: Разрезная пружинная шайба с наружным зубчатым зацеплением, имеющая форму конуса для установки в потайное углубление
ХС:
ПИО: ИСО 1891:1979, пункт 39.9
УЧ: P511DAA183
ДНО: 2006-02-22 ДТВ: 2006-02-22
ДТП: 2006-02-22
P511AAA184-1 001
винт с плоской потайной головкой и крестообразным шлицем (тип H)
Суперкласс: P511AAA005: болты/винты с метрической резьбой
Определение: Крепежные детали с наружной метрической резьбой, плоской потайной головкой и крестообразным шлицем (тип H)
ХС: P511BAA012: длина резьбы
P511BAA030: длина сбега резьбы
P511BAA046: расстояние от последнего полноразмерного витка резьбы до несущей опорной поверхности головки
P511BAA047: радиус кривизны подголовка
P511BAA370: длина потайного болта/винта
ПИО: ИСО 7046-1:1994
УЧ: P511DAA184
Примечание: ИСО 7046-2:1994 принадлежит настоящему простому классу
ДНО: 2006-02-22 ДТВ: 2006-02-22
ДТП: 2006-02-22
P511AAA185-1 001
винт с поднятой потайной головкой и крестообразным шлицем (тип H)
Суперкласс: P511AAA005: болты/винты с метрической резьбой
Определение: Крепежные детали с наружной метрической резьбой, поднятой потайной головкой и крестообразным шлицем (тип H)
ХС: P511BAA012: длина резьбы
P511BAA030: длина сбега резьбы
P511BAA046: расстояние от последнего полноразмерного витка резьбы до несущей опорной поверхности головки
P511BAA047: радиус кривизны подголовка
P511BAA370: длина потайного болта/винта
ПИО: ИСО 7047:1994
УЧ: P511DAA185
ДНО: 2006-02-22 ДТВ: 2006-02-22
ДТП: 2006-02-22
P511AAA186-1 001
установочные винты
Суперкласс: P511AAA004: компоненты крепежных деталей с наружной резьбой
Определение: Крепежные детали с полной наружной резьбой и приводным признаком на одном конце, в то время как другой конец предназначен для передачи давления на фиксируемую деталь
ХС: P511BAA107: название формы конца детали
P511BAA108: изображение конца детали
P511BAA109: название формы встроенного привода
P511BAA110: изображение формы встроенного привода
P511BAA245: свойства конца детали
P511BAA246: свойства резьбы
P511BAA247: свойства встроенного привода
P511BAA306: тип конца детали
P511BAA307: тип резьбы
P511BAA308: тип встроенного привода
P511BAA326: сорт продукции
P511BAA378: диаметр торцевой поверхности
P511BAA400: длина установочного винта
СП: P511BAA306: тип конца детали
P511BAA307: тип резьбы
P511BAA308: тип встроенного привода
ПИО: ИСО 1891:1979
УЧ:
ДНО: 2006-02-22 ДТВ: 2006-02-22
ДТП: 2006-02-22
P511AAA187-1 001
винты без головки, со шлицем под отвертку и стержнем
Суперкласс: P511AAA354: винты без головки, со шлицем под отвертку и стержнем
Определение: Винты без головки, со шлицем под отвертку и стержнем; шлиц представляет собой встроенный привод
ХС: P511BAA402: длина винта без головки, со шлицем под отвертку и стержнем
ПИО: ИСО 2342:1972
УЧ: P511DAA187
ДНО: 2006-02-22 ДТВ: 2006-02-22
ДТП: 2006-02-22
P511AAA188-1 001
установочные винты с шестигранным углублением под торцевой ключ и плоским концом
Суперкласс: P511AAA186: установочные винты
Определение: Установочные винты с шестигранным углублением под торцевой ключ и плоским концом
ХС:
ПИО: ИСО 4026:2003
УЧ: P511DAA188
ДНО: 2006-02-22 ДТВ: 2006-02-22
ДТП: 2006-02-22
P511AAA189-1 001
установочные винты с шестигранным углублением под торцевой ключ и коническим концом
Суперкласс: P511AAA186: установочные винты
Определение: Установочные винты с шестигранным углублением под торцевой ключ и коническим концом
ХС:
ПИО: ИСО 4027:2003
УЧ: P511DAA189
ДНО: 2006-02-22 ДТВ: 2006-02-22
ДТП: 2006-02-22
P511AAA190-1 001
установочные винты с шестигранным углублением под торцевой ключ и цилиндрическим концом
Суперкласс: P511AAA186: установочные винты
Определение: Установочные винты с шестигранным углублением под торцевой ключ и цилиндрическим концом
ХС:
ПИО: ИСО 4028:2003
УЧ: P511DAA190
ДНО: 2006-02-22 ДТВ: 2006-02-22
ДТП: 2006-02-22
P511AAA191-1 001
установочные винты с углублением под торцевой ключ и центровым углублением на конце винта
Суперкласс: P511AAA186: установочные винты
Определение: Установочные винты с шестигранным углублением под торцевой ключ и центровым углублением на конце винта
ХС:
ПИО: ИСО 4029:2003
УЧ: P511DAA191
ДНО: 2006-02-22 ДТВ: 2006-02-22
ДТП: 2006-02-22
P511AAA192-1 001
установочные винты со шлицем и коническим концом
Суперкласс: P511AAA186: установочные винты
Определение: Установочные винты со шлицем и коническим концом
ХС:
ПИО: ИСО 7434:1983
УЧ: P511DAA192
ДНО: 2006-02-22 ДТВ: 2006-02-22
ДТП: 2006-02-22
P511AAA193-1 001
установочные винты со шлицем и плоским концом
Суперкласс: P511AAA186: установочные винты
Определение: Установочные винты со шлицем и плоским концом
ХС:
ПИО: ИСО 4766:1983
УЧ: P511DAA193
ДНО: 2006-02-22 ДТВ: 2006-02-22
ДТП: 2006-02-22
P511AAA194-1 001
установочные винты со шлицем и длинным цилиндрическим концом
Суперкласс: P511AAA186: установочные винты
Определение: Установочные винты со шлицем и длинным цилиндрическим концом
ХС:
ПИО: ИСО 7435:1983
УЧ: P511DAA194
ДНО: 2006-02-22 ДТВ: 2006-02-22
ДТП: 2006-02-22
P511AAA195-1 001
установочные винты со шлицем и центровым углублением на конце винта
Суперкласс: P511AAA186: установочные винты
Определение: Установочные винты со шлицем и центровым углублением на конце винта
ХС:
ПИО: ИСО 7436:1983
УЧ: P511DAA195
ДНО: 2006-02-22 ДТВ: 2006-02-22
ДТП: 2006-02-22
P511AAA196-1 001
винты с саморежущей резьбой
Суперкласс: P511AAA004: компоненты крепежных деталей с наружной резьбой
Определение: Крепежная деталь с наружной резьбой и головкой, имеющая приводной признак и саморежущую резьбу, образующую сопряженную резьбу на обрабатываемой металлической детали
ХС: P511BAA103: название формы головки
P511BAA104: изображение формы головки
P511BAA107: название формы конца детали
P511BAA108: изображение конца детали
P511BAA109: название формы встроенного привода
P511BAA110: изображение формы встроенного привода
P511BAA243: свойства головки
P511BAA245: свойства конца детали
P511BAA246: свойства резьбы
P511BAA247: свойства встроенного привода
P511BAA303: тип головки
P511BAA306: тип конца детали
P511BAA307: тип резьбы
P511BAA308: тип встроенного привода
P511BAA326: сорт продукции
СП: P511BAA303: тип головки
P511BAA306: тип конца детали
P511BAA307: тип резьбы
P511BAA308: тип встроенного привода
ПИО: ИСО 1891:1979
УЧ:
ДНО: 2006-02-22 ДТВ: 2006-02-22
ДТП: 2006-02-22
P511AAA197-1 001
винты с саморежущей резьбой, шестигранной головкой и коническим концом
Суперкласс: P511AAA196: винты с саморежущей резьбой
Определение: Винты с саморежущей резьбой, шестигранной головкой и коническим концом
ХС: P511BAA046: расстояние от последнего полнопрофильного витка резьбы до несущей опорной поверхности головки
P511BAA047: радиус кривизны подголовка
P511BAA357: переходный диаметр
P511BAA369: длина болта/винта с головкой с плоской опорной поверхностью
ПИО: ИСО 1479:1983
УЧ: P511DAA197
ДНО: 2006-02-22 ДТВ: 2006-02-22
ДТП: 2006-02-22
P511AAA198-1 001
винты с цилиндрической головкой с закругленным торцом, шлицем, саморежущей резьбой и конусным концом
Суперкласс: P511AAA196: винты с саморежущей резьбой
Определение: Винты с саморежущей резьбой, головкой в виде усеченного конуса, шлицем и коническим концом
ХС: P511BAA046: расстояние от последнего полнопрофильного витка резьбы до несущей опорной поверхности головки
P511BAA047: радиус кривизны подголовка
P511BAA357: переходный диаметр
P511BAA369: длина болта/винта с головкой с плоской опорной поверхностью
ПИО: ИСО 1481:1983
УЧ: P511DAA198
ДНО: 2006-02-22 ДТВ: 2006-02-22
ДТП: 2006-02-22
P511AAA199-1 001
винты с потайной плоской головкой, саморежущей резьбой и коническим концом
Суперкласс: P511AAA196: винты с саморежущей резьбой
Определение: Винты с потайной плоской головкой, саморежущей резьбой, шлицем и коническим концом
ХС: P511BAA046: расстояние от последнего полнопрофильного витка резьбы до несущей опорной поверхности головки
P511BAA047: радиус кривизны подголовка
P511BAA370: длина потайного болта/винта
ПИО: ИСО 1482:1983
УЧ: P511DAA199
ДНО: 2006-02-22 ДТВ: 2006-02-22
ДТП: 2006-02-22
P511AAA200-1 001
винты с саморежущей резьбой, поднятой купольной потайной головкой, шлицем и коническим концом
Суперкласс: P511AAA196: винты с саморежущей резьбой
Определение: Винты с саморежущей резьбой, шлицем, поднятой купольной потайной головкой и коническим концом
ХС: P511BAA046: расстояние от последнего полноразмерного витка резьбы до несущей опорной поверхности головки
P511BAA047: радиус кривизны подголовка
P511BAA370: длина потайного болта/винта
ПИО: ИСО 1483:1983
УЧ: P511DAA200
ДНО: 2006-02-22 ДТВ: 2006-02-22
ДТП: 2006-02-22
P511AAA201-1 001
винты с крестообразным шлицем (тип H), цилиндрической головкой с закругленным торцом, саморежущей резьбой и коническим концом
Суперкласс: P511AAA196: винты с саморежущей резьбой
Определение: Винты с саморежущей резьбой, цилиндрической головкой, закругленным торцом, крестообразным шлицем (тип H) и коническим концом
ХС: P511BAA046: расстояние от последнего полнопрофильного витка резьбы до несущей опорной поверхности головки
P511BAA047: радиус кривизны подголовка
P511BAA357: переходный диаметр
P511BAA369: длина болта/винта (головка с плоской опорной поверхностью)
ПИО: ИСО 7049:1983
УЧ: P511DAA201
ДНО: 2006-02-22 ДТВ: 2006-02-22
ДТП: 2006-02-22
P511AAA202-1 001
винты с шестигранной головкой, фланцем, саморежущей резьбой и коническим концом
Суперкласс: P511AAA196: винты с саморежущей резьбой
Определение: Винты с саморежущей резьбой, шестигранной головкой, фланцем и коническим концом
ХС: P511BAA046: расстояние от последнего полнопрофильного витка резьбы до несущей опорной поверхности головки
P511BAA047: радиус кривизны подголовка
P511BAA369: длина болта/винта с плоской опорной поверхностью головки
ПИО: ИСО 10509:1992
УЧ: P511DAA202
ДНО: 2006-02-22 ДТВ: 2006-02-22
ДТП: 2006-02-22
P511AAA203-1 001
винты с крестообразным шлицем (тип H), потайной головкой, саморежущей резьбой и коническим концом
Суперкласс: P511AAA196: винты с саморежущей резьбой
Определение: Винты с саморежущей резьбой, потайной головкой, крестообразным шлицем (тип H) и коническим концом
ХС: P511BAA046: расстояние от последнего полнопрофильного витка резьбы до несущей опорной поверхности головки
P511BAA047: радиус кривизны подголовка
P511BAA370: длина потайного болта/винта
ПИО: ИСО 7050:1983
УЧ: P511DAA203
ДНО: 2006-02-22 ДТВ: 2006-02-22
ДТП: 2006-02-22
P511AAA204-1 001
винты с саморежущей резьбой, поднятой потайной головкой, крестообразным шлицем (тип H) и коническим концом
Суперкласс: P511AAA196: винты с саморежущей резьбой
Определение: Винты с саморежущей резьбой, поднятой потайной головкой, крестообразным шлицем (тип H) и коническим концом
ХС: P511BAA046: расстояние от последнего полноразмерного витка резьбы до несущей опорной поверхности головки
P511BAA047: радиус кривизны подголовка
P511BAA370: длина потайного болта/винта
ПИО: ИСО 7051:1983
УЧ: P511DAA204
ДНО: 2006-02-22 ДТВ: 2006-02-22
ДТП: 2006-02-22
P511AAA205-1 001
винты с шестигранной головкой с неотделяемой от нее шайбой, саморежущей резьбой и коническим концом
Суперкласс: P511AAA196: винты с саморежущей резьбой
Определение: Винты с саморежущей резьбой, шестигранной головкой с неотделяемой от нее шайбой и коническим концом
ХС: P511BAA046: расстояние от последнего полнопрофильного витка резьбы до несущей опорной поверхности головки
P511BAA047: радиус кривизны подголовка
P511BAA369: длина болта/винта с плоской опорной поверхностью головки
ПИО: ИСО 7053:1992
УЧ: P511DAA205
ДНО: 2006-02-22 ДТВ: 2006-02-22
ДТП: 2006-02-22
P511AAA206-1 001
винты с шестидольным углублением под торцевой ключ, цилиндрической головкой с закругленным торцом, с саморежущей резьбой и коническим концом
Суперкласс: P511AAA196: винты с саморежущей резьбой
Определение: Винты с саморежущей резьбой, цилиндрической головкой с закругленным торцом, шестидольным углублением под торцевой ключ и коническим концом
ХС: P511BAA046: расстояние от последнего полнопрофильного витка резьбы до несущей опорной поверхности головки
P511BAA047: радиус кривизны подголовка
P511BAA357: переходный диаметр
P511BAA369: длина болта/винта с головкой с плоской опорной поверхностью
ПИО: ИСО 14585:2001
УЧ: P511DAA206
ДНО: 2006-02-22 ДТВ: 2006-02-22
ДТП: 2006-02-22
P511AAA207-1 001
винты с потайной головкой, шестидольным углублением под торцевой ключ, саморежущей резьбой и коническим концом
Суперкласс: P511AAA196: винты с саморежущей резьбой
Определение: Винты с саморежущей резьбой, потайной головкой, шестидольным углублением под торцевой ключ и коническим концом
ХС: P511BAA046: расстояние от последнего полнопрофильного витка резьбы до несущей опорной поверхности головки
P511BAA047: радиус кривизны подголовка
P511BAA370: длина потайного болта/винта
ПИО: ИСО 14586:2001
УЧ: P511DAA207
ДНО: 2006-02-22 ДТВ: 2006-02-22
ДТП: 2006-02-22
P511AAA208-1 001
винты с саморежущей резьбой, поднятой потайной головкой, шестидольным углублением под торцевой ключ и коническим концом
Суперкласс: P511AAA196: винты с саморежущей резьбой
Определение: Винты с саморежущей резьбой, поднятой потайной головкой, шестидольным углублением под торцевой ключ и коническим концом
ХС: P511BAA046: расстояние от последнего полноразмерного витка резьбы до несущей опорной поверхности головки
P511BAA047: радиус кривизны подголовка
P511BAA370: длина потайного болта/винта
ПИО: ИСО 14587:2001
УЧ: P511DAA208
ДНО: 2006-02-22 ДТВ: 2006-02-22
ДТП: 2006-02-22
P511AAA209-1 001
винты для дерева
Суперкласс: P511AAA004: компоненты крепежных деталей с наружной резьбой
Определение: Крепежные детали с наружной резьбой и головкой, имеющие приводной признак и резьбу, нарезающую сопряженную резьбу в деревянных прикрепляемых деталях
ХС: P511BAA103: название формы головки
P511BAA104: изображение формы головки
P511BAA105: название формы стержня
P511BAA106: изображение формы стержня
P511BAA107: название формы конца детали
P511BAA108: изображение конца детали
P511BAA109: название формы встроенного привода
P511BAA110: изображение формы встроенного привода
P511BAA243: свойства головки
P511BAA244: свойства стержня
P511BAA245: свойства конца детали
P511BAA246: свойства резьбы
P511BAA247: свойства встроенного привода
P511BAA303: тип головки
P511BAA306: тип конца детали
P511BAA307: тип резьбы
P511BAA308: тип встроенного привода
P511BAA369: длина болта/винта с головкой с плоской опорной поверхностью
P511BAA370: длина потайного болта/винта
ПИО: ИСО 1891:1979, пункт 2.4
УЧ: P511DAA209
ДНО: 2006-02-22 ДТВ: 2006-02-22
ДТП: 2006-02-22
P511AAA210-1 001
шурупы
Суперкласс: P511AAA004: компоненты крепежных деталей с наружной резьбой
Определение: Крепежные детали с наружной резьбой и головкой, имеющие приводной признак и саморежущую резьбу; конец детали имеет точку сверления. Шуруп одновременно сверлит отверстие и нарезает резьбу в металле заготовки
ХС: P511BAA046: расстояние от последнего полноразмерного витка резьбы до несущей опорной поверхности головки
P511BAA047: радиус кривизны подголовка
P511BAA103: название формы головки
P511BAA104: изображение формы головки
P511BAA105: название формы стержня
P511BAA106: изображение формы стержня
P511BAA107: название формы конца детали
P511BAA108: изображение конца детали
P511BAA109: название формы встроенного привода
P511BAA110: изображение формы встроенного привода
P511BAA243: свойства головки
P511BAA245: свойства конца детали
P511BAA246: свойства резьбы
P511BAA247: свойства встроенного привода
P511BAA303: тип головки
P511BAA306: тип конца детали
P511BAA307: тип резьбы
P511BAA308: тип встроенного привода
P511BAA326: сорт продукции
P511BAA303: тип головки
P511BAA306: тип конца детали
P511BAA307: тип резьбы
P511BAA308: тип встроенного привода
ПИО: ИСО 15480:1999
УЧ:
ДНО: 2006-02-22 ДТВ: 2006-02-22
ДТП: 2006-02-22
P511AAA211-1 001
шурупы с шестигранной головкой и не отделяемой от нее шайбой
Суперкласс: P511AAA210: шурупы
Определение: Шурупы с шестигранной головкой, неотделяемой от нее шайбой и саморежущей резьбой
ХС: P511BAA069: минимальная длина захвата
P511BAA369: длина болта/винта с головкой с плоской опорной поверхностью
ПИО: ИСО 15480:1999
УЧ: P511DAA211
ДНО: 2006-02-22 ДТВ: 2006-02-22
ДТП: 2006-02-22
P511AAA212-1 001
шурупы с крестообразным шлицем (тип H) и цилиндрической головкой с закругленным торцом
Суперкласс: P511AAA210: шурупы
Определение: Шурупы с головкой в виде цилиндра с закругленным торцом с крестообразным шлицом (тип H) и саморежущей резьбой
ХС: P511BAA357: переходный диаметр
P511BAA369: длина болта/винта с головкой с плоской опорной поверхностью
ПИО: ИСО 15481:1999
УЧ: P511DAA212
ДНО: 2006-02-22 ДТВ: 2006-02-22
ДТП: 2006-02-22
P511AAA213-1 001
Шурупы с крестообразным шлицем (тип H) и потайной головкой
Суперкласс: P511AAA210: шурупы
Определение: Шурупы с потайной головкой с крестообразным шлицем (тип H) и саморежущей резьбой
ХС: P511BAA069: минимальная длина захвата
P511BAA370: длина потайного болта/винта
ПИО: ИСО 15482:1999
УЧ: P511DAA213
ДНО: 2006-02-22 ДТВ: 2006-02-22
ДТП: 2006-02-22
P511AAA214-1 001
шурупы с крестообразным шлицем (тип H) и поднятой потайной головкой
Суперкласс: P511AAA210: шурупы
Определение: Шурупы с поднятой потайной головкой, крестообразным шлицем (тип H) и саморежущей резьбой
ХС: P511BAA069: минимальная длина захвата
P511BAA370: длина потайного болта/винта
ПИО: ИСО 15483:1999
УЧ: P511DAA214
ДНО: 2006-02-22 ДТВ: 2006-02-22
ДТП: 2006-02-22
P511AAA215-1 001
пилообразная пружинная шайба с наружным зацеплением
Суперкласс: P511AAA241: разрезные пружинные шайбы
Определение: Пилообразная пружинная шайба с наружным зубчатым зацеплением
ХС:
ПИО: ИСО 1891:1979, пункт 39.10
УЧ: P511DAA215
ДНО: 2006-02-22 ДТВ: 2006-02-22
ДТП: 2006-02-22
P511AAA216-1 001
пилообразная пружинная шайба с внутренним зацеплением
Суперкласс: P511AAA241: разрезные пружинные шайбы
Определение: Пилообразная пружинная шайба с внутренним зубчатым зацеплением
ХС:
ПИО: ИСО 1891:1979, пункт 39.11
УЧ: P511DAA216
ДНО: 2006-02-22 ДТВ: 2006-02-22
ДТП: 2006-02-22
P511AAA217-1 001
шестигранная головка с цилиндрическим буртом
Суперкласс: P511AAA008: головки
Определение: Головка в форме шестигранника с цилиндрическим буртом на несущей опорной поверхности для уменьшения давления на подголовок
ХС: P511BAA031: высота под гаечный ключ
P511BAA032: размер под ключ
P511BAA033: ширина на угол
P511BAA034: высота головки
P511BAA042: высота несущего элемента болта (винта, гайки)
P511BAA045: диаметр фланца (бурта)
P511BAA377: радиус сопряжения между шестигранником и шайбой
ПИО: ИСО 15480:1999
УЧ: P511DAA217
ДНО: 2006-02-22 ДТВ: 2006-02-22
ДТП: 2006-02-22
P511AAA218-1 001
потайная пилообразная пружинная шайба с наружным зацеплением
Суперкласс: P511AAA241: разрезная пружинная шайба
Определение: Пилообразная зубчатая пружинная шайба конусной формы для установки в потайное углубление
ХС:
ПИО: ИСО 1891:1979, пункт 39.12
УЧ: P511DAA218
ДНО: 2006-02-22 ДТВ: 2006-02-22
ДТП: 2006-02-22
P511AAA219-1 001
лапчатая шайба с длинной лапкой
Суперкласс: P511AAA240: лапчатые шайбы
Определение: Лапчатая шайба с длинной наружной лапкой
ХС:
ПИО: ИСО 1891:1979, пункт 40.1
УЧ: P511DAA219
ДНО: 2006-02-22 ДТВ: 2006-02-22
ДТП: 2006-02-22
P511AAA220-1 001
лапчатая шайба с длинной лапкой и крылышком
Суперкласс: P511AAA240: лапчатая шайба
Определение: Лапчатая шайба с длинной лапкой и крылышком на наружной поверхности
ХС:
ПИО: ИСО 1891:1979, пункт 40.2
УЧ: P511DAA220
ДНО: 2006-02-22 ДТВ: 2006-02-22
ДТП: 2006-02-22
P511AAA221-1 001
шайба с наружным отгибным стопором
Суперкласс: P511AAA240: лапчатая шайба
Определение: Лапчатая шайба с отогнутой лапкой на наружной поверхности
ХС:
ПИО: ИСО 1891:1979, пункт 40.3
УЧ: P511DAA221
ДНО: 2006-02-22 ДТВ: 2006-02-22
ДТП: 2006-02-22
P511AAA222-1 001
шестидольное углубление под торцевой ключ
Суперкласс: P511AAA042: встроенные приводы
Определение: Признак встроенного привода в форме шестидольного углубления
ХС: P511BAA057: номинальный размер A
P511BAA075: номинальный размер B
P511BAA092: номер шестидольного углубления под торцевой ключ
P511BAA101: глубина проникания
ПИО: ИСО 10664:2005
УЧ: P511DAA222
ДНО: 2006-02-22 ДТВ: 2006-02-22
ДТП: 2006-02-22
P511AAA223-1 001
полусферическая головка
Суперкласс: P511AAA008: головки
Определение: Головка в форме усеченной полусферы
ХС: P511BAA034: высота головки
P511BAA051: диаметр головки
ПИО: ИСО 7380:2004
УЧ: P511DAA223
ДНО: 2006-02-22 ДТВ: 2006-02-22
ДТП: 2006-02-22
P511AAA225-1 001
шайба с внутренним отгибным стопором
Суперкласс: P511AAA240: лапчатые шайбы
Определение: Лапчатая шайба с отогнутой лапкой на внутренней поверхности
ХС:
ПИО: ИСО 1891:1979, пункт 40.4
УЧ: P511DAA225
ДНО: 2006-02-22 ДТВ: 2006-02-22
ДТП: 2006-02-22
P511AAA226-1 001
винты с потайной головкой, шестидольным углублением под торцевой ключ, саморежущей резьбой и плоским концом
Суперкласс: P511AAA196: винты с саморежущей резьбой
Определение: Винты с саморежущей резьбой, потайной головкой с шестидольным углублением под торцевой ключ и плоским концом
ХС: P511BAA046: расстояние от последнего полнопрофильного витка резьбы до несущей опорной поверхности головки
P511BAA047: радиус кривизны подголовка
P511BAA370: длина потайного болта/винта
ПИО: ИСО 14586:2001
УЧ: P511DAA226
ДНО: 2006-02-22 ДТВ: 2006-02-22
ДТП: 2006-02-22
P511AAA227-1 001
шестигранная гайка со шлицем
Суперкласс: P511AAA052: гайки
Определение: Шестигранная гайка со шлицем на одной торцевой поверхности, перпендикулярной к оси гайки
ХС: P511BAA031: высота под гаечный ключ
P511BAA032: размер под ключ
P511BAA033: ширина на угол
P511BAA052: ширина шлица
P511BAA053: глубина шлица
P511BAA114: диаметр потайного углубления
ПИО: ИСО 1891:1979, пункт 34.1
УЧ: P511DAA227
ДНО: 2006-02-22 ДТВ: 2006-02-22
ДТП: 2006-02-22
P511AAA228-1 001
шестигранная гайка с фланцем
Суперкласс: P511AAA052: гайки
Определение: Шестигранная гайка с фланцем на несущей опорной поверхности
ХС: P511BAA031: высота под гаечный ключ
P511BAA032: размер под ключ
P511BAA033: ширина на угол
P511BAA041: диаметр опорного выступа под шайбу (несущей опорной поверхности)
P511BAA042: высота несущего элемента болта (винта, гайки)
P511BAA044: угол фланца
P511BAA045: диаметр фланца (бурта)
P511BAA114: диаметр потайного углубления
ПИО: ИСО 4161:1999
УЧ: P511DAA228
Примечание: ИСО 21670:2003 принадлежит настоящему простому классу
ДНО: 2006-02-22 ДТВ: 2006-02-22
ДТП: 2006-02-22
P511AAA229-1 001
шестигранная корончатая гайка
Суперкласс: P511AAA052: гайки
Определение: Шестигранная гайка с цилиндрическим венцом и шлицем
ХС: P511BAA031: высота под гаечный ключ
P511BAA032: размер под ключ
P511BAA033: ширина на угол
P511BAA041: диаметр опорного выступа под шайбу (несущей опорной поверхности)
P511BAA050: диаметр корончатой гайки
P511BAA052: ширина шлица
P511BAA053: глубина шлица
P511BAA114: диаметр потайного углубления
ПИО: ИСО 1891:1979, ИСО 225:1983
УЧ: P511DAA229
ДНО: 2006-02-22 ДТВ: 2006-02-22
ДТП: 2006-02-22
P511AAA232-1 001
круглая гайка с отверстиями на торце под ключ
Суперкласс: P511AAA052: гайки
Определение: Гайки цилиндрической формы с приводным признаком - отверстиями на одной из плоских торцевых поверхностей
ХС:
ПИО: ИСО 1891:1979, пункт 36.6
УЧ: P511DAA232
ДНО: 2006-02-22 ДТВ: 2006-02-22
ДТП: 2006-02-22
P511AAA235-1 001
плоская шайба без фаски
Суперкласс: P511AAA026: плоские шайбы
Определение: Плоская шайба с наружной поверхностью круглой формы
ХС: P511BAA333: наружный диаметр
P511BAA334: диаметр отверстия
ПИО: ИСО 887:2000
УЧ: P511DAA235
Примечание: ИСО 7089:2000, ИСО 7091:2000, ИСО 7092:2000, ИСО 7093-1:2000, ИСО 7093-2:2000, ИСО 7094:2000, ИСО 7415:1984, ИСО 8738:1986, ИСО 10669:1999, ИСО 10673:1998 принадлежат настоящему простому классу
ДНО: 2006-02-22 ДТВ: 2006-02-22
ДТП: 2006-02-22
P511AAA236-1 001
пружинная шайба
Суперкласс: P511AAA072: шайбы
Определение: Упругодеформируемая шайба
ХС: P511BAA333: наружный диаметр
P511BAA334: диаметр отверстия
P511BAA336: толщина материала
P511BAA338: высота конусной пружинной шайбы (разрезной пружинной шайбы)
ПИО: ИСО 1891:1979
УЧ:
ДНО: 2006-02-22 ДТВ: 2006-02-22
ДТП: 2006-02-22
P511AAA237-1 001
квадратная коническая шайба
Суперкласс: P511AAA072: шайбы
Определение: Квадратная шайба с непараллельными несущими опорными поверхностями
ХС: P511BAA334: диаметр отверстия
P511BAA355: средняя высота
P511BAA356: боковая длина
ПИО: ИСО 1891:1979, пункт 38.5
УЧ: P511DAA237
ДНО: 2006-02-22 ДТВ: 2006-02-22
ДТП: 2006-02-22
P511AAA238-1 001
винты с потайной головкой с шестидольным углублением под торцевой ключ, саморежущей резьбой и закругленным концом
Суперкласс: P511AAA196: винты с саморежущей резьбой
Определение: Винты с саморежущей резьбой, потайной головкой, шестидольным углублением под торцевой ключ и закругленным концом
ХС: P511BAA046: расстояние от последнего полнопрофильного витка резьбы до несущей опорной поверхности головки
P511BAA047: радиус кривизны подголовка
P511BAA370: длина потайного болта/винта
ПИО: ИСО 14586:2001
УЧ: P511DAA238
ДНО: 2006-02-22 ДТВ: 2006-02-22
ДТП: 2006-02-22
P511AAA239-1 001
винты с шестидольным углублением под торцевой ключ, цилиндрической головкой с закругленным торцом, саморежущей резьбой и плоским концом
Суперкласс: P511AAA196: винты с саморежущей резьбой
Определение: Винты с саморежущей резьбой, цилиндрической головкой с закругленным торцом, шестидольным углублением под торцевой ключ и плоским концом
ХС: P511BAA046: расстояние от последнего полнопрофильного витка резьбы до несущей опорной поверхности головки
P511BAA047: радиус кривизны подголовка
P511BAA357: переходный диаметр
P511BAA369: длина болта/винта с головкой с плоской опорной поверхностью
ПИО: ИСО 14585:2001
УЧ: P511DAA239
ДНО: 2006-02-22 ДТВ: 2006-02-22
ДТП: 2006-02-22
P511AAA240-1 001
лапчатая шайба
Суперкласс: P511AAA072: шайбы
Определение: Шайба с лапками
ХС: P511BAA333: наружный диаметр
P511BAA334: диаметр отверстия
P511BAA336: толщина материала
ПИО: ИСО 1891:1979
УЧ:
ДНО: 2006-02-22 ДТВ: 2006-02-22
ДТП: 2006-02-22
P511AAA241-1 001
разрезная пружинная шайба
Суперкласс: P511AAA072: шайбы
Определение: Шайба особой формы, препятствующая проворачиванию связанной крепежной детали
ХС: P511BAA333: наружный диаметр
P511BAA334: диаметр отверстия
P511BAA336: толщина материала
P511BAA338: высота конусной пружинной шайбы (разрезной пружинной шайбы)
ПИО: ИСО 1891:1979
УЧ:
ДНО: 2006-02-22 ДТВ: 2006-02-22
ДТП: 2006-02-22
P511AAA242-1 001
винты с шестидольным углублением под торцевой ключ, цилиндрической головкой с закругленным торцом, саморежущей резьбой и закругленным концом
Суперкласс: P511AAA196: винты с саморежущей резьбой
Определение: Винты с саморежущей резьбой, головкой в виде цилиндра с закругленным торцом, шестидольным углублением под торцевой ключ и закругленным концом
ХС: P511BAA046: расстояние от последнего полноразмерного витка резьбы до несущей опорной поверхности головки
P511BAA047: радиус кривизны подголовка
P511BAA357: переходный диаметр
P511BAA369: длина болта/винта с головкой с плоской опорной поверхностью
ПИО: ИСО 14585:2001
УЧ: P511DAA242
ДНО: 2006-02-22 ДТВ: 2006-02-22
ДТП: 2006-02-22
P511AAA243-1 001
винты с шестигранной головкой с неотделяемой от нее шайбой, саморежущей резьбой и плоским концом
Суперкласс: P511AAA196: винты с саморежущей резьбой
Определение: Винты с саморежущей резьбой, шестигранной головкой с неотделяемой от нее шайбой и плоским концом
ХС: P511BAA046: расстояние от последнего полнопрофильного витка резьбы до несущей опорной поверхности головки
P511BAA047: радиус кривизны подголовка
P511BAA369: длина болта/винта с головкой с плоской опорной поверхностью
ПИО: ИСО 7053:1992
УЧ: P511DAA243
ДНО: 2006-02-22 ДТВ: 2006-02-22
ДТП: 2006-02-22
P511AAA244-1 001
винты с крестообразным шлицем (тип H), поднятой потайной головкой, саморежущей резьбой и плоским концом
Суперкласс: P511AAA196: винты с саморежущей резьбой
Определение: Винты с саморежущей резьбой, поднятой потайной головкой с крестообразным шлицем (тип H) и плоским концом
ХС: P511BAA046: расстояние от последнего полнопрофильного витка резьбы до несущей опорной поверхности головки
P511BAA047: радиус кривизны подголовка
P511BAA370: длина потайного болта/винта
ПИО: ИСО 7051:1983
УЧ: P511DAA244
ДНО: 2006-02-22 ДТВ: 2006-02-22
ДТП: 2006-02-22
P511AAA245-1 001
односторонняя заклепка с закрытым концом, сердечником и выступающей головкой
Суперкласс: P511AAA083: односторонние заклепки
Определение: Односторонняя заклепка с закрытым концом, сердечником и выступающей головкой
ХС: P511BAA411: длина заклепки с головкой и плоской опорной поверхностью (выступающая головка)
ПИО: ИСО 15973:2000
УЧ: P511DAA245
Примечание: ИСО 15975:2000, ИСО 15976:2000 принадлежат настоящему простому классу
ДНО: 2006-02-22 ДТВ: 2006-02-22
ДТП: 2006-02-22
P511AAA246-1 001
односторонняя заклепка с закрытым концом, сердечником и потайной головкой
Суперкласс: P511AAA083: односторонние заклепки
Определение: Односторонняя заклепка с закрытым концом, сердечником и потайной головкой
ХС: P511BAA412: длина заклепки с потайной головкой
ПИО: ИСО 15974:2000
УЧ: P511DAA246
ДНО: 2006-02-22 ДТВ: 2006-02-22
ДТП: 2006-02-22
P511AAA248-1 01
разрезной штифт
Суперкласс: P511AAA098: штифты
Определение: Штифт полукруглого сечения с разрезом
ХС: P511BAA193: расстояние между кромками разреза
P511BAA195: высота просвета разрезного штифта
P511BAA196: диаметр просвета разрезного штифта
P511BAA367: длина разрезного штифта
ПИО: ИСО 1234:1997, ИСО 8749:1986
УЧ: P511DAA248
ДНО: 2006-02-22 ДТВ: 2006-02-22
ДТП: 2006-02-22
P511AAA249-1 001
простой конусный штифт
Суперкласс: P511AAA358: конусные штифты
Определение: Конусный штифт без резьбы
ХС: P511BAA198: большой радиус закругленного конца конусного штифта
P511BAA199: высота закругленного конца
ПИО: ИСО 2339:1986, ИСО 8749:1986
УЧ: P511DAA249
ДНО: 2006-02-22 ДТВ: 2006-02-22
ДТП: 2006-02-22
P511AAA250-1 001
конусный штифт с внутренней резьбой
Суперкласс: P511AAA358: конусные штифты
Определение: Конусный штифт с внутренней резьбой
ХС: P511BAA199: высота скругленного конца
P511BAA204: диаметр потайного углубления штифта
P511BAA205: длина внутренней резьбы штифта
ДНО: 2006-02-22 ДТВ: 2006-02-22
ДТП: 2006-02-22
P511BAA206: глубина отверстия
P511BAA207: глубина цилиндрического потайного углубления
P511BAA231: радиус венца
P511BAA340: размер резьбы
P511BAA362: угол фаски конца штифта
ПИО: ИСО 8736:1986, ИСО 8749:1986
УЧ: P511DAA250
P511AAA251-1 001
конусный штифт с наружной резьбой
Суперкласс: P511AAA358: конусные штифты
Определение: Конусный штифт с наружной резьбой
ХС: P511BAA208: длина сбега резьбы на конус
P511BAA209: длина резьбового участка
P511BAA210: длина направляющего конца
P511BAA211: диаметр направляющего конца
P511BAA340: размер резьбы
P511BAA362: угол фаски конца штифта
P511BAA395: неполная длина резьбы штифта с наружной резьбой
ПИО: ИСО 8737:1986, ИСО 8749:1986
УЧ: P511DAA251
ДНО: 2006-02-22 ДТВ: 2006-02-22
ДТП: 2006-02-22
P511AAA252-1 001
цилиндрический штифт
Суперкласс: P511AAA098: штифты
Определение: Штифт цилиндрической формы с заданным допуском на диаметр
ХС: P511BAA217: длина фаски штифта
P511BAA246: свойства резьбы
P511BAA307: тип резьбы
P511BAA362: угол фаски конца штифта
P511BAA408: длина цилиндрического штифта
СП: P511BAA307: тип резьбы
ПИО: ИСО 2338:1997, ИСО 8749:1986
УЧ: P511DAA252
Примечание: ИСО 8734:1997 принадлежит настоящему простому классу
ДНО: 2006-02-22 ДТВ: 2006-02-22
ДТП: 2006-02-22
P511AAA253-1 001
цилиндрический штифт с внутренней резьбой
Суперкласс: P511AAA252: цилиндрические штифты
Определение: Штифт цилиндрической формы с внутренней резьбой
ХС: P511BAA202: ширина фаски конца с внутренней резьбой
P511BAA204: диаметр потайного углубления штифта
P511BAA205: длина внутренней резьбы штифта
P511BAA206: глубина отверстия
P511BAA207: глубина цилиндрического потайного углубления
P511BAA327: тип шага резьбы
P511BAA340: размер резьбы
ПИО: ИСО 8733:1997, ИСО 8749:1986
УЧ: P511DAA253
Примечание: ИСО 8735:1997 принадлежит настоящему простому классу
ДНО: 2006-02-22 ДТВ: 2006-02-22
ДТП: 2006-02-22
P511AAA255-1 001
штифт с головкой и отверстием на конце под шплинт
Суперкласс: P511AAA355: штифты с отверстием на конце под шплинт
Определение: Штифт цилиндрической формы с цилиндрической головкой и плоской несущей опорной поверхностью
ХС: P511BAA217: длина фаски штифта
P511BAA225: высота головки штифта
P511BAA229: расстояние от отверстия под шплинт до конца штифта
P511BAA230: диаметр отверстия штифта под шплинт
P511BAA237: диаметр головки штифта
P511BAA396: высота фаски на головке штифта
P511BAA397: угол фаски на головке штифта
P511BAA403: длина штифта с головкой и отверстием на конце под шплинт
ПИО: ИСО 2341:1986, ИСО 8749:1986
УЧ: P511DAA255
ДНО: 2006-02-22 ДТВ: 2006-02-22
ДТП: 2006-02-22
P511AAA257-1 001
насеченный штифт с параллельными канавками по всей длине и направляющей
Суперкласс: P511AAA356: насеченные штифты
Определение: Штифт с параллельными канавками по всей длине стержня и направляющей на одном конце
ХС: P511BAA199: высота закругленного конца
P511BAA231: радиус венца
P511BAA232: длина направляющей
P511BAA234: увеличенный диаметр
P511BAA235: угол канавки
P511BAA353: удвоенная прочность на сдвиг
P511BAA398: угол канавки насеченного штифта
P511BAA405: длина насеченного штифта без головки
ПИО: ИСО 8739:1997, ИСО 8749:1986
УЧ: P511DAA257
ДНО: 2006-02-22 ДТВ: 2006-02-22
ДТП: 2006-02-22
P511AAA258-1 001
насеченный штифт с параллельными канавками по всей длине и фаской
Суперкласс: P511AAA356: насеченные штифты
Определение: Штифт с параллельными канавками по всей длине стержня и фаской на одном конце
ХС: P511BAA199: высота закругленного конца
P511BAA231: радиус венца
P511BAA234: увеличенный диаметр
P511BAA235: угол канавки
P511BAA241: высота венца
P511BAA242: высота выпуклости
P511BAA353: двойная прочность на сдвиг
P511BAA362: угол фаски на конце штифта
P511BAA398: угол канавки насеченного штифта
P511BAA405: длина насеченного штифта без головки
ПИО: ИСО 8740:1997, ИСО 8749:1986
УЧ: P511DAA258
ДНО: 2006-02-22 ДТВ: 2006-02-22
ДТП: 2006-02-22
P511AAA259-1 001
насеченный штифт с полусферической головкой
Суперкласс: P511AAA356: насеченные штифты
Определение: Штифт с канавкой на стержне и полусферической головкой
ХС: P511BAA217: длина фаски штифта
P511BAA225: высота головки штифта
P511BAA234: увеличенный диаметр
P511BAA235: угол канавки
P511BAA237: диаметр головки штифта
P511BAA362: угол фаски на конце штифта
P511BAA398: угол канавки насеченного штифта
P511BAA406: длина насеченного штифта с плоской опорной поверхностью головки
ПИО: ИСО 8746:1997, ИСО 8749:1986
УЧ: P511DAA259
ДНО: 2006-02-22 ДТВ: 2006-02-22
ДТП: 2006-02-22
P511AAA260-1 001
насеченный штифт с потайной головкой
Суперкласс: P511AAA356: насеченные штифты
Определение: Штифт с канавкой на стержне и потайной головкой
ХС: P511BAA217: длина фаски штифта
P511BAA234: увеличенный диаметр
P511BAA235: угол канавки
P511BAA237: диаметр головки штифта
P511BAA362: угол фаски на конце штифта
P511BAA398: угол канавки насеченного штифта
P511BAA399: угол потайной головки насеченного штифта
P511BAA407: длина насеченного штифта с потайной головкой
ПИО: ИСО 8747:1997, ИСО 8749:1986
УЧ: P511DAA260
ДНО: 2006-02-22 ДТВ: 2006-02-22
ДТП: 2006-02-22
P511AAA261-1 001
пружинный прямой штифт со шлицем
Суперкласс: P511AAA357: пружинные штифты
Определение: Пружинный штифт в форме полого цилиндра с осевым шлицем
ХС: P511BAA239: внутренний диаметр
УЧ: P511DAA261
Примечание: ИСО 8752:1997, ИСО 8749:1986, ИСО 13337:1997 принадлежат настоящему простому классу
ДНО: 2006-02-22 ДТВ: 2006-02-22
ДТП: 2006-02-22
P511AAA265-1 001
насеченный штифт с обратной конусной канавкой до половины длины стержня
Суперкласс: P511AAA356: насеченные штифты
Определение: Штифт с обратной конусной канавкой до половины длины стержня
ХС: P511BAA199: высота закругленного конца
P511BAA231: радиус венца
P511BAA234: увеличенный диаметр
P511BAA398: угол канавки насеченного штифта
P511BAA405: длина насеченного штифта без головки
ПИО: ИСО 8741:1997, ИСО 8749:1986
УЧ: P511DAA265
ДНО: 2006-02-22 ДТВ: 2006-02-22
ДТП: 2006-02-22
P511AAA267-1 001
винты с крестообразным шлицем (тип Z), поднятой потайной головкой, саморежущей резьбой и плоским концом
Суперкласс: P511AAA196: винты с саморежущей резьбой
Определение: Винты с саморежущей резьбой, поднятой потайной головкой, крестообразным шлицем (тип Z) и плоским концом
ХС: P511BAA046: расстояние от последнего полнопрофильного витка резьбы до несущей опорной поверхности головки
P511BAA047: радиус кривизны подголовка
P511BAA370: длина потайного болта/винта
ПИО: ИСО 7051:1983
УЧ: P511DAA267
ДНО: 2006-02-22 ДТВ: 2006-02-22
ДТП: 2006-02-22
P511AAA268-1 001
винты с крестообразным шлицем (тип Z), потайной головкой, саморежущей резьбой и плоским концом
Суперкласс: P511AAA196: винты с саморежущей резьбой
Определение: Винты с саморежущей резьбой, потайной головкой, крестообразным шлицем (тип Z) и плоским концом
ХС: P511BAA046: расстояние от последнего полнопрофильного витка резьбы до несущей опорной поверхности головки
P511BAA047: радиус кривизны подголовка
P511BAA370: длина потайного болта/винта
ПИО: ИСО 7050:1983
УЧ: P511DAA268
ДНО: 2006-02-22 ДТВ: 2006-02-22
ДТП: 2006-02-22
P511AAA269-1 001
винты с крестообразным шлицем (тип H), потайной головкой, саморежущей резьбой и плоским концом
Суперкласс: P511AAA196: винты с саморежущей резьбой
Определение: Винты с саморежущей резьбой, потайной головкой, крестообразным шлицем (тип H) и плоским концом
ХС: P511BAA046: расстояние от последнего полнопрофильного витка резьбы до несущей опорной поверхности головки
P511BAA047: радиус кривизны подголовка
P511BAA370: длина потайного болта/винта
ПИО: ИСО 7050:1983
УЧ: P511DAA269
ДНО: 2006-02-22 ДТВ: 2006-02-22
ДТП: 2006-02-22
P511AAA270-1 001
винты с крестообразным шлицем (тип H), головкой в виде цилиндра с закругленным торцом, саморежущей резьбой и плоским концом
Суперкласс: P511AAA196: винты с саморежущей резьбой
Определение: Винты с саморежущей резьбой, головкой в виде цилиндра с закругленным торцом, крестообразным шлицем (тип H) и плоским концом
ХС: P511BAA046: расстояние от последнего полнопрофильного витка резьбы до несущей опорной поверхности головки
P511BAA047: радиус кривизны подголовка
P511BAA357: переходный диаметр
P511BAA369: длина болта/винта с головкой с плоской опорной поверхностью
ПИО: ИСО 7049:1983
УЧ: P511DAA270
ДНО: 2006-02-22 ДТВ: 2006-02-22
ДТП: 2006-02-22
P511AAA271-1 001
винты с шестигранной головкой, фланцем, саморежущей резьбой и плоским концом
Суперкласс: P511AAA196: винты с саморежущей резьбой
Определение: Винты с саморежущей резьбой, шестигранной головкой, фланцем и плоским концом
ХС: P511BAA046: расстояние от последнего полнопрофильного витка резьбы до несущей опорной поверхности головки
P511BAA047: радиус кривизны подголовка
P511BAA369: длина болта/винта с головкой с плоской опорной поверхностью
ПИО: ИСО 10509:1992
УЧ: P511DAA271
ДНО: 2006-02-22 ДТВ: 2006-02-22
ДТП: 2006-02-22
P511AAA272-1 001
крестообразный шлиц (тип Z)
Суперкласс: P511AAA042: встроенные приводы
Определение: Встроенный привод, выполненный в виде крестообразного углубления, при этом поверхность приложения усилия инструмента перпендикулярна приводной силе (тип Z)
ХС: P511BAA101: глубина проникания
P511BAA102: номер шлица
ПИО: ИСО 4757:1983
УЧ: P511DAA272
Примечание: Крестообразный шлиц (тип Z) не допускает несоосности винта и приводного инструмента
ДНО: 2006-02-22 ДТВ: 2006-02-22
ДТП: 2006-02-22
P511AAA278-1 001
насеченный штифт с конусной канавкой по всей длине
Суперкласс: P511AAA356: насеченные штифты
Определение: Штифт с конусной канавкой по всей длине стержня
ХС: P511BAA199: высота закругленного конца
P511BAA234: увеличенный диаметр
P511BAA353: двойная прочность на сдвиг
P511BAA398: угол канавки насеченного штифта
P511BAA405: длина насеченного штифта без головки
ПИО: ИСО 8744:1997, ИСО 8749:1986
УЧ: P511DAA278
ДНО: 2006-02-22 ДТВ: 2006-02-22
ДТП: 2006-02-22
P511AAA279-1 001
винты с круглой головкой и крестообразным шлицем (тип Z)
Суперкласс: P511AAA005: болты/винты с метрической резьбой
Определение: Крепежные детали с наружной метрической резьбой, круглой головкой и крестообразным шлицем (тип Z)
ХС: P511BAA012: длина резьбы
P511BAA030: длина сбега резьбы
P511BAA046: расстояние от последнего полноразмерного витка резьбы до несущей опорной поверхности головки
P511BAA047: радиус кривизны подголовка
P511BAA357: переходный диаметр
P511BAA369: длина болта/винта с головкой с плоской опорной поверхностью
ПИО: ИСО 7048:1998
УЧ: P511DAA279
ДНО: 2006-02-22 ДТВ: 2006-02-22
ДТП: 2006-02-22
P511AAA280-1 001
винты с цилиндрической головкой с закругленным торцом и крестообразным шлицем (тип Z)
Суперкласс: P511AAA005: болты/винты с метрической резьбой
Определение: Крепежные детали с наружной метрической резьбой, цилиндрической головкой с закругленным торцом и крестообразным шлицем (тип Z)
ХС: P511BAA012: длина резьбы
P511BAA030: длина сбега резьбы
P511BAA046: расстояние от последнего полноразмерного витка резьбы до несущей опорной поверхности головки
P511BAA047: радиус кривизны подголовка
P511BAA357: переходный диаметр
P511BAA369: длина болта/винта с головкой с плоской опорной поверхностью
ПИО: ИСО 7045:1994
УЧ: P511DAA280
ДНО: 2006-02-22 ДТВ: 2006-02-22
ДТП: 2006-02-22
P511AAA281-1 001
винты с плоской потайной головкой и крестообразным шлицем (тип Z)
Суперкласс: P511AAA005: болты/винты с метрической резьбой
Определение: Крепежные детали с наружной метрической резьбой, потайной плоской головкой и крестообразным шлицем (тип Z)
ХС: P511BAA012: длина резьбы
P511BAA030: длина сбега резьбы
P511BAA046: расстояние от последнего полноразмерного витка резьбы до несущей опорной поверхности головки
P511BAA047: радиус кривизны подголовка
P511BAA370: длина потайного болта/винта
ПИО: ИСО 7046-1:1994
УЧ: P511DAA281
Примечание: ИСО 7046-2:1994 принадлежит настоящему простому классу
ДНО: 2006-02-22 ДТВ: 2006-02-22
ДТП: 2006-02-22
P511AAA282-1 001
винт с поднятой потайной головкой и крестообразным шлицем (тип Z)
Суперкласс: P511AAA005: болты/винты с метрической резьбой
Определение: Крепежные детали с наружной метрической резьбой, поднятой потайной головкой и крестообразным шлицем (тип Z)
ХС: P511BAA030: длина сбега резьбы
P511BAA046: расстояние от последнего полноразмерного витка резьбы до несущей опорной поверхности головки
P511BAA047: радиус кривизны подголовка
P511BAA370: длина потайного болта/винта
ПИО: ИСО 7047:1994
УЧ: P511DAA282
ДНО: 2006-02-22 ДТВ: 2006-02-22
ДТП: 2006-02-22
P511AAA283-1 001
винт с саморежущей резьбой, цилиндрической головкой с закругленным торцом, крестообразным шлицем (тип Z) и коническим концом
Суперкласс: P511AAA196: винты с саморежущей резьбой
Определение: Винт с саморежущей резьбой, цилиндрической головкой с закругленным торцом, крестообразным шлицем (тип Z) и коническим концом
ХС: P511BAA046: расстояние от последнего полноразмерного витка резьбы до несущей опорной поверхности головки
P511BAA047: радиус кривизны подголовка
P511BAA357: переходный диаметр
P511BAA369: длина болта/винта с головкой с плоской опорной поверхностью
ПИО: ИСО 7049:1983
УЧ: P511DAA283
ДНО: 2006-02-22 ДТВ: 2006-02-22
ДТП: 2006-02-22
P511AAA284-1 001
винты с крестообразным шлицем (тип Z), потайной головкой, саморежущей резьбой и коническим концом
Суперкласс: P511AAA196: винты с саморежущей резьбой
Определение: Винты с саморежущей резьбой, потайной головкой, крестообразным шлицем (тип Z) и коническим концом
ХС: P511BAA046: расстояние от последнего полнопрофильного витка резьбы до несущей опорной поверхности головки
P511BAA047: радиус кривизны подголовка
P511BAA370: длина потайного болта/винта
ПИО: ИСО 7050:1983
УЧ: P511DAA284
ДНО: 2006-02-22 ДТВ: 2006-02-22
ДТП: 2006-02-22
P511AAA285-1 001
винты с саморежущей резьбой, крестообразным шлицем (тип Z), поднятой потайной головкой и коническим концом
Суперкласс: P511AAA196: винты с саморежущей резьбой
Определение: Винты с саморежущей резьбой, поднятой потайной головкой, крестообразным шлицем (тип Z) и коническим концом
ХС: P511BAA046: расстояние от последнего полнопрофильного витка резьбы до несущей опорной поверхности головки
P511BAA047: радиус кривизны подголовка
P511BAA370: длина потайного болта/винта
ПИО: ИСО 7051:1983
УЧ: P511DAA285
ДНО: 2006-02-22 ДТВ: 2006-02-22
ДТП: 2006-02-22
P511AAA286-1 001
шурупы с саморежущей резьбой, крестообразным шлицем (тип Z) и цилиндрической головкой с закругленным торцом
Суперкласс: P511AAA210: шурупы
Определение: Шурупы с цилиндрической головкой с закругленным торцом, крестообразным шлицем (тип Z) и саморежущей резьбой
ХС: P511BAA069: минимальная длина захвата
P511BAA357: переходный диаметр
P511BAA369: длина болта/винта с головкой с плоской опорной поверхностью
ПИО: ИСО 15481:1999
УЧ: P511DAA286
ДНО: 2006-02-22 ДТВ: 2006-02-22
ДТП: 2006-02-22
P511AAA287-1 001
шурупы с крестообразным шлицем (тип Z) и потайной головкой
Суперкласс: P511AAA210: шурупы
Определение: Шурупы с потайной головкой, крестообразным шлицем (тип Z) и саморежущей резьбой
ХС: P511BAA069: минимальная длина захвата
P511BAA370: длина потайного болта/винта
ПИО: ИСО 15482:1999
УЧ: P511DAA287
ДНО: 2006-02-22 ДТВ: 2006-02-22
ДТП: 2006-02-22
P511AAA288-1 001
шурупы с крестообразным шлицем (тип Z) и поднятой потайной головкой
Суперкласс: P511AAA210: шурупы
Определение: Шурупы с поднятой потайной головкой, крестообразным шлицем (тип Z) и саморежущей резьбой
ХС: P511BAA069: минимальная длина захвата
P511BAA370: длина потайного болта/винта
ПИО: ИСО 15483:1999
УЧ: P511DAA288
ДНО: 2006-02-22 ДТВ: 2006-02-22
ДТП: 2006-02-22
P511AAA289-1 001
винты со шлицем, поднятой (купольной) потайной головкой, саморежущей резьбой и плоским концом
Суперкласс: P511AAA196: винты с саморежущей резьбой
Определение: Винты с саморежущей резьбой, шлицем, поднятой (купольной) потайной головкой и плоским концом
ХС: P511BAA046: расстояние от последнего полнопрофильного витка резьбы до несущей опорной поверхности головки
P511BAA047: радиус кривизны подголовка
P511BAA370: длина потайного болта/винта
ПИО: ИСО 1483:1983
УЧ: P511DAA289
ДНО: 2006-02-22 ДТВ: 2006-02-22
ДТП: 2006-02-22
P511AAA290-1 001
винты с саморежущей резьбой, потайной (плоской) головкой, шлицем и плоским концом
Суперкласс: P511AAA196: винты с саморежущей резьбой
Определение: Винты с саморежущей резьбой, шлицем, потайной головкой, шестидольным углублением под торцевой ключ и плоским концом
ХС: P511BAA046: расстояние от последнего полноразмерного витка резьбы до несущей опорной поверхности головки
P511BAA047: радиус кривизны подголовка
P511BAA370: длина потайного болта/винта
ПИО: ИСО 1482:1983
УЧ: P511DAA290
ДНО: 2006-02-22 ДТВ: 2006-02-22
ДТП: 2006-02-22
P511AAA291-1 001
винты с саморежущей резьбой, шестидольным углублением под торцевой ключ, поднятой потайной головкой и плоским концом
Суперкласс: P511AAA196: винты с саморежущей резьбой
Определение: Винты с саморежущей резьбой, поднятой потайной головкой, шестидольным углублением под торцевой ключ и плоским концом
ХС: P511BAA046: расстояние от последнего полнопрофильного витка резьбы до несущей опорной поверхности головки
P511BAA047: радиус кривизны подголовка
P511BAA370: длина потайного болта/винта
ПИО: ИСО 14587:2001
УЧ: P511DAA291
ДНО: 2006-02-22 ДТВ: 2006-02-22
ДТП: 2006-02-22
P511AAA292-1 001
винты с саморежущей резьбой, поднятой потайной головкой, шестидольным углублением под торцевой ключ и закругленным концом
Суперкласс: P511AAA196: винты с саморежущей резьбой
Определение: Винты с саморежущей резьбой, поднятой потайной головкой, шестидольным углублением под торцевой ключ и закругленным концом
ХС: P511BAA046: расстояние от последнего полноразмерного витка резьбы до несущей опорной поверхности головки
P511BAA047: радиус кривизны подголовка
P511BAA370: длина потайного болта/винта
ПИО: ИСО 14587:2001
УЧ: P511DAA292
ДНО: 2006-02-22 ДТВ: 2006-02-22
ДТП: 2006-02-22
P511AAA293-1 001
винты с саморежущей резьбой, шестигранной головкой и плоским концом
Суперкласс: P511AAA196: винты с саморежущей резьбой
Определение: Винты с саморежущей резьбой, шестигранной головкой и плоским концом
ХС: P511BAA046: расстояние от последнего полнопрофильного витка резьбы до несущей опорной поверхности головки
P511BAA047: радиус кривизны подголовка
P511BAA357: переходный диаметр
P511BAA369: длина болта/винта с головкой с плоской опорной поверхностью
ПИО: ИСО 1479:1983
УЧ: P511DAA293
ДНО: 2006-02-22 ДТВ: 2006-02-22
ДТП: 2006-02-22
P511AAA309-1 001
винты с выдавливающей резьбой
Суперкласс: P511AAA004: компоненты крепежных деталей с наружной резьбой
Определение: Крепежная деталь с наружной резьбой, выдавливающей внутреннюю метрическую резьбу в прикрепляемых металлических деталях
ХС: P511BAA103: название формы головки
P511BAA104: изображение формы головки
P511BAA105: название формы стержня
P511BAA106: изображение формы стержня
P511BAA107: название формы конца детали
P511BAA108: изображение конца детали
P511BAA109: название формы встроенного привода
P511BAA110: изображение формы встроенного привода
P511BAA243: свойства головки
P511BAA244: свойства стержня
P511BAA245: свойства конца детали
P511BAA246: свойства резьбы
P511BAA247: свойства встроенного привода
P511BAA303: тип головки
P511BAA305: тип стержня
P511BAA306: тип конца детали
P511BAA307: тип резьбы
P511BAA308: тип встроенного привода
P511BAA369: длина болта/винта с головкой с плоской опорной поверхностью
P511BAA370: длина потайного болта/винта
ПИО: ИСО 7085:1999
УЧ:
Примечание: ИСО 7085:1999 принадлежит настоящему классу
ДНО: 2006-02-22 ДТВ: 2006-02-22
ДТП: 2006-02-22
P511AAA310-1 001
винты с выдавливающей резьбой
Суперкласс: P511AAA037: резьбы
Определение: Резьба, предназначенная для выдавливания сопряженной метрической резьбы в металлических деталях
ХС: P511BAA349: наружный диаметр
P511BAA350: диаметр отверстия под резьбу
ПИО: ИСО 1891:1979, пункт 27.1
УЧ: P511DAA310
ДНО: 2006-02-22 ДТВ: 2006-02-22
ДТП: 2006-02-22
P511AAA311-1 001
накидная гайка
Суперкласс: P511AAA052: гайки
Определение: Шестигранная гайка, закрытая с одной стороны плоским колпачком
ХС: P511BAA031: высота под гаечный ключ
P511BAA032: размер под ключ
P511BAA033: ширина на угол
ПИО: ИСО 1891:1979, пункт 35.2
УЧ: P511DAA311
ДНО: 2006-02-22 ДТВ: 2006-02-22
ДТП: 2006-02-22
P511AAA312-1 001
глухая колпачковая гайка
Суперкласс: P511AAA052: гайки
Определение: Шестигранная гайка, полностью закрытая с одного конца
ХС: P511BAA031: высота под гаечный ключ
P511BAA032: размер под ключ
P511BAA033: ширина на угол
P511BAA416: длина резьбы гайки
ПИО: ИСО 1891:1979, пункт 35.1
УЧ: P511DAA312
ДНО: 2006-02-22 ДТВ: 2006-02-22
ДТП: 2006-02-22
P511AAA313-1 001
шестигранная гайка (стиль 1)
Суперкласс: P511AAA052: гайки
Определение: Гайка шестигранной формы, высота которой соответствует стилю 1
ХС: P511BAA032: размер под ключ
P511BAA033: ширина на угол
P511BAA041: диаметр опорного выступа под шайбу (несущей опорной поверхности)
P511BAA114: диаметр потайного углубления
ПИО: ИСО 4032:1999
УЧ: P511DAA313
ДНО: 2006-02-22 ДТВ: 2006-02-22
ДТП: 2006-02-22
P511AAA314-1 001
шестигранная гайка с цилиндрическим буртом
Суперкласс: P511AAA052: гайки
Определение: Шестигранная гайка с цилиндрическим буртом
ХС: P511BAA031: высота под гаечный ключ
P511BAA032: размер под ключ
P511BAA033: ширина на угол
P511BAA042: высота несущего элемента болта (винта, гайки)
P511BAA045: диаметр фланца (бурта)
P511BAA114: диаметр потайного углубления
ПИО: ИСО 1891:1979, пункт 28.3
УЧ: P511DAA314
ДНО: 2006-02-22 ДТВ: 2006-02-22
ДТП: 2006-02-22
P511AAA315-1 001
круглая гайка с радиальными отверстиями сбоку
Суперкласс: P511AAA052: гайки
Определение: Круглая гайка с отверстиями, расположенными по окружности в радиальном направлении
ХС:
ПИО: ИСО 1891:1979, пункт 36.5
УЧ: P511DAA315
ДНО: 2006-02-22 ДТВ: 2006-02-22
ДТП: 2006-02-22
P511AAA316-1 001
круглая гайка со шлицем на торце
Суперкласс: P511AAA052: гайки
Определение: Круглая гайка со шлицем на торцевой поверхности с противоположной стороны от несущей опорной поверхности
ХС:
ПИО: ИСО 1891:1979, пункт 36.3
УЧ: P511DAA316
ДНО: 2006-02-22 ДТВ: 2006-02-22
ДТП: 2006-02-22
P511AAA317-1 001
круглая гайка со шлицами сбоку
Суперкласс: P511AAA052: гайки
Определение: Круглая гайка со шлицами, расположенными сбоку по окружности
ХС:
ПИО: ИСО 1891:1979, пункт 36.4
УЧ: P511DAA317
ДНО: 2006-02-22 ДТВ: 2006-02-22
ДТП: 2006-02-22
P511AAA318-1 001
круглая гайка с накаткой
Суперкласс: P511AAA052: гайки
Определение: Круглая гайка с накаткой на боковой цилиндрической поверхности
ХС:
ПИО: ИСО 1891:1979, пункт 36.2
УЧ: P511DAA318
ДНО: 2006-02-22 ДТВ: 2006-02-22
ДТП: 2006-02-22
P511AAA319-1 001
квадратная гайка
Суперкласс: P511AAA052: гайки
Определение: Гайка квадратной формы
ХС: P511BAA033: ширина на угол
ПИО: ИСО 1891:1979, пункт 29.1
УЧ: P511DAA319
ДНО: 2006-02-22 ДТВ: 2006-02-22
ДТП: 2006-02-22
P511AAA320-1 001
квадратная гайка с цилиндрическим буртом
Суперкласс: P511AAA052: гайки
Определение: Квадратная гайка с цилиндрическим буртом
ХС: P511BAA032: размер под ключ
P511BAA041: диаметр опорного выступа для шайбы или несущей опорной поверхности
P511BAA042: высота несущего элемента болта (винта, гайки)
ПИО: ИСО 1891:1979, пункт 29.4
УЧ: P511DAA320
ДНО: 2006-02-22 ДТВ: 2006-02-22
ДТП: 2006-02-22
P511AAA321-1 001
треугольная гайка с цилиндрическим буртом
Суперкласс: P511AAA052: гайки
Определение: Треугольная гайка с цилиндрическим буртом
ХС: P511BAA041: диаметр опорного выступа для шайбы или несущей опорной поверхности
P511BAA042: высота несущего элемента болта (винта, гайки)
ПИО: ИСО 1891:1979, пункт 30.1
УЧ: P511DAA321
ДНО: 2006-02-22 ДТВ: 2006-02-22
ДТП: 2006-02-22
P511AAA322-1 001
пятигранная гайка
Суперкласс: P511AAA052: гайки
Определение: Гайка, имеющая пятигранную форму
ХС:
ПИО: ИСО 1891:1979, пункт 31.2
УЧ: P511DAA322
ДНО: 2006-02-22 ДТВ: 2006-02-22
ДТП: 2006-02-22
P511AAA323-1 001
восьмигранная гайка
Суперкласс: P511AAA052: гайки
Определение: Гайка восьмигранной формы
ХС:
ПИО: ИСО 1891:1979, пункт 31.1
УЧ: P511DAA323
ДНО: 2006-02-22 ДТВ: 2006-02-22
ДТП: 2006-02-22
P511AAA324-1 001
гайка-барашек
Суперкласс: P511AAA052: гайки
Определение: Гайка с двумя лапками
ХС:
ПИО: ИСО 1891:1979, пункт 37.1
УЧ: P511DAA324
ДНО: 2006-02-22 ДТВ: 2006-02-22
ДТП: 2006-02-22
P511AAA325-1 001
навитый пружинный прямой штифт
Суперкласс: P511AAA357: пружинные штифты
Определение: Пружинный штифт, навитый из стального листа, с количеством витков более одного
ХС:
ПИО: ИСО 8748:1997, ИСО 8750:1983, ИСО 8751:1983, ИСО 8749:1986, ИСО 8749:1986
УЧ: P511DAA325
Примечание: ИСО 8750:1997, ИСО 8751:1997
ДНО: 2006-02-22 ДТВ: 2006-02-22
ДТП: 2006-02-22
P511AAA326-1 001
шестигранная гайка (стиль 2)
Суперкласс: P511AAA052: гайки
Определение: Гайка шестигранной формы, высота которой соответствует стилю 2
ХС: P511BAA031: высота под гаечный ключ
P511BAA032: размер под ключ
P511BAA033: ширина на угол
P511BAA041: диаметр опорного выступа для шайбы или несущей опорной поверхности
P511BAA114: диаметр потайного углубления
ПИО: ИСО 4033:1999
УЧ: P511DAA326
ДНО: 2006-02-22 ДТВ: 2006-02-22
ДТП: 2006-02-22
P511AAA327-1 001
шестигранная тонкая гайка с фаской
Суперкласс: P511AAA052: гайки
Определение: Шестигранная гайка малой высоты с фасками на обеих сторонах
ХС: P511BAA031: высота под гаечный ключ
P511BAA032: размер под ключ
P511BAA033: ширина на угол
P511BAA041: диаметр опорного выступа для шайбы или несущей опорной поверхности
P511BAA114: диаметр потайного углубления
P511BAA380: угол потайного углубления
P511BAA381: угол фаски гайки
ПИО: ИСО 4035:1999
УЧ: P511DAA327
ДНО: 2006-02-22 ДТВ: 2006-02-22
ДТП: 2006-02-22
P511AAA328-1 001
шестигранная гайка с неметаллической вставкой, рассчитанная на преобладающее значение крутящего момента (стиль 1)
Суперкласс: P511AAA052: гайки
Определение: Шестигранная гайка с элементом, рассчитанным на преобладающее значение крутящего момента и вставленным в неметаллическое кольцо; высота элемента соответствует стилю 1
ХС: P511BAA015: материал вставки
P511BAA031: высота под гаечный ключ
P511BAA032: размер под ключ
P511BAA033: ширина на угол
P511BAA041: диаметр опорного выступа для шайбы или несущей опорной поверхности
P511BAA114: диаметр потайного углубления
P511BAA380: угол потайного углубления
P511BAA381: угол фаски гайки
P511BAA416: длина резьбы гайки
ПИО: ИСО 7040:1997
УЧ: P511DAA328
Примечание: ИСО 10512:1997 принадлежит настоящему классу
ДНО: 2006-02-22 ДТВ: 2006-02-22
ДТП: 2006-02-22
P511AAA329-1 001
шестигранная гайка с неметаллической вставкой, рассчитанная на преобладающее значение крутящего момента (стиль 2)
Суперкласс: P511AAA052: гайки
Определение: Шестигранная гайка с элементом, рассчитанным на преобладающее значение крутящего момента и вставленным в неметаллическое кольцо; высота элемента соответствует стилю 2
ХС: P511BAA015: материал вставки
P511BAA031: высота под гаечный ключ
P511BAA032: размер под ключ
P511BAA033: ширина на угол
P511BAA041: диаметр опорного выступа для шайбы или несущей опорной поверхности
P511BAA114: диаметр потайного углубления
P511BAA380: угол потайного углубления
P511BAA381: угол фаски гайки
P511BAA416: длина резьбы гайки
ПИО: ИСО 7041:1997
УЧ: P511DAA329
Примечание: ИСО 12216:1997 принадлежит к настоящему классу
ДНО: 2006-02-22 ДТВ: 2006-02-22
ДТП: 2006-02-22
P511AAA330-1 001
цельнометаллическая шестигранная гайка, рассчитанная на преобладающее значение крутящего момента (стиль 1)
Суперкласс: P511AAA052: гайки
Определение: Цельнометаллическая шестигранная гайка с деформированным резьбовым элементом, рассчитанная на преобладающее значение крутящего момента (стиль 1)
ХС: P511BAA031: высота под гаечный ключ
P511BAA032: размер под ключ
P511BAA033: ширина на угол
P511BAA041: диаметр опорного выступа для шайбы или несущей опорной поверхности
P511BAA114: диаметр потайного углубления
P511BAA380: угол потайного углубления
P511BAA381: угол фаски гайки
ПИО: ИСО 7042:1997
УЧ: P511DAA330
ДНО: 2006-02-22 ДТВ: 2006-02-22
ДТП: 2006-02-22
P511AAA331-1 001
цельнометаллическая шестигранная гайка, рассчитанная на преобладающее значение крутящего момента (стиль 2)
Суперкласс: P511AAA052: гайки
Определение: Цельнометаллическая шестигранная гайка с деформированным резьбовым элементом, рассчитанная на преобладающее значение крутящего момента (стиль 2)
ХС: P511BAA031: высота под гаечный ключ
P511BAA032: размер под ключ
P511BAA033: ширина на угол
P511BAA041: диаметр опорного выступа для шайбы или несущей опорной поверхности
P511BAA114: диаметр потайного углубления
P511BAA380: угол потайного углубления
P511BAA381: угол фаски гайки
ПИО: ИСО 7720:1997
УЧ: P511DAA331
ДНО: 2006-02-22 ДТВ: 2006-02-22
ДТП: 2006-02-22
P511AAA332-1 001
шестигранная гайка с фланцем и неметаллической вставкой, рассчитанная на преобладающее значение крутящего момента
Суперкласс: P511AAA052: гайки
Определение: Шестигранная гайка с фланцем и элементом в форме неметаллической кольцевой вставки, рассчитанная на преобладающее значение крутящего момента
ХС: P511BAA015: материал вставки
P511BAA031: высота под гаечный ключ
P511BAA032: размер под ключ
P511BAA033: ширина на угол
P511BAA041: диаметр опорного выступа для шайбы или несущей опорной поверхности
P511BAA042: высота несущего элемента болта (винта, гайки)
P511BAA044: угол фланца
P511BAA045: диаметр фланца (бурта)
P511BAA114: диаметр потайного углубления
P511BAA380: угол потайного углубления
P511BAA416: длина резьбы гайки
ПИО: ИСО 12125:1997
УЧ: P511DAA332
ДНО: 2006-02-22 ДТВ: 2006-02-22
ДТП: 2006-02-22
P511AAA333-1 001
цельнометаллическая шестигранная гайка с фланцем, рассчитанная на преобладающее значение крутящего момента
Суперкласс: P511AAA052: гайки
Определение: Цельнометаллическая шестигранная гайка с фланцем и деформированным резьбовым элементом, рассчитанная на преобладающее значение крутящего момента
ХС: P511BAA031: высота под гаечный ключ
P511BAA032: размер под ключ
P511BAA033: ширина на угол
P511BAA041: диаметр опорного выступа для шайбы или несущей опорной поверхности
P511BAA042: высота несущего элемента болта (винта, гайки)
P511BAA044: угол фланца
P511BAA045: диаметр фланца (бурта)
P511BAA114: диаметр потайного углубления
P511BAA416: длина резьбы гайки
ПИО: ИСО 12126:1997
УЧ: P511DAA333
ДНО: 2006-02-22 ДТВ: 2006-02-22
ДТП: 2006-02-22
P511AAA334-1 001
штифт без головки с отверстием на конце под шплинт
Суперкласс: P511AAA355: штифт с отверстием на конце под шплинт
Определение: Штифт цилиндрической формы с полем допуска h
ХС: P511BAA217: длина фаски штифта
P511BAA229: расстояние от отверстия под шплинт до конца штифта
P511BAA230: диаметр отверстия под шплинт
P511BAA404: длина штифта без головки
ПИО: ИСО 2340:1997, ИСО 8749:1986
УЧ: P511DAA334
ДНО: 2006-02-22 ДТВ: 2006-02-22
ДТП: 2006-02-22
P511AAA335-1 001
насеченный штифт с центральной канавкой на половине длины
Суперкласс: P511AAA356: насеченные штифты
Определение: Штифт с центральной канавкой до половины длины стержня
ХС: P511BAA199: высота скругленного конца
P511BAA231: радиус венца
P511BAA234: увеличенный диаметр
P511BAA353: двойная прочность на сдвиг
P511BAA398: угол канавки насеченного штифта
P511BAA405: длина насеченного штифта без головки
ПИО: ИСО 8743:1997, ИСО 8749:1986
УЧ: P511DAA335
ДНО: 2006-02-22 ДТВ: 2006-02-22
ДТП: 2006-02-22
P511AAA336-1 001
насеченный штифт с центральной канавкой до трети длины
Суперкласс: P511AAA356: насеченные штифты
Определение: Штифт с центральной канавкой на трети длины стержня
ХС: P511BAA199: высота скругленного конца
P511BAA231: радиус венца
P511BAA234: увеличенный диаметр
P511BAA353: двойная прочность на сдвиг
P511BAA398: угол канавки насеченного штифта
P511BAA405: длина насеченного штифта без головки
ПИО: ИСО 8742:1997, ИСО 8749:1986
УЧ: P511DAA336
ДНО: 2006-02-22 ДТВ: 2006-02-22
ДТП: 2006-02-22
P511AAA337-1 001
насеченный штифт с конусной канавкой до половины длины
Суперкласс: P511AAA356: насеченные штифты
Определение: Штифт с конусной канавкой до половины длины стержня
ХС: P511BAA199: высота закругленного конца
P511BAA234: увеличенный диаметр
P511BAA353: двойная прочность на сдвиг
P511BAA398: угол канавки насеченного штифта
P511BAA405: длина насеченного штифта без головки
ПИО: ИСО 8745:1997, ИСО 8749:1986
УЧ: P511DAA337
ДНО: 2006-02-22 ДТВ: 2006-02-22
ДТП: 2006-02-22
P511AAA338-1 001
шестигранная тонкая гайка без фаски
Суперкласс: P511AAA052: гайки
Определение: Шестигранная гайка малой высоты без фаски на несущей опорной поверхности
ХС: P511BAA032: размер под ключ
P511BAA033: ширина на угол
ПИО: ИСО 4036:1999
УЧ: P511DAA338
ДНО: 2006-02-22 ДТВ: 2006-02-22
ДТП: 2006-02-22
P511AAA339-1 001
болты с шестигранной головкой и мелкой метрической резьбой
Суперкласс: P511AAA005: болты/винты с метрической резьбой
Определение: Крепежные детали с наружной мелкой метрической резьбой, шестигранной головкой и цилиндрическим хвостовиком
ХС: P511BAA047: радиус кривизны подголовка
P511BAA069: минимальная длина захвата
P511BAA087: переходная длина
P511BAA357: переходный диаметр
P511BAA369: длина болта/винта с головкой с плоской опорной поверхностью
ПИО: ИСО 8765:1999
УЧ: P511DAA339
ДНО: 2006-02-22 ДТВ: 2006-02-22
ДТП: 2006-02-22
P511AAA340-1 001
винт с шестигранной головкой и мелкой метрической резьбой
Суперкласс: P511AAA005: болты/винты с метрической резьбой
Определение: Крепежные детали с наружной мелкой метрической резьбой, доходящей до шестигранной головки
ХС: P511BAA047: радиус кривизны подголовка
P511BAA357: переходный диаметр
P511BAA369: длина болта/винта с головкой с плоской опорной поверхностью
ПИО: ИСО 8676:1999
УЧ: P511DAA340
Примечание: ИСО 4018:1999 принадлежит настоящему простому классу
ДНО: 2006-02-22 ДТВ: 2006-02-22
ДТП: 2006-02-22
P511AAA342-1 001
винт с метрической мелкой резьбой, шестигранной головкой и углублением под торцевой ключ
Суперкласс: P511AAA005: болты/винты с метрической резьбой
Определение: Крепежные детали с наружной мелкой метрической резьбой, цилиндрической головкой и шестигранным углублением под торцевой ключ
ХС: P511BAA012: длина резьбы
P511BAA047: радиус кривизны подголовка
P511BAA357: переходный диаметр
P511BAA369: длина болта/винта с головкой с плоской опорной поверхностью
ПИО: ИСО 21269:2004
УЧ:
ДНО: 2006-02-22 ДТВ: 2006-02-22
ДТП: 2006-02-22
P511AAA344-1 001
резьба метрическая внутренняя
Суперкласс: P511AAA037: резьбы
Определение: Общая внутренняя резьба, заданная в метрических единицах
ХС: P511BAA358: средний диаметр внутренней резьбы
P511BAA359: внутренний диаметр внутренней резьбы
P511BAA360: основной диаметр внутренней резьбы
ПИО: ИСО 68-1:1998
УЧ: P511DAA344
ДНО: 2006-02-22 ДТВ: 2006-02-22
ДТП: 2006-02-22
P511AAA345-1 001
заклепка
Суперкласс: P511AAA002: крепежные детали
Определение: Цилиндрическая металлическая крепежная деталь с заранее изготовленной головкой на одном конце; головка на другом конце образуется во время установки детали для создания неразъемного соединения
ХС: P511BAA005: изготовитель
P511BAA006: код, соответствующий международному указателю
P511BAA007: дата изготовления
P511BAA008: обозначение
P511BAA011: европейский товарный код/код единой системы кодирования США
P511BAA179: высота головки заклепки
P511BAA180: диаметр головки заклепки
P511BAA253: срезающая сила
P511BAA319: идентификационный код предприятия-изготовителя
P511BAA330: название стержня заклепки
P511BAA331: изображение стержня заклепки
УЧ:
ДНО: 2006-02-22 ДТВ: 2006-02-22
ДТП: 2006-02-22
P511AAA346-1 001
заклепка с нормальным стержнем
Суперкласс: P511AAA345: заклепки
Определение: Заклепка с нормальным стержнем
ХС:
УЧ:
ДНО: 2006-02-22 ДТВ: 2006-02-22
ДТП: 2006-02-22
P511AAA347-1 001
трубчатая заклепка
Суперкласс: P511AAA345: заклепки
Определение: Заклепка с полым стержнем, имеющим вид трубки
ХС: P511BAA328: название головки заклепки
P511BAA329: изображение головки заклепки
УЧ:
ДНО: 2006-02-22 ДТВ: 2006-02-22
ДТП: 2006-02-22
P511AAA348-1 001
полутрубчатая заклепка
Суперкласс: P511AAA345: заклепки
Определение: Заклепка с нормальным стержнем, который является полым только на конце в месте образования головки при установке
ХС: P511BAA328: название головки заклепки
P511BAA329: изображение головки заклепки
УЧ:
ДНО: 2006-02-22 ДТВ: 2006-02-22
ДТП: 2006-02-22
P511AAA349-1 001
направляющий конец детали
Суперкласс: P511AAA028: концы деталей
Определение: Цилиндрический выступ на конце болта/винта для удобного накручивания гайки
ХС: P511BAA079: длина конца детали
P511BAA082: неполная длина резьбы
P511BAA364: диаметр направляющего конца детали
ПИО: ИСО 4753:1999
УЧ: P511DAA349
ДНО: 2006-02-22 ДТВ: 2006-02-22
ДТП: 2006-02-22
P511AAA350-1 001
усеченный направляющий конец детали
Суперкласс: P511AAA028: концы деталей
Определение: Усеченный конический направляющий конец детали
ХС: P511BAA079: длина конца детали
P511BAA082: неполная длина резьбы
P511BAA363: длина усеченного конуса направляющего конца детали
P511BAA364: диаметр направляющего конца детали
ПИО: ИСО 4753:1999
УЧ: P511DAA350
ДНО: 2006-02-22 ДТВ: 2006-02-22
ДТП: 2006-02-22
P511AAA351-1 001
головка с накаткой
Суперкласс: P511AAA008: головки
Определение: Цилиндрическая головка с накаткой на боковой цилиндрической поверхности
ХС:
ПИО: ИСО 1891:1979, пункт 6.17
УЧ: P511DAA351
ДНО: 2006-02-22 ДТВ: 2006-02-22
ДТП: 2006-02-22
P511AAA352-1 001
головка с лапками
Суперкласс: P511AAA008: головки
Определение: Головка с двумя лапками
ХС:
ПИО: ИСО 1891:1979, пункт 6.14
УЧ: P511DAA352
ДНО: 2006-02-22 ДТВ: 2006-02-22
ДТП: 2006-02-22
P511AAA353-1 001
полукруглая головка
Суперкласс: P511AAA008: головки
Определение: Головка в виде части сферы
ХС: P511BAA034: высота головки
P511BAA051: диаметр головки
ПИО: ИСО 8677:1986
УЧ: P511DAA353
ДНО: 2006-02-22 ДТВ: 2006-02-22
ДТП: 2006-02-22
P511AAA354-1 001
винты без головки, со шлицем под отвертку и стержнем
Суперкласс: P511AAA004: компоненты крепежных деталей с наружной резьбой
Определение: Крепежные детали с наружной резьбой без головки, со стержнем и встроенным приводом
ХС: P511BAA012: длина резьбы
P511BAA105: название формы стержня
P511BAA106: изображение формы стержня
P511BAA107: название формы конца детали
P511BAA108: изображение конца детали
P511BAA109: название формы встроенного привода
P511BAA110: изображение формы встроенного привода
P511BAA244: свойства стержня
P511BAA245: свойства конца детали
P511BAA246: свойства резьбы
P511BAA247: свойства встроенного привода
P511BAA306: тип конца детали
P511BAA307: тип резьбы
P511BAA308: тип встроенного привода
P511BAA326: сорт продукции
СП: P511BAA306: тип конца детали
P511BAA307: тип резьбы
P511BAA308: тип встроенного привода
УЧ:
ДНО: 2006-02-22 ДТВ: 2006-02-22
ДТП: 2006-02-22
P511AAA355-1 001
штифт с отверстием на конце под шплинт
Суперкласс: P511AAA098: штифты
Определение: Штифт цилиндрической формы с цилиндрической головкой (или без нее) с плоской несущей опорной поверхностью
ХС: P511BAA362: угол фаски на конце штифта
УЧ:
ДНО: 2006-02-22 ДТВ: 2006-02-22
ДТП: 2006-02-22
P511AAA356-1 001
насеченный штифт
Суперкласс: P511AAA098: штифты
Определение: Цилиндрический штифт с канавкой на стержне, с головкой или без нее
ХС:
УЧ:
ДНО: 2006-02-22 ДТВ: 2006-02-22
ДТП: 2006-02-22
P511AAA357-1 001
пружинный штифт
Суперкласс: P511AAA098: штифты
Определение: Штифт, упругодеформируемый в радиальном направлении
ХС: P511BAA215: диаметр фаски
P511BAA216: толщина материала
P511BAA217: длина фаски штифта
P511BAA352: мощность сдвига
P511BAA353: двойная прочность на сдвиг
УЧ:
ДНО: 2006-02-22 ДТВ: 2006-02-22
ДТП: 2006-02-22
P511AAA358-1 001
конусный штифт
Суперкласс: P511AAA098: штифты
Определение: Штифт конусной формы
ХС: P511BAA200: конусность
P511BAA246: свойства резьбы
P511BAA307: тип резьбы
P511BAA410: длина конусного штифта
СП: P511BAA307: тип резьбы
ПИО: ИСО 2339:1986
УЧ:
ДНО: 2006-02-22 ДТВ: 2006-02-22
ДТП: 2006-02-22
P511AAA359-1 001
плоская шайба с двойной фаской
Суперкласс: P511AAA026: плоские шайбы
Определение: Плоская шайба с наружной и внутренней фасками на одной торцевой поверхности
ХС: P511BAA333: наружный диаметр
P511BAA334: диаметр отверстия
ПИО: ИСО 7416:1984
УЧ: P511DAA359
ДНО: 2006-02-22 ДТВ: 2006-02-22
ДТП: 2006-02-22
(обязательное)
ОПРЕДЕЛЕНИЯ ТЭД ДЛЯ СВОЙСТВ КРЕПЕЖНЫХ ДЕТАЛЕЙ
В настоящем приложении приведены определения ТЭД свойств, установленных в МЭК 61360-4, а также в настоящем стандарте.
D.1. Определения ТЭД свойств, установленных в МЭК 61360-4
AAE012-005 02
международный стандарт
Определение: Ссылка на соответствующий международный стандарт
КО: AAA000: Справочно-информационный фонд МЭК
ПБС:
Единица измерения:
ФЗ: M..30
ТД: string_type
КТС: A61
Примечание:
ПИО: МЭК 61360-4:1997
ДНО: 1997-04-01 ДТВ: 1997-04-01
ДТП: 1997-04-01
AAE687-005 01
идентификация качества
Определение: Сокращенное название организации, проводившей проверку качества крепежных деталей
КО: AAA000: Справочно-информационный фонд МЭК
ПБС:
Единица измерения:
ФЗ: M..30
ТД: string_type
КТС: A61
Примечание:
ПИО: МЭК 61360-4:1997
ДНО: 1997-04-01 ДТВ: 1997-04-01
ДТП: 1997-04-01
AAE752-005 01
масса
Определение: Номинальная масса компонента
КО: AAA000: Справочно-информационный фонд МЭК
ПБС:
Единица измерения: кг
ФЗ: NR2..3.3
ТД: real_measure_type
КТС: K01
Примечание:
ПИО: МЭК 61360-4:1997
ДНО: 1997-04-01 ДТВ: 1997-04-01
ДТП: 1997-04-01
AAF043-005 03
национальный стандарт
Определение: Ссылка на соответствующий национальный стандарт
КО: AAA000: Справочно-информационный фонд МЭК
ПБС:
Единица измерения:
ФЗ: M..30
ТД: string_type
КТС: A61
Примечание:
ПИО: МЭК 61360-4:1997
ДНО: 1997-04-01 ДТВ: 1997-04-01
ДТП: 1997-04-01
D.2. Определения ТЭД свойств, установленных в настоящем стандарте
P511BAA005-1 001
изготовитель
Определение: Предприятие, принимающее на себя юридическую ответственность изготовителя изделий
КО: P511AAA001: механические компоненты общего пользования
Единица измерения:
ФЗ: M..30
ТД: string_type
КТС: A11
ДНО: 2006-02-22 ДТВ: 2006-02-22
ДТП: 2006-02-22
P511BAA006-1 001
код по международному указателю
Определение: Система кодирования, принятая в международном указателе кодов, соответствует ИСО 6523. Этот код идентифицирует предприятие, принимающее на себя юридическую ответственность изготовителя изделия
КО: P511AAA001: механические компоненты общего пользования
Единица измерения:
ФЗ: M..128
ТД: STRING_TYPE
КТС: A52
Примечание: Аббревиатура "ICD" переводится как "Указатель международного кода". Этот элемент данных используют для однозначной идентификации предприятий. Для обеспечения соответствия ИСО 6523 необходимо использовать свойства P511BAA006 и P511BAA319. Выполнение этих свойств необходимо как для предприятий, идентифицируемых в соответствии с ИСО 6523, так и для прочих предприятий с нестандартной идентификацией
ДНО: 2006-02-22 ДТВ: 2006-02-22
ДТП: 2006-02-22
P511BAA007-1 001
дата изготовления
Определение: Дата изготовления компонента
КО: P511AAA001: механические компоненты общего пользования
Единица измерения:
ФЗ: M..30
ТД: STRING_TYPE
КТС: A31
ПИО: ИСО 10303-203:1994
ДНО: 2006-02-22 ДТВ: 2006-02-22
ДТП: 2006-02-22
P511BAA008-1 001
обозначение
Определение: Идентификационный код изделия и всех его необходимых свойств
КО: P511AAA002: крепежные детали
Единица измерения:
ФЗ: M..128
ТД: STRING_TYPE
КТС: A51
ПИО: ИСО 8991:1986
ДНО: 2006-02-22 ДТВ: 2006-02-22
ДТП: 2006-02-22
P511BAA011-1 001
европейский товарный код/код единой системы кодирования США
Определение: Идентификационный номер, соответствующий системам кодирования EAN International (европейский товарный код) и Uniform Code Council (Единая система кодирования США), которые включают в себя штрихкоды и электронные коммерческие стандарты. С 2005 г. эти системы имеют обозначения GS1 и GS1 US соответственно
КО: P511AAA001: механические компоненты общего пользования
Единица измерения:
ФЗ: M..14
ТД: STRING_TYPE
КТС: A51
ДНО: 2006-02-22 ДТВ: 2006-02-22
ДТП: 2006-02-22
P511BAA012-1 001
длина резьбы
Определение: Длина наружной резьбы крепежной детали
КО: P511AAA002: крепежные детали
ПБС: b
Единица измерения: мм
ФЗ: NR2..3.3
ТД: LEVEL_TYPE
КТС: T03
ПИО: ИСО 225:1983
ДНО: 2006-02-22 ДТВ: 2006-02-22
ДТП: 2006-02-22
P511BAA013-1 001
материал стержня
Определение: Материал, из которого изготовлен стержень
КО: P511AAA083: односторонние заклепки
Единица измерения:
ФЗ: M..30
ТД: STRING_TYPE
КТС: A51
ПИО: ИСО 15973:2000
ДНО: 2006-02-22 ДТВ: 2006-02-22
ДТП: 2006-02-22
P511BAA014-1 001
материал сердечника
Определение: Материал, из которого изготовлен сердечник односторонней заклепки
КО: P511AAA083: односторонние заклепки
Единица измерения:
ФЗ: M..30
ТД: STRING_TYPE
КТС: A51
ПИО: ИСО 15973:2000
ДНО: 2006-02-22 ДТВ: 2006-02-22
ДТП: 2006-02-22
P511BAA015-1 001
материал вставки
Определение: Материал неметаллического кольца, рассчитанного на преобладающее значение крутящего момента, использованный для изготовления гайки, также рассчитанной на преобладающее значение крутящего момента
КО: P511AAA052: гайки
Единица измерения:
ФЗ: M..30
ТД: STRING_TYPE
КТС: A51
ПИО: ИСО 7044:1997
ДНО: 2006-02-22 ДТВ: 2006-02-22
ДТП: 2006-02-22
P511BAA020-1 001
минимальный диаметр радиального поднутрения
Определение: Минимальный диаметр радиального поднутрения крепежной детали с наружной резьбой
КО: P511AAA171: винты с шестигранной головкой, буртом и углублением под торцевой ключ
ПБС: dg/dg1
Единица измерения: мм
ФЗ: NR2..3.3
ТД: REAL_MEASURE_TYPE
КТС: T03
ПИО: ИСО 4755:1983, ИСО 7379:1983
ДНО: 2006-02-22 ДТВ: 2006-02-22
ДТП: 2006-02-22
P511BAA022-1 001
ширина радиального поднутрения
Определение: Ширина радиального поднутрения в осевом направлении на крепежных деталях с наружной резьбой
КО: P511AAA171: винты с шестигранной головкой, буртом и углублением под торцевой ключ
ПБС: g1
Единица измерения: мм
ФЗ: NR2..3.3
ТД: REAL_MEASURE_TYPE
КТС: T03
ПИО: ИСО 4755:1983, ИСО 7379:1983
ДНО: 2006-02-22 ДТВ: 2006-02-22
ДТП: 2006-02-22
P511BAA024-1 001
шаг резьбы
Определение: Расстояние между двумя соседними витками резьбы любого вида
КО: P511AAA037: резьбы
ПБС: P
Единица измерения: мм
ФЗ: NR2..3.3
ТД: REAL_MEASURE_TYPE
КТС: T03
ПИО: ИСО 4759:1978
ДНО: 2006-02-22 ДТВ: 2006-02-22
ДТП: 2006-02-22
P511BAA025-1 001
длина резьбы на металлическом конце шпильки
Определение: Длина резьбы на металлическом конце шпильки
КО: P511AAA049: шпильки
ПБС: bm
Единица измерения: мм
ФЗ: NR2..3.3
ТД: REAL_MEASURE_TYPE
КТС: T03
ПИО: ИСО 225:1983
ДНО: 2006-02-22 ДТВ: 2006-02-22
ДТП: 2006-02-22
P511BAA028-1 001
полная длина
Определение: Расстояние между концами шпильки
КО: P511AAA049: шпильки
ПБС: lf
Единица измерения: мм
ФЗ: NR2..3.3
ТД: REAL_MEASURE_TYPE
КТС: T03
ПИО: ИСО 225:1983
ДНО: 2006-02-22 ДТВ: 2006-02-22
ДТП: 2006-02-22
P511BAA030-1 001
длина сбега резьбы
Определение: Расстояние от начала резьбы до первого витка с полноразмерной резьбой
КО: P511AAA004: компоненты крепежных деталей с наружной резьбой
ПБС: x
Единица измерения: мм
ФЗ: NR2..3.3
ТД: REAL_MEASURE_TYPE
КТС: T03
ПИО: ИСО 3508:1976
ДНО: 2006-02-22 ДТВ: 2006-02-22
ДТП: 2006-02-22
P511BAA031-1 001
высота под гаечный ключ
Определение: Высота участка шестигранного болта (винта, гайки), входящего в контакт с гаечным ключом и соответствующего допусковым требованиям
КО: P511AAA002: крепежные детали
ПБС: kw/mw
Единица измерения: мм
ФЗ: NR2..3.3
ТД: REAL_MEASURE_TYPE
КТС: T03
Примечание: Для болтов и винтов следует использовать буквенное обозначение kw, для гаек - mw
ПИО: ИСО 4759-1:2000
ДНО: 2006-02-22 ДТВ: 2006-02-22
ДТП: 2006-02-22
P511BAA032-1 001
размер под ключ
Определение: Расстояние между двумя противоположными плоскостями приводного элемента квадратной, шестигранной или восьмигранной формы
КО: P511AAA002: крепежные детали
ПБС: s
Единица измерения: мм
ФЗ: NR2..3.3
ТД: REAL_MEASURE_TYPE
КТС: T03
ПИО: ИСО 225:1983
ДНО: 2006-02-22 ДТВ: 2006-02-22
ДТП: 2006-02-22
P511BAA033-1 001
ширина на угол
Определение: Расстояние между двумя противоположными углами приводного элемента квадратной, шестигранной или восьмигранной формы
КО: P511AAA002: крепежные детали
ПБС: e
Единица измерения: мм
ФЗ: NR2..3.3
ТД: REAL_MEASURE_TYPE
КТС: T03
ПИО: ИСО 225:1983
ДНО: 2006-02-22 ДТВ: 2006-02-22
ДТП: 2006-02-22
P511BAA034-1 001
высота головки
Определение: Расстояние от несущей опорной поверхности до вершины головки
КО: P511AAA008: головки
ПБС: k
Единица измерения: мм
ФЗ: NR2..3.3
ТД: REAL_MEASURE_TYPE
КТС: T03
ПИО: ИСО 225:1983
ДНО: 2006-02-22 ДТВ: 2006-02-22
ДТП: 2006-02-22
P511BAA037-1 001
ширина радиального поднутрения в стержне
Определение: Ширина радиального поднутрения в осевом направлении в стержне крепежной детали с наружной резьбой, а также в других местах
КО: P511AAA171: винты с шестигранной головкой, с буртом и углублением под торцевой ключ
ПБС: g2
Единица измерения: мм
ФЗ: NR2..3.3
ТД: REAL_MEASURE_TYPE
КТС: T03
Примечание: Данное свойство не может быть использовано, если стержень имеет различные радиальные поднутрения. В противном случае особые свойства определены для классов соответствующих компонентов.
ПИО: ИСО 7379:1983
ДНО: 2006-02-22 ДТВ: 2006-02-22
ДТП: 2006-02-22
P511BAA038-1 001
радиус поднутрения подголовка
Определение: Радиус кривизны поднутрения сопряжения "головка-стержень"
КО: P511AAA024: стержни
ПБС: r1
Единица измерения: мм
ФЗ: NR2..3.3
ТД: REAL_MEASURE_TYPE
КТС: T03
ПИО: ИСО 7379:1983
ДНО: 2006-02-22 ДТВ: 2006-02-22
ДТП: 2006-02-22
P511BAA041-1 001
диаметр опорного выступа для шайбы или несущей опорной поверхности
Определение: Наружный диаметр несущего элемента болта (винта, гайки)
КО: P511AAA002: крепежные детали
ПБС: dw
Единица измерения: мм
ФЗ: NR2..3.3
ТД: REAL_MEASURE_TYPE
КТС: T03
Примечание: Несущим элементом может быть: фланец, бурт, опорный выступ под шайбу, поверхность круглой головки
ПИО: ИСО 225:1983
ДНО: 2006-02-22 ДТВ: 2006-02-22
ДТП: 2006-02-22
P511BAA042-1 001
высота несущего элемента болта (винта, гайки)
Определение: Высота опорного участка выступа под шайбу, толщина бурта или фланца
КО: P511AAA002: крепежные детали
ПБС: c
Единица измерения: мм
ФЗ: NR2..3.3
ТД: REAL_MEASURE_TYPE
КТС: T03
Примечание: Несущим элементом может быть: фланец, бурт или опорный выступ под шайбу
ПИО: ИСО 225:1983
ДНО: 2006-02-22 ДТВ: 2006-02-22
ДТП: 2006-02-22
P511BAA044-1 001
угол фланца
Определение: Угол между несущей опорной поверхностью и поверхностью фланца шестигранного болта (гайки)
КО: P511AAA002: крепежные детали
ПБС: Delta
Единица измерения: градус
ФЗ: NR2..3.3
ТД: REAL_MEASURE_TYPE
КТС: T03
ПИО: ИСО 225:1983
ДНО: 2006-02-22 ДТВ: 2006-02-22
ДТП: 2006-02-22
P511BAA045-1 001
диаметр фланца (бурта)
Определение: Диаметр фланца (бурта), являющегося частью головки крепежной детали с наружной резьбой или гайки
КО: P511AAA002: крепежные детали
ПБС: КО
Единица измерения: мм
ФЗ: NR2..3.3
ТД: REAL_MEASURE_TYPE
КТС: T03
ПИО: ИСО 225:1983
ДНО: 2006-02-22 ДТВ: 2006-02-22
ДТП: 2006-02-22
P511BAA046-1 001
расстояние от последнего полноразмерного витка резьбы до несущей опорной поверхности головки
Определение: Расстояние от последнего полноразмерного витка резьбы до несущей опорной поверхности головки болта (винта) с наружной резьбой, нарезанной до головки
КО: P511AAA004: компоненты крепежных деталей с наружной резьбой
ПБС: a
Единица измерения: мм
ФЗ: NR2..3.3
ТД: REAL_MEASURE_TYPE
КТС: T03
ПИО: ИСО 225:1983
ДНО: 2006-02-22 ДТВ: 2006-02-22
ДТП: 2006-02-22
P511BAA047-1 001
радиус кривизны подголовка
Определение: Радиус кривизны сопряжения "стержень-головка"
КО: P511AAA004: компоненты крепежных деталей с наружной резьбой
ПБС: r/r1
Единица измерения: мм
ФЗ: NR2..3.3
ТД: REAL_MEASURE_TYPE
КТС: T03
ПИО: ИСО 885:2000, ИСО 10509:1992
ДНО: 2006-02-22 ДТВ: 2006-02-22
ДТП: 2006-02-22
P511BAA048-1 001
минимальный диаметр радиального поднутрения в стержне
Определение: Минимальный диаметр канавки между резьбой и стержнем крепежной детали с наружной резьбой
КО: P511AAA171: винты с шестигранной головкой, буртом и углублением под торцевой ключ
ПБС: dg2
Единица измерения: мм
ФЗ: NR2..3.3
ТД: LEVEL_TYPE
КТС: T03
Примечание: Данное свойство не может быть использовано, если стержень имеет различные радиальные поднутрения. В противном случае особые свойства определены для соответствующих классов компонентов
ПИО: ИСО 7379:1983
ДНО: 2006-02-22 ДТВ: 2006-02-22
ДТП: 2006-02-22
P511BAA050-1 001
диаметр корончатой гайки
Определение: Наружный диаметр корончатой гайки
КО: P511AAA229: шестигранные корончатые гайки
ПБС: de
Единица измерения: мм
ФЗ: NR2..3.3
ТД: REAL_MEASURE_TYPE
КТС: T03
ПИО: ИСО 225:1983
ДНО: 2006-02-22 ДТВ: 2006-02-22
ДТП: 2006-02-22
P511BAA051-1 001
диаметр головки
Определение: Диаметр головки крепежной детали с наружной резьбой
КО: P511AAA008: головки
ПБС: dk
Единица измерения: мм
ФЗ: NR2..3.3
ТД: LEVEL_TYPE
КТС: T03
ПИО: ИСО 225:1983
ДНО: 2006-02-22 ДТВ: 2006-02-22
ДТП: 2006-02-22
P511BAA052-1 001
ширина шлица
Определение: Ширина шлица винтов со шлицевой головкой, установочных винтов со шлицами, шлицевых и корончатых гаек
КО: P511AAA002: крепежные детали
ПБС: n
Единица измерения: мм
ФЗ: NR2..3.3
ТД:LEVEL_TYPE
КТС: T03
ПИО: ИСО 225:1983
ДНО: 2006-02-22 ДТВ: 2006-02-22
ДТП: 2006-02-22
P511BAA053-1 001
глубина шлица
Определение: Расстояние от дна шлица до несущей опорной поверхности шлицевой (корончатой) гайки
КО: P511AAA052: гайки
ПБС: w
Единица измерения: мм
ФЗ: NR2..3.3
ТД: REAL_MEASURE_TYPE
КТС: T03
ПИО: ИСО 225:1983
ДНО: 2006-02-22 ДТВ: 2006-02-22
ДТП: 2006-02-22
P511BAA054-1 001
длина стержня
Определение: Длина нерезьбовой части стержня, включая участки с элементами, препятствующими проворачиванию
КО: P511AAA024: стержни
ПБС: ls
Единица измерения: мм
ФЗ: NR2..3.3
ТД: REAL_MEASURE_TYPE
КТС: T03
ПИО: ИСО 225:1983
ДНО: 2006-02-22 ДТВ: 2006-02-22
ДТП: 2006-02-22
P511BAA057-1 001
номинальный размер A
Определение: Внешний диаметр шестидольного углубления под торцевой ключ
КО: P511AAA222: шестидольное углубление под торцевой ключ
ПБС: A
Единица измерения: мм
ФЗ: NR2..3.3
ТД: REAL_MEASURE_TYPE
КТС: T03
ПИО: ИСО 10664:2005
ДНО: 2006-02-22 ДТВ: 2006-02-22
ДТП: 2006-02-22
P511BAA060-1 001
радиус поднятой (купольной) части головки
Определение: Радиус поднятой (купольной) части головки
КО: P511AAA008: головки
ПБС: rf
Единица измерения: мм
ФЗ: NR2..3.3
ТД: REAL_MEASURE_TYPE
КТС: T03
ПИО: ИСО 225:1983
ДНО: 2006-02-22 ДТВ: 2006-02-22
ДТП: 2006-02-22
P511BAA067-1 001
диаметр стержня
Определение: Диаметр стержня крепежной детали с наружной резьбой
КО: P511AAA024: стержни
ПБС: ds
Единица измерения: мм
ФЗ: NR2..3.3
ТД: REAL_MEASURE_TYPE
КТС: T03
ПИО: ИСО 4014:1999
ДНО: 2006-02-22 ДТВ: 2006-02-22
ДТП: 2006-02-22
P511BAA069-1 001
минимальная длина захвата
Определение: Расстояние от нижней поверхности головки до последнего полноразмерного витка наружной резьбы стержня крепежной детали
КО: P511AAA004: компоненты крепежных деталей с наружной резьбой
ПБС: lg
Единица измерения: мм
ФЗ: NR2..3.3
ТД: REAL_MEASURE_TYPE
КТС: T03
ПИО: ИСО 225:1983
ДНО: 2006-02-22 ДТВ: 2006-02-22
ДТП: 2006-02-22
P511BAA071-1 001
ширина квадратного подголовка
Определение: Ширина квадратного подголовка стержня болта
КО: P511AAA025: стержни с квадратным подголовком
ПБС: v
Единица измерения: мм
ФЗ: NR2..3.3
ТД: LEVEL_TYPE
КТС: T03
ПИО: ИСО 8677:1986
ДНО: 2006-02-22 ДТВ: 2006-02-22
ДТП: 2006-02-22
P511BAA072-1 001
длина квадратного подголовка
Определение: Длина квадратного подголовка стержня болта
КО: P511AAA025: стержни с квадратным подголовком
ПБС: f
Единица измерения: мм
ФЗ: NR2..3.3
ТД: LEVEL_TYPE
КТС: T03
ПИО: ИСО 8677:1986
ДНО: 2006-02-22 ДТВ: 2006-02-22
ДТП: 2006-02-22
P511BAA075-1 001
номинальный размер B
Определение: Внутренний диаметр шестидольного углубления под торцевой ключ
КО: P511AAA222: шестидольное углубление под торцевой ключ
ПБС: B
Единица измерения: мм
ФЗ: NR2..3.3
ТД: REAL_MEASURE_TYPE
КТС: T03
ПИО: ИСО 10664:2005
ДНО: 2006-02-22 ДТВ: 2006-02-22
ДТП: 2006-02-22
P511BAA077-1 001
диаметр усеченного конического конца установочного винта
Определение: Наименьший диаметр усеченного конического конца установочного винта
КО: P511AAA028: концы деталей
ПБС: dt
Единица измерения: мм
ФЗ: NR2..3.3
ТД: REAL_MEASURE_TYPE
КТС: T03
ПИО: ИСО 4753:1999
ДНО: 2006-02-22 ДТВ: 2006-02-22
ДТП: 2006-02-22
P511BAA078-1 001
диаметр центрового углубления на конце винта
Определение: Диаметр кромки конца винта с центровым углублением
КО: P511AAA028: концы деталей
ПБС: dz
Единица измерения: мм
ФЗ: NR2..3.3
ТД: REAL_MEASURE_TYPE
КТС: T03
ПИО: ИСО 4753:1999
ДНО: 2006-02-22 ДТВ: 2006-02-22
ДТП: 2006-02-22
P511BAA079-1 001
длина конца детали
Определение: Расстояние между концами резьбы и крепежной детали
КО: P511AAA028: концы деталей
ПБС: z1/z2
Единица измерения: мм
ФЗ: NR2..3.3
ТД: REAL_MEASURE_TYPE
КТС: T03
Примечание: Предпочтительный буквенный символ включает в себя z3, z4
ПИО: ИСО 4753:1999
ДНО: 2006-02-22 ДТВ: 2006-02-22
ДТП: 2006-02-22
P511BAA080-1 001
диаметр конического с притуплением конца винта с саморежущей резьбой
Определение: Наименьший диаметр конического с притуплением конца винта с саморежущей резьбой
КО: P511AAA028: концы деталей
ПБС: dn
Единица измерения: мм
ФЗ: NR2..3.3
ТД: REAL_MEASURE_TYPE
КТС: T03
ПИО: ИСО 4753:1999
ДНО: 2006-02-22 ДТВ: 2006-02-22
ДТП: 2006-02-22
P511BAA081-1 001
длина конического с притуплением конца винта с саморежущей резьбой
Определение: Длина конического с притуплением конца винта с саморежущей резьбой
КО: P511AAA036: конические с притуплением концы саморежущих винтов
ПБС: lk
Единица измерения: мм
ФЗ: NR2..3.3
ТД: REAL_MEASURE_TYPE
КТС: T03
ПИО: ИСО 4753:1999
ДНО: 2006-02-22 ДТВ: 2006-02-22
ДТП: 2006-02-22
P511BAA082-1 001
неполная длина резьбы
Определение: Длина неполной резьбы конца крепежной детали с наружной метрической резьбой
КО: P511AAA028: концы деталей
ПБС: u
Единица измерения: мм
ФЗ: NR2..3.3
ТД: REAL_MEASURE_TYPE
КТС: T03
ПИО: ИСО 4753:1999
ДНО: 2006-02-22 ДТВ: 2006-02-22
ДТП: 2006-02-22
P511BAA083-1 001
длина конического с притуплением конца винта с саморежущей резьбой
Определение: Расстояние от начала режущей кромки до конца крепежной детали
ПБС: ln
КО: P511AAA036: конические с притуплением концы саморежущих винтов
ПБС: ln
Единица измерения: мм
ФЗ: NR2..3.3
ТД: REAL_MEASURE_TYPE
КТС: T03
ПИО: ИСО 4753:1999
ДНО: 2006-02-22 ДТВ: 2006-02-22
ДТП: 2006-02-22
P511BAA084-1 001
радиус закругленного конца детали
Определение: Радиус закругленного конца
КО: P511AAA028: концы деталей
ПБС: re
Единица измерения: мм
ФЗ: NR2..3.3
ТД: REAL_MEASURE_TYPE
КТС: T03
ПИО: ИСО 4753:1999
ДНО: 2006-02-22 ДТВ: 2006-02-22
ДТП: 2006-02-22
P511BAA085-1 001
диаметр цилиндрического (плоского) конца детали
Определение: Диаметр цилиндрического (плоского) конца детали
КО: P511AAA028: концы деталей
ПБС: dp
Единица измерения: мм
ФЗ: NR2..3.3
ТД: REAL_MEASURE_TYPE
КТС: T03
ПИО: ИСО 4753:1999
ДНО: 2006-02-22 ДТВ: 2006-02-22
ДТП: 2006-02-22
P511BAA087-1 001
переходная длина
Определение: Длина конусного перехода от головки к стержню
КО: P511AAA004: компоненты крепежных деталей с наружной резьбой
ПБС: lf
Единица измерения: мм
ФЗ: NR2..3.3
ТД: REAL_MEASURE_TYPE
КТС: T03
ПИО: ИСО 225:1983, ИСО 4014:1999
ДНО: 2006-02-22 ДТВ: 2006-02-22
ДТП: 2006-02-22
P511BAA090-1 001
диаметр плоского конца детали
Определение: Диаметр плоского конца винта с саморежущей резьбой
КО: P511AAA132: плоские концы (тип F) винтов с саморежущей резьбой
ПБС: d3
Единица измерения: мм
ФЗ: NR2..3.3
ТД: LEVEL_TYPE
КТС: T03
ПИО: ИСО 1478:1999
ДНО: 2006-02-22 ДТВ: 2006-02-22
ДТП: 2006-02-22
P511BAA092-1 001
номер шестидольного углубления под торцевой ключ
Определение: Номер, определяющий размер шестидольного углубления под торцевой ключ
КО: P511AAA222: шестидольные углубления под торцевой ключ
Единица измерения:
ФЗ: M..30
ТД: STRING_TYPE
КТС: A51
ПИО: ИСО 10664:2005
ДНО: 2006-02-22 ДТВ: 2006-02-22
ДТП: 2006-02-22
P511BAA093-1 001
диаметр сверлящего конца шурупа
Определение: Диаметр сверлящего конца шурупа
КО: P511AAA012: сверлящие концы шурупов
ПБС: dp
Единица измерения: мм
ФЗ: NR2..3.3
ТД: REAL_MEASURE_TYPE
КТС: T03
ПИО: ИСО 15480:1999
ДНО: 2006-02-22 ДТВ: 2006-02-22
ДТП: 2006-02-22
P511BAA096-1 001
длина конца винта с саморежущей резьбой
Определение: Расстояние от последнего полнопрофильного витка резьбы до конца винта с саморежущей резьбой
КО: P511AAA028: концы деталей
ПБС: y
Единица измерения: мм
ФЗ: NR2..3.3
ТД: REAL_MEASURE_TYPE
КТС: T03
ПИО: ИСО 1478:1999
ДНО: 2006-02-22 ДТВ: 2006-02-22
ДТП: 2006-02-22
P511BAA098-1 001
ширина на угол для шестигранного углубления под торцевой ключ
Определение: Расстояние между двумя противоположными углами шестигранного углубления под торцевой ключ
КО: P511AAA042: встроенные приводы
ПБС: e
Единица измерения: мм
ФЗ: NR2..3.3
ТД: REAL_MEASURE_TYPE
КТС: T03
ПИО: ИСО 4762:2004
ДНО: 2006-02-22 ДТВ: 2006-02-22
ДТП: 2006-02-22
P511BAA101-1 001
глубина проникания
Определение: Глубина проникания встроенного привода
КО: P511AAA042: встроенные приводы
ПБС: t
Единица измерения: мм
ФЗ: NR2..3.3
ТД:LEVEL_TYPE
КТС: T03
ПИО: ИСО 7434:1983, ИСО 225:1983
ДНО: 2006-02-22 ДТВ: 2006-02-22
ДТП: 2006-02-22
P511BAA102-1 001
номер шлица
Определение: Номер, определяющий размер крестообразного шлица
КО: P511AAA042: встроенные приводы
Единица измерения:
ФЗ: NR2..3.3
ТД: REAL_TYPE
КТС: T03
ПИО: ИСО 7048:1998
ДНО: 2006-02-22 ДТВ: 2006-02-22
ДТП: 2006-02-22
P511BAA103-1 001
название формы головки
Определение: Название головки крепежной детали с наружной резьбой
КО: P511AAA004: компоненты крепежных деталей с наружной резьбой
Единица измерения:
ФЗ: M..128
ТД: STRING_TYPE
КТС: A51
Примечание: Настоящее свойство предназначено для нестандартных головок
ДНО: 2006-02-22 ДТВ: 2006-02-22
ДТП: 2006-02-22
P511BAA104-1 001
изображение формы головки
Определение: Изображение головки крепежной детали с наружной резьбой
КО: P511AAA004: компоненты крепежных деталей с наружной резьбой
Единица измерения:
ФЗ: ISO13584_25_IEC61360_5_LIBRARY_IMPLICIT_SCHEMA.PROPERTY_VALUE_EXTERNAL_ITEM
ТД: ENTITY_INSTANCE_TYPE
КТС: A58
Примечание: Данное свойство определено для нестандартных головок
ДНО: 2006-02-22 ДТВ: 2006-02-22
ДТП: 2006-02-22
P511BAA105-1 001
название формы стержня
Определение: Название стержня крепежной детали с наружной резьбой
КО: P511AAA004: компоненты крепежных деталей с наружной резьбой
Единица измерения:
ФЗ: M..128
ТД: STRING_TYPE
КТС: A51
Примечание: Данное свойство определено для нестандартых стержней
ДНО: 2006-02-22 ДТВ: 2006-02-22
ДТП: 2006-02-22
P511BAA106-1 001
изображение формы стержня
Определение: Изображение стержня крепежной детали с наружной резьбой
КО: P511AAA004: компоненты крепежных деталей с наружной резьбой
Единица измерения:
ФЗ: ISO13584_25_IEC61360_5_LIBRARY_IMPLICIT_SCHEMA.PROPERTY_VALUE_EXTERNAL_ITEM
ТД: ENTITY_INSTANCE_TYPE
КТС: A58
Примечание: Данное свойство определено для нестандартных стержней
ДНО: 2006-02-22 ДТВ: 2006-02-22
ДТП: 2006-02-22
P511BAA107-1 001
название конца детали
Определение: Название конца крепежной детали с наружной резьбой
КО: P511AAA004: компоненты крепежных деталей с наружной резьбой
Единица измерения:
ФЗ: M..128
ТД: STRING_TYPE
КТС: A51
Примечание: Данное свойство определено для нестандартных концов деталей
ДНО: 2006-02-22 ДТВ: 2006-02-22
ДТП: 2006-02-22
P511BAA108-1 001
Изображение конца детали
Определение: Изображение конца крепежной детали с наружной резьбой
КО: P511AAA004: компоненты крепежных деталей с наружной резьбой
Единица измерения:
ФЗ: ISO13584_25_IEC61360_5_LIBRARY_IMPLICIT_SCHEMA.PROPERTY_VALUE_EXTERNAL_ITEM
ТД: ENTITY_INSTANCE_TYPE
КТС: A58
Примечание: Данное свойство определено для нестандартных концов деталей
ДНО: 2006-02-22 ДТВ: 2006-02-22
ДТП: 2006-02-22
P511BAA109-1 001
название формы встроенного привода
Определение: Название признака встроенного привода крепежной детали с наружной резьбой
КО: P511AAA004: компоненты крепежных деталей с наружной резьбой
Единица измерения:
ФЗ: M..128
ТД: STRING_TYPE
КТС: A51
Примечание: Данное свойство определено для нестандартных приводных признаков
ДНО: 2006-02-22 ДТВ: 2006-02-22
ДТП: 2006-02-22
P511BAA110-1 001
изображение формы встроенного привода
Определение: Изображение признака встроенного привода крепежной детали с наружной резьбой
КО: P511AAA004: компоненты крепежных деталей с наружной резьбой
Единица измерения:
ФЗ: ISO13584_25_IEC61360_5_LIBRARY_IMPLICIT_SCHEMA.PROPERTY_VALUE_EXTERNAL_ITEM
ТД: ENTITY_INSTANCE_TYPE
КТС: A58
Примечание: Данное свойство определено для нестандартных приводных признаков
ДНО: 2006-02-22 ДТВ: 2006-02-22
ДТП: 2006-02-22
P511BAA114-1 001
диаметр потайного углубления
Определение: Диаметр потайного углубления на конце резьбы гайки
КО: P511AAA052: гайки
ПБС: da
Единица измерения: мм
ФЗ: NR2..3.3
ТД: LEVEL_TYPE
КТС: T03
ПИО: ИСО 225:1983
ДНО: 2006-02-22 ДТВ: 2006-02-22
ДТП: 2006-02-22
P511BAA117-1 001
высота гайки
Определение: Высота гайки
КО: P511AAA052: гайки
ПБС: m/h
Единица измерения: мм
ФЗ: NR2..3.3
ТД: REAL_MEASURE_TYPE
КТС: T03
Примечание: Для гаек, рассчитанных на преобладающее значение крутящего момента, следует использовать символ h
ПИО: ИСО 225:1983
ДНО: 2006-02-22 ДТВ: 2006-02-22
ДТП: 2006-02-22
P511BAA179-1 001
высота головки заклепки
Определение: Высота головки заклепки
КО: P511AAA345: заклепки
ПБС: k
Единица измерения: мм
ФЗ: NR2..3.3
ТД: REAL_MEASURE_TYPE
КТС: T03
ПИО: ИСО 14588:2000
ДНО: 2006-02-22 ДТВ: 2006-02-22
ДТП: 2006-02-22
P511BAA180-1 001
диаметр головки заклепки
Определение: Диаметр головки заклепки
КО: P511AAA345: заклепки
ПБС: dk
Единица измерения: мм
ФЗ: NR2..3.3
ТД: REAL_MEASURE_TYPE
КТС: T03
ПИО: ИСО 14588:2000
ДНО: 2006-02-22 ДТВ: 2006-02-22
ДТП: 2006-02-22
P511BAA189-1 001
вылет сердечника
Определение: Максимальное расстояние от края стержня сердечника до головки односторонней заклепки (до ее установки), измеренное параллельно оси односторонней заклепки
КО: P511AAA083: односторонние заклепки
ПБС: p
Единица измерения: мм
ФЗ: NR2..3.3
ТД: REAL_MEASURE_TYPE
КТС: T03
ПИО: ИСО 14588:2000
ДНО: 2006-02-22 ДТВ: 2006-02-22
ДТП: 2006-02-22
P511BAA190-1 001
диаметр сердечника
Определение: Диаметр сердечника односторонней заклепки
КО: P511AAA083: односторонние заклепки
ПБС: dm
Единица измерения: мм
ФЗ: NR2..3.3
ТД: REAL_MEASURE_TYPE
КТС: T03
ПИО: ИСО 14588:2000
ДНО: 2006-02-22 ДТВ: 2006-02-22
ДТП: 2006-02-22
P511BAA191-1 001
односторонняя длина
Определение: Расстояние, измеренное параллельно оси односторонней заклепки, либо от ее подголовка (для заклепки с выступающей головкой), либо от ее верхней торцевой поверхности (для заклепки с потайной головкой) до края сердечника
КО: P511AAA083: односторонние заклепки
ПБС: b
Единица измерения: мм
ФЗ: NR2..3.3
ТД: REAL_MEASURE_TYPE
КТС: T03
Примечание: Для односторонних заклепок с закрытым концом односторонняя длина равна длине заклепки (см. ИСО 14588)
ПИО: ИСО 14588:2000
ДНО: 2006-02-22 ДТВ: 2006-02-22
ДТП: 2006-02-22
P511BAA193-1 001
расстояние между кромками разреза
Определение: Расстояние между кромками разреза
КО: P511AAA248: разрезные штифты
ПБС: a
Единица измерения: мм
ФЗ: NR2..3.3
ТД: LEVEL_TYPE
КТС: T03
ПИО: ИСО 1234:1997
ДНО: 2006-02-22 ДТВ: 2006-02-22
ДТП: 2006-02-22
P511BAA195-1 001
высота проушины разрезного штифта
Определение: Высота головки разрезного штифта, выполненного в виде проушины
КО: P511AAA248: разрезные штифты
ПБС: b
Единица измерения: мм
ФЗ: NR2..3.3
ТД: REAL_MEASURE_TYPE
КТС: T03
ПИО: ИСО 1234:1997
ДНО: 2006-02-22 ДТВ: 2006-02-22
ДТП: 2006-02-22
P511BAA196-1 001
диаметр проушины разрезного штифта
Определение: Диаметр головки разрезного штифта, выполненного в виде проушины
КО: P511AAA248: разрезные штифты
ПБС: c
Единица измерения: мм
ФЗ: NR2..3.3
ТД: LEVEL_TYPE
КТС: T03
ПИО: ИСО 1234:1997
ДНО: 2006-02-22 ДТВ: 2006-02-22
ДТП: 2006-02-22
P511BAA198-1 001
радиус большого закругленного конца конусного штифта
Определение: Радиус закругленного конца (большего края) конусного штифта
КО: P511AAA249: простые конусные штифты
ПБС: r2
Единица измерения: мм
ФЗ: NR2..3.3
ТД: REAL_MEASURE_TYPE
КТС: T03
ПИО: ИСО 2339:1986
ДНО: 2006-02-22 ДТВ: 2006-02-22
ДТП: 2006-02-22
P511BAA199-1 001
высота закругленного конца
Определение: Высота закругленного конца конусного штифта или насеченного штифта
КО: P511AAA098: штифты
ПБС: a
Единица измерения: мм
ФЗ: NR2..3.3
ТД: REAL_MEASURE_TYPE
КТС: T03
ПИО: ИСО 2339:1986
ДНО: 2006-02-22 ДТВ: 2006-02-22
ДТП: 2006-02-22
P511BAA200-1 001
конусность
Определение: Уменьшенный диаметр конической части детали на единицу длины
КО: P511AAA358: конусный штифт
Единица измерения:
ФЗ: NR2..3.3
ТД: REAL_TYPE
КТС: T03
ПИО: ИСО 2339:1986
ДНО: 2006-02-22 ДТВ: 2006-02-22
ДТП: 2006-02-22
P511BAA202-1 001
ширина фаски на конце детали с внутренней резьбой
Определение: Ширина фаски на резьбовом конце цилиндрического штифта с внутренней резьбой
КО: P511AAA253: цилиндрические штифты с внутренней резьбой
ПБС: d
Единица измерения: мм
ФЗ: NR2..3.3
ТД: REAL_MEASURE_TYPE
КТС: T03
ПИО: ИСО 8733:1997
ДНО: 2006-02-22 ДТВ: 2006-02-22
ДТП: 2006-02-22
P511BAA204-1 001
диаметр потайного углубления штифта
Определение: Диаметр потайного углубления штифта с внутренней резьбой
КО: P511AAA098: штифты
ПБС: d3
Единица измерения: мм
ФЗ: NR2..3.3
ТД: REAL_MEASURE_TYPE
КТС: T03
ПИО: ИСО 8736:1986
ДНО: 2006-02-22 ДТВ: 2006-02-22
ДТП: 2006-02-22
P511BAA205-1 001
длина внутренней резьбы штифта
Определение: Длина внутренней резьбы конусного или цилиндрического штифта
КО: P511AAA098: штифты
ПБС: t1
Единица измерения: мм
ФЗ: NR2..3.3
ТД: REAL_MEASURE_TYPE
КТС: T03
ПИО: ИСО 8736:1986
ДНО: 2006-02-22 ДТВ: 2006-02-22
ДТП: 2006-02-22
P511BAA206-1 001
глубина отверстия
Определение: Глубина отверстия штифта с внутренней резьбой
КО: P511AAA098: штифты
ПБС: t2
Единица измерения: мм
ФЗ: NR2..3.3
ТД: REAL_MEASURE_TYPE
КТС: T03
ПИО: ИСО 8736:1986, ИСО 8735:1997
ДНО: 2006-02-22 ДТВ: 2006-02-22
ДТП: 2006-02-22
P511BAA207-1 001
глубина цилиндрического потайного углубления
Определение: Глубина цилиндрической части потайного углубления штифта с внутренней резьбой
КО: P511AAA098: штифты
ПБС: t3
Единица измерения: мм
ФЗ: NR2..3.3
ТД: REAL_MEASURE_TYPE
КТС: T03
ПИО: ИСО 8736:1986
ДНО: 2006-02-22 ДТВ: 2006-02-22
ДТП: 2006-02-22
P511BAA208-1 001
длина сбега резьбы на конус
Определение: Длина сбега резьбы на конус
КО: P511AAA251: конусный штифт с наружной резьбой
ПБС: a
Единица измерения: мм
ФЗ: NR2..3.3
ТД: REAL_MEASURE_TYPE
КТС: T03
ПИО: ИСО 8737:1986
ДНО: 2006-02-22 ДТВ: 2006-02-22
ДТП: 2006-02-22
P511BAA209-1 001
длина участка с резьбой
Определение: Длина участка с наружной резьбой (включая направляющий конец) конусного штифта
КО: P511AAA251: конусные штифты с наружной резьбой
ПБС: b
Единица измерения: мм
ФЗ: NR2..3.3
ТД: LEVEL_TYPE
КТС: T03
ПИО: ИСО 8737:1986
ДНО: 2006-02-22 ДТВ: 2006-02-22
ДТП: 2006-02-22
P511BAA210-1 001
длина направляющего конца
Определение: Длина направляющего (экструдированного) конца конусного штифта с наружной резьбой
КО: P511AAA251: конусные штифты с наружной резьбой
ПБС: z
Единица измерения: мм
ФЗ: NR2..3.3
ТД: LEVEL_TYPE
КТС: T03
ПИО: ИСО 8737:1986
ДНО: 2006-02-22 ДТВ: 2006-02-22
ДТП: 2006-02-22
P511BAA211-1 001
диаметр направляющего конца
Определение: Диаметр направляющего (экструдированного) конца конусного штифта с наружной резьбой
КО: P511AAA251: конусные штифты с наружной резьбой
ПБС: d3
Единица измерения: мм
ФЗ: NR2..3.3
ТД: LEVEL_TYPE
КТС: T03
ПИО: ИСО 8737:1986
ДНО: 2006-02-22 ДТВ: 2006-02-22
ДТП: 2006-02-22
P511BAA215-1 001
диаметр фаски
Определение: Диаметр фаски прямого штифта пружинного типа
КО: P511AAA357: пружинные штифты
ПБС: d3/d2
Единица измерения: мм
ФЗ: NR2..3.3
ТД: REAL_MEASURE_TYPE
КТС: 03
Примечание: Данное свойство определено для ИСО 8752:1997, ИСО 8748:1997
ДНО: 2006-02-22 ДТВ: 2006-02-22
ДТП: 2006-02-22
P511BAA216-1 001
толщина материала
Определение: Толщина стенки штифта пружинного типа (шлицевого, навитого)
КО: P511AAA098: штифты
ПБС: s
Единица измерения: мм
ФЗ: NR2..3.3
ТД: REAL_MEASURE_TYPE
КТС: T03
Примечание: Данное свойство определено для ИСО 8752:1997
ДНО: 2006-02-22 ДТВ: 2006-02-22
ДТП: 2006-02-22
P511BAA217-1 001
длина фаски штифта
Определение: Длина фаски на конце штифта
КО: P511AAA098: штифты
Единица измерения: мм
ФЗ: NR2..3.3
ТД: REAL_MEASURE_TYPE
КТС: T03
Примечание: Для цилиндрических штифтов и штифтов с отверстием на конце под шплинт следует использовать буквенный символ c, для цилиндрических штифтов с внутренней резьбой - символы c1/c2/c/a, для пружинных штифтов предпочтителен символ a.
Примечание: Данное свойство определено для ИСО 2338:1997, ИСО 8733:1997, ИСО 8752:1997
ДНО: 2006-02-22 ДТВ: 2006-02-22
ДТП: 2006-02-22
P511BAA225-1 001
высота головки штифта
Определение: Высота головки штифта с отверстием на конце под шплинт или насеченного штифта
КО: P511AAA098: штифты
ПБС: k
Единица измерения: мм
ФЗ: NR2..3.3
ТД: REAL_MEASURE_TYPE
КТС: T03
ПИО: ИСО 2341:1986
ДНО: 2006-02-22 ДТВ: 2006-02-22
ДТП: 2006-02-22
P511BAA229-1 001
расстояние от отверстия под шплинт до конца штифта
Определение: Расстояние от отверстия под шплинт до конца штифта
КО: P511AAA355: штифты с отверстием на конце под шплинт
ПБС: le
Единица измерения: мм
ФЗ: NR2..3.3
ТД: REAL_MEASURE_TYPE
КТС: T03
ПИО: ИСО 2340:1986, ИСО 2341:1986
ДНО: 2006-02-22 ДТВ: 2006-02-22
ДТП: 2006-02-22
P511BAA230-1 001
диаметр отверстия штифта под шплинт
Определение: Диаметр отверстия в штифте для разводного шплинта
КО: P511AAA355: штифты с отверстием на конце под шплинт
ПБС: d1
Единица измерения: мм
ФЗ: NR2..3.3
ТД: REAL_MEASURE_TYPE
КТС: T03
ПИО: ИСО 2340:1986, ИСО 2341:1986
ДНО: 2006-02-22 ДТВ: 2006-02-22
ДТП: 2006-02-22
P511BAA231-1 001
радиус венца
Определение: Радиус венца насеченного штифта или меньшего венца конусного штифта
КО: P511AAA098: штифты
ПБС: r
Единица измерения: мм
ФЗ: NR2..3.3
ТД: REAL_MEASURE_TYPE
КТС: T03
ПИО: ИСО 8739:1997
ДНО: 2006-02-22 ДТВ: 2006-02-22
ДТП: 2006-02-22
P511BAA232-1 001
длина направляющей
Определение: Длина направляющей насеченного штифта
КО: P511AAA257: насеченный штифт с параллельной канавкой по всей длине и направляющим элементом
ПБС: c
Единица измерения: мм
ФЗ: NR2..3.3
ТД: LEVEL_TYPE
КТС: T03
ПИО: ИСО 8739:1997
ДНО: 2006-02-22 ДТВ: 2006-02-22
ДТП: 2006-02-22
P511BAA234-1 001
увеличенный диаметр
Определение: Диаметр стержня насеченного штифта, измеренный через кромки канавки
КО: P511AAA356: насеченные штифты
ПБС: d2
Единица измерения: мм
ФЗ: NR2..3.3
ТД: REAL_MEASURE_TYPE
КТС: T03
ПИО: ИСО 8739:1997
ДНО: 2006-02-22 ДТВ: 2006-02-22
ДТП: 2006-02-22
P511BAA235-1 001
угол канавки
Определение: Угол канавки насеченного штифта
КО: P511AAA356: насеченные штифты
Единица измерения: градус
ФЗ: NR2..3.3
ТД: REAL_MEASURE_TYPE
КТС: T01
ПИО: ИСО 8739:1997
ДНО: 2006-02-22 ДТВ: 2006-02-22
ДТП: 2006-02-22
P511BAA237-1 001
диаметр головки штифта
Определение: Диаметр головки штифта с отверстием на конце под шплинт или насеченного штифта
КО: P511AAA098: штифты
ПБС: dk
Единица измерения: мм
ФЗ: NR2..3.3
ТД: LEVEL_TYPE
КТС: T03
ПИО: ИСО 8746:1997
ДНО: 2006-02-22 ДТВ: 2006-02-22
ДТП: 2006-02-22
P511BAA239-1 001
внутренний диаметр
Определение: Внутренний диаметр пружинного штифта со шлицем
КО: P511AAA261: штифты со шлицем прямые пружинного типа
ПБС: d2
Единица измерения: мм
ФЗ: NR2..3.3
ТД: REAL_MEASURE_TYPE
КТС: T03
ПИО: ИСО 8752:1997
ДНО: 2006-02-22 ДТВ: 2006-02-22
ДТП: 2006-02-22
P511BAA241-1 001
высота венца
Определение: Высота насеченного штифта, включающая в себя высоту выпуклости и ширину фаски
КО: P511AAA258: насеченный штифт с фаской и параллельными канавками по всей длине
ПБС: c2
Единица измерения: мм
ФЗ: NR2..3.3
ТД: REAL_MEASURE_TYPE
КТС: T03
ПИО: ИСО 8740:1997
ДНО: 2006-02-22 ДТВ: 2006-02-22
ДТП: 2006-02-22
P511BAA242-1 001
высота выпуклости
Определение: Высота выпуклости одного конца и фаски насеченного штифта
КО: P511AAA258: насеченный штифт с фаской и параллельными канавками по всей длине
ПБС: d
Единица измерения: мм
ФЗ: NR2..3.3
ТД: REAL_MEASURE_TYPE
КТС: T03
ПИО: ИСО 8740:1997
ДНО: 2006-02-22 ДТВ: 2006-02-22
ДТП: 2006-02-22
P511BAA243-1 001
свойства головки
Определение: Экземпляр признака, характеризующий головку крепежной детали с наружной резьбой
КО: P511AAA004: компоненты крепежных деталей с наружной резьбой
Единица измерения:
ФЗ:
ТД: CLASS_INSTANCE_TYPE: P511AAA008
КТС: A52
ДНО: 2006-02-22 ДТВ: 2006-02-22
ДТП: 2006-02-22
P511BAA244-1 001
свойства стержня
Определение: Экземпляр признака, характеризующий стержень крепежной детали с наружной резьбой
КО: P511AAA004: компоненты крепежных деталей с наружной резьбой
Единица измерения:
ФЗ:
ТД: CLASS_INSTANCE_TYPE: P511AAA024
КТС: A52
ДНО: 2006-02-22 ДТВ: 2006-02-22
ДТП: 2006-02-22
P511BAA245-1 001
свойства конца детали
Определение: Экземпляр признака, характеризующий конец крепежной детали с наружной резьбой
КО: P511AAA004: компоненты крепежных деталей с наружной резьбой
Единица измерения:
ФЗ:
ТД: CLASS_INSTANCE_TYPE: P511AAA028
КТС: A52
ДНО: 2006-02-22 ДТВ: 2006-02-22
ДТП: 2006-02-22
P511BAA246-1 001
свойства резьбы
Определение: Экземпляр признака, характеризующий резьбу крепежной детали
КО: P511AAA002: крепежные детали
Единица измерения:
ФЗ:
ТД: CLASS_INSTANCE_TYPE: P511AAA037
КТС: A52
ДНО: 2006-02-22 ДТВ: 2006-02-22
ДТП: 2006-02-22
P511BAA247-1 001
свойства встроенного привода
Определение: Экземпляр признака, характеризующий встроенный привод крепежной детали с наружной резьбой
КО: P511AAA004: компоненты крепежных деталей с наружной резьбой
Единица измерения:
ФЗ:
ТД: CLASS_INSTANCE_TYPE: P511AAA042
КТС: A52
ДНО: 2006-02-22 ДТВ: 2006-02-22
ДТП: 2006-02-22
P511BAA248-1 001
поле допуска резьбы
Определение: Характеристика положения диапазона значений параметров резьбы
КО: P511AAA002: крепежные детали
Единица измерения:
ФЗ: M..30
ТД: NON_QUANTITATIVE_CODE_TYPE
G - основное (положительное) отклонение типа G для внутренней резьбы;
H - основное (нулевое) отклонение типа H для внутренней резьбы;
E - основное (наибольшее отрицательное) отклонение типа e для наружной резьбы;
F - основное (большое отрицательное) отклонение типа f для наружной резьбы;
G - основное (малое отрицательное) отклонение типа g для наружной резьбы;
H - основное (нулевое) отклонение типа h для наружной резьбы
КТС: A59
ПИО: ИСО 965-1:1998
ДНО: 2006-02-22 ДТВ: 2006-02-22
ДТП: 2006-02-22
P511BAA249-1 001
квалитет резьбы
Определение: Характеристика диапазона значений параметров резьбы
КО: P511AAA002: крепежные детали
Единица измерения:
ФЗ: M..30
ТД: NON_QUANTITATIVE_CODE_TYPE
3 - код квалитета резьбы по ИСО 965-1;
4 - код квалитета резьбы по ИСО 965-1;
5 - код квалитета резьбы по ИСО 965-1;
6 - код квалитета резьбы по ИСО 965-1;
7 - код квалитета резьбы по ИСО 965-1;
8 - код квалитета резьбы по ИСО 965-1;
9 - код квалитета резьбы по ИСО 965-1
КТС: A59
Примечание: ext. - наружная резьба, int. - внутренняя резьба, MJD - основной диаметр, MND - внутренний диаметр, PD - средний диаметр
ПИО: ИСО 965-1:1998
ДНО: 2006-02-22 ДТВ: 2006-02-22
ДТП: 2006-02-22
P511BAA253-1 001
срезающая сила
Определение: Минимальная срезающая сила заклепки
КО: P511AAA345: заклепки
Единица измерения: Н
ФЗ: NR2..3.3
ТД: REAL_MEASURE_TYPE
КТС: T03
ПИО: ИСО 15974:2000
ДНО: 2006-02-22 ДТВ: 2006-02-22
ДТП: 2006-02-22
P511BAA254-1 001
растягивающая сила
Определение: Минимальная растягивающая сила заклепки
КО: P511AAA083: односторонние заклепки
Единица измерения: Н
ФЗ: NR2..3.3
ТД: REAL_MEASURE_TYPE
КТС: T03
ПИО: ИСО 15974:2000
ДНО: 2006-02-22 ДТВ: 2006-02-22
ДТП: 2006-02-22
P511BAA255-1 001
разрывная нагрузка сердечника
Определение: Максимальная разрывная нагрузка сердечника односторонней заклепки
КО: P511AAA083: односторонние заклепки
Единица измерения: Н
ФЗ: NR2..3.3
ТД: REAL_MEASURE_TYPE
КТС: T03
ПИО: ИСО 15974:2000
ДНО: 2006-02-22 ДТВ: 2006-02-22
ДТП: 2006-02-22
P511BAA256-1 001
класс допуска резьбы
Определение: Характеристика размера и положения диапазона значений параметров резьбы
КО: P511AAA002: крепежные детали
Единица измерения:
ФЗ: M..30
ТД: NON_QUANTITATIVE_CODE_TYPE
3g - квалитет резьбы 3 и поле допуска g;
4G - квалитет резьбы 4 и поле допуска G;
4H - квалитет резьбы 4 и поле допуска H;
4g - квалитет резьбы 4 и поле допуска g;
4h - квалитет резьбы 4 и поле допуска h;
5G - квалитет резьбы 5 и поле допуска G;
5H - квалитет резьбы 5 и поле допуска H;
5g - квалитет резьбы 5 и поле допуска g;
5h - квалитет резьбы 5 и поле допуска h;
6G - квалитет резьбы 6 и поле допуска G;
6H - квалитет резьбы 6 и поле допуска H;
6g - квалитет резьбы 6 и поле допуска g;
6h - квалитет резьбы 6 и поле допуска h;
7G - квалитет резьбы 7 и поле допуска G;
7H - квалитет резьбы 7 и поле допуска H;
7g - квалитет резьбы 7 и поле допуска g;
7h - квалитет резьбы 7 и поле допуска h;
8G - квалитет резьбы 8 и поле допуска G;
8H - квалитет резьбы 8 и поле допуска H;
8g - квалитет резьбы 8 и поле допуска g;
8h - квалитет резьбы 8 и поле допуска h;
9g - квалитет резьбы 9 и поле допуска g;
9h - квалитет резьбы 9 и поле допуска h
КТС: A59
Примечание: Цифры, входящие в обозначение класса допуска, определяют квалитет диаметра резьбы крепежной детали (4, 5, ... и т.д.), буквы G и H - внутренние резьбы, буквы g и h - наружные резьбы
ПИО: ИСО 965-1:1998
ДНО: 2006-02-22 ДТВ: 2006-02-22
ДТП: 2006-02-22
P511BAA303-1 001
тип головки
Определение: Классификационное свойство, которому присваивается значение (неколичественный код) в соответствии с признаком головки крепежной детали с наружной резьбой
КО: P511AAA003: крепежные детали с наружной резьбой
Единица измерения:
ФЗ: M..30
ТД: NON_QUANTITATIVE_CODE_TYPE
12PFL - 12-конечная головка с фланцем;
BUT - полусферическая головка;
CHD - полукруглая головка;
CHS - плоская цилиндрическая головка;
CLD - цилиндрическая головка;
COT - потайная головка;
CRAI - круглая поднятая головка;
ELS - головка в виде проушины;
EYS - головка в виде глаза;
HEWF - шестигранная головка с фланцем;
HEX - шестигранная головка;
HEXO - шестигранная головка с цилиндрическим буртом;
HEXW - шестигранная головка с опорным выступом под шайбу;
HWK - головка с накаткой;
HWW - головка с лапками;
OTN - восьмигранная головка;
PAN - головка в виде цилиндра с закругленным торцом;
RADC - поднятая потайная головка;
ROH - полусферическая головка;
SQEC - квадратная головка с цилиндрическим буртом;
SQR - квадратная головка;
THD - Т-образная головка;
TOM - головка с воротком;
TRIC - треугольная головка с фланцем
КТС: A52
ДНО: 2006-02-22 ДТВ: 2006-02-22
ДТП: 2006-02-22
P511BAA305-1 001
тип стержня
Определение: Классификационное свойство, значение (неколичественный код) которого соответствует признаку стержня крепежной детали с наружной резьбой
КО: P511AAA003: крепежные детали с наружной резьбой
Единица измерения:
ФЗ: M..30
ТД: NON_QUANTITATIVE_CODE_TYPE
FIT - стержень, устанавливаемый без зазора;
FLS - нормальный стержень;
RDD - ступенчатый стержень;
SHD - стержень с буртом;
SQN - стержень с квадратным подголовком;
WID - утоненный стержень
КТС: A52
ДНО: 2006-02-22 ДТВ: 2006-02-22
ДТП: 2006-02-22
P511BAA306-1 001
тип конца детали
Определение: Классификационное свойство, значение (неколичественный код) которого соответствует признаку конца крепежной детали с наружной резьбой
КО: P511AAA003 крепежные детали с наружной резьбой
Единица измерения:
ФЗ: M..30
ТД: NON_QUANTITATIVE_CODE_TYPE
ARE - прокатанный конец;
CET - плоский конец (типа E) винта с саморежущей резьбой;
CFE - конец с фаской;
CON - конический конец (типа C) винта с саморежущей резьбой;
CPP - конец с центровым углублением;
CPT - конический конец установочного винта;
DGP - цилиндрический конец;
DRD - сверлящий конец шурупа;
EOT - конец винта с выдавливающей резьбой;
FLA - плоский конец;
PIP - направляющий конец детали;
RDE - закругленный конец;
ROU - закругленный конец (типа R) винта с саморежущей резьбой;
SCP - конический с притуплением конец винта с саморежущей резьбой;
TCP - усеченный конический конец установочного винта;
TPP - усеченный направляющий конец детали
КТС: A52
ДНО: 2006-02-22 ДТВ: 2006-02-22
ДТП: 2006-02-22
P511BAA307-1 001
тип резьбы
Определение: Классификационное свойство, значение (неколичественный код) которого соответствует признаку резьбы механических компонентов общего пользования
КО: P511AAA001: механические компоненты общего пользования
Единица измерения:
ФЗ: M..128
ТД: NON_QUANTITATIVE_CODE_TYPE
MEP - выдавливающая резьба;
MET - метрическая наружная резьба;
MIT - метрическая внутренняя резьба;
TST - саморежущая резьба;
WST - резьба винтов для дерева
КТС: A52
ДНО: 2006-02-22 ДТВ: 2006-02-22
ДТП: 2006-02-22
P511BAA308-1 001
тип встроенного привода
Определение: Классификационное свойство, значение (неколичественный код) которого соответствует признаку встроенного привода крепежной детали с наружной резьбой
КО: P511AAA003: крепежные детали с наружной резьбой
Единица измерения:
ФЗ: M..30
ТД: NON_QUANTITATIVE_CODE_TYPE
12 S - 12-конечное углубление под торцевой ключ;
CRH - поперечное отверстие;
CRR - крестообразный шлиц (тип H);
CZT - крестообразный шлиц (тип Z);
HXLS - шестидольное углубление под торцевой ключ;
HXS - шестигранное углубление под торцевой ключ;
SLO - шлиц;
SQS - квадратное углубление под торцевой ключ;
SSS - шестишлицевое углубление под торцевой ключ;
TRS - треугольное углубление под торцевой ключ
КТС: A52
ДНО: 2006-02-22 ДТВ: 2006-02-22
ДТП: 2006-02-22
P511BAA319-1 001
идентификационный код предприятия-изготовителя
Определение: Идентификационный код предприятия, несущего юридическую ответственность за изготовление изделия, соответствующий принятой системе кодирования
КО: P511AAA001: механические компоненты общего пользования
Единица измерения:
ФЗ: M..128
ТД: STRING_TYPE
КТС: A21
ДНО: 2006-02-22 ДТВ: 2006-02-22
ДТП: 2006-02-22
P511BAA320-1 001
идентификационный код материала крепежной детали
Определение: Идентификационный код, определяющий тип материала крепежной детали
КО: P511AAA002: крепежные детали
Единица измерения:
ФЗ: M..30
ТД: NON_QUANTITATIVE_CODE_TYPE
A - аустенитная сталь;
A1 - аустенитная сталь A1;
A2 - аустенитная сталь A2;
A3 - аустенитная сталь A3;
A4 - аустенитная сталь A4;
A5 - аустенитная сталь A5;
AL1 - AlMg3;
AL2 - AlMg5;
AL3 - AlSiMgMn;
AL4 - AlCu4MgSi;
AL5 - AlZnMgCu 0,5;
AL6 - AlZn5,5MgCu;
Alloy steel - легированная сталь;
C - мартенситная сталь;
C1 - мартенситная сталь C1;
C3 - мартенситная сталь C3;
C4 - мартенситная сталь C4;
CU1 - Cu-ETP или Cu-FRHC;
CU2 - CuZn37;
CU3 - CuZn39ph3;
CU4 - CuSn6;
CU5 - CuNi1Si;
CU6 - CuAl10Ni5Fe4;
Carbon steel - углеродистая сталь;
F - ферритная сталь;
F1 - ферритная сталь F1
КТС: A59
ПИО: ИСО 8992:2005, ИСО 8839:1999, ИСО 3506-1:1997, ИСО 3506-2:1997, ИСО 3506-3:1997
ДНО: 2006-02-22 ДТВ: 2006-02-22
ДТП: 2006-02-22
P511BAA321-1 001
класс свойств стальных крепежных деталей
Определение: Идентификационный код всех механических и физических свойств стальной крепежной детали: предельные значения прочности на растяжение, текучести, остаточного удлинения, твердости и т.д.
КО: P511AAA002: крепежные детали
Единица измерения:
ФЗ: M..30
ТД: NON_QUANTITATIVE_CODE_TYPE
04 - класс 04 свойств стальных крепежных деталей;
05 - класс 05 свойств стальных крепежных деталей;
10 - класс 10 свойств стальных крепежных деталей;
10.9 - класс 10.9 свойств стальных крепежных деталей;
12 - класс 12 свойств стальных крепежных деталей;
12.9 - класс 12.9 свойств стальных крепежных деталей;
3.6 - класс 3.6 свойств стальных крепежных деталей;
4 - класс 4 свойств стальных крепежных деталей;
4.6 - класс 4.6 свойств стальных крепежных деталей;
4.8 - класс 4.8 свойств стальных крепежных деталей;
5 - класс 5 свойств стальных крепежных деталей;
5.6 - класс 5.6 свойств стальных крепежных деталей;
5.8 - класс 5.8 свойств стальных крепежных деталей;
6 - класс 6 свойств стальных крепежных деталей;
6.8 - класс 6.8 свойств стальных крепежных деталей;
8 - класс 8 свойств стальных крепежных деталей;
8.8 - класс 8.8 свойств стальных крепежных деталей;
9 - класс 9 свойств стальных крепежных деталей;
9.8 - класс 9.8 свойств стальных крепежных деталей
КТС: A59
Примечание: Данные классы свойств стальных крепежных деталей относятся только к резьбовым крепежным деталям
ПИО: ИСО 898-1:1997, ИСО 898-2:1997, ИСО 898-6:1994
ДНО: 2006-02-22 ДТВ: 2006-02-22
ДТП: 2006-02-22
P511BAA322-1 001
название материала крепежной детали
Определение: Название материала крепежной детали
КО: P511AAA002: крепежные детали
Единица измерения:
ФЗ: M..64
ТД: STRING_TYPE
КТС: A51
Примечание: ИСО 3506-1:1997, ИСО 3506-2:1997, ИСО 3506-3:1997, ИСО 898-1:1999, ИСО 898-5:1998, ИСО 8839:1999.
ДНО: 2006-02-22 ДТВ: 2006-02-22
ДТП: 2006-02-22
P511BAA323-1 001
класс свойств крепежных деталей из нержавеющей стали
Определение: Идентификационный код всех механических и физических свойств крепежных деталей из нержавеющей стали: предельные значения прочности на растяжение, текучести, остаточного удлинения, твердости и т.д.
КО: P511AAA002: крепежные детали
Единица измерения:
ФЗ: M..30
ТД: NON_QUANTITATIVE_CODE_TYPE
020 - класс 020 свойств крепежных деталей из нержавеющей стали;
025 - класс 025 свойств крепежных деталей из нержавеющей стали;
030 - класс 030 свойств крепежных деталей из нержавеющей стали;
035 - класс 035 свойств крепежных деталей из нержавеющей стали;
040 - класс 040 свойств крепежных деталей из нержавеющей стали;
055 - класс 055 свойств крепежных деталей из нержавеющей стали;
110 - класс 110 свойств крепежных деталей из нержавеющей стали;
45 - класс 45 свойств крепежных деталей из нержавеющей стали;
50 - класс 50 свойств крепежных деталей из нержавеющей стали;
60 - класс 60 свойств крепежных деталей из нержавеющей стали;
70 - класс 70 свойств крепежных деталей из нержавеющей стали;
80 - класс 80 свойств крепежных деталей из нержавеющей стали
КТС: A59
ПИО: ИСО 3506-1:1997, ИСО 3506-2:1997
ДНО: 2006-02-22 ДТВ: 2006-02-22
ДТП: 2006-02-22
P511BAA324-1 001
код покрытия крепежной детали
Определение: Идентификационный код, определяющий металл покрытия, минимальную толщину покрытия, качество поверхности, хроматирование и т.п., имеющий структуру строки, соответствующую ИСО 4042
КО: P511AAA002: крепежные детали
Единица измерения:
ФЗ: M..64
ТД: STRING_TYPE
КТС: A51
ПИО: ИСО 4042:1999
ДНО: 2006-02-22 ДТВ: 2006-02-22
ДТП: 2006-02-22
P511BAA326-1 001
сорт продукции
Определение: Допуски на размеры, форму и положение изделия
КО: P511AAA002: крепежные детали
Единица измерения:
ФЗ: M..30
ТД: NON_QUANTITATIVE_CODE_TYPE
A - код для малых допусков;
B - код для средних допусков;
C - код для грубых допусков
КТС: A56
ПИО: ИСО 4759-1:2000, ИСО 4759-3:2000
ДНО: 2006-02-22 ДТВ: 2006-02-22
ДТП: 2006-02-22
P511BAA327-1 001
тип шага резьбы
Определение: Классификационное свойство шага резьбы, который может быть крупным или мелким
КО: P511AAA001: механические компоненты общего пользования
Единица измерения:
ФЗ: M..30
ТД: NON_QUANTITATIVE_CODE_TYPE
COR - крупный шаг резьбы;
FINE - мелкий шаг резьбы
КТС: A56
ПИО: ИСО 68-1:1998
ДНО: 2006-02-22 ДТВ: 2006-02-22
ДТП: 2006-02-22
P511BAA328-1 001
название головки заклепки
Определение: Название, представляющее признак головки заклепки
КО: P511AAA345: заклепки
Единица измерения:
ФЗ: M..30
ТД: STRING_TYPE
КТС: A51
Примечание: Данное свойство определено для нестандартных головок заклепкок
ДНО: 2006-02-22 ДТВ: 2006-02-22
ДТП: 2006-02-22
P511BAA329-1 001
изображение головки заклепки
Определение: Изображение, идентифицирующее признак головки заклепки
КО: P511AAA345: заклепки
Единица измерения:
ФЗ: ISO13584_25_IEC61360_5_LIBRARY_IMPLICIT_SCHEMA.PROPERTY_VALUE_EXTERNAL_ITEM
ТД: ENTITY_INSTANCE_TYPE
КТС: A58
Примечание: Данное свойство определено для нестандартных головок заклепок
ДНО: 2006-02-22 ДТВ: 2006-02-22
ДТП: 2006-02-22
P511BAA330-1 001
название стержня заклепки
Определение: Название, представляющее признак стержня заклепки
КО: P511AAA345: заклепки
Единица измерения:
ФЗ: M..30
ТД: STRING_TYPE
КТС: A51
Примечание: Данное свойство определено для нестандартных признаков стержня заклепки
ДНО: 2006-02-22 ДТВ: 2006-02-22
ДТП: 2006-02-22
P511BAA331-1 001
изображение стержня заклепки
Определение: Изображение, идентифицирующее признак стержня заклепки
КО: P511AAA345: заклепки
Единица измерения:
ФЗ: ISO13584_25_IEC61360_5_LIBRARY_IMPLICIT_SCHEMA.PROPERTY_VALUE_EXTERNAL_ITEM
ТД: ENTITY_INSTANCE_TYPE
КТС: A58
Примечание: Данное свойство определено для нестандартных признаков стержней заклепок
ДНО: 2006-02-22 ДТВ: 2006-02-22
ДТП: 2006-02-22
P511BAA333-1 001
наружный диаметр
Определение: Наружный диаметр шайбы
КО: P511AAA072: шайбы
ПБС: d2
Единица измерения: мм
ФЗ: NR2..3.3
ТД: LEVEL_TYPE
КТС: T03
ПИО: ИСО 7091:2000
ДНО: 2006-02-22 ДТВ: 2006-02-22
ДТП: 2006-02-22
P511BAA334-1 001
диаметр отверстия
Определение: Диаметр отверстия шайбы
КО: P511AAA072: шайбы
ПБС: d1
Единица измерения: мм
ФЗ: NR2..3.3
ТД: LEVEL_TYPE
КТС: T03
P511BAA335-1 001
название шайбы
Определение: Название шайбы, особенно нестандартной шайбы
КО: P511AAA072: шайбы
Единица измерения:
ФЗ: M..128
ТД: STRING_TYPE
КТС: A51
ДНО: 2006-02-22 ДТВ: 2006-02-22
ДТП: 2006-02-22
P511BAA336-1 001
толщина материала
Определение: Толщина материала пружинной шайбы или разрезной пружинной шайбы
КО: P511AAA072: шайбы
ПБС: s
Единица измерения: мм
ФЗ: NR2..3.3
ТД: REAL_MEASURE_TYPE
КТС: T03
ДНО: 2006-02-22 ДТВ: 2006-02-22
ДТП: 2006-02-22
P511BAA337-1 001
толщина
Определение: Толщина плоской шайбы
КО: P511AAA026: плоские шайбы
ПБС: h
Единица измерения: мм
ФЗ: NR2..3.3
ТД: LEVEL_TYPE
КТС: T03
ДНО: 2006-02-22 ДТВ: 2006-02-22
ДТП: 2006-02-22
P511BAA338-1 001
высота конусной пружинной шайбы или разрезной пружинной шайбы
Определение: Высота свободной (ненагруженной) неплоской шайбы (конусной пружинной шайбы, разрезной пружинной шайбы)
КО: P511AAA072: шайбы
ПБС: h
Единица измерения: мм
ФЗ: NR2..3.3
ТД: REAL_MEASURE_TYPE
КТС: T03
ДНО: 2006-02-22 ДТВ: 2006-02-22
ДТП: 2006-02-22
P511BAA340-1 001
размер резьбы
Определение: Неколичественный код, определяющий размер резьбы, например, M10, ST4.8.
КО: P511AAA002: крепежные детали
Единица измерения:
ФЗ: M..30
ТД: STRING_TYPE
КТС: T03
ПИО: ИСО 1479:1983
ДНО: 2006-02-22 ДТВ: 2006-02-22
ДТП: 2006-02-22
P511BAA342-1 001
твердость ядра
Определение: Твердость материала в области ядра крепежной детали
КО: P511AAA001: механические компоненты общего пользования
Единица измерения:
ФЗ: NR2 5..3.3
ТД: LEVEL_TYPE
КТС: A57
ПИО: ИСО 6506-1:1999, ИСО 6507-1:1999, ИСО 6508-1:1999
ДНО: 2006-02-22 ДТВ: 2006-02-22
ДТП: 2006-02-22
P511BAA343-1 001
твердость поверхности
Определение: Твердость в области поверхности крепежной детали
КО: P511AAA001: механические компоненты общего пользования
Единица измерения:
ФЗ: NR2 5..3.3
ТД: LEVEL_TYPE
КТС: A57
ПИО: ИСО 6506-1:1999, ИСО 6507-1:1999, ИСО 6508-1:1999
ДНО: 2006-02-22 ДТВ: 2006-02-22
ДТП: 2006-02-22
P511BAA344-1 001
класс твердости стальной крепежной детали
Определение: Идентификационный код диапазона твердости стальных крепежных деталей
КО: P511AAA002: крепежные детали
Единица измерения:
ФЗ: M..30
ТД: NON_QUANTITATIVE_CODE_TYPE
14H - класс твердости 14H стальной крепежной детали;
22H - класс твердости 22H стальной крепежной детали;
33H - класс твердости 33H стальной крепежной детали;
45H - класс твердости 45H стальной крепежной детали
КТС: A57
Примечание: Класс твердости шайб установлен в стандартах на изделие
ПИО: ИСО 898-5:1998
ДНО: 2006-02-22 ДТВ: 2006-02-22
ДТП: 2006-02-22
P511BAA345-1 001
идентификационный код метода испытаний на твердость
Определение: Буквенно-цифровой код, определяющий метод испытания на твердость и характеристики испытания
КО: P511AAA002: крепежные детали
Единица измерения:
ФЗ: M..300
ТД: NON_QUANTITATIVE_CODE_TYPE
HBW1/1 - твердость по Бринеллю: диаметр шарика - 1 мм, F - 9,807 Н, продолжительность нагружения - от 10 до 15 с;
HBW1/10 - твердость по Бринеллю: диаметр шарика - 1 мм, F - 98,07 Н, продолжительность нагружения - от 10 до 15 с;
HBW1/2.5 - твердость по Бринеллю: диаметр шарика - 1 мм, F - 24,52 Н, продолжительность нагружения - от 10 до 15 с;
HBW1/30 - твердость по Бринеллю: диаметр шарика - 1 мм, F - 294,2 Н, продолжительность нагружения - от 10 до 15 с;
HBW1/5 - твердость по Бринеллю: диаметр шарика - 1 мм, F - 49,03 Н, продолжительность нагружения - от 10 до 15 с;
HBW10/100 - твердость по Бринеллю: диаметр шарика - 10 мм, F - 980,7 Н, продолжительность нагружения - от 10 до 15 с;
HBW10/1000 - твердость по Бринеллю: диаметр шарика - 10 мм, F - 9807 Н, продолжительность нагружения - от 10 до 15 с;
HBW10/1500 - твердость по Бринеллю: диаметр шарика - 10 мм, F - 14710 Н, продолжительность нагружения - от 10 до 15 с;
HBW10/250 - твердость по Бринеллю: диаметр шарика - 10 мм, F - 2452 Н, продолжительность нагружения - от 10 до 15 с;
HBW10/3000 - твердость по Бринеллю: диаметр шарика - 10 мм, F - 29421 Н, продолжительность нагружения - от 10 до 15 с;
HBW10/500 - твердость по Бринеллю: диаметр шарика - 10 мм, F - 4903 Н, продолжительность нагружения - от 10 до 15 с;
HBW2.5/15.625 - твердость по Бринеллю: диаметр шарика - 2,5 мм, F - 153,2 Н, продолжительность нагружения - от 10 до 15 с;
HBW2.5/187.5 - твердость по Бринеллю: диаметр шарика - 2,5 мм, F - 1839 Н, продолжительность нагружения - от 10 до 15 с;
HBW2.5/31.25 - твердость по Бринеллю: диаметр шарика - 2,5 мм, F - 306,5 Н, продолжительность нагружения - от 10 до 15 с;
| | ИС МЕГАНОРМ: примечание. Текст дан в соответствии с официальным текстом документа. | |
HBW2.5/6.25 - твердость по Бринеллю: диаметр шарика - 2,5 мм, F - 61,29 Н, продолжительность нагружения - от 10 до 15;
HBW2.5/62.5 - твердость по Бринеллю: диаметр шарика - 2,5 мм, F - 612,9 Н, продолжительность нагружения - от 10 до 15 с;
HBW5/125 - твердость по Бринеллю: диаметр шарика - 5 мм, F - 1226 Н, продолжительность нагружения - от 10 до 15 с;
HBW5/25 - твердость по Бринеллю: диаметр шарика - 5 мм, F - 245,2 Н, продолжительность нагружения - от 10 до 15 с;
HBW5/250 - твердость по Бринеллю: диаметр шарика - 5 мм, F - 2452 Н, продолжительность нагружения - от 10 до 15 с;
HBW5/62.5 - твердость по Бринеллю: диаметр шарика - 5 мм, F - 612,9 Н, продолжительность нагружения - от 10 до 15 с;
HBW5/750 - твердость по Бринеллю: диаметр шарика - 5 мм, F - 7355 Н, продолжительность нагружения - от 10 до 15 с;
HR15N - твердость по Роквеллу, шкала 15N, алмазный конусный наконечник;
HR15TS - твердость по Роквеллу, шкала 15T, стальной шариковый индентер;
HR15TW - твердость по Роквеллу, шкала 15T, твердосплавный шариковый индентер;
HR30N - твердость по Роквеллу, шкала 30N, алмазный конусный наконечник;
HR30TS - твердость по Роквеллу, шкала 30T, стальной шариковый индентер;
HR30TW - твердость по Роквеллу, шкала 30T, твердосплавный шариковый индентер;
HR45N - твердость по Роквеллу, шкала 45N, алмазный конусный наконечник;
HR45TS - твердость по Роквеллу, шкала 45T, стальной шариковый индентер;
HR45TW - твердость по Роквеллу, шкала 45T, твердосплавный шариковый индентер;
HRA - твердость по Роквеллу, шкала A, алмазный конусный наконечник;
HRBS - твердость по Роквеллу, шкала B, стальной шариковый индентер;
HRBW - твердость по Роквеллу, шкала B, твердосплавный шариковый индентер;
HRC - твердость по Роквеллу, шкала C, алмазный конусный наконечник;
HRD - твердость по Роквеллу, шкала D, алмазный конусный наконечник;
HRES - твердость по Роквеллу, шкала E, стальной шариковый индентер;
HREW - твердость по Роквеллу, шкала E, твердосплавный шариковый индентер;
| | ИС МЕГАНОРМ: примечание. Текст дан в соответствии с официальным текстом документа. | |
HRFS - твердость по Роквеллу, шкала E, стальной шариковый индентер;
HRFW - твердость по Роквеллу, шкала E, твердосплавный шариковый индентер;
HRGS - твердость по Роквеллу, шкала G, стальной шариковый индентер;
HRGW - твердость по Роквеллу, шкала G, твердосплавный шариковый индентер;
HRHS - твердость по Роквеллу, шкала H, стальной шариковый индентер;
HRHW - твердость по Роквеллу, шкала H, твердосплавный шариковый индентер;
HRKS - твердость по Роквеллу, шкала K, стальной шариковый индентер;
HRKW - твердость по Роквеллу, шкала K, твердосплавный шариковый индентер;
HV0.01 - твердость по Виккерсу, F - 0,09807 Н, продолжительность нагружения - от 10 до 15 с;
HV0.015 - твердость по Виккерсу, F - 0,1471 Н, продолжительность нагружения - от 10 до 15 с;
HV0.02 - твердость по Виккерсу, F - 0,1961 Н, продолжительность нагружения - от 10 до 15 с;
HV0.025 - твердость по Виккерсу, F - 0,2452 Н, продолжительность нагружения - от 10 до 15 с;
HV0.05 - твердость по Виккерсу, F - 0,4903 Н, продолжительность нагружения - от 10 до 15 с;
HV0.1 - твердость по Виккерсу, F - 0,9807 Н, продолжительность нагружения - от 10 до 15 с;
HV0.2 - твердость по Виккерсу, F - 1,961 Н, продолжительность нагружения - от 10 до 15 с;
HV0.3 - твердость по Виккерсу, F - 2,942 Н, продолжительность нагружения - от 10 до 15 с;
HV0.5 - твердость по Виккерсу, F - 4,903 Н, продолжительность нагружения - от 10 до 15 с;
HV1 - твердость по Виккерсу, F - 9,807 Н, продолжительность нагружения - от 10 до 15 с;
HV10 - твердость по Виккерсу, F - 98,07 Н, продолжительность нагружения - от 10 до 15 с;
HV100 - твердость по Виккерсу, F - 980,7 Н, продолжительность нагружения - от 10 до 15 с;
HV - твердость по Виккерсу, F - 19,61 Н, продолжительность нагружения - от 10 до 15 с;
HV20 - твердость по Виккерсу, F - 196,1 Н, продолжительность нагружения - от 10 до 15 с;
HV3 - твердость по Виккерсу, F - 29,42 Н, продолжительность нагружения - от 10 до 15 с;
HV30 - твердость по Виккерсу, F - 294,2 Н, продолжительность нагружения - от 10 до 15 с;
HV5 - твердость по Виккерсу, F - 49,03 Н, продолжительность нагружения - от 10 до 15 с;
HV50 - твердость по Виккерсу, F - 490,4 Н, продолжительность нагружения - от 10 до 15 с
КТС: A57
ПИО: ИСО 6506-1:1999, ИСО 6507-1:1999, ИСО 6508-1:1999
ДНО: 2006-02-22 ДТВ: 2006-02-22
ДТП: 2006-02-22
P511BAA346-1 001
основной диаметр наружной резьбы
Определение: Диаметр воображаемой цилиндрической поверхности, касающейся вершин внешней резьбы
КО: P511AAA038: метрические наружные резьбы
ПБС: d
Единица измерения: мм
ФЗ: NR2..3.3
ТД: REAL_MEASURE_TYPE
КТС: T03
ПИО: ИСО 68-1:1998
ДНО: 2006-02-22 ДТВ: 2006-02-22
ДТП: 2006-02-22
P511BAA347-1 001
средний диаметр наружной резьбы
Определение: Диаметр воображаемой внешней цилиндрической поверхности, пересекающей гребни резьбы так, что ширина гребня равна ширине канавки резьбы
КО: P511AAA038: метрические наружные резьбы
ПБС: d2
Единица измерения: мм
ФЗ: NR2..3.3
ТД: REAL_MEASURE_TYPE
КТС: T03
ПИО: ИСО 68-1:1998
ДНО: 2006-02-22 ДТВ: 2006-02-22
ДТП: 2006-02-22
P511BAA348-1 001
внутренний диаметр наружной резьбы
Определение: Диаметр воображаемой цилиндрической поверхности, касающейся впадин внешней резьбы
КО: P511AAA038: метрические наружные резьбы
ПБС: d1
Единица измерения: мм
ФЗ: NR2..3.3
ТД: REAL_MEASURE_TYPE
КТС: T03
ПИО: ИСО 68-1:1998
ДНО: 2006-02-22 ДТВ: 2006-02-22
ДТП: 2006-02-22
P511BAA349-1 001
наружный диаметр
Определение: Основной (номинальный) диаметр резьбы саморежущих винтов или винтов для дерева
КО: P511AAA037: резьбы
ПБС: d1
Единица измерения: мм
ФЗ: NR2..3.3
ТД: LEVEL_TYPE
КТС: T03
ПИО: ИСО 1478:1999
ДНО: 2006-02-22 ДТВ: 2006-02-22
ДТП: 2006-02-22
P511BAA350-1 001
диаметр отверстия под резьбу
Определение: Внутренний (минимальный) диаметр резьбы саморежущих винтов или винтов для дерева
КО: P511AAA037: резьбы
ПБС: d2
Единица измерения: мм
ФЗ: NR2..3.3
ТД: LEVEL_TYPE
КТС: T03
ПИО: ИСО 1478:1999
ДНО: 2006-02-22 ДТВ: 2006-02-22
ДТП: 2006-02-22
P511BAA351-1 001
изображение шайбы
Определение: Изображение шайбы
КО: P511AAA072: шайбы
Единица измерения:
ФЗ: ISO13584_25_IEC61360_5_LIBRARY_IMPLICIT_SHEMA.PROPERTY_VALUE_EXTERNAL_ITEM
ТД: ENTITY_INSTANCE_TYPE
КТС: A58
ДНО: 2006-02-22 ДТВ: 2006-02-22
ДТП: 2006-02-22
P511BAA352-1 001
мощность сдвига
Определение: Мощность сдвига штифта
КО: P511AAA357: пружинные штифты
Единица измерения:
ФЗ: M..30
ТД: NON_QUANTITATIVE_CODE_TYPE
HEAVY - большая мощность сдвига;
LIGHT - малая мощность сдвига;
NORMAL - нормальная мощность сдвига
КТС: A52
Примечание: Данное свойство определено в ИСО 8748:1997, ИСО 8750:1997, ИСО 8751:1997, ИСО 8752:1997, ИСО 13337:1997
ДНО: 2006-02-22 ДТВ: 2006-02-22
ДТП: 2006-02-22
P511BAA353-1 001
двойная прочность на сдвиг
Определение: Минимальная разрушающая нагрузка при испытаниях на воздействие двойной срезающей силы на штифт при заданном способе крепления штифта в испытательной машине по ИСО 8749
КО: P511AAA098: штифты
Единица измерения: кН
ФЗ: NR2..3.3
ТД: REAL_MEASURE_TYPE
КТС: T03
ПИО: ИСО 8749:1986
ДНО: 2006-02-22 ДТВ: 2006-02-22
ДТП: 2006-02-22
P511BAA355-1 001
средняя высота
Определение: Средняя высота квадратной конусной шайбы
КО: P511AAA237: квадратные конусные шайбы
Единица измерения: мм
ФЗ: NR2..3.3
ТД: REAL_MEASURE_TYPE
КТС: T03
ДНО: 2006-02-22 ДТВ: 2006-02-22
ДТП: 2006-02-22
P511BAA356-1 001
боковая длина
Определение: Боковая длина конусной квадратной шайбы
КО: P511AAA237: квадратные конические шайбы
Единица измерения: мм
ФЗ: NR2..3.3
ТД: REAL_MEASURE_TYPE
КТС: T03
ДНО: 2006-02-22 ДТВ: 2006-02-22
ДТП: 2006-02-22
P511BAA357-1 001
переходный диаметр
Определение: Диаметр несущей опорной поверхности в сечении перехода к подголовку
КО: P511AAA004: компоненты крепежных деталей с наружной резьбой
ПБС: da/da 1
Единица измерения: мм
ФЗ: NR2..3.3
ТД: REAL_MEASURE_TYPE
КТС: T03
ПИО: ИСО 225:1983, ИСО 7379:1983
ДНО: 2006-02-22 ДТВ: 2006-02-22
ДТП: 2006-02-22
P511BAA358-1 001
средний диаметр внутренней резьбы
Определение: Диаметр воображаемой цилиндрической поверхности, пересекающей профиль внутренней резьбы в том месте, где ширина гребня равна ширине впадины
КО: P511AAA344: метрические внутренние резьбы
ПБС: D2
Единица измерения: мм
ФЗ: NR2..3.3
ТД: REAL_MEASURE_TYPE
КТС: T03
ПИО: ИСО 68-1:1998
ДНО: 2006-02-22 ДТВ: 2006-02-22
ДТП: 2006-02-22
P511BAA359-1 001
внутренний (малый) диаметр внутренней резьбы
Определение: Диаметр воображаемой цилиндрической поверхности, касающейся вершин гребней внутренней резьбы
КО: P511AAA344: метрические внутренние резьбы
ПБС: D1
Единица измерения: мм
ФЗ: NR2..3.3
ТД: REAL_MEASURE_TYPE
КТС: T03
ПИО: ИСО 68-1:1998
ДНО: 2006-02-22 ДТВ: 2006-02-22
ДТП: 2006-02-22
P511BAA360-1 001
основной диаметр внутренней резьбы
Определение: Диаметр воображаемой цилиндрической поверхности, касающейся впадин внутренней резьбы
КО: P511AAA344: метрические внутренние резьбы
ПБС: D
Единица измерения: мм
ФЗ: NR2..3.3
ТД: REAL_MEASURE_TYPE
КТС: T03
ПИО: ИСО 68-1:1998
ДНО: 2006-02-22 ДТВ: 2006-02-22
ДТП: 2006-02-22
P511BAA362-1 001
угол фаски конца штифта
Определение: Угол фаски на конце штифта
КО: P511AAA098: штифты
ПБС: alpha
Единица измерения: градус
ФЗ: NR2..3.3
ТД: REAL_MEASURE_TYPE
КТС: T03
ПИО: ИСО 8746:1997
ДНО: 2006-02-22 ДТВ: 2006-02-22
ДТП: 2006-02-22
P511BAA363-1 001
длина усеченного конуса направляющего конца детали
Определение: Длина усеченного конуса направляющего конца детали
КО: P511AAA350: усеченные направляющие концы деталей
ПБС: z5
Единица измерения: мм
ФЗ: NR2..3.3
ТД: REAL_MEASURE_TYPE
КТС: T03
ПИО: ИСО 4753:1999
ДНО: 2006-02-22 ДТВ: 2006-02-22
ДТП: 2006-02-22
P511BAA364-1 001
диаметр направляющего конца детали
Определение: Диаметр цилиндрической части направляющего конца детали
КО: P511AAA028: концы деталей
ПБС: dx
Единица измерения: мм
ФЗ: NR2..3.3
ТД: REAL_MEASURE_TYPE
КТС: T03
ПИО: ИСО 4753:1999
ДНО: 2006-02-22 ДТВ: 2006-02-22
ДТП: 2006-02-22
P511BAA365-1 001
переходный диаметр бурта
Определение: Диаметр поверхности бурта в сечении перехода к радиусу поднутрения
КО: P511AAA129: бурты
ПБС: da2
Единица измерения: мм
ФЗ: NR2..3.3
ТД: REAL_MEASURE_TYPE
КТС: T03
ПИО: ИСО 7379:1983
ДНО: 2006-02-22 ДТВ: 2006-02-22
ДТП: 2006-02-22
P511BAA367-1 001
длина разрезного штифта
Определение: Расстояние между головкой и концом короткого сегмента
КО: P511AAA248: разрезные штифты
ПБС: l
Единица измерения: мм
ФЗ: NR2..3.3
ТД: LEVEL_TYPE
КТС: T03
ПИО: ИСО 1234:1997
ДНО: 2006-02-22 ДТВ: 2006-02-22
ДТП: 2006-02-22
P511BAA368-1 001
угол головки (потайного конуса)
Определение: угол конусной несущей опорной поверхности
КО: P511AAA008: головки
ПБС: alpha
Единица измерения: градус
ФЗ: NR2..3.3
ТД: REAL_MEASURE_TYPE
КТС: T03
ПИО: ИСО 225:1983
ДНО: 2006-02-22 ДТВ: 2006-02-22
ДТП: 2006-02-22
P511BAA369-1 001
длина болта/винта с головкой с плоской опорной поверхностью
Определение: Расстояние между несущей опорной поверхностью и концом болта/винта
КО: P511AAA004: компоненты крепежных деталей с наружной резьбой
ПБС: l
Единица измерения: мм
ФЗ: NR2..3.3
ТД: LEVEL_TYPE
КТС: T03
ПИО: ИСО 225:1983
ДНО: 2006-02-22 ДТВ: 2006-02-22
ДТП: 2006-02-22
P511BAA370-1 001
длина потайного болта/винта
Определение: Расстояние от вершины головки до конца болта/винта
КО: P511AAA004: компоненты крепежных деталей с наружной резьбой
ПБС: l
Единица измерения: мм
ФЗ: NR2..3.3
ТД: LEVEL_TYPE
КТС: T03
ПИО: ИСО 225:1983
ДНО: 2006-02-22 ДТВ: 2006-02-22
ДТП: 2006-02-22
P511BAA371-1 001
длина шпильки
Определение: Расстояние от сбега резьбы конца шпильки до края гайки
КО: P511AAA049: шпильки
ПБС: l
Единица измерения: мм
ФЗ: NR2..3.3
ТД: REAL_MEASURE_TYPE
КТС: T03
ПИО: ИСО 225:1983
ДНО: 2006-02-22 ДТВ: 2006-02-22
ДТП: 2006-02-22
P511BAA376-1 001
высота купольной части поднятой потайной головки
Определение: Высота купольной части поднятой потайной головки
КО: P511AAA020: поднятые потайные головки
ПБС: f
Единица измерения: мм
ФЗ: NR2..3.3
ТД: REAL_MEASURE_TYPE
КТС: T03
ПИО: ИСО 15483:1999
ДНО: 2006-02-22 ДТВ: 2006-02-22
ДТП: 2006-02-22
P511BAA377-1 001
радиус кривизны сопряжения шестигранника и шайбы
Определение: Радиус кривизны сопряжения шестигранника и шайбы (бурта)
КО: P511AAA217: шестигранные головки с цилиндрическим буртом
ПБС: r2
Единица измерения: мм
ФЗ: NR2..3.3
ТД: REAL_MEASURE_TYPE
КТС: T03
ПИО: ИСО 15480:1999
ДНО: 2006-02-22 ДТВ: 2006-02-22
ДТП: 2006-02-22
P511BAA378-1 001
диаметр торцевой поверхности установочного винта
Определение: Диаметр торцевой поверхности установочного винта на конце со встроенным приводом
КО: P511AAA186: установочные винты
ПБС: df
Единица измерения: мм
ФЗ: NR2..3.3
ТД: REAL_MEASURE_TYPE
КТС: T03
ПИО: ИСО 225:1983
ДНО: 2006-02-22 ДТВ: 2006-02-22
ДТП: 2006-02-22
P511BAA380-1 001
угол потайного углубления
Определение: Угол потайного углубления
КО: P511AAA052: гайки
ПБС: ta
Единица измерения: градус
ФЗ: NR2..3.3
ТД: REAL_MEASURE_TYPE
КТС: T03
ПИО: ИСО 7042:1997
ДНО: 2006-02-22 ДТВ: 2006-02-22
ДТП: 2006-02-22
P511BAA381-1 001
угол фаски гайки
Определение: Угол фаски на торце гайки
КО: P511AAA052: гайки
ПБС: beta
Единица измерения: градус
ФЗ: NR2..3.3
ТД: REAL_MEASURE_TYPE
КТС: T03
ПИО: ИСО 7042:1997
ДНО: 2006-02-22 ДТВ: 2006-02-22
ДТП: 2006-02-22
P511BAA382-1 001
глубина осевого поднутрения
Определение: Расстояние между несущей опорной поверхностью и дном осевого поднутрения крепежных деталей с наружной резьбой
КО: P511AAA081: болты с шестигранной головкой, фланцем, мелкой резьбой и нормальным стержнем
ПБС: v
Единица измерения: мм
ФЗ: NR2..3.3
ТД: REAL_MEASURE_TYPE
КТС: T03
ПИО: ИСО 10644:1998
ДНО: 2006-02-22 ДТВ: 2006-02-22
ДТП: 2006-02-22
P511BAA383-1 001
переходный диаметр осевого поднутрения
Определение: Внутренний диаметр несущей опорной поверхности, образованной осевым поднутрением крепежных деталей с наружной резьбой
КО: P511AAA005: болты/винты с метрической резьбой
ПБС: da2/da
Единица измерения: мм
ФЗ: NR2..3.3
ТД: REAL_MEASURE_TYPE
КТС: T03
ПИО: ИСО 10644:1998, ИСО 15072:1999
ДНО: 2006-02-22 ДТВ: 2006-02-22
ДТП: 2006-02-22
P511BAA386-1 001
длина резьбы конца гайки
Определение: Длина резьбы конца гайки на шпильке
КО: P511AAA049: шпильки
ПБС: b
Единица измерения: мм
ФЗ: NR2..3.3
ТД: REAL_MEASURE_TYPE
КТС: T03
ПИО: ИСО 4759:2000
ДНО: 2006-02-22 ДТВ: 2006-02-22
ДТП: 2006-02-22
P511BAA387-1 001
название гайки
Определение: Название, идентифицирующее гайку (особенно нестандартную)
КО: P511AAA052: гайки
Единица измерения:
ФЗ: M..128
ТД: STRING_TYPE
КТС: A51
Примечание: Данное свойство определено для нестандартных гаек
ДНО: 2006-02-22 ДТВ: 2006-02-22
ДТП: 2006-02-22
P511BAA388-1 001
изображение гайки
Определение: Изображение, идентифицирующее гайку (особенно нестандартную)
КО: P511AAA052: гайки
Единица измерения:
ФЗ: ISO13584_25_IEC61360_5_LIBRARY_IMPLICIT_SCHEMA.PROPERTY_VALUE_EXTERNAL_ITEM
ТД: ENTITY_INSTANCE_TYPE
КТС: A58
Примечание: Данное свойство определено для нестандартных гаек
ДНО: 2006-02-22 ДТВ: 2006-02-22
ДТП: 2006-02-22
P511BAA389-1 001
название головки штифта
Определение: Название, идентифицирующее форму головки нестандартного штифта
КО: P511AAA098: штифты
Единица измерения:
ФЗ: M..128
ТД: STRING_TYPE
КТС: A51
Примечание: Данное свойство определено для нестандартных штифтов
ДНО: 2006-02-22 ДТВ: 2006-02-22
ДТП: 2006-02-22
P511BAA390-1 001
изображение головки штифта
Определение: Изображение формы головки нестандартного штифта
КО: P511AAA098: штифты
Единица измерения:
ФЗ: ISO13584_25_IEC61360_5_LIBRARY_IMPLICIT_SCHEMA.PROPERTY_VALUE_EXTERNAL_ITEM
ТД: ENTITY_INSTANCE_TYPE
КТС: A58
Примечание: Данное свойство определено для нестандартных штифтов
ДНО: 2006-02-22 ДТВ: 2006-02-22
ДТП: 2006-02-22
P511BAA391-1 001
название стержня штифта
Определение: Название стержня нестандартного штифта
КО: P511AAA098: штифты
Единица измерения:
ФЗ: M..128
ТД: STRING_TYPE
КТС: A51
Примечание: Данное свойство определено для нестандартных штифтов
ДНО: 2006-02-22 ДТВ: 2006-02-22
ДТП: 2006-02-22
P511BAA392-1 001
изображение стержня штифта
Определение: Изображение формы стержня нестандартного штифта
КО: P511AAA098: штифты
Единица измерения:
ФЗ: ISO13584_25_IEC61360_5_LIBRARY_IMPLICIT_SCHEMA.PROPERTY_VALUE_EXTERNAL_ITEM
ТД: ENTITY_INSTANCE_TYPE
KTC: A58
Примечание: Данное свойство определено для нестандартных штифтов
ДНО: 2006-02-22 ДТВ: 2006-02-22
ДТП: 2006-02-22
P511BAA393-1 001
название конца штифта
Определение: Название формы нестандартного штифта
КО: P511AAA098: штифты
Единица измерения:
ФЗ: M..128
ТД: STRING_TYPE
KTC: A51
Примечание: Данное свойство определено для нестандартных штифтов
ДНО: 2006-02-22 ДТВ: 2006-02-22
ДТП: 2006-02-22
P511BAA394-1 001
изображение конца штифта
Определение: Изображение конца нестандартного штифта
КО: P511AAA098: штифты
Единица измерения:
ФЗ: ISO13584_25_IEC61360_5_LIBRARY_IMPLICIT_SCHEMA.PROPERTY_VALUE_EXTERNAL_ITEM
ТД: ENTITY_INSTANCE_TYPE
KTC: A58
Примечание: Данное свойство определено для нестандартных штифтов
ДНО: 2006-02-22 ДТВ: 2006-02-22
ДТП: 2006-02-22
P511BAA395-1 001
неполная длина резьбы штифта с наружной резьбой
Определение: Неполная длина резьбы на конце штифта с наружной резьбой
КО: P511AAA251: конусные штифты с наружной резьбой
ПБС: u
Единица измерения: мм
ФЗ: NR2..3.3
ТД: REAL_MEASURE_TYPE
КТС: T03
ПИО: ИСО 8737:1986, ИСО 8749:1986
ДНО: 2006-02-22 ДТВ: 2006-02-22
ДТП: 2006-02-22
P511BAA396-1 001
высота фаски на головке штифта
Определение: Высота фаски на головке штифта
КО: P511AAA255: штифты с головкой и отверстием на конце под шплинт
ПБС: e
Единица измерения: мм
ФЗ: NR2..3.3
ТД: REAL_MEASURE_TYPE
КТС: T03
ПИО: ИСО 2341:1986
ДНО: 2006-02-22 ДТВ: 2006-02-22
ДТП: 2006-02-22
P511BAA397-1 001
угол фаски на головке штифта
Определение: Угол фаски на головке штифта
КО: P511AAA255: штифты с головкой и отверстием на конце под шплинт
ПБС: beta
Единица измерения: градус
ФЗ: NR2..3.3
ТД: REAL_MEASURE_TYPE
КТС: T03
ПИО: ИСО 2341:1986
ДНО: 2006-02-22 ДТВ: 2006-02-22
ДТП: 2006-02-22
P511BAA398-1 001
угол канавки насеченного штифта
Определение: Угол канавки насеченного штифта
КО: P511AAA356: насеченные штифты
Единица измерения: мм
ФЗ: NR2..3.3
ТД: LEVEL_TYPE
КТС: T03
ПИО: ИСО 2341:1986
ДНО: 2006-02-22 ДТВ: 2006-02-22
ДТП: 2006-02-22
P511BAA399-1 001
угол потайной головки насеченного штифта
Определение: Угол конусной несущей опорной поверхности насеченного штифта с потайной головкой
КО: P511AAA260: насеченные штифты с потайной головкой
Единица измерения: мм
ФЗ: NR2..3.3
ТД: LEVEL_TYPE
КТС: T03
ПИО: ИСО 8747:1997, ИСО 8749:1986
ДНО: 2006-02-22 ДТВ: 2006-02-22
ДТП: 2006-02-22
P511BAA400-1 001
длина установочного винта
Определение: Полная длина установочного винта
КО: P511AAA186: установочные винты
ПБС: l
Единица измерения: мм
ФЗ: NR2..3.3
ТД: LEVEL_TYPE
КТС: T03
ПИО: ИСО 4027:2003
ДНО: 2006-02-22 ДТВ: 2006-02-22
ДТП: 2006-02-22
P511BAA401-1 001
длина резьбовой шпильки
Определение: Полная длина резьбовой шпильки
КО: P511AAA099: резьбовые шпильки
ПБС: l
Единица измерения: мм
ФЗ: NR2..3.3
ТД: LEVEL_TYPE
КТС: T03
ПИО: ИСО 1891:1979, пункт 21.6
ДНО: 2006-02-22 ДТВ: 2006-02-22
ДТП: 2006-02-22
P511BAA402-1 001
длина винта без головки, со шлицем под отвертку и стержнем
Определение: Полная длина винта без головки, со шлицем под отвертку и стержнем
КО: P511AAA354: винты без головки, со шлицем под отвертку и стержнем
ПБС: l
Единица измерения: мм
ФЗ: NR2..3.3
ТД: LEVEL_TYPE
КТС: T03
ПИО: ИСО 2342:1972
ДНО: 2006-02-22 ДТВ: 2006-02-22
ДТП: 2006-02-22
P511BAA403-1 001
длина штифта с головкой и отверстием на конце под шплинт
Определение: Расстояние между несущей опорной поверхностью и концом штифта с отверстием под шплинт
КО: P511AAA355: штифты с отверстием на конце под шплинт
ПБС: l
Единица измерения: мм
ФЗ: NR2..3.3
ТД: LEVEL_TYPE
КТС: T03
ПИО: ИСО 2341:1986, ИСО 8749:1986
ДНО: 2006-02-22 ДТВ: 2006-02-22
ДТП: 2006-02-22
P511BAA404-1 001
длина штифта без головки с отверстием на конце под шплинт
Определение: Полная длина штифта с отверстием на конце под шплинт
КО: P511AAA355: штифты с отверстием на конце под шплинт
ПБС: l
Единица измерения: мм
ФЗ: NR2..3.3
ТД: LEVEL_TYPE
КТС: T03
ПИО: ИСО 2340:1997, ИСО 8749:1986
ДНО: 2006-02-22 ДТВ: 2006-02-22
ДТП: 2006-02-22
P511BAA405-1 001
длина насеченного штифта без головки
Определение: Полная длина насеченного штифта
КО: P511AAA356: насеченные штифты
ПБС: l
Единица измерения: мм
ФЗ: NR2..3.3
ТД: LEVEL_TYPE
КТС: T03
ПИО: ИСО 8744:1997
ДНО: 2006-02-22 ДТВ: 2006-02-22
ДТП: 2006-02-22
P511BAA406-1 001
длина насеченного штифта с головкой и плоской опорной поверхностью
Определение: Расстояние между несущей опорной поверхностью и концом насеченного штифта
КО: P511AAA356: насеченные штифты
ПБС: l
Единица измерения: мм
ФЗ: NR2..3.3
ТД: LEVEL_TYPE
КТС: T03
ПИО: ИСО 8746:1997
ДНО: 2006-02-22 ДТВ: 2006-02-22
ДТП: 2006-02-22
P511BAA407-1 001
длина насеченного штифта с потайной головкой
Определение: Расстояние от вершины головки до конца насеченного штифта
КО: P511AAA356: насеченные штифты
ПБС: l
Единица измерения: мм
ФЗ: NR2..3.3
ТД: LEVEL_TYPE
КТС: T03
ПИО: ИСО 8747:1997
ДНО: 2006-02-22 ДТВ: 2006-02-22
ДТП: 2006-02-22
P511BAA408-1 001
длина цилиндрического штифта
Определение: Полная длина цилиндрического штифта
КО: P511AAA252: цилиндрические штифты
ПБС: l
Единица измерения: мм
ФЗ: NR2..3.3
ТД:LEVEL_TYPE
КТС: T03
ПИО: ИСО 2338:1997, ИСО 8749:1986
ДНО: 2006-02-22 ДТВ: 2006-02-22
ДТП: 2006-02-22
P511BAA409-1 001
длина пружинного штифта
Определение: Полная длина пружинного штифта
КО: P511AAA357: пружинные штифты
ПБС: l
Единица измерения: мм
ФЗ: NR2..3.3
ТД: LEVEL_TYPE
КТС: T03
ПИО: ИСО 8748:1997
ДНО: 2006-02-22 ДТВ: 2006-02-22
ДТП: 2006-02-22
P511BAA410-1 001
длина конусного штифта
Определение: Полная длина конусного штифта
КО: P511AAA358: конусные штифты
ПБС: l
Единица измерения: мм
ФЗ: NR2..3.3
ТД: LEVEL_TYPE
КТС: T03
ПИО: ИСО 2339:1986
ДНО: 2006-02-22 ДТВ: 2006-02-22
ДТП: 2006-02-22
P511BAA411-1 001
длина заклепки с головкой и плоской опорной поверхностью (выступающая головка)
Определение: Расстояние от несущей опорной поверхности головки до конца стержня заклепки
КО: P511AAA345: заклепки
ПБС: l
Единица измерения: мм
ФЗ: NR2..3.3
ТД: LEVEL_TYPE
КТС: T03
ПИО: ИСО 15973:2000
ДНО: 2006-02-22 ДТВ: 2006-02-22
ДТП: 2006-02-22
P511BAA412-1 001
длина заклепки с потайной головкой
Определение: Расстояние от вершины потайной головки до конца стержня заклепки
КО: P511AAA345: заклепки
ПБС: l
Единица измерения: мм
ФЗ: NR2..3.3
ТД: LEVEL_TYPE
КТС: T03
ПИО: ИСО 15974:2000
ДНО: 2006-02-22 ДТВ: 2006-02-22
ДТП: 2006-02-22
P511BAA414-1 001
диаметр штифта
Определение: Диаметр стержня штифта
КО: P511AAA098: штифты
ПБС: d/d1
Единица измерения: мм
ФЗ: NR2..3.3
ТД: REAL_MEASURE_TYPE
КТС: T03
ПИО: ИСО 2340:1997
ДНО: 2006-02-22 ДТВ: 2006-02-22
ДТП: 2006-02-22
P511BAA415-1 001
диаметр заклепки
Определение: Диаметр стержня заклепки
КО: P511AAA345: заклепки
ПБС: d
Единица измерения: мм
ФЗ: NR2..3.3
ТД: REAL_MEASURE_TYPE
КТС: T03
ПИО: ИСО 15973:2000
ДНО: 2006-02-22 ДТВ: 2006-02-22
ДТП: 2006-02-22
P511BAA416-1 001
длина резьбы гайки
Определение: Длина резьбы гайки
КО: P511AAA052: гайки
ПБС: m
Единица измерения: мм
ФЗ: NR2..3.3
ТД: REAL_MEASURE_TYPE
КТС: T03
Примечание: Как правило, длина резьбы m (что существенно для прочности резьбы гайки на срез) равна высоте гайки m. При этом для гаек, рассчитанных на преобладающее значение крутящего момента, длина резьбы m меньше высоты гайки h
ПИО: ИСО 12126:1997
ДНО: 2006-02-22 ДТВ: 2006-02-22
ДТП: 2006-02-22
P511BAA417-1 001
класс твердости детали из нержавеющей стали
Определение: Идентификационный код диапазона твердости крепежных деталей из нержавеющей стали
КО: P511AAA002: крепежные детали
Единица измерения:
ФЗ: M..30
ТД: NON_QUANTITATIVE_CODE_TYPE
12H - класс твердости 12H детали из нержавеющей стали;
21H - класс твердости 21H детали из нержавеющей стали
КТС: A57
ПИО: ИСО 3506-3:1997
ДНО: 2006-02-22 ДТВ: 2006-02-22
ДТП: 2006-02-22
(обязательное)
E.1 ТЭД классификационных свойств и их значения
В таблице E.1 приведены классификационные свойства и значения крепежных деталей, указанных в настоящем стандарте.
Таблица E.1
ТЭД классификационных свойств и их значения
Код | Предпочтительное имя | Значение | Подкласс |
P511BAA303 | Тип головки | 12PFL | 12-конечные головки с фланцем |
BUT | Полусферические головки |
CHD | Полукруглые головки |
CHS | Плоские цилиндрические головки |
CLD | Цилиндрические головки |
COT | Потайные головки |
CRAI | Круглые поднятые головки |
ELS | Головки в виде проушины |
EYS | Головки в виде глаза |
HEWF | Шестигранные головки с фланцем |
HEX | Шестигранные головки |
HEXO | Шестигранные головки с цилиндрическим буртом |
HEXW | Шестигранные головки с опорным выступом под шайбу |
HWK | Головки с накаткой |
HWW | Головки с лапками |
OTN | Восьмигранные головки |
PAN | Цилиндрические головки с закругленным торцом |
P511BAA303 | Тип головки | RADC | Поднятые потайные головки |
ROH | Полусферические головки |
SQEC | Квадратные головки с цилиндрическим буртом |
SQR | Квадратные головки |
THD | Т-образные головки |
TOM | Головки с воротком |
TRIC | Треугольные головки с фланцем |
P511BAA305 | Тип стержня | FIT | Стержни, устанавливаемые без зазора |
FLS | Нормальные стержни |
RDD | Ступенчатые стержни |
SHD | Стержни с буртом |
SQN | Стержни с квадратным подголовком |
WID | Утоненные стержни |
P511BAA306 | Тип конца детали | ARE | Прокатанные концы деталей |
CET | Плоские концы (тип F) винтов с саморежущей резьбой |
CFE | Концы с фаской |
CON | Конические концы (тип C) винтов с саморежущей резьбой |
CPP | Концы с центровым углублением |
CPT | Конические концы установочного винта |
DGP | Цилиндрические концы |
DRD | Сверлящие концы шурупов |
EOT | Конец винта с выдавливающей резьбой |
FLA | Плоские концы |
PIP | Направляющие концы деталей |
RDE | Закругленные концы |
ROU | Закругленные концы (тип R) винтов с саморежущей резьбой |
SCP | Конические с притуплением концы саморежущих винтов |
TCP | Усеченные конические концы установочных винтов |
TPP | Усеченные направляющие концы деталей |
P511BAA307 | Тип резьбы | MEP | Выдавливающая резьба |
MET | Метрическая наружная резьба |
MIT | Метрическая внутренняя резьба |
TST | Саморежущая резьба |
WST | Резьба винтов для дерева |
P511BAA308 | Тип встроенного привода | 12S | 12-конечное углубление под торцевой ключ |
CRH | Поперечное отверстие |
CRR | Крестообразный шлиц (тип H) |
CZT | Крестообразный шлиц (тип Z) |
HXLS | Шестидольное углубление под торцевой ключ |
HXS | Шестигранное углубление под торцевой ключ |
SLO | Шлиц |
SQS | Квадратное углубление под торцевой ключ |
SSS | Шестишлицевое углубление под торцевой ключ |
TRS | Треугольное углубление под торцевой ключ |
E.2 Методология классификации и механизм ссылок на свойства
В таблице E.2 приведена методология классификации на основе механизма ссылок, установленного в ИСО 13584-42.
Таблица E.2
Методология классификации и механизм ссылок на свойства
Механические компоненты общего пользования |
| Крепежные детали |
| | Крепежные детали с наружной резьбой |
| | | Компоненты крепежных деталей с наружной резьбой |
| | | | Шурупы |
| | | | | P511BAA243 свойства головки (class_instance_type): P511AAA008 |
| | | | | P511BAA245 свойства конца детали (class_instance_type): P511AAA028 |
| | | | | P511BAA246 свойства резьбы (class_instance_type): P511AAA037 |
| | | | | P511BAA247 свойства встроенного привода (class_instance_type): P511AAA042 |
| | | | | | Шурупы с крестообразным шлицем (тип H) и потайной головкой |
| | | | | | | P511BAA303 тип головки = COT |
| | | | | | | P511BAA306 тип конца детали = DRD |
| | | | | | | P511BAA307 тип резьбы = TST |
P511BAA308 тип встроенного привода = CRR |
| | | | | | Шурупы с крестообразным шлицем (тип H), головкой в виде цилиндра и закругленным торцом |
| | | | | | | P511BAA303 тип головки = PAN |
P511BAA306 тип конца детали = DRD |
P511BAA307 тип резьбы = TST |
P511BAA308 тип встроенного привода = CRR |
| | | | | | Шурупы с крестообразным шлицем (тип H) и поднятой потайной головкой |
| | | | | | | P511BAA303 тип головки = RADC |
P511BAA306 тип конца детали = DRD |
P511BAA307 тип резьбы = TST |
P511BAA308 тип встроенного привода = CRR |
| | | | | | Шурупы с крестообразным шлицем (тип Z) и потайной головкой |
| | | | | | | P511BAA303 тип головки = COT |
P511BAA306 тип конца детали = DRD |
P511BAA307 тип резьбы = TST |
P511BAA308 тип встроенного привода = CZT |
| | | | | | Шурупы с саморежущей резьбой, крестообразным шлицем (тип Z) и головкой в виде цилиндра с закругленным торцом |
| | | | | | | P511BAA303 тип головки = PAN |
P511BAA306 тип конца детали = DRD |
P511BAA307 тип резьбы = TST |
P511BAA308 тип встроенного привода = CZT |
| | | | | | Шурупы с крестообразным шлицем (тип Z) и поднятой потайной головкой |
| | | | | | | P511BAA303 тип головки = RADC |
P511BAA306 тип конца детали = DRD |
P511BAA307 тип резьбы = TST |
P511BAA308 тип встроенного привода = CZT |
| | | | | | Шурупы с шестигранной головкой и не отделяемой от нее шайбой |
| | | | | | | P511BAA303 тип головки = HEXO |
P511BAA306 тип конца детали = DRD |
P511BAA307 тип резьбы = TST |
| | | | | Винты без головки, со шлицем под отвертку и стержнем |
| | | | | P511BAA244 свойства стержня (class_instance_type): P511AAA024 |
P511BAA245 свойства конца детали (class_instance_type): P511AAA028 |
P511BAA246 свойства резьбы (class_instance_type): P511AAA037 |
P511BAA247 свойства встроенного привода (class_instance_type): P511AAA042 |
| | | | | | Винты без головки, со шлицем под отвертку и стержнем |
| | | | | | | P511BAA306 тип конца детали = FLA |
P511BAA307 тип резьбы = MET |
P511BAA308 тип встроенного привода = SLO |
| | | | | Болты/винты с метрической резьбой |
| | | | | P511BAA243 свойства головки (class_instance_type): P511AAA008 |
P511BAA244 свойства стержня (class_instance_type): P511AAA024 |
P511BAA245 свойства конца детали (class_instance_type): P511AAA028 |
P511BAA246 свойства резьбы (class_instance_type): P511AAA037 |
P511BAA247 свойства встроенного привода (class_instance_type): P511AAA042 |
| | | | | | Винты с плоской потайной головкой и крестообразным шлицем (тип H) |
| | | | | | | P511BAA303 тип головки = COT |
P511BAA306 тип конца детали = ARE |
P511BAA307 тип резьбы = MET |
P511BAA308 тип встроенного привода = CRR |
| | | | | | Винты с плоской потайной головкой и крестообразным шлицем (тип Z) |
| | | | | | | P511BAA303 тип головки = COT |
P511BAA306 тип конца детали = ARE |
P511BAA307 тип резьбы = MET |
P511BAA308 тип встроенного привода = CZT |
| | | | | | Винты с цилиндрической головкой и крестообразным шлицем (тип H) |
| | | | | | | P511BAA303 тип головки = CHS |
P511BAA306 тип конца детали = ARE |
P511BAA307 тип резьбы = MET |
P511BAA308 тип встроенного привода = CRR |
| | | | | | Винты с головкой в виде цилиндра с закругленным торцом и крестообразным шлицем (тип H) |
| | | | | | | P511BAA303 тип головки = PAN |
P511BAA306 тип конца детали = ARE |
P511BAA307 тип резьбы = MET |
P511BAA308 тип встроенного привода = CRR |
| | | | | | Винты с цилиндрической головкой и крестообразным шлицем (тип Z) |
| | | | | | | P511BAA303 тип головки = CHS |
P511BAA306 тип конца детали = ARE |
P511BAA307 тип резьбы = MET |
P511BAA308 тип встроенного привода = CZT |
| | | | | | Винты с цилиндрической головкой с закругленным торцом и крестообразным шлицем (тип Z) |
| | | | | | | P511BAA303 тип головки = PAN |
P511BAA306 тип конца детали = ARE |
P511BAA307 тип резьбы = MET |
P511BAA308 тип встроенного привода = CZT |
| | | | | | Болты с полукруглой головкой и квадратным подголовком |
| | | | | | | P511BAA303 тип головки = CHD |
P511BAA305 тип стержня = SQN |
P511BAA307 тип резьбы = MET |
| | | | | | Болты с большой полукруглой головкой и квадратным подголовком |
| | | | | | | P511BAA303 тип головки = CHD |
P511BAA305 тип стержня = SQN |
P511BAA306 тип конца детали = FLA |
P511BAA307 тип резьбы = MET |
| | | | | | Болты с шестигранной головкой |
| | | | | | | P511BAA303 тип головки = HEXW |
P511BAA305 тип стержня = FLS |
P511BAA306 тип конца детали = FLA |
P511BAA307 тип резьбы = MET |
| | | | | | Болты с шестигранной головкой, фланцем, мелкой резьбой и нормальным стержнем |
| | | | | | | P511BAA303 тип головки = HEWF |
P511BAA305 тип стержня = FLS |
P511BAA306 тип конца детали = CFE |
P511BAA307 тип резьбы = MET |
| | | | | | Болты с шестигранной головкой, фланцем, мелкой резьбой и ступенчатым стержнем |
| | | | | | | P511BAA303 тип головки = HEWF |
P511BAA305 тип стержня = RDD |
P511BAA306 тип конца детали = CFE |
P511BAA307 тип резьбы = MET |
| | | | | | Болты с шестигранной головкой, фланцем и нормальным стержнем |
| | | | | | | P511BAA303 тип головки = HEWF |
P511BAA305 тип стержня = FLS |
P511BAA306 тип конца детали = FLA |
P511BAA307 тип резьбы = MET |
| | | | | | Болты с шестигранной головкой, фланцем и ступенчатым стержнем |
| | | | | | | P511BAA303 тип головки = HEWF |
P511BAA305 тип стержня = RDD |
P511BAA306 тип конца детали = CFE |
P511BAA307 тип резьбы = MET |
| | | | | | Болты с шестигранной головкой и мелкой метрической резьбой |
| | | | | | | P511BAA303 тип головки = HEXW |
P511BAA305 тип стержня = FLS |
P511BAA306 тип конца детали = CFE |
P511BAA307 тип резьбы = MET |
| | | | | | Винт с шестигранной головкой |
| | | | | | | P511BAA303 тип головки = HEXW |
P511BAA305 тип стержня = FLS |
P511BAA306 тип конца детали = FLA |
P511BAA307 тип резьбы = MET |
| | | | | | Винт с шестигранной головкой с мелкой метрической резьбой |
| | | | | | | P511BAA303 тип головки = HEXW |
P511BAA305 тип стержня = FLS |
P511BAA306 тип конца детали = CFE |
P511BAA307 тип резьбы = MET |
| | | | | | Винт с полусферической головкой и шестигранным углублением под торцевой ключ |
| | | | | | | P511BAA303 тип головки = BUT |
P511BAA306 тип конца детали = FLA |
P511BAA307 тип резьбы = MET |
P511BAA308 тип встроенного привода = HXS |
| | | | | | Винт с потайной головкой и шестигранным углублением под торцевой ключ |
| | | | | | | P511BAA303 тип головки = COT |
P511BAA305 тип стержня = FLS |
P511BAA306 тип конца детали = FLA |
P511BAA307 тип резьбы = MET |
P511BAA308 тип встроенного привода = HXS |
| | | | | | Винт с шестигранной головкой и углублением под торцевой ключ |
| | | | | | | P511BAA303 тип головки = CLD |
P511BAA305 тип стержня = FLS |
P511BAA306 тип конца детали = FLA |
P511BAA307 тип резьбы = MET |
P511BAA308 тип встроенного привода = HXS |
| | | | | | Винт с шестигранной головкой, углублением под торцевой ключ и мелкой метрической резьбой |
| | | | | | | P511BAA303 тип головки = CLD |
P511BAA306 тип конца детали = FLA |
P511BAA307 тип резьбы = MET |
P511BAA308 тип встроенного привода = HXS |
| | | | | | Винт с шестигранной головкой, буртом и углублением под торцевой ключ |
| | | | | | | P511BAA303 тип головки = BUT |
P511BAA305 тип стержня = SHD |
P511BAA306 тип конца детали = FLA |
P511BAA307 тип резьбы = MET |
P511BAA308 тип встроенного привода = HXS |
| | | | | | Винт с цилиндрической головкой и шестидольным углублением под торцевой ключ |
| | | | | | | P511BAA303 тип головки = CHS |
P511BAA306 тип конца детали = ARE |
P511BAA307 тип резьбы = MET |
P511BAA308 тип встроенного привода = HXLS |
| | | | | | Винт с шестидольной головкой с углублением под торцевой ключ |
| | | | | | | P511BAA303 тип головки = CLD |
P511BAA305 тип стержня = FLS |
P511BAA306 тип конца детали = FLA |
P511BAA307 тип резьбы = MET |
P511BAA308 тип встроенного привода = HXLS |
| | | | | | Винт с цилиндрической головкой с закругленным торцом с шестидольным углублением под торцевой ключ |
| | | | | | | P511BAA303 тип головки = PAN |
P511BAA306 тип конца детали = ARE |
P511BAA307 тип резьбы = MET |
P511BAA308 тип встроенного привода = HXLS |
| | | | | | Винт с поднятой потайной головкой с шестидольным углублением под торцевой ключ |
| | | | | | | P511BAA303 тип головки = RADC |
P511BAA306 тип конца детали = ARE |
P511BAA307 тип резьбы = MET |
P511BAA308 тип встроенного привода = HXLS |
| | | | | | Болт с восьмигранной головкой |
| | | | | | | P511BAA303 тип головки = OTN |
P511BAA305 тип стержня = FLS |
P511BAA306 тип конца детали = FLA |
P511BAA307 тип резьбы = MET |
| | | | | | Винт с потайной поднятой головкой и крестообразным шлицем (тип H) |
| | | | | | | P511BAA303 тип головки = RADC |
P511BAA306 тип конца детали = ARE |
P511BAA307 тип резьбы = MET |
P511BAA308 тип встроенного привода = CRR |
| | | | | | Винт с потайной поднятой головкой и крестообразным шлицем (тип Z) |
| | | | | | | P511BAA303 тип головки = RADC |
P511BAA306 тип конца детали = ARE |
P511BAA307 тип резьбы = MET |
P511BAA308 тип встроенного привода = CZT |
| | | | | | Винт с цилиндрической головкой и шлицем |
| | | | | | | P511BAA303 тип головки = CHS |
P511BAA306 тип конца детали = ARE |
P511BAA307 тип резьбы = MET |
P511BAA308 тип встроенного привода = SLO |
| | | | | | Винт с потайной плоской головкой и шлицем |
| | | | | | | P511BAA303 тип головки = COT |
P511BAA306 тип конца детали = ARE |
P511BAA307 тип резьбы = MET |
P511BAA308 тип встроенного привода = SLO |
| | | | | | Винт с головкой в виде цилиндра с закругленным торцом и шлицем |
| | | | | | | P511BAA303 тип головки = PAN |
P511BAA306 тип конца детали = ARE |
P511BAA307 тип резьбы = MET |
P511BAA308 тип встроенного привода = SLO |
| | | | | | Винт с поднятой потайной головкой и шлицем |
| | | | | | | P511BAA303 тип головки = RADC |
P511BAA306 тип конца детали = ARE |
P511BAA307 тип резьбы = MET |
P511BAA308 тип встроенного привода = SLO |
| | | | | | Болт с квадратной головкой |
| | | | | | | P511BAA303 тип головки = SQR |
P511BAA305 тип стержня = FLS |
P511BAA306 тип конца детали = FLA |
P511BAA307 тип резьбы = MET |
| | | | | | Болт с квадратной головкой с цилиндрическим буртом |
| | | | | | | P511BAA303 тип головки = SQEC |
P511BAA305 тип стержня = FLS |
P511BAA306 тип конца детали = FLA |
P511BAA307 тип резьбы = MET |
| | | | | | Болт с T-образной головкой |
| | | | | | | P511BAA303 тип головки = THD |
P511BAA305 тип стержня = FLS |
P511BAA306 тип конца детали = FLA |
P511BAA307 тип резьбы = MET |
| | | | | | Болт с треугольной головкой |
| | | | | | | P511BAA303 тип головки = TRIC |
P511BAA305 тип стержня = FLS |
P511BAA306 тип конца детали = FLA |
P511BAA307 тип резьбы = MET |
| | | | Установочные винты |
| | | | P511BAA245 свойства конца детали (class_instance_type): P511AAA028 |
P511BAA246 свойства резьбы (class_instance_type): P511AAA037 |
P511BAA247 свойства встроенного привода (class_instance_type): P511AAA042 |
| | | | | | Установочные винты с шестигранным углублением под торцевой ключ с коническим концом |
| | | | | | | P511BAA306 тип конца детали = TCP |
P511BAA307 тип резьбы = MET |
P511BAA308 тип встроенного привода = HXS |
| | | | | | Установочные винты с углублением под торцевой ключ и центровым углублением на конце винта |
| | | | | | | P511BAA306 тип конца детали = CPP |
P511BAA307 тип резьбы = MET |
P511BAA308 тип встроенного привода = HXS |
| | | | | | Установочные винты с шестигранным углублением под торцевой ключ и цилиндрическим концом |
| | | | | | | P511BAA306 тип конца детали = DGP |
P511BAA307 тип резьбы = MET |
P511BAA308 тип встроенного привода = HXS |
| | | | | | Установочные винты с шестигранным углублением под торцевой ключ и плоским концом |
| | | | | | | P511BAA306 тип конца детали = FLA |
P511BAA307 тип резьбы = MET |
P511BAA308 тип встроенного привода = HXS |
| | | | | | Установочные винты со шлицем и коническим концом |
| | | | | | | P511BAA306 тип конца детали = TCP |
P511BAA307 тип резьбы = MET |
P511BAA308 тип встроенного привода = SLO |
| | | | | | Установочные винты со шлицем и центровым углублением на конце винта |
| | | | | | | P511BAA306 тип конца детали = CPP |
P511BAA307 тип резьбы = MET |
P511BAA308 тип встроенного привода = SLO |
| | | | | | Установочные винты со шлицем и плоским концом |
| | | | | | | P511BAA306 тип конца детали = FLA |
P511BAA307 тип резьбы = MET |
P511BAA308 тип встроенного привода = SLO |
| | | | | | Установочные винты со шлицем и длинным цилиндрическим концом |
| | | | | | | P511BAA306 тип конца детали = DGP |
P511BAA307 тип резьбы = MET |
P511BAA308 тип встроенного привода = SLO |
| | | | Шпильки |
| | | | P511BAA244 свойства стержня (class_instance_type): P511AAA024 |
P511BAA245 свойства конца детали (class_instance_type): P511AAA028 |
P511BAA246 свойства резьбы (class_instance_type): P511AAA037 |
| | | | | | Шпильки с нормальным стержнем |
| | | | | | | P511BAA306 тип конца детали = FLA |
P511BAA307 тип резьбы = MET |
| | | | | | Шпильки с утоненным стержнем |
| | | | | | | P511BAA306 тип конца детали = FLA |
P511BAA307 тип резьбы = MET |
| | | | Резьбовые шпильки |
| | | | P511BAA246 свойства резьбы (class_instance_type): P511AAA037 |
| | | | Винты с саморежущей резьбой |
| | | | P511BAA243 свойства головки (class_instance_type): P511AAA008 |
P511BAA245 свойства конца детали (class_instance_type): P511AAA028 |
P511BAA246 свойства резьбы (class_instance_type): P511AAA037 |
P511BAA247 свойства встроенного привода (class_instance_type): P511AAA042 |
| | | | | | Винты с саморежущей резьбой, потайной головкой, крестообразным шлицем (тип H) и коническим концом |
| | | | | | | P511BAA303 тип головки = COT |
P511BAA306 тип конца детали = CON |
P511BAA307 тип резьбы = TST |
P511BAA308 тип встроенного привода = CRR |
| | | | | | Винты с саморежущей резьбой, потайной головкой, крестообразным шлицем (тип H) и плоским концом |
| | | | | | | P511BAA303 тип головки = COT |
P511BAA306 тип конца детали = CET |
P511BAA307 тип резьбы = TST |
P511BAA308 тип встроенного привода = CRR |
| | | | | | Винты с саморежущей резьбой, цилиндрической головкой, закругленным торцом, крестообразным шлицем (тип H) и коническим концом |
| | | | | | | P511BAA303 тип головки = PAN |
P511BAA306 тип конца детали = CON |
P511BAA307 тип резьбы = TST |
P511BAA308 тип встроенного привода = CRR |
| | | | | | Винты с саморежущей резьбой, цилиндрической головкой с закругленным торцом, крестообразным шлицем (тип H) и плоским концом |
| | | | | | | P511BAA303 тип головки = PAN |
P511BAA306 тип конца детали = CET |
P511BAA307 тип резьбы = TST |
P511BAA308 тип встроенного привода = CRR |
| | | | | | Винты с саморежущей резьбой, поднятой потайной головкой, крестообразным шлицем (тип H) и коническим концом |
| | | | | | | P511BAA303 тип головки = RADC |
P511BAA306 тип конца детали = CON |
P511BAA307 тип резьбы = TST |
P511BAA308 тип встроенного привода = CRR |
| | | | | | Винты с саморежущей резьбой, поднятой потайной головкой, крестообразным шлицем (тип H) и плоским концом |
| | | | | | | P511BAA303 тип головки = RADC |
P511BAA306 тип конца детали = CET |
P511BAA307 тип резьбы = TST |
P511BAA308 тип встроенного привода = CRR |
| | | | | | Винты с саморежущей резьбой, потайной головкой, крестообразным шлицем (тип Z) и коническим концом |
| | | | | | | P511BAA303 тип головки = COT |
P511BAA306 тип конца детали = CON |
P511BAA307 тип резьбы = TST |
P511BAA308 тип встроенного привода = CZT |
| | | | | | Винты с саморежущей резьбой, потайной головкой, крестообразным шлицем (тип Z) и плоским концом |
| | | | | | | P511BAA303 тип головки = COT |
P511BAA306 тип конца детали = CET |
P511BAA307 тип резьбы = TST |
P511BAA308 тип встроенного привода = CZT |
| | | | | | Винты с саморежущей резьбой, цилиндрической головкой с закругленным торцом, крестообразным шлицем (тип Z) и коническим концом |
| | | | | | | P511BAA303 тип головки = PAN |
P511BAA306 тип конца детали = CON |
P511BAA307 тип резьбы = TST |
P511BAA308 тип встроенного привода = CZT |
| | | | | | Винты с саморежущей резьбой, цилиндрической головкой с закругленным торцом, крестообразным шлицем (тип Z) и плоским концом |
| | | | | | | P511BAA303 тип головки = PAN |
P511BAA306 тип конца детали = CET |
P511BAA307 тип резьбы = TST |
P511BAA308 тип встроенного привода = CZT |
| | | | | | Винты с саморежущей резьбой, поднятой потайной головкой, крестообразным шлицем (тип Z) и коническим концом |
| | | | | | | P511BAA303 тип головки = RADC |
P511BAA306 тип конца детали = CON |
P511BAA307 тип резьбы = TST |
P511BAA308 тип встроенного привода = CZT |
| | | | | | Винты с саморежущей резьбой, поднятой потайной головкой, крестообразным шлицем (тип Z) и плоским концом |
| | | | | | | P511BAA303 тип головки = RADC |
P511BAA306 тип конца детали = CET |
P511BAA307 тип резьбы = TST |
P511BAA308 тип встроенного привода = CZT |
| | | | | | Винты с саморежущей резьбой, шестигранной фланцевой головкой и коническим концом |
| | | | | | | P511BAA303 тип головки = HEWF |
P511BAA306 тип конца детали = CON |
P511BAA307 тип резьбы = TST |
| | | | | | Винты с саморежущей резьбой, шестигранной фланцевой головкой и плоским концом |
| | | | | | | P511BAA303 тип головки = HEWF |
P511BAA306 тип конца детали = CET |
P511BAA307 тип резьбы = TST |
| | | | | | Винты с саморежущей резьбой, шестигранной головкой и коническим концом |
| | | | | | | P511BAA303 тип головки = HEX |
P511BAA306 тип конца детали = CON |
P511BAA307 тип резьбы = TST |
| | | | | | Винты с саморежущей резьбой, шестигранной головкой и плоским концом |
| | | | | | | P511BAA303 тип головки = HEX |
P511BAA306 тип конца детали = CET |
P511BAA307 тип резьбы = TST |
| | | | | | Винты с саморежущей резьбой, шестигранной головкой, неотделяемой от нее шайбой и коническим концом |
| | | | | | | P511BAA303 тип головки = HEXO |
P511BAA306 тип конца детали = CON |
P511BAA307 тип резьбы = TST |
| | | | | | Винты с саморежущей резьбой, шестигранной головкой, неотделяемой от нее шайбой и плоским концом |
| | | | | | | P511BAA303 тип головки = HEXO |
P511BAA306 тип конца детали = CET |
P511BAA307 тип резьбы = TST |
| | | | | | Винты с саморежущей резьбой, потайной головкой, шестидольным углублением под торцевой ключ и коническим концом |
| | | | | | | P511BAA303 тип головки = COT |
P511BAA306 тип конца детали = CON |
P511BAA307 тип резьбы = TST |
P511BAA308 тип встроенного привода = HXLS |
| | | | | | Винты с саморежущей резьбой, потайной головкой, шестидольным углублением под торцевой ключ и плоским концом |
| | | | | | | P511BAA303 тип головки = COT |
P511BAA306 тип конца детали = CET |
P511BAA307 тип резьбы = TST |
P511BAA308 тип встроенного привода = HXLS |
| | | | | | Винты с саморежущей резьбой, потайной головкой, шестидольным углублением под торцевой ключ и закругленным концом |
| | | | | | | P511BAA303 тип головки = COT |
P511BAA306 тип конца детали = ROU |
P511BAA307 тип резьбы = TST |
P511BAA308 тип встроенного привода = HXLS |
| | | | | | Винты с саморежущей резьбой, цилиндрической головкой с закругленным торцом, шестидольным углублением под торцевой ключ и коническим концом |
| | | | | | | P511BAA303 тип головки = PAN |
P511BAA306 тип конца детали = CON |
P511BAA307 тип резьбы = TST |
P511BAA308 тип встроенного привода = HXLS |
| | | | | | Винты с саморежущей резьбой, цилиндрической головкой с закругленным торцом, шестидольным углублением под торцевой ключ и плоским концом |
| | | | | | | P511BAA303 тип головки = PAN |
P511BAA306 тип конца детали = CET |
P511BAA307 тип резьбы = TST |
P511BAA308 тип встроенного привода = HXLS |
| | | | | | Винты с саморежущей резьбой, цилиндрической головкой с закругленным торцом, шестидольным углублением под торцевой ключ и закругленным концом |
| | | | | | | P511BAA303 тип головки = PAN |
P511BAA306 тип конца детали = ROU |
P511BAA307 тип резьбы = TST |
P511BAA308 тип встроенного привода = HXLS |
| | | | | | Винты с саморежущей резьбой, поднятой потайной головкой, шестидольным углублением под торцевой ключ и коническим концом |
| | | | | | | P511BAA303 тип головки = RADC |
P511BAA306 тип конца детали = CON |
P511BAA307 тип резьбы = TST |
P511BAA308 тип встроенного привода = HXLS |
| | | | | | Винты с саморежущей резьбой, поднятой потайной головкой, шестидольным углублением под торцевой ключ и плоским концом |
| | | | | | | P511BAA303 тип головки = RADC |
P511BAA306 тип конца детали = CET |
P511BAA307 тип резьбы = TST |
P511BAA308 тип встроенного привода = HXLS |
| | | | | | Винты с саморежущей резьбой, поднятой потайной головкой, шестидольным углублением под торцевой ключ и закругленным концом |
| | | | | | | P511BAA303 тип головки = RADC |
P511BAA306 тип конца детали = ROU |
P511BAA307 тип резьбы = TST |
P511BAA308 тип встроенного привода = HXLS |
| | | | | | Винты с саморежущей резьбой, потайной (плоской) головкой, шлицем и коническим концом |
| | | | | | | P511BAA303 тип головки = COT |
P511BAA306 тип конца детали = CON |
P511BAA307 тип резьбы = TST |
P511BAA308 тип встроенного привода = SLO |
| | | | | | Винты с саморежущей резьбой, потайной (плоской) головкой, шлицем и плоским концом |
| | | | | | | P511BAA303 тип головки = COT |
P511BAA306 тип конца детали = CET |
P511BAA307 тип резьбы = TST |
P511BAA308 тип встроенного привода = SLO |
| | | | | | Винты с саморежущей резьбой, цилиндрической головкой с закругленным торцом, шлицем и коническим концом |
| | | | | | | P511BAA303 тип головки = PAN |
P511BAA306 тип конца детали = CON |
P511BAA307 тип резьбы = TST |
P511BAA308 тип встроенного привода = SLO |
| | | | | | Винты с саморежущей резьбой, цилиндрической головкой с закругленным торцом, шлицем и плоским концом |
| | | | | | | P511BAA303 тип головки = PAN |
P511BAA306 тип конца детали = CET |
P511BAA307 тип резьбы = TST |
P511BAA308 тип встроенного привода = SLO |
| | | | | | Винты с саморежущей резьбой, поднятой (купольной) потайной головкой, шлицем и коническим концом |
| | | | | | | P511BAA303 тип головки = RADC |
P511BAA306 тип конца детали = CON |
P511BAA307 тип резьбы = TST |
P511BAA308 тип встроенного привода = SLO |
| | | | | | Винты с саморежущей резьбой, поднятой (купольной) потайной головкой, шлицем и плоским концом |
| | | | | | | P511BAA303 тип головки = RADC |
P511BAA306 тип конца детали = CET |
P511BAA307 тип резьбы = TST |
P511BAA308 тип встроенного привода = SLO |
| | | | Винты с выдавливающей резьбой |
| | | | P511BAA243 свойства головки (class_instance_type): P511AAA008 |
P511BAA244 свойства стержня (class_instance_type): P511AAA024 |
P511BAA245 свойства конца детали (class_instance_type): P511AAA028 |
P511BAA246 свойства резьбы (class_instance_type): P511AAA037 |
P511BAA247 свойства встроенного привода (class_instance_type): P511AAA042 |
| | | | Винты для дерева |
| | | | P511BAA243 свойства головки (class_instance_type): P511AAA008 |
P511BAA244 свойства стержня (class_instance_type): P511AAA024 |
P511BAA245 свойства конца детали (class_instance_type): P511AAA028 |
P511BAA246 свойства резьбы (class_instance_type): P511AAA037 |
P511BAA247 свойства встроенного привода (class_instance_type): P511AAA042 |
| | | Признаки крепежных деталей с наружной резьбой |
| | | | Концы деталей |
| | | | Классификационное свойство: P511BAA306 тип конца детали |
| | | | | | Прокатанный конец |
| | | | | | | P511BAA306 тип конца детали = ARE |
| | | | | | Концы деталей с фаской |
| | | | | | | P511BAA306 тип конца детали = CFE |
| | | | | | Конический конец (тип C) винтов с саморежущей резьбой |
| | | | | | | P511BAA306 тип конца детали = CON |
| | | | | | Конический конец |
| | | | | | | P511BAA306 тип конца детали = CPT |
| | | | | | Конец детали с углублением в центре |
| | | | | | | P511BAA306 тип конца детали = CPP |
| | | | | | Цилиндрический конец детали |
| | | | | | | P511BAA306 тип конца детали = DGP |
| | | | | | Сверлящий конец шурупа |
| | | | | | | P511BAA306 тип конца детали = DRD |
| | | | | | Конец винта с выдавливающей резьбой |
| | | | | | | P511BAA306 тип конца детали = EOT |
| | | | | | Плоский конец (тип F) винта с саморежущей резьбой |
| | | | | | | P511BAA306 тип конца детали = CET |
| | | | | | Плоский конец |
| | | | | | | P511BAA306 тип конца детали = FLA |
| | | | | | Направляющий конец детали |
| | | | | | | P511BAA306 тип конца детали = PIP |
| | | | | | Закругленный конец |
| | | | | | | P511BAA306 тип конца детали = RDE |
| | | | | | Закругленный конец (тип R) винта с саморежущей резьбой |
| | | | | | | P511BAA306 тип конца детали = ROU |
| | | | | | Конический с притуплением конец винта с саморежущей резьбой |
| | | | | | | P511BAA306 тип конца детали = SCP |
| | | | | | Усеченный конический конец установочного винта |
| | | | | | | P511BAA306 тип конца детали = TCP |
| | | | | | Усеченный направляющий конец детали |
| | | | | | | P511BAA306 тип конца детали = TPP |
| | | | Головки |
| | | | Классификационное свойство: P511BAA303 тип головки |
| | | | | | 12-конечная головка с фланцем |
| | | | | | | P511BAA303 тип головки = 12PFL |
| | | | | | Полусферическая головка |
| | | | | | | P511BAA303 тип головки = BUT |
| | | | | | Цилиндрическая головка |
| | | | | | | P511BAA303 тип головки = CHS |
| | | | | | Потайная головка |
| | | | | | | P511BAA303 тип головки = COT |
| | | | | | Полукруглая головка |
| | | | | | | P511BAA303 тип головки = CHD |
| | | | | | Цилиндрическая головка |
| | | | | | | P511BAA303 тип головки = CLD |
| | | | | | Головка в виде глаза |
| | | | | | | P511BAA303 тип головки = EYS |
| | | | | | Головка в виде проушины |
| | | | | | | P511BAA303 тип головки = ELS |
| | | | | | Головка с накаткой |
| | | | | | | P511BAA303 тип головки = HWK |
| | | | | | Головка с воротком |
| | | | | | | P511BAA303 тип головки = TOM |
| | | | | | Головка с лапками |
| | | | | | | P511BAA303 тип головки = HWW |
| | | | | | Шестигранная головка |
| | | | | | | P511BAA303 тип головки = HEX |
| | | | | | Шестигранная головка с цилиндрическим буртом |
| | | | | | | P511BAA303 тип головки = HEXO |
| | | | | | Шестигранная головка с фланцем |
| | | | | | | P511BAA303 тип головки = HEWF |
| | | | | | Шестигранная головка с опорным выступом под шайбу |
| | | | | | | P511BAA303 тип головки = HEXW |
| | | | | | Восьмигранная головка |
| | | | | | | P511BAA303 тип головки = OTN |
| | | | | | Головка в виде цилиндра с закругленным торцом |
| | | | | | | P511BAA303 тип головки = PAN |
| | | | | | Поднятая круглая головка |
| | | | | | | P511BAA303 тип головки = CRAI |
| | | | | | Поднятая потайная головка |
| | | | | | | P511BAA303 тип головки = RADC |
| | | | | | Полусферическая головка |
| | | | | | | P511BAA303 тип головки = ROH |
| | | | | | Квадратная головка |
| | | | | | | P511BAA303 тип головки = SQR |
| | | | | | Квадратная головка с цилиндрическим буртом |
| | | | | | | P511BAA303 тип головки = SQEC |
| | | | | | T- образная головка |
| | | | | | | P511BAA303 тип головки = THD |
| | | | | | Треугольная головка с фланцем |
| | | | | | | P511BAA303 тип головки = TRIC |
| | | | Встроенный привод |
| | | | Классификационное свойство: P511BAA308 тип встроенного привода |
| | | | | | 12-конечное углубление под торцевой ключ |
| | | | | | | P511BAA308 тип встроенного привода = 12 S |
| | | | | | Поперечное отверстие |
| | | | | | | P511BAA308 тип встроенного привода = CRH |
| | | | | | Крестообразный шлиц (тип H) |
| | | | | | | P511BAA308 тип встроенного привода = CRR |
| | | | | | Крестообразный шлиц (тип Z) |
| | | | | | | P511BAA308 тип встроенного привода = CZT |
| | | | | | Шестигранное углубление под торцевой ключ |
| | | | | | | P511BAA308 тип встроенного привода = HXS |
| | | | | | Шестидольное углубление под торцевой ключ |
| | | | | | | P511BAA308 тип встроенного привода = HXLS |
| | | | | | Шестишлицевое углубление под торцевой ключ |
| | | | | | | P511BAA308 тип встроенного привода = SSS |
| | | | | | Шлиц |
| | | | | | | P511BAA308 тип встроенного привода = SLO |
| | | | | | Квадратное углубление под торцевой ключ |
| | | | | | | P511BAA308 тип встроенного привода = SQS |
| | | | | | Треугольное углубление под торцевой ключ |
| | | | | | | P511BAA308 тип встроенного привода = TRS |
| | | | Стержень |
| | | | Классификационное свойство: P511BAA305 тип стержня |
| | | | | | Стержень, устанавливаемый без зазора |
| | | | | | | P511BAA305 тип стержня = FIT |
| | | | | | Нормальный стержень |
| | | | | | | P511BAA305 тип стержня = FLS |
| | | | | | Ступенчатый стержень |
| | | | | | | P511BAA305 тип стержня = RDD |
| | | | | | Стержень с квадратным подголовком |
| | | | | | | P511BAA305 тип стержня = SQN |
| | | | | | Бурт |
| | | | | | | P511BAA305 тип стержня = SHD |
| | | | | | Утоненный стержень |
| | | | | | | P511BAA305 тип стержня = WID |
| | Гайки |
| | P511BAA246 свойства резьбы (class_instance_type): P511AAA037 |
| | | Накидная гайка |
| | | P511BAA307 тип резьбы = MIT |
| | | Глухая (колпачковая) гайка |
| | | P511BAA307 тип резьбы = MIT |
| | | Шестигранная корончатая гайка |
| | | P511BAA307 тип резьбы = MIT |
| | | Шестигранная гайка (стиль 1) |
| | | P511BAA307 тип резьбы = MIT |
| | | Шестигранная гайка с цилиндрическим буртом |
| | | P511BAA307 тип резьбы = MIT |
| | | Шестигранная гайка с фланцем |
| | | P511BAA307 тип резьбы = MIT |
| | | Шестигранная гайка (стиль 2) |
| | | P511BAA307 тип резьбы = MIT |
| | | Шестигранная тонкая гайка (с фаской) |
| | | P511BAA307 тип резьбы = MIT |
| | | Шестигранная тонкая гайка (без фаски) |
| | | P511BAA307 тип резьбы = MIT |
| | | Восьмигранная гайка |
| | | P511BAA307 тип резьбы = MIT |
| | | Пятигранная гайка |
| | | P511BAA307 тип резьбы = MIT |
| | | Цельнометаллическая шестигранная гайка, рассчитанная на преобладающее значение крутящего момента (стиль 1) |
| | | P511BAA307 тип резьбы = MIT |
| | | Цельнометаллическая шестигранная гайка, рассчитанная на преобладающее значение крутящего момента (стиль 2) |
| | | P511BAA307 тип резьбы = MIT |
| | | Цельнометаллическая шестигранная гайка с фланцем, рассчитанная на преобладающее значение крутящего момента |
| | | P511BAA307 тип резьбы = MIT |
| | | Шестигранная гайка с фланцем и неметаллической вставкой, рассчитанная на преобладающее значение крутящего момента |
| | | P511BAA307 тип резьбы = MIT |
| | | Шестигранная гайка с неметаллической вставкой, рассчитанная на преобладающее значение крутящего момента (стиль 1) |
| | | P511BAA307 тип резьбы = MIT |
| | | Шестигранная гайка с неметаллической вставкой, рассчитанная на преобладающее значение крутящего момента (стиль 2) |
| | | P511BAA307 тип резьбы = MIT |
| | | Круглая гайка с отверстиями на торце под ключ |
| | | P511BAA307 тип резьбы = MIT |
| | | Круглая гайка с радиально расположенными отверстиями |
| | | P511BAA307 тип резьбы = MIT |
| | | Круглая гайка с накаткой |
| | | P511BAA307 тип резьбы = MIT |
| | | Круглая гайка со шлицем на торце |
| | | P511BAA307 тип резьбы = MIT |
| | | Круглая гайка со шлицами сбоку |
| | | P511BAA307 тип резьбы = MIT |
| | | Шестигранная гайка со шлицем |
| | | P511BAA307 тип резьбы = MIT |
| | | Квадратная гайка |
| | | P511BAA307 тип резьбы = MIT |
| | | Квадратная гайка с цилиндрическим буртом |
| | | P511BAA307 тип резьбы = MIT |
| | | Треугольная гайка с цилиндрическим буртом |
| | | P511BAA307 тип резьбы = MIT |
| | | Гайка-барашек |
| | | P511BAA307 тип резьбы = MIT |
| | Штифт |
| | | Штифт с отверстием на конце под шплинт |
| | | | Штифт с головкой и отверстием на конце под шплинт |
| | | | Штифт без головки и отверстием на конце под шплинт |
| | | Насеченный штифт |
| | | | Насеченный штифт с потайной головкой |
| | | | Насеченный штифт с полусферической головкой |
| | | | Насеченный штифт с параллельными канавками по всей длине и фаской |
| | | | Насеченный штифт с параллельными канавками по всей длине и направляющей |
| | | | Насеченный штифт с конусной канавкой по всей длине |
| | | | Насеченный штифт с центральной канавкой до половины длины |
| | | | Насеченный штифт с обратной конусной канавкой до половины длины |
| | | | Насеченный штифт с конусной канавкой до половины длины |
| | | | Насеченный штифт с центральной канавкой до трети длины |
| | | Цилиндрический штифт |
| | | P511BAA246 свойства резьбы (class_instance_type): P511AAA037 |
| | | | Цилиндрический штифт с внутренней резьбой |
| | | | P511BAA307 тип резьбы = MIT |
| | | Разрезной штифт |
Пружинный штифт |
| | | | Навитый пружинный прямой штифт |
Пружинный прямой штифт со шлицем |
| | | Конусный штифт |
P511BAA246 свойства резьбы (class_instance_type): P511AAA037 |
| | | | Простой конусный штифт |
Конусный штифт с наружной резьбой |
| | | | P511BAA307 тип резьбы = MET |
| | | | Конусный штифт с внутренней резьбой |
| | | | P511BAA307 тип резьбы = MIT |
| | Заклепки |
| | | Односторонняя заклепка |
| | | | Односторонняя заклепка с закрытым концом, сердечником и потайной головкой |
Односторонняя заклепка с закрытым концом, сердечником и выступающей головкой |
Односторонняя заклепка с открытым концом, сердечником и потайной головкой |
Односторонняя заклепка с открытым концом, сердечником и выступающей головкой |
| | | Заклепка с нормальным стержнем |
| | | Полутрубчатая заклепка |
| | | Трубчатая заклепка шайбы |
| | Шайбы |
| | | Разрезная пружинная шайба |
| | | | Потайная пилообразная шайба с наружным зацеплением |
Потайная зубчатая разрезная пружинная шайба с наружным зацеплением |
Разрезная пружинная шайба с наружным зацеплением |
Разрезная пружинная шайба с внутренним зацеплением |
Пилообразная пружинная шайба с наружным зацеплением |
Пилообразная пружинная шайба с внутренним зацеплением |
| | | Плоские шайбы |
| | | | Плоская шайба с двойной фаской |
Плоская шайба с наружной фаской |
Плоская шайба с квадратным отверстием |
Плоская шайба без фаски |
Квадратная шайба с круглым отверстием |
| | | Пружинная шайба |
| | | | Конусная пружинная шайба |
Изогнутая пружинная шайба |
Разрезная пружинная шайба |
Волнистая пружинная шайба |
| | | Квадратная коническая шайба |
Лапчатая шайба |
| | | | Шайба с наружным отгибным стопором |
Шайба с внутренним отгибным стопором |
Лапчатая шайба с длинной лапкой |
Лапчатая шайба с длинной лапкой и крылышком |
| Резьбы |
Классификационное свойство: P511BAA307 тип резьбы |
| | Метрическая наружная резьба |
P511BAA307 тип резьбы = MET |
Метрическая внутренняя резьба |
P511BAA307 тип резьбы = MIT |
Саморежущая резьба |
P511BAA307 тип резьбы = TST |
Выдавливающая резьба |
P511BAA307 тип резьбы = MEP |
Резьба для дерева |
P511BAA307 тип резьбы = WST |
(обязательное)
КОМПЬЮТЕРНОЕ ПРЕДСТАВЛЕНИЕ
СЛОВАРЯ КРЕПЕЖНЫХ ДЕТАЛЕЙ
Словарь ссылок, приведенный в настоящем стандарте, может быть представлен в виде компьютерного файла, соответствующего библиотечно-интегрированной информационной модели 25, класса соответствия 2, определенной в ИСО 13584-25. Данный файл использует метод реализации, установленный в ИСО 10303-21.
Данный файл представлен в сети Интернет по адресу:
CNIS:
http://www.cnis.gov.cn/dmis/sc4/plib511/ISO13584_p511_fasteners.zip
PLIB Website:
http://www.plib.ensma.fr/plib/datas/p511_fasteners/ISO13584_part511_fasteners.zip
SC4ONLINE:
http://www.tc184-sc4.org/parts/ISO13584_part511_fasteners.zip
Компьютерное представление словаря обеспечивает возможность генерации требуемой версии DHTML в Интернете:
CNIS:
http://www.cnis.gov.cn/dmis/sc4/plib511/ISO13584_p511_html_viewer.html
PLIB Website:
http://www.plib.ensma.fr/plib/datas/p511_fasteners/viewer/ISO13584_part511_html_viewer.html
SC4ONLINE:
http://www.tc184-sc4.org/parts/ISO13584_part511_html_viewer.html
(справочное)
УПРОЩЕННЫЕ ЧЕРТЕЖИ КЛАССОВ ПРИЗНАКОВ,
КЛАССОВ КОМПОНЕНТОВ И ИХ СВОЙСТВА
В таблице G.1 приведены упрощенные чертежи классов признаков, классов компонентов и их свойств, определенных в настоящем стандарте.
Таблица G.1
Упрощенные чертежи классов
Код | Предпочтительное имя | Код | Предпочтительное имя |
P511AAA006 | Конец винта с выдавливающей резьбой | P511AAA009 | Шестигранная головка |
| |
P511AAA010 | Шестигранная головка с опорным выступом под шайбу | P511AAA011 | Шестигранная головка с фланцем |
| |
P511AAA012 | Сверлящий конец шурупа | P511AAA013 | Квадратная головка с цилиндрическим буртом |
| |
P511AAA014 | T-образная головка | P511AAA015 | Полусферическая головка |
| |
P511AAA016 | Цилиндрическая головка | P511AAA017 | Цилиндрическая поднятая головка |
| |
P511AAA018 | Головка в виде цилиндра с закругленным торцом | P511AAA019 | Потайная головка |
| |
P511AAA020 | Поднятая потайная головка | P511AAA021 | Головка в виде глаза |
| |
P511AAA022 | Головка в виде проушины | P511AAA023 | Квадратная головка |
| |
P511AAA025 | Стержень с квадратным подголовком | P511AAA027 | Плоская шайба с наружной фаской |
| |
P511AAA029 | Прокатанный конец | P511AAA030 | Закругленный конец |
| |
P511AAA031 | Конец с фаской | P511AAA032 | Конический конец установочного винта |
| |
P511AAA033 | Усеченный конический конец установочного винта | P511AAA034 | Конец винта с центровым углублением |
| |
P511AAA035 | Цилиндрический конец | P511AAA036 | Конический с притуплением конец винта с саморежущей резьбой |
| |
P511AAA038 | Наружная метрическая резьба | P511AAA039 | Саморежущая резьба |
| |
P511AAA041 | Резьба винтов для дерева | P511AAA043 | Шестигранное углубление под торцевой ключ |
| |
P511AAA044 | Шлиц | P511AAA045 | Крестообразный шлиц (тип H) |
| |
P511AAA046 | Головка с воротком | P511AAA047 | Болты с шестигранной головкой, фланцем и нормальным стержнем |
| |
P511AAA050 | Винт с головкой и шестидольным углублением под торцевой ключ | P511AAA051 | Болты с полукруглой головкой и квадратным подголовком |
| |
P511AAA071 | Шпильки с утоненным стержнем | P511AAA081 | Болты с шестигранной головкой, фланцем, мелкой резьбой и нормальным стержнем |
| |
P511AAA082 | Односторонняя заклепка с открытым концом, сердечником и потайной головкой | P511AAA089 | Квадратная шайба с круглым отверстием |
| |
P511AAA091 | Шпилька с нормальным стержнем | P511AAA093 | Односторонняя заклепка с открытым концом, сердечником и выступающей головкой |
| |
P511AAA099 | Резьбовая шпилька | P511AAA119 | Треугольная головка с фланцем |
| |
P511AAA120 | Восьмигранная головка | P511AAA121 | 12-конечная головка с фланцем |
| |
P511AAA122 | Цилиндрическая головка | P511AAA125 | Нормальный стержень |
| |
P511AAA126 | Ступенчатый стержень | P511AAA127 | Утоненный стержень |
| |
P511AAA130 | Конический конец (тип C) винта с саморежущей резьбой | P511AAA131 | Плоский конец |
| |
P511AAA128 | Стержень, устанавливаемый без зазора | P511AAA129 | Стержень с буртом |
| |
P511AAA132 | Плоский конец (тип F) винта с саморежущей резьбой | P511AAA136 | Плоская шайба с квадратным отверстием |
| |
P511AAA137 | Конусная пружинная шайба | P511AAA138 | Закругленный конец (тип R) винта с саморежущей резьбой |
| |
P511AAA139 | Винт с саморежущей резьбой, цилиндрической головкой с закругленным торцом, шлицем и плоским концом (тип F) | P511AAA140 | Треугольное углубление под торцевой ключ |
| |
P511AAA141 | Квадратное углубление под торцевой ключ | P511AAA142 | Шестишлицевое углубление под торцевой ключ |
| |
P511AAA143 | 12-конечное углубление под торцевой ключ | P511AAA144 | Винт с саморежущей резьбой, цилиндрической головкой с закругленным торцом, крестообразным шлицем (тип Z) и плоским концом |
| |
P511AAA146 | Болт с шестигранной головкой, фланцем с мелкой резьбой и ступенчатым стержнем | P511AAA147 | Поперечное отверстие |
| |
P511AAA148 | Разрезная пружинная шайба | P511AAA150 | Изогнутая пружинная шайба |
| |
P511AAA156 | Болт с шестигранной головкой | P511AAA157 | Болт с шестигранной головкой, фланцем и ступенчатым стержнем |
| |
P511AAA158 | Болт с большой полукруглой головкой и квадратным подголовком | P511AAA159 | Болт с квадратной головкой |
| |
P511AAA160 | Болт с квадратной головкой и цилиндрическим буртом | P511AAA161 | Волнистая пружинная шайба |
| |
P511AAA162 | Болт с треугольной головкой | P511AAA163 | Болт с восьмигранной головкой |
| |
P511AAA164 | Зубчатая шайба с наружным зацеплением | P511AAA166 | Болт с T-образной головкой |
| |
P511AAA168 | Зубчатая шайба с внутренним зацеплением | P511AAA169 | Винт с шестигранной головкой |
| |
P511AAA170 | Головка с шестигранным углублением под торцевой ключ | P511AAA171 | Винт с буртом и шестигранным углублением под торцевой ключ |
| |
P511AAA172 | Винт с полусферической головкой и шестигранным углублением под торцевой ключ | P511AAA173 | Винт с потайной головкой и шестигранным углублением под торцевой ключ |
| |
P511AAA174 | Винт с круглой головкой и шестидольным углублением под торцевой ключ | P511AAA175 | Винт с цилиндрической головкой с закругленным торцом с шестидольным углублением под торцевой ключ |
| |
P511AAA176 | Винт с поднятой потайной головкой и шестидольным углублением под торцевой ключ | P511AAA177 | Винт с плоской цилиндрической головкой и шлицем |
| |
P511AAA178 | Винт с цилиндрической головкой с закругленным торцом и шлицем | P511AAA179 | Винт с потайной плоской головкой и шлицем |
| |
P511AAA180 | Винт с поднятой потайной головкой и шлицем | P511AAA181 | Винт с плоской цилиндрической головкой и крестообразным шлицем (тип H) |
| |
Продолжение таблицы G.1
Код | Предпочтительное имя | Код | Предпочтительное имя |
P511AAA182 | Винт с цилиндрической головкой с закруглением и крестообразным шлицем (тип H) | P511AAA183 | Потайная зубчатая шайба с наружным зацеплением |
| |
P511AAA184 | Винт с плоской потайной головкой и крестообразным шлицем (тип H) | P511AAA185 | Винт с потайной поднятой головкой и крестообразным шлицем (тип H) |
| |
P511AAA187 | Винт без головки со шлицем под отвертку и стержнем | P511AAA188 | Винт без головки с плоским концом и шестигранным углублением под торцевой ключ |
| |
P511AAA189 | Установочный винт с шестигранным углублением под торцевой ключ и коническим концом | P511AAA190 | Винт с шестигранным углублением под торцевой ключ и цилиндрическим концом |
| |
P511AAA191 | Винт с шестигранным углублением под торцевой ключ и центровым углублением на конце | P511AAA192 | Установочный винт со шлицем и коническим концом |
| |
P511AAA193 | Винт со шлицем с плоским концом | P511AAA194 | Установочный винт со шлицем и длинным цилиндрическим концом |
| |
P511AAA195 | Винт со шлицем и центровым углублением на конце | P511AAA197 | Винт с саморежущей резьбой, шестигранной головкой и коническим концом |
| |
P511AAA198 | Винт с саморежущей резьбой, цилиндрической головкой с закругленным торцом, шлицем и коническим концом | P511AAA199 | Винт с саморежущей резьбой, с потайной (плоской) головкой, шлицем и коническим концом |
| |
P511AAA200 | Винт с саморежущей резьбой, поднятой (купольной) потайной головкой, шлицем и коническим концом | P511AAA201 | Винт с саморежущей резьбой, цилиндрической головкой с закругленным торцом с крестообразным шлицем (тип H) и коническим концом |
| |
P511AAA202 | Винт с саморежущей резьбой, шестигранной головкой, фланцем и коническим концом | P511AAA203 | Винт с саморежущей резьбой, потайной головкой, крестообразным шлицем и коническим концом |
| |
P511AAA204 | Винт с саморежущей резьбой, поднятой потайной головкой, крестообразным шлицем (тип H) и коническим концом | P511AAA205 | Винт с саморежущей резьбой, шестигранной головкой, неотделяемой от нее шайбой и коническим концом |
| |
P511AAA206 | Винт с саморежущей резьбой, цилиндрической головкой с закругленным торцом, шестидольным углублением под торцевой ключ и коническим концом | P511AAA207 | Винт с саморежущей резьбой, шестидольным углублением под торцевой ключ, потайной головкой и коническим концом |
| |
P511AAA208 | Винт с шестидольным углублением под торцевой ключ и поднятой потайной головкой | P511AAA209 | Винт с саморежущей резьбой, потайной головкой и коническим концом |
| |
P511AAA211 | Шуруп с шестигранной головкой и не отделяемой от нее шайбой | P511AAA212 | Шуруп с крестообразным шлицем (тип H), цилиндрической головкой с закругленным торцом |
| |
P511AAA213 | Шуруп с крестообразным шлицем (тип H) с потайной головкой | P511AAA214 | Шуруп с крестообразным шлицем (тип H) с поднятой потайной головкой |
| |
P511AAA215 | Пилообразная разрезная пружинная шайба с наружным зацеплением | P511AAA216 | Пилообразная разрезная пружинная шайба с внутренним зацеплением |
| |
P511AAA217 | Шестигранная головка с цилиндрическим буртом | P511AAA218 | Потайная пилообразная разрезная пружинная шайба с наружным зацеплением |
| |
P511AAA219 | Лапчатая шайба с длинной лапкой | P511AAA220 | Лапчатая шайба с длинной лапкой и крылышком |
| |
P511AAA221 | Шайба с наружным отгибным стопором | P511AAA222 | Шестидольное углубление под торцевой ключ |
| |
P511AAA223 | Полусферическая головка | P511AAA224 | Шайба с внутренним отгибным стопором |
| |
P511AAA226 | Винт с саморежущей резьбой, шестидольным углублением под торцевой ключ, потайной головкой и плоским концом | P511AAA227 | Шестигранная гайка со шлицами |
| |
P511AAA228 | Шестигранная гайка с фланцем | P511AAA229 | Шестигранная корончатая гайка |
| |
P511AAA232 | Круглая гайка с отверстиями на торце под ключ | P511AAA235 | Плоская шайба без фаски |
| |
P511AAA237 | Квадратная коническая шайба | P511AAA238 | Винт с саморежущей резьбой, шестидольным углублением под торцевой ключ, потайной головкой и закругленным концом |
| |
P511AAA239 | Винты с саморежущей резьбой, шестидольным углублением под торцевой ключ, цилиндрической головкой с закругленным торцом и плоским концом | P511AAA242 | Винт с саморежущей резьбой, цилиндрической головкой с закругленным торцом, шестидольным углублением под торцевой ключ и закругленным концом |
| |
P511AAA243 | Винт с саморежущей резьбой, шестигранной головкой, неотделяемой шайбой и плоским концом | P511AAA244 | Винты с саморежущей резьбой, поднятой потайной головкой, крестообразным шлицем (тип H) и плоским концом |
| |
P511AAA245 | Односторонняя заклепка с закрытым концом, сердечником и выступающей головкой | P511AAA246 | Односторонняя заклепка с закрытым концом, сердечником и потайной головкой |
| |
P511AAA248 | Разрезной штифт | P511AAA249 | Простой конусный штифт |
| |
P511AAA250 | Конусный штифт с внутренней резьбой | P511AAA251 | Конусный штифт с наружной резьбой |
| |
P511AAA252 | Цилиндрический штифт | P511AAA253 | Цилиндрический штифт с внутренней резьбой |
| |
P511AAA255 | Штифт с головкой | P511AAA257 | Насеченный штифт с параллельными канавками по всей длине и направляющей |
| |
P511AAA258 | Насеченный штифт с параллельными канавками по всей длине и фаской | P511AAA259 | Насеченный штифт с полусферической головкой |
| |
P511AAA260 | Насеченный штифт с потайной головкой | P511AAA261 | Пружинный прямой штифт со шлицем |
| |
P511AAA265 | Насеченный штифт с обратной конусной канавкой до половины длины | P511AAA267 | Винт с саморежущей резьбой, поднятой потайной головкой, крестообразным шлицем (тип Z) и плоским концом |
| |
P511AAA268 | Винт с саморежущей резьбой, потайной головкой с крестообразным шлицем (тип Z) и плоским концом | P511AAA269 | Винт с саморежущей резьбой, потайной головкой с крестообразным шлицем и плоским концом |
| |
P511AAA270 | Винты с саморежущей резьбой, цилиндрической головкой с закругленным торцом, с крестообразным шлицем (тип H) и плоским концом | P511AAA271 | Винт с саморежущей резьбой, шестигранной фланцевой головкой и плоским концом |
| |
P511AAA272 | Крестообразный шлиц (тип Z) | P511AAA278 | Насеченный штифт с конусной канавкой до половины длины |
| |
P511AAA279 | Винт с круглой головкой и крестообразным шлицем (тип Z) | P511AAA280 | Винт с цилиндрической головкой с закругленным торцом и крестообразным шлицем (тип Z) |
| |
P511AAA281 | Винт с плоской потайной головкой и крестообразным шлицем (тип Z) | P511AAA282 | Винт с потайной поднятой головкой и крестообразным шлицем (тип Z) |
| |
P511AAA283 | Винт с саморежущей резьбой, цилиндрической головкой с закругленным торцом, крестообразным шлицем (тип Z) и коническим концом | P511AAA284 | Винт с саморежущей резьбой, потайной головкой, крестообразным шлицем (тип Z) и коническим концом |
| |
P511AAA285 | Винт с саморежущей резьбой, поднятой потайной головкой, крестообразным шлицем (тип Z) и коническим концом | P511AAA286 | Шуруп с саморежущей резьбой, крестообразным шлицем (тип Z), цилиндрической головкой с закругленным торцом |
| |
P511AAA287 | Шуруп с крестообразным шлицем и потайной головкой | P511AAA288 | Шуруп с крестообразным шлицем и поднятой потайной головкой |
| |
P511AAA289 | Винт с саморежущей резьбой, шлицем, поднятой потайной (купольной) головкой и плоским концом | P511AAA290 | Винт с саморежущей резьбой, потайной (плоской) головкой, шлицем и плоским концом |
| |
P511AAA291 | Винт с саморежущей резьбой, плоской потайной головкой, шестидольным углублением под торцевой ключ и плоским концом | P511AAA292 | Винт с саморежущей резьбой, поднятой потайной головкой, шестидольным углублением под торцевой ключ и закругленным концом |
| |
P511AAA293 | Винт с саморежущей резьбой, шестигранной головкой и плоским концом | P511AAA310 | Выдавливающая резьба |
| |
P511AAA311 | Накидная гайка | P511AAA312 | Глухая (колпачковая) гайка |
| |
P511AAA313 | Шестигранная гайка (стиль 1) | P511AAA314 | Шестигранная гайка с цилиндрическим буртом |
| |
P511AAA315 | Круглая гайка с радиально расположенными отверстиями | P511AAA316 | Круглая гайка со шлицем на торце |
| |
P511AAA317 | Круглая гайка со шлицами по бокам | P511AAA317 | Круглая гайка с накаткой |
| |
P511AAA319 | Квадратная гайка | P511AAA320 | Квадратная гайка с цилиндрическим буртом |
| |
P511AAA321 | Треугольная гайка с цилиндрическим буртом | P511AAA322 | Пятигранная гайка |
| |
P511AAA323 | Восьмигранная гайка | P511AAA324 | Гайка-барашек |
| |
P511AAA325 | Навитый пружинный прямой штифт | P511AAA326 | Шестигранная гайка (стиль 2) |
| |
P511AAA327 | Шестигранная тонкая гайка (с фаской) | P511AAA328 | Шестигранная гайка с неметаллической вставкой, рассчитанная на преобладающее значение крутящего момента (стиль 1) |
| |
P511AAA329 | Шестигранная гайка с неметаллической вставкой, рассчитанная на преобладающее значение крутящего момента (стиль 2) | P511AAA330 | Цельнометаллическая шестигранная гайка, рассчитанная на преобладающее значение крутящего момента (стиль 1) |
| |
P511AAA331 | Цельнометаллическая шестигранная гайка, рассчитанная на преобладающее значение крутящего момента (стиль 2) | P511AAA332 | Шестигранная гайка с фланцем с неметаллической вставкой, рассчитанная на преобладающее значение крутящего момента |
| |
P511AAA333 | Металлическая шестигранная гайка с фланцем, рассчитанная на преобладающее значение крутящего момента | P511AAA333 | Штифт без головки с отверстием на конце под шплинт |
| |
P511AAA335 | Штифт с центральной канавкой до половины длины | P511AAA335 | Насеченный штифт с центральной канавкой до трети длины |
| |
P511AAA337 | Насеченный штифт с конусной канавкой до половины длины | P511AAA337 | Шестигранная тонкая гайка (без фаски) |
| |
P511AAA339 | Болт с мелкой метрической резьбой и шестигранной головкой | P511AAA340 | Винт с мелкой метрической резьбой и шестигранной головкой |
| |
P511AAA344 | Внутренняя метрическая резьба | P511AAA349 | Направляющий конец детали |
| |
P511AAA350 | Усеченный направляющий конец детали | P511AAA351 | Головка с накаткой |
| |
P511AAA352 | Головка с лапками | P511AAA353 | Полукруглая головка |
| |
P511AAA359 | Плоская шайба с двойной фаской | P511BAA020 | Минимальный диаметр радиального поднутрения |
| dg1 - минимальный диаметр радиального поднутрения подголовка |
P511BAA022 | Ширина радиального поднутрения | P511BAA037 | Ширина радиального поднутрения в стержне |
g1 - ширина радиального поднутрения подголовка | g2 - ширина радиального поднутрения в стержне |
P511BAA048 | Минимальный диаметр радиального поднутрения в стержне | P511BAA382 | Глубина осевого поднутрения |
dg2 - минимальный диаметр радиального поднутрения в стержне | V - глубина осевого поднутрения |
P511BAA383 | Переходный диаметр осевого поднутрения | | |
da2 - переходный диаметр осевого поднутрения | |
(справочное)
СВЕДЕНИЯ О СООТВЕТСТВИИ ССЫЛОЧНЫХ МЕЖДУНАРОДНЫХ СТАНДАРТОВ
ССЫЛОЧНЫМ НАЦИОНАЛЬНЫМ СТАНДАРТАМ РОССИЙСКОЙ ФЕДЕРАЦИИ
Таблица ДА.1
Обозначение ссылочного международного стандарта | Степень соответствия | Обозначение и наименование соответствующего национального стандарта |
ИСО 1891:1979 | - | |
ИСО/МЭК 8824-1 | IDT | ГОСТ Р ИСО/МЭК 8824-1-2001 "Информационная технология. Абстрактная синтаксическая нотация версии один (АСН.1). Часть 1. Спецификация основной нотации" |
ИСО 10303-1:1994 | IDT | ГОСТ Р ИСО 10303-1-99 "Системы автоматизации производства и их интеграция. Представление данных об изделии и обмен этими данными. Часть 1. Общие представления и основополагающие принципы" |
ИСО 10303-11:1994 | IDT | ГОСТ Р ИСО 10303-11-2000 "Системы автоматизации производства и их интеграция. Представление данных об изделии и обмен этими данными. Часть 11. Методы описания. Справочное руководство по языку EXPRESS" |
ИСО 10303-21 | IDT | ГОСТ Р ИСО 10303-21-2002 "Системы автоматизации производства и их интеграция. Представление данных об изделии и обмен этими данными. Часть 21. Методы реализации. Кодирование открытым текстом структуры обмена" |
ИСО 13584-1:2001 | IDT | ГОСТ Р ИСО 13584-1-2006 "Системы автоматизации производства и их интеграция. Библиотека деталей. Часть 1. Обзор и основные принципы" |
ИСО 13584-24:2003 | - | |
ИСО 13584-25 | - | <*> |
ИСО 13584-42:1998 | - | <*> |
МЭК 61360-4:1997 | - | <*> |
<*> Соответствующий национальный стандарт отсутствует. До его утверждения рекомендуется использовать перевод на русский язык данного международного стандарта. Перевод данного международного стандарта находится в Федеральном информационном фонде технических регламентов и стандартов. Примечание - В настоящей таблице использовано следующее условное обозначение степени соответствия стандартов: - IDT - идентичные стандарты. |
[1] | ISO 68-1:1998 ISO general purpose screw threads - Basic profile - Part 1: Metric screw threads |
[2] | ISO 225:1983 Fasteners - Bolts, screws, studs and nuts - Symbols and designations of dimensions |
[3] | ISO 898-1:1999 Mechanical properties of fasteners made of carbon steel and alloy steel - Part 1: Bolts, screws and studs |
[4] | ISO 1051:1999 Rivet shank diameters |
[5] | ISO 1234:1997 Split pins |
[6] | ISO 1478:1999 Tapping screws thread |
[7] | ISO 2338:1997 Parallel pins, of unhardened steel and austenitic stainless steel |
[8] | ISO 2339:1986 Taper pins, unhardened |
[9] | ISO 2340:1986 Clevis pins without head |
| | ИС МЕГАНОРМ: примечание. Обозначение стандарта дано в соответствии с официальным текстом документа. | |
|
[10] | SO 2341:1986 Clevis pins with head |
[11] | ISO 3269:2000 Fasteners - Acceptance inspection |
[12] | ISO 4014:1999 Hexagon head bolts - Product grades A and B |
[13] | SO 4015:1979 Hexagon head bolts - Product grade B - Reduced shank (shank diameter approximately equal to pitch diameter) |
[14] | ISO 4016:1999 Hexagon head bolts - Product grade C |
[15] | ISO 4017:1999 Hexagon head screws - Product grades A and B |
[16] | ISO 4018:1999 Hexagon head screws - Product grade C |
[17] | ISO 4026:2003 Hexagon socket set screws with flat point |
[18] | ISO 4027:2003 Hexagon socket set screws with cone point |
[19] | ISO 4028:2003 Hexagon socket set screws with dog point |
[20] | ISO 4029:2003 Hexagon socket set screws with cup point |
[21] | ISO 4032:1999 Hexagon nuts, style 1 - Product grades A and B |
[22] | ISO 4033:1999 Hexagon nuts, style 2 - Product grades A and B |
[23] | ISO 4034:1999 Hexagon nuts - Product grade C |
[24] | ISO 4035:1999 Hexagon thin nuts (chamfered) - Product grades A and B |
[25] | ISO 4036:1999 Hexagon thin nuts (unchamfered) - Product grade B |
[26] | ISO 4161:1999 Hexagon nuts with flange - Coarse thread |
[27] | ISO 4162:1990 Hexagon flange bolts - Small series |
[28] | ISO 4753:1999 Fasteners - Ends of parts with external ISO metric thread |
[29] | ISO 4757:1983 Cross recesses for screws |
[30] | ISO 4759-1:2000 Tolerances for fasteners - Part 1: Bolts, screws, studs and nuts - Product grades A, B and C |
[31] | ISO 4759-3:2000 Tolerances for fasteners - Part 3: Plain washers for bolts, screws and nuts - Product grades A and C |
[32] | ISO 4762:2004 Hexagon socket head cap screws |
[33] | ISO 4766:1983 Slotted set screws with flat point |
[34] | ISO 4775:1984 Hexagon nuts for high-strength structural bolting with large width across flats - Product grade B - Property classes 8 and 10 |
[35] | ISO 5408:1983 Cylindrical screw threads - Vocabular |
[36] | ISO 6157-1:1988 Fasteners - Surface discontinuities - Part 1: Bolts, screws and studs for general requirements |
[37] | ISO 6157-2:1995 Fasteners - Surface discontinuities - Part 2: Nuts |
[38] | ISO 6157-3:1988 Fasteners - Surface discontinuities - Part 3: Bolts, screws and studs for special requirements |
[39] | ISO 6506-1 Metallic materials - Brinell hardness test - Part 1: Test method |
[40] | ISO 6507-1 Metallic materials - Vickers hardness test - Part 1: Test method |
[41] | ISO 6508-1 Metallic materials - Rockwell hardness test - Part 1: Test method (scales A, B, C, D, E, F, G, H, K, N, T) |
[42] | ISO 7040:1997 Prevailing torque type hexagon nuts (with non-metallic insert), style 1 - Property classes 5, 8 and 10 |
[43] | ISO 7041:2002 Prevailing torque type hexagon nuts (with non-metallic insert), style 2 - Property classes 9 and 12 |
[44] | ISO 7042:1997 Prevailing torque type all-metal hexagon nuts, style 2 - Property classes 5, 8, 10 and 12 |
[45] | ISO 7043:1997 Prevailing torque type hexagon nuts with flange (with non-metallic insert) - Product grades A and B |
[46] | ISO 7044:1997 Prevailing torque type all-metal hexagon nuts with flange - Product grades A and B |
[47] | ISO 7045:1994 Pan head screws with type H or type Z cross recess - Product grade A |
[48] | ISO 7046-1:1994 Countersunk flat head screws (common head style) with type H or type Z cross recess - Product grade A - Part 1: Steel of property class 4.8 |
[49] | ISO 7046-2:1990 Cross-recessed countersunk flat head screws (common head style) - Grade A - Part 2: Steel of property class 8.8, stainless steel and non-ferrous metals |
[50] | ISO 7047:1994 Countersunk raised head screws (common head style) with type H or type Z cross recess - Product grade A |
[51] | ISO 7048:1998 Cross recessed cheese head screws |
[52] | ISO 7049:1983 Cross recessed pan head tapping screws |
[53] | ISO 7050:1983 Cross recessed countersunk (flat) head tapping screws (common head style) |
[54] | ISO 7051:1983 Cross recessed raised countersunk (oval) head tapping screws |
[55] | ISO 7053:1992 Hexagon washer head tapping screws |
[56] | ISO 7085:1999 Mechanical and performance requirements of case hardened and tempered metric thread rolling screws |
[57] | ISO 7089:2000 Plain washers - Normal series - Product grade A |
[58] | ISO 7090:2000 Plain washers, chamfered - Normal series - Product grade A |
[59] | ISO 7091:2000 Plain washers - Normal series - Product grade C |
[60] | ISO 7092:2000 Plain washers - Small series - Product grade A |
[61] | ISO 7093-1:2000 Plain washers - Large series - Part 1: Product grade A |
[62] | ISO 7093-2:2000 Plain washers - Large series - Part 2: Product grade C |
[63] | ISO 7094:2000 Plain washers - Extra large series - Product grade C |
[64] | ISO 7378:1983 Fasteners - Bolts, screws and studs - Split pin holes and wire holes |
[65] | ISO 7379:1983 Hexagon socket head shoulder screws |
[66] | ISO 7380:2004 Hexagon socket button head screws |
[67] | ISO 7411:1984 Hexagon bolts for high-strength structural bolting with large width across flats (thread lengths according to ISO 888) - Product grade C - Property classes 8.8 and 10.9 |
[68] | ISO 7412:1984 Hexagon bolts for high-strength structural bolting with large width across flats (short thread length) - Product grade C - Property classes 8.8 and 10.9 |
[69] | ISO 7413:1984 Hexagon nuts for structural bolting, style 1, hot-dip galvanized (oversize tapped) - Product grades A and B - Property classes 5, 6 and 8 |
[70] | ISO 7414:1984 Hexagon nuts for structural bolting with large width across flats, style 1 - Product grade B - Property class 10 |
[71] | ISO 7415:1984 Plain washers for high-strength structural bolting, hardened and tempered |
[72] | ISO 7416:1984 Plain washers, chamfered, hardened and tempered for high-strength structural bolting |
[73] | ISO 7417:1984 Hexagon nuts for structural bolting - Style 2, hot-dip galvanized (oversize tapped) - Product grade A - Property class 9 |
[74] | ISO 7434:1983 Slotted set screws with cone point |
[75] | ISO 7435:1983 Slotted set screws with long dog point |
[76] | ISO 7436:1983 Slotted set screws with cup point |
[77] | ISO 7719:1997 Prevailing torque type all-metal hexagon nuts, style 1 - Property classes 5, 8 and 10 |
[78] | ISO 7720:1997 Prevailing torque type all-metal hexagon nuts, style 2 - Property class 9 |
[79] | ISO 7721:1983 Countersunk head screws - Head configuration and gauging |
[80] | ISO 7721-2:1990 Countersunk flat head screws - Part 2: Penetration depth of cross recesses |
[81] | ISO 8673:1999 Hexagon nuts, style 1, with metric fine pitch thread - Product grades A and B |
[82] | ISO 8674:1999 Hexagon nuts, style 2, with metric fine pitch thread - Product grades A and B |
[83] | ISO 8675:1999 Hexagon thin nuts (chamfered) with metric fine pitch thread - Product grades A and B |
[84] | ISO 8676:1999 Hexagon head screws with metric fine pitch thread - Product grades A and B |
[85] | ISO 8678:1988 Cup head square neck bolts with small head and short neck - Product grade B |
[86] | ISO 8733:1997 Parallel pins with internal thread, of unhardened steel and austenitic stainless steel |
[87] | ISO 8734:1997 Parallel pins, of hardened steel and martensitic stainless steel (Dowel pins) |
[88] | ISO 8735:1997 Parallel pins with internal thread, of hardened steel and martensitic stainless steel |
[89] | ISO 8736:1986 Taper pins with internal thread, unhardened |
[90] | ISO 8737:1986 Taper pins with external thread, unhardened |
[91] | ISO 8738:1986 Plain washers for clevis pins - Product grade A |
[92] | ISO 8739:1997 Grooved pins - Full-length parallel grooved, with pilot |
[93] | ISO 8740:1997 Grooved pins - Full-length parallel grooved, with chamfer |
[94] | ISO 8741:1997 Grooved pins - Half-length reverse-taper grooved |
[95] | ISO 8742:1997 Grooved pins - One-third-length centre grooved |
[96] | ISO 8743:1997 Grooved pins - Half-length centre grooved |
[97] | ISO 8744:1997 Grooved pins - Full-length taper grooved |
[98] | ISO 8745:1997 Grooved pins - Half-length taper grooved |
[99] | ISO 8746:1997 Grooved pins with round head |
[100] | ISO 8747:1997 Grooved pins with countersunk head |
[101] | ISO 8748:1997 Spring-type straight pins - Coiled, heavy duty |
[102] | ISO 8749:1986 Pins and grooved pins - Shear test |
[103] | ISO 8750:1997 Spring-type straight pins - Coiled, standard duty |
[104] | ISO 8751:1997 Spring-type straight pins - Coiled, light duty |
[105] | ISO 8752:1997 Spring-type straight pins - Slotted, heavy duty |
[106] | ISO 8765:1999 Hexagon head bolts with metric fine pitch thread - Product grades A and B |
[107] | ISO 8839:1986 Mechanical properties of fasteners - Bolts, screws, studs and nuts made of nonferrous metals |
[108] | ISO 8992:2005 Fasteners - General requirements for bolts, screws, studs and nuts |
[109] | ISO 10484:1997 Widening test on nuts |
[110] | ISO 10485:1991 Cone proof load test on nuts |
[111] | ISO 10509:1992 Hexagon flange head tapping screws |
[112] | ISO 10510:1999 Tapping screw and washer assemblies with plain washers |
[113] | ISO 10511:1997 Prevailing torque type hexagon thin nuts (with non-metallic insert) |
[114] | ISO 10512:1997 Prevailing torque type hexagon nuts (with non-metallic insert), style 1, with metric fine pitch thread - Property classes 6, 8 and 10 |
[115] | ISO 10513:1997 Prevailing torque type all-metal hexagon nuts, style 2, with metric fine pitch thread - Property classes 8, 10 and 12 |
[116] | ISO 10642:2004 Hexagon socket countersunk head screws |
[117] | ISO 10644:1998 Screw and washer assemblies with plain washers - Washer hardness classes 200 HV and 300 HV |
[118] | ISO 10663:1999 Hexagon nuts with flange - Fine pitch thread |
[119] | ISO 10664:2005 Hexalobular internal drive feature for bolts and screws |
[120] | ISO 10666:1999 Drilling screws with tapping screw thread - Mechanical and functional properties |
[121] | ISO 10669:1999 Plain washers for tapping screw and washer assemblies - Normal and large series - Product grade A |
[122] | ISO 10673:1998 Plain washers for screw and washer assemblies - Small, normal and large series - Product grade A |
[123] | ISO 12125:1997 Prevailing torque type hexagon nuts with flange (with non-metallic insert) with metric fine pitch thread - Product grades A and B |
[124] | ISO 12126:1997 Prevailing torque type all-metal hexagon nuts with flange with metric fine pitch thread - Product grades A and B |
[125] | ISO 13337:1997 Spring-type straight pins - Slotted, light duty |
[126] | ISO 13584-26:2000 Industrial automation systems and integration - Parts library - Part 26: Logical resource: Information supplier identification |
[127] | ISO 13918:1998 Welding - Studs and ceramic ferrules for arc stud welding |
[128] | ISO 14579:2001 Hexalobular socket head cap screws |
[129] | ISO 14580:2001 Hexalobular socket cheese head screws |
[130] | ISO 14583:2001 Hexalobular socket pan head screws |
[131] | ISO 14584:2001 Hexalobular socket raised countersunk head screws |
[132] | ISO 14585:2001 Hexalobular socket pan head tapping screws |
[133] | ISO 14586:2001 Hexalobular socket countersunk head tapping screws |
[134] | ISO 14587:2001 Hexalobular socket raised countersunk (oval) head tapping screws |
[135] | ISO 14588:2000 Blind rivets - Terminology and definitions |
[136] | ISO 14589:2000 Blind rivets - Mechanical testing |
[137] | ISO 15071:1999 Hexagon bolts with flange - Small series - Product grade A |
[138] | ISO 15072:1999 Hexagon bolts with flange with metric fine pitch thread - Small series - Product grade A |
[139] | ISO 15480:1999 Hexagon washer head drilling screws with tapping screw thread |
[140] | ISO 15481:1999 Cross recessed pan head drilling screws with tapping screw thread |
[141] | ISO 15482:1999 Cross recessed countersunk head drilling screws with tapping screw thread |
[142] | ISO 15483:1999 Cross recessed raised countersunk head drilling screws with tapping screw thread |
[143] | ISO 15973:2000 Closed end blind rivets with break pull mandrel and protruding head - AIA/St |
[144] | ISO 15974:2000 Closed end blind rivets with break pull mandrel and countersunk head - AIA/St |
[145] | ISO 15975:2002 Closed end blind rivets with break pull mandrel and protruding head - AI/AIA |
[146] | ISO 15976:2002 Closed end blind rivets with break pull mandrel and protruding head - St/St |
[147] | ISO 15977:2002 Open end blind rivets with break pull mandrel and protruding head - AIA/St |
[148] | ISO 15978:2002 Open end blind rivets with break pull mandrel and countersunk head - AIA/St |
[149] | ISO 15979:2002 Open end blind rivets with break pull mandrel and protruding head - St/St |
[150] | ISO 15980:2002 Open end blind rivets with break pull mandrel and countersunk head - St/St |
[151] | ISO 15981:2002 Open end blind rivets with break pull mandrel and protruding head - AIA/AIA |
[152] | ISO 15982:2002 Open end blind rivets with break pull mandrel and countersunk head - AIA/AIA |
[153] | ISO 15983:2002 Open end blind rivets with break pull mandrel and protruding head - A2/A2 |
[154] | ISO 15984:2002 Open end blind rivets with break pull mandrel and countersunk head - A2/A2 |
[155] | ISO 16582:2002 Open end blind rivets with break pull mandrel and protruding head - Cu/St or Cu/Br or Cu/SSt |
[156] | ISO 16583:2002 Open end blind rivets with break pull mandrel and countersunk head - Cu/St or Cu/Br or Cu/SSt |
[157] | ISO 16584:2002 Open end blind rivets with break pull mandrel and protruding head - NiCu/St or NiCu/SSt |
[158] | ISO 16585:2002 Closed end blind rivets with pull mandrel and protruding head - A2/SSt |
[159] | ISO 21269:2004 Hexagon socket head cap screw with metric fine pitch thread |
[160] | ISO 21670:2003 Hexagon weld nuts with flange |
[161] | IEC 61360-2:2004 Standard data element types with associated classification scheme for electric components - Part 2: EXPRESS dictionary schema |
[162] | Federal Item Identification Guide (available on the Internet Official Internet Server at the following URL: http://www.dlis.dla.mil/FIIGs/) |
[163] | International Classification for Standards (ICS), available at <http://www.iso.ch/iso/en/prodsservices/otherpubs/> |
[164] | OBERG E., JONES F.D., HORTON H.L., RYFFEL H.H., Machinery's Handbook (26th Edition), Industrial Press, 2000 |