Главная // Актуальные документы // ГОСТ Р (Государственный стандарт)СПРАВКА
Источник публикации
М.: Стандартинформ, 2014
Примечание к документу
Документ
введен в действие с 1 сентября 2013 года.
Название документа
"ГОСТ Р ИСО 10083-2011. Национальный стандарт Российской Федерации. Системы подачи с концентраторами кислорода для использования в трубопроводных системах медицинских газов"
(утв. и введен в действие Приказом Росстандарта от 28.09.2011 N 346-ст)
"ГОСТ Р ИСО 10083-2011. Национальный стандарт Российской Федерации. Системы подачи с концентраторами кислорода для использования в трубопроводных системах медицинских газов"
(утв. и введен в действие Приказом Росстандарта от 28.09.2011 N 346-ст)
Утвержден и введен в действие
агентства по техническому
регулированию и метрологии
от 28 сентября 2011 г. N 346-ст
НАЦИОНАЛЬНЫЙ СТАНДАРТ РОССИЙСКОЙ ФЕДЕРАЦИИ
СИСТЕМЫ ПОДАЧИ С КОНЦЕНТРАТОРАМИ КИСЛОРОДА ДЛЯ ИСПОЛЬЗОВАНИЯ
В ТРУБОПРОВОДНЫХ СИСТЕМАХ МЕДИЦИНСКИХ ГАЗОВ
Oxygen concentrator supply systems for use
with medical gas pipeline systems
ISO 10083:2006
Oxygen concentrator supply systems for use
with medical gas pipeline systems
(IDT)
ГОСТ Р ИСО 10083-2011
Дата введения
1 сентября 2013 года
1. Подготовлен Закрытым акционерным обществом "Независимый институт испытаний медицинской техники" (ЗАО "НИИМТ") на основе аутентичного перевода на русский язык международного стандарта, указанного в
пункте 4.
2. Внесен Техническим комитетом по стандартизации ТК 11 "Медицинские приборы, аппараты и оборудование".
3. Утвержден и введен в действие
Приказом Федерального агентства по техническому регулированию и метрологии от 28 сентября 2011 г. N 346-ст.
4. Настоящий стандарт идентичен международному стандарту ИСО 10083:2006 "Системы подачи с концентраторами кислорода для использования в трубопроводных системах медицинских газов" (ISO 10083:2006 "Oxygen concentrator supply systems for use with medical gas pipeline systems").
При применении настоящего стандарта рекомендуется использовать вместо ссылочных международных стандартов соответствующие им национальные стандарты Российской Федерации, сведения о которых приведены в дополнительном
Приложении ДА.
5. Введен впервые.
Правила применения настоящего стандарта установлены в ГОСТ Р 1.0-2012
(раздел 8). Информация об изменениях к настоящему стандарту публикуется в ежегодном (по состоянию на 1 января текущего года) информационном указателе "Национальные стандарты", а официальный текст изменений и поправок - в ежемесячном информационном указателе "Национальные стандарты". В случае пересмотра (замены) или отмены настоящего стандарта соответствующее уведомление будет опубликовано в ближайшем выпуске ежемесячного информационного указателя "Национальные стандарты". Соответствующая информация, уведомление и тексты размещаются также в информационной системе общего пользования - на официальном сайте Федерального агентства по техническому регулированию и метрологии в сети Интернет (gost.ru).
Целью настоящего стандарта является определение минимальных требований безопасности и требований к рабочим характеристикам концентраторов кислорода, используемых для доставки воздуха, обогащенного кислородом, по трубопроводной системе медицинского газа. Точно определена минимальная концентрация кислорода, создаваемая системами подачи с концентратором кислорода. Тем не менее, национальные, региональные или местные правила могут оговаривать иную минимальную концентрацию кислорода, создаваемую системой подачи с концентратором кислорода, или диапазон концентраций, который должен создаваться.
Концентраторы кислорода могут быть использованы для доставки воздуха, обогащенного кислородом, по трубопроводной системе медицинского газа в качестве заменителя медицинского кислорода. Концентраторы кислорода могут быть объединены с источниками подачи 100%-ного медицинского кислорода (например, с баллонами или криогенными сосудами). В баллонах с медицинским

концентрация последнего ниже 100%.
Концентраторы кислорода могут подавать газ с концентрацией кислорода, лежащей внутри определенного диапазона, зависящего от характеристик концентратора и поставляемого расхода газа.
Решение об использовании воздуха, обогащенного кислородом, следует принимать на ранних стадиях проектирования систем в учреждениях здравоохранения в соответствии с региональными или национальными правилами и принятие решения выходит за рамки области действия настоящего стандарта. Возможность применения воздуха, обогащенного кислородом, и кислорода также определяется учреждениями здравоохранения. Применение системы подачи, включающей в себя кислородный концентратор(ы), может потребовать утверждения региональными или национальными полномочными органами.
Настоящий стандарт не должен рассматриваться как подтверждение или рекомендация преимущественного использования одной какой-либо концентрации кислорода.
Возможно применять региональные или национальные правила, которые требуют применения специальных газовых оконечных устройств, применяемых для воздуха, обогащенного кислородом.
Система подачи с концентраторами кислорода может быть установлена во время монтажа трубопроводной системы поставки или в качестве замены или дополнения существующей системы поставки. Система подачи с концентратором кислорода может поставляться как отдельный комплект и быть установлена как отдельная часть. В этом случае изготовитель системы подачи с концентратором кислорода должен обеспечить установщика оборудования соответствующей информацией для монтажа и тестирования до соединения системы подачи концентратора кислорода с трубопроводной системой поставки и до ее использования.
Целями настоящего стандарта является обеспечение следующего:
- соответствующего использования системы подачи с концентратором кислорода в медицинских учреждениях;
- качества обогащенного кислородом воздуха, подаваемого системой подачи;
- непрерывной поставки воздуха, обогащенного кислородом;
- применения подходящих материалов;
- чистоты компонентов;
- правильной установки;
- обеспечения соответствующими системами контроля, проверки и тревоги для систем подачи;
- тестирования, ввода в эксплуатацию и сертификации.
Настоящий стандарт предназначен для использования лицами, участвующими в разработке, конструировании, проверке, калибровке или тестировании оборудования, предназначенного для соединения системы подачи с концентратором кислорода с трубопроводной системой, а также для лиц, участвующих в работе медицинских учреждений.
Приложение K содержит обоснование некоторых требований настоящего стандарта. Данное
Приложение включено для дополнительного понимания требований и рекомендаций, которые являются частями настоящего стандарта. Пункты и подпункты, помеченные знаком "*" после их номера, имеют соответствующее обоснование, содержащееся в
Приложении K. Принимается во внимание, что знание причин требований будет не только помогать правильному применению настоящего стандарта, но и будет содействовать другим его последующим пересмотрам.
1.1. Настоящий стандарт определяет требования к конструкции и установке системы подачи с концентратором кислорода, используемой в трубопроводной системе подачи медицинского газа, соответствующей ИСО 7396-1.
1.2. Настоящий стандарт применяют только к трубопроводным системам подачи с концентраторами кислорода, которые производят воздух, обогащенный кислородом, с концентрацией кислорода не менее 90% (см.
4.5.1).
1.3. Настоящий стандарт не распространяется на концентраторы кислорода для домашнего использования.
Примечание. Требования к концентраторам кислорода для домашнего использования определены в ИСО 8359.
В настоящем стандарте использованы нормативные ссылки на следующие стандарты:
Для датированных ссылок должна применяться только процитированная редакция, а для недатированных ссылок - только последняя редакция документа (включая любые изменения).
ИСО 5145 Выходной вентиль баллонов для газов и газовых смесей. Выбор и определение размеров (ISO 5145 Cylinder valve outlets for gases and gas mixtures - Selection and dimensioning)
ИСО 7396-1:2002 Медицинские газовые трубопроводные системы. Часть 1. Трубопроводы для сжатых медицинских газов и вакуума (ISO 7396-1:2002 Medical gas pipeline systems - Part 1: Pipelines for compressed medical gases and vacuum)
ИСО 10524-2 Регуляторы давления для применения с медицинскими газами. Часть 2. Трубопровод и линия регуляторов давления (ISO 10524-2 Pressure regulators for use with medical gases - Part 2: Manifold and line pressure regulators)
ИСО 14644-1:1999 Чистые помещения и связанные с ними контролируемые среды. Часть 1. Классификация чистоты воздуха (ISO 14644-1:1999 Cleanrooms and associated controlled environments - Part 1: Classification of air cleanliness)
ИСО 14971 Изделия медицинские. Применение менеджмента риска к медицинским изделиям (ISO 14971 Medical devices - Application of risk management to medical devices)
ИСО 15001 Аппараты наркозные и дыхательные. Совместимость с кислородом (ISO 15001 Anaesthetic and respiratory equipment - Compatibility with oxygen)
ИСО 21969 Гибкие соединители высокого давления для применения с газовыми системами (ISO 21969 High - pressure flexible connections for use with medical gas systems)
ЕН 286-1 Простые жаростойкие сосуды высокого давления, разработанные для воздуха или азота. Часть 1. Сосуды высокого давления общего назначения (EN 286-1 Simple unfired pressure vessels designed to contain air or nitrogen - Part 1: Pressure vessels for general purposes)
В настоящем стандарте применены следующие термины с соответствующими определениями:
3.1. ввод в эксплуатацию (commissioning): Проверка функционирования системы для определения ее соответствия предъявленной спецификации, согласованной с пользователем или его представителем.
3.2. контрольное оборудование (control equipment): Элементы, необходимые для эксплуатации систем подачи воздуха, обогащенного кислородом, с определенными параметрами работы.
Примечание. Примерами являются регуляторы давления, клапаны сброса давления, аварийная сигнализация, сенсоры и анализаторы кислорода.
3.3. комплект баллонов (cylinder bundle): Стойка для фиксации нескольких баллонов с общим соединителем для наполнения и опустошения.
3.4. двухступенчатая система подачи (double-stage pipeline distribution system): Трубопроводная система, в которой давление газа снижается редукторами от давления в баллонах до промежуточного давления, а затем от него - до номинального выходного давления.
3.5. специфичное для газа (gas-specific): Устройство, имеющее характеристики, которые препятствуют соединениям между линиями подачи различных газов.
3.6. коллектор (manifold): Устройство для соединения вывода (выводов) одного или более баллонов или комплекта баллонов для одного и того же медицинского газа с трубопроводной системой.
3.7. изготовитель (manufacturer): Физическое или юридическое лицо, ответственное за разработку, производство, упаковку и маркировку устройства до поставки его на рынок под именем данного лица, независимо от того, выполняются ли эти операции непосредственно данным лицом или от его имени третьей стороной.
3.8. трубопроводная система медицинского газа (medical gas pipeline system): Комплектная система, которая включает систему подачи, системы мониторинга и аварийной сигнализации, а также трубопроводную систему распределения с оконечными устройствами в местах, где требуются медицинские газы или вакуум.
3.9. номинальное давление подачи (nominal distribution pressure): Давление, под которым трубопроводная система медицинского газа подает газ в оконечные устройства.
3.10. номинальное давление системы подачи (nominal supply system pressure): Давление газа, которое в системе подачи предназначено для доставки газа к входу регулятора давления в линии.
3.11. обратный клапан (non-return valve): Клапан, который пропускает поток газа только в одном направлении.
3.12. рабочая сигнализация (operating alarm): Сигнализация, сообщающая техническому персоналу о необходимости пополнения источника газа или устранения неисправности.
3.13. концентратор кислорода (oxygen concentrator): Устройство, обогащающее воздух кислородом путем удаления азота из окружающего воздуха.
3.14. система концентратора кислорода (oxygen concentrator supply system): Система подачи, содержащая один или более концентраторов кислорода.
3.15. блок концентратора кислорода (oxygen concentrator unit): Компонент системы подачи, который производит воздух, обогащенный кислородом.
3.16. сосуд для хранения воздуха, обогащенного кислородом (oxygen-enriched air storage vessel): Герметичный сосуд для хранения воздуха, обогащенного кислородом.
3.17.* воздух, обогащенный кислородом (oxygen-enriched air): Газ, производимый концентратором кислорода.
Примечание. Региональные или национальные правила могут определять название, обозначение и/или, цвет для кодировки воздуха, обогащенного кислородом.
3.18. пиковая потребность (peak demand): Максимальный ожидаемый расход кислорода, требуемый медицинскими учреждениями.
Примечание. Данная величина обычно выражается в литрах в минуту.
3.19. трубопроводная распределительная система (pipeline distribution system): Часть трубопроводной системы медицинского газа, соединяющая систему подачи с оконечными устройствами.
3.20. регулятор давления (pressure regulator): Устройство, которое уменьшает входное давление газа и поддерживает его установленное выходное значение в определенных пределах.
3.21. клапан сброса давления (pressure-relief valve): Устройство, предназначенное для уменьшения избыточного давления до предварительно установленного значения.
3.22. первичный источник подачи (primary source of supply): Часть системы подачи, которая снабжает трубопроводную систему подачи.
3.23. резервный источник подачи (reserve source of supply): Часть системы подачи, которая снабжает полностью всю или часть(и) трубопроводной системы подачи в случае отказа или опустошения как первичного, так и вторичного источников подачи.
3.24. безопасность (safety): Отсутствие недопустимого риска.
3.25. вторичный источник подачи (secondary source of supply): Часть системы подачи, которая снабжает трубопроводную систему подачи в случае отказа или опустошения первичного источника подачи.
3.26. запорный вентиль (shut-off valve): Устройство, которое в закрытом состоянии препятствует течению газа в обоих направлениях.
3.27. условие единичного нарушения (single-fault condition): Состояние, при котором неисправно одно средство обеспечения безопасности в оборудовании или существует одно ненормальное внешнее условие.
3.28. одноступенчатая распределительная система (single-stage pipeline distribution system): Трубопроводная система подачи, в которой газ распространяется из системы подачи при номинальном давлении поставки.
3.29. источник подачи (source of supply): Часть системы подачи с соответствующим контрольным оборудованием, которая снабжает трубопроводную систему подачи.
3.30. система подачи (supply system): Сборка, снабжающая трубопроводную систему подачи и включающая в себя все источники подачи.
3.31. проектный расход (производительность) системы (system design flow rate): Расход, вычисляемый на основе производительности, требуемой медицинскими учреждениями и уточненного наличием различных факторов.
3.32. оконечное устройство (terminal unit): Выходной блок (входной для вакуума) в трубопроводной системе медицинских газов для присоединения и отсоединения, устройств - потребителей воздуха, обогащенного кислородом.
4.1. Безопасность и непрерывность поставки
4.1.1. Системы подачи с концентраторами кислорода, установленные, введенные в эксплуатацию, функционирующие при нормальном использовании и поддерживаемые в соответствии с инструкциями изготовителя в нормальном состоянии или при условии единичного нарушения, не должны быть причиной нарушений безопасности, которые достаточно точно могут быть предсказаны, используя методы анализа риска в соответствии с ИСО 14971, и если они соединены в соответствии с их предусмотренным применением.
4.1.2. Чтобы обеспечить непрерывность поставки, изготовитель, учитывая рекомендации медицинских учреждений и используя методику управления риском в соответствии с ИСО 14971, определяет, должен ли источник подачи, включающий устройство(а) концентратора кислорода, быть подключен к подходящему аварийному источнику питания. Результатами данной деятельности должна быть оформленная запись, являющаяся непременной частью надписи на трубопроводной системе медицинского газа.
Примечания. 1. Выход из строя электро- и водоснабжения считается условием единичного нарушения.
2. Некоторые риски и мероприятия по управлению рисками приведены в
Приложении A.
3. Управление риском может потребоваться, когда важные компоненты (например, компрессор(ы) установлены для постоянного использования.
4. Для большей информации см. ИСО/ТО 16142.
4.1.3. Контрольное оборудование должно быть разработано так, чтобы любой компонент можно было обслуживать без прерывания подачи газа по трубопроводным системам поставки.
4.1.4. Система должна быть разработана так, чтобы техническое обслуживание или выход из строя любого компонента не требовали одновременного отключения двух источников.
4.1.5. В нормальном состоянии или при условии единичного нарушения система подачи с кислородным концентратором не должна быть причиной прерывания подачи.
Примечание. Выход из строя электро- и водоснабжения считается условием единичного нарушения.
4.1.6. Выключение или выход из строя устройства концентратора кислорода не должны влиять на поставку газа из системы концентратора кислорода в трубопроводную систему поставки.
Примечание. После длительной остановки концентратору кислорода необходимо некоторое время для достижения определенной концентрации.
4.1.7. Система подачи с концентратором кислорода должна быть спроектирована и изготовлена таким образом, чтобы минимизировать риск создания электромагнитных полей. Могут приниматься в расчет национальные и региональные правила, касающиеся электромагнитной совместимости.
4.1.8. Должны быть проведены мероприятия для минимизации электрических и механических опасностей. Могут приниматься в расчет национальные и региональные правила, касающиеся возможности существования таких опасностей.
4.1.9. Потенциально возможные опасности, связанные с вводом в эксплуатацию и использованием воздуха, обогащенного кислородом, в медицинских учреждениях должны быть уменьшены и контролироваться с использованием методов управления риском в соответствии с ИСО 14971. Результаты данной деятельности должны быть отражены в инструкции по эксплуатации (см.
раздел 12).
4.2.* Альтернативные конструкции
Установки и компоненты или их части, использующие материалы или варианты конструкций, отличающиеся от детально описанных в настоящем стандарте, должны применяться в случае, если может быть показано, что обеспечены эквивалентные степени безопасности и рабочие характеристики. Доказательство эквивалентной степени безопасности и рабочих характеристик должно быть обеспечено изготовителем.
Примечание. Региональные и национальные правила могут требовать предоставления доказательства для уведомления соответствующих органов и компетентных специалистов по их требованию.
4.3.1. Совместимость с кислородом
4.3.1.1. Все компоненты системы подачи с концентраторами кислорода, в которых предусмотрен контакт со сжатым воздухом, кислородом или воздухом, насыщенным кислородом, должны быть совместимы с кислородом в рабочих режимах, описанных изготовителем, и с учетом требований
4.1.1.
Примечания. 1. Критерии для выбора металлических и неметаллических материалов приведены в ИСО 15001.
2. Совместимость с кислородом и воздухом, обогащенным кислородом, включает в себя возгораемость и легкость воспламенения. Материалы, которые горят на воздухе, будут сильно гореть в чистом кислороде и в воздухе, обогащенном кислородом. Многие материалы, которые не горят на воздухе, могут гореть в чистом кислороде или в воздухе, обогащенном кислородом, особенно под давлением. Материалам, которые могут воспламениться на воздухе, требуется меньше энергии для воспламенения в кислороде или в воздухе, обогащенном кислородом. Многие такие материалы могут воспламениться за счет трения в основании клапана или за счет адиабатического сжатия, когда кислород или воздух, насыщенный кислородом, при высоком давлении быстро вводится в систему, находящуюся в начальном состоянии при низком давлении.
4.3.1.2. Если используются смазочные материалы, в рабочих состояниях системы подачи они должны быть совместимы с кислородом.
Доказательства соответствия
4.3.1.1 и
4.3.1.2 должны предоставляться изготовителем по требованию.
4.3.1.3. Должны быть учтены особые опасности токсичных веществ, выделяемых при горении или разложении неметаллических материалов (включая смазочные материалы, если они используются), и возможные загрязняющие вещества.
Доказательства соответствия должны предоставляться изготовителем по требованию.
Примечания. 1. Возможные продукты горения и/или разложения некоторых обычно применяемых неметаллических материалов перечислены в таблице D.7 ИСО 15001:2003.
2. Типовые "совместимые с кислородом" смазочные материалы могут выделять токсичные вещества при горении или разложении.
Все компоненты системы подачи с концентраторами кислорода, которые подлежат контакту с сжатым воздухом, кислородом или воздухом, обогащенным кислородом, должны соответствовать требованиям чистоты ИСО 15001. Такие компоненты должны быть защищены от предварительного загрязнения и загрязнения в процессе установки.
Доказательства соответствия должны предоставляться изготовителем по требованию.
Примечание. Примеры процедур очистки приведены в ИСО 15001.
4.3.3. Стойкость к коррозии
Изготовитель должен, по требованию, представлять доказательства того, что материалы, используемые в компонентах системы подачи с концентраторами кислорода, контактирующие с воздухом, обогащенным кислородом, обладают коррозионной стойкостью.
Примечание. Коррозионная стойкость включает в себя стойкость по отношению к влаге и окружающим материалам.
4.3.4. Воздействие давления в баллоне
Компоненты, которые могут подвергаться действию давления в баллоне в нормальном состоянии или при условии единичного нарушения, должны функционировать в соответствии с их техническими характеристиками после воздействия в течение 5 мин давления, равного 1,5 x рабочее давление баллона.
Доказательства соответствия должны предоставляться изготовителем по требованию.
Система подачи с концентраторами кислорода должна быть разработана изготовителем с учетом рекомендаций медицинских учреждений, используя принципы управления риском, для обеспечения скорости потока, определенной медицинскими учреждениями, при номинальном давлении в системе подачи, которое обеспечивает давление в оконечных устройствах и поддерживает его в диапазоне, описанном в ИСО 7396-1.
Примечание. Технические характеристики, используемые при разработке, - давление и скорость потока, должны определяться с учетом обстоятельств, таких как ежедневное возрастание скорости потока, максимальный расход и его периодическое возрастание. См.
Приложение I для получения информации о классификации.
4.5. Технические требования к воздуху, обогащенному кислородом
4.5.1. Могут существовать национальные и региональные правила, которые применимы к воздуху, обогащенному кислородом, создаваемому системой подачи с концентратором кислорода. Если такие правила отсутствуют, при проектировании системы расхода, воздух, обогащенный кислородом, должен соответствовать следующим значениям:
a) минимальная объемная концентрация кислорода 90%;
b) максимальная объемная концентрация окиси углерода 5 мл/м3;
c) максимальная объемная концентрация углекислого газа 300 мл/м3;
d) максимальная концентрация масла, измеренная при окружающих температуре и давлении и приведенная к 0 °C, 0,1 мг/м3;
e) максимальная объемная концентрация водяных паров 67 мл/м3.
Примечания. 1. Газовый баланс должен включать в себя предварительно определенные концентрации аргона и азота.
2. Национальными или региональными правилами могут использоваться другие значения.
4.5.2. Воздух, обогащенный кислородом, должен быть отфильтрован непосредственно после блока (блоков) концентратора кислорода для поддержания количества загрязняющих частиц ниже уровня, предусмотренного ИСО 14644-1 (класс 5 в таблице 1).
Доказательства соответствия должны предоставляться изготовителем по требованию.
4.5.3. Должны быть обеспечены устройства для определения состояния фильтрующих элементов, например, для измерения падения давления на фильтре.
Соответствие должно проверяться осмотром.
Если блок концентратора кислорода используется для наполнения баллонов воздухом, обогащенным кислородом, то должны быть выполнены следующие условия:
a) необходимы устройства, гарантирующие, что наполнение баллонов не повлияет на доставку воздуха, обогащенного кислородом, по трубопроводной системе поставки;
b) пробоотборники с запорными клапанами должны быть расположены рядом с системой наполнения.
Примечания. 1. Могут применяться региональные или национальные правила наполнения и передвижения баллонов.
2. Могут применяться региональные или национальные правила наполнения системы баллонов.
3. Рекомендации по наполнению баллонов воздухом, обогащенным кислородом, представлены в
Приложении J.
Примечание. Схематические изображения систем подачи с концентраторами кислорода показаны в
Приложении A.
5.1.1. Системы подачи с концентратором кислорода должны быть предназначены для автоматической работы и должны содержать следующие источники подачи (см.
Приложение A):
a) первичный;
b) вторичный;
c) резервный.
5.1.2. Каждый источник подачи должен быть способен подавать газ в соответствии с проектным расходом системы, определяемым медицинскими учреждениями, при номинальном давлении в системе подачи, обеспечивающем давление в оконечных устройствах и поддержание его в диапазоне, определенном ИСО 7396-1 (см.
пункт I.4 в Приложении I).
Примечание. Для поддержания номинального давления в системе подачи может быть необходим кислородный компрессор.
5.1.3. Обратный и запорный клапаны должны быть установлены непосредственно ниже по потоку после каждого источника подачи.
5.2. Первичный источник подачи
5.2.1. Первичный источник подачи должен состоять из одного из следующих устройств:
a) одного или более концентратора кислорода;
b) сочетания одного или более концентраторов кислорода и баллонов высокого давления или криогенных сосудов;
c) сочетания одного или более концентраторов кислорода и криогенных сосудов.
5.2.2. Первичный источник подачи должен включать в себя следующее:
a) по меньшей мере один сосуд для хранения воздуха, насыщенного кислородом;
b) пробоотборный канал с обратным клапаном, установленным непосредственно после сосуда для хранения воздуха, обогащенного кислородом;
c) регулятор(ы) давления;
d) фильтр(ы);
e) анализатор(ы) кислорода.
5.2.3. Баллон(ы) или комплект(ы) баллонов, если они установлены, должны подсоединяться ниже по течению от запорного вентиля сосуда для хранения кислорода и выше по течению относительно соединения с вторичным источником подачи.
5.3. Вторичный источник подачи
5.3.1. Вторичный источник подачи должен быть постоянно подключен и должен автоматически снабжать трубопровод, если его не способен снабжать основной источник подачи.
5.3.2. Вторичный источник подачи должен состоять из одного из следующих устройств:
a) одно или более устройств концентратора кислорода;
b) баллона(ов) или комплекта(ов) баллонов с газом (кислородом или воздухом, обогащенным кислородом);
c) криогенного источника подачи жидкого кислорода.
5.3.3. Если вторичный источник подачи включает в себя один или более концентраторов кислорода, то он также должен включать в себя следующее:
a) по меньшей мере один сосуд для хранения воздуха, насыщенного кислородом;
b) пробоотборный канал с запорным вентилем, установленным непосредственно после сосуда для хранения воздуха, обогащенного кислородом;
c) регулятор(ы) давления;
d) фильтр(ы);
e) анализатор(ы) кислорода.
5.3.4. Если вторичный источник подачи состоит только из баллонов или комплектов баллонов, коллектор должен:
a) состоять по меньшей мере из двух групп баллонов;
b) в каждый момент времени снабжаться одной группой баллонов;
c) при истощении одной группы баллонов автоматически переключаться на другую группу.
Примечание. Данная конфигурация нуждается в облегчении процесса пополнения вторичного источника подачи без прерывания подачи.
5.3.5. Если отсутствует резервный источник электрической энергии, то вторичный источник подачи не должен состоять только из концентратора кислорода.
5.3.6. В основной поставке вторичный источник подачи должен быть присоединен в месте, расположенном ниже по потоку сосуда для хранения воздуха, обогащенного кислородом.
5.4. Резервный источник подачи
5.4.1. Резервный источник подачи должен быть постоянно подключен и должен автоматически снабжать трубопровод, если основной и вторичный источники подачи неспособны снабжать трубопровод.
5.4.2. Резервный источник подачи должен включать в себя газ (воздух, обогащенный кислородом) в баллонах или в комплектах баллонов.
5.4.3. Резервный источник подачи должен:
a) состоять по меньшей мере из двух групп баллонов;
b) в каждый момент времени снабжаться от одной группы баллонов;
c) при истощении одной группы баллонов автоматически или вручную переключаться на другую группу.
Примечание. Данная конфигурация нуждается в облегчении процесса пополнения вторичного источника подачи без прерывания подачи.
5.4.4. Место соединения резервного источника может располагаться как выше, так и ниже по потоку относительно запорного клапана.
5.5. Источники подачи с баллонами
Примечание. Источник подачи с баллонами может содержать в себе баллоны или комплекты баллонов или и то, и другое.
5.5.1. Каждая группа должна содержать баллон, который подключается к коллектору через свой собственный регулятор давления. Выходной клапан, если он установлен в коллекторе, должен выпускать газ за пределы здания.
5.5.2. Между баллонами и первым регулятором давления должен быть установлен фильтр с порами не более 100 мкм.
Доказательства соответствия данному пункту должны по требованию предоставляться изготовителем.
5.5.3. В конце каждого гибкого соединения между баллоном и коллектором в коллекторе должен быть установлен обратный клапан.
5.5.4. Гибкие соединители между каждым баллоном и коллектором должны соответствовать ИСО 21969.
Доказательства соответствия должны по требованию предоставляться изготовителем.
5.5.5. Выходной вентиль баллона должен соответствовать ИСО 5145 или соответствующему национальному стандарту.
Доказательства соответствия должны по требованию предоставляться изготовителем.
5.6. Расположение систем подачи с концентраторами кислорода
Примечания. 1. Информативные рекомендации для расположения систем подачи с концентраторами кислорода приведены в
Приложении B.
2. Концентраторы кислорода могут генерировать шум, превышающий 70 дБА.
3. Могут применяться национальные и региональные правила, касающиеся уровня шума.
4. Расположение концентраторов кислорода должно быть определено медицинским учреждением с учетом системы подачи, используя принципы управления риском.
5.6.1. Температура воздуха в помещениях, где размещены концентраторы кислорода, должна быть в пределах от 10 °C до 40 °C.
5.6.2. Входное устройство воздушных компрессоров должно быть расположено там, где происходит минимальное загрязнение выхлопными газами двигателей внутреннего сгорания (например, автомобиля), вакуумных выходных систем, вентиляции медицинских газовых трубопроводных систем, систем удаления анестезирующего газа, выходных вентиляционных систем и других источников загрязнения. Входные устройства должны быть обеспечены устройствами для предохранения от проникновения насекомых, грязи и воды. Необходимо рассмотреть влияние превалирующего воздушного потока на расположение заборных устройств.
Примечание. Дополнительные требования по ИСО 7396-1.
Соответствие должно быть проверено визуальным осмотром.
6. Требования к компонентам
Примечание. К оборудованию, работающему под давлением, могут применяться региональные и национальные правила.
6.1. Блок концентратора кислорода
6.1.1. Блок концентратора кислорода должен состоять из:
a) по меньшей мере одного компрессора для подачи сжатого воздуха;
b) по меньшей мере одного адсорбирующего фильтра;
c) переключающих вентилей.
6.1.2. К воздушному компрессору может быть присоединен воздушный ресивер.
6.1.3. К воздушному ресиверу может быть подключено более одного компрессора.
6.1.4. Воздушные ресиверы должны:
a) соответствовать ЕН 286-1 или эквивалентным национальным стандартам;
b) быть оборудованы запорным вентилем (вентилями), автоматическим дренажем, измерителем давления и клапаном ограничения давления.
Подтверждение соответствия должно предоставляться изготовителем по требованию.
6.1.5. Каждый воздушный ресивер должен быть оборудован средствами для контроля давления, например, переключателем(ями) давления или датчиком(ами) давления.
6.1.6. Если в процессе получения воздуха, обогащенного кислородом, требуется выведение из здания загрязненных газов, то отверстия для вентиляции должны быть оборудованы устройствами для предохранения от проникновения насекомых, грязи и осадков. Отверстия для вентиляции должны располагаться на определенном расстоянии от входных отверстий для воздуха, дверей, окон и других отверстий в здании. Должно быть принято во внимание потенциально возможное воздействие преобладающих воздушных потоков на расположение отверстий для вентиляции. Соответствие должно проверяться визуальным осмотром.
6.2. Сосуды для хранения воздуха, обогащенного кислородом
Каждый сосуд для хранения воздуха, обогащенного кислородом, или группа таких сосудов, должны:
a) соответствовать распространяющимся на них международным, региональным или национальным стандартам;
b) быть оборудованы запорным вентилем(ями), измерителем давления и клапаном сброса давления;
c) быть оборудованы устройствами для управления давлением, например, переключателем(ями) давления или датчиком(ами) давления;
d) быть расположены так, чтобы каждый сосуд мог обслуживаться отдельно.
Примечание. Сосуды для хранения воздуха, обогащенного кислородом, могут быть соединены с более чем одним концентратором кислорода.
6.3. Анализаторы кислорода
6.3.1. Для непрерывного измерения концентрации кислорода на выходе из каждого блока концентратора кислорода должен быть предусмотрен один или более анализаторов кислорода.
Примечание. Региональные или национальные правила могут требовать наличия устройств для отображения или записи концентрации кислорода.
6.3.2. Если подключен только один анализатор кислорода, в процессе менеджмента риска должны быть определены соответствующие измерения для гарантии того, что постоянно подается правильная концентрация кислорода (см.
4.1.1).
Примечание. Региональные или национальные правила могут требовать установки второго анализатора кислорода.
6.3.3. Средства управления должны обеспечивать, чтобы каждый источник подачи, встроенный в блок концентратора кислорода, автоматически выключался, если концентрация кислорода в воздухе, обогащенном кислородом, становится ниже указанной в
4.5.1.
6.3.4. Каждый анализатор кислорода должен быть оснащен сигнализацией о снижении концентрации. Должно быть предусмотрено устройство для предотвращения возможности запрещенных изменений уровня срабатывания сигнализации.
6.3.5. Каждый анализатор кислорода должен обеспечивать компенсацию изменений температуры и барометрического давления для обеспечения в диапазоне от 90% до 100% погрешности измеренного значения кислорода не более +/- 1%.
Примечания. 1. Могут применяться национальные и региональные правила, касающиеся анализаторов кислорода.
2. Для проверки соответствия воздуха, обогащенного кислородом, национальным и региональным правилам может потребоваться дополнительный контроль.
6.4. Клапаны сброса давления
6.4.1. Клапаны сброса давления должны соответствовать спецификациям изготовителя на систему подачи с учетом того, что могут применяться национальные или региональные правила. Подтверждение соответствия должно предоставляться изготовителем по требованию.
6.4.2. Все клапаны для сброса давления должны автоматически закрываться, когда избыточное давление понизится до установленного значения.
6.4.3. Клапаны для сброса давления в сосудах, содержащих кислород или воздух, обогащенный кислородом, должны выводить газ за пределы здания. Вентиляционные отверстия должны быть оборудованы устройствами для предотвращения проникновения насекомых, грязи и осадков. Эти отверстия должны быть расположены на определенном расстоянии от входных отверстий для воздуха, дверей, окон и других отверстий в здании. Должно быть принято во внимание потенциально возможное воздействие преобладающих воздушных потоков на расположение вентиляционных отверстий. Соответствие проверяют осмотром.
6.4.4. Клапаны для сброса давления не должны быть изолированы, например, от запорного вентиля трубопровода или от регулятора давления, к которым они присоединены. Если для обслуживания встроены вентиль или устройство ограничения потока, они должны быть полностью открыты при срабатывании устройств снятия давления. Соответствие проверяют осмотром.
6.5.1. Между системой подачи или каждым источником подачи и трубопроводной системой медицинских газов должен быть установлен запорный вентиль.
6.5.2. Должна быть обеспечена возможность независимого изолирования каждой системы подачи своим запорным вентилем.
6.5.3. Запорные вентили, которые не могут быть зафиксированы в открытой или закрытой позиции, должны быть защищены от неправильного управления.
6.5.4. Запорные вентили должны использоваться только уполномоченным персоналом и не должны быть доступны посторонним лицам.
6.6. Пробоотборное отверстие
Непосредственно выше по потоку относительно запорного вентиля системы подачи должно быть установлено пробоотборное отверстие с запорным вентилем.
Если установлены коллектор и линия регуляторов давления, то они должны соответствовать ИСО 10524-2.
7. Системы мониторинга и сигнализации
7.1.1. Данный пункт устанавливает минимальные требования к сигналам опасности и информационных сигналов о работе системы подачи с концентраторами кислорода, которая предназначена для соединения с трубопроводной системой медицинских газов, соответствующих ИСО 7396-1.
Примечание. В ИСО 7396-1 определены четыре различные категории системы мониторинга и аварийной сигнализации: рабочая сигнализация, рабочая сигнализация об опасности, аварийная сигнализация о клинической опасности и информационные сигналы. Поэтому состояние трубопроводной системы, к которой подключена система подачи с концентраторами кислорода, характеризуемое рабочей сигнализацией об опасности, и аварийной сигнализацией о клинической опасности, выходит из области действия настоящего стандарта.
7.1.2. Системы мониторинга и сигнализации должны быть подключены как к нормальному, так и к резервному источникам электропитания и должны быть индивидуально электрически защищены.
7.2. Сигналы мониторинга и сигнализации
Характеристики звуковых и визуальных сигналов должны соответствовать требованиям ИСО 7396-1
(подраздел 6.3).
Целью рабочей сигнализации является информирование технического персонала о том, что один или более компонентов системы подачи с концентраторами кислорода более не пригодны к использованию, и поэтому необходимо принять соответствующие меры.
7.3.1. Должны быть предусмотрены следующие звуковые предупреждения:
a) неисправность источника(ов) подачи, подключаемого к устройству блока концентратора кислорода;
b) концентрация кислорода ниже минимума, требуемого лечебным учреждением, принимая во внимание точность анализатора кислорода;
c) уменьшение содержимого в баллоне(ах) или криогенном сосуде(ах) внутри первичного источника подачи (если установлены);
d) уменьшение содержимого в баллоне(ах) или в криогенном сосуде(ах) внутри вторичного источника подачи, если они установлены;
e) используется вторичный источник подачи;
f) содержимое вторичного источника подачи ниже 50% от возможного для газа в баллонах или в комплекте баллонов, или в жидкости в криогенном сосуде(ах);
g) используется резервный источник подачи;
h) содержимое резервного источника подачи ниже 50% от возможного;
i) неисправность системы наполнения баллона, если она установлена;
j) отказ внешнего источника питания.
7.3.2. Для индикации указанных в
7.3.1 неисправностей должны быть предусмотрены устройства, например, подходящие датчики, чтобы реализовать мониторинг и сигнализацию в соответствии с ИСО 7396-1.
7.4. Информационные сигналы
Примечание. Цель информационных сигналов - информирование медицинского персонала о том, что система подачи с концентраторами кислорода работает надлежащим образом.
7.4.1. Для индикации нормального состояния в системе подачи с концентраторами кислорода должна быть предусмотрена информационная сигнализация.
7.4.2. Для индикации нормального состояния должны быть предусмотрены системы контроля и аварийной сигнализации, соответствующие ИСО 7396-1.
8.1. Первичный, вторичный и резервный источники системы подачи с концентраторами кислорода должны быть маркированы как кислород или воздух, обогащенный кислородом соответственно.
Примечание. Типичными примерами маркировки являются металлические бирки, трафаретная печать, клеймение и клейкие маркеры.
8.2. Если трубопроводная система для воздуха, обогащенного кислородом, соседствует с трубопроводной системой для кислорода, то эти две системы должны различаться маркировкой.
Система подачи с концентраторами кислорода должна быть установлена в соответствии с требованиями настоящего стандарта и инструкциями изготовителя.
Примечания. 1. Могут применяться региональные, национальные и местные правила, касающиеся установки.
Подтверждение соответствия должно предоставляться изготовителем по требованию.
9.2. Электрические системы
Примечание. Могут применяться региональные, национальные и местные правила, касающиеся электроснабжения.
Результаты анализов риска в
4.1.2, касающиеся соединения источника подачи с аварийным электрическим источником питания, должны быть приведены в отчете.
10. Испытания, ввод в эксплуатацию и сертификация
Испытания после завершения монтажа системы должны быть проведены изготовителем или монтажником, освидетельствованы представителем медицинского учреждения и сертифицированы уполномоченным лицом, который является квалифицированным специалистом в области проведения испытаний трубопроводных систем медицинских газов.
Примечания. 1. Пример процедуры испытания и освидетельствования приведен в
Приложении D.
2. Целью испытания и освидетельствования является проверка того, что выполняются все требования к безопасности и к рабочим характеристикам.
3. Уполномоченные лица могут получать права в системе сертификации качества изготовителя, в национальном уполномоченном органе или в медицинском учреждении. В некоторых странах такие разрешения выдаются только лицам, независимым от изготовителя.
10.2. Испытания и методики их проведения
10.2.1. Разрешающая способность и точность всех измерительных приборов должна соответствовать измеряемой величине.
10.2.2. Все измерительные приборы, используемые для сертификации, должны быть откалиброваны.
10.2.3. После полной установки и до использования системы должны быть выполнены следующие испытания:
a) источников подачи;
b) систем мониторинга и сигнализации;
c) по оценке концентрации кислорода;
d) по оценке уровня загрязнения.
Подтверждения соответствия должны предоставляться изготовителем по требованию.
10.3.1. Испытания источников подачи
10.3.1.1. Общие требования
Изготовителем должен быть предоставлен перечень для систем подачи, который включает все требования настоящего стандарта. Должны быть проверены: автоматическое включение, автоматическое выключение, автоматические переключения доставки и возможность обеспечивать заданные значения расхода системы и концентрации кислорода.
Должна быть проверена утечка из всех компонентов.
10.3.1.2. Методика испытаний
Функциональные и рабочие показатели системы подачи должны быть сверены с перечнем.
Система подачи должна работать и соответствовать требованиям настоящего стандарта, когда она питается от резервного источника электроснабжения, если оно предусмотрено.
Результаты проверки должны соответствовать спецификации изготовителя и требованиям настоящего стандарта.
Должно быть подтверждено, что каждый источник подачи выполняет требования к расходу, определенные медицинскими учреждениями.
10.3.2. Испытания системы мониторинга и сигнализации
10.3.2.1. Общие требования
Системы сигнализации должны быть полностью установлены и работоспособны. Испытания каждой функции следует проводить по отдельности.
10.3.2.2. Методика испытаний
10.3.2.2.1. Работа всех датчиков сигнализации должна быть проверена при соответствующих изменениях ситуации (например, давление, концентрация кислорода, система переключения). Записывают значения, при которых включается и выключается каждая сигнализация.
10.3.2.2.2. Должно быть показано, что выполняются все функции сигнализации, включая визуальные и звуковые сигналы, регулировку звуковых сигналов и переключатели. Визуальные и звуковые характеристики сигналов, если они применяются, должны соответствовать
разделу 7.
10.3.2.2.3. Все измерительные устройства и сигналы сигнализации должны функционировать в соответствии с изменениями условий и работать при питании от обычной и резервной систем электроснабжения.
10.3.2.2.4. Требования для мониторинга и сигнализации см. в
7.2.
10.3.3. Испытания по определению концентрации кислорода
Испытания по определению концентрации кислорода должны выполняться для каждого источника подачи, содержащего блок концентратора кислорода, при номинальном расходе системы, в контрольной точке, расположенной ниже по потоку непосредственно после сосуда(ов) для хранения воздуха, обогащенного кислородом.
10.3.4. Испытания по определению уровня загрязнения
10.3.4.1. Общие требования
Уровень загрязнения должен проверяться для каждого источника подачи, используемого в блоке концентрации кислорода, по установленной методике оценки. Проверка выполняется при номинальном расходе в точке, расположенной непосредственно ниже сосуда(ов) для хранения воздуха, обогащенного кислородом.
В конце испытаний блока концентратора кислорода испытания должны быть повторно проведены в контрольной точке, расположенной непосредственно выше по течению относительно запорного вентиля системы подачи.
Примечание. С разрешения местных властей в месте эксплуатации анализ пробы можно не проводить.
10.3.4.2. Методики испытаний
10.3.4.2.1. Загрязнение микрочастицами
Загрязнение микрочастицами проверяется на выходе каждого источника подачи, используемого в блоке концентрации кислорода. Загрязнение не должно превышать уровня согласно
4.5.2.
10.3.4.2.2. Масло
Следует, чтобы измерительное устройство определяло уровень масла, присутствующего в виде жидкости, аэрозоля и пара. Общий уровень масла не должен превышать значение согласно
4.5.1.
10.3.4.2.3. Вода
Для проверки концентрации водяного пара используется соответствующее измерительное устройство. Концентрация воды не должна превышать значение согласно
4.5.1.
10.3.4.2.4. Окись углерода и углекислый газ
Концентрацию окиси углерода и углекислого газа определяют, используя соответствующие измерительные устройства. Концентрации окиси углерода и углекислого газа не должны превышать значений согласно
4.5.1.
10.4. Ввод в эксплуатацию и сертификация
10.4.1. До использования системы подачи с концентратором кислорода, изготовитель должен в письменной форме подтвердить, что все испытания и процедуры были выполнены и что конструкция и компоненты соответствуют настоящему стандарту.
10.4.2. Изготовитель должен перечислить испытания, которые должны выполняться после установки системы подачи, чтобы проверить ее соответствие основным требованиям настоящего стандарта. После установки специалист по установке должен подтвердить в письменной форме, что все испытания были выполнены и результаты соответствуют спецификациям изготовителя.
10.4.3. Перед использованием системы подачи с концентратором кислорода ответственный за испытание специалист должен в письменной форме подтвердить, что все испытания и процедуры завершены и что система соответствует требованиям настоящего стандарта. Он также должен подтвердить, что все оформленные документы и руководства, соответствующие
разделу 11, были предоставлены владельцу или клиенту.
10.4.4. Документы должны быть датированы и подписаны специалистом, ответственным за проверку, представителем владельца и представителем установщика.
10.4.5. Могут также применяться региональные и национальные правила, которые относятся к вводу в эксплуатацию и сертификации. В случае отсутствия таких правил см.
Приложение D.
Примечание. Стандартные формы сертификации приведены в
Приложении E.
11. Информация, предоставляемая изготовителем
11.1. Инструкции по установке
Изготовитель должен предоставить установщику соответствующие инструкции по установке укомплектованной системы подачи с концентраторами кислорода.
11.2. Инструкции по применению
Изготовитель через владельца системы должен предоставить пользователю инструкции по применению укомплектованной системы подачи с концентратором кислорода. Особое внимание должно уделяться:
- блокам концентраторов кислорода;
- системам мониторинга и сигнализации;
- опасности пожара или взрыва, возможных при использовании смазочных материалов в системах подачи с концентраторами кислорода;
- инструкции по оборудованию для наполнения баллонов, если оно предусмотрено;
- минимальному числу баллонов в комплекте, необходимых для сохранения подачи воздуха, обогащенного кислородом, из коллекторов баллонов;
- необходимости соответствовать национальным и региональным правилам или стандартам для контроля качества и маркировки баллонов, наполненных из блока концентратора кислорода;
- пригодности воздуха, обогащенного кислородом, для калибровки определенного оборудования;
11.3. Инструкция по профилактическому техническому обслуживанию
Изготовитель должен предоставить пользователю через владельца системы инструкции по проверке, техническому обслуживанию и калибровке, а также рекомендации по частоте проверок, техническому обслуживанию, калибровке и перечню рекомендованных запасных частей.
Примечание. Рекомендованные минимальные требования по организации технического обслуживания приведены в
Приложении F.
11.4. Информация по оперативному управлению
Изготовитель должен предоставить информацию по оперативному управлению владельцу системы, предоставляя возможность медицинскому учреждению участвовать в разработке документа по оперативному управлению.
Примечание. Материалы для подготовки документов по оперативному управлению включены в ИСО 7396-1.
11.5. Чертежи "как установлено"
Полный набор чертежей оборудования в установленном состоянии должен быть предоставлен владельцу системы подачи с концентратором кислорода для включения его, как части, в постоянный комплект документации трубопроводной системы.
11.6. Электрические схемы
Изготовитель должен предоставить владельцу электрические схемы всей установки.
11.7. Сообщение изготовителя
Изготовитель должен оговорить минимальную и максимальную концентрации кислорода в смеси, поставляемой концентратором кислорода при системно разработанном расходе при окружающих условиях, определенных учреждением здравоохранения.
12. Подготовка к применению воздуха, обогащенного кислородом
12.1. Одобрение применения воздуха, обогащенного кислородом
Следует, чтобы до включения в формуляр учреждения здравоохранения применения воздуха, обогащенного кислородом, он был принят медицинским персоналом учреждения, включая персонал анестезиологического отделения.
Вновь поступивший персонал должен быть проинформирован о применении воздуха, обогащенного кислородом, как части гарантированных возможностей учреждения здравоохранения.
Следует, чтобы добавлению в формуляр учреждения здравоохранения применения воздуха, обогащенного кислородом, предшествовала установка системы подачи с концентраторами кислорода.
12.3. Смешивание воздуха, обогащенного кислородом, и кислорода
Врачи-клиницисты должны быть информированы о возможности смешивания выходящего из оконечного устройства воздуха, обогащенного кислородом, с кислородом.
12.4. Калибровка медицинского оборудования
Служебный персонал и врачи-клиницисты должны быть информированы о том, что если для калибровки медицинского оборудования требуется кислород, то для этого нельзя использовать трубопроводную систему или баллоны, наполненные воздухом, обогащенным кислородом.
Если оконечные устройства не являются специфическими для подачи воздуха, обогащенного кислородом, то до использования системы подачи с концентратором кислорода следует принять решение о том, маркировать ли оконечные устройства и трубопроводы названием или знаком кислорода, или воздуха, обогащенного кислородом.
12.6. Соответствие ИСО 7396-1
До первого использования системы подачи с концентраторами кислорода необходимо подтвердить, что соответствующие испытания по ИСО 7396-1 произведены успешно.
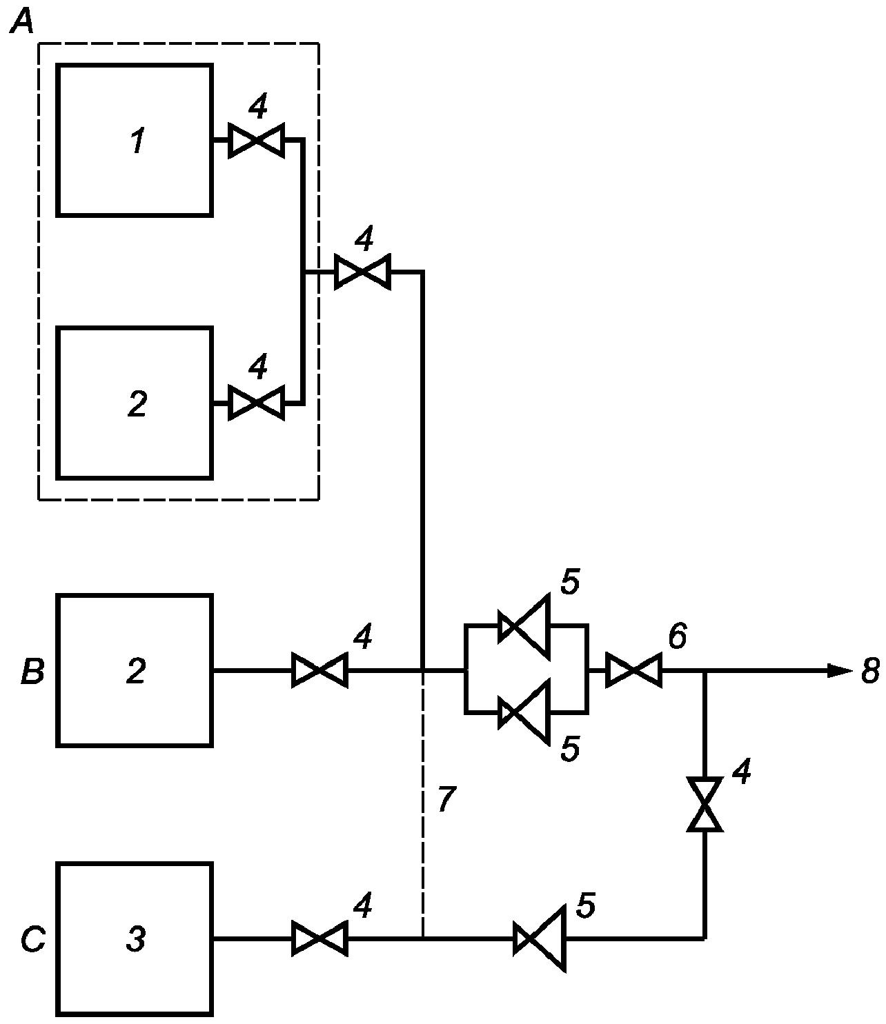
(справочное)
СХЕМАТИЧЕСКИЕ ИЗОБРАЖЕНИЯ СИСТЕМ ПОДАЧИ
С КОНЦЕНТРАТОРОМ КИСЛОРОДА
A - первичный источник подачи; B - вторичный
источник подачи; C - резервный источник подачи; 1 - блок
концентратора кислорода; 2 - баллоны высокого давления,
содержащие кислород или воздух, обогащенный кислородом,
или криогенный сосуд для жидкого кислорода; 3 - две группы
баллонов высокого давления; 4 - запорный вентиль источника
подачи; 5 - регулятор давления трубопровода; 6 - запорный
вентиль системы подачи; 7 - необязательное соединение;
8 - к отводящей трубопроводной системе
Рисунок A.1. Системы подачи с концентратором
кислорода с одним или более блоками концентраторов кислорода
первичного источника, баллонами или криогенным сосудом
для жидкостного вторичного источника и баллонами резервного
источника для одноступенчатой распределительной системы
A - первичный источник подачи; B - вторичный
источник подачи; C - резервный источник подачи;
1 - блок(и) концентратора кислорода; 2 - баллоны высокого
давления, содержащие кислород или воздух, обогащенный
кислородом, или криогенный сосуд для жидкого кислорода;
3 - две группы баллонов высокого давления; 4 - запорный
вентиль источника подачи; 5 - запорный вентиль системы
подачи; 6 - необязательное соединение;
7 - к распределительной системе
Рисунок A.2. Системы подачи с концентратором
кислорода с одним или более блоками концентраторов кислорода
первичного источника, баллонами высокого давления
или криогенным сосудом для жидкости вторичного источника
и баллонами высокого давления резервного источника
для двухступенчатой распределительной системы
A - первичный источник подачи; B - вторичный
источник подачи; C - резервный источник подачи; 1 - блок
концентратора кислорода; 2 - баллоны высокого давления,
содержащие кислород или воздух, обогащенный кислородом,
или криогенный сосуд для жидкого кислорода; 3 - две группы
баллонов высокого давления; 4 - запорно-выпускной вентиль
источника подачи; 5 - регулятор давления трубопровода;
6 - запорный вентиль системы подачи; 7 - необязательное
соединение; 8 - к отводящей трубопроводной системе
Рисунок A.3. Системы подачи с концентратором
кислорода с одним блоком концентратора кислорода
и дополнительными баллонами высокого давления или криогенным
сосудом(ами) для жидкости первичного источника, баллонами
высокого давления или криогенным сосудом для жидкости
вторичного источника и баллонами высокого давления резервной
системы для одноступенчатой распределительной системы
A - первичный источник подачи; B - вторичный
источник подачи; C - резервный источник подачи; 1 - блок(и)
концентратора кислорода; 2 - баллоны высокого давления,
содержащие кислород или воздух, обогащенным кислородом,
или криогенный сосуд(ы) для жидкости; 3 - две группы
баллонов высокого давления; 4 - запорный вентиль
источника подачи; 5 - запорный вентиль системы
подачи; 6 - необязательное соединение;
7 - к отводящей трубопроводной системе
Рисунок A.4. Системы подачи с концентратором
кислорода с одним блоком концентратора кислорода
и дополнительными баллонами высокого давления или криогенным
сосудом(ами) для жидкости первичного источника подачи,
баллонами высокого давления или криогенным сосудом(ами)
для жидкости вторичного источника и баллонами высокого
давления резервного источника двухступенчатой
распределительной системы
A - первичный источник подачи; B - вторичный
источник подачи; C - резервный источник подачи; 1 - блок(и)
концентратора кислорода; 2 - регулятор давления
трубопровода; 3 - две группы баллонов высокого давления;
4 - запорный вентиль источника подачи; 5 - запорный вентиль
системы подачи; 6 - необязательное соединение;
7 - к отводящей трубопроводной системе
Рисунок A.5. Системы подачи с концентратором
кислорода с одним или более блоком(ами) концентратора
кислорода первичного источника, одним или более блоками
концентратора кислорода вторичного источника
и баллонами высокого давления резервного источника
для одноступенчатой распределительной системы
A - первичный источник подачи; B - вторичный
источник подачи; C - резервный источник подачи; 1 - блок(и)
концентратора кислорода; 2 - запорный вентиль системы
подачи; 3 - две группы баллонов высокого давления;
4 - запорный вентиль источника подачи; 5 - необязательное
соединение; 6 - к отводящей трубопроводной системе
Рисунок A.6. Системы подачи с концентратором
кислорода с одним или более блоком(ами) концентратора
кислорода основного источника, одним или более блоком(ами)
концентратора кислорода вторичного источника и баллонами
высокого давления резервного источника двухступенчатой
распределительной системы
A - первичный источник подачи; B - вторичный
источник подачи; C - резервный источник подачи; 1 - блок(и)
концентратора кислорода; 2 - баллоны высокого давления,
содержащие кислород или воздух, обогащенный кислородом,
или криогенный сосуд(ы) для жидкости; 3 - две группы
баллонов высокого давления; 4 - запорный вентиль источника
подачи; 5 - регулятор давления трубопровода; 6 - запорный
вентиль системы; 7 - необязательное соединение;
8 - к отводящей трубопроводной системе
Рисунок A.7. Системы подачи
с концентратором кислорода с одним блоком концентратора
кислорода и дополнительными баллонами высокого давления
или криогенным сосудом(ами) для жидкости первичного
источника, блоком концентратора кислорода вторичного
источника и баллонами высокого давления резервного источника
для одноступенчатой распределительной системы
A - первичный источник подачи; B - вторичный
источник подачи; C - резервный источник подачи; 1 - блок(и)
концентратора кислорода; 2 - баллоны высокого давления,
содержащие кислород или воздух, обогащенный кислородом,
или криогенный сосуд(ы) для жидкости; 3 - две группы
баллонов высокого давления; 4 - вентиль источника подачи;
5 - запорный вентиль системы подачи; 6 - необязательное
соединение; 7 - к отводящей трубопроводной системе
Рисунок A.8. Системы подачи с концентратором кислорода
с одним блоком концентратора кислорода и дополнительными
баллонами или криогенным сосудом(ами) первичного источника,
блоком концентратора кислорода вторичного источника
и баллонами высокого давления резервного источника
для двухступенчатой распределительной системы
(справочное)
ОБЩЕЕ РУКОВОДСТВО ДЛЯ РАЗМЕЩЕНИЯ СИСТЕМ ПОДАЧИ
B.1. Система подачи должна быть установлена в соответствии с инструкциями изготовителя в хорошо вентилируемом и пожароустойчивом помещении. В зависимости от конкретных условий, допускается устанавливать некоторые компоненты (например, баллоны), на открытом воздухе с защитой от погодных условий и на огороженной территории. Для места установки системы подачи могут применяться региональные или национальные правила.
B.2. Доступ к помещениям, в которых расположены баллоны, и к охраняемым площадям должен быть многоуровневым и содержаться в чистоте. Все двери должны в любое время исправно открываться изнутри без ключа, а также должны открываться снаружи. Двери и ворота помещений или ограждений, отделяющих источник подачи, должны исправно закрываться. Должен предусматриваться, по крайней мере, один аварийный выход, который все время должен быть свободен от препятствий и вести к открытому воздуху или другому безопасному месту.
B.3. Помещения или площадки для систем подачи не должны использоваться для других целей.
B.4. К управлению и обслуживанию оборудования подачи должен допускаться только назначенный персонал.
B.5. Баллоны должны храниться в соответствии с рекомендациями поставщика. Для одной стороны коллектора достаточно одной группы наполненных баллонов, которая может храниться в том же помещении или на той же площади. Пустые баллоны, отсоединенные от оборудования подачи, могут храниться в ожидании своего перемещения. Наполненные и пустые баллоны должны храниться изолированно друг от друга, и площади, где они хранятся, должны быть обозначены.
B.6. Системы или емкости с воспламеняемыми газами или жидкостями не должны храниться внутри или рядом с местом расположения системы подачи.
B.7. Система нагрева может использоваться для отопления огороженных или охраняемых площадей, для которых определено, что температура ни одной части системы нагрева в контакте с воздухом внутри помещения не превышает 225 °C и что баллоны не контактируют с системой нагрева.
B.8. Положения всех электрических осветительных приборов должны быть фиксированы, эти приборы должны быть защищены для минимизации риска физического повреждения.
B.9. Должно быть предусмотрено оборудование для пожаротушения.
B.10. Помещение или огражденная площадь должны быть чистыми и хорошо освещенными.
B.11. Ограждения (внутренние или внешние) для системы подачи должны соответствовать следующим требованиям:
a) когда ограждение находится около источника тепла, например, около печи, мусоросжигателя или котельной, его конструкция должна предотвращать нагрев баллона свыше 40 °C;
b) ограждение должно располагаться не менее чем за 3 м от открытых электрических проводов или трансформаторов;
c) ограждение не должно располагаться рядом с местом хранения баков с маслом;
d) ограждение должно осуществляться в соответствии с местными строительными нормами;
e) ограждения должны иметь бетонные перекрытия;
f) предупредительные надписи должны располагаться с обеих сторон каждой двери
Пример -
Внимание - кислород
Не курить
Не использовать открытое пламя или искрения
Не использовать масло или смазочные материалы
Не использовать горючие материалы на расстоянии, меньшем 5 м
g) высота ограждений и стен должна быть не менее 1,75 м.
B.12. Ограждение должно быть легкодоступным для транспортирования освободившихся баллонов и должно быть установлено на уровне земли или на высоте транспортного средства, в зависимости от используемого метода загрузки.
B.13. Ограждение должно быть удалено не менее, чем на 3 м от жилых домов, проезжей части или тротуаров.
B.14. Для перемещения баллонов должны быть предоставлены ручные передвижные устройства, например, специально предназначенные для этого тележки.
(справочное)
РЕКОМЕНДАЦИИ ДЛЯ АВАРИЙНЫХ ПРОЦЕДУР
C.1. Общие требования
C.1.1. В результате внезапной остановки или понижения подачи газа в одном или более клинических помещениях могут возникать непредвиденные ситуации. В этих случаях жизненно важно установить такие процедуры, которые могут гарантировать следующие незамедлительные действия:
- сообщение о проблемах, воздействующих на людей и помещения;
- защита газоснабжения;
- ремонтные мероприятия.
C.1.2. По мерам пожарной безопасности могут применяться национальные и местные правила.
C.2. Оповещение
C.2.1. Следует, чтобы были установлены процедуры, которые обеспечивают немедленную передачу информации о любой возникающей аварийной ситуации по всем клиническим помещениям, где возможны повреждения, и всему техническому персоналу, занимающемуся газоснабжением и ремонтом.
C.2.2. Следует, чтобы такое оповещение включало в себя:
a) сущность непредвиденной ситуации;
b) ее вероятную длительность;
c) подробности применяемых процедур для ремонта газоснабжения;
d) ремонтные действия.
C.2.3. Следует, чтобы в каждое помещение клиники был направлен квалифицированный персонал, который должен координировать необходимые действия и сообщать о них.
C.3. Защита газоснабжения
C.3.1. Следует, чтобы информированный об аварийной ситуации координатор в каждом помещении клиники уменьшил использование газа из трубопровода до необходимого минимального уровня.
C.3.2. Следует, чтобы в непредвиденной ситуации технический персонал проверил и, когда это требуется, во всех точках использования подключил баллоны на резервном трубопроводе, баллоны для хранения газа и вспомогательное оборудование.
C.3.3. Если это необходимо, в соответствии с ожидаемой длительностью аварийной ситуации поставщиками или другими учреждениями здравоохранения должна быть предоставлена дополнительная поставка газа.
C.4. Ремонтные мероприятия
C.4.1. Следует, чтобы при невозможности подачи газа причина неисправности была немедленно определена и были предприняты действия по ее устранению.
C.4.2. Исследование причин неисправности может показать, что другие помещения учреждения здравоохранения, не подвергшиеся действию неисправности, могут нуждаться в изоляции при проведении ремонта. В таком случае следует, чтобы в этих помещениях до прерывания газоснабжения были выполнены процедуры оповещения и защиты.
C.4.3. Ремонтные работы должны проводиться при использовании эффективного метода контроля целостности системы.
C.5. Обучение
C.5.1. Следует, чтобы технический персонал был обучен использованию медицинских газов и трубопроводных систем и был знаком с размещением трубопровода с медицинским газом и расположением всех запорных вентилей.
C.5.2. Следует, чтобы по меньшей мере дважды в год создавались учебные аварийные ситуации. Желательно устранять любые возможные проблемы и проводить необходимую переподготовку.
C.5.3. Следует, чтобы была проведена оценка реальных аварийных ситуаций и осуществлены соответствующие действия для улучшения процедур и подготовки.
C.6. Дополнительные резервные баллоны
C.6.1. Рекомендуется, чтобы дополнительные резервные баллоны не соединялись с источником подачи и с подключенными к ним резервными баллонами. Объем дополнительных поставок должен быть вычислен, исходя из нормального ежедневного использования газа, расположения устройств подачи и ремонтных процедур, которые будут необходимы в случае неисправности системы подачи.
C.6.2. Помещениям для интенсивной терапии требуются свои собственные запасные баллоны для минимизации задержек газоснабжения в аварийной ситуации. Если для этой цели используются баллоны с присоединенными регуляторами давления, то следует, чтобы их выходные отверстия допускали присоединение только определенного газа и соединялись с газоподводящими шлангами низкого давления.
(справочное)
МЕТОДИКА ИСПЫТАНИЙ И ВВОДА В ЭКСПЛУАТАЦИЮ
D.1. Введение
Данная методика испытаний приведена как пример того, каким образом могут проверяться требования
раздела 10, для того, чтобы система могла быть введена в эксплуатацию и сертифицирована. С этой целью могут быть разработаны другие надежные методики.
Типовые формы для сертификации системы приведены в
Приложении E.
D.2. Общие требования
Данные испытания должны быть проведены до наполнения трубопроводной распределительной системы воздухом, обогащенным кислородом. Система подачи с концентраторами кислорода должна быть изолирована от трубопроводной распределительной системы закрыванием запорного вентиля системы подачи или запорного вентиля(ей) источника подачи.
D.3. Методика испытаний
D.3.1. Общие требования
Данное испытание должно поочередно проводиться для каждого источника подачи, соединенного с концентратором кислорода, в испытательной точке, расположенной непосредственно ниже по потоку относительно сосуда(ов) для хранения воздуха, обогащенного кислородом.
D.3.2. Концентрация кислорода
Следует использовать анализатор кислорода. Концентрация кислорода должна соответствовать требованиям, приведенным в
4.5.1.
D.3.3. Загрязнение частицами
Проверка на загрязнение частицами проводится с использованием соответствующего испытательного устройства. Загрязнение частицами должно соответствовать требованиям
4.5.2.
D.3.4. Масло
Проверка содержания масел проводится с использованием соответствующего испытательного устройства. Концентрация масла должна соответствовать требованиям
4.5.1.
D.3.5. Вода
Проверка концентрации водяного пара в воздухе, обогащенном кислородом, проводится с использованием соответствующего испытательного устройства. Концентрация воды должна соответствовать требованиям
4.5.1.
D.3.6. Окись углерода и углекислый газ
Следует, чтобы концентрации окиси углерода и углекислого газа были проверены соответствующими испытательными устройствами. Концентрации окиси углерода и углекислого газа должны соответствовать требованиям
4.5.1.
(справочное)
ТИПОВЫЕ ФОРМЫ ДЛЯ СЕРТИФИКАЦИИ СИСТЕМЫ ПОДАЧИ
С КОНЦЕНТРАТОРАМИ КИСЛОРОДА
Форма E.1
Характеристики воздуха, обогащенного кислородом
Форма ___________ Лист ______ из ______
Учреждение здравоохранения __________________
Проверка обогащенного кислородом воздуха, создаваемого концентратором кислорода системы подачи
Данная проверка проводится для подтверждения того, что воздух, обогащенный кислородом и поставляемый системой подачи с концентраторами кислорода, проверен на примеси в соответствии с Приложением D ИСО 10083:2006.
Блок концентратора кислорода | Содержание масла <= 0,1 мг/м3 | Концентрация воды <= 67 мл/м3 | Концентрация окиси углерода <= 5 мл/м3 | Концентрация углекислого газа <= 300 мл/м3 | Объемная концентрация кислорода >= 90% |
| | | | | |
| | | | | |
Используемое измерительное устройство | | | | | |
Представитель изготовителя/установщика
Подпись ____________________________________
Уполномоченное лицо
Подпись ____________________________________
Форма E.2
Предоставляемые документы и сертификаты
Форма ___________ Лист ______ из ______
Учреждение здравоохранения __________________
Документы и сертификаты
Данная форма подтверждает, что были предоставлены следующие документы и сертификаты:
a) сертификат сосудов, работающих под давлением;
b) сертификат осмотра электрических линий и частей;
c) инструкции изготовителя по применению;
d) программы профилактического обслуживания;
e) гарантии на оборудование;
f) аварийные процедуры;
g) чертежи "как установлено";
h) электрические схемы всей установки;
i) формуляр учреждения здравоохранения.
Представитель изготовителя/установщика
Подпись ____________________________________
Уполномоченное лицо
Подпись ____________________________________
Форма E.3
Функциональные проверки системы подачи
Форма ___________ Лист ______ из ______
Учреждение здравоохранения __________________
Проверки функционирования системы
Данная форма подтверждает, что следующие функции проверены и выполняются удовлетворительно:
Функция | Дата |
Автоматический запуск | |
Автоматическая остановка | |
Автоматическое переключение источника подачи | |
Представитель изготовителя/установщика
Подпись ____________________________________
Уполномоченное лицо
Подпись ____________________________________
(справочное)
РЕКОМЕНДУЕМЫЙ МИНИМУМ ТРЕБОВАНИЙ ДЛЯ ПРОФИЛАКТИЧЕСКОГО
ТЕХНИЧЕСКОГО ОБСЛУЖИВАНИЯ
F.1. Общие требования
Для системы подачи с концентратором кислорода требуется периодическое техническое обслуживание, чтобы гарантировать ее надлежащее функционирование.
Данное Приложение предоставляет информацию, которая должна использоваться при разработке программы технического обслуживания, но не включает в себя конкретные задачи технического обслуживания или его частоту.
F.2. Организация
F.2.1. Служебный персонал
Для наблюдения и выполнения технического обслуживания должен назначаться только квалифицированный служебный персонал, хорошо знакомый с работой оборудования и имеющий необходимую практику обслуживания системы подачи с концентратором кислорода. Должна быть определенная система переподготовки, чтобы служебный персонал мог периодически получать информацию об обновлении рабочих характеристик.
При разработке программы профилактического технического обслуживания, учреждением здравоохранения следует принять во внимание расположение оборудования (т.е. если оно изолировано, то профилактическое техническое обслуживание должно проводиться чаще, в наличии должно быть большее число незамедлительно доступных запасных частей и должно быть увеличено число местного обученного персонала).
F.2.2. Запасные части
Следует, чтобы владелец гарантировал наличие запасных частей, рекомендованных изготовителем.
F.2.3. Программа технического обслуживания
Систематическое проведение технического обслуживания системы подачи с концентратором кислорода очень важно. Аппарату здравоохранения следует письменно устанавливать процедуры, контрольные таблицы и руководства для служебного персонала, обслуживающего систему. Следует, чтобы эти руководства включали в себя информацию о работе, которую следует выполнять и как часто это необходимо делать. Программа технического обслуживания должна содержать, как минимум, рекомендации изготовителя по техническому обслуживанию.
Особое внимание следует уделить следующему:
a) работе концентраторов кислорода и связанной с ними аварийной сигнализации;
b) составу подаваемого воздуха, обогащенного кислородом (см.
4.5);
c) калибровке контрольного оборудования;
d) утечке;
e) замене компонентов запасными частями;
f) фильтрам.
Для организации или технического обслуживания могут применяться региональные и национальные правила.
Следует установить процедуру немедленного оповещения о неисправном или подозрительном оборудовании и о необходимости его ремонта или замены.
F.2.4. Техника безопасности
Следует, чтобы процедуры технического обслуживания устанавливали соответствующие системы связи и документированный контроль работы.
Следует, чтобы профилактическое техническое обслуживание периодически корректировалось таким методом, который будет минимизировать влияние на работу системы подачи.
Если процесс технического обслуживания требует отключения частей системы трубопровода, то:
a) отключение следует полностью согласовать с медицинским персоналом соответствующих помещений;
b) любой замененный вентиль или блок терминала следует пометить для предотвращения их повторного применения.
Если процесс технического обслуживания приводит к поломке трубопроводной системы, следует принять следующие меры:
c) обеспечить безопасность условий работы;
d) отключить систему подачи от трубопровода;
e) очистить систему от любых загрязнений;
f) до использования трубопровода наполнить его воздухом, обогащенным кислородом.
F.3. Повторная проверка
После любого технического обслуживания следует выполнить соответствующие испытания, приведенные в
разделе 10.
F.4. Документация
Следует подготовить постоянную систему ведения документации, включающую документы, приведенные в
разделе 10.
В систему ведения документации следует включать регистрацию всех действий по техническому обслуживанию, включая проверку и измерения.
Систему документации следует обновлять, когда это необходимо, и пересматривать, по меньшей мере один раз в год.
(справочное)
РЕКОМЕНДАЦИИ ПО УСТАНОВКЕ
G.1. До установки системы подачи с концентратором кислорода установщику следует убедиться, что трубопроводная распределительная система, к которой должен подключаться концентратор, соответствует требованиям ИСО 7396-1.
G.2. До установки системы подачи с концентратором кислорода изготовителю следует оценить природные и географические условия предполагаемого размещения с точки зрения факторов, которые могут подействовать на правильность и продолжительность работы системы.
G.3. Окружающий воздух, подаваемый в систему подачи с концентратором кислорода, должен отбираться с места, которое минимально загрязнено выхлопами двигателей внутреннего сгорания, анестетическими газами из систем их выведения, вентиляцией, разгрузочными вакуумными системами и другими источниками загрязнения.
G.4. Системы подачи с концентратором кислорода следует устанавливать в хорошо освещенных, вентилируемых, чистых и достаточно доступных местах. См. также
Приложение B.
G.5. Могут быть необходимыми особые меры предосторожности для выхода газов из рабочей площади и их безопасного рассеивания в атмосфере.
G.6. Системы подачи с концентратором кислорода, в особенности элементы концентратора кислорода, включающие воздушный компрессор(ы), вакуумный насос(ы), если он(и) установлен(ы), следует располагать отдельно от других медицинских систем газоснабжения, за исключением воздушных компрессоров и вакуумных насосов.
G.7. Следует предусматривать средства для уменьшения передачи колебаний от системы подачи к трубопроводу.
G.8. Следует предусматривать средства для того, чтобы уровень шума от работы системы подачи соответствовал любым действующим местным, региональным и другим правилам.
G.9. Если это требуется, следует предусматривать дренаж для таких элементов как ресиверы.
G.10. Рабочую и аварийную сигнализацию соответственно их действию следует располагать, по крайней мере, в одном помещении, в котором находятся люди.
G.11. Вследствие высокого потребления электричества устройством подачи с концентратором кислорода может потребоваться модернизация электроснабжения.
(справочное)
РИСК И УПРАВЛЕНИЕ РИСКОМ
Опасность | Показатели характеристики риска | Уровень контроля риска | Соответствующий раздел, подраздел, пункт |
| | |
Воспламеняемость | Соответствует требованиям по уровням масла и совместимости с кислородом | X | | | |
Загрязнение оборудования | Соответствует требованиям подраздела 4.1 ИСО 15001:2003 | X | | | |
Высокое давление | Клапаны сброса давления | X | | | |
Соединения | Испытание трубопровода в соответствии с ИСО 7396-1 | | | X | |
Низкая концентрация кислорода | Анализатор кислорода и сигнализация плюс автоматическое отключение концентратора кислорода и автоматическое переключение на другой источник | X | X | | |
Истощение подачи | Три источника подачи обеспечивают непрерывность подачи в течение обычной работы и поддержание автоматического отключения | X | | | |
Токсичность | Минимизация выщелачивания материалов, исключение токсичных продуктов горения | X | | | |
Попадание воды в трубопровод | Нормированная максимальная концентрация водяного пара и необходимая сигнализация | X | X | | |
Неправильная калибровка устройств | Соответствующая информация в инструкциях по применению | | | X | |
<a> Прямые меры безопасности включают в себя отказоустойчивую разработку (например, автоматическое выключение), правильный выбор материалов, ограничение включений, ограничение загрязнения, клапаны сброса давления и фильтры. |
<b> Косвенные меры безопасности включают в себя системы контроля и сигнализации. |
<c> Предписанные меры безопасности включают в себя инструкции по применению, маркировку на устройствах (включая предупреждения), подготовку и периодическое техническое обслуживание. |
(справочное)
РЕКОМЕНДАЦИИ ПО РАЗМЕРУ И ПРОИЗВОДИТЕЛЬНОСТИ
I.1. Размер системы подачи с концентраторами кислорода следует задавать медицинским учреждением, основываясь на прогнозируемой потребности в кислороде и на анализе управления риском.
I.2. Требования медицинского учреждения относительно расхода кислорода могут обеспечиваться следующими мерами:
- надлежащим размером концентратора кислорода(ов) и сосудов для хранения воздуха, обогащенного кислородом; и/или
- потреблением кислорода или воздуха, обогащенного кислородом, из баллонов в необходимых количествах.
I.3. Концентратор кислорода имеет фиксированный максимальный расход, который может продолжительно поддерживаться, когда расход воздуха, обогащенного кислородом, соответствует требованиями
4.5.1. Потребление кислорода в учреждении здравоохранения может изменяться и превышать максимальный расход. В данном случае для поддержания системно рассчитанного расхода будет активизирована дополнительная подача из первичного источника подачи.
I.4. Производительность и максимальный расход любой системы подачи следует основывать на предполагаемом применении и частоте поставки. Производительность и максимальные расходы первичного, вторичного и резервного источников должны определяться специалистами медицинского учреждения, по согласованию с изготовителем и поставщиком системы, принимая во внимание обычное ежедневное потребление газа и аварийные меры, которые предпринимаются в случае отказа системы.
I.5. Также желательно определить количество резервных баллонов.
I.6. Следует определить соответствующие средства хранения баллонов (см.
Приложение B).
I.7. Если система подачи с концентраторами кислорода снабжена средствами для наполнения баллонов высокого давления, то требование к числу баллонов в первичном источнике может быть снижено.
I.8. Объем, хранящийся во вторичном источнике снабжения только в баллонах, должен соответствовать средней потребности, по крайней мере, на 48 ч. Конкретное расположение может потребовать большего объема.
I.9. Медицинским учреждениям следует рассматривать вероятный рост требований, обусловленный предсказуемыми изменениями числа или характера медицинских процедур.
I.10. Объем, хранящийся в резервном источнике подачи, следует вычислять поставщиком и медицинским учреждением для обеспечения достаточного объема, пока не доставят баллоны для замены. Однако если система подачи с концентратором кислорода поставляется со средствами наполнения баллонов высокого давления, требуемое число резервных баллонов может быть снижено.
I.11. Новым медицинским учреждениям следует основываться на размере системы подачи с концентратором кислорода и на опыте существующих подобных медицинских учреждений.
I.12. Периодически проверять трубопроводы следует для гарантии того, что производительность системы подачи остается соответствующей требованиям.
I.13. В отсутствие аварийного электропитания число баллонов нужно увеличивать для поддержки обеспечения кислородом в течение отказа электроснабжения.
(справочное)
РЕКОМЕНДАЦИИ ПО НАПОЛНЕНИЮ БАЛЛОНОВ ВОЗДУХОМ,
ОБОГАЩЕННЫМ КИСЛОРОДОМ
J.1. Общие требования
Требования по наполнению баллонов приведены в
4.6.
J.2. Система контроля наполнения
J.3. Обратный клапан
Следует предоставлять методы, гарантирующие отсутствие обратного потока в системе подачи с концентраторами кислорода.
J.4. Коллекторы
Следует, чтобы коллектор, используемый для наполнения баллонов воздухом, обогащенным кислородом, мог выдерживать давление в 1,5 раза больше максимального давления наполнения и должен быть оборудован предохранительным клапаном, который выдерживает давление в 1,3 раза больше максимального давления наполнения и способен выпускать полный выходной расход наполняющего компрессора.
J.5. Соединители
Все используемые съемные соединители должны быть специфичными для определенного газа.
J.6. Окончание наполнения
Следует предусматривать автоматическое отключение наполнения баллона, когда давление в нем достигает давления наполнения, определенного изготовителем.
(справочное)
K.1. Настоящее Приложение содержит обоснование некоторых требований настоящего стандарта и предназначено для тех, кто знаком с предметом настоящего стандарта, но не участвовал в его разработке. Понимание обоснований этих требований считается необходимым для их правильного применения. К тому же, как в медицинской практике, так и при технических изменениях придается большое значение тому, чтобы обоснование облегчало пересмотр настоящего стандарта, что необходимо для его усовершенствования.
В настоящем стандарте соответствующие подпункты отмечаются символом "*". Поэтому нумерация обоснований не последовательна.
K.3.17. Подкомитет рассматривал различные термины и символы для газовой смеси, производимой системой подачи с концентратором кислорода. Полное соглашение не могло быть достигнуто. Было принято решение оставить термин "воздух, обогащенный кислородом", который употребляется в ИСО 7396-1 для этой медицинской газовой смеси.
(справочное)
СВЕДЕНИЯ О СООТВЕТСТВИИ ССЫЛОЧНЫХ
МЕЖДУНАРОДНЫХ СТАНДАРТОВ ССЫЛОЧНЫМ НАЦИОНАЛЬНЫМ СТАНДАРТАМ
РОССИЙСКОЙ ФЕДЕРАЦИИ (И ДЕЙСТВУЮЩИМ В ЭТОМ КАЧЕСТВЕ
МЕЖГОСУДАРСТВЕННЫМ СТАНДАРТАМ)
Таблица ДА.1
Обозначение ссылочного международного стандарта | Степень соответствия | Обозначение и наименование соответствующего национального стандарта |
ИСО 3746:1995 | MOD | ГОСТ Р 51402-99 (ИСО 3746-95) "Шум машин. Определение уровней звуковой мощности источников шума по звуковому давлению. Ориентировочный метод с использованием измерительной поверхности над звукоотражающей плоскостью" |
ИСО 4135:2001 | MOD | ГОСТ Р 52423-2005 (ИСО 4135:2001) "Аппараты ингаляционной анестезии и искусственной вентиляции легких. Термины и определения" |
| | ИС МЕГАНОРМ: примечание. ГОСТ Р 52792-2007 утратил силу с 1 января 2015 года в связи с введением в действие ГОСТ 31517-2012 (Приказ Росстандарта от 01.11.2012 N 625-ст). | |
|
ИСО 5359:2000 | MOD | ГОСТ Р 52792-2007 (ИСО 5359:2000) "Шланги газоподводящие низкого давления медицинские. Технические требования и методы испытаний" |
ИСО 8359:1988 | MOD | ГОСТ Р 50662-94 (ИСО 8359-88) "Концентраторы кислорода для использования в медицине. Требования безопасности" |
ИСО 14644-1:1999 | IDT | ГОСТ ИСО 14644-1-2002 "Чистые помещения и связанные с ними контролируемые среды. Часть 1. Классификация чистоты воздуха" |
ИСО 14971:2007 | IDT | |
ИСО 32 | - | |
ИСО 407 | - | |
ИСО 4126-1 | - | |
ИСО 5145 | - | |
ИСО 7396-1:2002 | - | |
ИСО 10524-2 | - | |
ИСО 15001 | - | |
ИСО/ТО 16142 | - | |
ИСО 21969 | - | |
ЕН 286-1 | - | |
<*> Соответствующий национальный стандарт отсутствует. До его утверждения рекомендуется использовать перевод на русский язык данного международного стандарта. Перевод данного международного стандарта находится в Федеральном информационном фонде технических регламентов и стандартов. |
Примечание - В настоящей таблице использованы следующие условные обозначения степени соответствия стандартов: - IDT - идентичные стандарты; - MOD - модифицированные стандарты. |
[1] | ISO 8359, Oxygen concentrators for medical use - Safety requirements |
[2] | ISO 32, Gas cylinders for medical use - Marking for identification of content |
[3] | CGA P-8.1-1995, Safe installation and operation of PSA and membrane oxygen and nitrogen generators |
[4] | ISO 4135, Anaesthetic and respiratory equipment - Vocabulary |
[5] | ASTM F 1464, Standard Specification for Oxygen Concentrators for Domiciliary Use |
[6] | CAN/CSA-Z305.6, Medical Oxygen Concentrator Central Supply System for Use With Non flammable Medical Gas Piping Systems |
[7] | EASY, W.R., DOUGLAS, G.A. and MERRIFIELD, A.J. A combined oxygen concentrator and compressed air unit. Assessment of a prototype and discussion of its potential applications. Anaesthesia, 1988, 43, pp. 37 - 41 |
[8] | FRIESEN, R.M. Oxygen concentrators and the practice of anaesthesia. Can J Anaesth 1992, 39, pp. R80 - R84 |
[9] | HOWELL, R.S.C. Oxygen concentrators. Brit J Hosp Med, 1985, 34, pp. 221 - 223 |
[10] | SWAN, B.B. Oxygen concentrators. Can J Anaesth, 1987, 34, pp. 538 - 539 |
[11] | FRIESEN, R.M., FIABER, M.B. and REIMER, D.H. Oxygen concentrators: a primary oxygen supply source. Can J Anaesth, 1999, 46, pp. 1185 - 1190 |
[12] | ISO 4126-1, Safety devices for protection against excessive pressure - Part 1: Safety valves |
[13] | ISO/TR 16142, Medical devices - Guidance on the selection of standards in support of recognized essential principles of safety and performance of medical devices |
[14] | Directive 2001/83/EC, Manufacture and importation of medicinal products for human use |
[15] | Directive 91/356/EEC, Principles and guidelines of good manufacturing practice for medicinal products for human use |
[16] | PARKER, C.J. and SNOWDEN, S.L. Predicted and measured oxygen concentrations in the circle system using low fresh gas flows with oxygen supplied by an oxygen concentrator. Br J Anaesth, 1988, 61, pp. 397 - 402 |
[17] | ISO 407, Small medical gas cylinders - Pin-index yoke-type valve connections |
[18 | ISO 3746, Acoustics - Determination of sound power levels of noise sources using sound pressure - Survey method using an enveloping measurement surface over a reflecting plane |
[19] | ISO 5359, Low-pressure hose assemblies for use with medical gases |