Главная // Актуальные документы // ГОСТ Р (Государственный стандарт)СПРАВКА
Источник публикации
М.: Стандартинформ, 2014
Примечание к документу
Документ
введен в действие с 1 декабря 2013 года.
Название документа
"ГОСТ Р ИСО 16000-24-2012. Национальный стандарт Российской Федерации. Воздух замкнутых помещений. Часть 24. Оценка эффективности понижения содержания летучих органических соединений (кроме формальдегида) сорбирующими строительными материалами"
(утв. и введен в действие Приказом Росстандарта от 29.11.2012 N 1369-ст)
"ГОСТ Р ИСО 16000-24-2012. Национальный стандарт Российской Федерации. Воздух замкнутых помещений. Часть 24. Оценка эффективности понижения содержания летучих органических соединений (кроме формальдегида) сорбирующими строительными материалами"
(утв. и введен в действие Приказом Росстандарта от 29.11.2012 N 1369-ст)
Утвержден и введен в действие
агентства по техническому
регулированию и метрологии
от 29 ноября 2012 г. N 1369-ст
НАЦИОНАЛЬНЫЙ СТАНДАРТ РОССИЙСКОЙ ФЕДЕРАЦИИ
ВОЗДУХ ЗАМКНУТЫХ ПОМЕЩЕНИЙ
ЧАСТЬ 24
ОЦЕНКА ЭФФЕКТИВНОСТИ ПОНИЖЕНИЯ СОДЕРЖАНИЯ ЛЕТУЧИХ
ОРГАНИЧЕСКИХ СОЕДИНЕНИЙ (КРОМЕ ФОРМАЛЬДЕГИДА)
СОРБИРУЮЩИМИ СТРОИТЕЛЬНЫМИ МАТЕРИАЛАМИ
Indoor air - Part 24: Performance test for evaluating
the reduction of volatile organic compound (except
formaldehyde) concentrations by sorptive building materials
ISO 16000-24:2009
Indoor air - Part 24: Performance test for evaluating
the reduction of volatile organic compound (except
formaldehyde) concentrations by sorptive building materials
(IDT)
ГОСТ Р ИСО 16000-24-2012
Группа Т58
Дата введения
1 декабря 2013 года
Цели и принципы стандартизации в Российской Федерации установлены Федеральным
законом от 27 декабря 2002 г. N 184-ФЗ "О техническом регулировании", а правила применения национальных стандартов Российской Федерации -
ГОСТ Р 1.0-2004 "Стандартизация в Российской Федерации. Основные положения".
1. Подготовлен Автономной некоммерческой организацией "Научно-исследовательский центр контроля и диагностики технических систем" (АНО "НИЦ КД") на основе собственного аутентичного перевода на русский язык стандарта, указанного в пункте 4.
2. Внесен Техническим комитетом по стандартизации ТК 457 "Качество воздуха".
3. Утвержден и введен в действие
Приказом Федерального агентства по техническому регулированию и метрологии от 29 ноября 2012 г. N 1369-ст.
4. Настоящий стандарт идентичен международному стандарту ИСО 16000-24:2009 "Воздух замкнутых помещений. Часть 24. Оценка эффективности понижения содержания летучих органических соединений (кроме формальдегида) сорбирующими строительными материалами" (ISO 16000-24:2009 "Indoor air - Part 24: Performance test for evaluating the reduction of volatile organic compound (except formaldehyde) concentrations by sorptive building materials", IDT).
5. Введен впервые.
Правила применения настоящего стандарта установлены в ГОСТ Р 1.0-2012
(раздел 8). Информация об изменениях к настоящему стандарту публикуется в ежегодном (по состоянию на 1 января текущего года) информационном указателе "Национальные стандарты", а официальный текст изменений и поправок - в ежемесячном информационном указателе "Национальные стандарты". В случае пересмотра (замены) или отмены настоящего стандарта соответствующее уведомление будет опубликовано в ближайшем выпуске информационного указателя "Национальные стандарты". Соответствующая информация, уведомление и тексты размещаются также в информационной системе общего пользования - на официальном сайте Федерального агентства по техническому регулированию и метрологии в сети Интернет (gost.ru).
Сорбирующие строительные материалы, серийно выпускаемые в виде листов или плит, предназначены для удаления загрязнителей, находящихся в воздухе, за счет физической сорбции или химической реакции.
Согласованные методы испытаний для оценки эффектов сорбции необходимы для сравнительной оценки эффективности сорбирующих строительных материалов, применяемых для уменьшения уровней содержания загрязняющих веществ в воздухе замкнутых помещений.
В настоящем стандарте установлены методики оценки эффективности сорбирующих строительных материалов по уменьшению со временем содержания летучих органических соединений (ЛОС), кроме формальдегида.
На эффективность сорбирующих строительных материалов, оцениваемую по сорбционному потоку и массе насыщения на единицу площади, влияет ряд факторов. Поэтому в настоящем стандарте приведены конкретные условия испытания.
Настоящий стандарт применяют для большинства сорбирующих строительных материалов, применяемых в замкнутых помещениях, и большинства ЛОС (кроме формальдегида).
Настоящий стандарт основан на методе с использованием испытательной камеры, установленном в ИСО 16000-9.
В настоящем стандарте установлен лабораторный метод испытаний для оценки эффективности понижения содержания летучих органических соединений, ЛОС, (кроме формальдегида) сорбирующими строительными материалами. Метод применим для плит, обоев, ковровых покрытий, лакокрасочной продукции и других строительных материалов. Сорбция ЛОС может происходить за счет адсорбции, абсорбции и хемосорбции. Эффективность материала понижать содержание ЛОС (кроме формальдегида) в воздухе замкнутого помещения оценивают на основе измерений сорбционного потока и массы насыщения на единицу площади. Изготовитель непосредственно указывает свойство материала по отношению к уменьшению содержания конкретного ЛОС за определенное время; последнее относится к возможности продукции сохранять это свойство.
Настоящий стандарт не распространяется на метод испытаний для оценки эффективности понижения содержания формальдегида сорбирующими строительными материалами, поскольку трудно получить стабильную стандартную смесь формальдегида с воздухом.
Методика, приведенная в настоящем стандарте, основана на методе с применением испытательной камеры, установленном в ИСО 16000-9. Отбор, транспортирование, хранение и подготовка образцов для испытаний описаны в ИСО 16000-11. Методы отбора проб воздуха и анализа для определения карбонильных соединений (кроме формальдегида) установлены в ИСО 16000-3, а для определения других ЛОС - в ИСО 16000-6 и 16017-1.
В настоящем стандарте использованы ссылки на следующие международные стандарты:
ИСО 554 Стандартные газовые смеси для кондиционирования и/или испытаний. Технические условия (ISO 554, Standard atmospheres for conditioning and/or testing - Specifications)
ИСО 6353-3 Реактивы для химического анализа. Часть 3. Технические условия. Второй сорт (ISO 6353-3, Reagents for chemical analysis - Part 3: Specifications - Second series)
ИСО 16000-3 Воздух замкнутых помещений. Часть 3. Определение содержания формальдегида и других карбонильных соединений. Метод активного отбора проб (ISO 16000-3, Indoor air - Part 3 - Determination of formaldehyde and other carbonyl compounds - Active sampling method)
ИСО 16000-6 Воздух замкнутых помещений. Часть 6. Определение летучих органических соединений в воздухе замкнутых помещений и испытательной камере путем активного отбора проб на сорбент Tenax TA с последующей термической десорбцией и газохроматографическим анализом с использованием МСД/ПИД (ISO 16000-6:2004 "Indoor air - Part 6: Determination of volatile organic compounds in indoor and test chamber air by active sampling on Tenax TA sorbent, thermal desorption and gas chromatography using MS/FID)
ИСО 16000-9:2006 Воздух замкнутых помещений. Часть 9. Определение выделения летучих органических соединений строительными и отделочными материалами. Метод с использованием испытательной камеры (ISO 16000-9:2006 "Indoor air - Part 9: Determination of the emission of volatile organic compounds from building products and furnishing - Emission test chamber method)
ИСО 16000-11 Воздух замкнутых помещений. Часть 11. Определение выделения летучих органических соединений строительными и отделочными материалами. Отбор, хранение и подготовка образцов для испытаний (ISO 16000-11 "Indoor air - Part 11: Determination of the emission of volatile organic compounds from building products and furnishing - Sampling, storage of samples and preparation of test specimens)
ИСО 16017-1 Воздух атмосферный, рабочей зоны и замкнутых помещений. Отбор проб летучих органических соединений при помощи сорбционной трубки с последующей термодесорбцией и газохроматографическим анализом на капиллярных колонках. Часть 1. Отбор проб методом прокачки (ISO 16017-1, Indoor, ambient and workplace air - Sampling and analysis of volatile organic compounds by sorbent tube/thermal desorption/capillary gas chromatography - Part 1: Pumped sampling).
3. Термины и определения <1>
--------------------------------
<1>
Термины 3.1 -
3.9,
3.14,
3.16 установлены для целей настоящего стандарта, т.е. для оценки качества воздуха замкнутых помещений.
В настоящем стандарте применены термины по ИСО 16000, а также следующие термины с соответствующими определениями:
3.1. Время проскока t
b (breakthrough time t
b): время, при котором содержание в воздухе ЛОС, элюируемого из трубки с пробой, достигает 0,5% его содержания в воздухе, подаваемом в трубку.
3.2. Коэффициент ухудшения качества <2> (degradation coefficient): отношение массы ЛОС и карбонильных соединений, извлеченных новым строительным материалом, к массе тех же соединений, удаленных с материала после его состаривания.
--------------------------------
<2> Термин не встречается в тексте стандарта и приведен для сохранения идентичности стандарта.
3.3. Истекшее время te (elapsed time te): время, прошедшее с начала испытания до начала отбора проб.
Примечания
1. Истекшее время выражают в сутках.
3.4. Эквивалентная кратность воздухообмена на единицу площади FV,eq (equivalent ventilation rate per area FV,eq): увеличенная кратность воздухообмена чистого воздуха, приводящая к такому же убыванию содержания ЛОС в воздухе, что и сорбирующий строительный материал.
3.5. Норма содержания (guideline concentration): предельно допустимое значение содержания ЛОС в воздухе замкнутого помещения, установленное ВОЗ <3>.
--------------------------------
<3> ВОЗ - Всемирная организация здравоохранения.
3.6. Период полупоглощения (half-lifetime): промежуток времени от начала испытания до момента, когда содержание определяемого ЛОС в воздухе уменьшится вдвое.
3.7. Период сохранения эффективности поглощения tlt (lifetime tlt): время, в течение которого строительный материал сохраняет свое свойство понижать содержание ЛОС в воздухе.
Примечания
1. Период сохранения эффективности поглощения выражают в сутках или годах.
2. Период сохранения эффективности поглощения оценивают на основе сорбционного потока и сорбционной емкости, измеренной при испытании с использованием трубки.
3.8. Коэффициент массопередачи (mass transfer coefficient): коэффициент, возникающий из-за разницы содержания (вещества) в испытываемом образце и в воздухе над его поверхностью.
Примечания
1. Коэффициент массопередачи выражают в м·ч-1.
3.9. Степень извлечения (recovery): отношение массы ЛОС (кроме формальдегида) в воздухе на выходе из испытательной камеры при отсутствии испытываемого образца, продуваемой воздухом в течение заданного периода времени, к массе ЛОС (кроме формальдегида), добавленных в испытательную камеру за этот же период времени.
Примечания
1. Степень извлечения, выраженная в процентах, характеризует качество метода в целом.
2. Адаптировано из ИСО 16000-9, пункт 3.9.
3.10. Масса насыщения на единицу площади

(saturation mass per area

): теоретическая максимальная масса ЛОС (кроме формальдегида), которая может быть извлечена с поверхности сорбирующего строительного материала.
Примечание. Массу насыщения на единицу площади выражают в микрограммах ЛОС на единицу площади сорбирующей поверхности. Ее находят по общей массе ЛОС, содержащегося на единице площади сорбирующей поверхности, поглощенной за период полупоглощения, или экстраполируя сорбционную емкость, полученную при испытании, описанном в
Приложении A.
3.11. Сорбционная емкость ws (sorption capacity ws): общая масса ЛОС (кроме формальдегида), поглощенных единицей массы сорбента до времени проскока.
Примечание. Сорбционную емкость выражают в микрограммах поглощенного вещества на грамм сорбирующего материала и измеряют при испытании в соответствии с
Приложением A.
3.12. Сорбционный поток Fm (sorption flux Fm): масса ЛОС (кроме формальдегида), поглощенных за единицу времени единицей площади сорбирующей поверхности за установленное время, прошедшее от начала испытания.
3.13. Содержание летучего(их) органического(их) соединения(ий) в подаваемом воздухе

(supply air concentration

): массовая концентрация ЛОС (кроме формальдегида) в воздухе, подаваемом на вход испытательной камеры.
3.14. Содержание ЛОС в испытательной камере (test chamber concentration): массовая концентрация ЛОС (кроме формальдегида), измеренная на выходе испытательной камеры, полученная делением массы ЛОС в воздухе, отобранном на выходе испытательной камеры, на объем пробы.
3.15. Общая масса веществ, поглощенных сорбирующей поверхностью

(total mass per area of sorption

): интеграл сорбционного потока по времени от момента начала испытания до установленного момента времени, определенный с помощью испытательной камеры.
Примечание. Общую массу на единицу площади сорбирующей поверхности выражают в микрограммах на квадратный метр.
3.16. Период отбора проб пара (vapour sampling period): время, в течение которого отбирают пробу воздуха на выходе испытательной камеры с использованием сорбционных трубок или других устройств.
Таблица 1
Обозначение | Значение | Единица |
| Массовая поверхностная плотность сорбирующего материала | грамм на квадратный метр |
| Масса насыщения на единицу площади | микрограмм на квадратный метр |
| Общая масса веществ, поглощенных сорбирующей поверхностью, определенная с помощью испытательной камеры | микрограмм на квадратный метр |
| Массовая концентрация целевого компонента в воздухе, поступающем на вход испытательной камеры за истекшее время t | микрограмм на кубический метр |
| Массовая концентрация целевого компонента в воздухе на выходе из испытательной камеры за истекшее время t | микрограмм на кубический метр |
| Массовая концентрация целевого компонента в воздухе, подаваемом на вход трубки с образцом | микрограмм на кубический метр |
A | Площадь поверхности испытываемого образца | квадратный метр |
Fm | Сорбционный поток в единицу времени на единицу площади | микрограмм на квадратный метр в час |
FV,a | Расход воздуха на единицу площади | кубический метр на квадратный метр в час |
FV,eq | Эквивалентная кратность воздухообмена | кубический метр на квадратный метр в час |
ka | Коэффициент массопереноса, определенный с помощью водяного пара | метр в час |
L | Коэффициент загрузки материалом | квадратный метр на кубический метр |
m | Действительная масса испытываемого образца в трубке | грамм |
n | Кратность воздухообмена | число смен в час |
qc | Расход воздуха через испытательную камеру | кубический метр в час |
qs | Расход воздуха через испытательную трубку | литр в минуту |
tb | Время проскока | минута |
te | Истекшее время (продолжительность) | сутки или часы |
tlt | Продолжительность сохранения эффективности поглощения загрязняющего вещества строительным материалом | час, сутки или год |
V | Объем воздуха в испытательной камере | кубический метр |
ws | Сорбционная емкость, измеренная с помощью трубки | микрограмм на грамм |
Оценивают эффективность испытываемого строительного материала по понижению содержания целевого ЛОС в воздухе путем контроля убывания содержания паров ЛОС в испытательной камере с образцом этого материала. Испытание включает оценку первоначальной эффективности материала и промежутка времени ее сохранения. Целевые компоненты - это летучие органические соединения (кроме формальдегида), детектируемые в воздухе на входе и выходе испытательной камеры.
В этом методе целевой(ые) компонент(ы) вводят в воздух, подаваемый на вход испытательной камеры, в которой находится образец испытываемого материала. Содержание целевого(ых) компонента(ов) в подаваемом воздухе должно быть приблизительно равно предельно допустимому уровню их содержания в воздухе замкнутых помещений, установленному ВОЗ. Можно также сослаться на национальные стандарты, если подробная ссылка будет указана в протоколе испытаний и сертификате.
Эффективность материала определяют, контролируя разность значений содержания паров целевого(ых) компонента(ов) в воздухе на входе и выходе испытательной камеры. Испытание продолжают в течение периода полупоглощения, т.е. пока содержание целевого(ых) компонента(ов) не уменьшится вдвое по сравнению со значением в начале испытания при постоянных условиях воздухообмена. Определяют сорбционный поток F
m и общую массу на единицу площади сорбирующей поверхности

по истечении периода полупоглощения. Полученное значение

по истечении периода полупоглощения определяют как массу насыщения на единицу площади

.
Если испытываемый материал сохраняет свое свойство понижать содержание целевого компонента в воздухе в течение долговременного периода (например более 28 суток) и для проведения испытания может потребоваться слишком много времени, то для определения

могут быть применены другие методы, установленные в
Приложении A.
Эффективность сорбирующих строительных материалов в основном зависит от уровней содержания целевого(ых) компонента(ов) в воздухе, их коэффициента массопереноса к поверхности и характеристик сорбции самих строительных материалов (изотермой адсорбции, сопротивление диффузии и т.д.). Таким образом, метод испытания для определения эффективности должен обеспечивать измерение содержания и коэффициента массопереноса целевого(ых) компонента(ов) для конкретного сорбирующего строительного материала.
Метод, установленный в настоящем стандарте, не применяют для строительных материалов, которые в результате каталитической реакции при УФ- и видимом излучении могут привести к распаду молекул ЛОС (кроме формальдегида).
Примечание. Свойство материала понижать содержание определяемого соединения в воздухе в течение долговременного периода может быть охарактеризовано на основе массы насыщения на единицу площади

и, при необходимости, на основе срока сохранения свойства материала понижать содержание загрязняющего вещества в воздухе t
lt как дополнительного показателя.
6. Оборудование и материалы
Используют обычное лабораторное оборудование и в частности следующее.
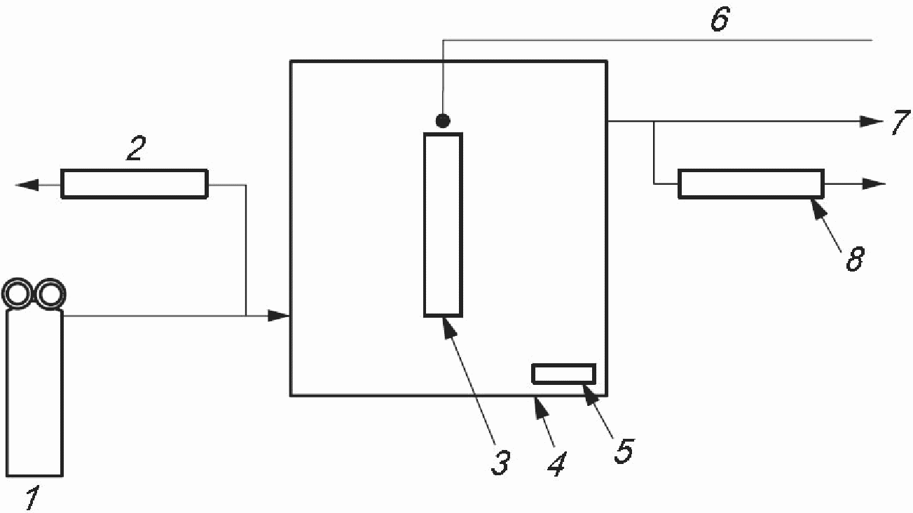
6.1. Испытательная камера, соответствующая эксплуатационной документации и требованиям ИСО 16000-9 (см. рисунок 1). Воздух, выходящий из испытательной камеры, не должен попадать на ее вход.
1 - источник подаваемого воздуха, содержащего
целевой(ые) компонент(ы); 2 - пробоотборное устройство;
3 - испытываемый образец; 4 - испытательная камера;
5 - устройство для обеспечения циркуляции воздуха
и контроля скорости потока воздуха; 6 - датчики
температуры/влажности воздуха; 7 - выходной канал
испытательной камеры; 8 - пробоотборное устройство
Рисунок 1. Схема системы с испытательной камерой
6.2. Герметизирующий материал для испытываемых образцов, такой как алюминиевая фольга или пленка, покрытая алюминиевой фольгой, для прикрытия краев и задней поверхности испытываемых образцов, если определяют эффективность только той поверхности образца, которая расположена по отношению к поступающему воздуху замкнутого помещения при заданных условиях его эксплуатации.
6.3. Очиститель воздуха или баллон с чистым воздухом. Очиститель воздуха должен обеспечивать подачу максимально чистого воздуха перед тем, как в него будут добавлены целевой(ые) компонент(ы), т.е. воздуха, не содержащего никаких загрязнителей в количестве, превышающем фоновое содержание, установленное для испытательной камеры. Для предотвращения увеличения фонового содержания применяют очиститель воздуха или используют баллон с чистым воздухом.
6.4. Подача воздуха с введенным(ми) целевым(и) компонентом(ами). Подают стандартный газ (с известным содержанием целевого(ых) компонента(ов)) или используют стабильный источник, такой как раствор целевого компонента, приготовленный в соответствии с ИСО 6353-3, для получения воздуха со стабильным содержанием целевого компонента, который можно подавать в испытательную камеру. Следует контролировать стабильность содержания целевого(ых) компонента(ов) в подаваемом воздухе.
Содержание целевого(ых) компонента(ов) в подаваемом воздухе следует определять по крайней мере два раза (в начале и в конце испытания).
6.5. Контроль температуры и влажности. Температуру поддерживают, либо поместив испытательную камеру в место, где поддерживается требуемое ее значение, например в климатическую камеру с постоянной температурой, либо путем поддержания требуемой температуры в камере. Относительную влажность воздуха в камере поддерживают на уровне относительной влажности подаваемого воздуха.
6.6. Расходомер для воздуха, установленный на входе или выходе испытательной камеры для измерения расхода воздуха через камеру.
6.7. Устройства отбора проб воздуха. Отбирают воздух, подаваемый в испытательную камеру и выходящий из нее. Если для отбора проб используют отдельные порты, то их размещают непосредственно на входе и выходе испытательной камеры.
Если для отбора проб используют шланг или трубку, то они должны быть короткими насколько это возможно, и их температура должна быть равна температуре в испытательной камере. Такой шланг или трубка должны быть сделаны из материала с очень небольшой сорбционной емкостью, например политетрафторэтилена (ПТФЭ).
Общий объемный расход воздуха при отборе проб должен быть меньше, чем расход воздуха через камеру. Устройства отбора проб воздуха на содержание карбонильных соединений и ЛОС должны соответствовать требованиям ИСО 16000-3 и ИСО 16000-6 соответственно. Когда отбирают воздух на входе в испытательную камеру, то обеспечивают, чтобы подача воздуха осуществлялась при постоянном расходе.
Можно использовать многопортовый коллектор для облегчения отбора параллельных проб. Для обеспечения добавления и смешивания внутренних стандартных газовых смесей с воздушным потоком испытательной камеры можно включить смесительную камеру, расположенную между испытательной камерой и коллектором или между вводом воздуха и испытательной камерой.
Отработанный воздух из испытательной камеры следует выводить по гибкому шлангу в вытяжной шкаф, обеспечивая, чтобы воздух, содержащий какие-либо соединения, выделенные испытываемым материалом, не попал в воздух помещения лаборатории.
6.8. Аналитический прибор. Для определения ЛОС следует использовать газовый хроматограф (ГХ), соответствующий требованиям ИСО 16000-6 и ИСО 16017-1. Для определения карбонильных соединений следует использовать высокоэффективный жидкостный хроматограф (ВЭЖХ), соответствующий требованиям ИСО 16000-3. Допускается применение других приборов, имеющих аналогичную или большую точность.
7.1. Общие положения
Условия испытания должны соответствовать требованиям 7.2 и
7.3. Испытание проводят при атмосферном давлении.
7.2. Условия испытания для определения эффективности понижения содержания летучих органических соединений
7.2.1. Температура и относительная влажность
Строительные материалы <1>, предназначенные для использования на территории Европы и Америки, испытывают при температуре (23 +/- 2) °C и относительной влажности (50 +/- 5)% (см. ИСО 554).
--------------------------------
<1> В Российской Федерации испытывают при температуре (20 +/- 2) °C и относительной влажности (60 +/- 5)%.
Строительные материалы, предназначенные для использования на территории Японии, испытывают при температуре (28 +/- 1) °C и относительной влажности (50 +/- 5)%.
Для строительных материалов, предназначенных для использования в других климатических условиях, могут быть выбраны другие условия по температуре и влажности, предпочтительно по ИСО 554. Указывают эти условия в протоколе испытаний.
После открытия дверцы испытательной камеры и загрузки образца для испытаний вначале могут наблюдаться изменения параметров, характеризующих условия в испытательной камере. Эти изменения должны быть описаны в протоколе.
Примечание. Температура и относительная влажность могут влиять на сорбционный поток и вызвать повторную десорбцию ЛОС с образца испытываемого материала.
7.2.2. Качество воздуха, подаваемого в испытательную камеру, и фоновое содержание летучих органических соединений
Фоновое содержание ЛОС в воздухе, подаваемом в испытательную камеру, и в воздухе перед введением в него целевого(ых) компонента(ов) должно быть достаточно низким, чтобы не оказывать мешающего влияния во время испытания. Общее фоновое содержание ЛОС должно быть менее 20 мкг/м3. Фоновое содержание каждого ЛОС должно составлять менее 2 мкг/м3. Очищенная вода, используемая для увлажнения, не должна содержать ЛОС, которые могли бы оказать мешающее влияние во время испытания.
7.2.3. Коэффициент массопереноса
Коэффициент массопереноса, выраженный в единицах скорости потока атмосферного воздуха над поверхностью испытываемого образца для испытаний внутри испытательной камеры, должен быть в пределах (15 +/- 3) м/ч (что эквивалентно (0,25 +/- 0,05) м/мин) при определении с использованием водяного пара. Для проверки зависимости коэффициента массопереноса от свойств испытываемого материала, проводят измерения при других условиях, которые соответствующим образом влияют на коэффициент массопереноса.
Примечания
1. Коэффициент массопереноса является аналогом коэффициента конвективного теплообмена, если геометрические размеры и граничные условия одинаковы. Коэффициент массопереноса может быть оценен по формуле, связывающей поток массопереноса (сорбционный поток) к поверхности с градиентом содержания в пограничном слое. Подробная информация относительно коэффициента массопереноса и метода его измерения приведена в
[5].
2. Свойство материала понижать содержание определяемого соединения в воздухе зависит от коэффициента массопереноса. Коэффициент массопереноса зависит от содержания соединения в воздухе замкнутого помещения, характеристик потока воздуха и площади поверхности испытываемого образца.
7.2.4. Удельная кратность воздухообмена на единицу площади и кратность воздухообмена
Кратность воздухообмена следует поддерживать постоянной в пределах (0,50 +/- 0,05) ч-1. Коэффициент загрузки материалом должен соответствовать ИСО 16000-9, приложение B, или его вычисляют на основе геометрических размеров и объема соответствующего типового помещения.
Примечание. Выбор значения расхода воздуха на единицу площади FV,a влияет на установившееся содержание целевых ЛОС в воздухе испытательной камеры.
Для сравнения результатов испытаний, полученных с использованием разных испытательных камер, кратность воздухообмена n и коэффициент загрузки материалом L должны быть одинаковыми в каждой из них. Кратность воздухообмена n и коэффициент загрузки материалом L могут влиять на сорбционный поток Fm.
7.2.5. Содержание летучих органических соединений в воздухе, подаваемом в испытательную камеру
Содержание паров целевого(ых) компонента(ов) в воздухе, подаваемом в испытательную камеру, должно быть приблизительно равно предельно допустимому значению содержания, установленному ВОЗ.
При необходимости для конкретного испытания могут быть применены другие значения содержания. Это следует подробно указывать в протоколе испытаний.
Допускается проводить испытание с использованием смеси газов, включающей два или несколько целевых компонентов. В этом случае необходимо рассматривать мешающие влияния.
7.3. Факторы, влияющие на свойство испытываемого материала понижать содержание летучих органических соединений
7.3.1. Общие положения
Для оценки влияния температуры, влажности воздуха и загрязнителей на свойство материала понижать содержание целевого компонента отдельно изменяют каждый из указанных факторов.
7.3.2. Влияние температуры и влажности
Испытания проводят при температуре в испытательной камере (18 +/- 2) °C, (23 +/- 2) °C и (28 +/- 2) °C, относительной влажности воздуха в соответствии с
7.2.1 и содержании целевого(ых) компонента(ов) в подаваемом воздухе в соответствии с
7.2.5.
Испытания проводят при относительной влажности в испытательной камере (25 +/- 5)%, (50 +/- 5)% и (75 +/- 5)% при температуре воздуха в камере в соответствии с
7.2.1 и содержании целевого(ых) компонента(ов) в подаваемом воздухе в соответствии с
7.2.5.
7.3.3. Влияние содержания целевого(ых) компонента(ов) в подаваемом воздухе
Содержание целевого(ых) компонента(ов) в подаваемом воздухе вначале должно быть в два раза выше предельно допустимого значения, указанного в
7.2.5, а затем вполовину меньше предельно допустимого значения при температуре и относительной влажности воздуха в испытательной камере в соответствии с
7.2.1.
7.3.4. Влияние мешающих газов
Предположительно в воздухе замкнутых помещений могут присутствовать различные мешающие газы. Их влияние на эффективность понижения содержания целевого(ых) компонента(ов) испытываемыми материалами может быть оценено путем определения эффективности при изменении содержания каждого из таких мешающих газов.
8. Проверка условий испытания
8.1. Контроль условий испытания
Температуру, относительную влажность и расход воздуха контролируют и непрерывно регистрируют приборами, погрешность которых находится в пределах для:
- температуры: +/- 1,0 °C;
- относительной влажности воздуха: +/- 3%;
- расхода воздуха: +/- 3%.
Температура и относительная влажность воздуха могут быть измерены на выходе испытательной камеры, если измерение организовано таким образом, что определяемые результаты аналогичны получаемым внутри испытательной камеры.
8.2. Герметичность испытательной камеры
Герметичность испытательной камеры следует проверять регулярно в соответствии с требованиями ИСО 16000-9, либо измеряя перепад давлений, либо сравнивая результаты одновременного измерения расхода воздуха на входе и выходе испытательной камеры, либо определяя степень разбавления индикаторного газа.
8.3. Кратность воздухообмена в испытательной камере
Кратность воздухообмена следует регулярно проверять в соответствии с требованиями ИСО 16000-9.
Примечание. Если проверка выполняется с использованием расходомера, не установленного постоянно на выходе камеры, необходимо помнить, что противодавление, возникающее при подключении прибора, может привести к снижению расхода через испытательную камеру.
8.4. Эффективность перемешивания воздуха внутри испытательной камеры
Эффективность перемешивания воздуха определяют в соответствии с ИСО 16000-9.
8.5. Степень извлечения
Испытание для определения степени извлечения следует проводить в испытательной камере, подавая воздух с таким же содержанием целевого компонента, какое будет применено при определении убывания содержания, и затем сравнивая результаты анализа проб воздуха на входе и выходе испытательной камеры. Средняя степень извлечения должна быть более 80%. Результаты испытания по проверке степени извлечения следует приводить в протоколе испытаний (сопоставление ожидаемого содержания целевого компонента и измеренного содержания).
Примечание. Эффекты поглощения, утечки или неудовлетворительная калибровка могут быть причиной несоответствия требованиям, предъявляемым к испытаниям.
9. Подготовка испытательной камеры
Испытательная камера должна быть очищена в соответствии с требованиями
7.2.2. Очистка может быть осуществлена путем промывания внутренних поверхностей камеры раствором щелочного моющего средства с последующим двукратным ополаскиванием свежеприготовленной дистиллированной водой. Затем испытательную камеру сушат и продувают воздухом в условиях испытания. Также очистка испытательной камеры может быть осуществлена путем термической десорбции.
Адсорбцию ЛОС стенками самой испытательной камеры следует контролировать путем проведения испытания в соответствии с
11.1, но без испытываемого образца. Сорбционную емкость самой испытательной камеры следует вычитать из полученного значения сорбционной емкости испытываемого образца.
Для очистки испытательной камеры можно использовать сушильный шкаф для испарения альдегидов или ЛОС, осевших на внутренних стенках камеры. Вместо сушильного шкафа могут быть использованы другие методы очистки.
10. Подготовка образцов для испытаний
| | ИС МЕГАНОРМ: примечание. Текст дан в соответствии с официальным текстом документа. | |
По завершении подготовки испытательной камеры в нее подают в воздух, содержащий целевой(ые) компонент(ы). Затем вынимают образец испытываемого материала из упаковки. Образец должен быть порцией или куском, представительным для оцениваемого строительного материала. Из отобранного образца приготовляют образец для испытаний в соответствии с ИСО 16000-11.
Для получения количественной оценки сорбции целевого компонента только одной поверхностью испытываемого образца закрывают края его срезов и тыльную сторону алюминиевой фольгой или другим герметизирующим материалом или помещают в испытательную камеру два образца, сложенные тыльными сторонами друг к другу, с закрытыми краями срезов.
11.1. Определение фонового содержания летучих органических соединений в испытательной камере и в подаваемом воздухе
Перед началом испытаний продувают пустую испытательную камеру воздухом в течение суток, а затем проводят отбор проб воздуха и определяют фоновое содержание целевого компонента в пустой испытательной камере.
Фоновое содержание целевого компонента в пустой испытательной камере должно быть достаточно низким, чтобы не оказывать мешающего влияния при проведении испытаний.
Затем начинают продувать испытательную камеру воздухом, содержащим целевой(ые) компонент(ы). Перед размещением испытываемого образца в испытательную камеру должно пройти не менее пяти полных смен воздуха.
11.2. Размещение образца в испытательной камере
Размещают испытываемый образец в центре испытательной камеры для обеспечения равномерного обтекания воздухом его сорбирующей поверхности. Закрывают дверцу камеры. За начало испытания принимают момент времени закрытия камеры.
Образец размещают в испытательной камере быстро, насколько это возможно.
11.3. Временные интервалы, за которые определяют содержание летучих органических соединений в испытательной камере
11.3.1. Испытание по определению эффективности понижения содержания летучих органических соединений
После начала испытания отбирают воздух на входе и выходе из испытательной камеры в соответствии с
11.4 в установленные моменты времени.
Определяют количество целевого(ых) компонентов, удаленного(ых) из воздуха испытательной камеры и поглощенного(ых) площадью открытой поверхности испытываемого образца при условиях, установленных в
7.2.
Проверяют общий расход воздуха через испытательную камеру и обеспечивают, чтобы не было утечек воздуха. Затем обеспечивают, чтобы расход воздуха на выходе из испытательной камеры во время отбора пробы воздуха был равен расходу воздуха на входе камеры, за вычетом суммы расходов воздуха при отборе проб. Остаточный расход воздуха на выходе испытательной камеры должен составлять по крайней мере 20% суммарного расхода воздуха при отборе проб. Пробы воздуха отбирают по истечении (24 +/- 2) ч, (72 +/- 6) ч, (14 +/- 1) суток, (28 +/- 2) суток от начала испытания. Могут быть отобраны дополнительные пробы воздуха. Рекомендуется отбирать параллельные пробы.
В зависимости от цели испытания для отбора проб могут быть выбраны и другие интервалы времени. Если необходимы данные об эффективности испытываемого материала в течение долговременного периода, то дополнительные пробы могут быть отобраны даже по истечении более длительного времени от начала испытания, т.е. более 28 суток. Когда эффективность понижения содержания определяемого(ых) ЛОС испытываемым материалом уменьшится вдвое по сравнению с ее начальным значением, испытание прекращают.
Рекомендуется проводить последующее испытание по оценке содержания ЛОС, выделяемого(ых) образцом, подавая чистый воздух в испытательную камеру. Предпочтительно выполнять проверку содержания выделяемого(ых) ЛОС регулярно в качестве части испытания по определению эффективности понижения содержания ЛОС. Пробы воздуха следует отбирать через 24 ч (а при необходимости и через другие интервалы времени) после начала испытания по оценке содержания выделяемого(ых) ЛОС. Если происходит значительная сорбция целевого(ых) компонента(ов) внутренними поверхностями камеры, то необходимо оценить относительный вклад образца и стенок камеры в содержание выделяемого(ых) ЛОС. Такую оценку можно получить с помощью подходящих контрольных испытаний без образцов материала.
Если образец материала выделяет ЛОС и другие органические соединения в виде паров, то измеряют интенсивность их выделения в соответствии с ИСО 16000-3, ИСО 16000-6 и ИСО 16000-9.
11.3.2. Испытание по определению эффективности понижения содержания летучих органических соединений испытываемым материалом в течение долговременного периода
Определяют момент времени, в который эффективность понижения содержания целевого(ых) компонента(ов) испытываемым материалом (см.
11.3.1) будет равна половине его первоначального значения (т.е. через 24 ч после начала испытания), а затем определяют общую массу ЛОС, поглощенную сорбирующей поверхностью,

и истекшее время t
e.
11.3.3. Факторы, влияющие на эффективность понижения содержания летучих органических соединений испытываемым материалом
Влияние каждого фактора условий окружающей среды на эффективность понижения содержания целевого(ых) ЛОС может быть оценено путем изменения значения только одного фактора за один раз при прочих неизменных условиях испытания. Условия испытания должны соответствовать требованиям
7.2.
Для определения содержания определяемого(ых) ЛОС следует отбирать пробы воздуха с использованием трубки, заполненной сорбентом

<1> (смола на основе полимера 2,6-дифенил-пара-фениленоксида) или другим подходящим сорбентом, соответствующим требованиям ИСО 16000-6 и ИСО 16017-1. Для отбора проб воздуха и определения содержания карбонильных соединений следует использовать трубку с сорбентом, покрытым 2,4-динитрофенилгидразином (ДНФГ), соответствующую требованиям ИСО 16000-3.
--------------------------------
<1>

- торговое название продукции, выпускаемой корпорацией Supelco. Данная информация приведена для удобства пользователей настоящего стандарта и не является рекламой ИСО названной продукции.
12. Определение летучих органических соединений
Элюируют ДНФГ-производные карбонильных соединений из трубки с ДНФГ и проводят анализ в соответствии с ИСО 16000-3. Методы анализа для определения ЛОС установлены в ИСО 16000-6 и ИСО 16017-1.
13. Представление результатов испытаний
13.1. Вычисление сорбционного потока
Вычисляют сорбционный поток в единицу времени на единицу площади Fm по формуле

(1)
где

- массовая концентрация целевого компонента в воздухе на входе испытательной камеры за истекшее время t
e;

- массовая концентрация целевого компонента в воздухе испытательной камеры за истекшее время t
e;
qc - расход воздуха через испытательную камеру;
A - площадь поверхности испытываемого образца.
Если адсорбционной емкостью самой испытательной камеры нельзя пренебречь, то вычитают сорбционный поток самой испытательной камеры, вычисленный по результатам испытания без испытываемого образца, из полученного значения потока сорбции.
13.2. Вычисление эквивалентной кратности воздухообмена на единицу площади
При допущении о том, что содержание будет уменьшаться при увеличении расхода чистого воздуха, вычисляют эквивалентную кратность воздухообмена на единицу площади FV,eq по формуле

(2)
13.3. Вычисление общей массы сорбции и массы насыщения на единицу площади сорбирующей поверхности
Вычисляют общую поглощенную массу на единицу площади сорбирующей поверхности

по истечении периода полупоглощения по формуле

(3)
где

,
te - истекшее время испытания.
Массу насыщения на единицу площади сорбирующей поверхности

определяют из тождества:

(4)
Протокол испытаний должен содержать по крайней мере следующую информацию:
a) об испытательной лаборатории:
1) название и адрес испытательной лаборатории,
2) ФИО ответственного лица;
b) об образце:
1) тип строительного материала (торговая марка, если это уместно),
2) процедура отбора образца (например, случайный),
3) предыстория материала (дата изготовления, номер партии, дата поступления в испытательную лабораторию, дата и время распаковывания, дата и время подготовки образца для испытаний и т.д.);
c) о результатах испытания:
1) сорбционный поток целевого(ых) компонента(ов), их общая масса, поглощенная сорбирующей поверхностью, эквивалентная кратность воздухообмена на единицу площади поверхности за установленное время,
2) масса насыщения и эффективность понижения содержания определяемого(ых) ЛОС испытываемым материалом в присутствии мешающих газов,
3) подробное описание используемого метода испытаний со ссылкой на настоящий стандарт;
d) об условиях испытаний:
1) условия в испытательной камере (температура, относительная влажность, кратность воздухообмена, коэффициент массопереноса, содержание целевого(ых) компонента(ов) в подаваемом воздухе),
2) площадь поверхности образца для испытаний и коэффициент загрузки материалом,
3) информация о том, был ли испытываемый образец герметизирован (и как) или нет,
4) информация по отбору проб (тип используемой сорбционной трубки, объем отобранного воздуха, период отбора проб пара относительно начала испытания, число отборов проб и т.д.),
5) условия испытания при определении эффективности понижения содержания определяемого(ых) ЛОС для долговременного периода (температура, содержание целевого(ых) компонента(ов) в подаваемом воздухе);
e) о приборах: информация об оборудовании и методиках проведения эксперимента (описание испытательной камеры, информация о герметизирующем материале или герметичном корпусе, методике получения паровоздушной смеси определяемого(ых) ЛОС с воздухом, очистителе воздуха, устройствах контроля температуры и относительной влажности воздуха, расходомере, климатической камере, устройствах отбора проб, аналитическом приборе и т.д.);
f) по обеспечению/контролю качества:
1) фоновое содержание целевого(ых) компонента(ов) в испытательной камере,
2) данные о степени извлечения целевого(ых) компонента(ов),
3) число измерений,
4) результат анализа каждой пробы воздуха, если проводился параллельный отбор проб,
5) погрешность измерения температуры, относительной влажности воздуха и кратности воздухообмена,
6) протокол обеспечения качества;
g) дополнительная подробная информация об испытываемых строительных материалах, таких как краски, покрытия или штукатурки:
1) число испытанных образцов,
2) поверхностная плотность,
3) толщина слоя покрытия,
4) другие причины, которые могли бы повлиять на результаты испытания (условия сушки, хранения, защиты, содержание влаги, обработка поверхности),
5) масса материала, нанесенного на единицу площади поверхности подложки, в граммах на квадратный метр,
6) площадь сорбирующей поверхности,
7) применяемый метод нанесения покрытия.
(обязательное)
ИСПЫТАНИЕ С ПРИМЕНЕНИЕМ ТРУБКИ С ЦЕЛЬЮ ОПРЕДЕЛЕНИЯ
ЭФФЕКТИВНОСТИ ПОНИЖЕНИЯ СОДЕРЖАНИЯ ЛЕТУЧИХ ОРГАНИЧЕСКИХ
СОЕДИНЕНИЙ МАТЕРИАЛОМ В ТЕЧЕНИЕ ДОЛГОВРЕМЕННОГО ПЕРИОДА
A.1. Основные положения
A.1.1. Общие положения
Если эффективность понижения содержания целевого(ых) компонента(ов) ЛОС испытываемым материалом составляет, например более 28 суток, что означает проведение слишком длительного испытания в камере, то для определения

может быть проведено испытание с использованием трубки с образцом материала, основанное на явлениях физической сорбции, хемосорбции и реакции распада.
Испытание с применением трубки для определения долговременной эффективности понижения содержания целевого компонента является одним из методов оценки сорбционной емкости ws.
Примечание. Во многих случаях значение

, оцененное с применением испытательной камеры, меньше значения

, оцененного при испытании с применением трубки.
A.1.2. Понижение содержания летучего органического соединения за счет физической сорбции
Массу насыщения на единицу площади

следует вычислять на основе сорбционной емкости w
s, которую измеряют, пропуская воздух, содержащий целевой(ые) компонент(ы), через стеклянную трубку, заполненную тонко измельченным (до фрагментов диаметром 2 мм или меньше) испытываемым образцом материала небольшой массы, до наступления проскока.
A.1.3. Понижение содержания летучего органического соединения за счет хемосорбции и/или реакции распада
Массу насыщения на единицу площади

следует вычислять на основе сорбционной емкости w
s, которую измеряют в соответствии с
A.1.2.
Можно оценить характеристики хемосорбции и/или реакции распада, если точно известно уравнение химической реакции.
В этом случае должен быть известен химический состав материала, поскольку при вычислениях используется молярная концентрация активного вещества сорбента. Поэтому данный метод неприменим для натуральных материалов неизвестного состава.
Рекомендуется подтверждение любого вычисления эффективности понижения содержания целевого(ых) компонента(ов) для долговременного периода экспериментальными данными (результатами испытаний).
В качестве альтернативы может быть выполнена оценка на основе вычисления характеристик химической реакции между сорбентом и целевым(и) компонентом(ами).
A.2. Аппаратура и материалы
Используют обычную лабораторную аппаратуру и в частности следующее.
На рисунке A.1 приведена схема соединения аппаратуры для оценки эффективности понижения содержания ЛОС.
1 - подача воздуха на вход испытательной трубки с образцом;
2 - трубка с образцом материала; 3 - измельченный образец
испытываемого материала; 4 - расходомер; 5 - выпуск воздуха;
6 - детектор целевого компонента; 7 - климатическая камера
Рисунок A.1. Схема соединения аппаратуры для оценки
эффективности понижения содержания летучих
органических соединений
A.2.1. Трубка, подходящая для использования в испытательной камере и пригодная для загрузки в нее измельченного образца. В испытательной камере трубку с образцом материала устанавливают вертикально.
A.2.2. Воздух, содержащий целевой(ые) компонент(ы), соответствующий требованиям
6.4.
A.2.3. Контроль температуры, соответствующий требованиям
6.5.
A.2.4. Расходомер для измерения расхода воздуха, содержащего целевой компонент, установленный перед сорбционной трубкой или после побудителя расхода. Допускается применять другие устройства, если они имеют эквивалентные или лучшие характеристики.
A.2.5. Детектор целевого компонента ЛОС, установленный на выходе трубки. Он должен обеспечивать определение содержания целевого компонента при 0,5% уровня содержания в подаваемом воздухе. Например, можно использовать детекторы по теплопроводности или масс-спектрометрические детекторы. Детекторы могут применяться только после их калибровки. На выходе трубки с образцом может быть установлена трубка с ДНФГ или

для отбора проб воздуха через соответствующие интервалы времени.
A.2.6. Климатическая камера, в которую помещают сорбционную трубку. Климатическая камера должна обеспечивать поддержание температуры с отклонением в пределах +/- 2,0 °C.
A.3. Условия испытания
A.3.1. Содержание летучих органических соединений в подаваемом воздухе
Общее содержание целевого(ых) компонента(ов) в воздухе, подаваемом в трубку с образцом, должно быть приблизительно равно предельно допустимому значению содержания, установленному ВОЗ.
Если это невозможно, то это испытание проводят при относительно высоком содержании определяемых ЛОС, превышающем предельно допустимое значение содержания в десять раз.
A.3.2. Температура и относительная влажность
Подаваемый воздух должен быть сухим.
Строительные материалы, предназначенные для использования на территории <1> Европы и Америки, испытывают при температуре воздуха (23 +/- 2) °C (см. ИСО 554).
--------------------------------
<1> Строительные материалы, предназначенные для использования на территории Российской Федерации, испытывают при температуре воздуха (20 +/- 2) °C.
Строительные материалы, предназначенные для использования на территории Японии, испытывают при температуре воздуха (28 +/- 1) °C.
Влажность, как правило, будет влиять на результат испытания. Влажность подаваемого воздуха следует поддерживать в пределах (50 +/- 5)% и регистрировать, если испытание проводят с использованием несухого воздуха.
Эффективность понижения содержания целевого компонента в воздухе за счет физической сорбции зависит от температуры. Поэтому рекомендуется проводить измерение при трех различных значениях температуры, указанных в 7.3.2.
A.4. Методика испытаний
A.4.1. Отбор и предварительная подготовка образцов для испытаний
Измельчают образец испытываемого материала для получения фрагментов, подходящих по размеру для загрузки в трубку, но с сохранением вторичной структуры материала. Слишком мелкие частицы следует удалить до проведения испытания. Образец для испытаний должен быть высушен под вакуумом.
Вторичная структура материала, обладающая эффективностью при адсорбции определяемого(ых) ЛОС, сохраняется до тех пор, пока радиус фрагментов приблизительно в десять раз больше радиуса пор.
Если в трубку с образцом подают сухой воздух, то испытываемый образец может быть высушен под вакуумом после измельчения для улучшения его однородности и увеличения воспроизводимости результатов. В этом случае абсолютная сухость является основным требованием. Если при проведении испытания используют влажный (увлажненный) воздух, то образец может контролироваться при равновесных условиях при заданном уровне влажности.
Эту методику не следует применять для материалов с неоднородной структурой.
A.4.2. Подготовка трубок к испытанию
Взвешивают измельченный образец испытываемого материала и загружают его в трубку. Для удержания образца материала для испытаний внутри трубки используют пробку из стекловолокна.
Если используют трубку большого диаметра, то на ее входном конце следует установить перфорированную заглушку для удержания образца и увеличения диффузии газа. Если перфорированную заглушку не установить, то в трубке будет наблюдаться неоднородная диффузия.
A.4.3. Контроль содержания целевого(ых) компонента(ов) в подаваемом воздухе
Перед подсоединением трубки к установке подсоединяют трубку для отбора проб воздуха или детектор и определяют содержание целевого(ых) компонента(ов) в подаваемом воздухе в соответствии с требованиями.
A.4.4. Испытание для определения времени до проскока целевого компонента
Подсоединяют трубку к установке и начинают подавать в нее воздух, содержащий целевой компонент. Продолжают подавать воздух, содержащий целевой компонент, до тех пор, пока его содержание в воздухе на выходе не составит 0,5% содержания в подаваемом воздухе, и затем определяют сорбционную емкость ws (масса насыщения целевого компонента на единицу массы сорбента) при этом содержании. Время, соответствующее этому содержанию, принимают за время проскока tb.
Примечания
1. При низком содержании целевого(ых) компонента(ов) в подаваемом воздухе может пройти достаточно много времени до того момента, как ЛОС начнет "проскакивать" через сорбционную трубку, таким образом, для достижения насыщения потребуется достаточно долговременный период. Для сокращения времени испытания допускается проводить его при высоком содержании ЛОС. Однако при содержании ЛОС в подаваемом воздухе значительно больше 1000 мкг/м3 уменьшается достоверность линии регрессии, построенной по результатам измерений при различных значениях содержания.
2. Изотерму сорбции получают по методике, аналогичной установленной в настоящем разделе, но при другом содержании ЛОС при температуре испытания. Сорбционная емкость при предельно допустимом значении массовой концентрации может быть оценена на основе линии регрессии.
Если известна масса соединения, входящего в состав испытываемого материала и вступающего в реакцию с целевым(и) компонентом(ами) и уравнение реакции, то может быть вычислена эффективность понижения содержания определяемого(ых) ЛОС. Всегда рекомендуется проверять результаты вычислений с помощью экспериментальных данных (результатов испытаний).
Примечание 3. Зависимость эффективности понижения содержания определяемого(ых) ЛОС от содержания соединения в образце для испытаний, участвующего в реакции, может быть определена по результатам небольшого числа испытаний с образцами различной массы. Энергию активации можно определить по графику Аррениуса и по результатам небольшого числа испытаний при различных значениях температуры. Период полупоглощения (промежуток времени, по истечении которого эффективность понижения содержания определяемого(ых) ЛОС уменьшается вдвое по сравнению с ее начальным значением) может быть оценен по константе скорости реакции, полученной на основе изменений содержания со временем.
A.4.5. Представление результатов измерений
A.4.5.1. Вычисление сорбционной емкости
Сорбционную емкость образца для испытаний по целевому компоненту ws вычисляют по формуле

(A.1)
где

- массовая концентрация целевого компонента в подаваемом воздухе;
qs - расход воздуха;
tb - время проскока;
m - масса испытываемого образца в трубке.
A.4.5.2. Вычисление массы насыщения на единицу площади
Вычисляют массу насыщения на единицу площади

по формуле

(A.2)
где

- поверхностная плотность сорбирующего материала, вычисленная как его масса насыщения на единицу площади.
(обязательное)
СИСТЕМА ОБЕСПЕЧЕНИЯ КАЧЕСТВА И КОНТРОЛЯ КАЧЕСТВА <1>
--------------------------------
<1> При разработке системы качества конкретной лаборатории следует также руководствоваться ГОСТ Р ИСО/МЭК 17025-2006 "Общие требования к компетентности испытательных и калибровочных лабораторий".
B.1. Общие положения
Испытания с использованием камеры для определения эффективности понижения содержания ЛОС и карбонильных соединений (кроме формальдегида) сорбирующими строительными материалами должны проводиться в рамках план-проекта по обеспечению качества <2> (ППОК). ППОК должен содержать описание проекта, требования к качеству данных и критерии их приемки, методы и действия по обеспечению качества и контролю их качества <3> (ОК/КК) и аудиторские проверки системы ОК/КК.
--------------------------------
<2> План-проект по обеспечению качества - Quality Assurance Project Plan (QAPP).
<3> Обеспечение качества/контроль качества - Quality Assurance/Quality Control (QA/QC).
B.2. Описание проекта
Краткое описание проекта должно включать информацию о том, какие материалы испытываются, как будет выполняться испытание; информацию о лице, ответственном за проведение различных действий в рамках проекта ППОК. Описание планируемого эксперимента должно содержать необходимую информацию о соответствующей части ППОК.
B.3. Цели получения данных по качеству и критерии приемки
В соответствующей части ППОК приводят требования к прецизионности, точности и полноте представления каждого измеряемого параметра.
B.4. Подходы и мероприятия, осуществляемые в рамках ОК/КК
К мероприятиям, осуществляемым в рамках ОК/КК, которые могут быть установлены в ППОК, относится установление системы записей/рабочих журналов для обеспечения правильной работы оборудования и регистрации данных, таких как:
a) журнал записи информации о получении, хранении и размещении образцов материалов;
b) журнал для документирования процедуры приготовления градуировочных образцов всех органических веществ для высокоэффективной жидкостной хроматографии;
c) журнал записи данных о потере массы во всех проницаемых трубках;
d) журнал по градуировке, содержащий данные о градуировке систем регулирования микроклимата;
e) журналы по техническому обслуживанию приборов и документирования операций по текущей наладке и ремонту всего оборудования;
f) журналы для записей результатов испытаний материалов, в которые заносят сопутствующую информацию по каждому испытанию, включая детальное описание пробы, ее идентификационный номер и идентификационный номер хроматограммы, полученной на ВЭЖХ;
g) журнал для записей по очистке и экстракции растворителем сорбционных трубок с ДНФГ, с подробным описанием очистки термической десорбцией и КК оценки пригодности трубок с ДНФГ;
h) отдельный электронный журнал для документирования местонахождения и содержания данных, сохраненных в электронном виде;
i) руководства по эксплуатации всего оборудования, используемого в проекте. Действия по контролю качества регулярно осуществляет персонал, задействованный в проекте для обеспечения необходимой обратной связи в работе всех измерительных систем. Такие действия могут включать:
1) регулярное техническое обслуживание и калибровку систем;
2) ежедневную запись контрольной хроматограммы (для контроля точности и прецизионности калибровки ВЭЖХ;
3) регулярный контроль степени извлечения (в процентах) внутреннего стандарта, который был добавлен во все пробы;
4) отбор и анализ параллельных проб;
5) КК (контроль качества) проверки сбора органических веществ сорбционными трубками;
6) периодический аудиторский анализ газов, полученных от независимого источника.
B.5. ОК/КК аудиты
Окончательно программа ОК/КК должна включать периодические аудиты, проводимые уполномоченным для ОК персоналом для оценки соответствия протоколам ППОК.
(справочное)
СВЕДЕНИЯ О СООТВЕТСТВИИ ССЫЛОЧНЫХ МЕЖДУНАРОДНЫХ СТАНДАРТОВ
ССЫЛОЧНЫМ НАЦИОНАЛЬНЫМ СТАНДАРТАМ РОССИЙСКОЙ ФЕДЕРАЦИИ
Таблица ДА.1
Обозначение ссылочного международного стандарта | Степень соответствия | Обозначение и наименование соответствующего национального стандарта |
ИСО 554 | - | |
ИСО 6353-3 | - | |
ИСО 16000-3 | IDT | ГОСТ Р ИСО 16000-3-2007 Воздух замкнутых помещений. Часть 3. Определение содержания формальдегида и других карбонильных соединений. Метод активного отбора проб |
ИСО 16000-6 | IDT | ГОСТ Р ИСО 16000-6-2007 Воздух замкнутых помещений. Часть 6. Определение летучих органических соединений в воздухе замкнутых помещений и испытательной камере путем активного отбора проб на сорбент Tenax TA с последующей термической десорбцией и газохроматографическим анализом с использованием МСД/ПИД |
ИСО 16000-9:2006 | IDT | ГОСТ Р ИСО 16000-9-2009 Воздух замкнутых помещений. Часть 9. Определение выделения летучих органических соединений строительными и отделочными материалами. Метод с использованием испытательной камеры |
ИСО 16000-11 | IDT | ГОСТ Р ИСО 16000-11-2009 Воздух замкнутых помещений. Часть 11. Определение выделения летучих органических соединений строительными и отделочными материалами. Отбор, хранение и подготовка образцов для испытаний |
ИСО 16017-1 | IDT | ГОСТ Р ИСО 16017-1-2007 Воздух атмосферный, рабочей зоны и замкнутых помещений. Отбор проб летучих органических соединений при помощи сорбционной трубки с последующей термодесорбцией и газохроматографическим анализом на капиллярных колонках. Часть 1. Отбор проб методом прокачки |
<*> Соответствующий национальный стандарт отсутствует. До его утверждения рекомендуется использовать перевод на русский язык данного международного стандарта. Перевод данного международного стандарта находится в Федеральном информационном фонде технических регламентов и стандартов. Примечание. В настоящей таблице использованы следующие условные обозначения степени соответствия стандартов: - IDT - идентичный стандарт. |
[1] ASTM D6646 | Standard test method for determination of the accelerated hydrogen sulfide breakthrough capacity of granular and pelletized activated |
[2] JIS A1901 | Determination of the emission of volatile organic compounds and aldehydes for building products - Small chamber method |
[3] JIS A1905-1 | Performance test of sorptive building materials of reducing indoor air pollution with small chamber - Part 1: Measurement of adsorption flux with supplying constant concentration of formaldehyde |
[4] | Ataka, Y., Kato, S., Murakami, S., Zhu, Q., Ito, K., Yokota, T. Study of effect of adsorptive building material on formaldehyde concentrations: Development of measuring methods and modeling of adsorption phenomena. Indoor Air 2004, 14 (Suppl. 8), pp. 51 - 64 |
| Owen, M.S., editor. Ashrae handbook - Fundamentals. American Society of Heating, Refrigerating and Air-Conditioning Engineers, Atlanta, GA, 2005. |