Главная // Актуальные документы // ГОСТ Р (Государственный стандарт)
СПРАВКА
Источник публикации
М.: Стандартинформ, 2015
Примечание к документу
Документ введен в действие с 1 июля 2016 года.
Название документа
"ГОСТ Р ИСО 17231-2015. Национальный стандарт Российской Федерации. Кожа. Физические и механические испытания. Метод определения водонепроницаемости одежной кожи"
(утв. и введен в действие Приказом Росстандарта от 30.06.2015 N 850-ст)

"ГОСТ Р ИСО 17231-2015. Национальный стандарт Российской Федерации. Кожа. Физические и механические испытания. Метод определения водонепроницаемости одежной кожи"
(утв. и введен в действие Приказом Росстандарта от 30.06.2015 N 850-ст)


Содержание


Утвержден и введен в действие
Приказом Федерального
агентства по техническому
регулированию и метрологии
от 30 июня 2015 г. N 850-ст
НАЦИОНАЛЬНЫЙ СТАНДАРТ РОССИЙСКОЙ ФЕДЕРАЦИИ
КОЖА
ФИЗИЧЕСКИЕ И МЕХАНИЧЕСКИЕ ИСПЫТАНИЯ. МЕТОД ОПРЕДЕЛЕНИЯ
ВОДОНЕПРОНИЦАЕМОСТИ ОДЕЖНОЙ КОЖИ
Leather. Physical and mechanical tests. Method
for determination of water repellency of garment leather
ISO 17231:2006
Leather - Physical and mechanical tests - Determination
of water repellency of garment leather
(IDT)
ГОСТ Р ИСО 17231-2015
Группа М19
ОКС 59.140.30
Дата введения
1 июля 2016 года
Предисловие
1 ПОДГОТОВЛЕН Техническим комитетом по стандартизации ТК 412 "Текстиль", Открытым акционерным обществом "Всероссийский научно-исследовательский институт сертификации" (ОАО "ВНИИС") на основе собственного аутентичного перевода на русский язык международного стандарта, указанного в пункте 4
2 ВНЕСЕН Управлением технического регулирования и стандартизации Федерального агентства по техническому регулированию и метрологии (Росстандарт)
3 УТВЕРЖДЕН И ВВЕДЕН В ДЕЙСТВИЕ Приказом Федерального агентства по техническому регулированию и метрологии от 30 июня 2015 г. N 850-ст
4 Настоящий стандарт идентичен международному стандарту ИСО 17231:2006 "Кожа. Физические и механические испытания. Определение водонепроницаемости одежной кожи" (ISO 17231:2006 "Leather - Physical and mechanical tests - Determination of water repellency of garment leather").
Наименование настоящего стандарта изменено относительно наименования указанного международного стандарта для приведения в соответствие с ГОСТ Р 1.5 (пункт 3.5).
При применении настоящего стандарта рекомендуется использовать вместо ссылочных международных стандартов соответствующие им национальные стандарты Российской Федерации, сведения о которых приведены в дополнительном приложении ДА
5 ВВЕДЕН ВПЕРВЫЕ
Правила применения настоящего стандарта установлены в ГОСТ Р 1.0-2012 (раздел 8). Информация об изменениях к настоящему стандарту публикуется в ежегодном (по состоянию на 1 января текущего года) информационном указателе "Национальные стандарты", а официальный текст изменений и поправок - в ежемесячном информационном указателе "Национальные стандарты". В случае пересмотра (замены) или отмены настоящего стандарта соответствующее уведомление будет опубликовано в ближайшем выпуске ежемесячного информационного указателя "Национальные стандарты". Соответствующая информация, уведомление и тексты размещаются также в информационной системе общего пользования - на официальном сайте Федерального агентства по техническому регулированию и метрологии в сети Интернет (www.gost.ru)
1. Область применения
Настоящий стандарт устанавливает метод определения водонепроницаемости кожи при смачивании ее поверхности. Данный метод применим ко всем видам кожи, предназначенным для изготовления одежды. Представленный метод не применим для определения сопротивления кожи к проникновению воды.
2. Нормативные ссылки
В настоящем стандарте использованы нормативные ссылки на следующие международные стандарты. Для датированных ссылок применяют только указанное издание. Для недатированных ссылок применяют самые последние издания, включая любые изменения и поправки.
ИСО 2418:2002 Кожа. Химические, физические и механические испытания и испытания на прочность. Определение местоположения образца (ISO 2418:2002 Leather - Chemical, physical and mechanical and fastness tests - Sampling location)
ИСО 2419:2012 Кожа. Физические и механические испытания. Подготовка образцов и кондиционирование (ISO 2419:2012 Leather - Physical and mechanical tests - Sample preparation and conditioning)
ИСО 3696:1987 Вода для лабораторного анализа. Технические требования и методы испытаний (ISO 3696:1987 Water for analytical laboratory use - Specification and test methods)
3. Термины и определения
В настоящем стандарте применен следующий термин с соответствующим определением:
3.1 рейтинг разбрызгивания (spray rating): Степень сопротивления поверхности кожи к смачиванию.
4. Принцип
Дистиллированную или деионизованную воду установленного объема разбрызгивают на испытуемый образец, закрепленный на кольце и размещенный под углом 45° к горизонтали таким образом, чтобы центр образца находился на определенном расстоянии ниже разбрызгивающего сопла. Рейтинг разбрызгивания определяют путем сравнения внешнего вида смоченного испытуемого образца, используя описательную или фотографическую шкалу. Массу воды, поглощенной испытуемым образцом, определяют его взвешиванием до разбрызгивания и после.
5. Аппаратура
5.1 Устройство для разбрызгивания, как показано на рисунке 1, состоящее из закрепленной вертикально воронки диаметром (150 +/- 2) мм, с металлическим разбрызгивающим соплом (см. 5.2), соединенным гибкой трубкой диаметром 10 мм с основанием воронки. Суммарное расстояние от верхнего уровня расположения воронки до нижнего уровня расположения сопла составляет (190 +/- 2) мм.
1 - стеклянная воронка диаметром (150 +/- 2) мм;
2 - кольцевой кронштейн; 3 - резиновая трубка;
4 - разбрызгивающее сопло; 5 - штатив; 6 - образец;
7 - держатель образца; 8 - подставка (например, дерево)
Рисунок 1 - Аппаратура для испытания разбрызгиванием
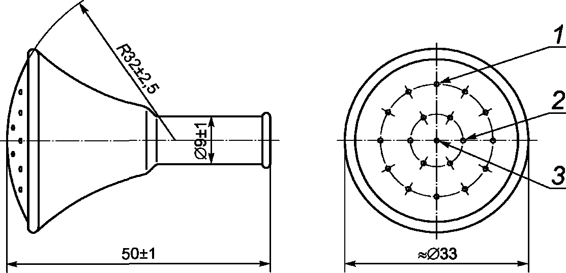
5.2 Сопло металлическое разбрызгивающее, как показано на рисунке 2, диаметром приблизительно 33 мм, имеющее выпуклую переднюю поверхность, на которой равномерно распределено 19 отверстий диаметром (0,9 +/- 0,05) мм. Время протекания (250 +/- 5) мл дистиллированной или деионизованной воды, налитой в воронку, должно составлять (27,5 +/- 2,5) с.
1 - 12 отверстий диаметром (0,9 +/- 0,05) мм на окружности
диаметром (21,4 +/- 0,05) мм; 2 - 6 отверстий диаметром
(0,9 +/- 0,05) мм на окружности диаметром (10 +/- 0,05) мм;
3 - 1 отверстие диаметром (0,9 +/- 0,05) мм в центре
Рисунок 2 - Разбрызгивающее сопло
5.3 Держатель образца для испытаний, состоящий из двух металлических колец, которые могут быть вложены одно в другое. Размер внутреннего кольца фиксирован, и его внешний диаметр составляет (150,0 +/- 2) мм. Размер наружного кольца регулируемый, и его внутренний диаметр может быть уменьшен до 150 мм для надежного закрепления образца между двумя кольцами. Во время проведения испытаний кольца помещают на подходящую подставку таким образом, чтобы образец находился в плоскости под углом (45 +/- 2,5)° к горизонтали, а его центр при этом находился на расстоянии (150,0 +/- 2) мм ниже центра распыляющей поверхности металлического сопла.
5.4 Весы с ценой деления 0,001 г.
5.5 Вода дистиллированная или деионизованная, соответствующая требованиям чистоты степени 3 по ИСО 3696.
6. Отбор проб и подготовка образцов
6.1 Отбор проб осуществляют в соответствии с ИСО 2418. Отрезают три квадратных образца для испытаний со стороной (182 +/- 2) мм, следя за тем, чтобы на них не было каких-либо отверстий и других повреждений.
Примечание 1 - Если предполагается испытывать покрытую шерстью овечью шкуру, может оказаться необходимым подстричь шерсть, чтобы обеспечить надежное закрепление образца для испытаний.
Примечание 2 - Если требуется испытывать более двух шкур или кож из одной партии, то тогда необходимо брать только один образец от каждой шкуры или кожи при условии, что общее число образцов будет не менее трех.
6.2 Образцы для испытаний кондиционируют в соответствии с ИСО 2419.
6.3 Взвешивают образец для испытаний с точностью до 0,001 г.
6.4 Проводят все дальнейшие операции при температуре (20 +/- 2) °C или (23 +/- 2) °C. Контроль влажности образцов в последующем не требуется.
7. Процедура
7.1 Надежно закрепляют испытуемый образец кожи в держателе (см. 5.3), располагая лицевой стороной, которая будет подвергнута испытанию, вверх. Помещают держатель в рабочее положение под разбрызгивающим соплом.
7.2 (250 +/- 5) мл дистиллированной или деионизованной воды (см. 5.5) наливают при контролируемой температуре (см. 6.4) в воронку достаточно быстро, но непрерывно, чтобы разбрызгивание не прерывалось.
7.3 Сразу же после окончания разбрызгивания удаляют держатель, и образец, ударяют образцом по твердому предмету в двух диаметрально противоположных местах (другими словами, энергично встряхивают), при этом плоскость кожи должна быть направлена испытуемой поверхностью вниз практически горизонтально.
7.4 Определяют для испытуемого образца рейтинг разбрызгивания, который будет наилучшим образом соответствовать описанию степени смачивания по описательной или фотографической шкале согласно приложению A. Промежуточные значения рейтингов не рассматривают.
1 - Смачивание всей обрызганной поверхности.
2 - Смачивание половины обрызганной поверхности. Это обычно происходит путем слияния небольших дискретных смоченных областей.
3 - Смачивание обрызганной поверхности только в небольших дискретных областях.
4 - Отсутствие смачивания, но наличие небольших прилипших капель на обрызганной поверхности.
5 - Отсутствие смачивания и небольших прилипших капель на обрызганной поверхности.
7.5 Исследуют противоположную сторону образца для испытаний и отмечают любое смачивание.
7.6 Удаляют образец для испытаний из держателя, аккуратно промокают любые капли воды, которые все еще присутствуют, и повторно взвешивают с точностью до 0,001 г.
8. Представление результатов
Рассчитывают массу поглощенной воды mw, г, и процентное содержание поглощенной воды w, используя формулы:
mw = m2 - m1,
где m1 - исходная масса испытуемого образца, г;
m2 - масса испытанного образца, г.
9. Протокол испытаний
Протокол испытаний должен включать следующую информацию для каждого образца для испытаний:
a) ссылка на настоящий стандарт;
b) рейтинг разбрызгивания (см. 7.4);
c) масса поглощенной воды mw, г;
d) процентное содержание поглощенной воды w;
e) стандартные атмосферные условия, используемые при кондиционировании и испытаниях, как указано в ИСО 2419 (т.е. 20 °C, 65% или 23 °C, 50%);
f) любые отклонения от метода, установленного в настоящем стандарте;
g) все подробности идентификации образца и любого отклонения от ИСО 2418 в части отбора проб.
Приложение A
(справочное)
ФОТОГРАФИЧЕСКАЯ ШКАЛА ИСО
Рисунок A.1 - Схематическая шкала изображений по результатам
испытаний ИСО для определения рейтинга разбрызгивания,
основанная на фотографической шкале Американской ассоциации
текстильных химиков и колористов (ААТСС)
Примечание - Описательная шкала ИСО соответствует фотографической шкале (ААТСС) следующим образом:
ИСО 1 = ААТСС 50 - Смачивание всей обрызганной поверхности.
ИСО 2 = АТСС 70 - Смачивание половины всей обрызганной поверхности. Это обычно происходит путем слияния небольших дискретных смоченных областей.
ИСО 3 = ААТСС 80 - Смачивание обрызганной поверхности в отдельных дискретных областях.
ИСО 4 = ААТСС 90 - Отсутствие смачивания, но наличие небольших прилипших капель на обрызганной поверхности.
ИСО 5 = ААТСС 100 - Отсутствие смачивания и небольших прилипших капель на обрызганной поверхности.
Приложение B
(справочное)
ИСТОЧНИК АППАРАТУРЫ
Ниже приведены примеры коммерчески доступных подходящих изделий.
Рекомендуемая аппаратура представляет собой прибор для испытаний с целью определения рейтинга разбрызгивания, изготовленный, например, компаниями:
James H. Heat and Co. Ltd <1>, Richmond Works, Halifax, West Yorkshire, HX 6ER, England.
SDL International Ltd <1>, PO Box 162, Crown Royal, Shawcross St., Stockport, SKI 3JWW, England.
--------------------------------
<1> James H. Heal and Co. Ltd and SDL International Ltd представляют собой примеры поставщиков коммерчески доступного подходящего оборудования. Эта информация приведена для удобства пользователей настоящего стандарта и не является одобрением этих изделий со стороны ИСО.
Копия фотографической шкалы по результатам испытаний ИСО для определения рейтинга разбрызгивания может быть получена в Американской ассоциации текстильных химиков и колористов, PO Box 12215, Research Triangle Park, NC 27709, USA.
Приложение ДА
(справочное)
СВЕДЕНИЯ О СООТВЕТСТВИИ ССЫЛОЧНЫХ МЕЖДУНАРОДНЫХ СТАНДАРТОВ
НАЦИОНАЛЬНЫМ СТАНДАРТАМ РОССИЙСКОЙ ФЕДЕРАЦИИ
Таблица ДА.1
Обозначение ссылочного международного стандарта
Степень соответствия
Обозначение и наименование соответствующего национального стандарта
ИСО 2418:2002
-
ИСО 2419:2012
-
<*>
ИСО 3696:1987
-
<*>
<*> Соответствующий национальный стандарт отсутствует. До его утверждения рекомендуется использовать перевод на русский язык данного международного стандарта. Перевод данного международного стандарта находится в Федеральном информационном фонде технических регламентов и стандартов.