Главная // Актуальные документы // ГОСТ Р (Государственный стандарт)СПРАВКА
Источник публикации
М.: Стандартинформ, 2016
Примечание к документу
Документ
введен в действие с 1 августа 2016 года.
Название документа
"ГОСТ Р ИСО 11898-2-2015. Национальный стандарт Российской Федерации. Транспорт дорожный. Местная контроллерная сеть (CAN). Часть 2. Устройство доступа к высокоскоростной среде"
(утв. и введен в действие Приказом Росстандарта от 06.11.2015 N 1712-ст)
"ГОСТ Р ИСО 11898-2-2015. Национальный стандарт Российской Федерации. Транспорт дорожный. Местная контроллерная сеть (CAN). Часть 2. Устройство доступа к высокоскоростной среде"
(утв. и введен в действие Приказом Росстандарта от 06.11.2015 N 1712-ст)
Утвержден и введен в действие
по техническому регулированию
и метрологии
от 6 ноября 2015 г. N 1712-ст
НАЦИОНАЛЬНЫЙ СТАНДАРТ РОССИЙСКОЙ ФЕДЕРАЦИИ
ТРАНСПОРТ ДОРОЖНЫЙ
МЕСТНАЯ КОНТРОЛЛЕРНАЯ СЕТЬ (CAN)
ЧАСТЬ 2
УСТРОЙСТВО ДОСТУПА К ВЫСОКОСКОРОСТНОЙ СРЕДЕ
Road vehicles. Controller area network (CAN).
Part 2. High-speed medium access unit
(ISO 11898-2:2003, IDT)
ГОСТ Р ИСО 11898-2-2015
Дата введения
1 августа 2016 года
1 ПОДГОТОВЛЕН Федеральным государственным бюджетным образовательным учреждением высшего профессионального образования "Московский автомобильно-дорожный государственный технический университет" (МАДИ) на основе собственного аутентичного перевода на русский язык стандарта, указанного в
пункте 4
2 ВНЕСЕН Техническим комитетом по стандартизации ТК 57 "Интеллектуальные транспортные системы"
3 УТВЕРЖДЕН И ВВЕДЕН В ДЕЙСТВИЕ
Приказом Федерального агентства по техническому регулированию и метрологии от 6 ноября 2015 г. N 1712-ст
4 Настоящий стандарт идентичен международному стандарту ИСО 11898-2 "Транспорт дорожный. Локальная сеть контроллеров (CAN). Часть 2. Устройство доступа к высокоскоростной среде" ("Road vehicles - Controller area network (CAN) - Part 2: High-speed medium access unit", IDT).
Международный стандарт ИСО 11898-2 разработан техническим комитетом ИСО/ТК 22, Дорожный транспорт, подкомитет ПК3, электрическое и электронное оборудование (ISO/TC 22, Road vehicles, Subcommittee SC 3, Electrical and electronic equipment).
При применении настоящего стандарта рекомендуется использовать вместо ссылочного международного стандарта соответствующий ему национальный стандарт, сведение о котором приведено в дополнительном
приложении ДА
5 ВВЕДЕН ВПЕРВЫЕ
Правила применения настоящего стандарта установлены в ГОСТ Р 1.0-2012 (раздел 8). Информация об изменениях к настоящему стандарту публикуется в ежегодном (по состоянию на 1 января текущего года) информационном указателе "Национальные стандарты", а текст изменений и поправок - в ежемесячном информационном указателе "Национальные стандарты". В случае пересмотра (замены) или отмены настоящего стандарта соответствующее уведомление будет опубликовано в информационном указателе "Национальные стандарты". Соответствующая информация, уведомление и тексты размещаются также в информационной системе общего пользования - на официальном сайте Федерального агентства по техническому регулированию и метрологии в сети Интернет (www.gost.ru)
ИСО (International Organization for Standardization - международная организация по стандартизации) - это всемирная федерация национальных органов по стандартизации (членов ИСО). Работа по подготовке международных стандартов обычно выполняется техническими комитетами ИСО. Каждая организация - член ИСО, заинтересованная в предмете, для которого создается технический комитет, имеет право на представительство в этом комитете. В сотрудничестве с ИСО в этой работе также принимают участие международные организации, правительственные и неправительственные. ИСО тесно сотрудничает с Международной электротехнической комиссией (International Electrotechnical Commission - IEC - МЭК) по всем вопросам стандартизации электротехнического оборудования.
Международные стандарты составляются в соответствии с правилами, предписанными частью 2 директив ИСО/МЭК.
Главная задача технических комитетов - подготовка международных стандартов. Проекты международных стандартов, принятых техническими комитетами, рассылаются членам ИСО для голосования. Для публикации в качестве международного стандарта необходимо одобрение не менее чем 75% участников голосования.
Особое внимание уделяется возможности того, что какие-либо составные части данного документа могут оказаться предметом патентного законодательства. ИСО не может нести ответственности за идентификацию всех или каких-либо патентных прав.
Первая редакция ИСО 11898-2 совместно с ИСО 11898-3 заменяет ИСО 11898:1993, который был технически пересмотрен. Поскольку замененный международный стандарт покрывал как уровень передачи данных CAN (DLL - Data Link Layer - канальный уровень), так и высокоскоростной физический уровень (PL - Physical Layer - физический уровень), ИСО 11898-2 определяет уровень высокоскоростного доступа к среде передачи данных MAU (Medium Access Unit - устройство доступа к каналу связи), тогда как стандарт ИСО 11898-1 определяет уровень передачи данных, включая нижние уровни LLC (Logical Link Control - управление логической связью) и MAC (Medium Access Control - управление доступом к каналу связи).
ИСО 11898 под общим названием "Транспорт дорожный. Местная контроллерная сеть (CAN)" состоит из следующих частей:
- часть 1. Канальный уровень и передача сигналов;
- часть 2. Устройство высокоскоростного доступа к каналу связи;
- часть 3. Низкоскоростной устойчивый к ошибкам интерфейс, зависящий от канала;
- часть 4. Взаимодействие с разделением доступа по времени.
Настоящий стандарт определяет устройство высокоскоростного (скорости передачи до 1 Мбит/с) доступа к каналу связи (MAU) и некоторые особенности интерфейса канала связи (MDI) в соответствии с ИСО 8802-3, включающие физический уровень сети контроллеров CAN. Это протокол последовательной передачи данных, который поддерживает распределенное управление в реальном времени и мультиплексирование данных для использования в дорожных транспортных средствах.
Для применения настоящего стандарта необходимы следующие ссылочные документы. Для недатированных ссылок применяют последнее издание ссылочного документа (включая все его изменения).
ИСО/МЭК 7498-1, Информационные технологии. Взаимосвязь открытых систем. Базовая эталонная модель: Базовая модель
ИСО/МЭК 7637-3:2007, Транспорт дорожный. Электрические помехи, вызываемые проводимостью и взаимодействием. Часть 3. Передача электроэнергии в переходном режиме путем емкостной и индуктивной связи по линиям, не обеспечивающим электропитание
ИСО/МЭК 8802-3, Информационные технологии.
Телекоммуникации и информационный обмен между системами. Локальные и общегородские сети. Специальные требования. Часть 3. Метод доступа (CSMA/CD) с обнаружением столкновений и спецификации физического уровня
ИСО 16845, Транспорт дорожный. Сеть области контроллера. План проверки соответствия
В настоящем стандарте применены следующие термины с соответствующими определениями.
3.1 напряжение на шине: VCAN_L и VCAN_H означают напряжение на линейных проводах шины CAN_L и CAN_H относительно заземления каждого отдельного узла CAN.
3.2 диапазон синфазного напряжения на шине: Предельные уровни напряжений VCAN_L и VCAN_H, при которых гарантируется правильная работа в случае подключения к шине максимального количества узлов CAN.
3.3 дифференциальная внутренняя емкость (узла CAN) Cdiff: Емкость между проводами CAN_L и CAN_H.
3.4 дифференциальное внутреннее сопротивление (узла CAN) Rdiff: Сопротивление между проводами CAN_L и CAN_H при рецессивном состоянии, когда узел CAN отключен от шины.
3.5 дифференциальное напряжение (шины CAN) Vdiff: Разность напряжений на двухпроводной шине CAN:
Vdiff = VCAN_H - VCAN_L.
3.6 внутренняя емкость (узла CAN) Cin: Емкость между проводами CAN_L (или CAN_H) и заземления при рецессивном состоянии, когда узел CAN отключен от шины.
3.7 время внутренней задержки (узла CAN) tnode: Сумма всех времен асинхронных задержек, возникающих на приемной и передающей линиях относительно распределения по времени битов логическим устройством IC протокола каждого отдельного узла CAN, отключенного от шины.
3.8 внутреннее сопротивление (узла CAN) Rin: Сопротивление между проводами CAN_L (или CAN_H) и проводом заземления при рецессивном состоянии, когда узел CAN отключен от шины.
3.9 физический уровень: Электронная схемотехническая реализация (компаратор шины и драйвер шины), которая подключает узел CAN к шине. Она состоит из аналоговой и цифровой частей, которые обеспечивают взаимосвязь между аналоговыми сигналами на шине CAN и цифровыми сигналами внутри узла CAN.
Примечание - Общее количество узлов CAN, подключенных к шине, ограничивается электрической нагрузкой шины.
3.10 канал связи (шины): Пара параллельных проводов, экранированных или неэкранированных, в зависимости от требований к электромагнитной совместимости (ЭМС).
Примечание - Отдельные провода обозначаются как CAN_L и CAN_H. Соответствующие контакты разъемов узлов CAN также обозначаются как CAN_L и CAN_H. В доминантном состоянии на проводе CAN_L присутствует менее высокий уровень напряжения, чем в рецессивном, а на проводе CAN_H - более высокий уровень напряжения, чем в рецессивном состоянии.
В настоящем стандарте применены следующие сокращения:
CAN - сеть контроллеров;
ECU - электронный блок управления;
HS-MAU - устройство высокоскоростного доступа к каналу связи;
IC - интегральная схема;
MAU - устройство доступа к каналу связи;
MDI - интерфейс канала связи;
NBT - номинальный битовый интервал;
SOF - начало кадра.
5 Функциональное описание MAU
Приведенное ниже описание действительно для двухпроводной дифференциальной шины. Значения уровней напряжений, сопротивлений и емкостей, а также оконечных нагрузок, приведены в
разделах 6 и
7.
5.2 Параметры нижнего уровня подсоединения к каналу связи
5.2.1 Общие сведения
Как показано на
рисунке 1, линия шины подключается к схемам оконечных нагрузок A и B. Эти нагрузки подавляют переотражения. Следует избегать расположения оконечной нагрузки в пределах узла CAN, поскольку линии шины окажутся без оконечной нагрузки при отключении от линии шины узла CAN.
Рисунок 1 - Рекомендуемое электрическое подключение
Шина находится в рецессивном состоянии, если драйверы шины всех узлов CAN отключены. В этом случае оконечной нагрузкой и высоким внутренним сопротивлением приемного каскада каждого из узлов формируется среднее значение напряжения на шине.
Доминантный бит пересылается на шину, если подключен драйвер шины хотя бы одного устройства. При этом индуцируется ток, протекающий через резисторы оконечной нагрузки, и, как следствие, возникает дифференциальное напряжение между двумя проводами шины.
Доминантное и рецессивное состояние шины определяется путем преобразования дифференциальных напряжений шины в соответствующие доминантный и рецессивный уровни напряжения на входе компаратора приемного каскада.
5.2.2 Уровни на шине
5.2.2.1 Шина может находиться в одном из двух логических состояний: рецессивном или доминантном (см.
рисунок 2).
U - уровень напряжения; t - время
Рисунок 2 - Физическое представление битов
В рецессивном состоянии напряжения VCAN_H и VCAN_L имеют фиксированное значение, равное среднему уровню напряжения, который определяется оконечной нагрузкой шины. Напряжение Vdiff ниже максимального порога. Рецессивное состояние передается при свободной шине или при пересылке рецессивного бита.
Доминантное состояние представляется дифференциальным напряжением, превышающим минимальный порог. Доминантное состояние заменяет рецессивное и передается при пересылке доминантного бита.
5.2.2.2 Во время арбитража различные узлы CAN могут одновременно передавать доминантный бит. В данном случае напряжение Vdiff превышает напряжение Vdiff при работе в одиночном режиме. Одиночный режим означает, что шина работает только с одним узлом CAN.
5.3 Технические характеристики MDI
Разъем, применяемый для подсоединения узлов CAN к шине, должен соответствовать требованиям, заданным в электрических характеристиках. Цель характеристик - стандартизация наиболее важных электрических параметров без определения механических параметров и параметров материалов.
5.4 Технические характеристики канала связи
Топология проводки сети CAN должна быть как можно ближе к однопроводной структуре во избежание образования отраженных кабелем волн. На практике для успешного подключения узлов CAN к шине необходимы короткие отрезки, как это показано на
рисунке 3.
L - длина шины; l - длина отрезка кабеля; d - дистанция
до узла
Рисунок 3 - Топология проводки сети
6 Испытания на соответствие требованиям
Соответствие MAU требованиям должно проверяться в соответствии с ИСО 16845.
На
рисунках 4 -
12 и в формулах показаны принципы проверки электрических параметров, заданных в
разделе 7.
6.2 Рецессивный выход узлов CAN
Рецессивные выходные напряжения
VCAN_H и
VCAN_L должны контролироваться в соответствии с
рисунком 4. Они измеряются при свободной шине без нагрузки.
Соответствующее значение Vdiff определяется как:
Vdiff = VCAN_H - VCAN_L
1 - узел CAN со схемой оконечной нагрузки; 2 - заземление
Рисунок 4 - Измерение
VCAN_L и
VCAN_H при свободном
состоянии шины
6.3 Доминантный выход узла CAN
Доминантные выходные напряжения
VCAN_H и
VCAN_L должны контролироваться в соответствии с
рисунком 5. Они измеряются при передаче узлом CAN доминантного бита.
1 - узел CAN со схемой оконечной нагрузки; 2 - заземление
Рисунок 5 - Измерение напряжений
VCAN_L и
VCAN_H
при передаче узлом CAN доминантного бита
Соответствующее значение Vdiff вычисляется по формуле
Vdiff = VCAN_H - VCAN_L.
6.3.2 Порог рецессивного входного сигнала узла CAN
Пороговый уровень обнаружения рецессивного сигнала узлом CAN должен контролироваться в соответствии с
рисунком 6 (при установке IC протокола узла CAN в режим свободной шины).
Уровень тока I настраивается на значение, которое соответствует верхнему порогу дифференциального входного напряжения, необходимого для обнаружения рецессивного бита в рецессивном состоянии. Иначе говоря, U (уровень напряжения) устанавливается в два значения при свободной шине:
- V - минимальное синфазное напряжение VCAN_H в рецессивном состоянии и
- V - максимальное синфазное напряжение VCAN_H (максимальное значение Vdiff в рецессивном состоянии).
При этих условиях узел CAN должен оставить шину в свободном состоянии. Это означает, что каждый переданный рецессивный бит по-прежнему определяется IC протокола тестируемого узла CAN как рецессивный. Уровень Vdiff практически не зависит от U.
1 - узел CAN со схемой оконечной нагрузки; 2 - заземление
Рисунок 6 - Проверка порога обнаружения рецессивного бита
входного сигнала
6.4 Порог доминантного входного сигнала узла CAN
Пороговый уровень обнаружения доминантного сигнала узлом CAN должен контролироваться в соответствии с
рисунком 7 (при установке узла в режим циклической передачи кадров).
1 - узел CAN со схемой оконечной нагрузки; 2 - заземление
Рисунок 7 - Проверка порога обнаружения доминантного бита
входного сигнала
Уровень тока I настраивается на значение, которое соответствует нижнему порогу дифференциального входного напряжения, необходимого для обнаружения доминантного бита в рецессивном состоянии. Иначе говоря, U (уровень напряжения) устанавливается в два значения, которые дают при свободной шине:
- V - минимальное синфазное напряжение VCAN_H в доминантном состоянии и
- V - максимальное синфазное напряжение VCAN_H (максимальное значение Vdiff в доминантном состоянии).
При этих условиях узел CAN должен прекратить передачу кадров. Это означает, что каждый переданный рецессивный бит определяется IC протокола тестируемого узла CAN как доминантный. Уровень Vdiff практически не зависит от U.
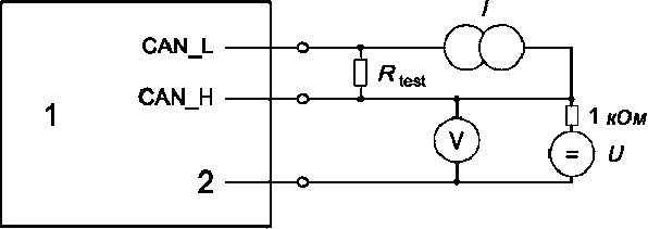
6.5 Внутреннее сопротивление CAN_L и CAN_H
Связанное с заземлением внутреннее сопротивление линий CAN_L и CAN_H (
Rin_L и
Rin_H) контролируется в соответствии с
рисунком 8, при установке IC протокола узла CAN в режим свободной шины.
Rin_L и Rin_H зависят от значения Rtest и вычисляются по формуле

,
где
VCAN_L и
VCAN_H - это напряжения холостого хода в соответствии с
рисунком 4.
1 - узел CAN со схемой оконечной нагрузки; 2 - заземление
Рисунок 8 - Измерение
Rin при установке IC протокола
узла CAN в состояние свободной шины
6.5.2 Внутреннее дифференциальное сопротивление
Измерения
Rdiff при установке IC протокола узла CAN в состояние свободной шины должны выполняться в соответствии с
рисунком 9.
Rdiff при заданном Rtest и свободной шине:

,
где
Vdiff - это дифференциальное напряжение холостого хода, рассчитанное в соответствии с
6.3.1.
1 - узел CAN со схемой оконечной нагрузки; 2 - заземление
Рисунок 9 - Измерение
Rdiff при установке IC протокола
узла CAN в состояние свободной шины
Для определения входных емкостей Cin и Cdiff необходимо выполнить два измерения:
Рисунок 10 - Измерение входной емкости,
Cbusin,
узла CAN в рецессивном состоянии
Рисунок 11 - Измерение входной емкости,
Cin, узла CAN
в рецессивном состоянии
Во время измерений не должен передаваться доминантный бит. Значение входной емкости узла CAN находится в диапазоне нескольких пФ. Таким образом, само по себе измерительное оборудование должно иметь очень малую емкость либо его емкость должна компенсироваться для точности измерения.

;

,
где T - время, за которое дифференциальное напряжение достигает 63% своего итогового значения.
Затем можно определить Cdiff:

.
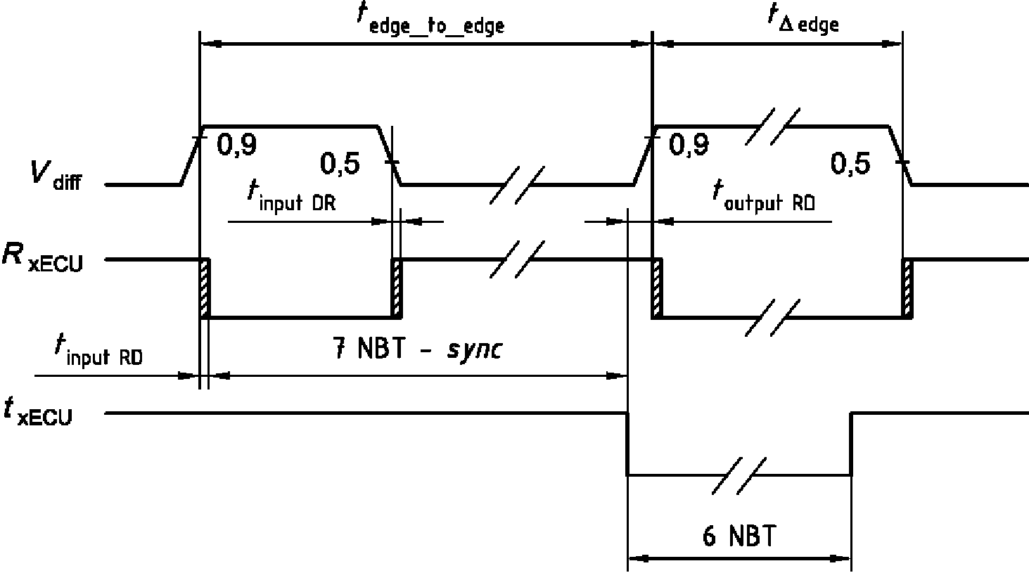
6.7 Измерение времени внутренней задержки
Измерение времени внутренней задержки tnode должно выполняться путем подачи на входы шины CAN доминантных битов от активного к ошибкам узла CAN в свободном состоянии. Узел CAN должен рассматривать доминантный бит как начало кадра (SOF) и выполнять жесткую повторную синхронизацию. Контроллер CAN должен обнаружить ошибку заполнения на шестом рецессивном бите после доминантного бита и ответить активным флагом ошибки. Время, измеренное от начала поданного извне доминантного бита до начала флага ошибки, - это время tedge_to_edge.
Интервал синхронизации sync можно устранить путем регулировки фазы для получения максимального значения tedge_to_edge (максимизация ошибки квантования CAN: 1 tq).
Измерение времени внутренней задержки ECU иллюстрируется
рисунком 12.
Значения в вольтах.
Рисунок 12 - Измерение времени внутренней задержки ECU
С помощью испытательной методики определения tinputRD, описанной выше, испытуемое устройство синхронизирует себя по сигналу SOF, пересылаемому узлом CAN. После обнаружения первого рецессивного бита испытуемое устройство должно частично заменить продолжительность рецессивного бита доминантным уровнем - в обратном направлении, начиная от ожидаемого конца бита (см. заштрихованный участок).
Замена начинается все раньше и раньше, пока узел не проигрывает в конечном счете арбитраж и передача не прекращается.
tinputRD + toutputDR = tsample - NBT - tx.
Этим уравнением можно воспользоваться для определения величин tinputRD и toutputRD с целью синхронизации сети.
Рисунок 13 - Синхронизация по замене рецессивных битов
доминантным битом испытуемого устройства
7 Электрические характеристики HS-MAU
Приведенные ниже электрические характеристики действительны для двухпроводной дифференциальной шины со скоростью передачи данных до 1 Мбит/с. Оконечные нагрузки, показанные на
рисунке 1 и
рисунке 14, описаны в
таблице 10. Не рекомендуется встраивать оконечную нагрузку в узел CAN.
a) Оконечная нагрузка A
b) Оконечная нагрузка B
Рисунок 14 - Оконечная нагрузка для высокоскоростной
реализации шины
7.2 Параметры нижнего уровня подсоединения к каналу связи
7.2.1 Общие сведения
Параметры, приведенные в
таблицах 1 -
5, должны соблюдаться во всем рабочем диапазоне любого узла CAN. Параметры подобраны таким образом, чтобы к общей шине можно было подключить максимальное количество узлов CAN.
Таблица 1
Параметры напряжения на шине для рецессивного состояния
Параметр | Обозначение | Единица измерения | Значение | Условие |
не менее | номинальное | не более |
Синфазное напряжение на шине | VCAN_H | В | | 2,5 | 7,0 | Измерено с учетом индивидуального заземления каждого узла CAN |
VCAN_L | В | -2,0 | 2,5 | |
Дифференциальное напряжение на шине <a> | Vdiff | мВ | -120 | 0 | 12 | Измерено на каждом узле CAN, подключенном к шине |
<a> Дифференциальное напряжение на шине определяется работой выходов всех узлов CAN в рецессивном состоянии. Таким образом, Vdiff приблизительно равно нулю (см. таблицу 4). Минимальное значение определяется требованием способности каждого отдельного драйвера шины представлять доминантный бит минимальным значением Vdiff = 1,2 В. |
Таблица 2
Параметры напряжения на шине для доминантного состояния
Параметр | Обозначение | Единица измерения | Значение | Условие |
не менее | номинальное | не более |
Синфазное напряжение на шине <a> | VCAN_H | В | | 3,5 | 7,0 | Измерено с учетом индивидуального заземления каждого узла CAN |
VCAN_L | В | -2,0 | 1,5 | |
Дифференциальное напряжение на шине <b> | Vdiff | В | 1,2 | 2,0 | 3,0 | Измерено на каждом узле CAN, подключенном к шине |
<a> Минимальное значение VCAN_H определяется суммой минимальных значений VCAN_L и Vdiff. Максимальное значение VCAN_L определяется разностью максимального значения VCAN_H и минимального значения Vdiff. <b> Нагрузка на шину возрастает по мере добавления узлов CAN к сети величиной Rdiff. Вследствие этого Vdiff уменьшается. Минимальное значение Vdiff определяет количество узлов CAN, которые можно подключить к шине. Максимальное значение Vdiff определяется верхним пределом при арбитраже. |
Таблица 3
Максимальный диапазон значений
VCAN_L и
VCAN_H узла CAN
Номинальное напряжение аккумулятора, В | Обозначение | |
не менее | не более |
12 | VCAN_H | -3,0 | 16,0 |
VCAN_L | -3,0 | 16,0 |
24 | VCAN_H | -3,0 | 32,0 |
VCAN_L | -3,0 | 32,0 |
<a> Бесперебойная работа не должна гарантироваться, кроме целостности схемы драйвера шины и неограниченного времени работы. |
Таблица 4
Параметры постоянного тока рецессивного выхода узла CAN
Параметр | Обозначение | Единица измерения | Значение | Условие |
не менее | номинальное | не более |
Выходное напряжение шины | VCAN_H | В | 2,0 | 2,5 | 3,0 | Без нагрузки |
VCAN_L | В | 2,0 | 2,5 | 3,0 | |
Дифференциальное выходное напряжение шины | Vdiff | мВ | -500 | 0 | 50 | Без нагрузки |
Дифференциальное внутреннее сопротивление | Rdiff | кОм | 10 | | 100 | |
Внутреннее сопротивление <b> | Rin | кОм | 5 | | 50 | |
Дифференциальное входное напряжение <c> | Vdiff | В | -1,0 | | 0,5 | |
<a> Нагрузка подключается между CAN_H и CAN_L. Для узла CAN, не оснащенного встроенным внутренним резистором RL (обычная работа), номинал резистора составляет RL/2. Для узла CAN, оснащенного встроенным внутренним резистором, номинал резистора составляет RL. В данном случае сопротивление RL проверяется между CAN_H и CAN_L - вместо Rdiff (см. 6.5.2). <b> Сопротивление Rin для CAN_H и CAN_L должно иметь почти такое же значение (см. 6.5.1). Взаимное отклонение не должно превышать 3%. <c> Пороговый уровень приема доминантных и рецессивных битов обеспечивает помехоустойчивость 0,3 В и 0,5 В соответственно. Меньшее значение для доминантного состояния обеспечивается тем фактом, что между CAN_H и CAN_L находится меньшее сопротивление нагрузки (емкость источника напряжения питания является причиной, по которой внутреннее сопротивление драйвера шины, передающего доминантный бит, подключено параллельно нагрузочному сопротивлению шины). <d> Пороговый уровень приема рецессивных битов. <e> Прием должен обеспечиваться в диапазоне значений синфазного напряжения, заданных в таблицах 1 и 2. |
Таблица 5
Параметры постоянного тока доминантного выхода узла CAN
Параметр | Обозначение | Единица измерения | Значение | Условие |
мин. | ном. | макс. |
Выходное напряжение шины | VCAN_H | В | 2,75 | 3,5 | 4,5 | |
VCAN_L | В | 0,5 | 1,5 | 2,25 |
Дифференциальное выходное напряжение | Vdiff | В | 1,5 | 2,0 | 3,0 | |
Дифференциальное входное напряжение <b> | Vdiff | В | 0,9 | | 5,0 | |
<a> Нагрузка подключается между CAN_H и CAN_L. Для узла CAN, не оснащенного встроенным внутренним резистором RL (обычная работа), номинал резистора составляет RL/2. Для узла CAN, оснащенного встроенным внутренним резистором, номинал резистора составляет RL. В данном случае сопротивление RL проверяется между CAN_H и CAN_L - вместо Rdiff. <b> Пороговый уровень приема доминантных и рецессивных битов обеспечивает помехоустойчивость 0,3 В и 0,5 В соответственно. Меньшее значение для доминантного состояния обеспечивается тем фактом, что между CAN_H и CAN_L находится меньшее сопротивление нагрузки (емкость источника напряжения питания является причиной, по которой внутреннее сопротивление драйвера шины, передающего доминантный бит, подключено параллельно нагрузочному сопротивлению шины). <c> Пороговый уровень приема доминантных битов. <d> Прием должен обеспечиваться в диапазоне значений синфазного напряжения, заданных в таблицах 1 и 2. |
7.2.2 Уровни шины
7.2.2.1 Синфазные напряжения
Параметры, заданные в
таблице 1, применимы, если узлы CAN подключены к правильно нагруженной шине.
7.2.2.2 Помехи по электрическим цепям
Допустимые уровни помех для CAN_H и CAN_L по электрическим цепям определяются в соответствии с ИСО 7637-3:1995, тестовые импульсы 3a и 3b.
7.3.1 Общие сведения
Проверку приведенных в
таблице 3 параметров следует проводить на контактах CAN_L и CAN_H каждого из узлов CAN при отсоединении узла CAN от шины (см.
6.2 и
6.3).
Проверку приведенных в
таблицах 4 и
5 параметров следует проводить на контактах CAN
_L и CAN
_H каждого из узлов CAN в соответствии с тестами на соответствие с
6.2 по
6.7 ИСО 16845.
7.3.2 График диапазона напряжений
Условия нагрузки заданы в
таблицах 1 -
5.
Рисунки 15 -
18 иллюстрируют соответствующие диапазоны напряжений
VCAN_H и
VCAN_L.
ts - случайное время; a - номинальное значение;
b - диапазон VCAN_H
Рисунок 15 - Допустимые диапазоны напряжения
VCAN_H
при рецессивном состоянии узла CAN, отключенного от шины,
при изменении VCAN_L от минимального до максимального
уровня напряжения
ts - случайное время; a - реальный диапазон значений VCAN_H
на линии шины; b - диапазон VCAN_H для приема
Рисунок 16 - Допустимые диапазоны напряжения VCAN_H
для мониторинга рецессивного состояния шины при отключении
узла CAN и изменении VCAN_L от минимального до максимального
уровня синфазного напряжения на шине
ts - случайное время; a - диапазон значений VCAN_H
Рисунок 17 - Допустимые диапазоны напряжения VCAN_H
при доминантном состоянии узла CAN, отключенного
от шины, и при изменении VCAN_L от минимального
до максимального уровня напряжения
ts - случайное время; a - реальный диапазон значений VCAN_H
на линии шины; b - диапазон VCAN_H для приема
Рисунок 18 - Допустимые диапазоны напряжения
VCAN_H для
мониторинга доминантного состояния шины, для отключенного
узла CAN и при изменении VCAN_L от минимального
до максимального уровня синфазного напряжения на шине
Приведенные в
таблице 6 параметры должны проверяться на контактах CAN
_L и CAN
_H каждого из узлов CAN в соответствии с тестами, приведенными в разделе 6 ИСО 16845.
Таблица 6
Параметры переменного тока узла CAN, отключенного от шины
Параметр | Обозначение | Единица измерения | Значение | Условие |
не менее | номинальное | не более |
Битовый интервал | tB | МКС | 1 | | | |
Внутренняя емкость | Cin | пФ | | 20 | | |
Дифференциальная внутренняя емкость <b> | Cdiff | пФ | | 10 | | 1 Мбит/с |
<a> Минимальный битовый интервал соответствует максимальной скорости передачи данных 1 Мбит/с. Нижний предел скорости передачи данных зависит от IC протокола. <b> Помимо ограничения внутренней емкости подключение к шине должно, кроме того, иметь как можно меньшую индуктивность. Это особенно важно при высоких скоростях передачи данных. Минимальные значения Cin и Cdiff могут быть нулевыми. Максимальные допустимые значения определяются временным распределением битов и топологическими параметрами сети l и d (см. сноску к таблице 11). Успешная работа гарантируется, если возникающие в кабеле отраженные волны не подавляют уровни доминантного дифференциального напряжения до Vdiff, равного 0,9 В, и не превышают уровень рецессивного дифференциального напряжения более чем на Vdiff, равного 0,5 В, в каждом отдельном узле CAN (см. таблицы 4 и 5). <c> 1 Мбит/с для линий CAN _H и CAN _L относительно ВЧ заземления. |
Испытательные напряжения
UST приведены в
таблице 7.
Таблица 7
Параметр | Единица измерения | Испытательное напряжение UST |
1-е напряжение | 2-е напряжение |
UL | В | 5 | 0 |
UH | В | 0 | 5 |
7.4 Технические характеристики MDI, параметры соединителей
Соединитель, предназначенный для подсоединения узлов CAN к шине, должен соответствовать
таблице 8.
Таблица 8
Параметр | Обозначение | Единица измерения | Значение |
не менее | номинальное | не более |
Напряжение | VВАТ = 12 В | U | В | | | 16 |
VВАТ = 24 В | U | В | | | 32 |
Ток | I | мА | 0 | 25 | 80 |
| IP | мА | | | 500 |
Частота передачи | f | МГц | 25 | | |
Сопротивление при передаче <b> | RT | мОм | | 70 | |
<a> Ограничение времени: 101 tB. <b> Дифференциальное напряжение на шине, контролируемое приемным узлом CAN, зависит от сопротивления линии между ним и передающим узлом CAN. Таким образом, полное сопротивление передачи сигнальных проводов ограничено параметрами уровня шины для каждого узла CAN. |
7.5 Технические характеристики физического канала
7.5.1 Общие сведения
Приведенные ниже технические характеристики должны выполняться для кабелей, выбираемых для построения шины CAN. Цель технических характеристик - стандартизация электрических параметров, но не определение механических параметров или параметров материалов кабелей.
Кабели для построения шины должны соответствовать требованиям, приведенным в
таблице 9.
Таблица 9
Параметры физического канала связи пары проводов
(экранированных или неэкранированных)
Параметр | Обозначение | Единица измерения | Значение | Условие |
не менее | номинальное | не более |
Импеданс | Z | Ом | 95 | 120 | 140 | Измеряется между двумя проводами |
Погонное сопротивление | R | мОм/м | | 70 | | |
Специфическая задержка линии | | нс/м | | 5 | | |
<a> Дифференциальное напряжение на шине, контролируемое приемным узлом CAN, зависит от сопротивления линии между ним и передающим узлом CAN. Таким образом, полное сопротивление передачи сигнальных проводов ограничено параметрами уровня шины для каждого узла CAN. <b> Минимальная задержка между двумя точками шины может быть нулевой. Максимальное значение определяется битовым интервалом и временами задержки в передающем и приемном каскадах. |
7.5.2 Резистор оконечной нагрузки
Резистор оконечной нагрузки
RL, который используется в схемах оконечной нагрузки A и B, должен соответствовать требованиям, приведенным в
таблице 10.
Таблица 10
Резистор оконечной нагрузки
Обозначение | Единица измерения | Значение | Условие |
не менее | номинальное | не более |
| Ом | 100 | 120 | 130 | Минимальная рассеиваемая мощность - 220 мВт |
<a> В зависимости от топологии, скорости передачи данных и скорости нарастания напряжения возможны отклонения от значения 120 Ом. Однако это необходимо для проверки применимости других номиналов резистора в каждом случае. Примечание - Чем меньше номинал резистора оконечной нагрузки, тем меньше количество узлов в сети. |
7.5.3 Топология
Топология проводки сети CAN должна быть как можно ближе к структуре одиночной линии во избежание образования в кабеле отраженных волн. Параметры топологии сети должны соответствовать значениям, приведенным в
таблице 11.
Таблица 11
Параметр | Обозначение | Единица измерения | Значение | Условие |
мин. | ном. | макс. |
Длина шины | L | м | 0 | | 40 | Скорость передачи данных - 1 Мбит/с <a> |
Длина кабельного отрезка | l | м | 0 | | 0,3 |
Дистанция до узла | d | м | 0,1 | | 40 |
<a> При скоростях передачи данных ниже 1 Мбит/с длина шины может быть значительно увеличена. В зависимости от l может использовать скорость передачи бит и внутренняя емкость отдельных узлов CAN, топология других сетей с измененной длинами l и d. В данном случае влияние возникающих в кабеле резонансных волн на представление битов на шине должно быть тщательно исследовано путем измерений Vdiff для каждого узла CAN (см. также таблицу 4, сноска <c>). |
7.6 Управление ошибками на шине
При обычной работе возможно возникновение каких-либо сбоев на шине, способных повлиять на ее работу. Результаты работы шины должны соответствовать
таблице 12. Возможные сбои типа холостого хода и короткого замыкания показаны на
рисунке 19.
Таблица 12
Обнаружение ошибок на шине
Описание ошибки на шине | | Соответствие требованиям <b> |
Один узел отключается от шины | Остальные узлы продолжают взаимодействовать | Рекомендованное |
Пропадает питание одного из узлов | Остальные узлы продолжают взаимодействовать с пониженным отношением сигнал/шум | Рекомендованное |
Пропадает заземление одного из узлов | Остальные узлы продолжают взаимодействовать с пониженным отношением сигнал/шум | Рекомендованное |
Потеря соединения с экраном в любом узле <c> | Все узлы продолжают взаимодействовать | Рекомендованное |
Ошибки холостого хода и короткого замыкания <d> | Все узлы продолжают взаимодействовать с пониженным отношением сигнал/шум | Рекомендованное |
| | |
2 Обрыв CAN_L | | |
3 Замыкание CAN_H на напряжение аккумулятора | | |
4 Замыкание CAN_L на заземление | | |
5 Замыкание CAN_H на заземление | | |
6 Замыкание CAN_L на напряжение аккумулятора | | |
7 Замыкание провода CAN_L на провод CAN_H | | Опциональное |
8 Обрыв проводов CAN_H и CAN_L в одной точке | | Рекомендованное |
9 Потеря одного соединения со схемой оконечной нагрузки | | Рекомендованное |
<a> Пример на рисунке 19 исключает все отказоустойчивые режимы. <b> Виды соответствия требованиям: - при возникновении соответствующей ошибки сеть должна работать в соответствии с описанием во второй колонке таблицы; - при возникновении соответствующей ошибки сеть должна работать в соответствии с описанием во второй колонке таблицы. Исключения функциональности остаются на усмотрении производителя; - при возникновении соответствующей ошибки сеть может работать в соответствии с описанием во второй колонке таблицы. Дополнительная функциональность остается на усмотрении производителя. <c> Данная ошибка должна приниматься во внимание только при использовании экранированных кабелей. В данном случае потеря соединения с экраном в одном узле может вызвать появление синфазного напряжения между экраном и двумя сигнальными проводами. |

Рисунок 19 - Возможные отказы линий шины
(справочное)
СВЕДЕНИЕ О СООТВЕТСТВИИ ССЫЛОЧНОГО МЕЖДУНАРОДНОГО СТАНДАРТА
ССЫЛОЧНОМУ НАЦИОНАЛЬНОМУ СТАНДАРТУ РОССИЙСКОЙ ФЕДЕРАЦИИ
Таблица ДА.1
Обозначение ссылочного международного стандарта | Степень соответствия | Обозначение и наименование соответствующего национального стандарта |
ИСО/МЭК 7498-1 | IDT | ГОСТ Р ИСО/МЭК 7498-1-99 "Информационная технология. Взаимосвязь открытых систем. Базовая эталонная модель. Часть 1. Базовая модель" |
Примечание - В настоящей таблице использовано следующее условное обозначение степени соответствия стандарта: - IDT - идентичный стандарт. |