Главная // Актуальные документы // ГОСТ Р (Государственный стандарт)СПРАВКА
Источник публикации
М.: Стандартинформ, 2016
Примечание к документу
Документ
введен в действие с 1 января 2017 года.
Название документа
"ГОСТ Р 56867-2016. Национальный стандарт Российской Федерации. Углеводороды C2 - C5. Определение содержания оксигенатов методом газовой хроматографии с использованием пламенно-ионизационного детектора"
(утв. и введен в действие Приказом Росстандарта от 25.02.2016 N 70-ст)
"ГОСТ Р 56867-2016. Национальный стандарт Российской Федерации. Углеводороды C2 - C5. Определение содержания оксигенатов методом газовой хроматографии с использованием пламенно-ионизационного детектора"
(утв. и введен в действие Приказом Росстандарта от 25.02.2016 N 70-ст)
Утвержден и введен в действие
Приказом Федерального
агентства по техническому
регулированию и метрологии
от 25 февраля 2016 г. N 70-ст
НАЦИОНАЛЬНЫЙ СТАНДАРТ РОССИЙСКОЙ ФЕДЕРАЦИИ
УГЛЕВОДОРОДЫ C2 - C5
ОПРЕДЕЛЕНИЕ СОДЕРЖАНИЯ ОКСИГЕНАТОВ МЕТОДОМ ГАЗОВОЙ
ХРОМАТОГРАФИИ С ИСПОЛЬЗОВАНИЕМ ПЛАМЕННО-ИОНИЗАЦИОННОГО
ДЕТЕКТОРА
Hydrocarbons C2 - C5. Determination of oxygenates by gas
chromatography using a flame ionization detector
ГОСТ Р 56867-2016
Дата введения
1 января 2017 года
1 ПОДГОТОВЛЕН Федеральным государственным унитарным предприятием "Всероссийский научно-исследовательский институт стандартизации сырья, материалов и технологий" (ФГУП "ВНИИ СМТ") на основе собственного аутентичного перевода на русский язык стандарта, указанного в
пункте 4
2 ВНЕСЕН Техническим комитетом по стандартизации ТК 52 "Природный и сжиженные газы"
3 УТВЕРЖДЕН И ВВЕДЕН В ДЕЙСТВИЕ Приказом Федерального агентства по техническому регулированию и метрологии от 25 февраля 2016 г. N 70-ст
4 Настоящий стандарт идентичен стандарту АСТМ Д 7423-09 (2014) "Стандартный метод определения содержания оксигенатов в матрицах углеводородных соединений C
2, C
3, C
4 и C
5 методом газовой хроматографии с использованием пламенно-ионизационного детектора" (ASTM D 7423-09 (2014) "Standard test method for determination of oxygenates in C
2, C
3, C
4 and C
5 hydrocarbon matrices by gas chromatography and flame ionization detection").
Наименование настоящего стандарта изменено относительно наименования указанного стандарта АСТМ для приведения в соответствие с ГОСТ Р 1.5-2012
(подраздел 3.5).
При применении настоящего стандарта рекомендуется использовать вместо ссылочных стандартов соответствующие им национальные стандарты Российской Федерации, сведения о которых приведены в дополнительном
приложении ДА
5 ВВЕДЕН ВПЕРВЫЕ
Правила применения настоящего стандарта установлены в ГОСТ Р 1.0-2012 (раздел 8). Информация об изменениях к настоящему стандарту публикуется в ежегодном (по состоянию на 1 января текущего года) информационном указателе "Национальные стандарты", а официальный текст изменений и поправок - в ежемесячном издаваемом информационном указателе "Национальные стандарты". В случае пересмотра (замены) или отмены настоящего стандарта соответствующее уведомление будет опубликовано в ближайшем выпуске ежемесячного информационного указателя "Национальные стандарты". Соответствующая информация, уведомление и тексты размещаются также в информационной системе общего пользования - на официальном сайте Федерального агентства по техническому регулированию и метрологии в сети Интернет (www.gost.ru)
1.1 Настоящий стандарт устанавливает метод определения содержания органических оксигенатов в углеводородах C
2 - C
5 методом многомерной газовой хроматографии с пламенно-ионизационным детектором. Настоящий метод используют для углеводородов с температурой конца кипения не выше 200 °C. В
таблице 1 приведены основные определяемые оксигенаты. Линейный рабочий диапазон определения концентраций оксигенатов составляет от 0,50 до 100 мг/кг.
1.2 Настоящий метод испытаний используют для определения массовой доли каждого оксигената в углеводородных соединениях. Для идентификации оксигената используют эталонные стандарты и порядок элюирования из колонки.
1.3 Значения, указанные в единицах СИ, считаются стандартными.
1.4 В настоящем стандарте не предусмотрено рассмотрение всех вопросов обеспечения безопасности, связанных с его применением. Пользователь настоящего стандарта несет ответственность за установление соответствующих правил по технике безопасности и охране здоровья, а также определяет целесообразность применения законодательных ограничений перед его использованием.
В настоящем стандарте использованы нормативные ссылки на следующие стандарты:
2.1 Стандарты АСТМ <1>
--------------------------------
<1> Уточнить ссылки на стандарты АСТМ можно на сайте АСТМ, www.astm.org или в службе поддержки клиентов АСТМ: service@astm.org. В информационном томе ежегодного сборника стандартов (Annual Book of ASTM Standards) следует обращаться к сводке стандартов ежегодного сборника стандартов на странице сайта.
АСТМ Д 1265 Стандартная практика отбора проб сжиженных углеводородных (LP) газов, ручной метод [ASTM D 1265, Standard practice for sampling liquefied petroleum (LP) gases, manual method]
АСТМ Д 1835 Стандартная спецификация на сжиженные углеводородные (LP) газы [ASTM D 1835, Standard specification for liquefied petroleum (LP) gases]
АСТМ Д 4175 Стандартная терминология, относящаяся к нефти, нефтепродуктам и смазочным материалам (ASTM D 4175, Standard terminology relating to petroleum, petroleum products and lubricants)
АСТМ Д 6299 Стандартная практика применения статистических методов для обеспечения качества и графиков для оценки работы измерительных систем (ASTM D 6299, Standard practice for applying statistical quality assurance and control charting techniques to evaluate analytical measurement system performance)
АСТМ Д 6849 Стандартная практика хранения и использования образцов сжиженных углеводородных газов (LPG) в пробоотборниках для методов испытаний LPG [ASTM D 6849, Standard practice for storage and use of liquefied petroleum gases (LPG) in sample cylinders for LPG test methods]
АСТМ Е 355 Стандартная практика по терминам и определениям в газовой хроматографии (ASTM E 355, Standard practice for gas chromatography terms and relationships)
3 Термины, определения и сокращения
3.1 В настоящем стандарте применены термины по АСТМ Е 355, а также следующие термины с соответствующими определениями.
3.2 Определения
3.2.1 сжиженные углеводородные газы; LPG [liquefied petroleum gases (LPG)]: Смесь газообразных углеводородов, преимущественно пропана и бутана, сжиженная при высоком давлении и/или охлаждении для облегчения хранения, транспортирования, погрузки и разгрузки (см. АСТМ Д 4175).
3.2.2 оксигенаты (oxygenates): Беззольные органические соединения, содержащие кислород, такие, как спирт или простой эфир, которые можно использовать в качестве топлива или добавки к топливу (см. АСТМ Д 4175).
3.3 Термины, характерные для настоящего стандарта
3.3.1 метод переключения Дина (Dean's switching method): Метод, в котором аликвота пробы вводится в колонку с использованием крана-дозатора или через делитель потока газового хроматографа. Проба подается в неполярную колонку из которой в аналитическую колонку элюируются более легкие углеводороды в порядке возрастания температур кипения, а более тяжелые углеводороды удаляются обратным потоком в вентиляционную систему. Оксигенаты элюируют из аналитической колонки и обнаруживаются пламенно-ионизационным детектором.
3.3.2 метод переключения Дина с прямым вводом (Dean's switching method with direct inject): Используют кран-дозатор, который напрямую подключается к предколонке. Метод обычно используют для определения оксигенатов в этиленовых и пропиленовых концентратах. Метод обеспечивает самые низкие пределы обнаружения, которые обычно требуются для испытания этиленовых и пропиленовых концентратов.
3.3.3 метод переключения Дина с делением потока (Dean's switching method equipped with a split inlet): Используют кран-дозатор с делением потока для введения пробы в предколонку. Метод используют для определения оксигенатов в смесях углеводородов C5. Метод не обеспечивает достижения нижнего предела обнаружения по настоящему методу испытаний. Для этого используют кран-дозатор с прямым вводом.
3.3.4 метод отсечного клапана (valve cut method): Обычно используется для определения оксигенатов в смесях углеводородов C4. Метод при использовании деления потока не обеспечивает достижения нижнего предела обнаружения по настоящему методу испытаний. Для этого используют кран-дозатор с прямым вводом.
3.3.5 метод отсечного клапана с делением потока (valve cut method equipped with a split inlet): Аликвоту пробы вводят в предколонку, используя кран-дозатор с делением потока. Пробу подают в неполярную колонку, из которой в аналитическую колонку элюируются более легкие углеводороды в порядке возрастания температур кипения, а более тяжелые углеводороды удаляются в атмосферу. Кислородсодержащие соединения элюируют из аналитической колонки и обнаруживаются пламенно-ионизационным детектором.
3.4 Сокращения
3.4.1 DIPE - диизопропиловый эфир.
3.4.2 ETBE - этил-трет-бутиловый эфир.
3.4.3 MEK - бутанон-2.
3.4.4 MTBE - метил-трет-бутиловый эфир.
3.4.5 TAME - метил-трет-амиловый эфир.
3.4.6 PLOT - открытая капиллярная колонка с пористым слоем на стенках.
3.4.7 WCOT - открытая капиллярная колонка с неподвижной фазой, нанесенной на внутреннюю поверхность.
4.1 При испытании используют метод переключения Дина или метод отсечного клапана. Для введения пробы в предколонку используют кран-дозатор с делением потока или с прямым вводом. Кран-дозатор при прямом вводе пробы в колонку должен быть присоединен непосредственно к предколонке.
4.2 Измеряют отклик детектора и время удерживания пика каждого оксигената в калибровочном стандарте и используют для внешней калибровки отклика пламенно-ионизационного детектора. Содержание каждого оксигената вычисляют методом внешнего стандарта. Калибровочные вещества приведены в таблице 1.
Таблица 1
Оксигенаты и типичные времена удерживания
Наименование оксигената | Время удерживания, мин |
Диметиловый эфир | 6,18 |
Диэтиловый эфир | 8,44 |
Ацетальдегид | 8,89 |
Этил-трет-бутиловый эфир | 10,66 |
Метил-трет-бутиловый эфир (MTBE) | 10,92 |
Диизопропиловый эфир | 11,22 |
Пропиональдегид (пропаналь) | 12,00 |
Метил-трет-амиловый эфир (TAME) | 13,19 |
Дипропиловый эфир | 14,00 |
Изобутилальдегид | 14,10 |
Бутилальдегид | 14,50 |
Метанол | 14,91 |
Ацетон | 15,39 |
Изовалериановый альдегид | 16,00 |
Валериановый альдегид | 16,10 |
Бутанон-2 (метилэтилкетон) | 17,14 |
Этанол | 17,51 |
н-Пропиловый спирт и изопропанол | 19,20 (совместное элюирование) |
Аллиловый спирт | 20,00 |
Изобутанол, трет-бутиловый спирт, втор-бутанол | 20,24 (совместное элюирование) |
н-Бутанол | 20,84 |
5 Назначение и применение
Определение оксигенатов играет важную роль для производства этилена, пропилена, бутадиена-1,3, углеводородов C4 и C5. В этих углеводородах в качестве примесей содержатся спирты, простые эфиры, альдегиды и кетоны. Кислородсодержащие соединения снижают активность катализатора в процессах последующей полимеризации.
6.1 Газовый хроматограф
Используют любой газовый хроматограф, оборудованный пламенно-ионизационным детектором (FID) с чувствительностью 0,01 мг/кг. Газовый хроматограф должен обеспечивать линейное регулирование температуры термостатируемой капиллярной колонки от 50 °C до 320 °C. Газовый хроматограф должен обеспечивать контроль нескольких положений крана-дозатора. Регуляторы расхода газа-носителя и/или электронные модули управления давления должны точно контролировать низкие скорости потока (см.
таблицу 2). Приборы контроля давления и манометры должны обеспечивать точный контроль давления. Скорость повышения температуры должна быть повторяемой с точностью до 0,1 °C и обеспечивать значение повторяемости времени удерживания 0,05 мин при выполнении температурной программы.
6.2 Подготовка газа-носителя
6.2.1 Влага, присутствующая в газе-носителе, вызывает проблемы при хроматографировании. Колонка для определения оксигенатов имеет высокую удерживающую способность. Благодаря этой особенности влага и примеси, присутствующие в газе-носителе, задерживаются в начале колонки. Поэтому следует использовать фильтры или любые устройства для удаления следов кислорода и воды.
Таблица 2
Условия работы хроматографа
Параметр | | | |
Кран 1, температура, °C | Температура окружающей среды | Температура окружающей среды | Температура окружающей среды |
Кран 1, объем пробы, мкл | 2 | 2 | 2 |
Кран 2, температура, °C | 150 | 150 | 150 |
Кран 2, объем пробы, мкл - мл | 500 - 2 | 500 - 2 | 500 - 2 |
Инжектор, °C | Не применяют | 250 | 250 |
Деление потока | Не применяют | | |
Промывка обратным потоком, мин | 2,0 - 4,0 | 2,0 - 4,0 | 2,0 - 4,0 |
Температура термостата колонки в состоянии готовности, °C | 200 | 200 | 200 |
Начальная температура термостата колонки, °C | 50 | 50 | 50 |
Время выдерживания, мин | 5 | 5 | 5 |
Скорость подъема температуры, °C/мин | 10 | 10 | 10 |
Конечная температура термостата колонки, °C | 240 | 240 | 220 |
Время выдерживания при конечной температуре, мин | 5 | 5 | 5 |
Скорость потока в предколонке, мл/мин | 5 | 5 | 5 |
Скорость потока в аналитической колонке, мл/мин | 7 | 7 | 7 |
Скорость потока в игольчатом клапане 1, мл/мин | 15 | 15 | Не применяют |
Скорость потока в игольчатом клапане 2, мл/мин | 6 | 6 | Не применяют |
Температура детектора, °C | 300 | 300 | 300 |
Диапазон детектора | | | |
<A> Соотношение деления потока устанавливают экспериментально с использованием соответствующих стандартов, подготовленных гравиметрически, для получения необходимых требований по обнаружению. <B> Регулируют диапазоны параметров детектора, обеспечивающие достаточное напряжение для обнаружения незначительных концентраций каждого оксигената, без насыщения сигнала детектора. |
Для повышения эффективности работы колонки может потребоваться более частое и длительное ее кондиционирование.
6.2.2 Газ-носитель фильтруют через молекулярные сита для поглощения кислорода и влаги.
6.3 Колонки
6.3.1 Предколонка (неполярная колонка)
В предколонке осуществляется предварительное отделение легкой углеводородной фракции до метил-трет-амилового эфира включительно. Можно использовать любую колонку с эквивалентной или большей эффективностью и хроматографической селективностью в соответствии с 6.3.2.
6.3.2 WCOT - кварцевая колонка длиной 25 м, внутренним диаметром 0,53 мм с толщиной пленки неподвижной фазы из сшитого метилсилоксана 1,0 мкм. Аналогичную колонку использовали для определения повторяемости, приведенной в
разделе 16.
6.4 Полярная (аналитическая) колонка
В этой колонке осуществляется разделение оксигенатов и летучих углеводородов с таким же диапазоном температур кипения. Остальные углеводороды продувают обратным потоком газа-носителя через неполярную колонку. Можно использовать любую колонку с эквивалентной или большей эффективностью и хроматографической селективностью в соответствии с 6.4.1.
6.4.1 PLOT - кварцевая колонка длиной 10 м, внутренним диаметром 0,53 мм с неподвижной фазой из адсорбирующей смеси сульфата бария. Колонка должна удерживать метанол, который должен элюировать после
н-тридекана (RI > 1300), и эффективно разделять оксигенаты, приведенные в
таблице 1, с получением точных количественных результатов, эквивалентных приведенным в
разделе 16. Аналогичную колонку использовали для определения повторяемости, приведенной в
разделе 16.
6.5 Ввод пробы
6.5.1 Переключающий кран
Кран с рабочей температурой 225 °C и рабочим давлением 27,57 бар должен находиться в нагретом корпусе или в термостате. Кран должен быть небольшого объема и не оказывать влияния на качество хроматографического разделения.
6.5.2 Кран для проб в жидком состоянии
Кран с рабочей температурой 75 °C и рабочим давлением 68,94 бар, расположенный вне термостата, используют для проб концентратов пропана, бутана или других сжиженных углеводородных газов. Повторяемость испытания зависит от стабильности давления в пробоотборнике. Рекомендуется использовать пробоотборник с плавающим поршнем. Проба перед отбором должна быть под давлением на 13,78 бар выше давления насыщенных паров образца.
6.5.3 Пробы в жидком состоянии при низком давлении
Для ввода проб в жидком состоянии при низком давлении паров, таких как концентраты C5, можно использовать переходную насадку для шприца.
6.5.4 Кран для пробы в газообразном состоянии под низким давлением
Кран с рабочей температурой 225 °C и рабочим давлением в 27,57 бар помещают в нагретый корпус, в котором поддерживается температура примерно 150 °C, и используют для ввода паров пробы этилена. На кране должен быть установлен петлевой дозатор вместимостью 1000 мкл. Объем пробы при использовании петлевого дозатора вычисляют экспериментально для обеспечения требуемых пределов обнаружения. Такой кран должен воспроизводить относительное стандартное отклонение по каждому компоненту с точностью до 5%.
6.5.5 Нагревать кран-дозатор можно любым устройством, обеспечивающим поддержание температуры петлевого дозатора и крана 150 °C.
6.5.6 Соединительные тройники
Можно использовать любые тройники из инертного материала.
6.5.7 Трубки
Можно использовать трубки из любого инертного материала.
6.5.8 Игольчатый клапан
Можно использовать микроклапан, обеспечивающий контроль потока от 2 до 90 мл/мин.
6.6 Устройство сбора данных
Можно использовать компьютерную систему сбора данных для интегрирования площади пика и графического представления хроматограммы. Альтернативно можно использовать любую интеграционную систему.
7.1 Чистота реактивов
Перед подготовкой калибровочных стандартов следует определить чистоту оксигенатов и провести корректировку с учетом примесей. Следует использовать реактивы чистотой не менее 98%. Калибровочные материалы приведены в
таблице 1.
7.2 Стандартная калибровочная смесь
Стандартную смесь с известным содержанием каждого оксигената, приведенного в
таблице 1, готовят гравиметрическим методом. Такую смесь используют в качестве внешнего стандарта при калибровке.
7.3 Сжатый водород
В качестве топливного газа для FID используют сжатый водород, содержащий не более 1 мг/кг примесей углеводородов.
7.4 Сжатый гелий
Используют гелий чистотой 99,999%. Следует учитывать, что гелий часто содержит следовые количества воды. Вода может резко ухудшить производительность аналитической колонки (колонки для оксигенатов). Для исключения загрязнения аналитической колонки кислородом или водой следует использовать молекулярные сита или другую систему, пригодную для удаления воды.
7.5 Сжатый воздух
Нуль-газ чистотой 99,999%.
7.6 Воздух для пневмопривода
Сжатый воздух для пневматического привода клапанов.
Отобранная проба должна быть представительной. Пробы отбирают из хранилища или трубопровода по АСТМ Д 1265, АСТМ Д 1835, АСТМ Д 6849 или аналогичным стандартам.
9 Установка фильтра для газа-носителя
9.1 Газ-носитель предварительно очищают от кислорода и воды.
9.2 На линии ввода газа-носителя в газовом хроматографе устанавливают фильтры, поглощающие кислород и воду. Можно использовать любой фильтр, ловушку или поглощающее устройство для удаления кислорода и воды из газа-носителя.
10 Подготовка аппаратуры и условия кондиционирования
10.1 Настраивают газовый хроматограф в соответствии с инструкциями изготовителя. Устанавливают параметры в соответствии с
таблицей 2.
10.2 Установка колонки
10.2.1 Устанавливают колонки, трубки и краны, как показано на
рисунках 1 -
3. Подключают к колонке подачу газа-носителя с низким давлением.
(Предупреждение - Следует избегать скачков давления, особенно при использовании электронного контроля давления потока. При установлении скорости потока увеличивают давление примерно по 10 кПа/с во время его проверки).
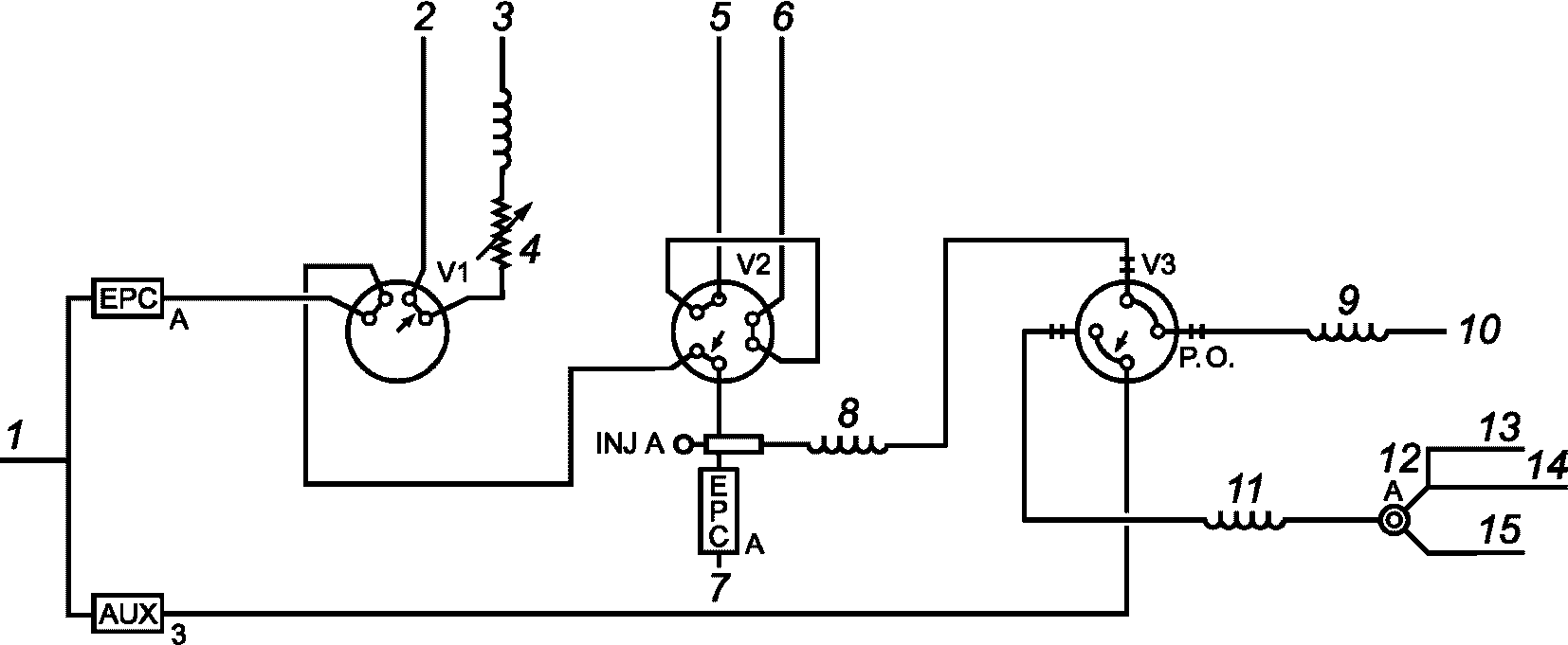
1 - подача гелия; 2 - ввод пробы в жидком состоянии;
3 - выход пробы в жидком состоянии; 4 - игольчатый
клапан N 1; 5 - ввод пробы в газообразном состоянии;
6 - выход пробы в газообразном состоянии; 7 - игольчатый
клапан N 3; 8 - двухходовой электромагнитный клапан;
9 - предколонка; 10 - аналитическая капиллярная колонка
для оксигенатов; 11 - FID детектор; 12 - трехходовой
электромагнитный клапан; 13 - игольчатый клапан N 2;
14 - вспомогательный газ; 15 - водород; 16 - подача воздуха
Рисунок 1 - Схема аппаратуры для определения низкого
содержания оксигенатов с помощью многомерной хроматографии
(метод переключения Дина с прямым вводом)
1 - подача гелия; 2 - ввод пробы в жидком состоянии;
3 - выход пробы в жидком состоянии; 4 - игольчатый
клапан N 1; 5 - ввод пробы в газообразном состоянии;
6 - выход пробы в газообразном состоянии; 7 - игольчатый
клапан N 3; 8 - двухходовой электромагнитный клапан;
9 - выход; 10 - предколонка; 11 - аналитическая колонка
для оксигенатов; 12 - FID детектор; 13 - трехходовой
электромагнитный клапан; 14 - игольчатый клапан N 2;
15 - вспомогательный газ; 16 - водород; 17 - подача воздуха
Рисунок 2 - Схема аппаратуры для определения низкого
содержания оксигенатов с помощью многомерной хроматографии
(метод переключения Дина с делением потока)
1 - подача гелия; 2 - ввод пробы в жидком состоянии;
3 - выход пробы в жидком состоянии; 4 - игольчатый
клапан N 1; 5 - ввод пробы в газообразном состоянии;
6 - выход пробы в газообразном состоянии; 7, 10 - выход;
8 - предколонка; 9 - пустая кварцевая колонка
для ограничения скорости потока; 11 - аналитическая
капиллярная колонка для оксигенатов; 12 - FID детектор;
13 - вспомогательный газ; 14 - водород; 15 - подача воздуха
Рисунок 3 - Схема аппаратуры для определения низкого
содержания оксигенатов с помощью многомерной хроматографии
(метод отсечного клапана)
10.2.2 Кондиционируют колонку в течение 16 ч при включенном потоке газа-носителя с мультициклическим программированием повышения температуры от 50 °C до 100 °C в течение 1 ч, с последующим увеличением скорости подъема температуры от 10 °C/мин до 320 °C/мин.
10.3 Метод переключения Дина с прямым вводом или делением потока - установка расхода
Схема системы переключения потоков по методу Дина приведена на
рисунке 1. Доводят температуру термостата колонки до 50 °C. Устанавливают двухходовой клапан в положение "выключено", исключая возможность продувки системы обратным потоком через игольчатый клапан N 1. Устанавливают трехходовой электромагнитный клапан в положение "включено", позволяя потоку газа-носителя проходить по вторичному контуру через игольчатый клапан N 2. Устанавливают скорость потока на игольчатом клапане N 2 - 7 мл/мин. Измеряют скорость потока на выходе FID. Регулируют основной регулятор массового расхода (EPC A) до скорости потока приблизительно (5,0 +/- 0,5) мл/мин. Устанавливают трехходовой электромагнитный клапан в положение "выключено" и регулируют автоматический регулятор потока газа-носителя вторичного контура (Aux 3) для получения суммарной скорости потока на выходе FID - 12 мл/мин. Переводят двухходовой электромагнитный клапан в положение "включено" и устанавливают игольчатый клапан продувки обратным потоком N 1 на скорость потока 15 мл/мин. Переводят двухходовой электромагнитный клапан в положение "выключено". Включают потоки газов детектора и зажигают пламя FID.
10.4 Метод переключения Дина с прямым вводом или делением потока - определение времени продувки обратным потоком
10.4.1 Сначала устанавливают двухходовой клапан на продувку обратным потоком в течение 4,0 мин. Переводят двухходовой клапан в положение "выключено" и вводят аликвоту смеси, содержащей не менее 50 мг/кг TAME. Проверяют, чтобы время удерживания TAME составляло примерно 13 мин. Экспериментально определяют время, необходимое для полного элюирования TAME за счет сокращения времени обратной продувки, с шагом по 0,2 мин до каждого последующего ввода. Устанавливают двухходовой клапан продувки обратным потоком на время, необходимое для полного элюирования TAME. Хроматограмма должна выглядеть приблизительно так, как показано на рисунке 4.
1 - диметиловый эфир (6,18 мин); 2 - диэтиловый эфир
(8,44 мин); 3 - ацетальдегид (8,89 мин);
4 - ETBE (10,66 мин); 5 - MTBE (10,92 мин);
6 - DIPE (11,22 мин); 7 - TAME (13,19 мин);
8 - метанол (14,91 мин); 9 - ацетон (15,39 мин);
10 - метилэтилкетон (17,14 мин); 11 - этанол (17,51 мин);
12 - н-пропиловый спирт и изопропанол (19,20 мин);
13 - изобутанол, трет-бутиловый спирт и втор-бутанол
(20,24 мин); 14 - н-бутанол (20,84 мин)
Рисунок 4 - Типичная хроматограмма оксигенатов
10.5 Метод отсечного клапана - установка расхода
Конфигурация системы переключения потоков по методу отсечного клапана приведена на
рисунке 3. Доводят температуру термостата колонки до 50 °C. Устанавливают клапан N 3 в положение "выключено", переводя систему на прямой поток. Поток из предколонки должен выходить через клапан N 3. Измеряют скорости потоков на выходе FID. Устанавливают вторичный регулятор массового расхода (Aux B) на скорость потока 8 мл/мин. Переводят клапан N 3 в положение "включено". Устанавливают основной регулятор массового расхода (Aux A) для получения суммарной скорости потока 12 мл/мин. Переводят клапан N 3 в положение "выключено". Включают потоки газов для детектора и зажигают пламя FID.
10.6 Метод отсечного клапана - определение времени продувки обратным потоком
Конфигурация системы переключения потоков по методу отсечного клапана приведена на
рисунке 3. Сначала устанавливают клапан N 3 на продувку обратным потоком в течение 4,0 мин. Вводят аликвоту смеси, содержащей не менее 50 мг/кг TAME, и проверяют наличие пика TAME примерно на (13 +/- 1) мин. Экспериментально определяют время, необходимое для полного элюирования TAME, сокращая время обратного продувания на 0,2 мин до каждого последующего ввода. Устанавливают клапан N 3 на продувание обратным потоком на время, необходимое для полного элюирования TAME. Для проверки условий работы системы следует проанализировать смесь, содержащую все необходимые оксигенаты (см.
таблицу 1). Хроматограмма должна выглядеть приблизительно так, как показано на
рисунке 4.
11 Калибровка и стандартизация
11.1 Идентификация
Определяют время удерживания каждого оксигената путем введения известных калибровочных смесей и записывают время удерживания каждого оксигената. Типичные значения времен удерживания приведены в
таблице 1.
11.2 Хроматографический анализ
Вводят представительную аликвоту калибровочной смеси или образца в газовый хроматограф. Включают регистрирующие и интегрирующие устройства синхронно с введением образца. Получают хроматограмму и/или отчет интеграции пиков, в которых будут отображаться время удерживания и интегрированная площадь пика каждого обнаруженного оксигената.
11.3 Интерпретация хроматограммы
Для идентификации каждого оксигената сравнивают время удерживания компонентов пробы с результатами калибровки.
11.4 Для калибровки вводят пробу калибровочной смеси с известным содержанием определяемых оксигенатов в газовый хроматограф и снимают показания пламенно-ионизационного детектора.
11.5 Вычисляют коэффициент чувствительности детектора по площади или высоте пика. Вычисляют коэффициент отклика для каждого оксигената по результатам нескольких анализов. Предполагается, что среднеарифметическое значение результатов трех вводов пробы можно использовать для вычисления коэффициента отклика. Вычисляют коэффициент отклика по формуле

(1)
12.1 Отбор проб сжиженного углеводородного газа с использованием крана-дозатора Valco для ввода проб в жидком состоянии
12.1.1 При испытании пробы в пробоотборном цилиндре без поршня очищают кран цилиндра до подключения к системе ввода проб газового хроматографа. Для удаления влаги или твердых частиц в вытяжном шкафу переворачивают цилиндр и выпускают небольшую аликвоту образца через кран цилиндра. Перед подключением к системе ввода проб газового хроматографа повышают давление в цилиндре с помощью гелия или азота.
12.1.2 Соединяют пробоотборник с трубкой крана ввода пробы. Закрывают кран выпуска пробы. Открывают кран пробоотборника и позволяют образцу в жидком состоянии заполнить линию. Медленно открывают и закрывают выпускной кран и позволяют образцу полностью промыть пробоотборную линию. Включают пробоотборный кран газового хроматографа для ввода пробы в предколонку после выравнивания давления.
12.2 Отбор проб газа под низким давлением с использованием крана-дозатора Valco для ввода проб в газообразном состоянии
Продувают пробоотборную петлю крана-дозатора для проб предварительно испаренным образцом при постоянном и контролируемом атмосферном давлении. Включают кран-дозатор для ввода пробы в предколонку газового хроматографа после выравнивания давления в пробоотборной петле крана-дозатора и в линии подачи пробы с атмосферным давлением.
Вычисляют содержание каждого оксигената по формуле
Содержание оксигената X = (Коэффициент отклика для оксигената X) x (Площадь пика оксигената X). (2)
В протоколе испытаний указывают содержание индивидуальных оксигенатов в пробе (мг/кг), округленное с точностью до 0,1 мг/кг.
15.1 Проверяют удовлетворительность работы прибора и методики ежедневным проведением анализа образца контроля качества.
15.2 Если в испытательной лаборатории для прибора установлены протоколы контроля качества/обеспечения качества (QC/QA), их можно использовать для контроля достоверности результатов испытаний. Дополнительная информация приведена в
приложении X1.
16 Прецизионность и смещение
16.1 В связи с недостаточным количеством образцов для повторных испытаний проб в соответствии с требованиями АСТМ, невозможно установить полную прецизионность метода.
16.2 Временное стандартное отклонение повторяемости определения оксигенатов приведено в таблице 3. Значения установлены на одном стандартном образце н-бутана, содержащем оксигенаты, который проанализировали 21 раз в одной лаборатории в течение тридцати дней. Временное стандартное отклонение повторяемости было установлено с использованием абсолютных среднеарифметических значений повторных испытаний образца.
Таблица 3
Повторяемость определения оксигенатов
Наименование | Повторяемость, % относительного стандартного отклонения | Содержание, мг/кг |
Диметиловый эфир | 13,0 | 25,2 |
Диэтиловый эфир | 5,0 | 1,4 |
Ацетальдегид | 3,0 | 2,0 |
Этил-трет-бутиловый эфир | 5,0 | 5,9 |
Метил-трет-бутиловый эфир (MTBE) | 2,0 | 6,4 |
Диизопропиловый эфир | 2,0 | 2,3 |
Метил-трет-амиловый эфир (TAME) | 1,0 | 6,1 |
Метанол | 3,0 | 4,5 |
Ацетон | 1,0 | 3,9 |
Бутанон-2 (метилэтилкетон) | 3,0 | 3,6 |
Этанол | 2,0 | 4,9 |
н-Пропиловый спирт и изопропанол | 2,0 | (Совместное элюирование) 4,7; 4,7 |
Изобутанол, трет-бутиловый спирт, втор-бутанол | 2,0 | (Совместное элюирование) 5,0; 5,0; 5,0 |
н-Бутанол | 3,0 | 5,5 |
16.3 Смещение
Смещение не установлено, т.к. отсутствуют стандартные образцы, пригодные для определения смещения настоящего метода.
(справочное)
ПРОТОКОЛ КОНТРОЛЯ КАЧЕСТВА
X1.1 Проверяют и контролируют стабильность и точность прибора, регулярно анализируя образцы контроля качества (QC).
X1.1.1 Тип используемого образца QC должен быть идентичен анализируемому образцу. Следует иметь достаточный запас однородного и стабильного при хранении образца QC на предполагаемый период контроля качества.
X1.1.2 Периодичность испытаний образца QC зависит от критичности анализа, стабильности процедуры испытаний и требований заказчика. Как правило, образец QC анализируют каждый день при проведении испытаний. Периодичность проверки образца QC можно увеличить, если анализируется большое количество образцов. При подтверждении процесса стабильности испытаний периодичность проверки образца QC можно снизить.
X1.2 Регистрируют результаты анализа образца QC с помощью контрольных карт или другим статистически эквивалентным методом контроля процесса измерения. Для контроля образца QC и методов построения графиков используют АСТМ Д 6299 и MNL 7A <2>.
--------------------------------
<2> МНЛ 7А Руководство по представлению результатов анализа данных и контрольных карт, 7-е издание, АСТМ (MNL 7A, Manual on presentation of data and control chart analysis, 7th edition, ASTM International, 2002).
X1.2.1 Перед использованием контрольной карты образца QC для оценки стабильности процесса измерения и статистического контроля пользователь метода должен иметь не менее 15 подходящих измерений для вычисления среднеарифметического значения и контрольных пределов для образца QC.
X1.2.2 Следует анализировать любой результат измерения образца QC вне контрольных пределов для установления причины отклонения. По результатам анализа возможна калибровка прибора и другие корректирующие процедуры.
X1.2.3 Сравнивают повторяемость для образца QC с приведенной прецизионностью по настоящему стандарту.
(справочное)
СВЕДЕНИЯ О СООТВЕТСТВИИ ССЫЛОЧНЫХ СТАНДАРТОВ АСТМ
НАЦИОНАЛЬНЫМ СТАНДАРТАМ РОССИЙСКОЙ ФЕДЕРАЦИИ
Таблица ДА.1
Обозначение ссылочного стандарта АСТМ | Степень соответствия | Обозначение и наименование соответствующего национального стандарта |
АСТМ Д 1265-11 | - | |
АСТМ Д 1835-13 | - | |
АСТМ Д 4175-14 | - | |
АСТМ Д 6299-13 | - | |
АСТМ Д 6849-13 | - | |
АСТМ Е 355-96 (2014) | - | |
<*> Соответствующий национальный стандарт отсутствует. До его утверждения рекомендуется использовать перевод на русский язык данного стандарта АСТМ. Перевод данного стандарта АСТМ находится в Федеральном информационном фонде технических регламентов и стандартов. |