Главная // Актуальные документы // ГОСТ Р (Государственный стандарт)
СПРАВКА
Источник публикации
М.: Стандартинформ, 2015
Примечание к документу
Документ введен в действие с 1 июля 2016 года.
Название документа
"ГОСТ Р 56434-2015. Национальный стандарт Российской Федерации. Оборудование для спортивных игр. Оборудование баскетбольное. Функциональные требования, требования безопасности и методы испытаний"
(утв. и введен в действие Приказом Росстандарта от 15.06.2015 N 652-ст)

"ГОСТ Р 56434-2015. Национальный стандарт Российской Федерации. Оборудование для спортивных игр. Оборудование баскетбольное. Функциональные требования, требования безопасности и методы испытаний"
(утв. и введен в действие Приказом Росстандарта от 15.06.2015 N 652-ст)


Содержание


Утвержден и введен в действие
Приказом Федерального агентства
по техническому регулированию
и метрологии
от 15 июня 2015 г. N 652-ст
НАЦИОНАЛЬНЫЙ СТАНДАРТ РОССИЙСКОЙ ФЕДЕРАЦИИ
ОБОРУДОВАНИЕ ДЛЯ СПОРТИВНЫХ ИГР
ОБОРУДОВАНИЕ БАСКЕТБОЛЬНОЕ
ФУНКЦИОНАЛЬНЫЕ ТРЕБОВАНИЯ, ТРЕБОВАНИЯ БЕЗОПАСНОСТИ
И МЕТОДЫ ИСПЫТАНИЙ
Equipment for sports games. Basketball equipment. Functional
requirements, safety requirements and test methods
EN 1270:2005
(NEQ)
ГОСТ Р 56434-2015
ОКС 97.220.30
Дата введения
1 июля 2016 года
Предисловие
1. РАЗРАБОТАН Саморегулируемой организацией Некоммерческим партнерством "Отраслевое объединение национальных производителей в сфере физической культуры и спорта "Промспорт" (СРО "Промспорт")
2. ВНЕСЕН Техническим комитетом по стандартизации ТК 444 "Спортивные и туристские изделия, оборудование, инвентарь, физкультурные и спортивные услуги"
3. УТВЕРЖДЕН И ВВЕДЕН В ДЕЙСТВИЕ Приказом Федерального агентства по техническому регулированию и метрологии от 15 июня 2015 г. N 652-ст
4. Настоящий стандарт разработан с учетом основных нормативных положений европейского регионального стандарта ЕН 1270:2005 "Оборудование для спортивных игр. Оборудование баскетбольное. Функциональные требования, требования безопасности и методы испытаний" (EN 1270:2005 "Playing field equipment - Basketball equipment - Functional and safety requirements, test methods", NEQ)
5. ВВЕДЕН ВПЕРВЫЕ
Правила применения настоящего стандарта установлены в ГОСТ Р 1.0-2012 (раздел 8). Информация об изменениях к настоящему стандарту публикуется в ежегодном (по состоянию на 1 января текущего года) информационном указателе "Национальные стандарты", а официальный текст изменений и поправок - в ежемесячном информационном указателе "Национальные стандарты". В случае пересмотра (замены) или отмены настоящего стандарта соответствующее уведомление будет опубликовано в ближайшем выпуске ежемесячного информационного указателя "Национальные стандарты". Соответствующая информация, уведомление и тексты размещаются также в информационной системе общего пользования - на официальном сайте Федерального агентства по техническому регулированию и метрологии в сети Интернет (www.gost.ru)
1. Область применения
Настоящий стандарт распространяется на баскетбольное оборудование классов A - E. Стандарт устанавливает функциональные требования, требования безопасности и методы испытаний баскетбольного оборудования.
Настоящий стандарт не распространяется на баскетбольное оборудование для домашнего использования и на тренировочное баскетбольное оборудование для отработки бросков мяча.
Примечание - Тренировочное баскетбольное оборудование для отработки бросков мяча применяется для обучения забрасывания баскетбольного мяча в корзину.
2. Нормативные ссылки
В настоящем стандарте использованы нормативные ссылки на следующие стандарты:
ГОСТ 380-2005 Сталь углеродистая обыкновенного качества. Марки
ГОСТ 25552-82 Изделия крученые и плетеные. Методы испытаний
Примечание - При пользовании настоящим стандартом целесообразно проверить действие ссылочных стандартов в информационной системе общего пользования - на официальном сайте Федерального агентства по техническому регулированию и метрологии в сети Интернет или по ежегодному информационному указателю "Национальные стандарты", который опубликован по состоянию на 1 января текущего года, и по выпускам ежемесячного информационного указателя "Национальные стандарты" за текущий год. Если заменен ссылочный стандарт, на который дана датированная ссылка, то рекомендуется использовать действующую версию этого стандарта с учетом всех внесенных в данную версию изменений. Если заменен ссылочный стандарт, на который дана датированная ссылка, то рекомендуется использовать версию этого стандарта с указанным выше годом утверждения (принятия). Если после утверждения настоящего стандарта в ссылочный стандарт, на который дана датированная ссылка, внесено изменение, затрагивающее положение, на которое дана ссылка, то это положение рекомендуется применять без учета данного изменения. Если ссылочный стандарт отменен без замены, то положение, в котором дана ссылка на него, рекомендуется применять в части, не затрагивающей эту ссылку.
3. Требования
3.1. Функциональные требования
3.1.1. Классификация баскетбольного оборудования
Баскетбольное оборудование классифицируют по типам и классам.
3.1.1.1. Классификация баскетбольного оборудования по типам приведена в таблице 1.
Таблица 1
Классификация баскетбольного оборудования по типам
Тип
Рисунок
Описание оборудования
1
Свободно стоящее оборудование, габаритные размеры которого 2250 мм и 3250 мм
2
Свободно стоящее оборудование других габаритных размеров
3
Складное оборудование
4
Оборудование, неподвижно закрепленное на стене
5
Оборудование, закрепленное на потолке
6
Оборудование, подвижное, с установочными гильзами
7
Оборудование, неподвижно установленное на полу
8
Оборудование с регулировкой по высоте от 2600 до 3050 мм
3.1.1.2. Классификация баскетбольного оборудования по классам приведена в таблице 2.
Таблица 2
Классификация баскетбольного оборудования по классам
Класс
Ширина свободного пространства под щитом l, мм
A
Не менее 3250
B
Не менее 2250
C
Не менее 1650
D
Не менее 1200
E
600 - 1200
Пример свободного пространства под щитом l представлен на рисунке 1.
l - ширина свободного пространства под щитом
Рисунок 1 - Пример свободного пространства под щитом
3.1.2. Материалы и конструкция
3.1.2.1. Полный комплект баскетбольного оборудования должен состоять из следующих частей:
баскетбольный щит - 1 шт.;
кольцо - 1 шт.;
сетка - 1 шт.;
несущая ферма;
приспособление для обеспечения устойчивости.
3.1.2.2. Высота установки корзины для баскетбольного оборудования классов A - D приведена на рисунке 2 и в таблице 3.
а) Размеры щита 1800 x 1050 мм
б) Размеры щита 1800 x 1200 мм
Рисунок 2 - Высота установки корзины для баскетбольного
оборудования классов A - D
Таблица 3
Высота установки корзины для баскетбольного оборудования
классов A - D
Тип баскетбольного оборудования
Номинальный размер
h1, +/- 6
h2, +/- 6
Размеры баскетбольного щита
1800 x 1050
1800 x 1200
1 - 7
3050
3050
2900
2750
8
3050
2600
2450
2300
2600
3.1.2.3. Размеры и разметка баскетбольного щита приведены на рисунке 3 и в таблице 4.
Примечание - Верхняя сторона кольца находится на уровне верхней краевой линии малого квадрата
Рисунок 3 - Размеры и разметка баскетбольного щита
Таблица 4
Размеры и разметка баскетбольного щита
Размеры баскетбольного щита
Разметка баскетбольного щита
l1
h1
l2
h2
h3
h4
l3
1800
1050
590
450
150
50
50
1800
1200
300
1200
900
-
1100
700
900
600
Все другие
Все другие
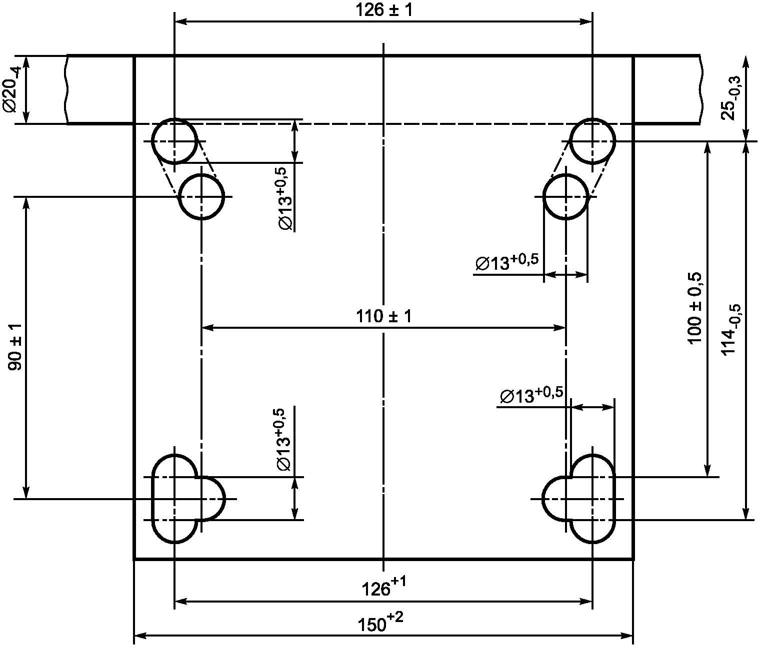
3.1.2.4. Пластина для крепления колец баскетбольного оборудования классов A, B и C приведена на рисунке 4.
Примечание - Требования к креплению колец баскетбольного оборудования классов D и E не установлены.
Рисунок 4 - Пластина для крепления колец баскетбольного
оборудования классов A, B и C
При креплении баскетбольного щита не следует использовать отверстия. Допускаются любые другие способы крепления баскетбольного щита, если выполняются требования безопасности.
3.1.2.5. Размеры баскетбольного кольца приведены на рисунке 5.
1 - пластина крепления кольца
Рисунок 5 - Размеры баскетбольного кольца
3.1.2.6. Баскетбольный щит изготавливают из следующих материалов:
- дерево;
- синтетический или смешанный материал;
- прозрачный синтетический материал;
- безопасное стекло;
- металл.
3.1.2.7. Кольцо и баскетбольный щит должны быть окрашены в контрастные цвета. Рекомендуемые цвета баскетбольных щитов для баскетбольного оборудования класса A представлены в таблице 5.
Таблица 5
Рекомендуемые цвета баскетбольных щитов для баскетбольного
оборудования класса A
Наименование материала
Цвет передней стороны щита
Цвет разметки на передней стороне щита
Дерево
Белый
Черный
Синтетический или смешанный материал
Прозрачный синтетический материал
Прозрачный
Белый
Безопасное стекло
Металл
Белый
Черный
3.1.2.8. Передняя сторона баскетбольного щита, обращенная к игровому полю, должна быть гладкой.
3.1.2.9. Кольцо для баскетбольного оборудования классов A и B
Кольца должны быть изготовлены из углеродистой стали обыкновенного качества марок не ниже Ст2сп, Ст2пс, Ст3пс, Ст3сп по ГОСТ 380.
Цвет кольца должен быть оранжевым.
На нижней стороне кольца должны быть приварены равномерно распределенные 12 элементов для крепления сетки.
3.1.2.10. Сетка для баскетбольного оборудования классов A - D
Нити для плетения сетей, из которых изготовлена сетка, могут быть синтетическими или натуральными.
Сетка должна быть белого цвета.
Сетка должна быть выполнена из нитей для плетения сетей с разрывной нагрузкой не менее 1700 Н в соответствии с ГОСТ 25552.
Нити для плетения сетей должны иметь диаметр не менее 4,5 мм.
Когда сетка закреплена на кольце, она должна свисать вертикально с крюков для крепления сетки. Длина сетки в этом положении 400+50 мм.
Сетка должна быть изготовлена таким образом, чтобы при вбрасывании мяча диаметром 749 - 780 мм он испытывал сопротивление при прохождении сетки, но не застревал. Прохождение мяча через сетку должно быть отчетливо видно.
3.1.2.11. Ферма для баскетбольного оборудования классов A - D
Для баскетбольного оборудования, конструкция которого допускает регулировку по высоте баскетбольного щита с корзиной и сеткой, необходимо установить стопорные приспособления на высоте:
- 3050 мм - для игры в баскетбол;
- 2600 мм - для игры в мини-баскетбол.
После регулировки по высоте размеры по горизонтали от баскетбольного щита до игрового поля не должны изменяться.
3.2. Требования безопасности
3.2.1. Все углы и кромки, расположенные в свободном пространстве зоны игрового поля на высоте до 2900 мм и незащищенные обивкой, должны иметь радиус закругления не менее 3 мм или быть выполнены со скосом.
Углы баскетбольного щита должны быть выполнены со скосом или защищены обивкой.
3.2.2. Кольцо
3.2.2.1. Кольцо должно быть закреплено на ферме таким образом, чтобы усилие, передающееся от кольца, не воздействовало непосредственно на баскетбольный щит (см. приложение А).
3.2.2.2. Пластина для крепления кольца должна быть сконструирована таким образом, чтобы она не выступала за нижний край баскетбольного щита.
3.2.2.3. Кольца с амортизаторами должны соответствовать следующим требованиям:
- между скобой и кольцом не должно быть зазоров, при которых возможно застревание пальцев игрока;
- механизм амортизации должен срабатывать только тогда, когда статическая нагрузка величиной 1050 Н прикладывается к верхней стороне кольца в самой удаленной от баскетбольного щита точке в соответствии с Б.1 приложения Б;
- при срабатывании механизма амортизации не должны появляться зазоры более 8 мм между корпусом механизма амортизации и приспособлением для его крепления в соответствии с Б.1 приложения Б;
- при срабатывании механизма амортизации кольцо не должно отклоняться вниз от исходного горизонтального положения на угол более 30° в соответствии с Б.1 приложения Б;
- величина остаточной деформации при испытаниях кольца с амортизатором в соответствии с Б.2 приложения Б должна быть не более 10 мм.
3.2.2.4. Величина остаточной деформации жестко закрепленного кольца при испытаниях в соответствии с приложением В должна быть не более 10 мм.
3.2.3. Крепление сетки
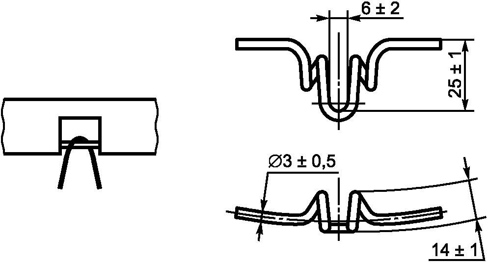
3.2.3.1. Крепление сетки к кольцу должно быть выполнено таким образом, чтобы палец игрока не мог застрять. Зазоры не должны быть более 8 мм. Пример крючков для крепления сетки представлен на рисунке 6.
Рисунок 6 - Пример крючков для крепления сетки
3.2.4. Приспособление для регулировки по высоте и укладки на хранение
3.2.4.1. Приспособление для регулировки по высоте баскетбольного щита и для укладки на хранение должно быть сконструировано таким образом, чтобы воспрепятствовать непреднамеренному изменению регулировки во время эксплуатации.
3.2.4.2. Лицо, которое выполняет регулировку с помощью такого приспособления, должно иметь возможность наблюдать как за механизмом регулировки, так и за баскетбольным щитом во время процесса регулировки.
3.2.5. Обивка
3.2.5.1. Обивка баскетбольных щитов для баскетбольного оборудования классов A и B должна быть выполнена следующим образом:
- обивка должна закрывать нижний край и боковые стороны баскетбольного щита на расстоянии до 350 мм от нижнего края и боковых краев;
- передняя и задняя стороны должны быть закрыты обивкой на расстоянии не менее 20 мм от нижнего края (см. рисунок 7).
3.2.5.2. Требования к наличию обивки на элементах баскетбольного оборудования классов A и B приведены в таблице 6.
Таблица 6
Наличие обивки на элементах баскетбольного оборудования
классов A и B
Тип
Элементы баскетбольного оборудования
Баскетбольный щит
Ферма
Задняя сторона
Стойка
1
X
X
X
2
-
-
(X)
3
(X)
(X)
-
4
-
5
(X)
-
6
-
(X)
7
-
-
(X)
8
-
Примечание - "X" - требование носит обязательный характер, "(X)" - требование носит рекомендательный характер.
3.2.5.3. Обивка стоек должна быть выполнена следующим образом (см. рисунок 7):
- каждая стойка баскетбольного щита, расположенная в пределах 1200 мм за игровой стороной щита, должна иметь обивку на расстоянии не менее 2750 мм от пола;
- для баскетбольного оборудования типа 1 та сторона фермы, которая обращена к свободному пространству в зоне игрового поля, должна иметь обивку на расстоянии 2150 мм от поверхности игрового поля.
Примечание - Для баскетбольного оборудования класса A следует предусмотреть обивку тех сторон стоек, которые, хотя и находятся в зоне свободного пространства, расположены достаточно близко, чтобы представлять потенциально возможную опасность.
Рисунок 7 - Обивка баскетбольных щитов и стоек
3.2.6. Свободное пространство под щитом
Свободное пространство под щитом l должно быть свободно от препятствий.
3.2.7. Прочность
3.2.7.1. При испытаниях на прочность баскетбольного щита по приложению Г после снятия сосредоточенной горизонтальной нагрузки F1 величина остаточного горизонтального отклонения от нулевого положения должна составлять не более 10 мм.
3.2.7.2. При испытаниях на прочность баскетбольного кольца, предназначенного для использования в зале, по приложению Г после снятия сосредоточенной горизонтальной нагрузки F3 величина остаточного горизонтального отклонения от нулевого положения должна составлять не более 10 мм.
3.2.7.3. При испытаниях на прочность баскетбольного кольца, предназначенного для использования на открытом воздухе, по приложению Г после снятия сосредоточенной горизонтальной нагрузки F4 величина остаточного горизонтального отклонения от нулевого положения должна составлять не более 10 мм.
3.2.8. Устойчивость
При испытаниях на устойчивость по приложению Д после снятия сосредоточенной вертикальной нагрузки F2 величина остаточного вертикального отклонения от нулевого положения должна составлять не более 10 мм.
4. Методы испытаний
4.1. Требования в соответствии с разделом 3 проверяют визуально, органолептически или инструментальными методами.
4.2. Визуальный осмотр кольца - по приложению А.
4.3. Испытания кольца с амортизатором - по приложению Б.
4.4. Испытания жестко закрепленного кольца - по приложению В.
4.5. Испытания на прочность - по приложению Г.
4.6. Испытания на устойчивость - по приложению Д.
4.7. По результатам испытаний оформляют отчет или протокол.
5. Инструкция по сборке, монтажу и техническому обслуживанию
Изготовитель вместе с баскетбольным оборудованием должен предоставить инструкцию по сборке, монтажу, регулировке и техническому обслуживанию.
6. Информационная табличка
На оборудовании должна быть закреплена табличка с одной из следующих надписей:
"Баскетбольное оборудование сконструировано исключительно для использования по назначению".
"Не висеть на сетке баскетбольного кольца!".
Примечание - Вместо таблички с текстом возможно использование подходящих графических материалов.
7. Маркировка оборудования
На оборудование должна быть нанесена следующая маркировка:
- обозначение настоящего стандарта;
- наименование или товарный знак изготовителя;
- информационная табличка в соответствии с разделом 6.
Приложение А
(обязательное)
ВИЗУАЛЬНЫЙ ОСМОТР КОЛЬЦА
А.1. Сущность метода
А.1.1. Путем визуальной проверки кольца определяется, воздействует ли передаваемое от кольца усилие непосредственно на баскетбольный щит.
А.1.2. В результате осмотра должно быть установлено, что кольцо закреплено на ферме таким образом, что усилие, передающееся от кольца, не воздействует непосредственно на баскетбольный щит.
Приложение Б
(обязательное)
ИСПЫТАНИЯ КОЛЬЦА С АМОРТИЗАТОРОМ
Б.1. Испытание одной нагрузкой
Б.1.1. Сущность метода
При испытании прикладывают статическую нагрузку величиной (1500 +/- 50) Н к переднему краю кольца в течение (5 +/- 1) с.
В состоянии нагружения кольца регистрируют:
наличие зазоров между корпусом устройства амортизации и приспособлением для крепления кольца более 8 мм;
отклонение кольца на угол более 30°.
После снятия нагрузки проверяют возвращение кольца в исходное положение.
Б.1.2. Аппаратура
Устройство нагружения должно обеспечивать сосредоточенную вертикальную нагрузку F1 величиной (1500 +/- 50) Н в течение (5 +/- 1) с.
Схема приложения нагрузки представлена на рисунке Б.1.
Рисунок Б.1 - Схема приложения нагрузки при испытании кольца
с амортизатором одной нагрузкой
Б.1.3. Процедура
Б.1.3.1. Прикладывают статическую нагрузку величиной (1500 +/- 50) Н к переднему краю кольца в течение (5 +/- 1) с.
Б.1.3.2. В состоянии нагружения кольца регистрируют:
- наличие зазоров между корпусом устройства амортизации и приспособлением для крепления кольца более 8 мм;
- отклонение кольца на угол более 30°.
Б.1.3.3. После снятия нагрузки регистрируют возвращение кольца в исходное положение.
Б.2. Испытание двумя нагрузками
Б.2.1. Сущность метода
При испытании прикладывают статическую нагрузку величиной (1500 +/- 50) Н к переднему краю кольца.
В состоянии нагружения кольца (после отклонения) прикладывают дополнительную нагрузку величиной (2400 +/- 50) Н в течение (60 +/- 1) с.
После снятия нагрузки регистрируют остаточную деформацию величиной более 10 мм, а также наличие повреждений, в т.ч. трещин, поломок, ослабления соединений и связей.
Б.2.2. Аппаратура
Устройство нагружения должно обеспечивать сосредоточенную вертикальную нагрузку F1 величиной (1050 +/- 50) Н, а затем после отклонения кольца сосредоточенную вертикальную нагрузку F2 величиной (2400 +/- 50) Н в течение (60 +/- 1) с к переднему краю кольца.
Схема приложения нагрузки представлена на рисунке Б.2.
Рисунок Б.2 - Схема приложения нагрузки при испытании кольца
с амортизатором двумя нагрузками
Б.2.3. Процедура
Б.2.3.1. При испытании кольца с амортизатором прикладывают статическую нагрузку F1 величиной (1050 +/- 50) Н к переднему краю кольца. В состоянии нагружения кольца (после отклонения) прикладывают дополнительную нагрузку F2 величиной (2400 +/- 50) Н в течение (60 +/- 1) с.
Б.2.3.2. После снятия нагрузки регистрируют остаточную деформацию величиной более 10 мм, а также наличие повреждений, в т.ч. трещин, поломок, ослабления соединений и связей.
Приложение В
(обязательное)
ИСПЫТАНИЯ ЖЕСТКО ЗАКРЕПЛЕННОГО КОЛЬЦА
В.1. Сущность метода
При испытании жестко закрепленного кольца прикладывают статическую нагрузку величиной (2400 +/- 50) Н к переднему краю кольца в течение (60 +/- 1) с.
После снятия нагрузки регистрируют остаточную деформацию величиной более 10 мм, а также наличие повреждений, в т.ч. трещин, поломок, ослабления соединений и связей.
В.2. Аппаратура
Устройство нагружения должно обеспечивать сосредоточенную вертикальную нагрузку F2 величиной (2400 +/- 50) Н в течение (60 +/- 1) с, прикладываемую к переднему краю кольца.
Схема приложения нагрузки приведена на рисунке В.1.
Рисунок В.1 - Схема приложения нагрузки к жестко
закрепленному кольцу
В.3. Процедура
В.3.1. Прикладывают статическую нагрузку F2 величиной (2400 +/- 50) Н в течение (60 +/- 1) с.
В.3.2. После снятия нагрузки регистрируют остаточную деформацию величиной более 10 мм, а также наличие повреждений, в т.ч. трещин, поломок, ослабления соединений и связей.
Приложение Г
(обязательное)
ИСПЫТАНИЯ НА ПРОЧНОСТЬ БАСКЕТБОЛЬНОГО ОБОРУДОВАНИЯ
Г.1. Сущность метода
При испытаниях в зависимости от типа баскетбольного оборудования прикладывают сосредоточенную горизонтальную нагрузку (см. таблицу Г.1):
- F1 величиной (900 +/- 20) Н в течение (60 +/- 5) с - к щиту;
- F3 величиной (900 +/- 20) Н в течение (60 +/- 5) с - к корзине оборудования, установленного в залах;
- F4 величиной (1000 +/- 20) Н в течение (60 +/- 5) с - к корзине оборудования, установленного на открытом воздухе.
Таблица Г.1
Прикладываемые нагрузки в зависимости от типа баскетбольного
оборудования
Тип
Нагрузка F1
Нагрузка F3
Нагрузка F4
1
X
X
2
(X)
X
3
4
5
X
-
6
-
X
7
8
(X)
Примечание - "X" - прикладывание нагрузки носит обязательный характер, "(X)" - прикладывание нагрузки носит рекомендательный характер.
После снятия нагрузки осматривают щит и корзину и регистрируют все остаточные деформации.
На оборудовании не должно быть повреждений, в т.ч. трещин, поломок, чрезмерных остаточных деформаций, ослабления соединений и связей.
Г.2. Аппаратура
Устройство нагружения должно обеспечивать:
- сосредоточенную горизонтальную нагрузку F1 величиной (900 +/- 20) Н, прикладываемую к щиту, в течение (60 +/- 5) с;
- сосредоточенную горизонтальную нагрузку F3 величиной (900 +/- 20) Н, прикладываемую к корзине, в течение (60 +/- 5) с для оборудования, установленного в залах;
- сосредоточенную горизонтальную нагрузку F3 величиной (100 +/- 20) Н, прикладываемую к корзине, в течение (60 +/- 5) с для оборудования, установленного на открытом воздухе.
Схема приложения нагрузок приведена на рисунке Г.1.
Рисунок Г.1 - Схема приложения нагрузок при испытаниях
на прочность баскетбольного оборудования
Г.3. Процедура
ИС МЕГАНОРМ: примечание.
В официальном тексте документа, видимо, допущена опечатка: имеется в виду таблица Г.1, а не таблица Д.1.
Г.3.1. При испытаниях в зависимости от типа баскетбольного оборудования прикладывают сосредоточенную горизонтальную нагрузку (см. таблицу Д.1):
- F1 величиной (900 +/- 20) Н в течение (60 +/- 5) с - к щиту;
- F3 величиной (900 +/- 20) Н в течение (60 +/- 5) с - к корзине оборудования, установленного в залах;
- F4 величиной (1000 +/- 20) Н в течение (60 +/- 5) с - к корзине оборудования, установленного на открытом воздухе.
Г.3.2. После снятия нагрузки осматривают щит и корзину и регистрируют все остаточные деформации.
На оборудовании не должно быть повреждений, в т.ч. трещин, поломок, чрезмерных остаточных деформаций, ослабления соединений и связей.
Приложение Д
(обязательное)
ИСПЫТАНИЯ НА УСТОЙЧИВОСТЬ
Д.1. Сущность метода
При испытаниях на устойчивость к середине щита баскетбольного оборудования всех типов прикладывают сосредоточенную вертикальную нагрузку F2 величиной (3200 +/- 50) Н в течение (60 +/- 5) с.
В процессе испытаний регистрируют все остаточные деформации.
После испытаний на конструкции не должно быть повреждений, в т.ч. трещин, поломок, чрезмерных остаточных деформаций, ослабления соединений и связей.
Д.2. Аппаратура
Устройство нагружения должно обеспечивать сосредоточенную вертикальную нагрузку F2 величиной (3200 +/- 50) Н, прикладываемую к середине щита, в течение (60 +/- 5) с.
Схема приложения нагрузки приведена на рисунке Д.1.
Рисунок Д.1 - Схема приложения нагрузки
при испытаниях на устойчивость
Д.3. Процедура
Д.3.1. К середине щита баскетбольного оборудования всех типов прикладывают сосредоточенную вертикальную нагрузку F2 величиной (3200 +/- 50) Н в течение (60 +/- 5) с.
Д.3.2. После снятия нагрузки осматривают щит и корзину и регистрируют все остаточные деформации.
После испытаний на конструкции не должно быть повреждений, в т.ч. трещин, поломок, чрезмерных остаточных деформаций, ослабления соединений и связей.