Главная // Актуальные документы // ГОСТ Р (Государственный стандарт)СПРАВКА
Источник публикации
М.: Стандартинформ, 2017
Примечание к документу
Документ
введен в действие с 01.01.2018.
Название документа
"ГОСТ Р ИСО 2790-2017. Национальный стандарт Российской Федерации. Ремни приводные клиновые узких сечений и шкивы для автомобилей. Размеры"
(утв. и введен в действие Приказом Росстандарта от 03.03.2017 N 95-ст)
"ГОСТ Р ИСО 2790-2017. Национальный стандарт Российской Федерации. Ремни приводные клиновые узких сечений и шкивы для автомобилей. Размеры"
(утв. и введен в действие Приказом Росстандарта от 03.03.2017 N 95-ст)
Утвержден и введен в действие
по техническому регулированию
и метрологии
от 3 марта 2017 г. N 95-ст
НАЦИОНАЛЬНЫЙ СТАНДАРТ РОССИЙСКОЙ ФЕДЕРАЦИИ
РЕМНИ ПРИВОДНЫЕ КЛИНОВЫЕ УЗКИХ СЕЧЕНИЙ
И ШКИВЫ ДЛЯ АВТОМОБИЛЕЙ
РАЗМЕРЫ
Drive V-belts of narrow cross-sections and pulleys
for the automobiles. Dimensions
(ISO 2790:2004, Belt drives - V-belts for the automotive
industry and corresponding pulleys - Dimensions, IDT)
ГОСТ Р ИСО 2790-2017
Дата введения
1 января 2018 года
1 ПОДГОТОВЛЕН Федеральным государственным унитарным предприятием "Всероссийский научно-исследовательский институт стандартизации материалов и технологий" (ФГУП "ВНИИ СМТ") на основе собственного перевода на русский язык англоязычной версии международного стандарта, указанного в
пункте 4
2 ВНЕСЕН Техническим комитетом по стандартизации ТК 160 "Продукция нефтехимического комплекса"
3 УТВЕРЖДЕН И ВВЕДЕН В ДЕЙСТВИЕ
Приказом Федерального агентства по техническому регулированию и метрологии от 3 марта 2017 г. N 95-ст
4 Настоящий стандарт идентичен международному стандарту ИСО 2790:2004 "Ременные приводы. Клиновые ремни для автомобильной промышленности и соответствующие шкивы. Размеры" (ISO 2790:2004 "Belt drives - V-belts for the automotive industry and corresponding pulleys - Dimensions", IDT).
Наименование настоящего стандарта изменено относительно наименования указанного международного стандарта для приведения в соответствие с ГОСТ Р 1.5-2012
(пункт 3.5).
При применении настоящего стандарта рекомендуется использовать вместо ссылочных международных стандартов соответствующие им национальные и межгосударственные стандарты, сведения о которых приведены в дополнительном
приложении ДА
5 ВВЕДЕН ВПЕРВЫЕ
Правила применения настоящего стандарта установлены в статье 26 Федерального закона от 29 июня 2015 г. N 162-ФЗ "О стандартизации в Российской Федерации". Информация об изменениях к настоящему стандарту публикуется в ежегодном (по состоянию на 1 января текущего года) информационном указателе "Национальные стандарты", а официальный текст изменений и поправок - в ежемесячном информационном указателе "Национальные стандарты". В случае пересмотра (замены) или отмены настоящего стандарта соответствующее уведомление будет опубликовано в ближайшем выпуске ежемесячного информационного указателя "Национальные стандарты". Соответствующая информация, уведомление и тексты размещаются также в информационной системе общего пользования - на официальном сайте Федерального агентства по техническому регулированию и метрологии в сети Интернет (www.gost.ru)
Настоящий стандарт устанавливает размеры клиновых приводных ремней, предназначенных для приведения в действие вспомогательного оборудования двигателей внутреннего сгорания, используемых в автомобилях.
В настоящем стандарте использованы нормативные ссылки на следующие международные стандарты:
ISO 1081, Belt drives - V-belts and V-ribbed belts, and corresponding grooved pulleys - Vocabulary (Ременные передачи. Клиновые и поликлиновые ремни и соответствующие желобчатые шкивы. Словарь)
ISO 8370-1:1993, Belt drives - Dynamic test to determine pitch zone location - Part 1: V-belts (Ременные передачи. Динамическое испытание для определения расположения зоны зацепления. Часть 1. Клиновые ремни)
ISO 9608, V-belts - Uniformity of belts - Test method for determination of centre distance variation (Клиновые ремни. Однородность ремней. Метод определения изменения межцентрового расстояния)
3 Термины, определения и обозначения
В настоящем стандарте применены термины, определения и обозначения по ИСО 1081.
4.1 Общие положения
Ремень определяют по поперечному сечению (профилю канавки от AV 10 до AV 17) и эффективной длине в миллиметрах, измеренной при определенных условиях.
4.2 Сечение и зона зацепления
Сечение ремня определяют по номинальной ширине верхнего (большего) основания
w (см.
рисунок 1 и
таблицу 1).
a - с формованным зубом (при необходимости)
Рисунок 1 - Сечение ремня
Таблица 1
Наименование показателя | Обозначение | Значение для ремней сечением |
AV 10 | AV 13 | AV 17 |
с оберткой | без обертки | с оберткой | без обертки | с оберткой | без обертки |
Номинальная ширина большего основания, мм | w | 10 | 10 | 13 | 13 | 17 | 17 |
Положение эффективной линии, мм | be | | | | | | |
<a> Значения для разных типов ремней не стандартизированы, можно определять по ИСО 8370-1, пункт 7.2. |
Положение зоны зацепления ремня в канавке шкива определяют по положению эффективной линии (см.
рисунок 4 и
таблицу 1).
Номинальный угол клина ремня составляет 40°, если иное не оговорено между потребителем и изготовителем ремня.
4.3 Измерение эффективной длины ремня и его выступа над шкивом
Монтируют ремень на двух идентичных шкивах размерами, указанными в
таблице 2, установленных на горизонтальном стенде, и прикладывают к подвижному шкиву испытательное усилие натяжения (см.
рисунок 2).
Таблица 2
Размеры измерительных шкивов и испытательное усилие
Параметр | Обозначение | Значение для канавок профиля |
AV 10 | AV 13 | AV 17 |
Угол канавки | | 36° 0' +/- 0° 10' | 36° 0' +/- 0° 10' | 34° 0' +/- 0° 10' |
Эффективный диаметр, мм | de | 95,49 | 95,49 | 95,49 |
Наружный диаметр, мм | do | 95,5 +/- 0,2 | 95,5 +/- 0,2 | 95,5 +/- 0,2 |
Диаметр шарика или стержня для проверки канавок шкивов, мм | d | | | |
Расстояние между внешними касательными плоскостями к шарикам или стержням, мм | K | 99,31 +/- 0,05 | 103,53 +/- 0,05 | 103,71 +/- 0,05 |
Глубина канавки, мм, не менее | P | 11 | 13,75 | 16 |
| F | 267 | 267 | 356 |
< a> Усилие натяжения на каждую ветвь ремня должно быть равно половине указанного значения. |
1 - подвижный шкив
Рисунок 2 - Измерительное устройство
Прокручивают ремень не менее двух раз для его правильной посадки.
Эффективную длину ремня Le, мм, определяют по формуле
Le = Emax + Emin + Ce, (1)
где Emax - измеренное максимальное расстояние между центрами шкивов, мм;
Emin - измеренное минимальное расстояние между центрами шкивов, мм;
Ce - эффективная длина окружности одного шкива, мм, определяемая по формуле

. (2)
Выступ ремня над шкивом
f (см.
рисунок 3) должен попадать в диапазон 0 <
f < 2,4 мм для каждого типа ремня.
Рисунок 3 - Канавка для измерения клиновых ремней
4.4 Колебания межцентрового расстояния
Колебания межцентрового расстояния

, установленные по отношению к ширине верхней поверхности ремня, приведены в
таблице 3. Колебания межцентрового расстояния определяют по ИСО 9608.
Таблица 3
Колебания межцентрового расстояния
В миллиметрах
Длина ремня | Ширина верхней поверхности w <= 25 при |
от | до включительно | |
- | 1000 | 1,2 |
1000 | 2000 | 1,6 |
2000 | 5000 | 2,0 |
5000 | - | 2,5 |
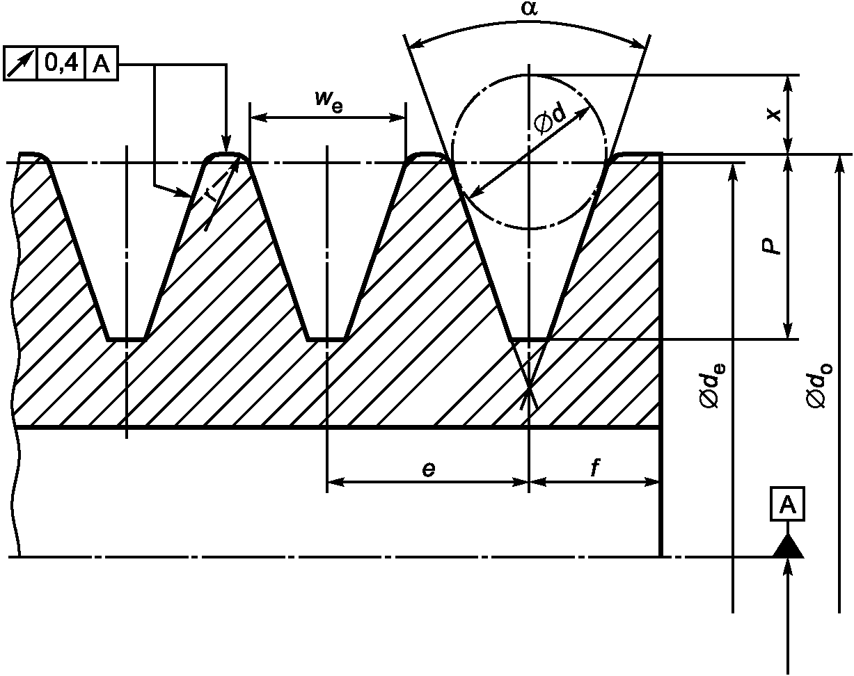
5.1 Размеры
dр - расчетный диаметр
Рисунок 4 - Канавка шкива
do - de <= 1,4 мм
Рисунок 5 - Многоканавочный шкив
Таблица 4
Размеры одноканавочных шкивов
Наименование показателя | Обозначение | Значение для канавок профиля |
AV 10 | AV 13 | AV 17 |
Эффективная ширина канавки, мм | we | 9,7 | 12,7 | 16,8 |
| | 36° 0' +/- 0° 30' | 36° 0' +/- 0° 30' | 36° 0' +/- 0° 30' |
Глубина канавки, мм, не менее | P | 11 | 13,75 | 16 |
Радиус округления верхней кромки канавки, мм, не менее | r | 0,8 | 0,8 | 0,8 |
Боковые стороны канавки должны быть гладкими. Торцевое и радиальное биение следует измерять по отдельности как полное показание индикатора перемещения шарика, установленного под давлением пружины, по канавке при вращении шкива. При использовании дополнительные радиусы округления углов дна канавок должны быть ниже глубины канавки P. Ось симметрии любого поперечного сечения канавки должна быть под углом 90° +/- 2° с полуплоскостью, проходящей через ось шкива. |
< a> Для шкивов диаметром менее 57, 70 и 102 мм для профилей канавок AV 10, AV 13 и AV 17 соответственно рекомендуется уменьшать угол канавки до 34°. |
Таблица 5
Размеры многоканавочных шкивов
Наименование показателя | Обозначение | Значение для канавок профиля |
AV 10 | AV 13 | AV 17 |
Эффективная ширина канавки, мм | we | 9,7 | 12,7 | 16,8 |
Угол канавки | | 36° 0' +/- 0° 30' | 36° 0' +/- 0° 30' | 36° 0' +/- 0° 30' |
Глубина канавки, мм, не менее | P | 11 | 13,75 | 16 |
Радиус скругления верхней кромки канавки, мм, не менее | r | 0,8 | 0,8 | 0,8 |
Диаметр шарика, мм | d | | | |
Поправочный член, мм | 2x | 3,8 | 8,0 | 8,21 |
Шаг канавок, мм | e | 12,6 +/- 0,3 | 15,9 +/- 0,3 | 21,36 +/- 0,40 |
Расстояние от центра канавки до края шкива, мм | f | 8,0 +/- 0,6 | 10,0 +/- 0,6 | 15,0 +/- 0,8 |
Боковые стороны канавки должны быть гладкими. Торцевое и радиальное биение следует измерять по отдельности в виде полного показания индикатора перемещения шарика, установленного под давлением пружины, по канавке при вращении шкива. При использовании дополнительные радиусы скругления углов дна канавок должны быть ниже глубины канавки P. Ось симметрии любого поперечного сечения канавки должна быть под углом 90° +/- 2° с полуплоскостью, проходящей через ось шкива. |
Примечание - Суммарный допуск на шаг канавок e для более двух канавок составляет +/- 0,6 мм. |
Для современных приводов вспомогательного оборудования часто используют наборы ремней. Размеры канавок и расстояния между ними показаны для шкивов многоременных приводов или приводов, использующих соединенные ремни.
5.2 Проверка эффективного диаметра
Помещают два шарика или стержня, диаметры которых указаны в
таблице 6, в проверяемую канавку через 180° окружности шкива.
Таблица 6
Размеры шариков или стержней
Наименование показателя | Обозначение | Значение для канавок профиля |
AV 10 | AV 13 | AV 17 |
Диаметр шариков или стержней, мм | d | | | |
Поправочный член, мм | 2x | 3,8 | 8,0 | 8,21 |
Затем измеряют расстояние K, мм, между внешними касательными плоскостями к шарикам или стержням, параллельным оси шкива, и вычисляют эффективный диаметр de, мм, по формуле
de = k - 2x. (3)
Эффективный диаметр должен быть таким, чтобы сумма de + 2x изменялась не более чем на 0,6 мм.
Для многоканавочного шкива расстояние K каждой канавки тех же номинальных размеров должно изменяться от канавки к канавке не более чем на 0,01 мм на каждые 5 мм диаметра, верхний предел для диаметров 152 мм и выше составляет 0,3 мм.
5.3 Обозначение шкивов
Обозначение шкивов содержит:
- эффективный диаметр de в миллиметрах;
- число канавок;
- профиль канавок (AV 10, AV 13 или AV 17).
Пример - 67 x 1 AV 10 (эффективный диаметр x количество канавок x профиль).
Для интегрированных шкивов с различными канавками элементы обозначают последовательно:
90 x 1 AV 13 - 67 x 1 AV 10.
(справочное)
СВЕДЕНИЯ О СООТВЕТСТВИИ ССЫЛОЧНЫХ МЕЖДУНАРОДНЫХ СТАНДАРТОВ
НАЦИОНАЛЬНЫМ И МЕЖГОСУДАРСТВЕННЫМ СТАНДАРТАМ
Таблица ДА.1
Обозначение ссылочного международного стандарта | Степень соответствия | Обозначение и наименование соответствующего национального, межгосударственного стандарта |
ISO 1081 | NEQ | ГОСТ 1284.2-89 (ИСО 1081-95) "Ремни приводные клиновые нормальных сечений. Технические условия" |
ISO 8370-1:1993 | - | |
ISO 9608 | - | |
<*> Соответствующий национальный, межгосударственный стандарт отсутствует. До его принятия рекомендуется использовать перевод на русский язык данного международного стандарта. Для получения перевода следует обращаться в ТК 160 "Продукция нефтехимического комплекса". Примечание - В настоящей таблице использовано следующее условное обозначение степени соответствия стандартов: - NEQ - неэквивалентные стандарты. |
УДК 678-419:621.85.052.42:531.717:006.354 | |
Ключевые слова: клиновые приводные ремни, узкие сечения, шкивы, автомобили, размеры |