Главная // Актуальные документы // ГОСТ Р (Государственный стандарт)СПРАВКА
Источник публикации
М.: Стандартинформ, 2017
Примечание к документу
Документ
введен в действие с 01.01.2018.
Название документа
"ГОСТ Р ИСО 12189-2017. Национальный стандарт Российской Федерации. Имплантаты для хирургии. Механические испытания имплантируемых спинальных изделий. Метод усталостных испытаний сборных спинальных имплантатов с использованием передней опоры"
(утв. и введен в действие Приказом Росстандарта от 22.02.2017 N 58-ст)
"ГОСТ Р ИСО 12189-2017. Национальный стандарт Российской Федерации. Имплантаты для хирургии. Механические испытания имплантируемых спинальных изделий. Метод усталостных испытаний сборных спинальных имплантатов с использованием передней опоры"
(утв. и введен в действие Приказом Росстандарта от 22.02.2017 N 58-ст)
Утвержден и введен в действие
по техническому регулированию
и метрологии
от 22 февраля 2017 г. N 58-ст
НАЦИОНАЛЬНЫЙ СТАНДАРТ РОССИЙСКОЙ ФЕДЕРАЦИИ
ИМПЛАНТАТЫ ДЛЯ ХИРУРГИИ
МЕХАНИЧЕСКИЕ ИСПЫТАНИЯ ИМПЛАНТИРУЕМЫХ СПИНАЛЬНЫХ ИЗДЕЛИЙ
МЕТОД УСТАЛОСТНЫХ ИСПЫТАНИЙ СБОРНЫХ СПИНАЛЬНЫХ ИМПЛАНТАТОВ
С ИСПОЛЬЗОВАНИЕМ ПЕРЕДНЕЙ ОПОРЫ
Implants for surgery. Mechanical testing of implantable
spinal devices. Fatigue test method for spinal implant
assemblies using an anterior support
(ISO 12189:2008, IDT)
ГОСТ Р ИСО 12189-2017
Дата введения
1 января 2018 года
1 ПОДГОТОВЛЕН Обществом с ограниченной ответственностью "ЦИТОпроект" (ООО "ЦИТО проект") на основе собственного перевода на русский язык англоязычной версии стандарта, указанного в
пункте 4
2 ВНЕСЕН Техническим комитетом по стандартизации ТК 453 "Имплантаты в хирургии"
3 УТВЕРЖДЕН И ВВЕДЕН В ДЕЙСТВИЕ
Приказом Федерального агентства по техническому регулированию и метрологии от 22 февраля 2017 г. N 58-ст
4 Настоящий стандарт идентичен международному стандарту ИСО 12189:2008 "Имплантаты для хирургии. Механические испытания имплантируемых спинальных изделий. Метод усталостных испытаний сборных спинальных имплантатов с использованием передней опоры" (ISO 12189:2008 "Implants for surgery. Mechanical testing of implantable spinal devices. Fatigue test method for spinal implant assemblies using an anterior support", IDT).
При применении настоящего стандарта рекомендуется использовать вместо ссылочных международных стандартов соответствующие им национальные стандарты, сведения о которых приведены в дополнительном
приложении ДА
5 ВВЕДЕН ВПЕРВЫЕ
Правила применения настоящего стандарта установлены в
статье 26 Федерального закона от 29 июня 2015 г. N 162-ФЗ "О стандартизации в Российской Федерации". Информация об изменениях к настоящему стандарту публикуется в ежегодном (по состоянию на 1 января текущего года) информационном указателе "Национальные стандарты", а официальный текст изменений и поправок - в ежемесячном информационном указателе "Национальные стандарты". В случае пересмотра (замены) или отмены настоящего стандарта соответствующее уведомление будет опубликовано в ближайшем выпуске ежемесячного информационного указателя "Национальные стандарты". Соответствующая информация, уведомление и тексты размещаются также в информационной системе общего пользования - на официальном сайте Федерального агентства по техническому регулированию и метрологии в сети Интернет (www.gost.ru)
Настоящий стандарт устанавливает, что в данный момент на рынке доступны различные модели устройств для заднего спондилодеза, такие как "жесткие", "полужесткие" или "динамические" системы. Установка некоторых из существующих спинальных имплантатов не показана в большинстве нестабильных случаев ("полужесткие" или "динамические" имплантаты, имплантаты с фиксацией на крючках или проволоке, искусственные связки и т.д.), так как их конструкция предполагает распределение нагрузки по переднему столбу.
Настоящий стандарт четко подчеркивает влияние распределения нагрузки, широко описанное в литературе, как важную особенность, касающуюся распределения нагрузки, приложенной к спинальным имплантатам. Поскольку эти различные концепции приводят к различному поведению имплантатов, конфигурация конструкции для корпэктомии не всегда позволяет провести соответствующее испытание, так как полная корпэктомия без последующего создания условий для передней опоры редко встречается в клинической практике, и поэтому такой вид конструкции пренебрегает влиянием нагрузки переднего спондилодеза на имплантат. Кроме того, некоторые виды имплантатов часто слишком гибкие, что не позволяет проводить их испытания по отдельности или в составе конструкции для корпэктомии.
Настоящий стандарт предназначен для проведения усталостных испытаний гибких спинальных имплантатов, а также биомеханических усталостных испытаний любых составных частей спинальных имплантатов, в особенности полужестких и динамических систем, вне зависимости от их собственной жесткости. В настоящем стандарте описаны усталостные испытания при компрессии/сгибании; для оценки клинической безопасности устройства могут потребоваться дополнительные механические испытания, такие как разнонаправленное тестирование (сдвиг, скручивание, боковой изгиб).
Для устройств, которые способны выдерживать нагрузку в составе конструкции для корпэктомии, испытание должно быть выполнено без передней опоры в соответствии с АСТМ Ф1717 для демонстрации того, что устройство может выдерживать предельную нагрузку даже в самых сложных случаях.
Настоящий стандарт относится к методам усталостных испытаний сборных спинальных имплантатов (для фиксации или сохранения подвижности) с использованием передней опоры.
Настоящий стандарт устанавливает методы усталостных испытаний сборных спинальных имплантатов (для фиксации или сохранения подвижности) с использованием передней опоры. Он предоставляет основу для оценки внутренней статической и динамической прочности спинальных имплантатов.
В настоящем стандарте использованы нормативные ссылки на следующие стандарты, которые необходимо учитывать при использовании настоящего стандарта. В случае ссылок на документы, у которых указана дата утверждения, необходимо пользоваться только указанной редакцией. В том случае, когда дата утверждения не приведена, следует пользоваться последней редакцией ссылочных документов, включая любые поправки и изменения к ним:
ISO 10243 Tools for pressing - Compression springs with rectangular section - Housing dimensions and colour coding (Инструменты для прессования. Пружины сжатия прямоугольного сечения. Размеры пазов и цветовое кодирование)
ASTM F1717 Standard Test Methods for Spinal Implant Constructs in a Vertebrectomy Model (Стандартные методы испытаний конструкций для спинальных имплантатов в модели вертебрэктомии)
В настоящем стандарте применены термины с соответствующими определениями:
3.1 активная длина продольного элемента: Расстояние по прямой между центром установки верхнего анкера и центром установки нижнего анкера.
3.2 плечо моделируемого момента: Расстояние, перпендикулярное прилагаемой нагрузке между точкой установки анкера и центром приложения нагрузки.
3.3 отказ: Постоянная деформация, происходящая из-за разлома; пластическая деформация или ослабление свыше предельного смещения, которое приведет к тому, что сборный спинальный имплантат станет неэффективным или неспособным адекватно выдерживать нагрузку корпэктомии и пружин.
3.4 точка установки анкера: Место соединения анкера с сегментом модели.
3.5 предполагаемое расположение в позвоночнике: Анатомическая область позвоночника, в которой предполагается использование сборного спинального имплантата.
Примечание - Сборные спинальные имплантаты разрабатывают для конкретных областей позвоночника, например верхний или нижний шейный отдел позвоночника, пояснично-грудной, поясничный и пояснично-крестцовый отделы позвоночника.
3.6 максимальная выдерживаемая нагрузка: Максимальная нагрузка, которую можно применить к сборному спинальному имплантату, при которой все испытанные части конструкции работают на протяжении 5 млн циклов без отказа.
3.7 сборный спинальный имплантат: Полная конфигурация спинального имплантата, предназначенного для использования в хирургии.
Примечание - Сборный спинальный имплантат содержит анкеры, внутренние соединители, продольные элементы и, может быть, поперечные элементы.
3.8 конструкция спинального имплантата: Полный сборный спинальный имплантат, присоединенный к соответствующей испытательной опоре.
3.9 испытательный блок из сверхвысокомолекулярного полиэтилена; СВМПЭ: Компонент испытательного аппарата для установки сборного спинального имплантата.
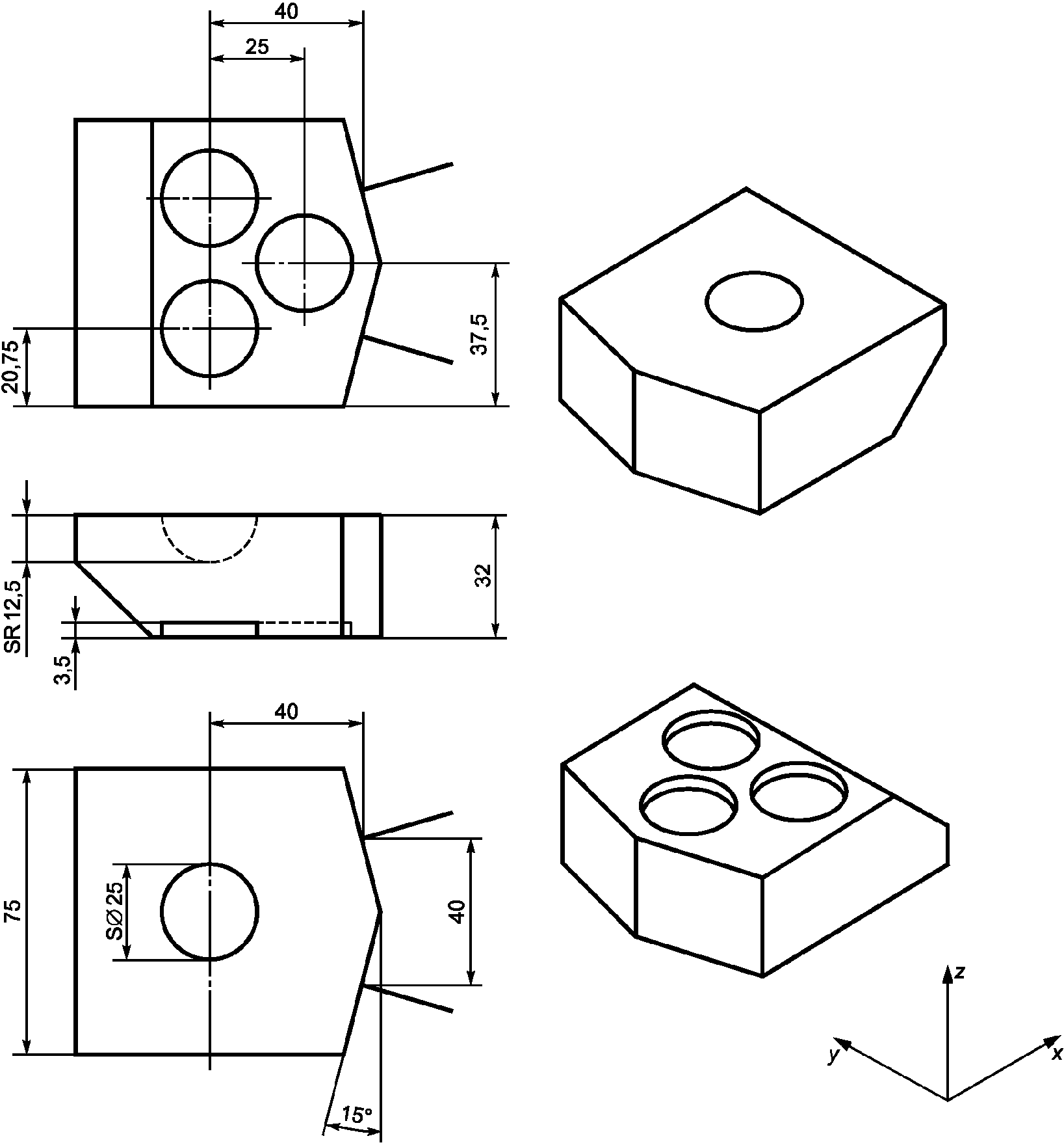
Примечание 1 - Для каждого предполагаемого расположения в позвоночнике и каждого предполагаемого метода установки необходим определенный испытательный блок из СВМПЭ. На
рисунках 1 -
3 показаны рекомендуемые конструкции испытательных блоков (образцы для поясничного отдела), на
рисунке 4 - рекомендуемый вариант образца для шейного отдела позвоночника; однако можно использовать альтернативные варианты при условии сходного функционирования.
Примечание 2 - Сборные спинальные имплантаты содержат разные типы анкеров. Каждый тип анкера предназначен для определенного метода использования в позвоночнике.
Целью настоящего стандарта является предоставление метода усталостного испытания, который позволяет тестировать спинальные устройства, не предназначенные для тестирования в модели корпэктомии.
Этот метод основан на использовании модифицированных испытательных блоков из СВМПЭ (полученных из блоков, применяемых в тестировании на моделях).
Постоянная деформация, происходящая из-за разлома; пластическая деформация или ослабление свыше предельного смещения, которое приведет к тому, что сборный спинальный имплантат станет неэффективным или неспособным адекватно выдерживать нагрузку корпэктомии и пружин (см.
рисунок 1). Испытательная опора состоит из испытательных блоков из СВМПЭ, имитирующих позвонки, и стандартизованных пружин, имитирующих жесткость межпозвоночных дисков. Пружины выбраны из стандартизованной панели в соответствии с ИСО 10243. Затем на конструкции спинального имплантата проводят усталостные тесты на сгибание и сжатие (см.
рисунок 1), чтобы оценить сборный спинальный имплантат (усталостные испытания).
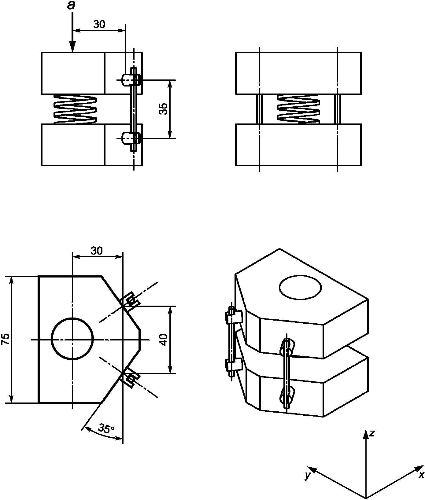
Точки установки должны по возможности соответствовать указанным на рисунке 1. В том случае, если дизайн сборного спинального имплантата или инструкции производителя по установке указывают иное, точки установки могут отклоняться от данных параметров.
1 - точки установки; a - нагрузка
Рисунок 1 - Стандартная поясничная билатеральная
конструкция, содержащая стержни и винты
5.1. Жидкая испытательная среда (факультативно)
Можно использовать аналог биологической жидкости - физиологический раствор (9 г NaCl на 1000 мл воды). В этом случае необходимо (до проведения усталостных испытаний) полностью погрузить в жидкую испытательную среду все контактные поверхности испытуемой конструкции спинального имплантата. Температуру жидкой испытательной среды следует поддерживать на уровне (37 +/- 2) °C, а измерения средней объемной температуры жидкости во время теста проводить в репрезентативных точках.
Примечание - В случае использования аналога биологической жидкости особое внимание следует уделить защите пружин от веществ, вызывающих коррозию, или использовать стержни (или другие эластичные элементы при условии соответствия статических и усталостных характеристик), изготовленные из материалов, устойчивых к коррозии, так как в ИСО 10243 отсутствуют специальные указания по поводу характеристик материала пружин.
Тестовую опору собирают из испытательных блоков из СВМПЭ и пружин, изготовленных в соответствии с ИСО 10243, который определяет размеры пазов и цветовое кодирование пружин сжатия прямоугольного сечения и указывает стандартные параметры жесткости таких пружин. Пружины установлены между испытательными блоками из СВМПЭ с помощью цилиндрического римирования каждого блока (см.
рисунки 2,
3). Для сохранения дистанции между испытательными блоками из СВМПЭ, рекомендуемой в АСТМ Ф1717 (76 мм - для поясничных имплантатов и 35 мм - для шейных имплантатов), предполагается использование трех блоков для поясничных имплантатов и двух блоков для шейных имплантатов. Можно применять альтернативный дизайн тестовой опоры при наличии обоснования, например односегментную испытательную установку с промежутком между винтами 38 мм для поясничных имплантатов.
Рисунок 2 - Поясничный билатеральный испытательный блок
из СВМПЭ для винтов или болтов
Рисунок 3 - Поясничный билатеральный промежуточный
испытательный блок из СВМПЭ для винтов или болтов
СВМПЭ, применяемый для изготовления испытательных блоков, должен иметь предел прочности на разрыв, равный (40 +/- 3) МПа.
Для соответствия физиологическому поведению поясничных дисков под компрессионной нагрузкой рекомендуется использование комбинации трех пружин на одной плоскости (см.
рисунок 1). Каждая пружина должна иметь жесткость 375 Н/мм при
L0 = 25 мм и

.
Примечание 1 - Жесткость поясничного диска под давлением в специальной литературе оценивают приблизительно между 700 и 2500 Н/мм (см.
[1] -
[4]).
Примечание 2 - Пружина жесткостью 375 Н/мм, что соответствует ИСО 10243, имеет красную цветовую маркировку.
Для шейных имплантатов (см.
рисунок 4) используют одну пружину с теми же размерами, что и для поясничных дисков, но жесткостью 147 или 100 Н/мм.
Примечание 3 - Пружина жесткостью 147 Н/мм, что соответствует ИСО 10243, имеет синюю цветовую маркировку. Пружина жесткостью 100 Н/мм, что соответствует ИСО 10243, имеет зеленую цветовую маркировку.
a - нагрузка
Рисунок 4 - Шейная билатеральная конструкция и испытательный
блок для винтов или болтов
Альтернативный дизайн и пружины (схема расположения и жесткость) испытательной опоры можно использовать при условии соответствия статических и усталостных характеристик. Например, могут применять другие комбинации пружин с тем, чтобы повысить соотношение изгибающего момента/компрессии или по особым показаниям.
Все компоненты сборного спинального имплантата должны быть ранее неиспользованными. Не допускается повторное тестирование имплантатов. Испытательную опору (испытательные блоки из СВМПЭ и пружины) должны использовать только для одного теста. Затем тестовую конструкцию маркируют и устанавливают в соответствии со стандартами надлежащей лабораторной практики; не следует разбирать тестовую конструкцию после испытания, если только разборка не требуется для оценки повреждений поверхности, соединений, коррозии или расшатывания. Перед тем как разобрать конструкцию, необходимо ее сфотографировать.
6.1. Аппарат для испытаний
Аппарат для испытаний должен обеспечивать приложение нагрузок, указанных в таблице 1, в сочетании с соответствующими смещениями и работать с частотой (5 +/- 0,1) Гц.
Таблица 1
Параметры нагрузки аппарата для испытаний
Имплантат | Нагрузка, кН | Допустимое отклонение H |
Поясничный | 2,0 (максимальная) | +/- 60 |
0,6 (минимальная) | +/- 60 |
Шейный | 0,15 (максимальная) | +/- 4,5 |
0,05 (минимальная) | +/- 4,5 |
Аппарат для испытания должен поддерживать +/- 1% длительности цикла для фазовой синхронизации.
6.2. Средства установки и изоляции испытуемого образца
Аппарат для испытаний должен иметь соответствующие приспособления (шарнирную систему) для изоляции конструкции спинального имплантата.
6.3. Система контроля температуры (факультативно)
Во время работы система контроля температуры должна поддерживать температуру жидкой испытательной среды на уровне (37 +/- 2) °C (см.
5.1).
7.1 Выбирают соответствующую тестовую опору (предполагаемое расположение в позвоночнике и тип анкера). Для использования крючков, проводов и спиц испытательные блоки из СВМПЭ должны быть модифицированы таким же образом, как блоки для тестирования в модели корпорэктомии (см. АСТМ Ф1717).
7.2 Собирают и устанавливают вместе блоки и пружины с небольшой преднагрузкой (рекомендуется - 1 мм сжатия для пружин), затем анкеры в соответствии с инструкцией производителя. Завершают сборку спинального имплантата путем затягивания, обжатия или фиксации механизмов в соответствии с указаниями производителя.
7.3 Устанавливают конструкцию спинального имплантата в аппарат для испытаний, используя соответствующие приспособления (шарнирную систему).
7.4 Если использована жидкая испытательная среда, она должна полностью покрывать конструкцию спинального имплантата. Поддерживают температуру жидкой испытательной среды на уровне (37 +/- 2) °C, выполняя измерения средней объемной температуры жидкости в репрезентативных точках. Определяют значение pH (факультативно). Во время тестирования восполняют потери испарившейся жидкости, по крайней мере ежедневно.
7.5 Включают аппарат для испытаний и настраивают его таким образом, чтобы на испытуемый образец действовали нагрузки, указанные в
таблице 1. В усталостном тесте применяют синусоидальную нагрузку на конструкцию спинального имплантата. Нагрузку следует поддерживать посредством постоянного контроля амплитуды синусоидальной нагрузки. Максимальная частота цикла для усталостного теста составляет 5 Гц (рекомендуется использовать меньшую частоту).
Примечание - 1 Гц соответствует проведению 100%-ного цикла в течение 1 с.
7.6 Оценивают образец при исходных усталостных нагрузках. Продолжают усталостные испытания образца с повышенными нагрузками до отказа конструкции спинального имплантата. Устанавливают максимальную выдерживаемую нагрузку. Предполагаемая начальная максимальная усталостная нагрузка должна составлять 2000 Н, что соответствует физиологической компрессионной нагрузке на поясничные диски по приблизительным вычислениям (см.
[5] -
[7]).
На полулогарифмическом графике следует представить усталостную кривую отношения нагрузки к количеству циклов до поломки.
7.7 Продолжают испытание до наступления одного из следующих событий:
a) завершение 5 млн циклов.
Примечание - По запросу стороны, предоставившей образец, испытание может быть продолжено после этого момента;
b) отказ или разрушение конструкции спинального имплантата (функциональная или установленная пользователем поломка имплантата);
c) неспособность аппарата для испытаний поддерживать параметры прилагаемой силы и смещения в установленных допустимых пределах.
7.8 До снятия конструкции спинального имплантата с аппарата для испытаний отмечают первую и последующую поломки, характер поломки и деформации компонентов. Оценивают все поверхностные изменения.
7.9 Снимают конструкцию спинального имплантата с аппарата для испытаний.
8.1 В отчет об испытании должно быть включено следующее:
a) ссылка на настоящий стандарт;
b) компоненты спинального имплантата, конструкция спинального имплантата, предполагаемое расположение в позвоночнике и количество протестированных образцов;
c) вся важная информация о компонентах, включая название, номер партии, производителя, материал, каталожный номер и т.д.;
d) любая специальная информация, необходимая для изготовления конструкции;
e) длина пружины, жесткость и константы для всех пружин;
f) вся важная информация о пружинах, включая регистрационный номер, номер партии, производителя и т.д.;
g) любая специальная информация, необходимая для изготовления конструкции, включая преднагрузку и крутящий момент затяжки;
h) изображение конкретных нагрузочных конфигураций и сходства и отличия от соответствующих рисунков, содержащихся в настоящем стандарте;
i) активная длина продольного элемента;
j) плечо моделируемого момента и расстояние по оси X между осевой линией продольного элемента и местом установки анкеров в модели сегмента позвоночника;
k) все отклонения от рекомендуемой процедуры испытания;
l) частота нагрузки.
8.2 В отчет о динамическом механическом испытании должна быть включена следующая информация:
- окончательные параметры образца и нагрузки в отношении количества циклов до поломки для всех усталостных испытаний, а также уровни нагрузки для образцов, выдержавших 5 млн циклов, и максимальная выдерживаемая нагрузка;
- все первые и последующие поломки. Также следует указать характер поломки и деформации компонентов сборного спинального имплантата и аппарата для испытаний. Усталостные поломки должны включать описание места возникновения неисправности, зоны распространения и зоны полного разрушения;
- все поверхностные изменения, все механические повреждения контактирующих поверхностей или расшатывание внутренних соединений, включая изображения поврежденных поверхностей и структурирования поверхностей из-за трения.
Представить на полулогарифмических графиках усталостные кривые отношения компрессионной нагрузки, компрессионной нагрузки при изгибе и момента силы компрессионной нагрузки при изгибе к количеству циклов до поломки. Указать образцы, которые выдержали 5 млн циклов без поломок.
Для конструкций, в которых выявлены неисправности, представить регрессионный анализ компрессионной нагрузки и компрессионной нагрузки при изгибе в отношении к количеству циклов.
9. Точность и систематическая погрешность
Установить точность процедуры в настоящем стандарте практически невозможно из-за значительных расхождений в дизайне испытуемых компонентов.
9.2. Систематическая погрешность
Данные относительно систематической погрешности в настоящем стандарте отсутствуют ввиду непредставления приемлемых референсных значений и разрушительного характера испытания.
(справочное)
СВЕДЕНИЯ О СООТВЕТСТВИИ ССЫЛОЧНЫХ МЕЖДУНАРОДНЫХ СТАНДАРТОВ
НАЦИОНАЛЬНЫМ СТАНДАРТАМ
Таблица ДА.1
Обозначение ссылочного международного стандарта | Степень соответствия | Обозначение и наименование соответствующего национального стандарта |
ISO 10243 | - | |
ASTM F1717 | - | |
<*> Соответствующий национальный стандарт отсутствует. До его принятия рекомендуется использовать перевод на русский язык данных стандартов. |
| White A.A. and Panjabi M.M. Clinical biomechanics of the spine, Lippincot, Philadelphia, 1990 |
[2] | Brown T., Hansen R.J. and Yorra A.J. Some mechanical tests on lumbosacral spine with particular reference to the intervertebral discs; J. Bone Joint Surg., 39A, pp. 1135 - 63, 1957 |
[3] | McGlashen K.M., Miller J.A., Schultz A.B. and Andersson G.B. Load displacement behavior of the human lumbo-sacral joint, J. Orthop. Res., 5 (4), pp. 488 - 96, 1987 |
| Shea M. et al. A comparison of the effects of automated percutaneous diskectomy and conventional diskectomy on intradiscal pressure, disk geometry, and stiffness. J. Spinal Disord., 7(4), pp. 317 - 25, 1994 |
| Nachemson A.L. Disc pressure measurements. Spine, 6(1), pp. 93 - 7, 1981 |
[6] | Nachemson A.L. The load on lumbar discs in different positions of the body, Clinical Orthopaedics, 45, pp. 107 - 22, 1966 |
| Wilke H.J., Neef P., Clime M., Hoogland T. and Claes L.E. New in vivo measurements of pressures in the intervertebral disc in daily life, Spine, 24(8), pp. 755 - 62, 1999 |