Термин | Определение | Эскиз |
1 Дефекты макроструктуры | ||
1.1 Прессовое производство | ||
de Einpressen en pressing-in | Дефект в виде частиц другого сплава или графита, расположенных внутри изделия или на поверхности | ![]() |
de Crobkristallisations zone en peripheral Coarse grain (PCG); Large crystal ring (LCR) | Дефект в виде зоны крупнокристаллической структуры переменной толщины, расположенной вдоль поверхности полуфабриката | ![]() |
de Ablagerungen en laminations | Дефект в поверхностном слое металла с глубиной залегания от сотых долей до нескольких миллиметров, отделяющийся от основы изделия микро- и макронесплошностями | ![]() |
de Ablagerungsblasen en lamination blisters | Дефект в виде вздутий округлой или вытянутой формы, ориентированных по направлению прессования | ![]() |
de Lufteinpressblasen en trapped air blister | Единичные крупные несплошности в изделии в виде вздутий поверхностных слоев металла | ![]() |
de Schichtung uber Schweissnaht en exfoliation per weld seam | Дефект в виде несплошности в металле на границе контакта двух частей полого сварного профиля | ![]() |
de tuber profilen profile microporosity | Дефект в виде несплошностей округлой или неправильной формы, располагающихся в ребрах | См. рисунок А.7 |
de Innen spannungsrib en internal crack | Дефект в виде разрыва металла внутри прессованного изделия с выходом на его поверхность | ![]() |
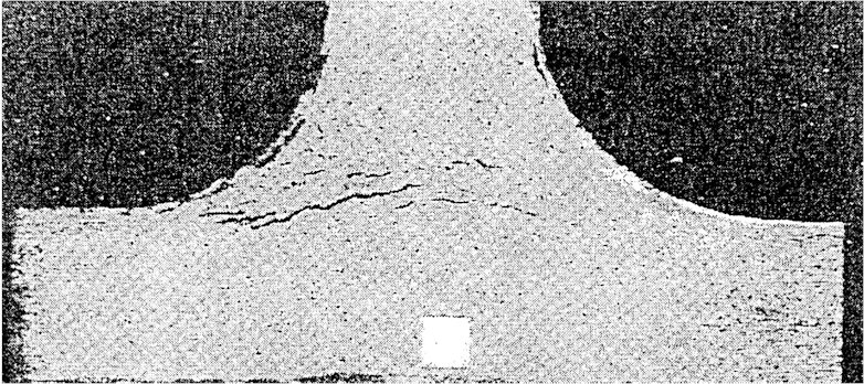
de Inner lokale risse en internal local cracks | Дефект в зоне затрудненной деформации в виде мелкой сетки разрывов металла с возможностью образования более глубоких разрывов | ![]() |
de Randschichtrib en flute crack | Дефект, расположенный внутри по периметру изделия, в виде разрывов металла после выхода изделия из канала матрицы | ![]() |
de Nachsaugetrichter en funnel; extrusion defect | Дефект, характеризующийся образованием расслоений в сечении изделия и выявляющийся на его конце, прессуемом в последнюю очередь | ![]() |
1.2 Литейное производство | ||
de Nichtmetallische einschlusse en nonmetallic inclusion | Дефект в виде единичных или множественных скоплений частиц, представляющих собой пленки окислов алюминия или шпинели и имеющих в изломе цвет от светло-желтого до темного | См. рисунок А.12 |
de Intermetalliden en intermetallics | Дефект на поверхности или внутри изделия в виде химических соединений металла с металлом | См. рисунок А.13 |
de Linie verschiedene beizungen en line of different etching | Дефект в виде многослойных тонких разводов, повторяющих конфигурацию прессованного изделия | ![]() |
de Porositat en porosity | Дефект в виде мелких несплошностей, неравномерно расположенных или сконцентрированных по объему изделия | См. рисунок А.15 |
de Verschiedenen struktur en different structure | Дефект внутреннего строения изделия в виде структуры с участками разной зернистости | См. рисунок А.16 |
de Helle kristalle en light-toned crystals | Дефект внутреннего строения в изделии в виде более светлых пятен относительно основного поля макроструктуры | См. рисунок А.17 |
de strukturen fan pattern structure | Дефект внутреннего строения в изделии, представляющий собой разновидность столбчатых кристаллов | См. рисунок А.18 |
de Baumartige struktur en tree-type structure | Дефект прессованного изделия в виде чередующихся светлых и темных слоев, напоминающие поперечный срез дерева | ![]() |
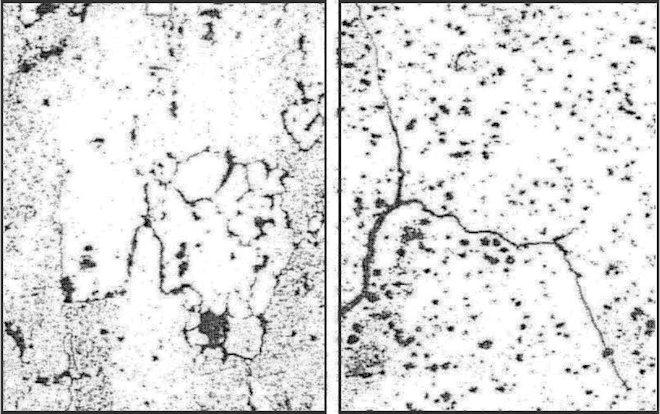
de Gubrib en casting crack | Дефект в зоне раскрытия металла, имеющий межкристаллитный характер по границам зерен с темной, окисленной поверхностью излома | ![]() |
2 Дефекты поверхности | ||
de Riffeln en ruffle | Дефект в виде периодически повторяющихся выступов и углублений кольцеобразной формы на изделии, имеющем круглое поперечное сечение | См. рисунок А.21 |
de Flieblinie en tearing | Дефект, представляющий собой отслоения или разрыв металла различной формы | См. рисунок А.22 |
de Vertiefung schramme en guide mark | Дефект в виде продольных или поперечных углублений с неровным дном и краями | ![]() |
de Einwalzungen von ![]() en rolled-in foreign inclusions | Дефект в виде вкраплений инородных включений, вдавленные в поверхность металла при деформации | См. рисунок А.24 |
de Grat en burr | Дефект, представляющий собой острый, в виде гребня, выступ или закрученной спиралью полоски металла в месте реза изделия | ![]() |
de Anbacken en pickup | Дефект в виде нароста слоя металла | См. рисунок А.26 |
de ![]() en marks | Дефект в виде углублений или выступов, расположенных по всей поверхности или на отдельных ее участках | См. рисунок А.27 |
de Mattschweibe en scale | Дефект в виде отслоений произвольной формы, частично соединенных с основным металлом | См. рисунок А.28 |
de Scheuerstellen en rubbing mark | Дефект в виде шероховатости на поверхности прессованного изделия произвольных размеров | См. рисунок А.29 |
de Hexenschusses en perforation | Дефект в виде углублений различной величины и формы | См. рисунок А.30 |
de Blasen en blisters | Дефект в виде локализованного вспучивания металла различной формы и величины | См. рисунок А.31 |
de Korrosionfleck en corrosion spot | Дефект на поверхности прессованного изделия в виде участков произвольной формы темного или белесого цвета с шероховатой поверхностью | См. рисунок А.32 |
de Riefen en scratch marks | Дефект в виде продольного узкого углубления или выпуклости на прессованном изделии | ![]() |
de ![]() en trace of oil | Дефект в виде пятен, полос натеков и разводов | См. рисунок А.34 |
de Ring spur von richten en annular tracks of straightening | Дефект на поверхности отпрессованного изделия в виде кольцевого отпечатка от пояска матрицы | ![]() |
de ![]() en surface cracks on product | Дефект в виде локального нарушения сплошности металла, ориентированного вдоль направления прессования | См. рисунок А.36 |
de Stangen und-Profilrisse en cracks in rods and profiles | Дефект на поверхности прутка или профиля в виде локального разрыва металла различной формы и величины | ![]() |
de Rohrrisse en cracks in tubes | Дефект на поверхности трубы в виде локальных разрывов металла различной формы и величины | ![]() |
de Kratzer en scratch | Дефект на поверхности прессованного изделия в виде углублений неправильной формы и произвольного направления | ![]() |
3 Дефекты термообработки | ||
de Block ![]() en billet overheating | Дефект в виде волосовидной поверхностной трещины по всей длине заготовки, имеющей хордовое или извилистое направление | См. рисунок А.40 |
de Produkt verbrennen en product burning | Внутренний дефект изделия, характеризующийся оплавлением границ зерен твердого раствора и образованием глобулей внутри зерен | См. рисунок А.41 |
de Verbrennungs blasen en burning blisters | Дефект на поверхности в виде вздутий металла округлой формы, расположенных с явно выраженной строчечностью | См. рисунок А.42 |
de Unterhautblasen en skin holes | Дефект в виде вздутий полуокруглой формы в подповерхностных слоях металла, располагающихся строчками в направлении деформации | ![]() |
de Innere harterisse en internal hardening crack | Внутренний дефект прессованного изделия в виде несплошности металла, имеющий интеркристаллический характер | ![]() |
4 Дефекты покраски и травления | ||
de Niedrig adhasion en Low adhesion | Дефект в виде отслаивания покрытия различной формы и размера по поверхности окрашенных профилей | См. рисунок А.45 |
de Mechanisch eischlusses in decking en mechanical inclusion in coating | Дефект на поверхности профиля в виде посторонних частиц, в том числе другого цвета, волокна, соринки, крупинки на окрашенной поверхности | |
de Weisses einsprengsel en white impregnation | Дефект в виде белых точек на окрашенной поверхности профиля | |
de Wellig en waveness | Дефект в виде повторяющихся волнообразных и видимых невооруженным глазом изменений толщины полимеризованного покрытия | |
de Farbtonabweichungen en color shade change | Дефект в виде местных участков на окрашенных профилях или на всей поверхности окрашенных профилей, отличающихся по оттенку от основного цвета | См. рисунок А.47 |
de Eindruck en stud holes | Дефект на поверхности профиля в виде углублений округлой формы | См. рисунок А.48 |
de en flows of coating | Дефект произвольной формы и размера на поверхности окрашенного профиля в виде наплыва заполимеризованной краски | См. рисунок А.49 |
de Farbaustall en lack of coating | Дефект в виде отсутствия или малой толщины покрытия на отдельных участках | См. рисунок А.50 |
de von thermoelementen exfoliation of foam polyethylene from thermal insert | Дефект в виде неприсоединения вспененного полиэтилена к термической вставке | См. рисунок А.51 |
de mangelen poor-quality anodic film | Дефект на поверхности в виде несплошности пленки и изменения ее цвета | См. рисунок А.52 |
de Fleck en stain | Дефект в виде утолщения покрытия, как правило, по нижней части окрашенного профиля | |
de Trube en tarnished | Дефект в виде перехода цвета на профилях от светлого к темному или от матового к блестящему | |
de Durchstich en pin-hole | Дефект в виде круглых сквозных отверстий в покрытии профиля | |
de Blasenbildung am gefarbten profil en blisters on paintcoated profile | Дефект в виде повышенного количества пор вытянутой формы на поверхности в слое окрашенного профиля | См. рисунок А.53 |
de Gas blase und einschlusses en gas-blister and inclusion | Дефект на поверхности, напоминающий кратеры с отслаиванием покрытия на данном участке | |
de Werkstuckoberflachenanatzen en one of the defects of etching | Дефект на поверхности в виде лунок и фигур травления | См. рисунок А.54 |
de Spuren von profilblocking im polymerisationsofen en traces of profile sticking in curing oven | Дефект в виде одиночных продольных и поперечных строчек с налипанием полимерного материала на поверхность профиля | См. рисунок А.55 |
de Schneeflocke en snowflake | Дефект на поверхности в виде мелких оксидных плен, появляющихся на анодированном изделии | См. рисунок А.56 |
недостаточная de Nicht ausreichend dicke en insufficient thickness of coating | Дефект в виде разнотолщинности покрытия на поверхности профиля | |
de Orange rinde en orange peel | Рельеф окрашенной поверхности профиля в виде ряби ("апельсиновая корка") | |
5 Дефекты геометрии | ||
de Einbeulung en dent | Дефект на поверхности в виде произвольно расположенных местных углублений различной величины и формы | См. рисунок А.57 |
de Beule en buckle | Дефект в виде отклонения от прямолинейности, при котором не все точки по геометрической оси прессованного изделия одинаково удалены от горизонтальной или вертикальной плоскости | См. рисунок А.58 |
de Gesuliffen en polygon | Дефект в виде смятия формы сечения трубы, при котором круглое поперечное сечение представляет собой форму многоугольника | |
de ![]() en squareness of cut | Дефект в виде отклонения от перпендикулярности, при котором плоскость реза образует с продольными плоскостями изделия угол, отличный от прямого угла | ![]() |
de Abweichung der ![]() en non-compliance of angular sizes | Дефект в виде отклонений вертикальных стенок профиля от прямого угла | ![]() |
de Oval en ovalness | Дефект в виде смятия формы сечения трубы, при котором круглое поперечное сечение представляет собой овалообразную форму | ![]() |
de Unbedingt noting en cuting | Дефект, возникающий на операции резки в меру на пильных станках, когда полотно или диск пилы врезается в изделие | См. рисунок А.60 |
de Querkzummung en transversal curvature | Дефект в виде отклонения формы прессованного изделия по ширине | ![]() N - ширина профиля S - кривизна |
de Abweichungen der wanddicke im querschnitt en variation in wall thickness per transverse cross-section | Дефект в виде неравномерности толщины стенки прессованной трубы в поперечном сечении | ![]() |
de Sabelformigkeit en curvature | Дефект в виде отклонения формы, при котором кромки прессованного изделия в горизонтальной плоскости имеют форму дуги | ![]() L - длина профиля B - кривизна |
de Verdrillung en twist | Дефект в виде отклонения формы, характеризующийся поворотом поперечного сечения относительно продольной оси изделия | ![]() |
адгезия низкая | |
включения механические, сорность в покрытии | |
включения неметаллические | |
вкрапления белые в цветном покрытии | |
вмятина | |
волнистость | |
выпуклость | |
граненность | |
гофра | |
ерш на изделии | |
задир | |
закаты инородных включений | |
запрессовка | |
заусенец | |
изменение оттенка цвета | |
интерметаллиды | |
косина реза | |
кратеры | |
кривизна поперечная | |
крупнокристаллический ободок | |
линии различной травимости | |
налип | |
наплыв краски | |
наслоения | |
непрокрас | |
несоответствие угловых размеров | |
овальность | |
отпечатки | |
отслоение вспененного полиэтилена от термовставки | |
перегрев слитка | |
пережог изделия | |
плена | |
пленка анодная некачественная | |
подрез | |
пористость | |
потеки | |
потертость | |
потускнение | |
прокол | |
прострел | |
пузыри | |
пузыри на окрашенном профиле | |
пузыри от запрессовки воздуха | |
пузыри от наслоений | |
пузыри от пережога | |
пузыри подкорковые | |
пятно коррозионное | |
раковины и включения газовые | |
разностенность по поперечному сечению | |
разноструктурность | |
расслоение по сварному шву | |
растрав поверхности изделия | |
риски | |
рыхлота на профиле | |
светловины | |
серповидность | |
скворечник | |
скручивание | |
след от масла | |
следы кольцевые от правки | |
следы от слипания профиля в печи полимеризации | |
снежинка | |
структура веерная | |
структура древовидная | |
толщина покрытия недостаточная | |
трещина внутренняя закалочная | |
трещины внутренние локальные | |
трещина литейная | |
трещины на поверхности изделия | |
трещины на прутках и профилях | |
трещина подкорковая | |
трещины на трубах | |
утяжина | |
царапина | |
шагрень |





















































































