Главная // Актуальные документы // ГОСТ Р (Государственный стандарт)СПРАВКА
Источник публикации
М.: Стандартинформ, 2017
Примечание к документу
Документ
введен в действие с 1 июля 2018 года.
Название документа
"ГОСТ Р ИСО 11418-4-2017. Национальный стандарт Российской Федерации. Тара и укупорочные средства для лекарственных препаратов. Часть 4. Стеклянные флаконы для таблеток"
(утв. и введен в действие Приказом Росстандарта от 08.09.2017 N 1040-ст)
"ГОСТ Р ИСО 11418-4-2017. Национальный стандарт Российской Федерации. Тара и укупорочные средства для лекарственных препаратов. Часть 4. Стеклянные флаконы для таблеток"
(утв. и введен в действие Приказом Росстандарта от 08.09.2017 N 1040-ст)
Утвержден и введен в действие
по техническому регулированию
и метрологии
от 8 сентября 2017 г. N 1040-ст
НАЦИОНАЛЬНЫЙ СТАНДАРТ РОССИЙСКОЙ ФЕДЕРАЦИИ
ТАРА И УКУПОРОЧНЫЕ СРЕДСТВА ДЛЯ ЛЕКАРСТВЕННЫХ ПРЕПАРАТОВ
ЧАСТЬ 4
СТЕКЛЯННЫЕ ФЛАКОНЫ ДЛЯ ТАБЛЕТОК
Containers and accessories for pharmaceutical
preparations. Part 4. Tablet glass bottles
(ISO 11418-4:2005, IDT)
ГОСТ Р ИСО 11418-4-2017
Дата введения
1 июля 2018 года
1 ПОДГОТОВЛЕН Государственным бюджетным образовательным учреждением высшего профессионального образования Первым Московским государственным медицинским университетом имени И.М. Сеченова Министерства здравоохранения Российской Федерации (Первым МГМУ имени И.М. Сеченова) на основе собственного перевода на русский язык англоязычной версии международного стандарта, указанного в
п. 4, в качестве официального в Федеральном информационном фонде технических регламентов и стандартов
2 ВНЕСЕН Техническим комитетом по стандартизации 458 "Разработка, производство и контроль качества лекарственных средств"
3 УТВЕРЖДЕН И ВВЕДЕН В ДЕЙСТВИЕ
Приказом Федерального агентства по техническому регулированию и метрологии от 8 сентября 2017 г. N 1040-ст
4 Настоящий стандарт идентичен международному стандарту ИСО 11418-4:2005 "Тара и укупорочные средства для лекарственных препаратов. Часть 4. Стеклянные флаконы для таблеток" (ISO 11418-4:2005 "Containers and accessories for pharmaceutical preparations - Part 4: Tablet glass bottles", IDT)
При применении настоящего стандарта рекомендуется использовать вместо ссылочных международных стандартов соответствующие им национальные стандарты Российской Федерации, сведения о которых приведены в дополнительном
приложении ДА
5 ВВЕДЕН ВПЕРВЫЕ
Правила применения настоящего стандарта установлены в статье 26 Федерального закона от 29 июня 2015 г. N 162-ФЗ "О стандартизации в Российской Федерации". Информация об изменениях к настоящему стандарту публикуется в ежегодном (по состоянию на 1 января текущего года) информационном указателе "Национальные стандарты", а официальный текст изменений и поправок - в ежемесячном информационном указателе "Национальные стандарты". В случае пересмотра (замены) или отмены настоящего стандарта соответствующее уведомление будет опубликовано в ближайшем выпуске ежемесячного информационного указателя "Национальные стандарты". Соответствующая информация, уведомление и тексты размещаются также в информационной системе общего пользования - на официальном сайте Федерального агентства по техническому регулированию и метрологии в сети Интернет (www.gost.ru)
ИСО (Международная организация по стандартизации) является всемирной федерацией, объединяющей национальные органы по стандартизации (комитеты - члены ИСО). Обычно работа по подготовке международного стандарта осуществляется техническими комитетами ИСО. Каждый комитет-член, заинтересованный в определенной тематике, для которой был учрежден технический комитет, имеет право быть представленным в данном комитете. Государственные и негосударственные международные организации, взаимодействующие с ИСО, также принимают участие в ее работе. ИСО тесно сотрудничает с Международной электротехнической комиссией (МЭК, англ. IEC) по вопросам электротехнической стандартизации.
Проекты международных стандартов разрабатываются в соответствии с правилами, приведенными в части 2 Директив ИСО/МЭК.
Основной задачей технических комитетов является подготовка международных стандартов. Проекты международных стандартов, одобренные техническими комитетами, передаются комитетам-членам для голосования. Публикация проекта в качестве международного стандарта требует одобрения не менее, чем 75% голосующих комитетов-членов.
Обращая внимание на то, что элементы настоящего документа возможно могут являться объектом патентных прав, ИСО заявляет о том, что она не несет ответственности за идентификацию любого или всех подобных патентных прав.
Стандарт ИСО 11418-4 был подготовлен Техническим комитетом ИСО ТК 76 "Трансфузионное, инфузионное и инъекционное оборудование медицинского и фармацевтического назначения".
Настоящее второе издание отменяет и заменяет собой первое издание (ИСО 11418-4:1996), которое было подвергнуто техническому пересмотру.
Стандарт ИСО 11418 состоит из нижеприведенных частей, объединенных общим названием "Тара и укупорочные средства для лекарственных препаратов":
- Часть 1. Стеклянные флаконы-капельницы.
- Часть 2. Стеклянные флаконы с винтовой горловиной для сиропов.
- Часть 3. Флаконы из облегченного стекла с винтовой горловиной для твердых и жидких лекарственных форм.
- Часть 4. Стеклянные флаконы для таблеток.
- Часть 5. Комплекты капельниц.
- Часть 7. Флаконы из стеклянных трубок с винтовой горловиной для жидких лекарственных форм.
Настоящая часть стандарта ИСО 11418 устанавливает требования, предъявляемые к конструктивному исполнению, размерам, материалам и эксплуатационным характеристикам стеклянных флаконов для таблеток. Стеклянные флаконы для таблеток представляют собой первичную упаковку лекарственного средства, находящуюся с ним в непосредственном контакте.
Настоящая часть стандарта ИСО 11418 применима к стеклянным флаконам для таблеток, используемым в фармации. Вместе с соответствующими укупорочными системами они выступают в качестве упаковки непарентеральных лекарственных препаратов, выпускаемых в твердых и жидких лекарственных формах.
Примечание - Материал и эксплуатационные характеристики первичной упаковки могут показывать количественное содержание (активность) действующего вещества, чистоту, стабильность и безопасность лекарственного препарата в процессе его производства и хранения.
Нижеприведенные стандарты являются обязательными для настоящего стандарта. Для датированных документов следует использовать исключительно указанное издание. Для недатированных документов следует использовать последнее издание (включая любые дополнения) нормативного документа, на который приводится ссылка.
ISO 719:1985, Glass - Hydrolytic resistance of glass grains at 98 degrees C - Method of test and classification (Стекло - Гидролитическая стойкость гранул при 98 °C - Метод испытания и классификация)
ISO 720:1985, Glass - Hydrolytic resistance of glass grains at 121 degrees C - Method of test and classification (Стекло - Гидролитическая стойкость гранул при 121 °C - Метод испытания и классификация)
ISO 1101:2012, Geometrical Product Specifications (GPS) - Geometrical tolerancing - Tolerances of form, orientation, location and run-out (Геометрические характеристики изделий (GPS) - Установление геометрических допусков - Допуски на форму, ориентацию, расположение и биение)
ISO 4802-1:2016, Glassware - Hydrolytic resistance of the interior surfaces of glass containers - Part 1: Determination by titration method and classification (Посуда стеклянная - Гидролитическая устойчивость внутренних поверхностей стеклянной тары - Часть 1. Определение титриметрическим методом и классификация)
ISO 4802-2:1988, Glassware - Hydrolytic resistance of the interior surfaces of glass containers - Part 2: Determination by flame spectrometry and classification (Посуда стеклянная - Гидролитическая устойчивость внутренних поверхностей стеклянной тары - Часть 2. Определение методом пламенной спектрометрии и классификация)
ISO 7459:2004, Glass containers - Thermal shock resistance and thermal shock endurance - Test methods (Стеклянная тара - Стойкость к тепловому удару и износостойкость при тепловом ударе - Методы испытаний)
ISO 8113:2004, Glass containers - Resistance to vertical load - Test method (Стеклянная тара - Стойкость к вертикальной нагрузке - Метод испытания)
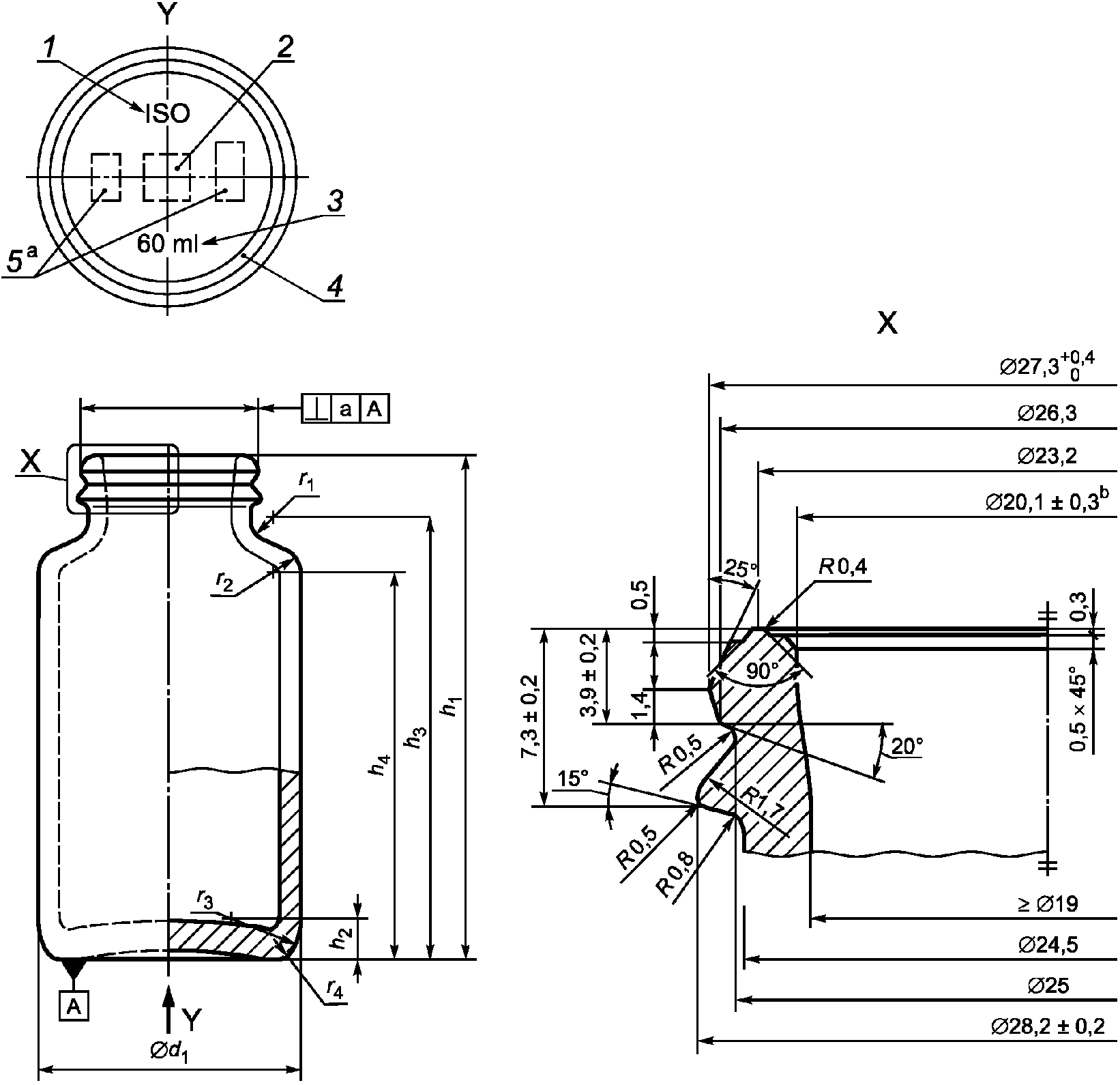
3.1 Размеры
Размеры стеклянных флаконов для таблеток должны соответствовать размерам, указанным на
рисунке 1 и приведенным в
таблице 1.
1 - буквы ISO (необязательно); 2 - товарный знак
производителя; 3 - номинальная вместимость (необязательно);
4 - нижняя поверхность может быть зернистой, плоской или
рифленой; 5 - код производителя/обозначение литейной формы
a) Номер формы может быть помещен на закруглении r3, на дне или на плече флакона.
b) На глубине около 1 мм от верхней точки шейки;

- на глубине около 3 мм.
Рисунок 1 - Типовой стеклянный флакон для таблеток
с указанием местоположения маркировки
Таблица 1
Номинальная вместимость, полная вместимость и размеры
стеклянных флаконов для таблеток
В миллиметрах
Номинальная вместимость, мл | Полная вместимость, мл | a | d1 | h1 | h2 ~= | h3 ~= | h4 ~= | r1 ~= | r2 ~= | r3 ~= | r4 ~= | Масса, г ~= |
номинальный размер | допуск | номинальный размер | допуск |
10 | 12 | 0,65 | 31 | +/- 0,7 | 33,7 | +/- 0,5 | 1,5 | 24,4 | 18,6 | 4 | 3 | - | 1,5 | 20,5 |
20 | 24,5 | 0,85 | 31 | +/- 0,7 | 54,9 | +/- 0,6 | 2,5 | 45,6 | 39,8 | 4 | 3 | - | 2,5 | 30,5 |
40 | 44,5 | 1,0 | 40,2 | +/- 0,8 | 60 | +/- 0,6 | 6 | 49,9 | 41,2 | 4 | 4 | 10,7 | 3 | 43 |
60 | 65,5 | 1,1 | 40,2 | +/- 0,8 | 79,6 | +/- 0,7 | 6 | 70 | 61,2 | 4 | 4 | 10,7 | 3 | 48 |
80 | 85,5 | 1,2 | 47,5 | +/- 0,8 | 81 | +/- 0,7 | 9 | 71,2 | 60,2 | 4 | 5 | 25 | 3 | 80 |
100 | 105,6 | 1,2 | 47,5 | +/- 0,8 | 97 | +/- 0,8 | 10 | 87,2 | 76,2 | 4 | 5 | 25 | 3 | 95 |
Допуски формы, ориентации, расположения и биения, не указанные в настоящей части стандарта ИСО 11418, должны соответствовать значениям, приведенным в стандарте ИСО 1101.
3.2 Обозначение
Стеклянные флаконы для таблеток, предназначенные для использования в фармации, должны обозначаться ссылкой на настоящую часть стандарта ИСО 11418, с последующим указанием номинальной вместимости и цвета стекла.
Пример - В соответствии с настоящей частью стандарта ИСО 11418, стеклянный флакон для таблеток, имеющий номинальную вместимость 60 мл и изготовленный из бесцветного стекла (cl), соответствующего 3 (HC 3) классу гидролитической стойкости согласно требованиям ИСО 4802, обозначается следующим образом: Стеклянный флакон для таблеток ИСО 11418-4 - 60 - cl (Tablet glass bottle ISO 11418-4 - 60 - cl).
4.1 Материал
В качестве материала следует использовать бесцветное (cl) или темное (янтарное) (br) боросиликатное стекло (см. стандарт ИСО 4802-1 или ИСО 4802-2), или известково-натриевое стекло (см. стандарт ИСО 4802-1 или ИСО 4802-2), имеющее 3 (HGB 3) класс гидролитической стойкости согласно ИСО 719 или 2 (HGA 2) класс согласно ИСО 720.
4.2 Эксплуатационные характеристики
4.2.1 Стойкость к вертикальной нагрузке
Стойкость к вертикальной нагрузке должна соответствовать параметрам, приведенным в стандарте ИСО 8113.
4.2.2 Гидролитическая устойчивость
При испытании гидролитической устойчивости внутренней поверхности стеклянного флакона для таблеток в соответствии с требованиями ИСО 4802-1 или ИСО 4802-2, тара должна соответствовать 3 (HC 3) классу гидролитической устойчивости, согласно ИСО 4802.
4.2.3 Стойкость к тепловому удару
В соответствии с испытанием на стойкость к тепловому удару, приведенным в стандарте ИСО 7459, стеклянные флаконы для таблеток должны выдерживать тепловой удар с разницей температур, составляющей 42 °C.
На стеклянный флакон для таблеток должна быть нанесена информация, приведенная на
рисунке 1 (вид Y).
(справочное)
СВЕДЕНИЯ О СООТВЕТСТВИИ ССЫЛОЧНЫХ МЕЖДУНАРОДНЫХ СТАНДАРТОВ
НАЦИОНАЛЬНЫМ СТАНДАРТАМ
Таблица ДА.1
Обозначение ссылочного международного стандарта | Степень соответствия | Обозначение и наименование соответствующего национального стандарта |
ISO 719:1985 | NEQ | ГОСТ 33202-2014 Упаковка стеклянная. Стекло. Гидролитическая стойкость стекла при 98 °C. Метод испытания и классификация |
ISO 720:1985 | - | |
ISO 1101:2012 | - | |
ISO 4802-1:2016 | - | |
ISO 4802-2:1988 | - | |
ISO 7459:2004 | NEQ | |
ISO 8113:2004 | NEQ | ГОСТ 33203-2014 Упаковка стеклянная. Сопротивление вертикальной нагрузке. Методы испытания |
<*> Соответствующий национальный стандарт отсутствует. Примечание - В настоящей таблице использовано следующее условное обозначение степени соответствия стандартов: - NEQ - неэквивалентные стандарты. |