Главная // Актуальные документы // ГОСТ Р (Государственный стандарт)
СПРАВКА
Источник публикации
М.: Стандартинформ, 2018
Примечание к документу
Документ включен в Перечень международных и региональных (межгосударственных) стандартов, а в случае их отсутствия - национальных (государственных) стандартов, содержащих правила и методы исследований (испытаний) и измерений, в том числе правила отбора образцов, необходимые для применения и исполнения требований технического регламента Таможенного союза "О безопасности машин и оборудования" (ТР ТС 010/2011) и осуществления оценки соответствия объектов технического регулирования (Решение Коллегии Евразийской экономической комиссии от 09.03.2021 N 28).

Документ введен в действие с 01.01.2019.
Название документа
"ГОСТ Р 58205-2018. Национальный стандарт Российской Федерации. Горное дело. Определение прочности механических соединений резинотканевых конвейерных лент. Метод статических испытаний"
(утв. и введен в действие Приказом Росстандарта от 21.08.2018 N 507-ст)


"ГОСТ Р 58205-2018. Национальный стандарт Российской Федерации. Горное дело. Определение прочности механических соединений резинотканевых конвейерных лент. Метод статических испытаний"
(утв. и введен в действие Приказом Росстандарта от 21.08.2018 N 507-ст)


Содержание


Утвержден и введен в действие
Приказом Федерального агентства
по техническому регулированию
и метрологии
от 21 августа 2018 г. N 507-ст
НАЦИОНАЛЬНЫЙ СТАНДАРТ РОССИЙСКОЙ ФЕДЕРАЦИИ
ГОРНОЕ ДЕЛО
ОПРЕДЕЛЕНИЕ ПРОЧНОСТИ МЕХАНИЧЕСКИХ СОЕДИНЕНИЙ
РЕЗИНОТКАНЕВЫХ КОНВЕЙЕРНЫХ ЛЕНТ
МЕТОД СТАТИЧЕСКИХ ИСПЫТАНИЙ
Mining. Determination of strength of conveyor belt
mechanical fastenings. Static test method
ГОСТ Р 58205-2018
ОКС 53.040.20,
73.100.40
ОКПД 28.22.19.180
Дата введения
1 января 2019 года
Предисловие
1 РАЗРАБОТАН Обществом с ограниченной ответственностью "Сиб.Т" (ООО "Сиб.Т")
2 ВНЕСЕН Техническим комитетом по стандартизации ТК 269 "Горное дело"
3 УТВЕРЖДЕН И ВВЕДЕН В ДЕЙСТВИЕ Приказом Федерального агентства по техническому регулированию и метрологии от 21 августа 2018 г. N 507-ст
4 ВВЕДЕН ВПЕРВЫЕ
Правила применения настоящего стандарта установлены в статье 26 Федерального закона от 29 июня 2015 г. N 162-ФЗ "О стандартизации в Российской Федерации". Информация об изменениях к настоящему стандарту публикуется в ежегодном (по состоянию на 1 января текущего года) информационном указателе "Национальные стандарты", а официальный текст изменений и поправок - в ежемесячном информационном указателе "Национальные стандарты". В случае пересмотра (замены) или отмены настоящего стандарта соответствующее уведомление будет опубликовано в ближайшем выпуске ежемесячного информационного указателя "Национальные стандарты". Соответствующая информация, уведомление и тексты размещаются также в информационной системе общего пользования - на официальном сайте Федерального агентства по техническому регулированию и метрологии в сети Интернет (www.gost.ru)
1 Область применения
Настоящий стандарт применяется для статического определения прочности механических разъемных и неразъемных стыковых соединений резинотканевых конвейерных лент.
2 Нормативные ссылки
В настоящем стандарте использованы нормативные ссылки на следующие стандарты:
ГОСТ 166 Штангенциркули. Технические условия
ГОСТ ISO 283 Ленты конвейерные резинотканевые. Определение прочности при растяжении по всей толщине, удлинения при разрыве и удлинения при стандартной нагрузке
ГОСТ 427 Линейки измерительные металлические. Технические условия
ГОСТ 7502 Рулетки измерительные металлические. Технические условия
ГОСТ Р 57032-2016 Ленты конвейерные резинотканевые для угольных шахт. Технические условия
Примечание - При пользовании настоящим стандартом целесообразно проверить действие ссылочных стандартов в информационной системе общего пользования - на официальном сайте Федерального агентства по техническому регулированию и метрологии в сети Интернет или по ежегодному информационному указателю "Национальные стандарты", который опубликован по состоянию на 1 января текущего года и по выпускам ежемесячного информационного указателя "Национальные стандарты" за текущий год. Если заменен ссылочный стандарт, на который дана недатированная ссылка, то рекомендуется использовать действующую версию этого стандарта с учетом всех внесенных в данную версию изменений. Если заменен ссылочный стандарт, на который дана датированная ссылка, то рекомендуется использовать версию этого стандарта с указанным выше годом утверждения (принятия). Если после утверждения настоящего стандарта в ссылочный стандарт, на который дана недатированная ссылка, внесено изменение, затрагивающее положение, на которое дана ссылка, то это положение рекомендуется применять без учета данного изменения. Если ссылочный стандарт отменен без замены, то положение, в котором дана ссылка на него, рекомендуется применять в части, не затрагивающей эту ссылку.
3 Термины и определения
В настоящем стандарте применены следующие термины с соответствующими определениями:
3.1 неразъемное механическое соединение: Механическое стыковое соединение без соединительного стержня (см. рисунок 1).
3.2 разъемное механическое соединение: Механическое стыковое соединение с соединительным стержнем (см. рисунки 2 и 3).
3.3 ширина стыка: Количество механических соединителей, умноженное на шаг установки в поперечном направлении.
3.4 шаг установки соединителей: Расстояние между двумя точками, одинаково расположенными на двух соседних механических соединителях (см. рисунки 1 - 3).
4 Объект испытания
4.1 Объектом испытания являются разъемные и неразъемные механические стыковые соединения резинотканевых конвейерных лент.
4.2 Механические стыковые соединения должны быть выполнены по технологии завода - изготовителя механических соединителей, используемых на образцах для испытаний.
4.3 Образцы ленты для изготовления стыкового соединения вырезают из рулона ленты, выдержанной после вулканизации не менее 24 часов.
5 Оборудование и средства измерения
5.1 Испытательная разрывная машина, обеспечивающая точность измерения нагрузки (+/- 1,0)% в диапазоне от 5% до 100% максимальной нагрузки и скорость перемещения подвижного зажима (100 +/- 10) мм/мин.
5.2 Зажимы должны обеспечивать надежное зажатие образцов, исключающее их выскальзывание при возрастании нагрузки.
5.3 Для испытания разъемных механических соединений может применяться гребенка с соединительным стержнем в качестве имитатора второго отрезка ленты (см. рисунок 3).
5.4 Для измерения образцов используются:
- линейка измерительная металлическая по ГОСТ 427;
- штангенциркуль по ГОСТ 166;
- рулетка по ГОСТ 7502.
5.5 Допускается применение других средств измерений, отличающихся от указанных и не уступающих им по своим техническим и метрологическим характеристикам.
5.6 Применяемые при испытаниях средства измерений должны иметь действующие свидетельства о поверке.
6 Испытательные образцы
6.1 Подготовка образцов
6.1.1 Неразъемные механические соединения
6.1.1.1 Подготавливают (вырезают или вырубают) образцы конвейерной ленты шириной (150 +/- 5) мм. Образцы должны быть параллельны оси ленты, отдалены не менее 50 мм от борта и не менее 0,5 м от края (рулона, бухты) ленты, равномерно распределены по ширине ленты.
6.1.1.2 Длина каждого образца складывается из длины механического стыка, двух участков для зажима в захватах разрывной машины и двух свободных участков длиной не менее 100 мм с обеих сторон механического стыка (см. рисунок 1).
участок 1 - участок зажима ленты;
участок 2 - механический стык
Рисунок 1 - Образцы неразъемного механического соединения
6.1.1.3 Каждый образец разрезают пополам по длине и делают неразъемное механическое соединение так, чтобы исследуемая ширина стыка составляла как минимум 100 мм.
6.1.2 Разъемные механические соединения
6.1.2.1 Подготавливают (вырезают или вырубают) образцы конвейерной ленты шириной (150 +/- 5) мм. Образцы должны быть параллельны оси ленты, отдалены не менее 50 мм от борта и не менее 0,5 м от края (рулона, бухты) ленты, равномерно распределены по ширине ленты.
6.1.2.2 Длина каждого образца складывается из длины механического стыка, двух участков для зажима в захватах разрывной машины и двух свободных участков длиной не менее 100 мм с обеих сторон механического стыка (см. рисунок 2).
участок 1 - участок зажима ленты;
участок 2 - механический стык
Рисунок 2 - Образец разъемного механического соединения
6.1.2.3 Каждый образец разрезают пополам по длине и делают разъемное механическое соединение с использованием соединительного стержня так, чтобы исследуемая ширина стыка составляла как минимум 100 мм.
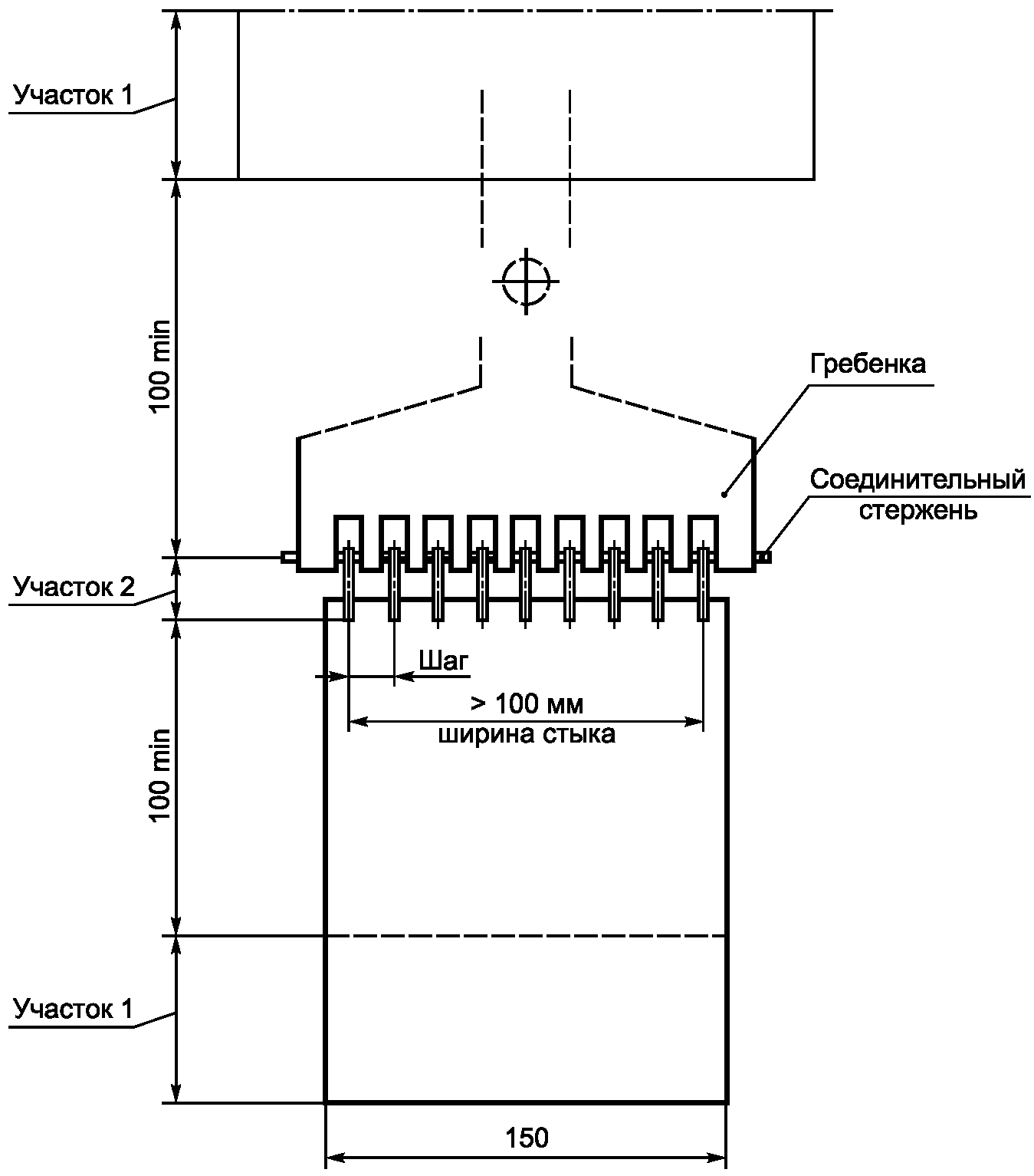
6.1.2.4 В случае испытания разъемных механических соединений с использованием гребенки (см. рисунок 3) и соединительного стержня длина образца складывается из половины длины механического стыка, участка для зажима в захватах разрывной машины и свободного участка длиной не менее 100 мм. Гребенка имитирует вторую сопрягаемую часть механического соединения. Ширина механического стыка должна быть не менее 100 мм.
участок 1 - участок зажима ленты;
участок 2 - механический стык
Рисунок 3 - Образец разъемного механического соединения
с использованием гребенки
6.2 Определение фактической ширины стыка
6.2.1 Определяем количество шагов соединителей. Для этого необходимо 100 мм разделить на шаг установки соединителей, затем полученное число округлить до целого числа в большую сторону.
6.2.2 Фактическая ширина стыка S, мм, определяется по формуле
S = N·B, (1)
где N - количество шагов;
B - шаг установки соединителей, мм.
Пример
Шаг установки соединителей B = 14 мм
Определяем количество шагов N = 100 мм/14 мм = 7,1; округляем до 8
Фактическая ширина стыка S = 8·14 мм = 112 мм.
6.3 Количество образцов
Испытания механического стыка проводят по трем образцам.
6.4 Кондиционирование образцов
Кондиционирование образцов включает в себя размещение образцов на ровной горизонтальной поверхности и выдержку образцов не менее 8 часов при температуре (21 +/- 3) °C.
Определенная влажность для кондиционирования не требуется.
7 Проведение испытаний
7.1 Сущность метода испытаний
Испытуемый образец механического стыкового соединения непрерывно с постоянной скоростью растягивают на разрывной машине до разрыва или разрушения стыка при заданных условиях.
7.2 Условия проведения испытаний
Испытания проводят при температуре (21 +/- 3) °C. Испытания должны проводиться при той же температуре, которая была использована при кондиционировании образцов.
Определенная влажность для испытания не требуется.
7.3 Порядок проведения испытаний
7.3.1 Подготовленный в соответствии с 6.1 образец закрепляют в зажимы испытательной машины таким образом, чтобы продольная ось образца, центровая линия зажимов и линия действия тяговой силы совпадали, обеспечивая равномерное распределение нагрузки по всей ширине образца.
7.3.2 При проведении испытаний разъемных стыковых соединений с применением гребенки в качестве имитатора второго отрезка ленты образец соединяют с гребенкой соединительным стержнем и закрепляют в зажимы испытательной машины таким образом, чтобы продольная ось образца, гребенки и центровая линия зажимов и линия действия тяговой силы совпадали, обеспечивая равномерное распределение нагрузки по всей ширине образца.
7.3.3 Включают машину и растягивают испытуемый образец при постоянной скорости (100 +/- 10) мм/мин до тех пор, пока не произойдет разрушение образца, о чем свидетельствует падение показания нагрузки.
7.3.4 Регистрируют нагрузку, при которой произошло разрушение (разрыв) образца. Допускается автоматический останов испытательной машины, оснащенной графической записью силы, после разрушения образца.
7.3.5 Если наблюдалось выскальзывание образца из зажима, то полученный таким образом результат не учитывается, а испытание повторяют на новом образце.
7.3.6 Если наружные обкладки ленты очень толстые или имеют большой разброс по толщине, испытание можно проводить без наружных обкладок или с наружными обкладками меньшей толщины, чтобы избежать выскальзывания образца из зажимов.
При удалении обкладок не допускается нарушение целостности каркаса ленты.
8 Обработка результатов испытаний
8.1 Разрывную прочность стыкового соединения Pс, Н/мм, вычисляют формуле
Pс = Pразр/S, (2)
где Pразр - нагрузка (разрывное усилие), при которой произошло разрушение образца, Н;
S - фактическая ширина стыка, мм.
Примечание - Фактическая ширина стыка определяется по формуле (1) (см. 6.2).
8.2 За результат испытаний принимается среднеарифметическое значение результатов испытаний трех образцов стыкового соединения.
Результат регистрируют с точностью до 1 Н/мм.
8.3 Разрывную прочность стыкового соединения по отношению к номинальной прочности ленты Pсн, выраженную в процентах, вычисляют по формуле
Pсн = Pс/Pлн·100%, (3)
где Pс - разрывная прочность стыкового соединения, Н/мм;
Pлн - номинальная прочность ленты, Н/мм.
Примечание - Номинальную прочность ленты определяют в соответствии с ГОСТ Р 57032-2016 (пункт 5.2.7).
Результат регистрируют с точностью до 0,1%.
8.4 Разрывную прочность стыкового соединения по отношению к прочности ленты при растяжении по всей толщине Pст, выраженную в процентах, вычисляют по формуле
Pст = Pс/Pлт·100%, (4)
где Pс - разрывная прочность стыкового соединения, Н/мм;
Pлт - разрывная прочность ленты при растяжении по всей толщине, Н/мм.
Примечание - Прочность ленты при растяжении по всей толщине определяют в соответствии с ГОСТ ISO 283.
Результат регистрируют с точностью до 0,1%.
8.5 Фиксируют характер разрушения механического соединения.
8.6 Результаты испытаний оформляются в форме записей в журналах регистрации испытаний и протокола испытаний.
8.7 Протокол испытаний должен содержать:
- обозначение настоящего стандарта;
- дату проведения испытаний;
- условия проведения испытаний;
- обозначение конвейерной ленты и механического стыка;
- размеры и результаты испытаний образцов;
- среднеарифметическое значение разрывной прочности механического стыкового соединения;
- характер разрушения механического соединения;
- разрывную прочность механического стыкового соединения по отношению к номинальной разрывной прочности ленты;
- разрывную прочность механического стыкового соединения по отношению к прочности ленты при растяжении по всей толщине.
9 Требования безопасности
9.1 Во время работы в помещении должны находиться не менее двух человек.
9.2 Испытательная разрывная машина должна быть снабжена защитным экраном.
9.3 При проведении испытаний в зоне работы разрывной машины может находиться только испытатель, проводящий испытания.