Главная // Актуальные документы // ГОСТ Р (Государственный стандарт)СПРАВКА
Источник публикации
М.: Стандартинформ, 2018
Примечание к документу
Документ
введен в действие с 01.07.2018.
Взамен ГОСТ Р 54090-2010.
Название документа
"ГОСТ Р 54090-2018. Национальный стандарт Российской Федерации. Интегрированная логистическая поддержка. Каталоги и перечни предметов снабжения. Структура и состав данных"
(утв. и введен в действие Приказом Росстандарта от 27.02.2018 N 103-ст)
"ГОСТ Р 54090-2018. Национальный стандарт Российской Федерации. Интегрированная логистическая поддержка. Каталоги и перечни предметов снабжения. Структура и состав данных"
(утв. и введен в действие Приказом Росстандарта от 27.02.2018 N 103-ст)
Утвержден и введен в действие
по техническому регулированию
и метрологии
от 27 февраля 2018 г. N 103-ст
НАЦИОНАЛЬНЫЙ СТАНДАРТ РОССИЙСКОЙ ФЕДЕРАЦИИ
ИНТЕГРИРОВАННАЯ ЛОГИСТИЧЕСКАЯ ПОДДЕРЖКА
КАТАЛОГИ И ПЕРЕЧНИ ПРЕДМЕТОВ СНАБЖЕНИЯ
СТРУКТУРА И СОСТАВ ДАННЫХ
Integrated logistic support. Catalogues and lists
of provisioning items. Data structure and content
ГОСТ Р 54090-2018
Дата введения
1 июля 2018 года
1 РАЗРАБОТАН Акционерным обществом "Научно-исследовательский центр "Прикладная Логистика" (АО НИЦ "Прикладная Логистика") и Акционерным обществом "Летно-исследовательский институт имени М.М. Громова" (АО "ЛИИ им. М.М. Громова")
2 ВНЕСЕН Техническим комитетом по стандартизации ТК 482 "Поддержка жизненного цикла экспортируемой продукции военного и продукции двойного назначения"
3 УТВЕРЖДЕН И ВВЕДЕН В ДЕЙСТВИЕ
Приказом Федерального агентства по техническому регулированию и метрологии от 27 февраля 2018 г. N 103-ст
4 ВЗАМЕН ГОСТ Р 54090-2010
Правила применения настоящего стандарта установлены в статье 26 Федерального закона от 29 июня 2015 г. N 162-ФЗ "О стандартизации в Российской Федерации". Информация об изменениях к настоящему стандарту публикуется в ежегодном (по состоянию на 1 января текущего года) информационном указателе "Национальные стандарты", а официальный текст изменений и поправок - в ежемесячном информационном указателе "Национальные стандарты". В случае пересмотра (замены) или отмены настоящего стандарта соответствующее уведомление будет опубликовано в ближайшем выпуске ежемесячного информационного указателя "Национальные стандарты". Соответствующая информация, уведомление и тексты размещаются также в информационной системе общего пользования - на официальном сайте Федерального агентства по техническому регулированию и метрологии в сети Интернет (www.gost.ru)
Настоящий стандарт распространяется на промышленные изделия (далее - изделия) и устанавливает требования к структуре и составу данных в каталогах и перечнях предметов снабжения, формируемых для изделий машиностроения и приборостроения в рамках информационной поддержки их жизненного цикла.
В настоящем стандарте использованы нормативные ссылки на следующие стандарты:
ГОСТ 2.053 Единая система конструкторской документации. Электронная структура изделия. Общие положения
ГОСТ 2.601 Единая система конструкторской документации. Эксплуатационные документы
ГОСТ 2.611 Единая система конструкторской документации. Электронный каталог изделий. Общие положения
ГОСТ 27.002 Надежность в технике. Термины и определения
ГОСТ 25866 Эксплуатация техники. Термины и определения
ГОСТ Р 51725.1 Каталогизация продукции для федеральных государственных нужд. Федеральная система каталогизации продукции для федеральных государственных нужд. Основные положения
ГОСТ Р 53392 Интегрированная логистическая поддержка. Анализ логистической поддержки. Основные положения
ГОСТ Р 53394 Интегрированная логистическая поддержка. Термины и определения
ГОСТ Р 54088 Интегрированная логистическая поддержка. Эксплуатационная и ремонтная документация в форме интерактивных электронных технических руководств. Основные положения и общие требования
ГОСТ Р 55930 Интегрированная логистическая поддержка экспортируемой продукции военного назначения. Применение процедур каталогизации. Общие требования
ГОСТ Р 56136 Управление жизненным циклом продукции военного назначения. Термины и определения
ГОСТ Р ИСО 10007 Менеджмент организации. Руководящие указания по управлению конфигурацией
Примечание - При пользовании настоящим стандартом целесообразно проверить действие ссылочных стандартов в информационной системе общего пользования - на официальном сайте Федерального агентства по техническому регулированию и метрологии в сети Интернет или по ежегодному информационному указателю "Национальные стандарты", который опубликован по состоянию на 1 января текущего года, и по выпускам ежемесячного информационного указателя "Национальные стандарты" за текущий год. Если заменен ссылочный стандарт, на который дана недатированная ссылка, то рекомендуется использовать действующую версию этого стандарта с учетом всех внесенных в данную версию изменений. Если заменен ссылочный стандарт, на который дана датированная ссылка, то рекомендуется использовать версию этого стандарта с указанным выше годом утверждения (принятия). Если после утверждения настоящего стандарта в ссылочный стандарт, на который дана датированная ссылка, внесено изменение, затрагивающее положение, на которое дана ссылка, то это положение рекомендуется применять без учета данного изменения. Если ссылочный стандарт отменен без замены, то положение, в котором дана ссылка на него, рекомендуется применять в части, не затрагивающей эту ссылку.
3 Термины, определения и сокращения
3.1 Термины и определения
3.1.1 изделие с длительным циклом изготовления: Изделие, для которого в силу сложности и больших сроков его изготовления применяют особые правила заказа и поставки.
3.1.2 предмет снабжения: Изделие или группа изделий, являющихся объектами самостоятельной поставки и выделяемых из множества других изделий по заданному набору технических и эксплуатационных характеристик, существенных для процессов интегрированной логистической поддержки.
3.1.3 каталог предметов снабжения: Систематизированная совокупность сведений о предметах снабжения, относящихся к определенному изделию и используемых для обеспечения его технической эксплуатации.
Примечание - Разновидностями каталогов предметов снабжения являются: каталоги составных частей изделия (деталей и сборочных единиц, запасных частей, включая покупные изделия и др.), каталоги оборудования, каталоги инструмента. Они включают технические и иные данные и при необходимости снабжены иллюстрациями (в иллюстрированных каталогах).
3.1.4 перечень предметов снабжения: Список составных частей изделия (деталей и сборочных единиц, запасных частей, включая покупные изделия и др.), оборудования, инструмента, содержащий при необходимости указание на количество предметов снабжения по определенным позициям перечня, потребных для решения определенных задач на стадии эксплуатации изделия.
3.2 Сокращения
В настоящем стандарте использованы следующие сокращения:
АЛП - анализ логистической поддержки;
ИЛП - интегрированная логистическая поддержка;
ИЭТР - интерактивное электронное техническое руководство;
МТО - материально-техническое обеспечение;
ПС - предмет снабжения;
СЧ - составная часть;
ТОиР - техническое обслуживание и ремонт;
ТЭ - техническая эксплуатация;
ФИ - финальное изделие;
ЭСО - электронная система отображения.
4.1 Номенклатуру ПС, необходимых для обеспечения применения и ТЭ изделия на стадии эксплуатации (капитального ремонта), определяют в процессе прогнозирования потребностей в МТО и планирования МТО в рамках АЛП изделия по
ГОСТ Р 53392, включая работы по планированию уровней ТОиР. Для доведения этих сведений до эксплуатантов изделий и организаций по ТОиР используют каталоги и перечни ПС.
4.2 Каталоги и перечни ПС представляют в форме отдельных электронных или бумажных документов либо в форме ИЭТР (раздела ИЭТР) по
ГОСТ Р 54088. Каталоги ПС предназначены, как правило, для идентификации необходимых ПС и условий их заказа. Перечни ПС используют преимущественно для управления запасами в процессах применения по назначению и ТЭ изделия.
4.3 Структуру и содержание каталогов и перечней формируют в соответствии с требованиями настоящего стандарта с использованием элементов данных, приведенных в
приложении А. Состав элементов данных одинаков для каталогов и перечней, но их структурирование и организация могут иметь свои особенности для конкретного вида документа.
Примечание - При соблюдении указанных требований обеспечивается возможность использования каталогов и перечней в автоматизированных системах и передачи данных между разными информационными системами.
4.4 Текстовую часть каталогов выполняют по
ГОСТ 2.611. Требования к выполнению иллюстраций приведены в
5.3.
5 Общие требования к структуре и составу данных
5.1 Номенклатура каталогов и перечней
5.1.1 В общем случае для решения задач согласно
4.1 применяют следующие виды каталогов и перечней:
б) расходных материалов;
в) средств обслуживания (ремонта), инструмента и принадлежностей;
г) стандартных изделий;
д) ремонтируемых изделий;
е) ПС для начального МТО;
ж) изделий с длительным циклом изготовления.
5.1.2 Каталоги (перечни) согласно
5.1.1 а) -
в) содержат номенклатуру запасных частей, расходных материалов, средств ТОиР, инструмента и принадлежностей, необходимых для обеспечения процессов применения по назначению и ТЭ изделия.
В перечень расходных материалов включают сведения о материалах, не имеющих штучного измерения, таких как проволока, смывка, клеящие материалы, припой, герметик и т.п.
Каталог (перечень) средств ТОиР в зависимости от сложности изделия и особенностей его использования по назначению и ТЭ может состоять их нескольких частей и включать сведения отдельно по:
- средствам обслуживания общего применения (средства заправки, энергоснабжения и т.п.);
- средствам обслуживания специального применения (средства доступа к разным частям конструкции изделия, специальные приспособления и т.п.);
- внешним (не встроенным в конструкцию) средствам контроля технического состояния изделия и его СЧ;
- средствам ремонта (стапели и иная оснастка, специальные средства демонтажа и восстановления СЧ изделия и т.п.).
5.1.3 Каталог (перечень) стандартных изделий включает сведения об изделиях, используемых в качестве СЧ рассматриваемого изделия или необходимых для его применения по назначению, ТЭ и выпускаемых разными поставщиками в соответствии с международными, национальными или промышленными стандартами (баллоны, крепежные элементы, светотехника, шины и т.п.).
5.1.4 Каталог (перечень) ремонтируемых изделий является сокращенным вариантом общего каталога (перечня) ПС и содержит сведения по ремонтируемым СЧ самого изделия или средств его ТОиР.
5.1.5 Перечень ПС для начального МТО является сокращенным вариантом общего каталога (перечня) ПС и содержит сведения по минимальным потребным номенклатуре и запасам ПС для начального этапа (освоения) эксплуатации изделия. ПС по этому перечню могут поставляться заказчику изделия одновременно с его первой поставкой.
5.1.6 Перечень (каталог) изделий с длительным циклом изготовления содержит сведения об изделиях, которые имеют цикл изготовления более шести месяцев, что требует специальной организации и особых условий закупок таких изделий.
5.2 Номенклатура элементов данных и их атрибутов
5.2.1 Элементы данных подразделяют на данные, которые описывают собственно изделие (ПС), и данные, описывающие применение изделия в разных конструкциях:
а) данные, описывающие собственно изделие, не учитывают особенности и способы его использования;
б) данные по применению описывают, каким образом используется изделие в конкретной конструкции и могут отличаться для каждого конкретного вида применения изделия.
Примечание - В случае
5.2.1 а) данные содержат неизменные сведения об изделии и могут быть неоднократно использованы при разных применениях этого изделия (в том числе в различных ФИ). Примеры таких данных: наименование изделия, срок его хранения, федеральный номенклатурный номер, единица выпуска и т.д. В случае
5.2.1 б) данные содержат сведения, зависящие от особенностей применения изделия в различных ФИ или в различных системах конкретного ФИ. Примеры таких данных: количество изделий на сборочную единицу, виды работ по ТОиР для конкретного варианта применения изделия, ссылки на техническую документацию и т.д.
5.2.2 Номенклатура элементов данных, их атрибутов и требования по их использованию при формировании каталогов и перечней рассмотрены в
таблицах 1 -
11. Требования к представлению конкретного состава данных устанавливают в договоре на поставку изделия с учетом положений настоящего стандарта,
[1],
[2]. Примеры использования и кодирования данных приведены в
приложении А.
5.2.3 Укрупненная схема данных, применяемая для каталогов и перечней, приведена на
рисунке 1. Дальнейшее деление элементов данных проиллюстрировано на
рисунках 2 -
11.
В поясняющих рисунки таблицах приняты следующие условные обозначения:

- элемент обязательный;

- элемент необязательный.
Если в состав необязательного элемента входит обязательный элемент, то он обязателен только при условии использования родительского элемента.
Рисунок 1 - Схема данных (верхний уровень)
5.2.4 Основные элементы данных верхнего уровня (их идентификаторы), указанные на
рисунке 1, выделены на
рисунке и в
таблицах 1 -
4 полужирным шрифтом.
5.2.4.1 Элемент FIGURE
Рисунок 2 - Схема данных элемента FIGURE
Таблица 1
Состав данных элемента FIGURE
Текстовый идентификатор элемента данных | Наименование элемента данных | Обязательность | Примечания |
FIGURE | | | Иллюстрация |
ICN | Обозначение (контрольный номер) иллюстрации | | |
GRAPHIC | Графические данные | | Графические данные представляют в векторном или растровом формате |
5.2.4.2 Элемент MULTIMEDIA
Рисунок 3 - Схема данных элемента MULTIMEDIA
Таблица 2
Состав данных элемента MULTIMEDIA
Текстовый идентификатор элемента данных | Наименование элемента данных | Обязательность | Примечания |
MULTIMEDIA | | | |
MULTIMEDIA-OBJECT | Обозначение объекта | | |
5.2.4.3 Элемент ZONES
Рисунок 4 - Схема данных элемента ZONES
Таблица 3
Состав данных элемента ZONES
Текстовый идентификатор элемента данных | Наименование элемента данных | Обязательность | Примечания |
ZONES | | | |
ZONE | Код зоны | | Идентификатор зоны, в которой расположено представленное на иллюстрации изделие |
5.2.4.4 Элемент IPP
Атрибуты и элементы, перечисленные ниже, относятся к необязательному элементу "код проекта начальных поставок" (IPP).
Рисунок 5 - Схема данных элемента IPP
Таблица 4
Состав данных элемента IPP
Текстовый идентификатор элемента данных | Наименование элемента данных | Обязательность | Примечания |
IPP | | | |
IPPN | Номер проекта начальных поставок | | Первые пять знаков - код изготовителя детали (MFC). Знаки с шестого по девятый - номер, присвоенный проекту (например, S72820001) |
IPS | Описание изделия в проекте начальных поставок | | Содержит первые 19 символов наименования изделия (соответствующие представленным в [1]) |
FID | Идентификатор использования IPPN | | Указывает на использование кода проекта начальных поставок для ФИ или для его СЧ. Принимает значение "s" в первом случае и "t" во втором |
LGE | Код языка | | Зависит от кода языка государства, где будут использоваться данные |
SID | Расширенный код ПС | | Состоит из элемента MFC (код изготовителя) и элемента PNR (обозначение детали) |
NSN | Номенклатурный код предмета снабжения | | Федеральный номенклатурный номер. За рубежом, как правило, используют номенклатурный код ПС НАТО |
5.2.4.5 Элемент CSN
Атрибуты и элементы, перечисленные ниже, относятся к обязательному составному элементу CSN, содержащему данные о сборочных единицах и деталях.
Рисунок 6 - Схема данных элемента CSN
Таблица 5
Состав данных элемента CSN
Текстовый идентификатор элемента данных | Наименование элемента данных | Обязательность | Примечания |
CSN | Позиция в каталоге | | Составной элемент данных (см. схему данных и пример использования в приложении А). Правила формирования - по ГОСТ 2.611 |
IND | Величина сдвига в строке каталога для данной позиции | | Отображает иерархический уровень изделия в спецификации к иллюстрации. Может принимать значение от 1 до 9 |
ITEM | Номер позиции и вариант номера позиции | | Включает три символа номера позиции и варианта номера позиции. Если вариант номера позиции не определен, то вместо него указывают один пробел |
EIN | Номер функционального элемента | | Уникальный идентификатор элемента, выполняющего некоторую функцию в системе и находящегося в конкретном месте конструкции |
ACCPNL | Точка доступа | | Обозначение точки доступа, с использованием которой элемент доступен для ТОиР |
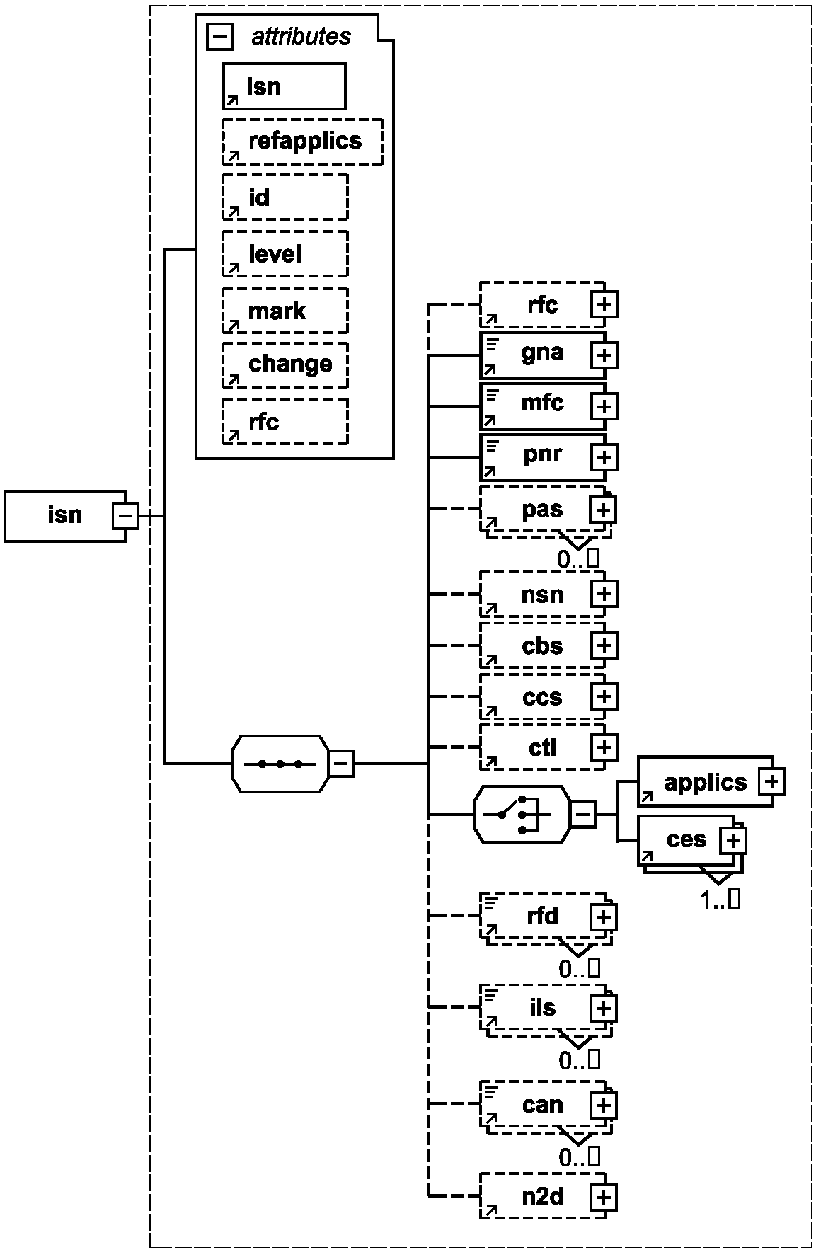
5.2.4.5.1 Элемент ISN
ISN - идентификационные данные об изделии - составной и обязательный элемент, входит в состав элемента CSN.
Рисунок 7 - Схема данных элемента ISN
Таблица 6
Состав данных элемента ISN
Текстовый идентификатор элемента данных | Наименование элемента данных | Обязательность | Примечания |
ISN (атрибут элемента ISN) | Порядковый номер изделия в каталоге | | Первые два знака - порядковый номер, начиная с "00" и далее с шагом 5. Третий знак - буквенно-цифровой код варианта |
RFC | Причина выбора | | Идентификатор причины выбора изделия в качестве запасной части. Правила формирования - по ГОСТ 2.611 |
QNA | Количество в сборочной единице | | Обозначает число данных изделий в сборочной единице более высокого уровня. Если нельзя указать количество, то пишут "AR" (as required - по требованию). Если изделие включено для справки, то "REF" (reference) |
MFC | Код изготовителя | | Код организации по соответствующему классификатору. Содержит набор буквенно-цифровых символов, например KZ999. В РФ используют код организации по классификатору ОКПО или код по классификатору ЕСКД. За рубежом используют код классификации коммерческих и государственных компаний (CAGE) или аналогичный код НАТО (NCAGE) |
5.2.4.5.1.1 Элемент CBS
CBS - данные по расположению изделия - составной необязательный элемент, входит в состав элемента ISN.
Рисунок 8 - Схема данных элемента CBS
Таблица 7
Состав данных элемента CBS
Текстовый идентификатор элемента данных | Наименование элемента данных | Обязательность | Примечания |
ASP | Узлы для обеспечения крепления, хранения или транспортирования изделия | | Может принимать значение: "1" - узел для крепления; "2" - узел для хранения; "3" - узел для транспортирования (узлы для хранения используются только для изделий, находящихся на хранении, а узлы для транспортирования - только для транспортируемых изделий) |
NIL | Нет иллюстрации | | Идентификатор изделия, для которого не предусмотрены иллюстрации. Элемент обозначается знаком переноса "-" |
RTX | Ссылка | | Обозначает ссылку на другие объекты. Правила формирования приведены в приложении А |
IPPREF | Ссылка на IPP | | Предназначен исключительно для ссылки на другие IPP (для неструктурированных каталогов). Содержит номер проекта начальных поставок IPPN, на который дается ссылка |
CSNREF | Ссылка на CSN | | Обозначает ссылки на другой CSN |
SMF | Признак подбора или изготовления | | Идентификатор необходимости подбора изделия, соответствующего особым условиям эксплуатации, или возможности его изготовления на месте. Правила формирования - по ГОСТ 2.611 |
MFM | Комплект для изготовления, доработки или ремонта изделия | | Часть элемента SMF. Определяет номенклатуру СЧ (материалов) в комплекте, предназначенном для изготовления, доработки или ремонта изделия. Состав комплекта указывают путем ссылки на строку (позицию) каталога, номер иллюстрации и обозначение СЧ или просто на обозначение СЧ |
DFL | Данные о расположении изделия | | Описание положения изделия в дополнение к элементу <dfp> (наименование изделия). Например, "Относится к пульту ручного управления" |
5.2.4.5.1.2 Элемент CCS
CCS - данные по применимости - необязательный элемент, входящий в состав ISN.
Рисунок 9 - Схема данных элемента CCS
Таблица 8
Состав данных элемента CCS
Текстовый идентификатор элемента данных | Наименование элемента данных | Обязательность | Примечания |
UCE | Код применимости оборудования | | Идентификатор варианта или конфигурации оборудования, для которого используется изделие |
UCA | Код применимости сборочной единицы | | Идентификатор варианта или конфигурации сборочной единицы, для которой используется изделие |
ICY | Признак взаимозаменяемости | | Идентификатор возможности использования двух или более вариантов изделий для одного местоположения. Код, состоящий из двух символов. Данный элемент имеет значение только в том случае, если элемент <rfs> не равен "0" (изделие рекомендуется в качестве запасной части). Правила формирования - по ГОСТ 2.611 |
CTL | Ссылка на данные в каталоге о контейнере категории 1 | | Используется для указания места хранения сведений о контейнере категории 1 и условиях его приобретения. Контейнер категории 1 - это специально спроектированный для данного типа изделия транспортировочный контейнер, который можно не менее 100 раз использовать для перевозки изделия |
APPLICS | Данные о применимости | | Идентификатор изделий, состав данных о которых не отвечает данному стандарту. Элемент <applic> можно использовать многократно |
5.2.4.5.1.3 Элемент CES
CES - данные по ТОиР, ремонту и модификациям - необязательный элемент, входящий в состав ISN.
Рисунок 10 - Схема данных элемента CES
Таблица 9
Состав данных элемента CES
Текстовый идентификатор элемента данных | Наименование элемента данных | Обязательность | Примечания |
SRV | Код дополнительных услуг | | Идентификатор вида услуг, к которому относятся данные. Первые два знака данного элемента содержат код государства. Значение третьего знака определяется правилами выполнения конкретного проекта |
SMR | Код источника поставки и уровней ТОиР | | Составной код, состоит из трех сегментов (см. приложение А). Код SMR позволяет заказчику принять решения по выбору поставщика, уровням ТОиР и порядку утилизации СЧ изделия из числа предлагаемых разработчиком (поставщиком) изделия |
MOV | Вариант ФИ | | Используется для обозначения вариантов (модификаций) ФИ, на которые может быть установлено данное изделие в данном месте |
EFY | Применяемость | | Сведения о применяемости изделия в других ФИ |
5.2.4.5.1.4 Элемент RFD
Ссылочное обозначение элемента в схемах, используемое для ссылок. Необязательный элемент, входящий в состав ISN.
5.2.4.5.1.5 Элемент ILS
Условный код проекта в технологии ИЛП. Необязательный элемент, входящий в состав ISN.
5.2.4.5.1.6 Элемент CAN
Номер извещения об изменении или бюллетеня. Необязательный элемент, входящий в состав ISN.
5.2.4.5.1.7 Элемент N2D
Необязательный резервный элемент, входящий в состав ISN для используемых нестандартных данных.
5.2.4.5.1.8 Элемент PAS
| | ИС МЕГАНОРМ: примечание. В официальном тексте документа, видимо, допущена опечатка: имеется в виду рисунок 11, а не 9. | |
Данные об изделии. Необязательный элемент, входящий в состав ISN. Элементы на
рисунке 9, перечисленные справа, относятся к составному элементу PAS.
Рисунок 11 - Схема данных элемента PAS
Таблица 10
Состав данных элемента PAS
Текстовый идентификатор элемента данных | Наименование элемента данных | Обязательность | Примечания |
DFP | Наименование изделия | | Описание изделия. В него входит существительное, отражающее существо изделия, за которым следует соответствующее определение |
UOI | Единица поставки | | Описание тары и других главных физических признаков единицы поставки |
UOM | Единица измерения | | Атрибут элемента PCS, содержащий дополнительные данные о единице поставки |
QUI | Количество изделий в единице поставки | | |
STR | Признак особого хранения | | Идентификатор особых требований к условиям хранения изделия. Значение "0", когда изделие не требует особых условий хранения. Значение "1", когда такие особые условия необходимы |
PSC | Код секретности изделия | | Идентификатор степени риска хищения изделия или разглашения сведений о нем |
FTC | Код готовности изделия | | Идентификатор готовности изделия к установке сразу после поставки. Значение "1", если при установке изделия требуется минимальная механообработка на месте (подгонка, сверление отверстий и т.п.). Значение "m", если необходимы специальные производственные условия (ангар, цех, оборудование и т.п.) |
CMK | Признак необходимости калибровки | | Идентификатор требований к калибровке изделия, когда элемент имеет значение "1" |
5.2.5 Для перечней поставки в дополнение к указанным в настоящем разделе на практике дополнительно используют следующие элементы данных:
5.2.5.1 Порядковый номер изделия в перечне поставки (текстовый идентификатор PLISN). Представляет собой последовательно присваиваемый номер, который проставляют в начале каждой строки перечня. Его используют для перекрестных ссылок на приводимые в перечне изделия.
5.2.5.2 Количество на ФИ (текстовый идентификатор QPEI). Общее количество конкретных СЧ, используемых в ФИ. QPEI имеет существенное значение при расчете количества запасных частей, требуемых и планируемых для выполнения ТОиР изделия.
5.2.5.3 Рекомендуемое количество. Для каждого вида изделий может быть установлен предпочтительный способ (методика) расчета количества требуемых запасных частей.
5.2.6 В
таблице 11 приведены обязательные виды данных об изделии.
Таблица 11
Состав обязательных данных об изделии
Текстовый идентификатор элемента | Наименование элемента данных | Примечания |
IND | Величина отступа (в графе каталога) для данной позиции | Числовой код для отображения иерархического уровня изделия в спецификации к иллюстрации (может принимать значения от 1 до 9). Данный атрибут не предназначен для ввода пользователем. Он создается автоматически программным обеспечением |
ISN (атрибут элемента ISN) | Порядковый номер изделия в каталоге | Первые два знака содержат порядковый номер, начиная с "00" и далее с шагом пять. Третий знак содержит буквенно-цифровой код варианта. Данный атрибут не предназначен для ввода пользователем. Он создается автоматически программным обеспечением |
QNA | Количество в сборочной единице | Если изделие включено для справки, то вводятся буквы "REF" (reference). Если нельзя указать количество, то вводятся буквы "AR" (as required - по требованию) |
MFC | Код изготовителя | Код организации по классификатору ОКПО или код по классификатору ЕСКД |
PNR | Обозначение изделия | Используется для обозначения изделия, присвоенного разработчиком |
DFP | Наименование изделия | Используется для описания изделия. В него должно входить существительное, определяющее изделие, за которым может следовать соответствующее определение |
NSN | Номенклатурный код предмета снабжения | В РФ используется федеральный номенклатурный номер (ФНН) |
5.3 Иллюстрации в каталогах
5.3.1 В соответствии с
4.2 каталоги ПС могут быть выполнены в странично-ориентированной форме (бумажной или электронной) или в форме ИЭТР.
5.3.2 Для странично-ориентированной формы каталога используют растровые иллюстрации по
ГОСТ 2.601.
5.3.3 В каталогах, разрабатываемых в форме ИЭТР, могут применяться растровые и векторные иллюстрации с интерактивными выносками (hotspots) или специализированные трехмерные модели (ЭГМИ) по
ГОСТ 2.053, изображающие ПС и их окружение в месте установки. В этом случае ЭСО ИЭТР должна обладать функциями, необходимыми для работы с такой моделью, включая визуализацию сборки-разборки, масштабирование, изменение угла зрения пользователя и т.д., в соответствии с требованиями к функциональности по
ГОСТ Р 54088.
5.3.4 Допускается в состав каталогов ПС в форме ИЭТР включать трехмерные модели для просмотра на экране компьютера и растровые или векторные иллюстрации для печати на бумаге.
(рекомендуемое)
ПРАВИЛА ФОРМИРОВАНИЯ КОДОВ АТРИБУТОВ
А.1 Возможные значения кода источника поставки, ТОиР
Код SMR является одним из наиболее важных элементов данных в перечнях ПС. Он отражает результаты АЛП по
ГОСТ Р 53392 и аккумулирует данные, представленные в эксплуатационной и ремонтной документации.
Код SMR разделен на три сегмента, которые соответственно обозначают:
- место, откуда было поставлено изделие;
- исполнителя ТО (ремонта) изделия и уровень ТО (ремонта);
- какие действия будут предприняты, если изделие невозможно отремонтировать.
Таблица А.1
Значения полей для формирования элемента <smr>
Позиция | Содержание |
1 и 2 | Код источника поставки (способ приобретения изделия) |
3 | Код уровня ТОиР, на котором возможна замена изделия |
4 | Код уровня ТОиР, на котором возможно восстановление (ремонт) изделия |
5 | Код условий утилизации изделия |
6 | Резервный код (определяется правилами проекта ИЛП) |
А.2 Пример использования кодов CSN, ISN, SMF, MFM, ICY
Примеры использования кодов рассмотрены для "модельной" ситуации.
Для "Основного изделия ОИ4" был выпущен бюллетень, который извещал об изменении конструкции, требующем в некоторой входящей в изделие "Пластине П1" просверлить отверстие для дополнительного крепежа этой пластины к решетке. После выполнения этой работы обозначение пластины с новым отверстием меняется на "П1М". Все вновь выпущенные пластины, которые будут поставляться после выпуска бюллетеня, уже будут иметь это дополнительное отверстие и обозначение "ПЗ". Кроме того, эксплуатант может заказать улучшенную пластину как новый вариант такой СЧ с увеличенным сроком службы (с обозначением "УП3"), поскольку она выполнена из титана и уже имеет дополнительное отверстие.
В этой ситуации модуль данных каталога (код S2-A-29-10-00-00A-941A-A) будет выглядеть, как показано в
таблице А.2 (указаны только интересующие в данном примере атрибуты).
Позиция в каталоге (CSN) | Обозначение (PNR) | Наименование (DFP) | Номер изделия в каталоге (ISN) | Взаимозаменяемость (ICY) | Признак подбора (SMF) | Изделия для переработки или ремонта (MFM) |
29-00-00-01A-000A | ОИ4 | Основное изделие | 00A | | | |
29-00-00-01A-001A | Б1 | Блок | 00A | | | |
29-00-00-01A-002A | У2 | Устройство | 00A | | | |
29-00-00-01A-003A | П1 | Пластина | 00A | | | |
29-00-00-01A-003A | П1М | Пластина | 00F | -1 | R | П1 |
29-00-00-01A-003A | П3 | Пластина | 00L | 24 | | |
29-00-00-01A-003A | УП3 | Пластина титановая | 05A | 4- | | |
29-00-00-01A-004A | Б2 | Блок | 00A | | | |
А.3 Правила формирования ссылок
А.3.1 Необязательный элемент <rtx> используется для указания (ссылки) на другие объекты - IPP или CSN.
А.3.2 Ссылка на IPP
Необязательный элемент <ippref> используется исключительно для размещения ссылки на другие IPP (для неструктурированных каталогов). Атрибут refipp содержит номер проекта начальных поставок IPPN, на который дается ссылка. Этот элемент используется для глобальной ссылки на другой IPPN: в электронной форме иллюстрированного каталога он указывает на первый CSN упоминаемого IPPN.
А.3.3 Ссылка на CSN
Необязательный элемент <csnref> используется для размещения ссылки на другой CSN. В данный элемент входят следующие атрибуты:
- refcsn - ссылка на CSN;
- refisn - ссылка на ISN;
- refipp - ссылка на IPPN, только для ссылок на неструктурированные CSN;
- refrpc - ссылка на код MFC.
Элемент <rtx> является составным и содержит необязательный атрибут reftype, который устанавливает тип ссылки "refer to" в соответствии с
таблицей А.3.
Обозначение | Наименование | Примечание |
Nha | Сборочная единица вышестоящего уровня | Сборочная единица, в которую входит данное изделие |
Det | См. более подробно | Ссылка на более подробное описание |
Equivalent | Эквивалентная деталь | Деталь с той же формой, сопрягающими размерами, функциями и техническими характеристиками, что и оригинал |
Substitute | Заменяющая деталь | Деталь с той же формой и сопрягающими размерами, что и у оригинала, однако иначе работающая или с иными техническими характеристиками. Такая деталь может использоваться в особых условиях без изменения самого изделия. При этом могут ухудшиться характеристики изделия |
Attaching | Деталь крепления | Деталь, используемая для крепления деталей к объекту или объектов друг к другу |
Ссылки двух первых типов обеспечивают двустороннюю связь между двумя позициями в каталоге, когда изделие, описанное единожды в структуре объекта (или на иллюстрации), может быть упомянуто в другом месте посредством такой ссылки.
Примеры
1 Ссылку на две сборочные единицы вышестоящего уровня (элемент 040 в проекте 23121101 и элемент 010 в проекте 23121110) представляют следующим образом:
<rtx reftype="nha">
<csnrefrefrpc="F6117"refipp="23121101" refcsn="040"></csnref><csnrefrefrpc="F6117"refipp="23121110"refcsn="010"></csnref> </rtx>.
2 Ссылку на элемент структуры изделия (элемент 050 в проекте 23121101) представляют следующим образом:
<rtx reftype="det">
<csnref refrpc="F6117" refipp="23121101" refcsn="050"></csnref> </rtx>.
3 Ссылку на неструктурированный по разделам перечень ПС для начального МТО представляют следующим образом:
<rtx reftype="det">
<ippref refipp="KZ9990001"></ippref> </rtx>.
А.4 Возможные значения признака "Подбор или изготовление"
Необязательный элемент <smf> используется для обозначения необходимости подбора изделия, соответствующего особым условиям эксплуатации, или возможности его изготовления на месте. Атрибут value используется для хранения данной информации и формируется в соответствии с
таблицей А.4.
Значение атрибута value | Содержание указания | Примечание |
f | Подобрать по месту | Для изделий, физические размеры которых могут быть разными (например, шайбы, регулировочные прокладки, детали большего/меньшего размера) |
t | Подобрать по результатам испытаний | Для изделий, электрические характеристики которых могут отличаться (например, резисторы, конденсаторы) |
m | Изготовить из | Для изделий, которые можно изготовить на месте |
r | Получить путем доработки изделия | Для изделий, которые можно изготовить за счет доработки предварительно подготовленных изделий. Ссылка на инструкции по модификации обязательна |
p | Отремонтировать с использованием | Для изделий, которые можно отремонтировать с использованием предусмотренных для этого запасных частей, ремонтных комплектов изделий и материалов |
А.5 Правила формирования кодов применимости
В настоящем приложении приведен пример формирования кода UCA - применимости изделия в заданной конфигурации сборочной единицы (код UCE - применимость изделия в заданной конфигурации оборудования формируется аналогично).
Формирование кода показано на "модельном" примере. Предположим, что в изделие входит сборочная единица (СЕ), которую можно собрать тремя различными способами в зависимости от требований заказчика. В этой СЕ есть детали, которые отличаются способом сборки.
Для формирования кода заполняем таблицу, при этом для всех изделий (и деталей, и сборочных единиц) указываем соответствующий код UCA
(таблица А.5).
Наименование | Обозначение изделия | Позиция кода UCA |
1 | 2 | 3 | 4 | 5 | 6 |
Сборка (способ 1) | 10 | A | | | | | |
Сборка (способ 2) | 20 | | B | | | | |
Сборка (способ 3) | 30 | | | C | | | |
Деталь | 11 | A | - | - | - | - | - |
Деталь | 21 | - | B | - | - | - | - |
Деталь | 31 | | | | | | |
Деталь | 45 | A | - | C | - | - | - |
Для сборок код UCA определяет способ сборки:
- "СЕ (способ 1) 10" - код UCA = "A";
- "СЕ (способ 2) 20" - код UCA = "B";
- "СЕ (способ 3) 30" - код UCA = "C".
Для деталей код UCA определяет, в каких способах сборки эта деталь задействована:
- "Деталь 11" - код UCA = "A-----", то есть деталь 11 применяется только в СЕ, собранной способом 1;
- "Деталь 21" - код UCA = "-B----", то есть деталь 21 применяется только в СЕ, собранной способом 2;
- "Деталь 31" - код UCA не указан, то есть деталь 31 применяется независимо от способа сборки СЕ;
- "Деталь 45" - код UCA = "A-C---", то есть деталь 45 применяется только в СЕ, собранных способами 1 и 3.
А.6 Правила формирования кода взаимозаменяемости
Код взаимозаменяемости (ICY) состоит из двух символов и указывает на взаимозаменяемость двух изделий, следующих друг за другом в табличном представлении данных каталога. Первый символ показывает тип взаимозаменяемости изделия с предыдущим изделием в таблице каталога, второй символ - тип взаимозаменяемости изделия с последующим изделием в таблице каталога (см. пример в
таблице А.6.1).
Обозначение (PNR) | Наименование (DFP) | ... | Взаимозаменяемость (ICY) |
Г1 | Шланг | | |
Б24 | Датчик давления | | -9 |
Б31 | Датчик давления | | 9- |
Х2 | Хомут | | |
Применяют следующие типы взаимозаменяемости:
- тип "-" - изделия не взаимозаменяемы;
- типы с "1" по "9";
- типы "1" и "2".
В данном примере показано, что "Датчик давления Б24" не взаимозаменяем с изделием "Шланг Г1", так как первый символ в коде взаимозаменяемости "-". Соответственно изделие "Датчик давления Б31" не взаимозаменяемо с изделием "Хомут Х2". При этом "Датчик давления Б24" взаимозаменяем с изделием "Датчик давления Б31", имеющим тип взаимозаменяемости "9".
Типы взаимозаменяемости "1" и "2" используют только совместно и показывают, что изделия взаимозаменяемы, но изделие с типом "2" является более предпочтительным
(таблица А.6.2).
Обозначение (PNR) | Наименование (DFP) | ... | Взаимозаменяемость (ICY) |
Б24 | Датчик давления | | -1 |
Б31 | Датчик давления | | 2- |
В данном примере показано, что "Датчик давления Б24" взаимозаменяем с изделием "Датчик давления Б31", но предпочтительным является использование изделия "Датчик давления Б31".
Типы взаимозаменяемости "3" и "5" используются только совместно и показывают, что изделия взаимозаменяемы, но только "в одну сторону"
(таблица А.6.3).
Обозначение (PNR) | Наименование (DFP) | ... | Взаимозаменяемость (ICY) |
Б24 | Датчик давления | | -3 |
Б31 | Датчик давления | | 5- |
В данном примере показано, что "Датчик давления Б24" может быть заменен изделием "Датчик давления Б31", но при этом "Датчик давления Б31" не может быть заменен изделием "Датчик давления Б24".
Тип "4" указывает, что изделия взаимозаменяемы, но не идентичны друг другу
(таблица А.6.4).
Обозначение (PNR) | Наименование (DFP) | ... | Взаимозаменяемость (ICY) |
Б24 | Датчик давления | | -4 |
Б31 | Датчик давления | | 4- |
В данном примере показано, что изделия "Датчик давления Б24" и "Датчик давления Б31" полностью взаимозаменяемы, но не идентичны (то есть могут, например, иметь разный ресурс или различные требования к техническому обслуживанию).
Тип "6" указывает, что изделия взаимозаменяемы, но только в данном месте. Этот тип используется только тогда, когда для изделий указан атрибут "Данные о расположении" (DFL)
(таблица А.6.5).
Обозначение (PNR) | Наименование (DFP/DFL) | ... | Взаимозаменяемость (ICY) |
Б24 | Датчик давления/Основная система | | -6 |
Б31 | Датчик давления/Резервная система | | 6- |
В данном примере показано, что изделие "Датчик давления Б24" может быть заменено изделием "Датчик давления Б31" только в основной (а не в резервной) системе.
Типы "7" и "8" не используются (резерв).
Тип "9" указывает, что изделия полностью взаимозаменяемы и идентичны.
| ASD S2000M | "Международная спецификация по управлению материально-техническим обеспечением". 5-е издание (International Specification For Material Management. Issue 5.0.) - ASD. - 2012 |
| AC 1.1.S1000DR-2014 | "Международная спецификация на технические публикации, выполняемые на основе общей базы данных" (International specification for technical publications using a common source database) |
УДК 006.1:006.354 | |
Ключевые слова: интегрированная логистическая поддержка, каталог, перечень, изделие, снабжение, поставка, эксплуатация |