Главная // Актуальные документы // ГОСТ Р (Государственный стандарт)СПРАВКА
Источник публикации
М.: Стандартинформ, 2020
Примечание к документу
Документ
введен в действие с 01.03.2021.
Название документа
"ГОСТ Р ИСО 6469-3-2020. Национальный стандарт Российской Федерации. Транспорт дорожный на электрической тяге. Требования безопасности. Часть 3. Электробезопасность. Электрические цепи электрораспределительных систем и электропроводящие вспомогательные электрические системы"
(утв. и введен в действие Приказом Росстандарта от 13.11.2020 N 1069-ст)
"ГОСТ Р ИСО 6469-3-2020. Национальный стандарт Российской Федерации. Транспорт дорожный на электрической тяге. Требования безопасности. Часть 3. Электробезопасность. Электрические цепи электрораспределительных систем и электропроводящие вспомогательные электрические системы"
(утв. и введен в действие Приказом Росстандарта от 13.11.2020 N 1069-ст)
Утвержден и введен в действие
агентства по техническому
регулированию и метрологии
от 13 ноября 2020 г. N 1069-ст
НАЦИОНАЛЬНЫЙ СТАНДАРТ РОССИЙСКОЙ ФЕДЕРАЦИИ
ТРАНСПОРТ ДОРОЖНЫЙ НА ЭЛЕКТРИЧЕСКОЙ ТЯГЕ
ТРЕБОВАНИЯ БЕЗОПАСНОСТИ
ЧАСТЬ 3
ЭЛЕКТРОБЕЗОПАСНОСТЬ.
ЭЛЕКТРИЧЕСКИЕ ЦЕПИ ЭЛЕКТРОРАСПРЕДЕЛИТЕЛЬНЫХ СИСТЕМ
И ЭЛЕКТРОПРОВОДЯЩИЕ ВСПОМОГАТЕЛЬНЫЕ ЭЛЕКТРИЧЕСКИЕ СИСТЕМЫ
Electrically propelled road vehicles. Safety specifications.
Part 3. Electrical safety. Electrical circuits of electrical
distribution systems and electrically conductive auxiliary
electrical systems
(ISO 6469-3:2018, Electrically propelled road vehicles -
Safety specifications - Part 3: Electrical safety, IDT)
ГОСТ Р ИСО 6469-3-2020
Дата введения
1 марта 2021 года
1 ПОДГОТОВЛЕН Национальной ассоциацией производителей источников тока "РУСБАТ" (Ассоциация "РУСБАТ") на основе собственного перевода на русский язык англоязычной версии стандарта, указанного в
пункте 4, и Федеральным государственным унитарным предприятием "Российский научно-технический центр информации по стандартизации, метрологии и оценке соответствия" (ФГУП "СТАНДАРТИНФОРМ")
2 ВНЕСЕН Техническим комитетом по стандартизации ТК 044 "Аккумуляторы и батареи"
3 УТВЕРЖДЕН И ВВЕДЕН В ДЕЙСТВИЕ
Приказом Федерального агентства по техническому регулированию и метрологии от 13 ноября 2020 г. N 1069-ст
4 Настоящий стандарт идентичен международному стандарту ИСО 6469-3:2018 "Транспорт дорожный на электрической тяге. Требования безопасности. Часть 3. Электробезопасность" (ISO 6469-3:2018 "Electrically propelled road vehicles - Safety specifications - Part 3: Electrical safety", IDT), включая изменение Amd. 1:2020.
Наименование стандарта изменено относительно наименования указанного международного стандарта для приведения в соответствие с ГОСТ Р 1.5-2012
(пункт 3.5).
При применении настоящего стандарта рекомендуется использовать вместо ссылочных международных стандартов соответствующие им национальные стандарты, сведения о которых приведены в дополнительном
приложении ДА.
Дополнительные сноски в тексте стандарта, выделенные курсивом, приведены для пояснения текста оригинала
5 ВВЕДЕН ВПЕРВЫЕ
Правила применения настоящего стандарта установлены в статье 26 Федерального закона от 29 июня 2015 г. N 162-ФЗ "О стандартизации в Российской Федерации". Информация об изменениях к настоящему стандарту публикуется в ежегодном (по состоянию на 1 января текущего года) информационном указателе "Национальные стандарты", а официальный текст изменений и поправок - в ежемесячном информационном указателе "Национальные стандарты". В случае пересмотра (замены) или отмены настоящего стандарта соответствующее уведомление будет опубликовано в ближайшем выпуске ежемесячного информационного указателя "Национальные стандарты". Соответствующая информация, уведомление и тексты размещаются также в информационной системе общего пользования - на официальном сайте Федерального агентства по техническому регулированию и метрологии в сети Интернет (www.gost.ru)
Настоящий стандарт устанавливает требования электробезопасности электрических цепей напряжения
класса B электрораспределительных систем и электропроводящих вспомогательных электрических систем дорожных транспортных средств (ТС) с электрическим приводом.
Стандарт устанавливает требования электробезопасности для защиты людей от поражения электрическим током и тепловых воздействий.
Стандарт не устанавливает требования безопасности для персонала производства, обслуживания и ремонта.
Примечания
1 Требования электробезопасности после аварии установлены в ИСО 6469-4.
2 Требования электробезопасности электропроводных соединений дорожных ТС с электрическим приводом к внешнему источнику электропитания установлены в ИСО 17409.
3 Специальные требования электробезопасности беспроводной передачи энергии магнитного поля между внешним источником электропитания и электрическим ТС установлены в ISO PAS 19363.
4 Требования электробезопасности мотоциклов и мопедов установлены в ИСО 13063.
В настоящем стандарте использованы нормативные ссылки на следующие стандарты. Для датированных ссылок применяют только указанное издание ссылочного стандарта, для недатированных - последнее издание (включая все изменения).
ISO 7010, Graphical symbols - Safety colours and safety signs - Registered safety signs (Графические символы. Цвета безопасности и знаки безопасности. Зарегистрированные знаки безопасности)
ISO 17409, Electrically propelled road vehicles - Connection to an external electric power supply - Safety requirements (Транспорт дорожный на электрической тяге. Подсоединение к наружному источнику электропитания. Требования безопасности)
ISO 20653, Road vehicles - Degrees of protection (IP code) - Protection of electrical equipment against foreign objects, water and access [Транспорт дорожный. Степени защиты (IP код). Защита электрооборудования от посторонних объектов, воды и доступа]
IEC 60664 (все части), Insulation coordination for equipment within low-voltage systems (Координация изоляции для оборудования в низковольтных системах)
IEC 60950-1
<1>, Information technology equipment - Safety - Part 1: General requirements (Оборудование информационных технологий. Безопасность. Часть 1. Общие требования)
--------------------------------
<1>
Нет ссылки в тексте стандарта.
IEC 60990:2016, Methods of measurement of touch current and protective conductor current (Методы измерения тока прикосновения и тока защитного проводника)
В настоящем стандарте применены следующие термины с соответствующими определениями.
ИСО и МЭК ведут терминологические базы данных для использования в стандартизации по следующим адресам:
- Электропедия МЭК: доступна на http://www.electropedia.org/;
- платформа онлайн-просмотра ИСО: доступна на http://www.iso.org/obp.
3.1 вспомогательная электрическая система (auxiliary electric system): Система транспортного средства, кроме двигательной установки, работающая на электрической энергии.
3.2
баланс электрической цепи (balance of electric circuit): Часть электрической цепи, оставшаяся после отключения всех источников электроэнергии, находящихся под напряжением [(например,
ПСХЭЭ (3.31) и
батареи топливных элементов (3.20)].
3.3
основная изоляция (basic insulation): Изоляция
опасных токоведущих частей
(3.22), которая обеспечивает
основную защиту (3.4).
Примечания
1 Не применяют к изоляции, используемой исключительно для функциональных целей.
2 В местах, где изоляция не обеспечена только твердой изоляцией, для достижения основной защиты ее дополняют защитными барьерами или защитными кожухами в целях предотвращения доступа к токоведущим частям.
[МЭК 60050-195:1998, статья 195-06-06, модифицированный - термин "опасные части под напряжением" дополнен примечанием 2]
3.4
основная защита (basic protection): Защита от
поражения электрическим током (3.14) при отсутствии повреждений.
[МЭК 60050-195:1998, статья 195-06-01]
3.5
зазор (clearance): Кратчайшее расстояние по воздуху между двумя
проводящими частями (3.6).
[МЭК 60664-1:2007, статья 3.2]
3.6
проводящая часть (conductive part): Часть, которая способна проводить электрический ток.
[МЭК 60050-195:1998, статья 195-01-06]
3.7 электрически соединенная цепь (conductively connected circuit): Две электрические цепи, которые считаются электрически соединенными, если они не разделены хотя бы основной изоляцией.
3.8
расстояние утечки (creepage distance): Кратчайшее расстояние между двумя
проводящими частями (3.6) вдоль поверхности твердого изоляционного материала.
[МЭК 60050-151:2001/AMD1:2013, статья 151-15-50]
3.9 степень защиты; IP (degree of protection; IP): Защита, обеспечиваемая ограждением или барьерами от доступа, посторонних предметов и/или воды и проверенная стандартными методами испытаний в соответствии с ИСО 20653.
[ИСО 20653, модифицированный - дополнен словами "в соответствии с ИСО 20653"]
3.10
прямой контакт (direct contact): Электрический контакт людей или животных с
токоведущими частями (3.25).
[МЭК 60050-195:1998, статья 195-06-03]
3.11
двойная изоляция (double insulation): Изоляция, состоящая из
основной изоляции (3.3) и
дополнительной изоляции (3.33).
[МЭК 60050-195:1998, статья 195-06-08]
3.12
электрическое шасси (electric chassis): Электрически соединенные
проводящие части (3.6) транспортного средства, потенциал которых берут в качестве точки отсчета.
3.13
электропривод (electric drive): Комбинация тягового двигателя, силовой электроники и связанных с ними элементов управления для преобразования электрической энергии в механическую и наоборот.
3.14
поражение электрическим током (electric shock): Физиологическое воздействие электрического тока, проходящего через тело человека или животного.
[МЭК 60050-195:1998, статья 195-01-04]
3.15
транспортное средство на электрической тяге (electrically propelled vehicle): Транспортное средство с одним или несколькими
электроприводами (3.13), приводящими его в движение.
3.16 под напряжением (energized): Состояние проводящей части при наличии на ней потенциала, отличающегося от потенциала проводящей части, выбранной в качестве точки отсчета.
[МЭК 60050-151:2001/AMD1:2013, статья 151-15-58, изменен - исключено примечание]
3.17
эквипотенциальное соединение (equipotential bonding): Электрическое соединение между
проводящими частями (3.6), предназначенное для достижения эквипотенциальности.
[МЭК 60050-195:1998, статья 195-01-10]
3.18
открытая проводящая часть (exposed conductive part):
Проводящая часть (3.6) оборудования, доступная для прикосновения, в нормальном состоянии не находящаяся под напряжением, но может оказаться под напряжением при выходе из строя
основной изоляции (3.3).
Примечание - Проводящую часть электрического оборудования, которая может стать токоведущей только при контакте с другой открытой проводящей частью, ставшей токоведущей, не считают открытой проводящей частью.
[МЭК 61140:2016, статья 3.6, модифицированный - термин "открытая-проводящая-часть" заменен на "открытая проводящая часть", исключено примечание 1]
3.19
защита при повреждении (fault protection): Защита от
поражения электрическим током (3.14) при единичном повреждении.
[МЭК 60050-195:1998, статья 195-06-02]
3.20
батарея топливных элементов (fuel cell stack): Сборка двух или более топливных элементов, электрически связанных между собой.
3.21
система топливных элементов (fuel cell system): Система, как правило, содержащая следующие подсистемы:
батарея топливных элементов (3.20), обработка воздуха, обработка топлива, управление температурным режимом, управление водой и управление ими.
3.22
опасная токоведущая часть (hazardous live part):
Токоведущая часть (3.25), которая при определенных условиях может вызвать существенное поражение электрическим током.
Примечание - Руководство по вредным физиологическим факторам см. в МЭК 61140.
[МЭК 60050-195:1998, статья 195-06-05, модифицированный - термин "опасно-токоведущая часть" заменен на "опасная токоведущая часть" и добавлено примечание 1 к нему]
3.23
сопротивление изоляции, изоляционное сопротивление (isolation resistance, insulation resistance): Сопротивление между
токоведущими частями (3.25) электрической цепи и
электрическим шасси (3.12), а также другими электрическими цепями, изолированными от этой электрической цепи.
3.24
система контроля сопротивления изоляции (isolation resistance monitoring system): Система, обеспечивающая периодический или непрерывный контроль
сопротивления изоляции (3.23) между
токоведущими частями (3.25) и
электрическим шасси (3.12).
3.25
токоведущая часть (live part): Проводник или
проводящая часть (3.6), предназначенная для питания при нормальном использовании [по соглашению - не
электрическое шасси (3.12)].
[МЭК 60050-195:1998, статья 195-02-19, модифицированный, исключены слова "включая нулевой провод"; слова "провод PEN, или провод PEM, или провод PEL" заменены на "электрическое шасси"]
3.26
максимальное рабочее напряжение (maximum working voltage): Наибольшее значение переменного напряжения (среднеквадратическое значение) или постоянного напряжения (без учета переходных процессов и пульсации), которое может возникнуть при любых нормальных условиях эксплуатации в соответствии с техническими условиями изготовителя.
3.27 защита от перегрузки (overload protection): Защита, предназначенная для обеспечения работы при перегрузке на защищаемом участке.
[МЭК 60050-448:1995, статья 448-14-31]
3.28 защита от сверхтока (overcurrent protection): Защита, предназначенная для обеспечения работы при превышении заданного значения тока.
[МЭК 60050-448:1995, статья 448-14-2]
3.29
защитный барьер (protective barrier): Часть, обеспечивающая защиту от
прямого контакта (3.10) с любого обычного направления доступа.
[МЭК 60050-195:1998, статья 195-06-15, модифицированный - исключен дополнительный префикс "(электрически)"]
3.30
защитный кожух (protective enclosure): Электрический корпус, окружающий внутренние части оборудования для предотвращения доступа к опасным
токоведущим частям (3.22) с любого направления.
[МЭК 60050-195:1998, статья 195-06-14, модифицированный - исключен необязательный префикс "(электрически)", слова "опасные-части-под напряжением" заменены на "опасные части под напряжением"]
3.31
перезаряжаемая система хранения электрической энергии; ПСХЭЭ (rechargeable energy storage system; RESS): Перезаряжаемая система накопления и хранения энергии для обеспечения питания электропривода
(3.13).
Пример - Аккумулятор, конденсатор, маховик.
3.32
усиленная изоляция (reinforced insulation): Изоляция
опасных токоведущих частей (3.22), обеспечивающая защиту от
поражения электрическим током (3.14), эквивалентная
двойной изоляции (3.11).
Примечание - Усиленная изоляция может состоять из нескольких слоев, которые не могут быть испытаны раздельно в качестве основной или дополнительной изоляции.
[МЭК 61140:2016, статья 3.10.4]
3.33
дополнительная изоляция (supplementary insulation): Независимая изоляция, применяемая в дополнение к
основной изоляции (3.3) для защиты от повреждений.
[МЭК 60050-195:1998, статья 195-06-07]
3.34 ток прикосновения (touch current): Электрический ток, проходящий через тело человека или животного, когда он касается одной или нескольких доступных частей кабелей или оборудования.
[ИСО 17409:2017, статья 3.42, модифицированный - слова "электрическую установку" заменены на "кабели"]
3.35
схема питания транспортного средства (vehicle power supply circuit): Электрическая цепь
напряжения класса B (3.36), все элементы которой электрически подключены к вводу транспортного средства (пример использования B, C) или штекеру (пример использования A) или контактам автоматически подключаемого зарядного устройства, установленного на электрическом транспортном средстве (пример использования D, E), и которая работает при подключении к внешнему источнику электропитания.
Примечания
1 Примеры использования A, B, C приведены в МЭК 61851-1.
2 Пример использования D, E и зарядное устройство с автоматическим подключением приведены в МЭК 61851-23-1 (в стадии подготовки).
[ИСО 17409:2017, статья 3.47, модифицированный - слово "гальванический" заменено на "проводящий"]
3.36
класс напряжения (voltage class): Классификация электрических компонентов цепи в соответствии с их
максимальным рабочим напряжением (3.26).
3.37 источник электроэнергии (electric power source): Система, обеспечивающая подачу электрической энергии.
Пример - ПСХЭЭ, система топливных элементов, фотоэлектрическая система.
В зависимости от максимального рабочего напряжения
U электрическую цепь, участок цепи или электрический компонент относят к классам напряжения (далее - класс), указанным в
таблице 1.
Таблица 1
Класс напряжения | Максимальное рабочее напряжение U, В |
DC | AC (среднеквадратическое значение) |
| 0 < U <= 60 | 0 < U <= 30 |
| 60 < U <= 1500 | 30 < U <= 1000 |
| 60 < U <= 75 | 30 < U <= 50 |
| 75 < U <= 1500 | 50 < U <= 1000 |
При ссылке другого стандарта на напряжения
класса B применяют требования для напряжения
класса B2.
Примечания
1 Разделение напряжения
класса B на два
класса B1 и
B2 дает возможность использовать трансмиссию с напряжением питания
класса B1 и подключенными к шасси электрическими системами электромобилей в соответствии с заданной областью применения. В противном случае все цепи, содержащие секции переменного тока с максимальным рабочим напряжением от 30 до 50 В и секции постоянного тока с максимальным рабочим напряжением до 60 В, должны быть изолированы от шасси только потому, что часть переменного тока этой цепи попадает в диапазон напряжения
класса B, тогда как часть постоянного тока все еще может подпадать под действие правил для цепи напряжения
класса A.
2 Если требования напряжения
класса B1 выполнены, то максимальное рабочее напряжение электрической цепи, участка цепи или электрического компонента может составлять до 75 В постоянного тока и до 50 В переменного тока.
3 Требования к напряжению
класса B1 основаны на МЭК 61140, МЭК 60479-1, МЭК 60479-2, МЭК 60479-5 и МЭК 60364-4-41.
4 Пределы напряжения
класса B1 согласованы с Европейской директивой по низковольтному оборудованию и МЭК 61140 (предел переменного тока). Электромобили не входят в сферу действия Европейской директивы по низковольтному оборудованию.
5.1 Требования окружающей среды и эксплуатационные требования
Требования, приведенные в настоящем стандарте, применимы во всем диапазоне условий окружающей среды и эксплуатации, для которых предназначено ТС на электрической тяге, как указано его изготовителем.
Примечание - См. ИСО 16750, ISO PAS 19295 и ИСО 19453.
5.2.1 Маркировка электрических компонентов напряжения класса B
Символ W012 по ИСО 7010, показанный на
рисунке 1, должен быть виден на защитных барьерах и защитных кожухах, которые при удалении открывают опасные части под напряжением электрических цепей
класса B. При оценке требований к символам следует учитывать доступность и возможность удаления защитных барьеров и защитных кожухов.
Рисунок 1 - Символ W012
<1>
--------------------------------
<1> В ГОСТ 12.4.026-2015, действующем на территории ЕАЭС, принят
знак W08 - Опасность поражения электрическим током.
Символ может быть выбит или выгравирован в соответствии с
рисунком 1. В этом случае выделение цветом не требуется.
Для защитного ограждения, состоящего из нескольких частей, достаточно одного символа, если обеспечена его видимость.
5.2.2 Маркировка электропроводки класса B
Внешняя оболочка кабелей и жгутов для электрических цепей напряжения
класса B2, не находящихся в защитных кожухах или за защитными барьерами, должна быть оранжевого цвета. На кабелях и жгутах напряжения
класса B1 должна быть двухцветная комбинация оранжевого и фиолетового или оранжевого цвета. При двухцветной маркировке каждый цвет должен покрывать не менее 30% поверхности. Маркировка должна быть видна по всей длине кабеля и со всех обычных направлений доступа.
Разъемы напряжения
класса B могут быть идентифицированы по жгутам, к которым присоединен разъем.
Примечание - Характеристики оранжевого цвета приведены, например, в стандартах США (8,75R5,75/12,5) и Японии (8,8R5,8/12,5) в соответствии с цветовой системой Манселла.
6 Требования к защите людей от поражения электрическим током
6.1.1 Общие требования к подключенным участкам цепи
Если в настоящем стандарте не установлены другие требования, то электрическую цепь, состоящую из электрически соединенных секций с различными максимальными рабочими напряжениями, следует классифицировать по наибольшему максимальному рабочему напряжению.
6.1.2 Общие требования к напряжению класса B1
Защита от поражения электрическим током для напряжения
класса B1 должна включать в себя:
- ограничение напряжения в соответствии с
таблицей 1;
- положения об основной защите в соответствии с
6.2;
- дополнительные меры в соответствии с
6.3.1 и
6.3.3.
Электрическое шасси может быть использовано в качестве проводника для секций постоянного тока электрической цепи напряжения
класса B1, но его не следует использовать в качестве проводника для секций переменного тока электрической цепи напряжения
класса B1.
Электрическая цепь может состоять из секций с напряжением
класса B1 и секций с напряжением
класса A. В этом случае необходимо применять следующие условия:
- при одной неисправности в этой цепи напряжение секций
класса A не должно превышать пределов, установленных для
класса A;
- секции напряжения
класса A должны быть классифицированы как напряжения
класса A.
Примечания
1 Отказ электронного переключателя является примером одного отказа.
2 Меры, указанные в
6.3.5, могут быть применены к компонентам и/или кабелям электрических цепей напряжения
класса B1.
6.1.3 Общие требования к напряжению класса B2
Защита от поражения электрическим током для напряжения
класса B2 должна включать в себя:
- положения по основной защите;
- положения по защите от неисправностей.
Положения по основной защите должны соответствовать требованиям, установленным в
6.2 и
6.3. Положения по защите от неисправностей должны включать в себя
6.3.1,
6.3.2 и
6.3.3.
Для основной защиты должно быть выполнено требование основной изоляции.
Следует применять требования защиты, установленные в
6.4.
Для разных участков цепи для обеспечения основной защиты могут быть применены различные меры.
6.3 Защита при повреждении и дополнительные меры
6.3.1 Эквипотенциальное соединение
Открытые проводящие части электрооборудования напряжения
класса B, к которым после удаления всех других частей, которые могут быть удалены без использования инструментов, можно прикоснуться испытательным пальцем в соответствии с IPXXB (см. ИСО 20653), должны быть присоединены к электрическому шасси для достижения эквипотенциальности.
Все компоненты, образующие путь тока эквипотенциального соединения (проводники, соединения), должны выдерживать максимальный ток в условиях единичного повреждения.
Сопротивление линии эквипотенциального соединения между любыми двумя из открытых проводящих частей электрической цепи напряжения
класса B, к которым может одновременно прикоснуться человек, не должно превышать 0,1 Ом.
Соответствие должно быть проверено по
10.2.
Примечания
1 Части, находящиеся на расстоянии более 2,5 м, как правило, считают недоступными одновременно.
2 Физические барьеры - это средства, предотвращающие одновременный доступ к открытым проводящим частям.
6.3.2 Сопротивление изоляции
Сопротивление изоляции в электрических цепях напряжения
класса B2 должно быть достаточным.
Отношение значения сопротивления изоляции к максимальному значению рабочего напряжения должно быть не менее 100 Ом/В для цепей постоянного тока и 500 Ом/В для цепей переменного тока.
Примечание - Согласно IEC/TS 60479-1 прохождение тока по телу в пределах зоны DC-2 или зоны AC-2 не представляет опасности. Значения токов, рассчитанные исходя из значения 100 Ом/В для постоянного тока и 500 Ом/В для переменного тока, составляют в этих зонах 10 мА постоянного тока и 2 мА переменного тока соответственно.
Для выполнения указанного требования для всей цепи необходимо обеспечить более высокое сопротивление изоляции для каждого компонента в зависимости от числа компонентов и структуры цепи, к которой они принадлежат.
Если электрические цепи постоянного и переменного напряжения
класса B2 соединены электрически (см.
рисунок 2), то для такой цепи должно быть выполнено одно из следующих требований:
- вариант 1. Для комбинированной цепи отношение значения сопротивления изоляции к максимальному значению рабочего напряжения должно составлять не менее 500 Ом/В;
- вариант 2. Если к цепи переменного тока применена хотя бы одна из альтернативных мер защиты, указанных в
6.3.5, то отношение значения сопротивления изоляции к максимальному значению рабочего напряжения должно составлять не менее 100 Ом/В.
Соответствие должно быть проверено по
10.2.
Примечание - Сопротивление изоляции является результатом всех частичных сопротивлений изоляции, см. 6 на рисунке соответствующих электрических цепей.
1 - система топливных элементов; 2 - ПСХЭЭ; 3 - инвертор;
4 - двигатель; 5 - электрическое шасси ТС; 6 - частичные
сопротивления изоляции; 7 - дополнительные меры защиты
для цепи переменного тока
Рисунок 2 - Сопротивление изоляции - примеры
для электрически соединенных цепей переменного
и постоянного тока
6.3.2.2 Дополнительные меры при неподдерживаемом сопротивлении изоляции
Если требование к минимальному сопротивлению изоляции цепи напряжения
класса B2 не может быть обеспечено при всех условиях эксплуатации и в течение срока службы, то следует применить одну из следующих мер:
- периодически или непрерывно контролировать сопротивление изоляции. Если нарушено требование к минимальному сопротивлению изоляции, то должна быть обеспечена выдача соответствующего предупреждения. Цепь напряжения
класса B2 может быть деактивирована и обесточена (см.
6.3.4) в зависимости от рабочего состояния ТС или возможности активации цепи напряжения
класса B2. Система контроля сопротивления изоляции должна быть испытана в соответствии с
10.4;
- альтернативная мера защиты в соответствии с
6.3.5.
Примечания
1 Сопротивления изоляции ниже требуемых минимальных значений могут возникать из-за старения охлаждающих жидкостей систем топливных элементов или некоторых батарей.
2 Если для электрической цепи применяют системы мониторинга с множественной изоляцией, рассматривают их координацию.
3 Для ПСХЭЭ отключение питания применять не допускается.
6.3.3 Емкостная связь и емкостный разряд
Емкостная связь между электрическим шасси и токоведущими частями электрической цепи обычно является результатом применения Y-конденсаторов, используемых в целях электромагнитной совместимости, или появляется вследствие паразитной емкостной связи.
Контролю на наличие емкостной связи подвергают все участки электрической цепи напряжения
класса B2, если ток прикосновения зависит от условий эксплуатации, например от рабочего напряжения, вида тока (переменный или постоянный ток), а также участки электрической цепи напряжения
класса B1 переменного тока, которые не соединены с электрическим шасси.
Примечание - Участок переменного тока электрической цепи напряжения
класса B1 может иметь проводящее соединение с электрическим шасси через другой участок той же цепи.
Если при единичном отказе может возникнуть ток прикосновения между токоведущей частью электрической цепи напряжения
класса B и электрическим шасси, следует применять одно из двух следующих требований:
- накопленная электрическая энергия между любой токоведущей частью под напряжением
класса B и электрическим шасси должна быть менее 0,2 Дж, а после разряда этой накопленной энергии ток прикосновения не должен превышать 5 мА для цепи переменного тока и 25 мА - для цепи постоянного тока;
- использование альтернативной меры защиты в соответствии с
6.3.5.
Примечание - Значение 5 мА переменного тока представляет собой пороговое значение между AC-2 и AC-3 по IEC/TS 60479-1, а 25 мА постоянного тока - между DC-2 и DC-3.
Релевантная емкость представляет собой общую емкость, полученную из всех параллельных емкостей между токоведущей частью электрической цепи напряжения
класса B и электрическим шасси. Для установления требования к энергии следует применять максимальное рабочее напряжение участка цепи.
Требование к пределу энергии считают выполненным, если предел энергии подтвержден расчетом, основанным на емкостях всех связанных частей и компонентов, предусмотренных их конструкцией.
Ток прикосновения следует измерять по
10.5.
Рассматриваемая электрическая цепь напряжения
класса B2 в качестве меры защиты может быть обесточена. Для перехода к обесточиванию может быть использован мониторинг неисправностей в цепи или обнаружение событий. Для обесточенной цепи должно быть выполнено одно из следующих условий:
- напряжение должно быть снижено до значения менее 50 В переменного тока и 75 В постоянного тока;
- общая накопленная энергия контура должна быть менее 0,2 Дж;
- ток прикосновения, протекающий между одновременно доступными проводящими частями, не должен превышать 5 мА переменного тока или 25 мА постоянного тока.
Примечание - Значение 5 мА переменного тока представляет собой пороговое значение между AC-2 и AC-3 по IEC/TS 60479-1, а 25 мА постоянного тока - между DC-2 и DC-3.
Время перехода и условия для достижения обесточенного состояния должны быть указаны изготовителем в соответствии с ожидаемыми отказами и условиями эксплуатации ТС, включая движение.
6.3.5 Альтернативные меры защиты
Для основной защиты и защиты от неисправностей должны быть обеспечены следующие меры:
- двойная изоляция;
- усиленная изоляция;
- защитные барьеры дополнительно к основной защите;
- защитные кожухи дополнительно к основной защите;
- проводящий защитный барьер с эквипотенциальным соединением дополнительно к основной изоляции;
- токопроводящий защитный кожух с эквипотенциальным соединением дополнительно к основной изоляции;
- жесткие защитные барьеры и кожухи с достаточной механической прочностью и долговечностью в течение срока службы ТС.
Выбранная мера или комбинация мер должна быть направлена на устранение того одиночного отказа, для которого она предназначена.
Для разных участков схемы могут быть использованы разные меры.
Требования к защитным мерам установлены в
6.4.
6.4 Общие требования к защитным мерам
6.4.1 Общие положения
Все защитные меры должны быть спроектированы и сконструированы таким образом, чтобы они были эффективными в течение предполагаемого срока службы ТС при использовании по назначению и при надлежащем обслуживании в соответствии со спецификацией изготовителя ТС.
6.4.2 Требования к изоляции
К основной изоляции, двойной изоляции и усиленной изоляции применяют следующие требования.
Изоляция должна соответствовать требованиям, относящимся к основной изоляции, двойной изоляции или усиленной изоляции, установленным в
6.4.5.
Изоляция может представлять собой твердое вещество, жидкость или газ (например, воздух) или любую их комбинацию.
Если изоляция не обеспечивается только твердой изоляцией, доступ к токоведущим частям должен быть заблокирован защитными барьерами или защитными кожухами в соответствии с
6.4.3.
Токоведущие части кабелей, не находящиеся внутри защитных кожухов или за защитными барьерами, должны быть полностью покрыты твердой изоляцией, которая может быть удалена только путем разрушения.
6.4.3 Требования к защитным барьерам и кожухам
6.4.3.1 Общие положения
Защитные барьеры и защитные кожухи должны обладать достаточной механической прочностью, стабильностью и долговечностью, чтобы поддерживать установленные требования к защите с учетом всех соответствующих условий окружающей среды.
Не должно быть возможности открывать или снимать защитные барьеры и кожухи без использования инструментов, или они должны иметь средства для обесточивания токоведущих частей напряжения
класса B в соответствии с
6.4.4 [перечисление c)].
Защитные барьеры и кожухи могут быть электропроводящими или иметь твердую изоляцию.
6.4.3.2 Степень защиты защитных барьеров и кожухов
Защитные барьеры и кожухи должны соответствовать степени защиты как минимум IPXXB.
Защитные барьеры и кожухи в пассажирских и грузовых отсеках должны соответствовать степени защиты как минимум IPXXD.
Соответствие должно быть проверено по ИСО 20653.
6.4.4 Требования к разъемам
Разъемы для электрических цепей напряжения
класса B в сопряженном состоянии должны соответствовать
6.4.3.2.
Разъемы для электрических цепей напряжения
класса B, включая ввод в ТС (пример использования B или C по МЭК 61851-1) или штекер (пример использования A по МЭК 61851-1), а также контакты зарядного устройства с автоматическим подключением (пример использования D и E по МЭК 61851-23-1) должны соответствовать по крайней мере одному из следующих требований:
a) разъем должен соответствовать
6.4.3.2 в разъединенном состоянии;
b) не должно быть возможности разъединить разъем без использования инструментов. Это требование считают выполненным размещением разъема за защитным барьером или внутри защитного кожуха;
c) токоведущие части разъема напряжения
класса B должны быть обесточены, когда он не подключен. Для обесточенных токоведущих частей должно быть выполнено одно из следующих условий:
- напряжение должно быть уменьшено до значения менее 30 В переменного тока и 60 В постоянного тока;
- общая запасенная энергия цепи должна быть не более 0,2 Дж;
- ток прикосновения, протекающий между одновременно доступными проводящими частями, не должен превышать 2 мА для переменного тока или 10 мА для постоянного тока. Соответствие должно быть проверено по
10.5 или подтверждено расчетом.
Примечание - Переменный ток прикосновения 2 мА соответствует сопротивлению изоляции 500 Ом/В. Постоянный ток прикосновения 10 мА соответствует сопротивлению изоляции 100 Ом/В.
6.4.5 Координация изоляции
Зазор, расстояние утечки и прочность изоляции компонентов напряжения
класса B и проводки должны быть спроектированы в соответствии с МЭК 60664.
Допускается использовать другой подход, если он обеспечивает эквивалентную безопасность.
Цепи напряжения
класса B, не имеющие проводной связи с электрическим шасси, должны быть испытаны в соответствии с
10.6.
6.5 Альтернативный подход к защите от поражения электрическим током
В качестве альтернативы
6.3 изготовитель ТС должен провести соответствующий анализ опасности и разработать комплекс мер, обеспечивающих достаточную защиту от поражения электрическим током в условиях единичной неисправности.
7 Защита от перегрузки и короткого замыкания
Защита от перегрузки должна быть обеспечена для проводников под напряжением электрической цепи
класса B в соответствии с их площадью поперечного сечения.
Соответствие проверяют осмотром конструкции.
7.2 Защита от короткого замыкания
Для защиты от короткого замыкания должны быть выполнены требования по
перечислениям a) или
b).
a) Площадь поперечного сечения проводников под напряжением электрической цепи
класса B должна соответствовать номинальной выдерживаемой нагрузке по току короткого замыкания (
I2t) в соответствии с максимальным током короткого замыкания источника электроэнергии.
b) Защита от сверхтоков проводников под напряжением электрической цепи
класса B должна быть обеспечена в соответствии с их площадью поперечного сечения.
Соответствие проверяют осмотром конструкции.
8 Требования к цепи электропитания транспортного средства
Цепь электропитания ТС, если она не подключена к внешнему источнику электропитания, должна соответствовать требованиям настоящего стандарта.
Требования к цепи электропитания ТС с целью проводного подключения к внешнему источнику электропитания установлены в ИСО 17409.
9 Руководство по эксплуатации
В инструкции по эксплуатации должно быть уделено особое внимание вопросам электробезопасности.
Испытания для выбранных мер защиты в соответствии с
разделом 6 следует проводить на каждой электрической цепи напряжения
класса B или секции цепи в составе ТС, когда оно отключено от внешнего источника электропитания.
Если требования безопасности для всего ТС не будут нарушены, то вместо испытания в составе ТС допускается проводить испытания для отдельных компонентов или секций цепей.
10.2 Проверка непрерывности эквипотенциального соединения
Проверку сопротивления эквипотенциального соединения проводят при испытательном токе не менее 0,2 А и напряжении не более 60 В постоянного тока, которое должно в течение не менее 5 с проходить через канал эквипотенциального соединения между любыми двумя открытыми проводящими частями оборудования напряжения
класса B. Этот путь должен быть изолирован от других непреднамеренных потенциальных путей для измерения. В данные эквипотенциальные пути соединения входят корпуса компонентов напряжения
класса B, соединения с электрическим шасси и электрическим шасси ТС или защитными барьерами и защитными кожухами.
Допускается использовать меньший испытательный ток и/или более короткое время испытания при условии, что точность результатов испытания сопротивления эквипотенциального соединения остается на достаточном уровне.
Падение напряжения измеряют между любыми двумя открытыми проводящими частями на расстоянии 2,5 м, до которых одновременно может дотронуться человек. Сопротивление рассчитывают на основе приложенного тока и соответствующего ему падения напряжения.
10.3 Измерения сопротивления изоляции для электрических цепей напряжения класса B2
10.3.1 Предварительная обработка и кондиционирование
Перед измерением испытуемое устройство (ИУ) подвергают предварительному кондиционированию в течение не менее 8 ч при (5 +/- 2) °C, после чего выдерживают в течение 8 ч при температуре (23 +/- 5) °C, влажности

и атмосферном давлении от 86 до 106 кПа.
Допускаются альтернативные предварительная подготовка и параметры предварительного кондиционирования, обеспечивающие переход через точку росы в короткий промежуток времени сразу после начала периода кондиционирования.
Сопротивление изоляции измеряют в течение периода кондиционирования со скоростью, с которой может быть определено самое низкое значение.
10.3.2 Измерение сопротивления изоляции баланса электрических цепей
Испытательное напряжение должно быть постоянным напряжением, равным, по меньшей мере, максимальному рабочему напряжению электрической цепи
класса B2 или 500 В, в зависимости от того, что выше, и его необходимо прикладывать в течение достаточно длительного времени для получения стабильных показаний.
Если в электрической цепи напряжения
класса B2 имеется несколько диапазонов напряжения (например, из-за повышающего преобразователя) в проводящих подключенных участках схемы, и некоторые из компонентов не могут выдержать максимальное рабочее напряжение всей цепи, то сопротивление изоляции участков схемы допускается измерять отдельно приложением их собственных максимальных рабочих напряжений после отключения этих секций цепи.
Следующая процедура испытаний сочетает в себе измерение сопротивления изоляции токоведущих частей баланса напряжений
класса B2 электрических цепей по отношению к электрическим шасси автомобиля и к токоведущим частям напряжения
класса A баланса вспомогательных электрических цепей и к токоведущим частям напряжения
класса B1 баланса вспомогательных электрических цепей, при этом:
- ПСХЭЭ должна быть отключена на своих выводах от электрической цепи;
- батареи топливных элементов и другие источники электроэнергии, находящиеся под напряжением, могут быть отсоединены на своих выводах от электрической цепи; если они остаются подключенными, они не должны быть под напряжением;
- защитные барьеры и кожухи должны быть установлены, если не доказано обратное;
- все токоведущие части баланса электрических цепей (напряжения
класса B2) должны быть соединены друг с другом;
- все открытые проводящие части баланса электрических цепей должны быть подключены к электрическому шасси (см.
6.3.1);
- выводы батарей вспомогательных электрических систем (
класс напряжения A и
B1) должны быть отсоединены от вспомогательных цепей;
- все токоведущие части баланса вспомогательных электрических систем (
класс напряжения A и
B1) должны быть подключены к электрическому шасси.
Затем между подключенными токоведущими частями баланса электрических цепей
класса B2 и электрическим шасси прикладывают испытательное напряжение.
Измерения проводят с использованием соответствующих приборов, которые могут подавать постоянное напряжение (например, мегомметр) при условии, что они подают требуемое испытательное напряжение.
Альтернативой измерения сопротивления изоляции может быть использование процедуры испытания для измерения источников электроэнергии напряжения
класса B2, как указано в
10.3.3, с балансом электрических цепей, подключенных к внешнему источнику питания.
10.3.3 Измерение сопротивления изоляции источников напряжения класса B2
10.3.3.1 Общие положения
К испытаниям источников электропитания напряжения
класса B2, находящихся под напряжением, например ПСХЭЭ и батарей топливных элементов, применяют следующие требования.
10.3.3.2 Подготовка
10.3.3.2.1 Общие положения
Для измерения сопротивления изоляции источников электроэнергии, установленных как для нормальной работы внутри ТС, выводы электрической цепи напряжения
класса B2 источников электроэнергии должны быть отключены от любой электрической цепи, не связанной гальванически с указанным источником питания напряжения
класса B2.
Выводы внутренних вспомогательных систем источников электроэнергии, работающих от источников энергии вне источников электроэнергии (например, от вспомогательной аккумуляторной батареи 12 В), должны быть отсоединены от внешнего источника электропитания и подключены к электрическому шасси ТС, за исключением вывода, необходимого для обеспечения измерения.
Для измерения сопротивления изоляции источника электроэнергии, когда он не установлен в ТС (в качестве автономной системы), электрическое шасси должно моделироваться проводящей частью, например металлической пластиной, к которой должен быть прикреплен источник электропитания с использованием его стандартных монтажных устройств, для включения сопротивлений между корпусом источника электропитания и электрическим шасси ТС. Если в источнике электроэнергии имеется проводящий корпус, его корпус можно рассматривать как электрическое шасси ТС.
Внутреннее сопротивление вольтметра или измерительного прибора, используемого в этом испытании, должно быть более 10 МОм.
10.3.3.2.2 Подготовка для ПСХЭЭ
Если возможно, ПСХЭЭ следует зарядить до максимальной степени заряженности (СЗ) при нормальной работе, рекомендованной изготовителем.
Для измерений в ТС, если ПСХЭЭ заряжается только от бортовых источников энергии, ее следует заряжать до СЗ в пределах нормального рабочего уровня, подходящего для измерения, как определено изготовителем ТС.
10.3.3.2.3 Подготовка для батареи топливных элементов
Для измерения сопротивления изоляции батареи топливных элементов следует учитывать всю механическую структуру системы топливных элементов (включая систему охлаждения с охлаждающей средой). Перед измерением необходимо остановить генерацию электроэнергии после работы в режиме максимальной мощности в соответствии со спецификацией изготовителя. Все кабели должны быть отсоединены от силовых выводов батареи топливных элементов, а все остальные кабели - от других электрических выводов батареи топливных элементов. Все охлаждающие, топливные и воздушные трубки должны оставаться подключенными.
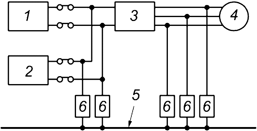
10.3.3.3 Процедура
10.3.3.3.1 Общие положения
Если в источник питания встроены выключатели, то их замыкают во время измерения, если они не влияют на результат испытания.
| |
a) Измерение U1 и U'1 | b) Измерение U2 с добавленным R0 |
Примечания
1 Ri1 и Ri2 - фиктивные сопротивления изоляции между двумя выводами источника электроэнергии и шасси.
2 R0 - сопротивление измерения.
1 - электрическое шасси; 2 - источник электроэнергии
Рисунок 3 - Пример измерения сопротивления изоляции
Вначале измеряют напряжение между отрицательным и положительным выводами источника электроэнергии UEPS.
Затем измеряют напряжения между каждым выводом источника электропитания и электрическим шасси ТС (более высокое напряжение обозначают как
U1, более низкое как

, при этом два соответствующих сопротивления изоляции обозначают
Ri1 и
Ri2 =
Ri).
Примечание - Ri2 - это более низкое сопротивление изоляции и, следовательно, Ri - это сопротивление изоляции, которое необходимо определить.
Добавляют известное измерительное сопротивление R0 параллельно Ri1 и измеряют напряжение U2.
Во время измерений испытательное напряжение должно быть стабильным.
Примечание - Теоретически значение
R0 не влияет на расчетное сопротивление изоляции. Тем не менее, значение
R0 следует выбрать так, чтобы была достигнута достаточная точность измеренных напряжений на рассчитанных сопротивлениях изоляции. Значение
R0, Ом, может быть значением минимального требуемого сопротивления изоляции, Ом/В, умноженным на значение максимального рабочего напряжения источника электроэнергии или электрической цепи
класса B2, которая включает в себя источник электроэнергии, с допустимым отклонением +/- 20%.
R0 не обязательно должен быть именно этим значением, поскольку уравнения верны для любого
R0; однако значение
R0 в этом диапазоне обеспечивает соответствующий диапазон напряжения для измерений напряжения.
Рассчитывают сопротивление изоляции
Ri, используя
R0 и напряжения
U1,

и
U2, используя
уравнение (1)
Ri =
R0·
UEPS·(1/
U2 - 1/
U1). (1)
Примечание -
Уравнение (1) также используется в ИСО 6469-4, но частично с другими индексами.
Альтернативой определения сопротивления изоляции может быть использование адекватных процедур и измерительного оборудования, если результаты будут эквивалентны или иметь четкую корреляцию с результатами, измеренными, как указано выше, например с помощью внутренней системы контроля сопротивления изоляции.
10.3.3.3.2 Процедура для батареи топливных элементов
Измерение сопротивления изоляции батареи топливных элементов проводят по
10.3.3.3.1 с работающей батареей топливных элементов.
Альтернативой этой процедуре может быть выполнение ее в соответствии с
10.3.2 после разряда электричества через выводы питания батареи топливных элементов. Значение применяемого испытательного напряжения должно быть не менее максимального значения напряжения разомкнутой цепи батареи топливных элементов.
10.3.4 Измерение сопротивления изоляции всей электрической цепи
Сопротивление изоляции всех проводящих электрических цепей напряжений
класса B2 может быть рассчитано с использованием измеренных сопротивлений изоляции источников электроэнергии и баланса электрической цепи.
Альтернативой измерения сопротивления изоляции всех проводящих электрических цепей напряжения
класса B2 может быть использование одной из следующих процедур:
- испытания для измерения источников электроэнергии, приведенные в
10.3.3 с балансом электрической цепи, подключенной к источникам электроэнергии. Если в цепи имеются электрические или электронные переключатели (например, транзисторы в силовой электронике), они должны быть активированы. Если эти переключатели не могут быть активированы, соответствующую часть цепи допускается измерять отдельно в соответствии с
10.3.2;
- допускается использовать систему контроля сопротивления изоляции, которая является частью ТС, при условии, что ее точность достаточно высока.
10.4 Испытание системы контроля сопротивления изоляции
Резистор, указанный изготовителем ТС, устанавливают между выводом контролируемой цепи и электрическим шасси.
Этот резистор не должен приводить к падению сопротивления изоляции ниже минимально необходимого значения сопротивления изоляции, указанного в
6.3.2.1.
Должна быть активирована выдача предупреждения.
Примечание - Это испытание предназначено для проверки срабатывания предупреждения превышенного или, как минимум, установленного значения сопротивления изоляции.
Электрическая цепь напряжения
класса B или ее часть должны работать в нормальных условиях эксплуатации, указанных изготовителем ТС.
Установившийся ток прикосновения измеряют с использованием измерительной цепи в соответствии с
рисунком 4 (см. также МЭК 60990). Вывод A измерительной цепи подключают к токоведущей части испытуемой цепи, вывод B - к электрическому шасси.
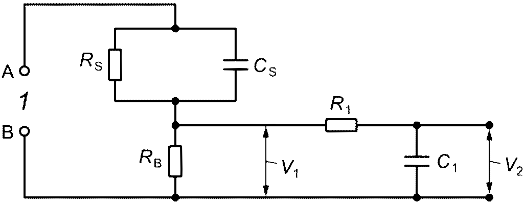
1 - выводы измерительной цепи
RS = 1,5 кОм +/- 5%; RB = 500 Ом +/- 5%; R1 = 10 кОм +/- 5%; CS = 0,22 мкФ +/- 10%; C1 = 0,022 мкФ +/- 10%
Рисунок 4 - Схема измерения
Измеряют среднеквадратическое значение напряжения
V2 (см.
рисунок 4). Для измерения напряжения используют прибор по МЭК 60990 (приложение G).
10.6 Испытание выдерживаемым напряжением
10.6.1 Общие положения
Испытание изоляции выдерживаемым напряжением предназначено для подтверждения достаточности мер защиты для изоляции токоведущих частей электрических цепей
класса B.
Испытание выполняют на балансе электрической цепи.
Источники электроэнергии, которые могут быть обесточены, должны быть обесточены и включены в баланс электрической цепи.
Источники электроэнергии, не являющиеся частью баланса электрической цепи, должны быть испытаны в соответствии с
10.7.
Испытание допускается выполнять на уровне компонентов по усмотрению изготовителя ТС.
Устройства защиты от перенапряжений (SPD), которые могут повлиять на результат испытания, перед испытанием должны быть отключены. Компоненты, такие как фильтры RFI, должны быть включены в импульсное испытание, но могут быть отключены во время испытаний на переменном токе.
10.6.2 Предварительная обработка и кондиционирование
Если изготовитель ТС не указывает альтернативные условия в зависимости от окружающей среды во время его эксплуатации, проводят:
- предварительную подготовку при температуре, установленной для кондиционирования в пределах допуска от минус 0 °C до плюс 4 °C, продолжительностью, обеспечивающей постоянную температуру;
- кондиционирование в течение 48 ч в пределах +/- 2 °C при температуре от 20 °C до 40 °C, влажности от 93% до 3% и атмосферном давлении от 86 до 106 кПа.
10.6.3 Процедура испытания
10.6.3.1 Общие положения
Испытанию подвергают защитные барьеры и кожухи.
Испытание проводят на следующих электрических цепях испытуемого устройства:
- электрические цепи напряжения
класса B1, не имеющие электрического соединения с электрической цепью напряжения
класса A или электрическим шасси.
Для испытуемой электрической цепи напряжения
класса B проводят следующую процедуру испытаний:
- все токоведущие части электрической цепи напряжения
класса B соединяют друг с другом;
- все токоведущие части электрических цепей баланса напряжения
класса A, электрических цепей баланса напряжения B, которые в настоящее время не испытывают, и электрические шасси соединяют друг с другом;
- все открытые проводящие части компонента с проводящим корпусом должны быть подключены к электрическому шасси;
- вокруг корпуса компонента с непроводящим корпусом оборачивают электрод и подключают его к электрическому шасси.
По окончании кондиционирования между подключенными токоведущими частями испытуемой электрической цепи напряжения
класса B и электрическим шасси должно быть приложено испытательное напряжение по
10.6.3.2.
10.6.3.2 Испытательное напряжение
Значение переменного или постоянного испытательного напряжения должно быть более значения максимального напряжения, которое может реально возникнуть на компоненте. Источником испытательного напряжения являются соответствующие перенапряжения электрической цепи, к которой подключен компонент. Следует учитывать переходные перенапряжения, в том числе влияние внешнего источника питания, если таковые имеются. Изготовитель ТС должен указать значения испытательного напряжения и продолжительность его воздействия в соответствии с МЭК 60664.
Примечание - Испытательные напряжения для цепи электропитания ТС указаны в ИСО 17409.
10.6.4 Критерии соответствия
Во время приложения испытательного напряжения не должно происходить ни пробоя диэлектрика, ни вспышки.
10.7 Испытание на выдерживаемое напряжение для источников электроэнергии, находящихся под напряжением
10.7.1 Общие положения
Это испытание проводят для проверки достаточности мер защиты для изоляции токоведущих частей электрических цепей
класса B источников электроэнергии, электрически не соединенных с электрической цепью напряжения
класса A или с электрическим шасси.
По усмотрению изготовителя ТС испытание допускается проводить на уровне ТС.
В этом испытании ИУ относят к источнику электропитания
класса B, который не может быть обесточен.
Испытание на выдерживаемое напряжение для компонентов ИУ (например, блока управления, контактора) допускается выполнять отдельно, если это не влияет на результаты испытания. Для компонентов ИУ, которые обесточены при отсоединении, применяют испытания по
10.6.
Перед началом испытаний должны быть отключены устройства защиты от импульсных перенапряжений (УЗИП), которые могут повлиять на результат испытания. Испытание должно быть проведено с использованием фильтров радиопомех в устройствах защиты.
При испытании на выдерживаемое напряжение учитывают влияние напряжения внутри ИУ. Существуют следующие отличия от испытания на выдерживаемое напряжение для баланса электрической цепи по
10.6:
- токоведущие части положительного и отрицательного полюсов испытуемой цепи подвергают испытанию по отдельности;
- изоляцию токоведущих частей, подключенных к положительному и к отрицательному выводам, проверяют отдельно;
- испытательное напряжение постоянного тока подают между положительным выводом источника электропитания и электрическим шасси, а также между отрицательным выводом источника электропитания и электрическим шасси;
- должна быть указана полярность приложенного испытательного напряжения, чтобы избежать увеличенного воздействия на изоляцию из-за внутреннего напряжения ИУ, которое суммируется с испытательным напряжением.
10.7.2 Предварительная обработка и кондиционирование
ИУ должно быть предварительно подготовлено по
10.6.2.
10.7.3 Испытание
Испытание проводят с установленными защитными барьерами и кожухами.
Значение испытательного напряжения постоянного тока и длительность испытания устанавливают по
10.6.3.2.
Испытание проводят следующим образом:
- выводы ИУ могут быть отключены от электрических цепей. Если ИУ не отсоединено, в испытание включают баланс электрически соединенной с ним электрической цепи;
- если в электрической цепи ИУ напряжения
класса B имеются проводящие соединительные секции напряжения
класса A, то эти секции должны оставаться подключенными;
- все токоведущие части всех электрических цепей, не являющиеся объектами испытания в настоящем испытании, и электрические шасси должны быть соединены друг с другом, за исключением источников электропитания, которые не могут быть обесточены. Для ИУ с проводящим корпусом все открытые проводящие части компонента должны быть подключены к электрическому шасси. Проводящий корпус допускается рассматривать как электрическое шасси;
- для ИУ с непроводящим корпусом на время испытания вокруг корпуса должен быть обернут электрод, подключенный к электрическому шасси;
- испытанию подлежат все токоведущие части источника электроэнергии. Если главные контакторы являются частью ИУ, оно может быть модифицировано таким образом, чтобы все части, находящиеся под напряжением, были подвергнуты испытанию. В этом случае главные контакторы, если они не включены в состав испытания, должны быть испытаны отдельно на способность выдерживать напряжение.
Пример 1 - Главные контакторы ИУ заменены токопроводящими мостами.
Пример 2 - Главные контакторы заменены главными контакторами с внутренним коротким замыканием.
Пример 3 - Линии управления главных контакторов проложены снаружи батареи для обеспечения подачи рабочего напряжения на катушки контактора;
- по окончании кондиционирования испытательное напряжение должно быть приложено между положительной клеммой источника электропитания и электрическим шасси (см.
рисунок 5). Во втором измерении испытательное напряжение должно быть приложено между электрическим шасси и отрицательным выводом источника электроэнергии (см.
рисунок 6). Полярность испытательного напряжения должна быть такой, как показано на
рисунках 5 и
6.
1 - ИУ; 2 - измеритель диэлектрической прочности;
3 - плюсовой полюс испытательного оборудования;
4 - минусовой полюс испытательного оборудования;
5 - положительный вывод электрической цепи напряжения
класса B ИУ;
6 - отрицательный вывод электрической цепи
напряжения
класса B ИУ;
7 - положительный вывод
электрической цепи напряжения
класса A (если имеется)
и/или электрической цепи
класса B1, электрически
подключенной к электрической цепи напряжения
класса A ИУ;
8 - электрическое шасси и отрицательный вывод электрической
цепи напряжения
класса A (если имеется) и/или электрической
цепи напряжения
класса B1, электрически соединенной
с электрической цепью напряжения
класса A ИУ
Рисунок 5 - Конфигурация испытания для измерений
между положительным выводом ИУ и электрическим шасси
1 - ИУ; 2 - измеритель диэлектрической прочности;
3 - плюсовой полюс испытательного оборудования;
4 - минусовой полюс испытательного оборудования;
5 - положительный вывод электрической цепи напряжения
класса B ИУ;
6 - отрицательный вывод электрической цепи
напряжения
класса B ИУ;
7 - положительный вывод
электрической цепи напряжения
класса A (если имеется)
и/или электрической цепи
класса B1, электрически
подключенной к электрической цепи напряжения
класса A ИУ;
8 - электрическое шасси и отрицательный вывод электрической
цепи напряжения
класса A (если имеется) и/или электрической
цепи напряжения
класса B1, электрически соединенной
с электрической цепью напряжения
класса A ИУ
Рисунок 6 - Конфигурация испытания для измерений
между электрическим шасси и отрицательным выводом
проверяемого устройства
10.7.4 Критерии испытаний
Во время испытания не должно происходить ни пробоя диэлектрика, ни вспышек.
(справочное)
СВЕДЕНИЯ О СООТВЕТСТВИИ ССЫЛОЧНЫХ МЕЖДУНАРОДНЫХ СТАНДАРТОВ
НАЦИОНАЛЬНЫМ СТАНДАРТАМ
Таблица ДА.1
Обозначение ссылочного международного стандарта | Степень соответствия | Обозначение и наименование соответствующего национального стандарта |
ISO 7010 | - | |
ISO 17409 | - | |
ISO 20653 | - | |
IEC 60664 (all parts) | IDT | ГОСТ Р МЭК 60664.1-2012 "Координация изоляции для оборудования в низковольтных системах. Часть 1. Принципы, требования и испытания" |
IDT | ГОСТ Р 55210-2012/IEC/TR 60664-2-1:2011 "Координация изоляции для оборудования в низковольтных системах. Часть 2-1. Руководство по применению серии стандартов IEC 60664. Примеры применения типов изоляции и испытания электроизоляционных свойств" |
IDT | ГОСТ Р 55212-2012/IEC/TR 60664-2-1:2011 "Координация изоляции для оборудования в низковольтных системах. Часть 2-2. Рассмотрение вопросов, связанных с интерфейсом. Руководство по применению" |
IDT | ГОСТ IEC 60664-3-2015 "Координация изоляции для оборудования низковольтных систем. Часть 3. Использование покрытий, герметизации и формовки для защиты от загрязнения" |
IDT | ГОСТ IEC 60664-4-2017 "Координация изоляции для оборудования низковольтных систем. Часть 4. Анализ высокочастотного напряжения" |
IDT | ГОСТ IEC 60664-5-2013 "Координация изоляции для оборудования в низковольтных системах. Часть 5. Комплексный метод определения зазоров и путей утечки, равных или менее 2 мм" |
IEC 60990:2016 | IDT | |
<*> Соответствующий национальный стандарт отсутствует. До его принятия рекомендуется использовать перевод на русский язык данного международного стандарта. Примечание - В настоящей таблице использовано следующее условное обозначение степени соответствия стандартов: - IDT - идентичные стандарты. |
[1] | IEC/TS 60479-1, Effects of current on human beings and livestock - Part 1: General aspects (Влияние тока на людей и домашний скот. Часть 1. Общие аспекты) |
[2] | IEC/TS 60479-2, Effect of current on human beings and livestock - Part 2: Special aspects (Влияние тока на людей и домашний скот. Часть 2. Специальные аспекты) |
[3] | IEC 61851-1, Electric vehicle conductive charging system - Part 1: General requirements (Система проводящей зарядки электромобилей. Часть 1. Общие требования) |
[4] | IEC 61851-23-1 (черновик), Electric vehicle conductive charging system - Part 23-1: DC Charging with an automatic connection system (Система электропроводной зарядки электромобилей. Часть 23-1. Зарядка постоянного тока с помощью автоматической системы подключения) |
[5] | ISO 16750 (все части), Road vehicles - Environmental conditions and testing for electrical and electronic equipment (Транспорт дорожный. Условия окружающей среды и испытания электрического и электронного оборудования) |
[6] | ISO 6469-1, Electrically propelled road vehicles - Safety specifications - Part 1: On-board rechargeable energy storage system (RESS) [Транспорт дорожный с электрическим двигателем. Требования безопасности. Часть 1. Бортовая перезаряжаемая система хранения энергии (RESS)] |
[7] | ISO 6469-4, Electrically propelled road vehicles - Safety specifications - Part 4: Post crash electrical safety (Транспорт дорожный с электрическим двигателем. Требования безопасности. Часть 4. Электробезопасность после аварии) |
[8] | ISO 13063, Electrically propelled mopeds and motorcycles - Safety specifications (Мопеды и мотоциклы с электроприводом. Требования безопасности) |
[9] | IEC 60990, Methods of measurement of touch current and protective conductor current (Методы измерения тока прикосновения и тока защитного проводника) |
УДК 621.355:006.354 621.33 | | |
Ключевые слова: электротранспорт, аккумуляторы, батареи, электробезопасность |