Главная // Актуальные документы // ГОСТ Р (Государственный стандарт)СПРАВКА
Источник публикации
М.: Стандартинформ, 2020
Примечание к документу
Документ
введен в действие с 01.03.2021.
Название документа
"ГОСТ Р ИСО 18300-2020. Национальный стандарт Российской Федерации. Транспортные средства на электрической тяге. Методы испытаний гибридных систем литий-ионных и свинцово-кислотных батарей или конденсаторов"
(утв. и введен в действие Приказом Росстандарта от 20.08.2020 N 517-ст)
"ГОСТ Р ИСО 18300-2020. Национальный стандарт Российской Федерации. Транспортные средства на электрической тяге. Методы испытаний гибридных систем литий-ионных и свинцово-кислотных батарей или конденсаторов"
(утв. и введен в действие Приказом Росстандарта от 20.08.2020 N 517-ст)
Утвержден и введен в действие
по техническому регулированию
и метрологии
от 20 августа 2020 г. N 517-ст
НАЦИОНАЛЬНЫЙ СТАНДАРТ РОССИЙСКОЙ ФЕДЕРАЦИИ
ТРАНСПОРТНЫЕ СРЕДСТВА НА ЭЛЕКТРИЧЕСКОЙ ТЯГЕ
МЕТОДЫ ИСПЫТАНИЙ ГИБРИДНЫХ СИСТЕМ ЛИТИЙ-ИОННЫХ
И СВИНЦОВО-КИСЛОТНЫХ БАТАРЕЙ ИЛИ КОНДЕНСАТОРОВ
Electrically propelled vehicles. Test specifications
for lithium-ion battery systems combined with lead
acid battery or capacitor
(ISO 18300:2016, IDT)
ГОСТ Р ИСО 18300-2020
Дата введения
1 марта 2021 года
1 ПОДГОТОВЛЕН Национальной ассоциацией производителей источников тока "РУСБАТ" (Ассоциация "РУСБАТ") на основе собственного перевода на русский язык англоязычной версии стандарта, указанного в
пункте 4, и Федеральным государственным унитарным предприятием "Российский научно-технический центр информации по стандартизации, метрологии и оценке соответствия" (ФГУП "СТАНДАРТИНФОРМ")
2 ВНЕСЕН Техническим комитетом по стандартизации ТК 044 "Аккумуляторы и батареи"
3 УТВЕРЖДЕН И ВВЕДЕН В ДЕЙСТВИЕ
Приказом Федерального агентства по техническому регулированию и метрологии от 20 августа 2020 г. N 517-ст
4 Настоящий стандарт идентичен международному стандарту ИСО 18300:2016 "Транспортные средства на электрической тяге. Методы испытаний гибридных систем литий-ионных и свинцово-кислотных батарей или конденсаторов" (ISO 18300:2016 "Electrically propelled vehicles - Test specifications for lithium-ion battery systems combined with lead acid battery or capacitor", IDT).
Дополнительные сноски, выделенные курсивом, приведены для пояснения текста оригинала
5 ВВЕДЕН ВПЕРВЫЕ
Правила применения настоящего стандарта установлены в статье 26 Федерального закона от 29 июня 2015 г. N 162-ФЗ "О стандартизации в Российской Федерации". Информация об изменениях к настоящему стандарту публикуется в ежегодном (по состоянию на 1 января текущего года) информационном указателе "Национальные стандарты", а официальный текст изменений и поправок - в ежемесячном информационном указателе "Национальные стандарты". В случае пересмотра (замены) или отмены настоящего стандарта соответствующее уведомление будет опубликовано в ближайшем выпуске ежемесячного информационного указателя "Национальные стандарты". Соответствующая информация, уведомление и тексты размещаются также в информационной системе общего пользования - на официальном сайте Федерального агентства по техническому регулированию и метрологии в сети Интернет (www.gost.ru)
Бортовые накопители электрической энергии с высокими рабочими характеристиками являются основным препятствием в разработке электромобилей, доступных по более приемлемым ценам. Для обеспечения высокой эффективности и хороших характеристик движения к источникам накопления электрической энергии предъявляют многочисленные требования, такие как высокая мощность и плотность энергии, длительный календарный срок службы и устойчивость к циклированию, надежность, широкий диапазон температур и отсутствие выбросов загрязняющих веществ. Наиболее распространенными источниками энергии в электрических транспортных средствах являются электрохимические батареи и двойнослойные электрические конденсаторы. Однако установка только одного типа накопителя/источника энергии может быть недостаточной для устранения недостатков каждого отдельного типа. Гибридизация источника энергии позволяет решить некоторые ключевые проблемы, возникающие в электромобилях, когда основным источником энергии является литий-ионный аккумулятор, такие как рекуперативное торможение.
Например, в современных гибридных электромобилях (ЭМГ) для обеспечения питания автомобиля используют аккумуляторные батареи совместно с бензиновыми двигателями. В такой системе используют батарею в качестве силового буфера для поддержки двигателя с целью снижения расхода топлива. В батарее, используемой в ЭМГ, постоянно изменяется количество энергии, которую она генерирует и получает от нагрузки. Большинство аккумуляторных батарей имеют низкую удельную энергию, к тому же срок их службы сокращается при постоянном случайном колебании нагрузки. Решением этой проблемы могут быть гибридная батарейная система, две батарейные системы или комбинированная система с электрическим двойнослойным конденсатором. Используя дополнительные системы накопления энергии, можно добиться улучшения характеристик батареи.
Гибридная литий-ионная батарейная система дает возможность дополнить традиционную бортовую электрическую сеть 12 В электрической системой и компонентами 48 В, сократив разрыв между низкоуровневой гибридизацией, основанной на используемых в настоящее время системах "старт-стоп", основанных на напряжении 12 В. Ожидается, что многие проданные гибриды будут представлять собой микрогибриды, использующие технологии "старт-стоп" и рекуперации при торможении, которые работают либо с существующей электрической системой автомобиля 12 В, либо с комбинированной электрической системой с двумя батареями 12 и 48 В. Эти относительно недорогие системы "старт-стоп" могут обеспечить ограниченную гибридную помощь при запуске двигателя, а также для регенерации энергии во время торможения.
Целью настоящего стандарта является установление требований и методов испытаний такой электрической системы напряжения класса A.
Настоящий стандарт распространяется на системы литий-ионных батарей в сочетании со свинцово-кислотными батареями или электрическими двойнослойными конденсаторами, применяемые в транспортных средствах на электрической тяге с системами напряжения класса A, и устанавливает требования к конструкции и методы испытаний.
Настоящий стандарт распространяется на комбинации систем накопителей электрической энергии, размещаемые в общем корпусе.
В настоящем стандарте нормативные ссылки отсутствуют.
В настоящем стандарте применены термины с соответствующими определениями по ISO/TR 8713, а также следующие термины с соответствующими определениями.
ИСО и МЭК ведут терминологические базы данных для использования в стандартизации по следующим адресам:
- Электропедия МЭК: доступна на http://www.electropedia.org/;
- платформа онлайн-просмотра ИСО: доступна на http://www.iso.org/obp.
3.1 вспомогательная батарея (assistance battery): Батарея, которая временно поддерживает основную батарею.
3.2 вспомогательный конденсатор (assistance capacitor): Электрическая двойнослойная конденсаторная система накопления энергии, которая временно поддерживает основную батарею.
3.3 батарея (battery): Один или несколько аккумуляторов, оснащенных необходимыми для использования устройствами, например корпусом, выводами, и защитными устройствами, а также маркировкой.
3.4 блок контроля и управления батареи; БКУ (battery control unit; BCU): Электронное устройство с функциями контроля, управления, измерения и/или расчета электрических и тепловых параметров батарейной системы, а также обеспечивающее информационную связь между батарейной системой и другими контроллерами транспортного средства.
3.5 емкость C (capacity C): Общее количество ампер-часов, которое может быть получено от полностью заряженной батареи при определенных условиях основной батареи.
3.6 потребитель (customer): Сторона, которая заинтересована в использовании батарейного блока или системы и, следовательно, может заказать или выполнить испытание.
3.7 объект испытаний; ОИ (device under test; DUT): Литий-ионный батарейный блок или система в сочетании со свинцово-кислотной батареей или электрическим двойнослойным конденсатором.
3.8 двойнослойный электрохимический конденсатор; ЭХК (electric double layer capacitor; EDLC): Устройство для электростатического накопления электрической энергии, достигаемой разделением заряда в двойном электрическом слое.
3.9 двойнослойная конденсаторная система накопления электрической энергии (electric double layer capacitor energy storage system): Устройство накопления энергии, состоящее из двойнослойных электрохимических конденсаторов, конденсаторных сборок или блоков, электрически соединенных между собой, а также с электронными устройствами.
3.10 литий-ионный аккумулятор (lithium-ion cell): Аккумулятор, электрическая энергия в котором образуется в результате реакций внедрения и экстракции ионов лития между анодом и катодом.
Примечания
1 Аккумулятор - это базовое промышленно выпускаемое устройство, являющееся источником электрической энергии тока, получаемой прямым преобразованием химической энергии. Аккумулятор состоит из электродов, сепаратора, электролита, корпуса и клемм. Возможность заряжать его электрической энергией обеспечена конструкцией аккумулятора.
2 В настоящем стандарте под аккумулятором подразумевают вторичный литий-ионный элемент, используемый для приведения в движение электромобилей.
3.11 литий-ионный батарейный блок, батарейный блок (lithium-ion battery pack, battery pack): Устройство накопления энергии, состоящее из аккумуляторов, сборок аккумуляторов, электрически соединенных между собой, а также с электронными устройствами на аккумуляторах и с устройствами отключения по превышению тока, и интерфейсов для внешних систем.
Примечание - Примерами интерфейсов являются интерфейсы системы охлаждения, высокого напряжения, вспомогательного низкого напряжения и коммуникации.
3.12 литий-ионная батарейная система, батарейная система (lithium-ion battery system, battery system): Устройство накопления энергии, состоящее из аккумуляторов, сборок аккумуляторов или батарейных блоков, электрически соединенных между собой, а также электронных устройств.
Пример - БКУ, контакторы.
3.13 основная батарея (main battery): Литий-ионный батарейный блок или система, которая в основном непрерывно обеспечивает основную часть электрической энергии.
3.14 комнатная температура; КТ (room temperature; RT): Температура, равная (25 +/- 2) °C.
3.15 микроцикл (micro-cycle): Цикл заряда-разряда продолжительностью 60 с.
ЛИСК (LIPB) - литий-ионный батарейный блок или система в сочетании со свинцово-кислотной батареей;
ЛИЭК (LICA) - литий-ионный батарейный блок или система в сочетании с двойнослойным электрическим конденсатором.
5 Тип соединения с литий-ионным батарейным блоком или системой
5.1 Литий-ионный батарейный блок или система в сочетании со свинцово-кислотной батареей
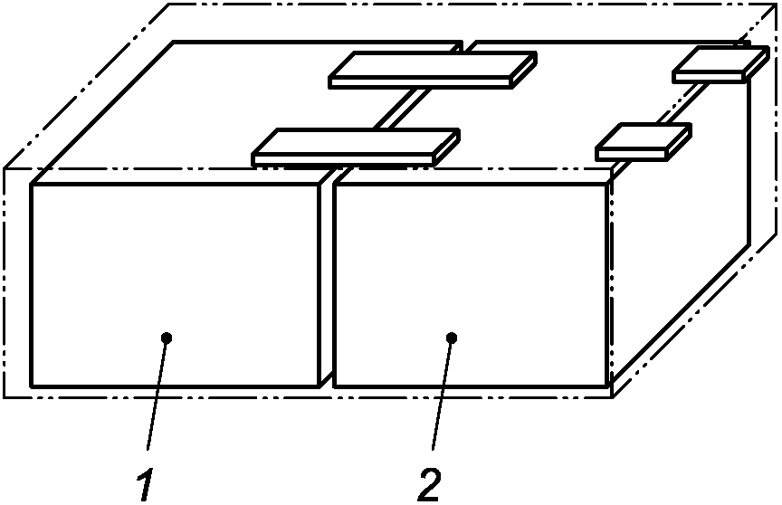
ЛИСК состоит из литий-ионного батарейного блока или системы в качестве основной батареи и свинцово-кислотной батареи в качестве вспомогательной батареи. Основная и вспомогательная батареи соединены механическими и электрическими соединительными планками, как показано на
рисунке 1 (для получения дополнительной информации см. также
приложение A, в том числе
рисунки A.2,
A.3 и
A.4).
1 - основная батарея (литий-ионная батарейная система);
2 - вспомогательная батарея (свинцово-кислотная батарея)
Рисунок 1 - Тип конфигурации ЛИСК
Примечание - Существует несколько способов подключения. Изображение на этом рисунке только принципиальное.
5.2 Литий-ионный батарейный блок или система в сочетании с двойнослойной конденсаторной системой накопления электрической энергии
ЛИЭК состоит из литий-ионного батарейного блока или системы в качестве основной батареи и двойнослойного конденсаторного накопителя электрической энергии в качестве вспомогательного конденсатора. Основная батарея и вспомогательный конденсатор соединены механическими и электрическими соединительными планками, как показано на
рисунке 2 (для получения дополнительной информации см. также
приложение A).
1 - основная батарея (литий-ионная батарейная система);
2 - вспомогательная батарея (вспомогательный конденсатор)
Рисунок 2 - Тип конфигурации ЛИЭК
Примечание - Существует несколько способов подключения. Изображение на этом рисунке только принципиальное.
Одновременно с ОИ на испытания должны быть предоставлены необходимые документация для работы и части интерфейса для подключения к испытательному оборудованию (т.е. разъемы, вилки, а также фитинги системы охлаждения).
В ОИ должна быть обеспечена возможность его испытания с соответствующими режимами, которые должны быть реализованы в БКУ, и связи с испытательным стендом через обычные коммуникационные шины.
Если не указаны другие требования, перед каждым испытанием ОИ должен быть стабилизирован при температуре испытания в течение не менее 12 ч, и если имеется БКУ, он должен быть отключен. При достижении тепловой стабилизации ОИ этот период может быть уменьшен. Тепловую стабилизацию считают достигнутой, если по истечении 1 ч разница температур между всеми доступными точками измерения температуры на аккумуляторах не превышает 4 °C.
Если не указаны другие требования, за каждым зарядом и каждым изменением степени заряженности (СЗ) следует период выдержки 30 мин. Точность внешнего оборудования для измерения должна быть в пределах следующих допусков:
- +/- 0,5% - для напряжения;
- +/- 0,5% - для тока;
- +/- 1 °C - для температуры.
Суммарная погрешность измерений контролируемых и измеряемых величин по отношению к установленным или фактическим значениям должна быть не более:
- +/- 1% - для напряжения;
- +/- 1% - для тока;
- +/- 2 °C - для температуры;
- +/- 0,1% - для времени;
- +/- 0,1% - для массы;
- +/- 0,1% - для размеров.
Все величины (время, температура, ток и напряжение), если не указаны другие требования, следует регистрировать в течение каждых 5% предполагаемого времени заряда и разряда.
7 Испытание литий-ионного батарейного блока или системы в сочетании со свинцово-кислотной батареей
7.1 Предварительное кондиционирование
7.1.1 Цель
Целью настоящего испытания является подтверждение соответствия ОИ установленным требованиям и обеспечения работоспособности.
Перед началом реальной последовательности испытаний ОИ трижды подвергают заряду и разряду, чтобы обеспечить необходимую стабилизацию всей системы. Циклы предварительного кондиционирования устанавливает изготовитель.
7.1.2 Процедура
7.1.2.1 Общие положения
Стандартный цикл (далее - ЦС) выполняют при КТ. ЦС должен включать в себя стандартный разряд (далее - РС) по
7.1.2.2 и последующий стандартный заряд (далее - ЗС) по
7.1.2.3. Если по какой-либо причине интервал времени между окончанием ЦС и началом нового испытания превышает 3 ч, ЦС повторяют.
7.1.2.2 Стандартный разряд
ОИ подвергают РС при постоянной мощности, согласованной между изготовителем и потребителем, до снижения значения напряжения до предельного значения напряжения РС, установленного изготовителем.
Указанный режим РС является базой для определения энергоемкости ОИ, Вт·ч.
7.1.2.3 Стандартный заряд
ОИ подвергают ЗС в соответствии со спецификациями, предоставленными изготовителем. В спецификации должны быть включены критерии окончания ЗС и временные рамки для всей процедуры ЗС.
После ЗС ОИ выдерживают в течение 30 мин для достижения стабильного состояния ОИ.
7.2 Испытание на соответствие нормируемой емкости
7.2.1 Цель
Целью настоящего испытания является подтверждение соответствия ОИ установленным требованиям.
Настоящее испытание проводят для измерения емкости системы, выраженной в А·ч. В качестве нормированной емкости принимают емкость одночасового разряда при температуре 25 °C, значение которой устанавливает изготовитель.
Испытание проводят при КТ.
Этапы процедуры испытания на соответствие нормированной емкости приведены в
таблице 1.
Таблица 1
Процедура испытания для определения нормированной емкости
Этап | Процедура | Температура окружающей среды |
1.1 | Разряд режимом 1C | КТ |
1.2 | Заряд |
1.3 | ЦС |
1.4 | Разряд режимом 1/3C |
1.5 | Заряд |
2.1 | ЦС |
Разряд ОИ проводят постоянным током режимов 1C и 1/3C, если это разрешено изготовителем (максимальный режим разряда соответствует Imax).
Перед началом заряда ОИ выдерживают в течение 30 мин или до достижения им КТ. Заряд проводят в соответствии с
7.1.2.3.
Если значение нормированной емкости в результате проведения этапов, установленных в
таблице 1, не достигнуто, процедуру повторяют.
При достижении на первом цикле нормируемой емкости циклирование прекращают. Если батарея не достигает нормируемого значения в любом из 10 циклов, испытание прекращают.
7.3 Испытание на микроциклирование
7.3.1 Цель
Целью данного испытания является определение числа микроциклов ЛИСК с использованием упрощенного профиля движения.
В электрических транспортных средствах тяговая батарейная система должна обеспечивать отдачу тока с широким диапазоном значений. Профили движения могут быть упрощены и приняты как ток высокой величины для ускорения, ток низкой величины для движения с постоянной скоростью и нулевой ток для периодов отдыха.
7.3.2 Микроцикл без рекуперативного заряда
Микроцикл без рекуперативного заряда заключается в повторяющихся воздействиях током трех уровней продолжительностью 60 с:
- Iр.в - ток импульса разряда высокой величины, А;
- Iр.н - ток импульса разряда низкой величины, А;
- I0 - нулевой ток, А.
Примечание - Значение тока разряда высокой или низкой величины - по согласованию между изготовителем и потребителем.
7.3.2.1 Процедура
Процедура должна быть следующей.
Испытание следует проводить при КТ.
Разряд прекращают при достижении предельного значения напряжения разряда, установленного изготовителем.
Процедура микроцикла без рекуперативного заряда представлена в
таблице 2.
Таблица 2
Процедура микроцикла без рекуперативного заряда
Этап | Процедура | Время, с | Нарастающее время, с | Ток, А | Температура окружающей среды |
1.1 | Тепловое выравнивание | | | | КТ |
1.2 | Разряд | 10 | 10 | Iр.в |
1.3 | Разряд | 20 | 30 | Iр.н |
1.4 | Отдых | 30 | 60 | I0 |
2.1 | Разряд | 10 | 70 | Iр.в |
2.2 | Разряд | 20 | 90 | Iр.н |
2.3 | Отдых | 30 | 120 | I0 |
Процедура микроциклирования заключается в проведении трех последовательных ступеней микроцикла (см.
рисунок 3), повторяющихся через 60 с.
1 - разряд; 2 - заряд; Y - ток, А; X - время, с
Рисунок 3 - Профиль проведения микроцикла
без рекуперативного заряда
7.3.3 Микроцикл с рекуперативным зарядом
Микроцикл с рекуперативным зарядом заключается в последовательных воздействиях на ОИ токов четырех уровней, повторяющихся каждые 65 с:
- Iр.в - разряд, А;
- Iр.н - разряд, А;
- Iз.р - подзаряд, А;
- I0 - нулевой ток, А.
Примечание - Значение тока разряда высокой или низкой величины согласовывается между изготовителем и потребителем.
7.3.3.1 Процедура
Процедура должна быть следующей.
Испытание проводят при КТ.
Разряд прекращают при достижении ОИ предельного значения напряжения разряда, установленного изготовителем.
Таблица 3
Процедура микроцикла с рекуперативным зарядом
Этап | Процедура | Время, с | Нарастающее время, с | Ток, А | Температура окружающей среды |
1.1 | Тепловое выравнивание | | | | КТ |
1.2 | Разряд | 10 | 10 | Iр.в |
1.3 | Разряд | 20 | 30 | Iр.н |
1.4 | Заряд | 5 | 35 | Iз.р |
1.5 | Отдых | 30 | 65 | I0 |
2.1 | Разряд | 10 | 75 | Iр.в |
2.2 | Разряд | 20 | 95 | Iр.н |
2.3 | Заряд | 5 | 100 | Iз.р |
2.4 | Отдых | 30 | 130 | I0 |
1 - разряд; 2 - заряд; Y - ток, А; X - время, с
Рисунок 4 - Профиль проведения микроцикла
с рекуперативным зарядом
7.4 Испытание на долговечность при циклировании
7.4.1 Цель
Целью настоящего испытания является подтверждение долговечности при циклировании ЛИСК.
Испытание на долговечность при циклировании проводят для определения срока службы при цитировании ЛИСК.
7.4.2 Процедура
Процедура определения срока службы при циклировании представлена в
таблице 4.
Таблица 4
Процедура определения срока службы при циклировании
Этап | Процедура | Температура окружающей среды |
1.1 | Тепловое выравнивание | КТ |
1.2 | Заряд |
1.3 | ЦС |
1.4 | Разряд режимом 1C |
2.1 | Заряд |
2.2 | ЦС |
2.3 | Разряд режимом 1C |
Испытание проводят при КТ.
После фазы разряда ОИ выдерживают в течение 30 мин или до достижения им КТ.
Испытание на долговечность при циклировании прекращают, когда отдаваемая энергия падает ниже 80% эталонного <1> количества энергии.
--------------------------------
<1>
Под эталонным содержанием энергии понимают энергоемкость, определенную в 7.2.2.
7.4.3 Требования
Число контрольных циклов испытаний регистрируют и принимают как срок службы батареи при циклировании.
8 Испытания литий-ионного батарейного блока или системы в сочетании с двойнослойным электрическим конденсатором
8.1 Предварительное кондиционирование
8.1.1 Цель
Целью настоящей процедуры является подготовка ОИ к проведению испытания.
Перед началом реальной последовательности испытаний ОИ трижды подвергают ЗС и РС, чтобы обеспечить необходимую стабилизацию всей системы. Циклы предварительного кондиционирования устанавливает изготовитель.
8.1.2 Процедура
8.1.2.1 Общие положения
ЦС выполняют при КТ. ЦС должен включать в себя РС (см.
8.1.2.2) и последующий ЗС (см.
8.1.2.3). Если по какой-либо причине интервал времени между окончанием ЦС и началом нового испытания превышает 3 ч, ЦС повторяют.
8.1.2.2 Стандартный разряд
Проводят РС при значении постоянной мощности, согласованном между изготовителем и потребителем, до снижения значения напряжения до предельного значения напряжения разряда, установленного изготовителем.
Указанный режим РС является базой для определения энергоемкости ОИ, Вт·ч.
8.1.2.3 Стандартный заряд
Проводят ЗС в соответствии со спецификациями, предоставленными изготовителем. В спецификации должны быть включены критерии окончания ЗС и временные рамки для всей процедуры ЗС.
После ЗС следует период выдержки 30 мин для достижения стабильного состояния ОИ.
8.2 Испытание на микроциклирование с рекуперативным зарядом
8.2.1 Цель
Целью данного испытания является определение числа микроциклов ЛИЭК с использованием упрощенного профиля движения.
В электрических транспортных средствах тяговая батарейная система должна обеспечивать отдачу тока с широким диапазоном значений. Профили движения могут быть упрощены и приняты как ток высокой величины для ускорения, ток низкой величины для движения с постоянной скоростью и нулевой ток для периодов отдыха.
8.2.2 Процедура
Процедура должна быть следующей.
Испытание проводят при КТ.
РС прекращают при достижении предельного напряжения разряда, установленного изготовителем.
Микроцикл с рекуперативным зарядом должен быть представлен последовательными четырьмя уровнями тока, повторяющимися каждые 65 с.
- Iр.в - разряд, А;
- Iр.н - разряд, А;
- Iз.р - подзаряд, А;
- I0 - нулевой ток, А.
Примечание - Значение тока разряда высокой или низкой величины согласовывается между изготовителем и потребителем.
8.3 Испытание на определение мощности холодного пуска
8.3.1 Цель
Целью испытания является создание базы данных для выходной мощности при низких температурах, зависящей от времени эксплуатации.
8.3.2 Процедура
Испытание на определение мощности холодного пуска при минус 18 °C выполняют на установленном изготовителем уровне СЗ в соответствии с последовательностью испытаний, представленной в
таблице 5.
Таблица 5
Последовательность испытаний мощности холодного пуска
при минус 18 °C
Этап | Процедура | Температура окружающей среды |
1.1 | Тепловое выравнивание | КТ |
1.2 | ЗС |
1.3 | ЦС |
1.4 | Разряд полностью заряженного ОИ режимом 1C до 20% СЗ или минимального значения СЗ, указанного изготовителем | -18 °C |
1.5 | Тепловое выравнивание |
| Задание значения постоянного напряжения на стенде в соответствии с установленным изготовителем минимально допустимым уровнем напряжения разряда ОИ и поддержание его в течение 2 с при контроле мощности во времени. Максимальный ток не должен превышать значения, установленного в спецификации изготовителя |
| Выдержка при разомкнутой цепи в течение 10 с |
1.8 | |
1.9 | Тепловое выравнивание | КТ |
1.10 | ЗС |
Интервал сбора данных во время испытания должен быть не более 50 мс. При согласовании между изготовителем и потребителем испытание на мощность холодного пуска следует проводить также при температуре окружающей среды минус 30 °C при самом низком уровне СЗ, разрешенном изготовителем, в соответствии с последовательностью испытаний, приведенной в
таблице 6.
Таблица 6
Последовательность испытаний мощности холодного пуска
при минус 30 °C
Этап | Процедура | Температура окружающей среды |
1.1 | Тепловое выравнивание | КТ |
1.2 | ЗС |
1.3 | ЦС |
1.4 | Разряд полностью заряженного ОИ режимом 1C до 20% СЗ или минимального значения СЗ, указанного изготовителем (минимальная СЗ) | -30 °C |
1.5 | Тепловое выравнивание |
| Задание значения постоянного напряжения на стенде в соответствии с установленным изготовителем минимально допустимым уровнем напряжения разряда ОИ и поддержание его в течение 2 с контролем мощности в зависимости от времени. Максимальный ток не должен превышать значения, установленного в спецификации изготовителя |
| Выдержка при разомкнутой цепи в течение 10 с |
1.8 | |
1.9 | Тепловое выравнивание | КТ |
1.10 | ЗС |
8.3.3 Требования
Результат испытания должен быть представлен в виде графика зависимости мощности от времени, включая значения тока, напряжения и температуры.
(справочное)
КОНФИГУРАЦИЯ ЛИТИЙ-ИОННЫХ БАТАРЕЙНЫХ СИСТЕМ В СОЧЕТАНИИ
С ДВОЙНОСЛОЙНЫМ ЭЛЕКТРИЧЕСКИМ КОНДЕНСАТОРОМ (ЛИЭК)
И СО СВИНЦОВО-КИСЛОТНОЙ АККУМУЛЯТОРНОЙ БАТАРЕЕЙ (ЛИСК)
A.1 Общие положения
В настоящем приложении приведена информация о конфигурации литий-ионных батарейных систем в сочетании с двойнослойным электрическим конденсатором (ЛИЭК) или со свинцово-кислотной аккумуляторной батареей (ЛИСК).
A.2 Литий-ионная батарейная система в сочетании с электрическим двойнослойным конденсатором
На
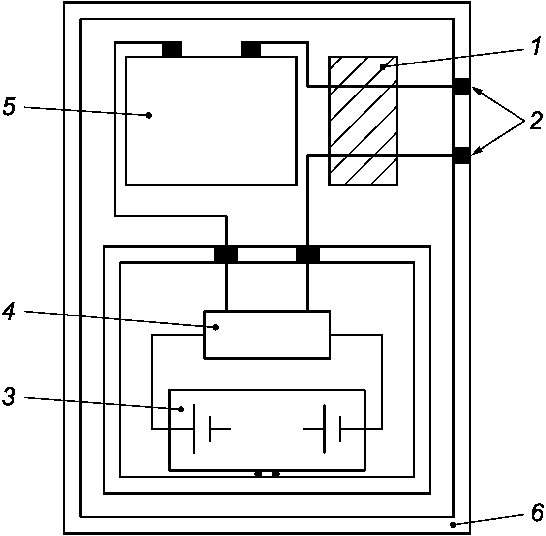
рисунке A.1 представлена схема подключения модуля двойнослойных электрических конденсаторов к модулю литий-ионных аккумуляторов через полумостовой преобразователь (например, повышающе-понижающий преобразователь на основе дросселя и полумостовой транзисторной сборки).
1 - электрическая цепь (предохранитель, проводка);
2 - соединения; 3 - литий-ионная батарея; 4 - конвертер;
5 - система накопления на электрических двойнослойных
конденсаторах; 6 - корпус
Рисунок A.1 - Пример параллельного соединения литий-ионной
батареи и конденсатора
На
рисунке A.2 приведен пример активного параллельного подключения батареи электрических конденсаторов/системы через полумостовой преобразователь (например, повышающе-понижающий преобразователь на основе буферного дросселя и полумостовой транзисторной сборки) к литий-ионной батарейной системе.
Рисунок A.2 - Электронный интерфейс питания
для электрического двойнослойного конденсатора в качестве
буфера мощности в гибридной системе накопления
электроэнергии
A.3 Литий-ионная батарейная система в сочетании со свинцово-кислотной аккумуляторной батареей
На
рисунке A.3 приведен пример параллельного соединения литий-ионной и свинцово-кислотной батареи, на
рисунке A.4 - система привода 48 В.
ЛИСК, как показано на
рисунке A.4, дополняет традиционную электрическую сеть 12 В электрической системой и компонентами 48 В.
1 - электрическая цепь (предохранитель, проводка);
2 - соединения; 3 - литий-ионная батарея; 4 - блок
управления батареей; 5 - свинцово-кислотная батарея;
6 - корпус
Рисунок A.3 - Пример параллельного соединения литий-ионной
и свинцово-кислотной батарей
Рисунок A.4 - Система привода 48 В
[1] | ISO 6469-1 | Electrically propelled road vehicles - Safety specifications - Part 1: On-board rechargeable energy storage system (RESS) (Транспорт дорожный на электрической тяге. Требования безопасности. Часть 1. Системы хранения энергии аккумуляторные бортовые) |
[2] | ISO 6469-3 | Electrically propelled road vehicles - Safety specifications - Part 3: Protection of persons against electric shock) (Транспорт дорожный на электрической тяге. Требования безопасности. Часть 3. Защита людей от поражения электрическим током) |
[3] | ISO 12405-1 | Electrically propelled road vehicles - Test specification for lithium-ion traction battery packs and systems - Part 1: High-power applications (Транспорт дорожный на электрической тяге. Технические требования к испытаниям модулей и систем тяговых литий-ионных батарей. Часть 1. Высокомощные применения) |
[4] | ISO 12405-2 | Electrically propelled road vehicles - Test specification for lithium-ion traction battery packs and systems - Part 2: High-energy applications (Транспорт дорожный на электрической тяге. Технические требования к испытаниям модулей и систем тяговых литий-ионных батарей. Часть 2. Высокоэнергетическое применение) |
[5] | IEC 61982 | Secondary batteries (except lithium) for the propulsion of electric road vehicles - Performance and endurance tests (Батареи аккумуляторные для использования на электрических дорожных транспортных средствах, за исключением литиевых батарей. Испытания рабочих характеристик и долговечности) |
[6] | IEC 62660-1 | Secondary lithium-ion cells for the propulsion of electric road vehicles - Part 1: Performance testing (Аккумуляторы литий-ионные для электрических дорожных транспортных средств. Часть 1. Испытания по определению рабочих характеристик) |
[7] | IEC 62660-2 | Secondary lithium-ion cells for the propulsion of electric road vehicles - Part 2: Reliability and abuse testing (Аккумуляторы литий-ионные для электрических дорожных транспортных средств. Часть 2. Испытания на надежность и эксплуатацию с нарушением режимов) |
[8] | FreedomCar, Battery Test Manual for Power-Assist Hybrid Electric Vehicles, October 2003 (Руководство по тестированию аккумулятора для гибридных электромобилей с электроприводом, октябрь 2003 г.) |
[9] | FreedomCar, 42V Battery Test Manual, April 2003 (Руководство по тестированию батареи 42 В, апрель 2003 г.) |
[10] | FreedomCar, Ultracapacitor Test Manual (Руководство по тестированию ультраконденсаторов) |
[11] | U.S. Department of Energy Vehicle Technology Program, Battery Technology Life Verification Test Manual |
[12] | White paper of Maxwell Technology, Power electronic interface for an ultracapacitor as the power buffer in a hybrid electric energy storage system (Технический документ Maxwell Technology, Силовой электронный интерфейс для ультраконденсатора в качестве буфера мощности в гибридной системе накопления электрической энергии) |
[13] | ISO/TR 8713 | Electrically propelled road vehicles - Vocabulary (Транспорт дорожный на электрической тяге. Словарь) |
УДК 621.355.9; 621.355.2; 621.319.45:006.354 | |
Ключевые слова: аккумуляторы, батареи свинцово-кислотные, батареи литий-ионные, батареи суперконденсаторов, батареи тяговые, батарейные системы, гибридные системы |