Главная // Актуальные документы // ГОСТ Р (Государственный стандарт)СПРАВКА
Источник публикации
М.: Стандартинформ, 2020
Примечание к документу
Документ
введен в действие с 01.03.2020.
Название документа
"ГОСТ Р 8.978-2019. Национальный стандарт Российской Федерации. Государственная система обеспечения единства измерений. Стандартные справочные данные. Пьезокерамические материалы aNaNbO3 + bKNbO3 + cCuNb2O6. Диэлектрические, пьезоэлектрические характеристики при температуре 25 °C"
(утв. и введен в действие Приказом Росстандарта от 07.11.2019 N 1092-ст)
"ГОСТ Р 8.978-2019. Национальный стандарт Российской Федерации. Государственная система обеспечения единства измерений. Стандартные справочные данные. Пьезокерамические материалы aNaNbO3 + bKNbO3 + cCuNb2O6. Диэлектрические, пьезоэлектрические характеристики при температуре 25 °C"
(утв. и введен в действие Приказом Росстандарта от 07.11.2019 N 1092-ст)
Утвержден и введен в действие
по техническому регулированию
и метрологии
от 7 ноября 2019 г. N 1092-ст
НАЦИОНАЛЬНЫЙ СТАНДАРТ РОССИЙСКОЙ ФЕДЕРАЦИИ
ГОСУДАРСТВЕННАЯ СИСТЕМА ОБЕСПЕЧЕНИЯ ЕДИНСТВА ИЗМЕРЕНИЙ
СТАНДАРТНЫЕ СПРАВОЧНЫЕ ДАННЫЕ
ПЬЕЗОКЕРАМИЧЕСКИЕ МАТЕРИАЛЫ
aNaNbO3 + bKNbO3 + cCuNb2O6. ДИЭЛЕКТРИЧЕСКИЕ,
ПЬЕЗОЭЛЕКТРИЧЕСКИЕ ХАРАКТЕРИСТИКИ ПРИ ТЕМПЕРАТУРЕ 25 °C
State system for ensuring the uniformity of measurements.
Standard reference data. Pyezokeramic materials
aNaNbO3 + bKNbO3 + cCuNb2O6. Dielectric, piezoelectric
characteristics at the temperature of 25 °C
ГОСТ Р 8.978-2019
Дата введения
1 марта 2020 года
1 РАЗРАБОТАН Главным научным метрологическим центром "Стандартные справочные данные о физических константах и свойствах веществ и материалов" (ГНМЦ "ССД"), Научно-исследовательским институтом физики Южного Федерального университета (НИИ физики ЮФУ)
2 ВНЕСЕН Техническим комитетом по стандартизации ТК 180 "Стандартные справочные данные о физических константах и свойствах веществ и материалов"
3 УТВЕРЖДЕН И ВВЕДЕН В ДЕЙСТВИЕ
Приказом Федерального агентства по техническому регулированию и метрологии от 7 ноября 2019 г. N 1092-ст
4 ВВЕДЕН ВПЕРВЫЕ
Правила применения настоящего стандарта установлены в статье 26 Федерального закона от 29 июня 2015 г. N 162-ФЗ "О стандартизации в Российской Федерации". Информация об изменениях к настоящему стандарту публикуется в ежегодном (по состоянию на 1 января текущего года) информационном указателе "Национальные стандарты", а официальный текст изменений и поправок - в ежемесячном указателе "Национальные стандарты". В случае пересмотра (замены) или отмены настоящего стандарта соответствующее уведомление будет опубликовано в ближайшем выпуске ежемесячного информационного указателя "Национальные стандарты". Соответствующая информация, уведомление и тексты размещаются также в информационной системе общего пользования - на официальном сайте Федерального агентства по техническому регулированию и метрологии в сети Интернет (www.gost.ru)
Настоящий стандарт распространяется на стандартные справочные данные (ССД) о диэлектрических, пьезоэлектрических характеристиках пьезокерамических материалов состава aNaNbO3 + bKNbO3 + cCuNb2O6 при температуре 25 °C.
В настоящем стандарте использована нормативная ссылка на следующий стандарт:
| | ИС МЕГАНОРМ: примечание. Здесь и далее в официальном тексте документа, видимо, допущена опечатка: стандарт имеет номер ГОСТ 34100.3-2017, а не ГОСТ Р 34100.3. | |
ГОСТ Р 34100.3 Неопределенность измерения. Часть 3. Руководство по выражению неопределенности измерения
Примечание - При пользовании настоящим стандартом целесообразно проверить действие ссылочных стандартов в информационной системе общего пользования - на официальном сайте Федерального агентства по техническому регулированию и метрологии в сети Интернет или по ежегодному информационному указателю "Национальные стандарты", который опубликован по состоянию на 1 января текущего года, и по выпускам ежемесячного информационного указателя "Национальные стандарты" за текущий год. Если заменен ссылочный стандарт, на который дана недатированная ссылка, то рекомендуется использовать действующую версию этого стандарта с учетом всех внесенных в данную версию изменений. Если заменен ссылочный стандарт, на который дана датированная ссылка, то рекомендуется использовать версию этого стандарта с указанным выше годом утверждения (принятия). Если после утверждения настоящего стандарта в ссылочный стандарт, на который дана датированная ссылка, внесено изменение, затрагивающее положение, на которое дана ссылка, то это положение рекомендуется применять без учета данного изменения. Если ссылочный стандарт отменен без замены, то положение, в котором дана ссылка на него, рекомендуется применять в части, не затрагивающей эту ссылку.
3.1 Основой для составления таблиц явились данные, приведенные в
таблицах А.2,
А.3 приложения А.
Табличные данные, рассчитанные согласно
[1] с применением методики
[2], отображают значения характеристик пьезокерамических материалов состава aNaNbO
3 + bKNbO
3 + cCuNb
2O
6 при температуре 25 °C и приведены в
3.1.1 -
3.1.6.
3.1.1 Относительная диэлектрическая проницаемость

- отношение индуцированного в электрическом поле заряда на обкладках конденсатора, заполненного диэлектриком, к заряду, индуцированному в том же поле на обкладках того же конденсатора с вакуумным промежутком.

рассчитывают по формуле

, (1)
где C0 - емкость образца, Ф;
d - диаметр образца, м;
t - толщина образца, м.
3.1.2 Относительная диэлектрическая проницаемость,

, поляризованного образца в форме диска в направлении, параллельном его оси поляризации, в условиях постоянного давления.
3.1.3 Тангенс угла диэлектрических потерь

- тангенс угла между векторами плотностей переменного тока проводимости и тока смещения диэлектрика на комплексной плоскости.
3.1.4 Коэффициент электромеханической связи планарной моды колебаний (Kp) - показатель эффективности преобразования электрической энергии в механическую энергию или преобразования механической в электрическую. Kp рассчитывают по формуле

, (2)
где

- наименьший положительный корень частотного уравнения Бесселя, его выбирают в соответствии с таблицей 9
[1];

- планарный коэффициент Пуассона (см.
[1]);
fr1, fa1 - частоты резонанса и антирезонанса для первой гармоники, Гц.
3.1.5 Пьезоэлектрический модуль (dij, пКл/Н) - наведенная поляризация в направлении i на единицу механического давления, приложенного в направлении j, или величина деформации в направлении i на единицу напряженности электрического поля, приложенного в направлении j; направление 3 - параллельно оси поляризации, 1 - перпендикулярно к оси поляризации. |d31| рассчитывают по формуле

, (3)
где r - радиус образца, м;

- измеренная плотность образца, определяемая методом гидростатического взвешивания в октане, г/м
3.
3.1.6 Механическая добротность планарной моды колебаний (
Qm) - отношение реактивного сопротивления к сопротивлению последовательной электрической цепи, эквивалентной пьезокерамическому элементу.
Qm рассчитывают по формуле

, (4)
где R - сопротивление образца, измеренное на частоте резонанса первой гармоники, Ом.
d33 - измеряют квазистатическим методом с помощью YE2730A d33 METER.
3.2 Стандартные справочные данные о диэлектрических и пьезоэлектрических характеристиках пьезокерамических материалов состава aNaNbO
3 + bKNbO
3 + cCuNb
2O
6 при температуре 25 °C приведены в
таблице 1.
4 Стандартные справочные данные о диэлектрических и пьезоэлектрических характеристиках пьезокерамических материалов состава aNaNbO3 + bKNbO3 + cCuNb2O6 при температуре 25 °C
Таблица 1
Стандартные справочные данные о диэлектрических
и пьезоэлектрических характеристиках пьезокерамических
материалов состава aNaNbO3 + bKNbO3 + cCuNb2O6
при температуре 25 °C
Параметр | Значение показателя для пьезоэлектрического материала |
NKCNO-1 | NRCNO-2 |
Na2O, масс. % | 13,87 | 14,87 |
K2O, масс. % | 5,62 | 4,93 |
Nb2O5, масс. % | 79,32 | 79,51 |
CuO, масс. % | 1,19 | 1,19 |
| 300 | 305 |
Kp | 0,17 | 0,17 |
|d31|, пКл/Н | 13 | 14 |
d33', пКл/Н | 50 | 53 |
QM | 1050 | 1045 |
Tc (f = 1 кГц), °C | 395 | 392 |
(справочное)
ЭКСПЕРИМЕНТАЛЬНЫЕ РЕЗУЛЬТАТЫ. ОБСУЖДЕНИЕ
Пьезоэлектрические Pb-содержащие керамические материалы находят широкое применение в устройствах медицинской диагностики, нефтегазовой отрасли, СВЧ технике, а в последнее десятилетие - и в микроэлектромеханических системах (МЭМС). Это обусловлено прежде всего реализацией в них высоких значений диэлектрических, пьезоэлектрических и упругих характеристик. Однако, усиление требований экологической безопасности в данном направлении физического материаловедения (Директива
[3]) привело к необходимости создания новых экологически чистых функциональных пьезоэлектрических материалов, которые могут эффективно использоваться в современной технике. В связи с этим в последнее десятилетие ведущими мировыми разработчиками пьезоэлектрических материалов, в том числе и сотрудниками отдела интеллектуальных материалов и нанотехнологий НИИ физики ЮФУ, ведутся интенсивные работы в данном направлении.
В частности, в ходе изучения диэлектрических, пьезоэлектрических и упругих характеристик пьезокерамических материалов состава aNaNbO
3 + bKNbO
3 + cCuNb
2O
6 были выделены твердые растворы, которые обладали высокими значениями механической добротности,
Qm, (более 1000), коэффициента электромеханической связи планарной моды колебаний,
Kp, (более 0,15), пьезоэлектрического коэффициента
d33 (более 50), пьезоэлектрического коэффициента |
d31| (более 10), относительной диэлектрической проницаемости,

, (300...500). Совокупность полученных параметров делает их перспективными для использования в силовых и высокочастотных ультразвуковых устройствах, в частности ультразвуковых пьезодвигателях и промышленных измельчителях.
В НИИ физики ЮФУ, были проведены обширные исследования свойств керамик в соответствии
[1] с использованием аттестованной методики
[2]. Для разработки стандарта были отобраны результаты исследований характеристик семи образцов каждого из аттестуемых составов, полученных с использованием одинаковых регламентов синтеза и спекания (температура,
T, время,

)
(таблица А.1).
Таблица А.1
Концентрации компонентов, регламенты синтеза
и спекания аттестуемых керамик
Параметр | Значение показателя для пьезоэлектрического материала |
NKCNO-1 | NKCNO-2 |
Na2O, масс. % | 13,87 | 14,87 |
K2O, масс. % | 5,62 | 4,93 |
Nb2O5, масс. % | 79,32 | 79,51 |
CuO, масс. % | 1,19 | 1,19 |
Tсинт., °C | 700 - 1050 | 700 - 1050 |
 , ч. | 5 | 5 |
Tсинт., °C | 1050 - 1130 | 1050 - 1130 |
 , ч. | 2 | 2 |
А.1 Методы получения образцов
Материал изготавливался по обычной керамической технологии следующим образом. В качестве исходных реагентов использовались гидрокарбонаты, карбонаты и оксиды следующих квалификаций: Na2O - "чда", K2O - "ч", Nb2O5 - "НбО-ПТ", CuO - "хч".
Синтез осуществлялся путем однократного обжига смесей, предварительно полученных ниобатов NaNbO
3 и KNbO
3 и колумбита CuNb
2O
6. В качестве исходных реагентов выступали оксиды, масс. %: Na
2O = 13,87, K
2O = 5,62, Nb
2O
5 = 79,32, CuO = 1,19. Температура обжига
Tсинт. = (750 - 1050) °C, при длительности изотермической выдержки

. Спекание образцов в виде столбиков

, высотой

осуществлялось при
Tсп. = (1050 - 1130) °C, длительность изотермической выдержки

. Металлизация (нанесение электродов) проводилась путем нанесения на плоские поверхности предварительно сошлифованных до толщины 1 мм образцов серебросодержащей пасты и последующего ее вжигания при температуре
Tвжиг. = 800 °C в течение 0,5 ч. Образцы поляризовали в полиэтиленсилоксановой жидкости при температуре 410 К в течение 40 мин в постоянном электрическом поле напряженностью 3 кВ/см.
А.2 Методы исследования образцов
Рентгенографические исследования проводили методом порошковой дифракции на модернизированном дифрактометре ДРОН-3 при комнатной температуре. Исследовали синтезированные порошки и измельченные керамические объекты, что позволило исключить влияние поверхностных эффектов, напряжений и текстур, возникающих в процессе получения керамик. Расчет структурных параметров проводили по стандартным методикам. Точность определения параметров перовскитной ячейки: линейных

; угловых

; объема

.
Определение плотности

образцов осуществляли методом гидростатического взвешивания, где в качестве жидкой среды использовали октан. Плотность рассчитывали по формуле

,
где

- плотность октана,
m1 - масса сухой заготовки,
m2 - масса заготовки, насыщенной октаном,
m3 - масса насыщенной заготовки, взвешенной в октане с подвесом,
m4 - масса подвеса без заготовки.
Расчет рентгеновской плотности

проводили по формуле

,
где M - вес формульной единицы, г,
V - объем перовскитной ячейки,

.
Относительную плотность

рассчитывали по формуле

.
Измерения диэлектрических и пьезоэлектрических характеристик керамических образцов, представляющих собой конденсаторные структуры, проводили в соответствии с методическим подходом, представленном в
[2].
Применение рентгенофазового контроля на всех стадиях получения аттестуемых объектов и определение плотностей в совокупности с измерением диэлектрических, пьезоэлектрических и упругих характеристик позволили выбрать оптимальные регламенты синтеза и спекания аттестуемых объектов.
А.3 Экспериментальные результаты
По данным рентгендифракционного анализа установлено, что получены беспримесные керамические образцы, которым свойственны достаточно высокие значения

, что приемлемо для материалов, изготовленных в рамках обычной керамической технологии
[4].
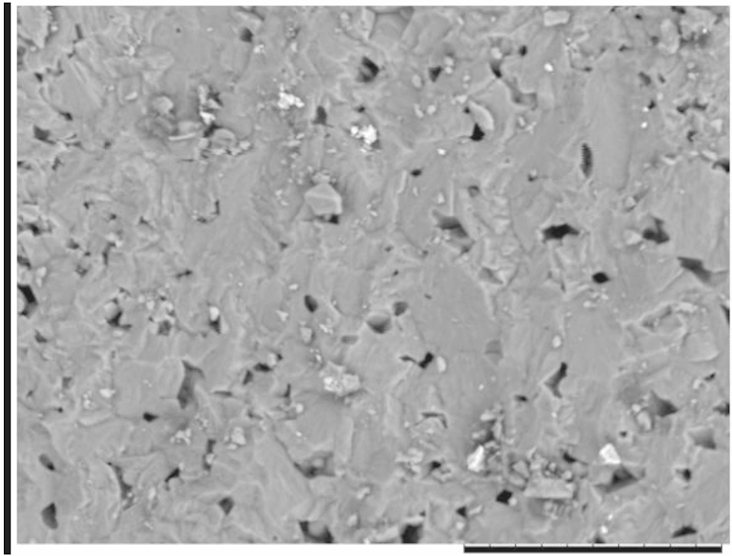
На
рисунке А.1 приведен микроснимок зеренной структуры одного из аттестуемых керамических материалов.
Рисунок А.1 - Микрофотография зеренной структуры керамики
NKCNO-1. Маркер - 30 мкм
Видно, что аттестуемой керамике свойственна плотная зеренная структура из кристаллитов, имеющих форму неправильных многогранников с преимущественно плоскими границами. Размер кристаллитов варьируется в широких пределах - от 5 мкм до 15 мкм.
Тот факт, что механический скол прошел преимущественно по объему зерна, свидетельствует о более высокой прочности межзеренных границ в сравнении с самим зерном. Это обусловлено тем, что введение в материал на основе Na
2O, K
2O и Nb
2O
5 оксида меди CuO приводит к образованию в процессе спекания керамики промежуточных Cu-содержащих соединений, в частности, K
4CuNb
8O
23 с низкой температурой плавления (1050 °C
[5]), с которыми связано формирование жидких фаз, "цементирующих" зерна, способствующих образованию композитоподобной микрокристаллической (зеренной) структуры и росту сегнетожесткости керамики. При этом рост механической добротности в заданном интервале концентраций не приводит к зажатию доменов, а напротив, обеспечивает снижение энергозатрат на преодоление внутреннего трения в материале.
На
рисунке А.2 приведены зависимости

керамик NKCNO-1 в частотном интервале

и диапазоне температур

.

- 1 кГц;

- 2 кГц;

- 10 кГц;

- 20 кГц
Рисунок А.2 - Зависимости

и

в частотном интервале

В керамике NKCNO-
1 видна дисперсия диэлектрической проницаемости в интервале температур

, что свидетельствует о высоком качестве объекта, а температура фазового перехода из сегнетоэлектрической в параэлектрическую фазу (
TC) составляет ~ 390 °C. Это говорит о достаточно широком рабочем температурном интервале, в котором могут быть использованы данные материалы
Результаты измерения диэлектрических и пьезоэлектрических характеристик аттестуемых составов при температуре 25 °C приведены в
таблицах А.2 -
А.3.
Таблица А.2
Основные электрофизические характеристики керамики NKCNO-1
Параметр | Керамические образцы |
1 | 2 | 3 | 4 | 5 | 6 | 7 |
Na2O, масс. % | 13,87 | 13,87 | 13,87 | 13,87 | 13,87 | 13,87 | 13,87 |
K2O, масс. % | 5,62 | 5,62 | 5,62 | 5,62 | 5,62 | 5,62 | 5,62 |
Nb2O5, масс. % | 79,32 | 79,32 | 79,32 | 79,32 | 79,32 | 79,32 | 79,32 |
CuO, масс. % | 1,19 | 1,19 | 1,19 | 1,19 | 1,19 | 1,19 | 1,19 |
| 300 | 301 | 301 | 300 | 301 | 299 | 300 |
Kp | 0,17 | 0,17 | 0,18 | 0,17 | 0,17 | 0,17 | 0,17 |
|d31|, пКл/Н | 13 | 12 | 13 | 13 | 13 | 12 | 13 |
d33, пКл/Н | 50 | 50 | 50 | 51 | 51 | 50 | 51 |
QM | 1050 | 1039 | 1052 | 1050 | 1048 | 1045 | 1050 |
TC (f = 1 кГц), °C | 395 |
 , % | 2 | 2,2 | 2,1 | 2 | 1,9 | 2 | 2,3 |
Таблица А.3
Основные электрофизические характеристики керамики NKCNO-2
Параметр | Керамические образцы |
1 | 2 | 3 | 4 | 5 | 6 | 7 |
Na2O, масс. % | 12,73 | 12,73 | 12,73 | 12,73 | 12,73 | 12,73 | 12,73 |
K2O, масс. % | 5,53 | 5,53 | 5,53 | 5,53 | 5,53 | 5,53 | 5,53 |
Nb2O5, масс. % | 77,98 | 77,98 | 77,98 | 77,98 | 77,98 | 77,98 | 77,98 |
CuO, масс. % | 3,77 | 3,77 | 3,77 | 3,77 | 3,77 | 3,77 | 3,77 |
| 305 | 304 | 305 | 303 | 305 | 305 | 304 |
Kp | 0,17 | 0,17 | 0,17 | 0,17 | 0,18 | 0,17 | 0,17 |
|d31|, пКл/Н | 14 | 14 | 13 | 13 | 14 | 14 | 14 |
d33, пКл/Н | 53 | 53 | 51 | 52 | 53 | 54 | 53 |
QM | 1045 | 1047 | 1042 | 1043 | 1046 | 1045 | 1045 |
TC (f = 1 кГц), °C | 392 |
 , % | 1,5 | 1,8 | 2,4 | 2,1 | 1,6 | 1,8 | 1,5 |
Высокие значения
Qm и
Kp материалов определяют их основное назначение - использование в силовых и высокочастотных ультразвуковых устройствах, в частности в ультразвуковых пьезодвигателях и промышленных измельчителях. При условии согласования преобразователя с нагрузкой (R
i = R
H) (обычно реализуемое в выпускаемой промышленностью радиоэлектронной аппаратуре выходное сопротивление R
H ~ 50 Ом для высоких частот), используя формулу для емкостного сопротивления преобразователя:

, где R
i - емкостное сопротивление преобразователя, Ом;

- круговая частота, рад/с;
C - емкость, Ф.
Можно приблизительно оценить интервалы значений емкости

для указанных диапазонов частот, а, следовательно, и относительной диэлектрической проницаемости поляризованных элементов,

, где
k - коэффициент, зависящий от размеров элементов. Таким образом, повышение значения позволяет понизить рабочую частоту целевых ультразвуковых устройств для более эффективного их использования.
Высокие значения TC в аттестуемых объектах свидетельствуют о том, данные материалы могут быть использованы в широком диапазоне температур.
А.4 Оценка достоверности справочных данных
Суммарные погрешности измерений диэлектрических и пьезоэлектрических характеристик аттестуемых объектов представлены в
таблице А.4.
Таблица А.4
Суммарные погрешности измерений электрофизических параметров
Параметр | Значение А |  , % |
| | 1,0 |
Kp | | 5,0 |
| 2,0 |
| 1,5 |
| 1,0 |
|d31|, пКл/Н | | 5,0 |
| 2,0 |
d33, пКл/Н | | 3,0 |
| 2,0 |
QM | | 10 |
| 20 |
| | 5,0 |
А.4.1 Оценка стандартного отклонения от среднего значения
В связи с тем, что все аттестуемые характеристики являются рассчитываемыми величинами (погрешности определения приведены в
таблице А.5), для каждой из них была проведена оценка экспериментального стандартного отклонения от среднего значения по
формулам А.1,
А.2 в соответствии с
ГОСТ Р 34100.3:

, (А.1)

, (А.2)
где

- среднее арифметическое экспериментальное, стандартное отклонение от среднего значения величины
qk;
k - номер измерения;
qk - измеряемая величина.
Таблица А.5
Экспериментальное стандартное отклонение среднего значения
величины электрофизических параметров
Параметр | NKCNO-1 | NRCNO-2 |
| 0,75 | 0,78 |
Kp | 0,003 | 0,004 |
|d31|, пКл/Н | 0,48 | 0,49 |
d33, пКл/Н | 0,53 | 0,95 |
QM | 4,42 | 1,7 |
| 0,13 | 0,33 |
| ОСТ 11 0444-87 | Материалы пьезокерамические. Технические условия |
| ГСССД МЭ 183-2011 | Методика экспериментального определения пьезоэлектрических и упругих характеристик: пьезомодулей, коэффициентов электромеханической связи, механической добротности, модуля Юнга, скорости звука, пьезоэлектрического коэффициента (пьезочувствительности) различных сегнетопьезоэлектрических материалов в широком диапазоне температур (10 - 1000) К // Резниченко Л.А., Андрюшин К.П., Павленко А.В., Дудкина С.И., Вербенко И.А., Павелко А.А., Андрюшина И.Н., Кубрин С.П., Юрасов Ю.И. |
| Директива 2002/95/ЕС. Ограничение содержания вредных веществ |
| Фесенко Е.Г. Семейство перовскита и сегнетоэлектричество. - М.: Атомиздат, 1972. - 248 с. |
| Matsubara M., Yamaguchi T., Sakamoto W., Kikuta K., Yogo T., Hirano S.-I. Processing and Piezoelectric Properties of Lead-Free (K,Na)(Nb,Ta)O3 Ceramics // J. Am. Ceram. Soc. - 2005. - V. 88. - N 5. - P. 1190 - 1196 |
УДК 669./539.5-536.6/:006.354 | |
Ключевые слова: стандартные справочные данные, вещества, материалы, свойства, неопределенность |