Главная // Актуальные документы // ГОСТ Р (Государственный стандарт)СПРАВКА
Источник публикации
М.: Стандартинформ, 2021
Примечание к документу
Документ
введен в действие с 01.07.2021.
Название документа
"ГОСТ Р МЭК 62715-5-1-2021. Национальный стандарт Российской Федерации. Гибкие дисплейные устройства. Часть 5-1. Методы измерения оптических характеристик"
(утв. и введен в действие Приказом Росстандарта от 25.02.2021 N 95-ст)
"ГОСТ Р МЭК 62715-5-1-2021. Национальный стандарт Российской Федерации. Гибкие дисплейные устройства. Часть 5-1. Методы измерения оптических характеристик"
(утв. и введен в действие Приказом Росстандарта от 25.02.2021 N 95-ст)
Утвержден и введен в действие
агентства по техническому
регулированию и метрологии
от 25 февраля 2021 г. N 95-ст
НАЦИОНАЛЬНЫЙ СТАНДАРТ РОССИЙСКОЙ ФЕДЕРАЦИИ
ГИБКИЕ ДИСПЛЕЙНЫЕ УСТРОЙСТВА
ЧАСТЬ 5-1
МЕТОДЫ ИЗМЕРЕНИЯ ОПТИЧЕСКИХ ХАРАКТЕРИСТИК
Flexible display devices. Part 5-1.
Measuring methods of optical performance
(IEC 62715-5-1:2017, IDT)
ГОСТ Р МЭК 62715-5-1-2021
Дата введения
1 июля 2021 года
1 ПОДГОТОВЛЕН Автономной некоммерческой организацией "Научно-технический центр сертификации электрооборудования" "ИСЭП" (АНО "НТЦСЭ "ИСЭП") на основе собственного перевода на русский язык англоязычной версии стандарта, указанного в
пункте 4
2 ВНЕСЕН Техническим комитетом по стандартизации ТК 452 "Безопасность аудио-, видео-, электронной аппаратуры, оборудования информационных технологий и телекоммуникационного оборудования"
3 УТВЕРЖДЕН И ВВЕДЕН В ДЕЙСТВИЕ
Приказом Федерального агентства по техническому регулированию и метрологии от 25 февраля 2021 г. N 95-ст
4 Настоящий стандарт идентичен международному стандарту МЭК 62715-5-1:2017 "Гибкие дисплейные устройства. Часть 5-1. Методы измерения оптических характеристик" (IEC 62715-5-1:2017 "Flexible display devices - Part 5-1: Measuring methods of optical performance", IDT).
При применении настоящего стандарта рекомендуется использовать вместо ссылочных международных стандартов соответствующие им национальные стандарты, сведения о которых приведены в дополнительном
приложении ДА
5 ВВЕДЕН ВПЕРВЫЕ
Правила применения настоящего стандарта установлены в статье 26 Федерального закона от 29 июня 2015 г. N 162-ФЗ "О стандартизации в Российской Федерации". Информация об изменениях к настоящему стандарту публикуется в ежегодном (по состоянию на 1 января текущего года) информационном указателе "Национальные стандарты", а официальный текст изменений и поправок -
в ежемесячном информационном указателе "Национальные стандарты". В случае пересмотра (замены) или отмены настоящего стандарта соответствующее уведомление будет опубликовано в ближайшем выпуске ежемесячного информационного указателя "Национальные стандарты". Соответствующая информация, уведомление и тексты размещаются также в информационной системе общего пользования -
на официальном сайте Федерального агентства по техническому регулированию и метрологии в сети Интернет (www.gost.ru)
Введение к международному стандарту
Международная электротехническая комиссия (МЭК) является всемирной организацией по стандартизации, в которую входят все национальные комитеты по электротехнике (национальные комитеты МЭК). Цель МЭК - развитие международного сотрудничества по всем вопросам стандартизации в области электрики и электроники. Для этого, кроме осуществления других видов деятельности, МЭК публикует международные стандарты, технические требования, технические отчеты, технические требования открытого доступа (ТТОД) и руководства (далее - публикации МЭК). Их подготовка возлагается на технические комитеты. Любой национальный комитет МЭК, заинтересованный в объекте рассмотрения, может принять участие в этой подготовительной работе. Международные, правительственные и неправительственные организации, сотрудничающие с МЭК, также принимают участие в этой подготовительной работе. МЭК тесно сотрудничает с Международной организацией по стандартизации (ИСО) на условиях, определенных в соглашении между этими двумя организациями.
Официальные решения или соглашения МЭК по техническим вопросам выражают, насколько это возможно, международное согласованное мнение по рассматриваемым вопросам, так как каждый технический комитет имеет представителей от всех заинтересованных национальных комитетов.
Публикации МЭК имеют форму рекомендаций для международного использования и принимаются национальными комитетами в таком качестве. Несмотря на все разумные усилия, гарантирующие точное техническое содержание документов, МЭК не несет ответственности за то, как используют эти публикации, или за любую неверную их интерпретацию любым конечным пользователем.
В целях содействия международной унификации национальные комитеты МЭК обязуются применять публикации МЭК в их национальных и региональных публикациях с максимальной степенью приближения к исходным. Любые расхождения между публикацией МЭК и соответствующей национальной или региональной публикацией должны быть четко обозначены в последней.
МЭК не предоставляет никакой оценки соответствия. Независимые органы по сертификации предоставляют услуги по оценке соответствия и в некоторых областях право маркирования знаком соответствия МЭК. МЭК не несет ответственности за любые услуги, предоставляемые независимыми органами по сертификации.
Все пользователи должны быть уверены, что они используют последнее издание настоящей публикации.
МЭК или его директора, служащие или агенты, включая отдельных экспертов и членов технических и национальных комитетов МЭК, не несут никакой ответственности за причиненные телесные повреждения, материальный ущерб или другое повреждение любого характера, как прямое, так и косвенное, или за затраты (включая судебные издержки) и расходы, возникшие в результате использования настоящей или любой другой публикации МЭК.
Следует обратить внимание на нормативные ссылки, указанные в настоящей публикации. Использование ссылочных публикаций является обязательным для правильного применения настоящей публикации.
Следует обратить внимание на то, что имеется вероятность того, что некоторые из элементов настоящего стандарта могут являться предметом патентного права. МЭК не несет ответственности за идентификацию любых таких патентных прав.
МЭК 62715-5-1 подготовлен Техническим комитетом 110 МЭК "Электронные дисплейные устройства".
Текст настоящего стандарта основан на следующих документах:
FDIS (окончательная редакция проекта международного стандарта) | Отчет о голосовании |
110/859/FDIS | 110/870/RVD |
Полную информацию о голосовании по одобрению настоящего стандарта можно найти в отчете о голосовании, указанном в приведенной выше таблице.
Настоящая публикация разработана в соответствии с Директивами ИСО/МЭК, часть 2.
Перечень всех стандартов, входящих в серию МЭК 62715 под общим наименованием "Гибкие дисплейные устройства", приведен на сайте МЭК.
Комитет принял решение, что содержание настоящего стандарта останется без изменений до конечной даты сохранения, указанной на сайте МЭК с адресом http://webstore.iec.ch, в данных, касающихся конкретного стандарта. На это время стандарт будет:
- подтвержден заново;
- аннулирован;
- заменен на пересмотренное издание;
- изменен.
Настоящий стандарт, входящий в состав серии стандартов ГОСТ Р МЭК 62715, был разработан в целях стандартизации методов измерений и установления подробных условий настройки, которые используют для определения оптических характеристик гибких дисплейных устройств.
Состояние внешней поверхности и формы гибких дисплеев могут изменяться в зависимости от области применения. Например, смарт-часы могут иметь жесткий выпуклый дисплей, сотовый телефон или телевизионный приемник - жесткий вогнутый дисплей, а гибкий дисплей может иметь либо вогнутую, либо выпуклую форму с переменным радиусом кривизны. До сих пор все характеристики таких дисплеев устанавливались для их плоского состояния. Однако изгиб дисплея может привести к индуцированному механическому напряжению, которое может изменить его оптические характеристики, поэтому характеристики дисплея должны быть измерены в состоянии изгиба, установленного конструкцией. Такие измерения гарантируют, что оптические характеристики дисплея являются соответствующими требованиям его предполагаемого применения. В настоящем стандарте установлены необходимые условия и методы измерения оптических характеристик дисплея в состоянии изгиба.
Настоящий стандарт устанавливает стандартные условия и методы измерений для определения оптических характеристик гибких дисплеев в условиях темных помещений или при условиях окружающего освещения. Настоящий стандарт распространяется главным образом на дисплейные модули, изогнутые относительно одной оси. Измерения характеристик дисплея проводят в статическом механическом состоянии. Методы измерения применяют для монохромных или цветных дисплеев с единичным радиусом кривизны, равным 35 мм и более.
Для применения настоящего стандарта необходимы следующие ссылочные стандарты. Для датированных ссылок применяется только указанное издание ссылочного стандарта, для недатированных ссылок - последнее издание ссылочного стандарта (включая все изменения к нему).
IEC 60050-845, International electrotechnical vocabulary - Part 845: Lighting (available at <www.electropedia.org>), (Международный электротехнический словарь. Часть 845. Свет (доступен на сайте <www.electropedia.org>)
IEC 61966-2-1, Multimedia systems and equipment - Colour measurement and management - Part 2-1: Colour management - Default RGB colour space - sRGB (Системы и оборудование мультимедиа. Измерение цвета и управление им. Часть 2-1. Управление цветом. Цветовое пространство RGB, используемое по умолчанию. sRGB)
IEC 62715-1-1, Flexible display devices - Part 1-1: Terminology and letter symbols (Гибкие дисплейные устройства. Часть 1-1. Терминология и буквенные обозначения)
IEC 62341-6-2:2015, Organic light emitting diode (OLED) displays - Part 6-2: Measuring methods of visual quality and ambient performance [Дисплеи на органических светодиодах (OLED). Часть 6-2. Методы измерения визуального качества изображения и характеристик окружающей среды]
IEC 62679-3-1:2014, Electronic paper displays - Part 3-1: Optical measurement method (Дисплеи на основе электронной бумаги. Часть 3-1. Оптические методы измерений)
IEC TR 62728, Display technologies - LCD, PDP and OLED - Overview and explanation of differences in terminology (Технологии дисплеев. LCD, PDP и OLED. Анализ и разъяснение различий в терминологии)
CIE 15:2004, Colorimetry (Колориметрия)
3 Термины, определения и сокращения
3.1 Термины и определения
В настоящем стандарте используют термины и определения, установленные МЭК 62715-1-1 и МЭК ТО 62728.
Терминологические базы данных, применяемые в целях стандартизации ИСО и МЭК, размещены по следующим адресам:
- электротехнический словарь МЭК доступен на сайте http://www.electropedia.org/;
- ИСО браузер-платформа, доступна на сайте http://www.iso.org/obp.
В настоящем стандарте применены следующие сокращения:
- CCT - коррелированная цветовая температура;
- CIE - Международная комиссия по освещению (МКО);
- CIELAB - цветовое пространство, определенное МКО 1976 (L*a*b*);
- DUT - испытуемое устройство;
- ILU - интегрированное осветительное устройство (например, фронтальная подсветка в отражательном дисплее);
- LMD - прибор для измерения света;
- PL - фотолюминесценция;
- RGB - красный, зеленый, синий;
- sRGB - стандартное цветовое пространство RGB в соответствии с МЭК 61966-2-1.
4 Структура измерительного оборудования
4.1 Конфигурация оборудования при измерении. Размещение дисплея
4.1.1 Общие положения
В получении точных и воспроизводимых результатов измерений решающую роль играет приспособление, используемое для монтажа изогнутого дисплея
[1],
[2]. Крепление дисплея должно быть спроектировано таким образом, чтобы соответствовать специальным характеристикам сгибания, складывания и/или кривизны гибкого дисплея в его предполагаемой к использованию конфигурации. Крепление должно быть способно поддерживать предполагаемую форму дисплея, размещение дисплея в требуемом месте измерения и направлении просмотра. Описываемые методы измерения применяют только для изогнутых дисплеев, имеющих постоянный радиус кривизны относительно одной оси (например, цилиндрической формы). На
рисунке 1 показана система координат для выпуклого дисплея, который изогнут относительно оси
y. Исходную систему координат располагают на поверхности отображения дисплея и центрируют на экране. Подобную систему координат применяют для вогнутого дисплея с поверхностью воспроизведения изображения, обращенной к положительной оси
z.

Примечание - Начало координат центрировано на экране, который изогнут с постоянным радиусом r на плоскости поверхности изображения.
Рисунок 1 - Пример системы координат, используемой
для выпуклого дисплея с постоянным радиусом изгиба
вокруг оси y
Для плоских дисплеев плоскость воспроизведения изображения размещают в плоскости x - y. Складной дисплей, который содержит плоские области, соединенные с помощью узких полос с малым радиусом кривизны, должен быть измерен в плоских областях, и результаты измерений обработаны как для плоского дисплея.
Если не установлено иное, оптическая ось LMD должна быть выровнена в пределах 1° поверхности дисплея, перпендикулярной к центру поля измерения, чтобы минимизировать ошибку размещения, введенную кривизной дисплея. Для точечных LMD для получения такого выравнивания можно использовать обратное отражение LMD. В противном случае можно использовать лазерный уровень для контроля, чтобы оптическая ось LMD проходила через центр кривизны криволинейного дисплея. Методы измерений предполагают, что этапы вращения и механического монтажа имеют достаточную точность и стабильность для поддержания погрешности менее 1° для любых вращательных или наклонных перемещений.
4.1.2 Размещение дисплея при измерениях однородности
Однородность плоских дисплеев обычно измеряют путем перевода LMD параллельно экрану и измерения характеристик дисплея в разных местах экрана. Для выпуклых или вогнутых дисплеев установка дисплея должна обеспечивать возможность поворачивать дисплей вокруг его центра кривизны, одновременно обеспечивая, чтобы плоскость изображения всегда проходила через ось
y в начале координат. Пример для случая выпуклого дисплея приведен на
рисунке 2. Подобное перемещение следует использовать и для вогнутых дисплеев. На
рисунке 2 показано, как боковые положения позиций измерения
P0,
P1 и
P2 могут быть повернуты в поле измерения LMD. Такое вращение дисплея позволяет измерить однородность дисплея в постоянном направлении просмотра. Альтернативно LMD может быть смонтирован на гониометре, который вращается вокруг центра кривизны дисплея.

Примечание - На
рисунке 2 показано, как выпуклый дисплей, изогнутый с постоянным радиусом
r, может вращаться вокруг его центра кривизны для выравнивания различных положений дисплея в плоскости
x -
z в пределах поля измерения.
Рисунок 2 - Пример возможности вращения выпуклого дисплея
в пределах поля измерения - вид сверху
4.1.3 Размещение дисплея при измерениях направлений просмотра
Измерение направлений просмотра изогнутых дисплеев требует точного выравнивания LMD и дисплея
[1]. Центр поля измерения LMD обычно выравнивают перпендикулярно к поверхности дисплея. Для минимизации ошибки выравнивания, обусловленной кривизной дисплея, рекомендуется обеспечить точность выравнивания в пределах +/- 1°. Точность выравнивания должна быть такой же, как и для плоского состояния. Для системы координат, приведенной на
рисунке 1, оптическая ось LMD должна проходить через центр кривизны изогнутого дисплея. При измерении зависимости просмотра изогнутого дисплея необходимо, чтобы крепление дисплея вращалось вокруг точки на поверхности дисплея в центре поля измерений в плоскости
x -
z (как показано на
рисунке 3) или в плоскости
y - z. Такое же движение требуется и для плоского дисплея. Альтернативно LMD может быть установлен на гониометре, который вращается вокруг одной и той же точки на поверхности дисплея в центре поля измерений (начало системы координат, определенной на
рисунке 1).

Примечание - На рисунке показано, как устройство крепления дисплея вращается вокруг поверхности выпуклого или плоского дисплея для измерения направления просмотра.
Рисунок 3 - Пример устройства крепления дисплея,
которое вращается в плоскости x - z для измерений
направления просмотра - вид сверху
4.2 Устройство измерения света, LMD
Обычно предполагают, что LMD является точечным фотометром, колориметром или спектрорадиометром. Оптические характеристики этих приборов приведены на
рисунке 4. LMD часто имеют произвольный угол поля измерения (иногда называемый измерительной апертурой), который для заданного измерительного расстояния определяет поле измерения на поверхности дисплея. Угол поля измерения не должен превышать 2°. Номинальное измерительное расстояние от LMD до поверхности дисплея составляет 0,5 м. Такая комбинация угла и расстояния поля измерения обычно удовлетворяет рекомендации, в соответствии с которой поле измерения должно содержать не менее 500 пикселей. Однако для изогнутых дисплеев, если поле измерения становится больше (или уменьшается радиус кривизны), LMD отбирает свет от поверхности дисплея в более широком диапазоне углов наклона

.
Рисунок 4 - Оптические характеристики точечного фотометра,
колориметра или спектрорадиометра
Диапазон углов наклона, отбираемых LMD, вычисляют по формуле

(1)
где c - диаметр поля измерений;
rc - радиус кривизны дисплея.
На
рисунке 5 приведен пример изменения диапазона углов наклона для заданного поля измерения для дисплеев с радиусом кривизны 35 и 45 мм. В этом примере диапазон полей измерений, которые содержат не менее 500 пикселей, показан в виде области затенения под графиками.
Рисунок 5 также содержит пример полей измерений, которые могут быть получены при помощи промышленного спектрорадиометра с измерительным расстоянием 0,5 м в соответствии с его углами поля измерений (апертурой LMD).
Рисунок 5 - Пример зависимости между диаметром поля
измерения и углами наклонов
В общем случае желательно минимизировать

, чтобы избежать усреднения по большому диапазону направлений просмотра при измерении. По этой причине диапазон углов наклона должен быть

. В примере, показанном на
рисунке 5, LMD, имеющий угол поля измерений 1°, будет стягивать поле измерения, которое имеет

для дисплея с радиусом кривизны 45 мм и

для дисплея с радиусом кривизны 35 мм. Однако, если измерительное расстояние LMD уменьшить до 0,4 м для дисплея с радиусом кривизны 35 мм, то

также станет менее 5°.
Другим методом уменьшения диапазона углов наклона дисплея является уменьшение угла поля измерения LMD. Однако, как показывает пример на
рисунке 5, меньшие углы поля измерения LMD создают поля измерений, которые могут не соответствовать рекомендации по содержанию в отображаемой выборке более 500 пикселей. В примере, приведенном на
рисунке 5, для угла поля измерения 0,2° это может быть скорректировано путем увеличения измерительного расстояния. Однако сочетание меньшего угла поля измерений и увеличенного измерительного расстояния, как правило, создает более искаженные данные и может привести к проблемам воспроизводимости результатов измерений. Если можно продемонстрировать, что меньшие углы поля измерений на более коротких измерительных расстояниях дают такие же результаты, как и при измерении с LMD, которые содержат не менее 500 пикселей, меньшие углы поля измерения являются приемлемыми.
Примечание 1 - На
рисунке 5 показана зависимость между диаметром поля измерения и диапазоном углов наклона, входящих в поле измерения для заданного радиуса кривизны.
Примечание 2 - Затененная область выделяет зону выборки, которая содержит более 500 пикселей для заданного угла поля измерения (пунктирная линия).
4.3 Конфигурации источника света
4.3.1 Общие положения
Источники света используют для моделирования характеристик дисплея при типичных условиях внутреннего или внешнего окружающего освещения. Такая окружающая среда обычно содержит комбинацию источников направленного и однородного полусферического диффузного света. Процедуры настройки источников света при оценке характеристик изогнутых дисплеев в условиях моделирования внутреннего и внешнего освещения установлены в
4.3.2 и
4.3.3. Для плоских дисплеев применяют такую же общую конфигурацию, без необходимости учитывать ориентацию оси изгиба дисплея.
4.3.2 Однородное полусферическое диффузное освещение
Однородное полусферическое диффузное освещение обычно реализуют с использованием интегрирующей сферы. Для больших дисплеев и дисплеев с большим радиусом кривизны дисплей может быть помещен напротив порта выборки сферы выборки, а область измерения должна быть в пределах однородной области освещения дисплея (см.
рисунок 6, конфигурация B). Однако если дисплей слишком мал, чтобы заполнить область порта выборки, или кривизна вогнутого дисплея меньше кривизны сферы выборки, дисплей должен быть помещен в центр интегрирующей сферы (см.
рисунок 6, конфигурация A). В любой конфигурации длинная ось изогнутого дисплея (ось
y) должна находиться в плоскости падения LMD и быть наклонена на угол 8 - 10° от оптической оси LMD. При использовании интегрирующей сферы эталон отражения должен располагаться рядом с дисплеем и в той же плоскости, что и отображаемая область измерения. Должны быть использованы наилучшие сферические конструкции и методы измерений, которые приведены ниже
[3],
[4].

Рисунок 6 - Пример геометрических конфигураций измерения
отражения для сферического освещения
4.3.3 Направленный источник освещения
Измерения направленного источника особенно чувствительны к искажению области освещения и непреднамеренной фокусировке луча от изогнутых дисплеев. Поэтому при проведении измерения дисплея с помощью направленного освещения следует использовать конфигурацию, показанную на
рисунке 7. LMD и оптическая ось источника должны лежать в плоскости
y -
z, центрированной относительно начала координат. В качестве альтернативы для небольшого выпуклого дисплея для освещения поля измерения с номинальным углом наклона 45° (см.
рисунок 8) можно использовать кольцевой свет, центрированный сверху и/или ниже поля измерения
[1],
[2]. Область измерения LMD должна быть центрирована и должна находиться в пределах области освещения. Освещение кольцевым светом, показанное на
рисунке 8, удовлетворяет двум условиям: наклон кольцевого света составляет 45°, а освещенность (или спектральная освещенность) не изменяется в зависимости от ориентации по окружности цилиндра.
Рисунок 7 - Пример выпуклого дисплея,
освещенного направленным источником света
Рисунок 8 - Пример выпуклого дисплея,
освещенного кольцевым источником света
5 Стандартные условия измерений
5.1 Стандартные условия окружающей среды при измерениях
Электрооптические измерения и визуальный контроль следует проводить в следующих стандартных условиях окружающей среды:
- температура ................................... (25 +/- 3) °C;
- относительная влажность ....................... от 25% до 85%;
- давление ...................................... от 86 до 106 кПа.
При проведении измерений в других условиях окружающей среды они должны быть указаны в протоколе визуального контроля и протоколе испытаний.
5.2 Стандартные условия освещения
5.2.1 Условия темной комнаты
Доля освещенности от фонового освещения, отраженного от испытуемого дисплея, должна составлять не более 0,01 кд/м2 или менее 1/20 яркости дисплея в режиме черного, в зависимости от того, что ниже. Если эти условия не выполняются, то требуется вычитание фонового освещения, что должно быть указано в протоколе испытаний.
Помимо этого, если чувствительность LMD недостаточна для измерения при таких низких уровнях, то в протоколе испытаний необходимо указать нижний предел чувствительности LMD.
Если не указано иное, то условиями стандартного фонового освещения должны быть условия темной комнаты.
5.2.2 Стандартные спектры окружающего освещения
Для проведения оптических измерений излучающих и отражательных дисплеев установлены следующие приведенные ниже условия внутреннего и внешнего освещения. Для моделирования внутреннего освещения в помещении или дневного освещения на открытом воздухе под ясным небом
[4],
[5] обычно используют сочетание двух типов геометрий освещения. Равномерное полусферическое диффузное освещение будет использоваться для моделирования фонового освещения в помещении с направленным источником света, таким как источник света в закрытом помещении или полусферический свет, падающий на дисплей с солнечным окклюдированием. Направленный источник света в темном помещении будет моделировать эффект направленного освещения дисплея от светильника в помещении или от прямого солнечного света.
Для моделирования условий внутренней и внешней среды просмотра дисплея должны быть применены следующие условия освещения, совместимые с условиями для дисплеев на основе OLED и на основе электронной бумаги (МЭК 62341-6-2 и МЭК 62679-3-1):
a) условия освещения внутри помещения:
1) однородное полусферическое диффузное освещение
Используют широкополосный источник света со сглаженным спектром с
фотометрическими характеристиками, приближенными к стандартным
источникам света CIE A, CIE D65 или CIE D50, как определено в МКО
15:2004. Наибольшую точность можно обеспечить посредством
проведения спектральных измерений. При спектральных измерениях,
если можно продемонстрировать, что на дисплее не наблюдается
значительной фотолюминесценции (PL) (< 1% PL, см. МЭК
62341-6-2:2015, приложение A) при выбранных спектрах исходных
источников, для измерения спектральной отражательной способности
может быть использован широкополосный источник света со сглаженным
спектром (например, приближенный к спектру стандартного источника
света CIE A). Измерение спектрального отражения при использовании
широкополосного источника света (например, светильник CIE A)
позволяет в дальнейшем рассчитать фотопические и цветовые
характеристики в помещении для требуемых эталонных спектров
(например, светильник CIE D65). Эксплуатационные характеристики
должны быть рассчитаны при использовании освещенности поверхности
дисплея 60 лк (включая зеркальное отражение) при условии
однородного полусферического освещения, типичной для помещения,
предназначенного для просмотра телевизора, и 300 лк для условий
чтения внутри помещения
[6]. Фактическое измерение полусферического
диффузного отражения для большей точности измерения могут
потребовать более высоких уровней освещенности. Затем результаты
измерений масштабируют до требуемых уровней освещенности;
2) направленное освещение
Следует использовать источник с таким же спектром, как при
полусферическом диффузном освещении. Фотопические и цветовые
характеристики в помещении должны быть рассчитаны с помощью
направленного освещения 200 лк, падающего на поверхность дисплея в
условиях, предназначенных для чтения в помещении, когда дисплей
ориентирован вертикально. При реальном измерении коэффициента
отражения для большей точности измерения могут потребоваться более
высокие уровни освещенности. Затем результаты измерений
масштабируют до требуемых уровней освещенности. Направленный
источник должен находиться под углом 45° к перпендикуляру к
поверхности

.
Другие уровни освещенности могут использоваться в дополнение к тем,
которые определены выше для расчета характеристик дисплея в
условиях внутреннего освещения;
b) условия внешнего дневного освещения (внешнее освещение):
1) однородное полусферическое диффузное освещение
Используют широкополосный источник света со сглаженным спектром с
фотометрическими характеристиками, приближенными к освещению на
открытом воздухе под ясным небом со спектральным распределением
источника света CIE D75
[7]. В зависимости от предполагаемого
применения также можно использовать дополнительные источники
дневного света (например, D65). Наибольшую точность можно
обеспечить посредством проведения спектральных измерений. При
спектральных измерениях коэффициент спектрального отражения можно
измерить с использованием широкополосного источника света со
сглаженным спектром (например, приближенный к стандартному
источнику света CIE A). Фотопические и цветовые параметры при
освещении на открытом воздухе под ясным небом могут быть рассчитаны
при спектрах источника света CIE D75. Фотопические и цветовые
характеристики при освещении на открытом воздухе под ясным небом
должны быть рассчитаны при использовании полусферического
диффузного освещения 15000 лк (с учетом зеркального отражения),
падающего на поверхность дисплея с вертикальной ориентацией
[7],
[8]. При фактическом измерении коэффициента отражения при
полусферическом диффузном освещении могут быть использованы более
низкие уровни освещенности. Затем результаты измерений масштабируют
до необходимых уровней освещенности;
2) направленное освещение
Источник направленного света должен быть приближен к источнику
дневного света CIE D50
[6]. В зависимости от предполагаемого
использования также можно использовать дополнительные источники
дневного света (например, D65). При измерении коэффициента
отражения можно использовать широкополосный источник света со
сглаженным спектром (например, приближенный к спектру стандартного
источника света CIE A). Затем можно рассчитать фотопические и
цветовые характеристики при солнечном свете со спектрами
светильника D50. Фотопические и цветовые характеристики при дневном
свете следует рассчитывать при 65000 лк направленного источника при
угле наклона

относительно поверхности дисплея, а LMD должно
быть установлено перпендикулярно к поверхности дисплея при

[7],
[8]. Фактические измерения коэффициента отражения можно
проводить при более низких уровнях освещения. Затем результаты
измерений масштабируют до требуемых уровней освещения.
Контрастность и цвет рассчитывают при увеличенных уровнях
освещенности. Направленный источник должен иметь стягиваемый угол
приблизительно 0,5°.
При расчетах фотопической и цветовой характеристик при дневном свете по измерениям коэффициента спектрального отражения должны быть использованы относительные спектральные распределения источников света CIE A, D50, D65 и D75, приведенные в таблицах в МКО 15. Дополнительные источники дневного света CIE должны быть определены с помощью соответствующих собственных функций, указанных в МКО 15:2004.
Область ультрафиолетового излучения (UV) (< 380 нм) источника света должна быть исключена (вырезана) UV-заграждающим фильтром. При использовании высоких уровней освещенности источника света для минимизации нагревания устройства рекомендуется применять фильтры, блокирующие излучение в инфракрасной области.
5.2.3 Стандартные геометрии освещения
Для определения эксплуатационных характеристик DUT должны быть использованы один или несколько из трех геометрических типов освещения: направленное, кольцевое и полусферическое. Стандартные конфигурации для реализации таких геометрий освещения определены в МЭК 62679-3-1:2014 (пункт 4.3.4). Также допускается использовать дополнительные геометрии освещения. Подробная информация о геометриях освещения, применяемого для конкретного измерения, должна быть зарегистрирована. Дополнительные рекомендации относительно должного применения таких конфигураций освещения приведены в стандарте измерений информационных дисплеев Международного дисплейного общества (SID)
[3].
5.2.4 Эталон диффузного отражения
Эталонные образцы диффузного отражения белого цвета могут быть получены при диффузном отражении 98% или более. Такие образцы могут иметь разные уровни яркости (уровни серого). Измерение яркости Lstd по таким эталонным образцам отражения может быть использовано для расчета освещенности E на эталонном образце для определенной геометрии освещения, спектре освещенности и конфигурации согласно уравнению

(2)
где Rstd - калиброванный коэффициент отражения света для данной конфигурации измерения.
В случае, если конфигурация освещения представляет собой однородное полусферическое освещение, значение
Rstd эквивалентно коэффициенту полусферического отражения света

. Значение коэффициента отражения света, относящееся к эталонному образцу, справедливо только при полусферическом освещении, при котором он был откалиброван. Если его используют с направленным источником при любом угле, то нет оснований ожидать, что значение коэффициента отражения будет корректным значением коэффициента отражения света для такой конфигурации освещения или спектров.
Примечание - Термины "отражение света" и "коэффициент отражения света" сокращают до "отражения" и "коэффициента отражения" соответственно.
5.3 Стандартные условия настройки
5.3.1 Регулировка дисплейных модулей
В зависимости от предполагаемого применения дисплей должен измеряться в плоском состоянии или удерживаться в жестком состоянии с плавным и постоянным радиусом кривизны по всей активной области дисплея. Измерения дисплея должны быть проведены с заводскими настройками по умолчанию. Если используют другие настройки, они должны быть указаны в протоколе испытаний. Эти настройки должны быть постоянными для всех измерений, если не указано иное.
Если можно продемонстрировать, что оптические характеристики дисплея в его плоском состоянии являются такими же, как и для его изогнутого состояния, дисплей может быть измерен в плоском состоянии. Используемое при испытании состояние изгиба дисплея должно быть зарегистрировано.
5.3.2 Начальные условия измерений
Измерения должны начинаться после того, как дисплейные модули и измерительные приборы достигнут состояния стабильности. Время прогрева модулей дисплея должно быть достаточным для достижения значения отклонения уровня яркости менее +/- 5% по всему полю измерения для данного отображения.
5.3.3 Состояние измерительного оборудования
Требования к состоянию измерительного оборудования установлены в МЭК 62679-3-1:2014 (пункт 4.4.3). Любые отклонения от этих условий должны быть указаны в протоколе испытаний.
5.4 Стандартные позиции поля измерений
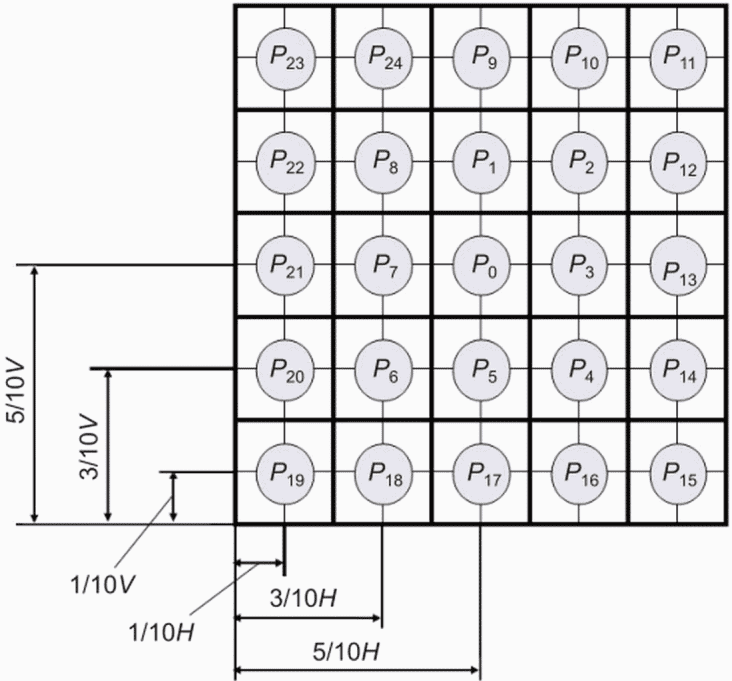
Измерения яркости, спектрального распределения и/или цветовых координат (трех основных цветов) можно выполнять в нескольких определенных позициях на поверхности DUT. С этой целью активную область дисплея делят на двадцать пять идентичных воображаемых прямоугольников (см.
рисунок 9). Измерения проводят в центре каждого прямоугольника, если не указано иное. Прямоугольники нумеруют, начиная от центра к краям спирально по часовой стрелке. Необходимо проконтролировать, чтобы поля измерения на дисплее не пересекались. Размещение поля измерения в установленные позиции в горизонтальном,
H, и вертикальном,
V, направлениях должно быть в пределах 7% от
H и
V соответственно. Дисплей или детектор должны перемещаться в горизонтальном и вертикальном направлениях для выполнения измерений в требуемых позициях дисплея, при этом все измерения выполняют на направлении, перпендикулярном к экрану. Любое отклонение от указанных выше стандартных позиций необходимо указать в протоколе испытаний.

Примечание - Стандартные позиции измерения находятся в центрах всех прямоугольников от P0 до P24. Высота и ширина каждого прямоугольника составляет 20% от высоты и ширины дисплея соответственно.
Рисунок 9 - Стандартные позиции измерений
6 Оптические методы измерений в условиях темной комнаты
6.1 Яркость и однородность яркости
6.1.1 Общие положения
Настоящий метод используют для определения яркости и однородности яркости активной области дисплея в условиях темной комнаты. Для отражающих дисплеев этот метод применяют для дисплеев с ILU и проверяют при стандартных заводских настройках, если не указано иное. Уровни ILU также могут быть проконтролированы, а уровень освещенности должен быть указан в протоколе испытаний.
6.1.2 Измерительное оборудование
Должна быть использована следующая аппаратура:
- измеритель яркости, колориметр или спектрорадиометр;
- источник питания устройства формирования сигнала запуска;
- устройство формирования сигнала запуска;
- приспособление для перевода плоского дисплея или LMD в вертикальное и горизонтальное положения (направления);
- устройство крепления дисплея, которое может вращать изогнутый дисплей вокруг его центра кривизны (см.
рисунок 2) или LMD, который может быть установлен на гониометре, который вращается вокруг центра кривизны дисплея.
6.1.3 Метод измерения яркости в центре экрана
При измерении яркости в центре экрана следует применять следующую процедуру:
a) установить дисплей в его плоском или изогнутом состоянии в устройство крепления в соответствии с указаниями
4.1;
b) разместить LMD на рекомендуемом расстоянии от дисплея и выставить его оптическую ось перпендикулярно к центру активной области дисплея (позиция P0);
c) установить на дисплее в области 4%-ного окна (см.
рисунок 10) желаемый цвет
Q при самом высоком уровне яркости. Позволить дисплею стабилизироваться;
d) измерить яркость дисплея LQ0 для цвета Q в позиции P0;
e) повторить измерения для других цветов дисплея, при необходимости;
f) указать значения яркости в центре экрана LQ0 для цвета Q в протоколе испытаний.
Рисунок 10 - Испытательное изображение,
используемое для измерений области 4%-ного окна
6.1.4 Метод измерения однородности яркости
При измерении применяют следующую процедуру:
a) установить дисплей в плоском или изогнутом состоянии в устройство крепления, которое позволит LMD оставаться на фиксированном расстоянии от поля измерения и перпендикулярно к поверхности дисплея в центре поля измерения;
b) разместить LMD на рекомендуемом расстоянии от дисплея и выставить его оптическую ось перпендикулярно к центру активной области дисплея (позиция P0);
c) установить дисплей в полноэкранный режим с желаемым цветом Q при самом высоком уровне яркости. Обычно используют полноэкранный режим белого. Можно также измерить дополнительный цвет. Позволить дисплею стабилизироваться;
d) измерить яркость дисплея LQ0 для цвета Q в позиции P0;
e) переместить дисплей (см.
4.1.2 для изогнутых дисплеев) или LMD и выполнить последовательные измерения яркости в пяти (
P0,
P11,
P15,
P19 и
P23) или девяти позициях (
P0,
P9,
P11,
P13,
P15,
P17,
P19,
P21 и
P23), указанных на
рисунке 9.
6.1.5 Определение и оценка однородности яркости
Однородность яркости дисплея, в процентах, при цвете Q вычисляют по формуле

(3)
где LQ,max - максимальное значение яркости соответственно размещению при измерении;
LQ,min - минимальное значение яркости соответственно размещению при измерении.
Все минимальные и максимальные значения яркости и значение неоднородности яркости должны быть зарегистрированы совместно с описанием условий измерения.
6.2.1 Общие положения
Целью настоящего метода является измерение контрастности дисплея в центре активной области в условиях темной комнаты. Для отражающих дисплеев этот метод применим только к дисплеям, имеющим ILU, который установлен на максимальный уровень освещенности.
6.2.2 Измерительное оборудование
Должна быть использована следующая аппаратура:
- измеритель яркости, колориметр или спектрорадиометр;
- источник питания устройства формирования сигнала запуска;
- устройство формирования сигнала запуска.
6.2.3 Метод измерения
При измерении применяют следующую процедуру:
a) установить дисплей в плоском или изогнутом состоянии в устройство крепления в соответствии с указаниями
4.1;
b) разместить LMD на рекомендуемом расстоянии от дисплея и выставить его оптическую ось перпендикулярно к центру активной области дисплея (позиция P0);
c) установить на дисплее в области 4%-ного окна белый цвет (см.
рисунок 10) при самом высоком уровне яркости в центре активной области, а оставшийся черный фон на наименьший уровень яркости. Позволить дисплею стабилизироваться;
d) измерить максимальную яркость белого света LW0 дисплея в позиции P0;
e) установить дисплей в режим полноэкранного черного при самом низком уровне яркости. Позволить экрану стабилизироваться;
f) измерить яркость дисплея LK0 в позиции P0.
6.2.4 Определение и оценка
Контрастность 4%-ного окна в темной комнате рассчитывают по формуле

(4)
где LK0 - значение яркости черного цвета, измеренное в центре экрана;
LW0 - пиковое значение яркости белого цвета, измеренное в центре экрана.
Контрастность 4%-ного окна в темной комнате, яркость черного цвета и пиковая яркость белого цвета должны быть зарегистрированы совместно с описанием условий измерения.
6.3 Цветность, однородность цвета и площадь цветовой гаммы
6.3.1 Общие положения
Целью настоящего метода является измерение цветности дисплея при желаемом цвете
Q, однородности цвета и площади цветовой гаммы в условиях темной комнаты. Площадь цветовой гаммы также можно определить в условиях окружающей среды с использованием координат цветности окружающей среды, полученных в
7.3. Для отражающих дисплеев настоящий метод применяют только к дисплеям, имеющим ILU, который испытывают при стандартных заводских настройках, если не установлено иное. Дополнительно могут быть измерены уровни освещенности ILU, а уровень освещенности должен быть зарегистрирован совместно с результатами испытаний.
6.3.2 Измерительное оборудование
Должна быть использована следующая аппаратура:
- измеритель яркости, колориметр или спектрорадиометр;
- источник питания устройства формирования сигнала запуска;
- устройство формирования сигнала запуска.
6.3.3 Метод измерения цветности в центре экрана
При измерении применяют следующую процедуру:
a) установить дисплей в плоском или изогнутом состоянии в устройство крепления в соответствии с указаниями
4.1;
b) разместить LMD на рекомендуемом расстоянии от дисплея и выставить его оптическую ось перпендикулярно к центру активной области дисплея (позиция P0);
c) установить дисплей в область 4%-ного окна (см.
рисунок 10) с желаемым цветом
Q при самом высоком уровне яркости. Позволить дисплею стабилизироваться;
d) измерить координаты цветности МКО 1931 (xQ, yQ) для цвета Q в позиции P0;
e) рассчитать координаты

цветности МКО 1976 UCS для цвета
Q, используя следующие выражения:

(5)
f) повторить измерения и расчет для других цветов дисплея, при необходимости;
g) зарегистрировать координаты цветности МКО 1931, настройки дисплея и конфигурацию измерений.
6.3.4 Метод измерения цветовой гаммы в центре экрана и площади цветовой гаммы
При измерении применяют следующую процедуру:
a) использовать метод измерения, установленный
6.3.3, для определения координат цветности для белого, красного, зеленого и синего цветов МКО 1931 и МКО 1976 UCS при уровнях цифрового входного сигнала, указанных в
таблице 1;
b) определить угловые точки треугольника на цветовой гамме в диаграмме цветности МКО 1931 обычно представленной треугольником, образованным красными (
xR,
yR), зелеными (
xG,
yG) и синими (
xB,
yB) цветами. Пример результатов измерения показан на
рисунке 11;
c) определить площадь цветовой гаммы как процент площади цветового пространства, включающего в себя цветовую гамму по всему спектру локуса в диаграмме цветности МКО 1976 UCS (см.
рисунок 11). Для трех отображаемых основных цветов площадь цветовой гаммы рассчитывают, как

(6)
где R, G, B - нижние индексы, которые относятся к красному, зеленому и синему основному цвету соответственно.
Таблица 1
Входные сигналы при измерениях площади цветовой гаммы
CIELAB, МКО 1931 и МКО 1976 USC'
Цвет, Q | Уровень 8-битового сигнала |
R (красный) | G (зеленый) | B (синий) |
Красный | 255 | 0 | 0 |
Зеленый | 0 | 255 | 0 |
Синий | 0 | 0 | 255 |
Желтый | 255 | 255 | 0 |
Пурпурный | 255 | 0 | 255 |
Голубой | 0 | 255 | 255 |
Белый | 255 | 255 | 255 |
a) График цветности МКО 1931
b) График цветности МКО 1976 USC
Рисунок 11 - Примеры цветовой гаммы, представленные
в двух применяемых диаграммах цветности
Площадь цветовой гаммы основных цветов sRGB (МЭК 61966-2-1) при использовании координат цветности МКО 1931 (x, y) для красного цвета (0,64, 0,33), для зеленого цвета (0,30, 0,60) и для синего цвета (0,15, 0,06) составляет 33%;
d) зарегистрировать координаты цветности МКО 1931 и МКО 1976 UCS для белого, RGB, площадь цветовой гаммы МКО 1976 UCS, настройки дисплея и конфигурацию измерений.
6.3.5 Метод измерений однородности цвета
При измерении применяют следующую процедуру:
a) установить дисплей в плоском или изогнутом состоянии в устройство крепления, которое позволит LMD оставаться на фиксированном расстоянии от поля измерения и перпендикулярно к поверхности дисплея в центре поля измерения;
b) разместить LMD на рекомендуемом расстоянии от дисплея и выставить его оптическую ось перпендикулярно к центру активной области дисплея (позиция P0);
c) установить дисплей в режим полноэкранного с желаемым цветом Q при самом высоком уровне яркости. Обычно используют полноэкранный белый цвет. Можно также измерить дополнительный цвет. Позволить дисплею стабилизироваться;
d) измерить координаты цветности МКО 1931 (xQ, yQ) для цвета Q в позиции P0;
e) переместить дисплей (см.
4.1.2 для изогнутых дисплеев) или LMD и выполнить последовательные измерения яркости в пяти (
P0,
P11,
P15,
P19 и
P23) или девяти позициях (
P0,
P9,
P11,
P13,
P15, P17, P19,
P21 и
P23), указанных на
рисунке 9;
f) рассчитать координаты цветности, применяя
формулу (5), чтобы получить координаты цветности (
u',
v') МКО 1976 UCS из координат цветности (
x,
y) МКО 1931;
g) использовать координаты цветности (u', v') МКО 1976 UCS в каждой позиции Pi для определения разности цветов между парами выбранных цветов с использованием следующей формулы разности цветности:

(7)
где
i,
j = от 0 до 4 или от 0 до 8 при
.
Цветовую неоднородность определяют как наибольшую выбранную цветовую разность

между любыми двумя точками (позициями измерения);
h) определить наибольшую цветовую разность. Пример измерения в девяти точках приведен в
таблице 2. Наибольшая цветовая разность может быть уменьшена (сужена) за счет построения графика по девяти координатам (
u',
v'), а не путем расчета всех пар (
u',
v');
i) зарегистрировать наибольшую цветовую разность МКО 1976 UCS с точностью до трех десятичных знаков (+/- 0,001).
Таблица 2
Пример МКО 1976 UCS цветовой неоднородности
Точка измерения | xi | yi | | | |
P0 | P1 | P2 | P3 | P4 | P5 | P6 | P7 | P8 |
P0 | 0,311 | 0,325 | 0,198 | 0,466 | 0,000 | | | | | | | | |
P1 | 0,330 | 0,320 | 0,214 | 0,466 | 0,016 | 0,000 | | | | | | | |
P2 | 0,307 | 0,323 | 0,196 | 0,464 | 0,003 | 0,018 | 0,000 | | | | | | |
P3 | 0,309 | 0,328 | 0,196 | 0,467 | 0,002 | 0,018 | 0,003 | 0,000 | | | | | |
P4 | 0,310 | 0,326 | 0,197 | 0,466 | 0,001 | 0,017 | 0,002 | 0,001 | 0,000 | | | | |
P5 | 0,303 | 0,319 | 0,195 | 0,461 | 0,006 | 0,020 | 0,003 | 0,006 | 0,005 | 0,000 | | | |
P6 | 0,311 | 0,324 | 0,199 | 0,465 | 0,001 | 0,015 | 0,003 | 0,004 | 0,002 | 0,006 | 0,000 | | |
P7 | 0,315 | 0,320 | 0,203 | 0,464 | 0,005 | 0,011 | 0,007 | 0,008 | 0,006 | 0,009 | 0,004 | 0,000 | |
P8 | 0,314 | 0,327 | 0,199 | 0,467 | 0,001 | 0,015 | 0,004 | 0,003 | 0,002 | 0,007 | 0,002 | 0,005 | 0,000 |
Максимальное значение  . |
6.4 Пиковое значение коррелированной цветовой температуры поля белого
6.4.1 Общие положения
Целью настоящего метода является измерение пиковой коррелированной цветовой температуры белого в условиях темной комнаты. Для отражающих дисплеев настоящий метод применяют только к дисплеям, в состав которых входит ILU, который установлен на максимальный уровень освещенности.
6.4.2 Измерительное оборудование
Должна быть использована следующая аппаратура:
- измеритель яркости, колориметр или спектрорадиометр;
- источник питания устройства формирования сигнала запуска;
- устройство формирования сигнала запуска.
Дисплей должен быть установлен и отрегулирован в соответствии с указаниями
4.1.
6.4.3 Метод измерений
При измерении применяют следующую процедуру:
a) установить дисплей в плоском или изогнутом состоянии в устройство крепления в соответствии с указаниями
4.1;
b) разместить LMD на рекомендуемом расстоянии от дисплея и выставить его оптическую ось перпендикулярно к центру активной области дисплея (позиция P0);
c) установить на дисплее в области 4%-ного окна белый цвет (см.
рисунок 10) при самом высоком уровне яркости. Позволить дисплею стабилизироваться;
d) измерить максимальные (пиковые) координаты цветности (xW, yW) МКО 1931 белого цвета в позиции P0;
e) измерить CCT напрямую с помощью LMD. Если измерительный инструмент не позволяет провести прямые измерения CCT, то она может быть аппроксимирована с помощью формулы МакКами
TCCT = 437n3 + 3601n2 + 6863n + 5517, (8)
при
n = (xW - 0,3320)/(0,1858 - yW). (9)
CCT, как правило, действительна только для белого цвета, а не для отдельных основных цветов;
f) зарегистрировать CCT, установки дисплея и конфигурацию измерения.
6.5 Зависимость характеристик от направления просмотра
6.5.1 Общие положения
Целью настоящего метода является измерение фотометрических и колориметрических свойств дисплея в диапазоне направлений просмотра в условиях темной комнаты. Для отражающих дисплеев настоящий метод применяют только к дисплеям, в состав которых входит ILU, который установлен на максимальный уровень освещенности.
6.5.2 Измерительное оборудование
Должна быть использована следующая аппаратура:
- измеритель яркости, колориметр или спектрорадиометр;
- источник питания устройства формирования сигнала запуска;
- устройство формирования сигнала запуска;
- приспособление для поворота плоского или изогнутого дисплея вокруг плоскости поверхности изображения в центре области измерения (см.
рисунок 3);
- LMD, смонтированный на гониометре, который может вращаться вокруг одной и той же точки измерения.
Дисплей должен быть установлен и отрегулирован в соответствии с указаниями
4.1.3.
6.5.3 Метод измерений
При измерении применяют следующую процедуру:
1) установить дисплей в плоском или изогнутом состоянии в устройство крепления в соответствии с указаниями
4.1. Цилиндрическая ось дисплея должна быть параллельна вертикальной оси;
2) разместить LMD на рекомендуемом расстоянии от дисплея и выставить его оптическую ось перпендикулярно к центру активной области дисплея (позиция P0);
3) установить дисплей в полноэкранный режим желаемого цвета Q при самом высоком уровне яркости. Обычно используют полноэкранный белый цвет. Можно также измерить дополнительный цвет. Позволить дисплею стабилизироваться;
4) измерить цветность и яркость LQ,0° дисплея при нормальном угле падения. Рассчитать значения координат цветности XQ, YQ и ZQ CIE для желаемого цвета Q с помощью следующих уравнений:

(10)
YQ = LQ, (11)

(12)
5) поворачивать дисплей или детектор, относительно горизонтальной плоскости поверхности дисплея до следующего направления просмотра, поддерживая расстояние между детектором и дисплеем. Рекомендуется, чтобы при измерениях за направления просмотра принимались следующие значения:

до минус 75° с шагом не более 15°;
6) измерить цветность и яркость

дисплея в каждом положении просмотра и рассчитать значения координат цветности CIE;
7) для каждого направления просмотра рассчитать значения L*, a* и b* CIELAB для каждого цвета Q с помощью следующих уравнений:

(13)

(14)

(15)
при

(16)
где XQ,0°, YQ,0°, ZQ,0° - значения координат цветности в точке максимального белого цвета дисплея при направлении просмотра перпендикулярном центру активной области экрана дисплея;

,

и

- значения координат цвета
Q, измеренного в направлении просмотра

;
8) зарегистрировать яркость, координаты цветности и значения CIELAB L*a*b* для всех измерений в горизонтальной плоскости.
6.5.4 Определение и оценка
Зависимость фотометрических характеристик от направления просмотра дисплея можно охарактеризовать для экрана белого цвета (или любого цвета
Q) при помощи коэффициента направления обзора, которое дает количественную оценку изменения яркости

при угле

к ее значению при направлении просмотра, перпендикулярном к центру активной области экрана дисплея,

(17)
или контрастностью (значение яркости белого по отношению к черному) в зависимости от направления просмотра

(18)
Пример графика зависимости контрастности дисплея от направления просмотра приведен на
рисунке 12. Аналогичный график можно построить для разности степени освещенности относительно значения при перпендикулярном падении света.
Рисунок 12 - Пример зависимости контрастности
от направления просмотра
Изменение цвета с направлением просмотра

можно охарактеризовать как цветовой сдвиг, угол оттенка или цветность. Любые колориметрические изменения в зависимости от направления просмотра можно выразить посредством цветовой разности

цветовом пространстве МКО 1976 UCS или

в цветовом пространстве CIELAB. В данном анализе значения CIELAB в каждом направлении просмотра (

,

и

) используют для расчета цветовой разности CIELAB относительно значения при нормальном падении

(19)
Дополнительно, при необходимости, можно оценить различие компонентов цветовой разности

в параметрах корреляции цветности или оттенка. Такую оценку можно провести, используя цветность
C* МКО 1976 и угол оттенка
h МКО 1976 и выражая цветовую разность в параметрах разницы цвета

МКО 1976 и разности оттенков

МКО 1976

(20)

(21)

(22)
Зависимость характеристик от направления просмотра должна суммироваться (по крайней мере, в диапазоне

от 0° до 75°) для необходимых рабочих характеристик в рекомендуемом формате, приведенном в
таблице 3.
Таблица 3
Пример формы, используемой для представления зависимости
характеристик от направления просмотра
Параметр | Направление просмотра |
0° | 15° | 30° | 45° | 60° | 75° |
| | | | | | |
VDCR | | | | | | |
| | | | | | |
6.6 Перекрестная помеха с дисплеем в изогнутом состоянии
6.6.1 Общие положения
Целью настоящего метода является определение фотометрической перекрестной помехи изогнутого дисплея в темной комнате. Перекрестные помехи могут быть вызваны нежелательными емкостными, индуктивными или кондуктивными связями от одной цепи, части схемы или канала с другими цепями, частями схемы или канала, когда дисплей находится в изогнутом или криволинейном состоянии. Для отражающих дисплеев настоящий метод применяют только к дисплеям, в состав которых входит ILU, который установлен на максимальный уровень освещенности.
6.6.2 Измерительное оборудование
Должна быть использована следующая аппаратура:
- измеритель яркости, колориметр или спектрорадиометр;
- источник питания устройства формирования сигнала запуска;
- устройство формирования сигнала запуска.
Дисплей должен быть установлен и отрегулирован в соответствии с указаниями
4.1.
6.6.3 Метод измерений
При измерении применяют следующую процедуру:
1) установить дисплей в плоском или изогнутом состоянии в устройство крепления в соответствии с указаниями
4.1;
2) разместить LMD на рекомендуемом расстоянии от дисплея и выставить его оптическую ось перпендикулярно к центру активной области дисплея (позиция
P0 на
рисунке 13);
3) установить на экране дисплея испытательное изображение и фоновое освещение на 18%-ный уровень серого. Каждый прямоугольник 4%-ных окон белого AWi (i = от 1 до 4) устанавливают на 100%-ный уровень серого и включают последовательно по одному. В любое время должно присутствовать только одно 4%-ное окно белого;
4) измерить последовательно яркость дисплея LWi (i = от 1 до 4) в позиции P0 для каждого 4%-ного окна белого AWi (i = от 1 до 4), представляемого по одному;
5) рассчитать среднюю яркость следующим образом:

(23)
6) установить на экране дисплея испытательное изображение, показанное на
рисунке 14, и фоновое освещение на 18%-ный уровень серого. Каждый из прямоугольников 4%-ных окон черного
ABi (
i = от 1 до 4) устанавливают на 0% уровня серого и включают последовательно по одному. В любое время должно присутствовать только одно 4%-ное окно черного;
7) измерить последовательно яркость дисплея LBi (i = от 1 до 4) в позиции P0 для каждого 4%-ного окна черного ABi (i = от 1 до 4), представляемого по одному;
8) рассчитать среднюю яркость следующим образом:

(24)
Примечание - Белые прямоугольники расположены диагонально по отношению к позиции измерения яркости в позиции P0.
Рисунок 13 - Испытательное изображение
перекрестной помехи с диагональными прямоугольниками
4%-ных окон белого на сером фоне
Примечание - Черные прямоугольники расположены диагонально по отношению к позиции измерения яркости в позиции P0.
Рисунок 14 - Испытательное изображение перекрестной помехи
с диагональными прямоугольниками 4%-ных окон
черного на сером фоне
9) установить на экран дисплея испытательное изображение (шаблон), показанное на
рисунке 15 и фоновое освещение на 18%-ный уровень серого. Каждый из прямоугольников 4%-ных окон белого
AWi (i = от 5 до 8) устанавливают на 100%-ный уровень серого и включают последовательно по одному. В любое время должно присутствовать только одно 4%-ное окно белого;
10) измерить последовательно яркость дисплея LWi_CT (i = от 5 до 8) в позиции P0 для каждого 4%-ного окна белого AWi (i = от 5 до 8), представляемого по одному;
11) установить на экране дисплея испытательное изображение, показанное на
рисунке 16, и фоновое освещение на 18%-ный уровень серого. Каждый из прямоугольников 4%-ных окон черного
ABi (
i = от 5 до 8) устанавливают на 0%-ный уровень серого и включают последовательно по одному. В любое время должно присутствовать только одно 4%-ное черное окно;
12) измерить последовательно яркость дисплея LBi_CT (i = от 5 до 8) в позиции P0 для каждого 4%-ного окна черного ABi (i = от 5 до 8), представляемого последовательно по одному;
13) процент белых и черных перекрестных помех от дисплея определяют как:

при
i = 5, 6, 7, 8, (25)

при
i = 5, 6, 7, 8. (26)
Примечание - Выровнены с вертикальной и горизонтальной осями позиции измерения яркости в P0.
Рисунок 15 - Испытательное изображение перекрестной помехи
с перпендикулярными прямоугольниками 4%-ных
окон белого на сером фоне
Примечание - Выровнены с вертикальной и горизонтальной осями позиции измерения яркости в P0.
Рисунок 16 - Испытательное изображение перекрестной помехи
с перпендикулярными прямоугольниками 4%-ных
окон черного на сером фоне
Рассчитанные значения перекрестных помех должны быть зарегистрированы совместно с описанием условий измерения.
7 Оптический метод измерений при окружающем освещении
7.1.1 Общие положения
Целью настоящего метода является измерение отражающих свойств гибкого дисплейного модуля при определенных условиях освещения. Дисплей должен быть измерен в состоянии проектной конструкции или при максимально изогнутом состоянии. Если можно продемонстрировать, что отражающие свойства дисплея в изогнутом состоянии и плоском состоянии не отличаются, то измерения отражения могут быть выполнены с использованием дисплея в плоском состоянии.
Настоящий метод применяют к эмиссионным/пропускающим дисплеям, а также к отражающим дисплеям. При измерении отражающего дисплея, в состав которого входит ILU, его следует установить на максимальный уровень освещенности и рассматривать дисплей как эмиссионный.
Метод устанавливает процедуры измерения коэффициентов спектрального и светового отражения дисплея. Измерение коэффициентов спектрального отражения является рекомендованным. Если для получения коэффициентов отражения света используют измеритель яркости, то измеренные коэффициенты отражения света действительны только для спектров освещения, используемых при проведении измерения. Полученные в этом случае коэффициенты отражения не следует использовать для расчета отражающих свойств при других спектральных распределениях.
7.1.2 Условия измерения
7.1.2.1 Общие положения
Должна быть использована следующая аппаратура:
- источник питания устройства формирования сигнала запуска;
- устройство формирования сигнала запуска;
- интегрирующая сфера, сфера или полусфера выборки;
- направленный источник света.
Для спектральных измерений требуется спектрорадиометр, который может измерять яркость и, при необходимости, спектральную плотность энергетической яркости, а также стандартный образец диффузного отражения белого с известными коэффициентами спектрального отражения при полусферическом диффузном освещении и при направленном освещении, откалиброванный для предполагаемой геометрии измерения. Для фотометрических измерений требуется детектор, способный измерять яркость, а также стандартный образец диффузного отражения белого с известными коэффициентами отражения света при полусферическом диффузном освещении и при направленном освещении, откалиброванный для предполагаемой геометрии измерения и спектров источника. Дисплей должен быть установлен и выровнен в соответствии с указаниями, приведенными в
4.1.
Условие освещенности должно быть следующим:
- следует использовать стандартные условия направленного, кольцевого или полусферического освещения (см.
5.2.3). Спектры освещения должны быть приближены к спектрам источников света CIE D50 или D65. В противном случае должен быть использован стабильный широкополосный источник видимого света со сглаженным спектром (например, лампа накаливания). Используемая при измерении геометрия освещения/детектирования и CCT источника света должны быть зарегистрированы;
- за исключением заданных условий окружающего освещения, все остальные условия должны быть стандартными условиями.
7.1.2.2 Измерения полусферического диффузного отражения
При измерении применяют следующую процедуру:
a) поместить дисплей в интегрирующую сферу или напротив порта выборки сферы выборки (см.
рисунок 6) в соответствии с указаниями
4.3.2. Длинная ось изогнутого дисплея (ось
y) должна находиться в плоскости падения LMD. Включить интегрирующую сферу или сферу выборки полусферического диффузного освещения и получить желаемую CCT. Позволить стабилизироваться источнику света.
Примечание 1 - Любое изменение освещения в сфере можно контролировать с помощью фотопического детектора, установленного на сфере;
b) установить испытательный входной сигнал для генерирования 4%-ного окна цвета
Q при наибольшем уровне освещения или отражения для отражающих дисплеев при черном фоне (см.
рисунок 10);
c) провести выравнивание LMD через измерительный порт и сфокусировать его в центре дисплея при угле наклона поверхности дисплея от 8° до 10° относительно нормали. Отключить освещение в помещении. Измерить спектральную плотность энергетической яркости

или яркость
LQ,hemi-ON в центре цветного испытательного изображения (шаблона) при включенной полусферической подсветке. Для спектральных измерений яркость дисплея
LQ,hemi-ON можно рассчитать, используя следующее уравнение:

(27)
где

- функция фотопической относительной световой эффективности, установленная в МКО 15:2004.
Примечание 2 - В настоящем стандарте спектральные измерения, например, спектральной плотности энергетической яркости, будут конкретно определяться их зависимостью от длины волны [например,

], тогда как их фотометрическая эквивалентная яркость не будет иметь отчетливой зависимости от длины волны (например,
LQ,hemi-ON);
d) провести выравнивание LMD относительно центра калиброванного стандартного образца с известным коэффициентом диффузного отражения белого. Измерить спектральную плотность энергетической яркости стандартного образца

или яркость
SQ,hemi-ON при включенной полусферической подсветке и установленном цвете дисплея
Q. В случае использования сферы выборки

или
SQ,hemi-ON являются спектральной плотностью энергетической яркости и яркостью, соответственно, которые измеряют от стенки сферы соседней с портом выборки;
e) выключить интегрирующую сферу или сферу выборки полусферического диффузного освещения. Выключение можно провести отключением источника света. Если свет сферы обеспечивается портативным источником (например, жгутом оптических волокон), он может быть отключен посредством отсоединения на конце источника света, таким образом внутренние условия и рабочие характеристики сферы не изменятся. Для отражающих дисплеев без ILU или с отключенным ILU этот этап исключается;
f) измерить спектральную плотность энергетической яркости

или яркость
SQ эталона отражения или стенки сферы выборки, с отключенной подсветкой и цветом дисплея
Q. Для отражающих дисплеев без ILU или с отключенным ILU этот этап исключается;
g) провести выравнивание LMD относительно центра дисплея. Измерить спектральную плотность энергетической яркости

или яркость
SQ в центре дисплея при отключенной диффузной подсветке. Для отражающих дисплеев без ILU или с отключенным ILU этот этап исключается;
h) рассчитать коэффициент полусферического диффузного спектрального отражения

или коэффициент полусферического диффузного отражения

цвета
Q испытательного изображения (шаблона) дисплея для геометрии освещения/детектирования, применяемой при измерении.
Для спектральных измерений при расчете используют следующую формулу:

(28)
где

- известный коэффициент полусферического спектрального отражения для стандартного отражения белого диффузного или стенки сферы выборки при той же геометрии измерения.
| | ИС МЕГАНОРМ: примечание. Текст дан в соответствии с официальным текстом документа. | |
Для отражающих дисплеев без ILU или с отключенным ILU параметры

и

и

принимают за нуль.
Коэффициент полусферического диффузного отражения

при отображаемом цвете дисплея
Q и требуемых спектрах полусферического диффузного освещения рассчитывают с использованием коэффициента спектрального отражения

по следующей формуле:

(29)
где

- относительное спектральное распределение требуемого освещения.
Должны быть использованы спектральные распределения источников света CIE типов A, D65, D50 и D75, установленные в таблице МКО 15:2004. При использовании дополнительных источников дневного света при расчете должно быть применено следующее уравнение, приведенное в МКО 15:2004:

(30)
где E0, E1 и E2 - собственные функции, указанные в таблице, приведенной в МКО 15:2004;
M1 и M2 - собственные значения, определенные в том же документе.
Например, в
таблице 4 приведены
M1 и
M2 для случая использования источников света D50 и D75.
Таблица 4
Собственные значения
M1 и
M2 для CIE
источников дневного света типов D50 и D75
Собственные значения | Коррелированная цветовая температура, К |
5000 | 7500 |
M1 | -1,0401 | 0,14358 |
M2 | 0,36666 | -0,75993 |
При измерениях яркости для расчета используют следующий фотометрический эквивалент формулы:

(31)
| | ИС МЕГАНОРМ: примечание. Текст дан в соответствии с официальным текстом документа. | |
Для отражающих дисплеев без ILU или с отключенным ILU параметры

и

и

принимают за нуль. Однако для источника полусферического диффузного освещения с подобной геометрией и спектральным распределением должно быть использовано отражение полусферического диффузного освещения с коэффициентом

при отображаемом цвете дисплея
Q и полусферическое диффузное отражение белого с коэффициентом

, которые использовались при измерении. Поэтому условия контрастности и цветовой расчет с использованием полусферического диффузного освещения с коэффициентом

, который определялся фотометрическим методом с использованием
уравнения (30), справедлив только при использовании источников света с аналогичными спектрами и геометрией.
Для обеспечения целостности измерений отраженный компонент освещения сферы должен быть намного больше, чем эмиссионное отображение [т.е.

]. Такой же принцип применяют для фотометрических эквивалентов в
формуле (31);
i) зарегистрировать CCT освещения дисплея при испытании,

, параметры детектора (угол падения, угол поля измерения и расстояние до образца) и геометрию источника освещения, используемые при измерениях в протоколе испытаний.
7.1.2.3 Измерение коэффициента отражения для направленного источника света
При измерении применяют следующую процедуру:
a) установить дисплей в его плоском или изогнутом состоянии в устройство фиксации в соответствии с указаниями
4.1;
b) установить испытательный входной сигнал дисплея для генерирования 4%-ного окна цвета
Q при максимальном уровне яркости или отражения для отражающего дисплея, с черным фоном (см.
рисунок 10);
c) измерить спектральную плотность энергетической яркости (спектральное излучение)

или яркость
LQ, в центре цветного испытательного изображения (шаблона) в условиях темной комнаты. Для спектральных измерений яркость дисплея
LQ может быть рассчитана с использованием
формулы (26). Для отражающих дисплеев без ILU или с отключенным ILU этот этап исключается;
d) установить направленный источник света, как указано в
4.3.3. Обычно должен быть использован источник с дискретной направленной геометрией. Если дисплей имеет жесткий матричный (асимметричный) разброс, то рекомендуется использовать кольцевой свет
[9]. Если можно продемонстрировать, что отражающие свойства изогнутого дисплея при направленном освещении и в плоском состоянии не отличаются, то для измерения можно использовать конфигурацию кольцевого света. Включить источник света при требуемой CCT и дождаться стабилизации источника света. Отрегулировать интенсивность источника так, чтобы свет, отраженный от дисплея, создавал сильный сигнал на LMD;
e) измерить спектральную плотность энергетической яркости (спектральное излучение)

или яркость
LQ,dir от центра дисплея с включенным направленным источником света. Для спектральных измерений яркость
LQ,dir от центра дисплея с направленным освещением можно рассчитать, используя
формулу (26). Для обеспечения целостности измерений спектральное излучение дисплея с включенным направленным источником в окружающую среду должно быть намного больше, чем спектральное излучение дисплея в темной комнате [т.е.

]
. Такой же принцип применяют к фотометрическим эквивалентам;
f) снять дисплей и разместить эталон белого диффузного отражения в ту же плоскость измерения, что и LMD;
g) измерить спектральную плотность энергетической яркости

или яркость
Sdir от калиброванного стандартного образца диффузного отражения белого. Для спектральных измерений спектральная энергетическая освещенность

на стандартном образце диффузного отражения белого (и, следовательно, дисплея) может быть рассчитана с помощью следующей формулы:

(32)
при
, 
и

, который является известным коэффициентом спектрального отражения стандартного образца диффузного отражения белого при той же геометрии измерений. Освещенность
EV рассчитывают из спектральной освещенности

с помощью следующего уравнения:

(33)
где
EV =
Edir - освещенность дисплея для случая направленного источника света, которая получается из равенства
.
Для фотометрических измерений для расчета освещенности
Edir используют выражение, аналогичное
формуле (32);
h) рассчитать коэффициент спектрального отражения

или коэффициент отражения света
RQ испытательного изображения (шаблона) цветного дисплея с направленным освещением для геометрии измерения освещенности/детектирования.
Для спектральных измерений коэффициент спектрального отражения

рассчитывают по формуле

(34)

равно нулю для отражающих дисплеев без ILU или отключенных ILU.
Для расчета коэффициента отражения света RQ для цвета Q испытательного изображения (шаблона) дисплея при направленном освещении, имеющем требуемое спектральное распределение, используют следующую формулу:

(35)
где

- относительное спектральное распределение для требуемых спектров освещенности CIE.
Для измерений контрастности внутри помещений в этом расчете должны быть использованы такие же спектры источников, как и при расчете для полусферического диффузного отражения по
формуле (29). При расчете контрастности в окружающей среде вне помещений должно быть использовано значение

источника света CIE D50, взятое из табличных данных МКО 15:2004. Для фотометрических измерений при расчете контрастности используют аналогичную формулу

(36)
LQ будет равным нулю для отражающих дисплеев без ILU или с отключенным ILU.
Коэффициент отражения света в
формуле (36) должен использоваться только для расчета контрастности в окружающей среде при аналогичных спектрах источников и геометрии, что и при проведении измерения;
i) зарегистрировать CCT, условия освещения при испытаниях, параметры детектора (угол падения, угол поля измерения, расстояние до образца), параметры источника освещения (угол падения, угловой отражения, расстояние до образца, расходимость пучка), используемые в измерении и RQ в протоколе испытаний.
7.2 Контрастность в окружающей среде
7.2.1 Общие положения
Целью настоящего метода является определение контрастности в условиях среды, окружающей гибкий дисплейный модуль при определенных условиях освещения в помещении или дневного освещения. Метод использует базовые характеристики дисплея, измеренные методами, установленными в других разделах/подразделах настоящего стандарта для оценки характеристик при типичных условиях внутреннего и внешнего освещения.
Примечание - Если дисплей демонстрирует значительную фотолюминесценцию, тогда расчет контрастности окружающей среды действителен только для тех же спектров освещения и геометрии, которые использовались для измерения коэффициентов отражения.
7.2.2 Условия измерений
Условия освещенности должны быть следующими:
- стандартные условия окружающего освещения в помещении и ясного дневного неба. Могут также использоваться дополнительные условия освещения, в зависимости от области применения;
- за исключением условий окружающего освещения, все остальные условия должны быть стандартными.
7.2.3 Метод измерения
Контрастность в окружающей среде определяют посредством измерений, проведенных в условиях темной комнаты и измерений отражения дисплея при условиях полусферического диффузного освещения и освещения направленным источником света. Метод измерения полусферического диффузного отражения дисплея и коэффициента отражения дисплеем света от направленного источника для требуемых спектров освещения установлен в
7.1. Эти параметры отражения используют для расчета комбинированной (излучаемой и отраженной) яркости дисплея от испытательного изображения (шаблона) черного и белого 4%-ных окон при требуемых уровнях освещенности. Контрастность в окружающей среде - это отношение комбинированной яркости белого к комбинированной яркости черного экрана.
Яркость черного
LK измеряют в центре и перпендикулярно к поверхности дисплея при 0%-ном уровне серого для полноэкранного черного цвета в условиях темной комнаты (см.
6.1). На дисплее устанавливают 4%-ное окно белого цвета (см.
рисунок 14) при самом высоком уровне яркости в центре активной области, а оставшийся черный фон на самый низкий уровень яркости. Яркость белого
LW измеряют в центре и перпендикулярно к поверхности дисплея в условиях темной комнаты. Для отражающих дисплеев без ILU или с отключенным ILU значения
LK и
LW принимают равными нулю.
Контрастность изображения 4%-ного окна в помещении и при условиях наружного дневного освещения рассчитывают по следующей формуле:

(37)
где
ECIE,hemi = 60 лк,

,

- эталонные параметры, используемые при расчете в помещении для просмотра телевизора;
ECIE,hemi = 300 лк,

,

- эталонные параметры, используемые при расчете для офисных помещений;
ECIE,hemi = 15000 лк,

,

- эталонные параметры, используемые при расчете для условий наружного дневного освещения.
Коэффициенты отражения полусферического диффузного освещения

и

для дисплея с установленными испытательными изображениями (шаблонами) белого или черного 4%-ного окна, соответственно рассчитывают по
формуле (29) с использованием стандартных источников света CIE типа A, CIE D65 или CIE D50 для условий внутреннего освещения, или спектрального источника света CIE D75 для условий наружного дневного освещения. Коэффициенты отражения света от направленного источника
RW и
RK для дисплея с полноэкранным белым или черным, соответственно рассчитывают по
формуле (35) с использованием стандартных источников света CIE типа A, CIE D65 или спектрального источника света CIE D50 для условий внутреннего освещения, или спектрального источника света CIE D50 для условий наружного дневного освещения.
В случае использования дополнительной геометрической конфигурации измерений или уровней освещенности они должны быть указаны в протоколе испытаний. Все значения, используемые при измерении контрастности в окружающей среде, регистрируют в протоколе испытаний.
7.3 Цветность дисплея в окружающей среде
7.3.1 Общие положения
Целью настоящего метода является измерение цветности гибкого дисплейного модуля при определенных условиях освещения в помещении или на открытом воздухе. Метод использует базовые характеристики дисплея, измеренные методами, установленными в других разделах/подразделах настоящего стандарта для оценки характеристик при типичных условиях внутреннего и внешнего освещения.
7.3.2 Условия измерений
Условия освещенности должны быть следующими:
- стандартные условия окружающего освещения в помещении и ясного дневного неба. Допускается использовать дополнительные условия освещения, в зависимости от области применения;
- за исключением заданных условий окружающего освещения, все остальные условия должны быть стандартными.
7.3.3 Метод измерения
Цветность дисплея при полусферическом диффузном и направленном освещении (включая кольцевой тип) определяется комбинацией собственного излучения дисплея и отражения окружающего света. Цветность дисплея в окружающей среде при заданном цветовом состоянии (например, белом, черном, красном, зеленом или синем экране) при установленных условиях освещения определяется при помощи его эквивалентных значений окружающих основных цветов дисплея. Эти значения могут быть рассчитаны на основании измерений дисплея в условиях темной комнаты при требуемом состоянии цвета и измерений отражения дисплея при полусферическом диффузном и направленном источниках освещения при этом цвете. Методы измерения для расчета коэффициента полусферического диффузного спектрального отражения и направленного спектрального отражения дисплея приведены в
7.1.
Измеряют спектральную плотность энергетической яркости (спектральное излучение)

в центре и перпендикулярно к поверхности дисплея при требуемом цвете
Q (см.
6.3.3) в условиях темной комнаты. Для отражающих дисплеев без ILU или с отключенным ILU значение

принимают за нуль.
Общая спектральная плотность энергетической яркости в окружающей среде

, измеренная детектором, размещенным перпендикулярно к дисплею, включая отражения от полусферического диффузного и направленного источников освещения, рассчитывают по формуле

(38)
где

и

- спектры излучения стандартного полусферического диффузного и направленного источников освещения, соответственно.
Относительные спектры излучения источника света типа A, стандартного источника света CIE типа D65 или источника света CIE типа D50, используемых для моделирования внутреннего освещения, установлены в таблицах МКО 15:2004. Относительные спектры излучения источников света CIE типов D75 и D50, используемых для моделирования внешнего дневного освещения и их характеристики можно определить по
формуле (29) и
таблице 4. Значения

и

получают путем умножения относительных спектров на соответствующую константу, которая создавала бы эталонные уровни освещенности при интегрировании с использованием
формулы (35). Применяют следующие эталонные уровни:
-
ECIE,hemi = 60 лк,

,

- при расчете в помещении для просмотра телевизора;
-
ECIE,hemi = 300 лк,

,

- при расчете для офисных помещений;
-
ECIE,hemi = 15000 лк,

,

- при условиях наружного дневного освещения.
В случае использования дополнительной геометрии измерений, спектров или уровней освещенности они должны быть указаны в протоколе испытаний.
Эффективные значения основных цветов дисплея в окружающей среде при указанных условиях освещения рассчитывают по следующим формулам:

(39)

(40)

(41)
где

,

и

- функции согласования цветов (см. МКО 15:2004).
Координаты цветности в окружающей среде МКО 1931 x и y для дисплея при требуемом состоянии цвета Q и стандартных условиях освещенности рассчитывают как:

(42)

(43)
Эффективные значения основных цветов дисплея координат цветности МКО 1931 для установленного цвета дисплея Q, источники света CIE и значения освещенности, используемые в расчетах, и условия измерения должны быть зарегистрированы.
7.4 Объем цветовой гаммы в окружающей среде
7.4.1 Общие положения
Целью настоящего метода является измерение объема цветовой гаммы гибкого дисплейного модуля при внешнем дневном освещении в определенных условиях освещенности. Метод использует базовые характеристики дисплея, измеренные методами, установленными в других разделах/подразделах настоящего стандарта для оценки характеристик при типичных условиях внутреннего и наружного освещения. Координаты цветности дисплея, измеренные в условиях темной комнаты, также могут быть использованы для определения объема цветовой гаммы в темной комнате. Полученный объем цветовой гаммы следует сравнить с цветовой гаммой IEC sRGB (МЭК 61966-2-1) с белой точкой источника света типа D65. Данный метод применяют только к дисплейным модулям с основными цветами RGB.
Примечание - В случае, если дисплей демонстрирует значительную фотолюминесценцию, расчет объема цветовой гаммы окружающей среды действителен только для тех же спектров освещения и геометрии, которые использовались для измерения коэффициентов отражения.
7.4.2 Условия измерений
Условия освещенности должны быть следующими:
- стандартные условия окружающего освещения в помещении и ясного дневного неба. Могут также использоваться дополнительные условия освещения, в зависимости от области применения;
- за исключением заданных условий окружающего освещения, все остальные условия должны быть стандартными.
7.4.3 Метод измерений
Объем цветовой гаммы при дневном освещении можно рассчитать по коэффициенту отражения и значениям основных цветов, измеренным при каждом воспроизведенном цвете в соответствии с процедурой, установленной в
7.3. Измерения и расчеты должны быть выполнены последовательно для цветного 4%-ного прямоугольного окна при уровне серого фона 0%.
Объем цветовой гаммы в окружающей среде при окружающем освещении будет представлен в виде выпуклой поверхности цветов дисплея, измеренных в цветовом пространстве CIELAB для определенных условий внутреннего и внешнего освещения. Объем этого цветового пространства при стандартных окружающих условиях освещения дисплея определяют, используя следующую процедуру:
a) подать испытательное изображение (шаблон) в виде прямоугольного 4%-ного окна, по крайней мере, при восьми определенных цветах. Цвета должны равномерно продемонстрировать цветовые возможности дисплея. Например, дисплей с тремя основными цветами (красным, зеленым и синим) должен быть измерен не менее чем при трех основных цветах (красном, зеленом и синем), всех сочетаниях пар основных цветов (голубом, пурпурном, желтом), черном цвете и при 100%-ном уровне белого (см.
таблицу 5). Каждый цвет (за исключением черного) отображается при максимальном уровне его сигнала;
b) определить действительные значения трех основных цветов в соответствии с процедурой, установленной в
7.3. Если можно доказать, что коэффициенты спектрального отражения инвариантны относительно цвета, отображенного на уровне максимального сигнала, для всех цветов на уровне максимального сигнала можно использовать общие коэффициенты полусферического рассеянного спектрального отражения или направленного спектрального отражения.
Таблица 5
Пример набора минимального количества цветов,
необходимых для расчета объема цветовой гаммы
8-битного дисплея с тремя основными цветами
Цвет | Уровень 8-битного цифрового сигнала |
R (красный) | G (зеленый) | B (синий) |
Красный | 255 | 0 | 0 |
Зеленый | 0 | 255 | 0 |
Синий | 0 | 0 | 255 |
Желтый | 255 | 255 | 0 |
Пурпурный | 255 | 0 | 255 |
Голубой | 0 | 255 | 255 |
Белый | 255 | 255 | 255 |
Черный | 0 | 0 | 0 |
c) перевести значения основных цветов в трехмерное цветовое пространство CIELAB (см. МКО 15:2004). Также можно использовать дополнительные трехмерные однородные цветовые пространства, которые следует указать в протоколе испытаний. Каждую цветовую точку можно представить на графике в системе координат L*, a*, b* цветового пространства CIELAB по отношению к значениям основных цветов максимального белого дневного освещения (XW,day, YW,day, ZW,day) с помощью следующих формул преобразований:
L* = 116f(YQ,day/YW,day) - 16, (44)
a* = 500[f(XQ,day/XW,day) - f(YQ,day/YW,day)], (45)
b* = 500[
f(
YQ,day/
YW,day) -
f(ZQ,day/
ZW,day)], (46)
при

(47)
Пример объема цветовой гаммы в окружающей среде в однородном цветовом пространстве CIELAB приведен на
рисунке 17.
Примечание - На
рисунке 17 показан пример диапазона воспроизводимых дисплеем цветов в цветовом пространстве CIELAB.
Рисунок 17 - Пример диапазона цветов,
воспроизводимых дисплеем
Рассчитать объем цветовой гаммы, соответствующий возможному диапазону цветов дисплея в окружающей среде, как представлено в цветовом пространстве CIELAB. Более подробное описание анализа, рекомендуемого для расчета объема цветовой гаммы, приведено в
приложении А. Можно использовать другие методы расчета при условии, что они обеспечат результаты, подобные полученным при эталонном методе, приведенном в
приложении А.
Примечание - В настоящем стандарте оценивают характеристики дисплея при окружающих условиях с использованием модели CIELAB. Для визуальной оценки дисплея с учетом фона требуются более высокотехнологичные модели представления цветов.
7.4.4 Оформление протокола испытаний
В протоколе испытаний должен быть указан объем цветовой гаммы CIELAB совместно с характеристиками стандартного окружающего освещения. В случае использования дополнительных цветовых пространств они должны быть указаны в протоколе испытания. В протоколе должны быть приведены коэффициенты спектрального отражения. Измеренные значения основных цветов в окружающей среде должны быть зарегистрированы по форме, приведенной в
таблице 6. В
таблице 6 должны быть указаны исходные эффективные значения основных цветов, т.е. они не должны быть приведены к 100. Для каждого отдельного условия окружающего освещения требуется составление отдельной таблицы. CCT и координаты цветности белого цвета в условиях темной комнаты и условиях окружающей среды должны быть приведены в виде, подобном форме
таблицы 7. Объем цветовой гаммы в процентах относительно цветового пространства IEC sRGB стандартного цветового пространства (МЭК 61966-2-1) с точкой белого от источника типа D65 следует представить в форме
таблицы 8.
Таблица 6
Форма представления измеренных значений координат
цветности для минимального набора цветов
Цвет | XQ,amb | YQ,amb | ZQ,amb |
Красный | | | |
Зеленый | | | |
Синий | | | |
Желтый | | | |
Пурпурный | | | |
Голубой | | | |
Белый | | | |
Черный | | | |
Требуется для расчета объема цветовой гаммы при установленных условиях окружающего освещения (см. таблицу 5). |
Таблица 7
Форма представления расчета точки белого
в темной комнате и условиях окружающего освещения
Цвет | Окружающие условия | x | y | CCT |
Белый | Темная комната | | | |
Условия внутренние или наружные | | | |
Таблица 8
Форма представления расчета объема цветовой гаммы
в цветовом пространстве CIELAB
Окружающее освещение | Объем цветовой гаммы, % от sRGB (8,21·105) |
Темная комната | |
Условия внутренние и наружные | |
(справочное)
МЕТОД РАСЧЕТА ОБЪЕМА ЦВЕТОВОЙ ГАММЫ В ОКРУЖАЮЩЕЙ СРЕДЕ
А.1 Цель
Целью настоящего метода является описание процедуры расчета объема цветовой гаммы отдельных цветовых точек в трехмерном цветовом пространстве CIELAB.
А.2 Процедура расчета объема цветовой гаммы
Процедура расчета объема цветовой гаммы представлена алгоритмом (см.
рисунок А.1):
Рисунок А.1 - Алгоритм анализа расчета объема цветовой гаммы
1) измерить как минимум красный, зеленый, синий, голубой, пурпурный, желтый, черный и белый цвета дисплея при стандартных условиях освещения вне или внутри помещения согласно указанным в
7.4. В
таблице А.1 приведен пример с использованием основных цветов sRGB при использовании условий освещения в темной комнате и яркости белого (
Y), приведенной к 100%;
Таблица А.1
Значения координат основных цветов sRGB
Цвет | xQ | yQ | XQ,amb | YQ,amb | ZQ.amb |
Красный | 0,640 | 0,330 | 41,239 | 21,264 | 1,933 |
Зеленый | 0,300 | 0,600 | 35,758 | 71,517 | 11,919 |
Синий | 0,150 | 0,060 | 18,048 | 7,219 | 95,053 |
Голубой | 0,225 | 0,329 | 53,806 | 78,736 | 106,973 |
Пурпурный | 0,321 | 0,154 | 59,287 | 28,483 | 96,986 |
Желтый | 0,419 | 0,505 | 76,998 | 92,781 | 13,853 |
Черный | 0,000 | 0,000 | 0,000 | 0,000 | 0,000 |
Белый | 0,313 | 0,329 | 95,046 | 100,000 | 108,906 |
Таблица А.2
Пример набора цветов sRGB представленных
в цветовом пространстве CIELAB
Цвет | a* | b* | L* |
Красный | 80,105 | 67,223 | 53,233 |
Зеленый | -86,188 | 83,186 | 87,737 |
Синий | 79,194 | -107,854 | 32,303 |
Голубой | -48,084 | -14,128 | 91,117 |
Пурпурный | 98,250 | -60,833 | 60,320 |
Желтый | -21,561 | 94,488 | 97,138 |
Черный | 0 | 0 | 0 |
Белый | 0 | 0 | 100 |
Рисунок А.2 - Графическое представление объема цветовой
гаммы для sRGB в цветовом пространстве CIELAB
3) рассчитать объем цветовой гаммы путем сложения всех тетраэдров, находящихся в пределах отображенных цветовых точек и указать его объем в процентах от объема цветовой гаммы для sRGB. Пример для дисплея в условиях темной комнаты с объемом цветовой гаммы sRGB, рассчитанным в цветовом пространстве CIELAB, приведен в
таблице А.3.
Таблица А.3
Пример результатов расчета объема цветовой
гаммы sRGB в цветовом пространстве CIELAB
Параметр | Объем цветовой гаммы |
Полный | 8,20·105 |
Процент относительно sRGB | 100% |
А.3 Метод деления поверхности при расчете объема гаммы CIELAB
А.3.1 Цель
В настоящем алгоритме принимают произвольный набор случаев углов гаммы, указанных в значениях основных цветов XYZ в МКО 1931. Минимальный набор цветов будет включать такие цвета, как красный, зеленый, синий, голубой, пурпурный, желтый, черный и белый. Для устройств, которые не имеют хорошей формы выпуклости в цветовом диапазоне цветовой гаммы CIELAB, для точного определения значения объема цветовой гаммы потребуется выборка с большим количеством цветов. Значения XYZ ранжированы в ряды входной переменной P при минимально восьми вариантах требуемых цветовых углов. Выходное значение будет расчетным значением объема цветовой гаммы.
А.3.2 Допущения
Считается, что цветовая гамма в цветовом пространстве XYZ CIE будет определена в виде выпуклости заданных вариантов углов. Цветовая гамма в цветовом пространстве CIELAB будет представлена этой выпуклостью, приведенной к пространству XYZ CIE через случай угла с максимальной яркостью (взятой как точка белого) и приведенной в цветовое пространство CIELAB, где она уже не будет полностью выпуклой.
А.3.3 Алгоритм
Следует использовать следующий алгоритм расчета:
a) получить выпуклую поверхность (см.
примечание 1) цветовых угловых точек в
P. Сохранить мозаичную структуру поверхности
T этой выпуклости. Задать начальное значение полного объема
v = 0;
b) рассчитать среднее значение точек P, используемое в качестве средней точки гаммы, и сохранить его Pm;
c) для каждого треугольного элемента поверхности в T:
1) принять значение
s равным количеству граней, имеющих протяженность (см.
примечание 2) в координатах
L*
, a*,
b* больше десяти;
2) если s = 0, рассчитать объем между вершинами элемента поверхности и Pm. Прибавить полученный объем к объему v;
3) если s = 3, рассчитать средние точки в пространстве XYZ CIE и поделить треугольный элемент на четыре подэлемента, каждый из которых определяется вершиной угла при двух соседних средних точках и трех средних точках. Повторить эту операцию три раза для каждого подэлемента треугольника;
4) если s = 1 или s = 2, рассчитать среднюю точку в пространстве XYZ CIE грани с наибольшей протяженностью в CIELAB и поделить треугольный элемент на два подэлемента вдоль линии между средней точкой и противоположной вершиной. Повторить эту операцию три раза для каждого подэлемента треугольника.
Примечание 1 - В данном случае угловые точки - это стандартные цвета: красный, зеленый, синий, голубой, пурпурный, желтый, черный, белый (
RGBCMYKW).
Примечание 2 - Используют протяженность, а не длину, т.к. ее можно рассчитать быстрее;
d) возвратить полный объем гаммы, который после проведения предыдущих операций содержится в v.
А.3.4 Пример программного обеспечения
Для выполнения программы Matlab
<1> выполняется следующая команда с соответствующими данными sRGB, загруженными в память:
>> P=GetGamutCorners('sRGB')
Используемый белый по умолчанию - источник света D65.
--------------------------------
<1> Matlab является торговым наименованием продукта, поставляемого

. Эта информация предоставляется для удобства пользователей настоящего стандарта и не является одобрением IEC названного продукта. Можно использовать эквивалентный программный продукт, если будет продемонстрировано, что его применение приводит к тем же результатам.
P =
0 | 0 | 0 |
0,412 4 | 0,212 6 | 0,019 3 |
0,770 0 | 0,927 8 | 0,138 5 |
0,357 6 | 0,715 2 | 0,119 2 |
0,538 1 | 0,787 4 | 1,069 7 |
0,180 5 | 0,072 2 | 0,950 5 |
0,592 9 | 0,284 8 | 0,969 9 |
0,950 5 | 1,000 0 | 1,089 1 |
Матрица данных соответствует приведенным ниже следующим координатам основных цветов, как показано в
таблице А.1:
XK | YK | ZK |
XR | YR | ZR |
XY | YY | ZY |
XG | YG | ZG |
XK | YK | ZK |
XC | YC | ZC |
XB | YB | ZB |
XM | YM | ZM |
XW | YW | ZW |
Затем получают объем цветовой гаммы CIELAB путем выполнения следующей команды:
>> CIELabVol_subd(P)
ans =

CIELabVol_subd.m function [v] = CIELabVol_subd(P) %Each row of P contains XYZ tri-stimulus values of gamut corner points. %The 3D gamut is defined as the convex hull of these points in XYZ space. %The surface is recursively subdivided down to a threshold scale in CIELAB %and the volume made by each surface tile to a central point is summed thresh=10; %CIELab subdivision threshold %Get the hull defined by the points T=convhulln(P); %Get the white point (taken as the primary with the maximum Y) [W,i]=max(P(:,2)); W=P(i,:); %Normalise the gamut to the white point Pn=P./(repmat(W,size(P,1),1)); %get the mid-point Pm=mean(Pn); %add-on the CIELab points Pn=[Pn, XYZ2Lab(Pn)]; Pm=[Pm, XYZ2Lab(Pm)]; %calculate and sum the Lab volume of each surface tile to the mid-point v=0; for n=1:size(T,1), v=v+SubDLabVol(Pn(T(n,:),:),Pm,thresh); end % % sub-functions % XYZ2Lab converts XYZ values arranged in columns to L* a* b* function [t] = XYZ2Lab(t) i=(t>0.008856); t(i)=t(i).^(1/3); t(~i)=7.787*t(~i)+16/116; t=[116*t(:,2)-16, 500*(t(:,1)-t(:,2)), 200*(t(:,2)-t(:,3))]; end %Recursive function to devide up the surface tile then return the volume function [v] = SubDLabVol(vp,c,th) %Get the max extent of each edge (quicker than length calculation) m=max(abs(vp-circshift(vp,1)),[],2); %Count how many edges have extents larger than the threshold s=sum(m>th); if (s==0), %no edges larger: return the volume v=abs(det(vp(:,4:6) - repmat(c(1,4:6),3,1))/6); elseif (s==3), %all edges larger: divide tile in four %get edge mid-points ip=(vp(:,1:3)+circshift(vp(:,1:3),1))/2; %calculate CIELab points of the mid-points ip=[ip,XYZ2Lab(ip)]; |
%and call recursively for each sub-tile v=SubDLabVol([vp(1,:);ip(1:2,:)],c,th); v=v+SubDLabVol([vp(2,:);ip(2:3,:)],c,th); v=v+SubDLabVol([vp(3,:);ip(1:2:3,:)],c,th); v=v+SubDLabVol(ip,c,th); else %one or two edges larger: split the tile on the largest edge %shift the order so 1-2 has the largest extent [m,i]=max(m); vp=circshift(vp,2-i); %calculate the mid-point of 1-2 and the CIELab point ip=(vp(1,1:3)+vp(2,1:3))/2; ip=[ip,XYZ2Lab(ip)]; %and call recursively for the two sub-tiles v=SubDLabVol([vp([1 3],:);ip],c,th); v=v+SubDLabVol([vp(2:3,:);ip],c,th); end end end |
GetGamutCorners.m function [P] = GetGamutCorners(P ,wh) %GET PRIM returns a set of colour corner points based on a standard gamut % input string must contain one of: % 'sRGB', 'Rec709', 'EBU', 'NTSC' % optionally one of % 'D50', 'D55', 'D65', 'D75', 'IIIA', 'IIIE' if ischar(P) if nargin<2 wh=P; end if strfind(P,'sRGB') || strfind(P,'Rec709') prim=[0.64,0.33;0.3,0.6;0.15,0.06]; elseif strfind(P,'EBU') prim=[0.64,0.33;0.29,0.6;0.15,0.06]; elseif strfind(P,'NTSC') prim=[0.67,0.33;0.21,0.71;0.14,0.08]; else error('non-valid colour primary specification'); end P=prim; end if ischar(wh) if strfind(wh,'D50') wh=[0.3457,0.3585]; elseif strfind(wh,'D55') wh=[0.3324,0.3474]; elseif strfind(wh,'D65') wh=[0.3127,0.3290]; elseif strfind(wh,'D75') wh=[0.2990,0.3149]; |
elseif strfind(wh,'IIIA') wh=[0.44757,0.40745]; elseif strfind(wh,'IIIE') wh=[0.3333,0.3333]; else wh=[0.3127,0.3290]; display('Default D65 white used'); end end wh=[wh, 1-sum(wh)]/wh(2); P=[P, 1-sum(P,2)]; P=P.*repmat((wh/P)',1,3); %P=[KRYGCBMW]' P=[0 0 0;P(1,:);sum(P(1:2,:));P(2,:);sum(P(2:3,:));... P(3,:);sum(P([1 3],:)); sum(P)]; end |
(справочное)
СВЕДЕНИЯ О СООТВЕТСТВИИ ССЫЛОЧНЫХ МЕЖДУНАРОДНЫХ СТАНДАРТОВ
НАЦИОНАЛЬНЫМ СТАНДАРТАМ
Таблица ДА.1
Обозначение ссылочного международного стандарта | Степень соответствия | Обозначение и наименование соответствующего национального стандарта |
IEC 60050-845 | - | |
IEC 61966-2-1 | - | |
IEC 62715-1-1 | IDT | |
IEC 62341-6-2:2015 | - | |
IEC 62679-3-1:2014 | IDT | |
IEC TR 62728 | - | |
CIE 15:2004 | - | |
<*> Соответствующий национальный стандарт отсутствует. До его принятия рекомендуется использовать перевод на русский язык данного международного стандарта. Перевод данного международного стандарта находится в Федеральном информационном фонде стандартов. Примечание - В настоящей таблице использовано следующее условное обозначение степени соответствия стандартов: - IDT - идентичные стандарты. |
| D. Hertel, J. Soc. Information Display, V 21, p. 239 - 248 (2013) | Viewing direction measurements on flat and curved flexible E-paper displays (Измерения направления просмотра на плоских и изогнутых гибких электронных бумажных дисплеях) |
| J.-H. Chong, et al, Soc. Information Display Symposium Digest Tech. Papers, V 45, p. 183 - 186 (2014) | Method to measure optical performance of flexible OLED display (Метод измерения оптических характеристик гибких OLED дисплеев) |
| International Committee for Display Metrology, Version 1.03, 2012 | Information display measurements standard (Стандарт на измерения информационных дисплеев) |
| D. Hertel, E.F. Kelley, and J. Penczek, Soc. Information Display Symposium, Digest Tech. Papers, V 46, (2015) | Measuring the optical performance of flexible displays under hemispherical diffuse illumination (Измерение оптических характеристик гибких дисплеев при полусферическом диффузном освещении) |
| E.F. Kelley, M. Lindfors and J. Penczek, J. Soc. Information Display, V 14, p. 1019 - 1030 (2006) | Display daylight ambient contrast measurement methods and daylight readability (Методы измерения контрастности дисплеев при окружающем дневном освещении и разборчивость изображения при дневном освещении) |
| ANSI/IESNA RP-1-04 (IESNA), (2004) | American national standard practice for office lighting (Установленная американская национальная практика для освещения служебных помещений) |
| Using model in ASTM G. 197, (2008) | Standard table for reference solar spectral distributions: direct and diffuse on 20° tilted and vertical surfaces (Стандартная таблица эталонных спектральных распределений при солнечном освещении: направленное и диффузное освещение на вертикальных поверхностях и при наклоне 20°) |
[8] | IESNA Lighting Handbook, 9 ed. (2002) | Reference and application (Рекомендации и применения) |
| B.P. Dehmlow and K.A. Brostad, Proc. of the SPIE, vol. 3363 (Cockpit Display V), pp. 217 - 224 (1998) | Reflection-mode diffraction and matrix displays (Дифракционные и матричные дисплеи в режиме отражения) |
[10] | CIE Publication No 44, 1979 переиздание 1990 | Absolute methods for reflection measurement, for example of sampling sphere, see the Sharp-little method (Абсолютные методы измерения отражения, на примере эталонной сферы, показанной в методе Sharp-Little) |
[11] | E.F. Kelley, Proc. Third Americas Display Engineering and Applications Conf. (ADEAC 2006), Soc. Information Display, Atlanta, GA, USA, pp. 1 - 5, Oct. 24 - 26 (2006) | Diffuse reflectance and ambient contrast measurements using a sampling sphere (Измерения коэффициента диффузного отражения и контрастности в окружающей среде) |
УДК 621.377:006.354 | | |
Ключевые слова: дисплей, цветовая гамма, направление просмотра, источник света, контрастность, объем цветовой гаммы, конфигурация, яркость, цветовое пространство, основные цвета, перекрестная помеха |