1 Окружающая среда | 2 Измерительное оборудование | ||||
Контрольная температура (4.2.2.1) | Стабильность (4.2.3.1) | ||||
Температурный пространственный градиент (4.2.2.2) | Шкала оценки качества (4.2.3.2) | ||||
Разница во времени (4.2.2.2) | Коэффициент температурного расширения (4.2.3.3) | ||||
Вибрация/шум (4.2.2.3) | Теплопроводность (4.2.3.4) | ||||
Влажность (4.2.2.4) | Неопределенность калибровки (4.2.3.5) | ||||
Загрязнение (4.2.2.5) | Разрешение основной шкалы (аналоговой или цифровой) (4.2.3.6) | ||||
Давление внешней среды (4.2.2.6) | Время с момента последней калибровки (4.2.3.7) | ||||
Состав воздуха (4.2.2.7) | Увеличение, электрическое или механическое (4.2.3.8) | ||||
Расход воздуха (4.2.2.7) | Погрешность длины волны (4.2.3.9) | ||||
Сила тяжести (4.2.2.8) | Стабильность нулевой точки (4.2.3.10) | ||||
Электромагнитная интерференция (4.2.2.9) | Измерение силы стабильности/абсолютная сила (4.2.3.11) | ||||
Давление приточного воздуха (например, воздушные подшипники) (4.2.2.10) | Гистерезис (4.2.3.12) | ||||
Тепловое излучение (4.2.2.11) | Система зондов, радиус наконечника, отклонение формы наконечника (4.2.3.13) | ||||
Прибор теплового равновесия (4.2.2.12) | Жесткость (4.2.3.14) | ||||
Линейный коэффициент для теплового расширения (4.2.3.15) | |||||
Температурная стабильность/чувствительность (4.2.3.16) | |||||
Параллаксы (4.2.3.17) | |||||
Система интерполяции, погрешность длины волны (4.2.3.18) | |||||
Разрешение интерполяции (4.2.3.19) | |||||
3 Установка и процедура измерения | 4 Программное обеспечение и расчеты | ||||
Косинус погрешности и синус погрешности (4.2.4.1) | Округление/количественная оценка (4.2.5.1) | ||||
Принцип Аббе (4.2.4.2) | Алгоритмы (4.2.5.2) | ||||
Чувствительность к температуре (4.2.4.3) | Выборка (4.2.5.3) | ||||
Жесткость (4.2.4.4) | Фильтрация (4.2.5.4) | ||||
Жесткость системы датчиков (4.2.4.5) | Исправление алгоритма/сертификация алгоритма (4.2.5.5) | ||||
| |||||
Оптическая апертура (4.2.3.6) | Интерполяция/экстраполяция (4.2.5.6) | ||||
Взаимодействие между стандартом и настройкой (4.2.4.7) | |||||
Разогрев (4.2.4.8) | |||||
Кондиционирование (4.2.4.9) | |||||
Количество измерений (4.2.4.10) | |||||
Порядок измерений (4.2.4.11) | |||||
Продолжительность измерений (4.2.4.12) | |||||
Выравнивание (4.2.4.13) | |||||
Выбор эталона - эталон (стандарт) (4.2.4.14) | |||||
Выбор аппарата (4.2.4.15) | |||||
Стратегия (4.2.4.16) | |||||
Фиксирование (4.2.4.17) | |||||
Количество точек (4.2.4.18) | |||||
Принцип и стратегия исследования (4.2.4.19) | |||||
Выравнивание измерительной системы (4.2.4.20) | |||||
Обратные измерения (4.2.4.21) | |||||
Многократное резервирование, разделение погрешности (4.2.4.22) | |||||

, где 
ИС МЕГАНОРМ: примечание. В официальном тексте документа, видимо, допущена опечатка: п. A.2.3 отсутствует. |

Рабочий размер L, мм | 300 | 500 | 800 | 1000 | 1600 |
Поддерживаемое расстояние (5L/9), мм | 190 | 300 | 465 | 575 | 910 |
Максимальный прогиб, мм | 0,001 | 0,003 | 0,004 | 0,008 | 0,016 |
Примечание - Естественное отклонение пропорционально модулю упругости E используемого материала. Значения прогиба, приведенные в таблице, соответствуют показателям из обычного чугуна: E = 98 кН/мм2. Для стали E = 196 кН/мм2, прогибы делятся пополам. Для сверхпрочного чугуна, где, например, E = 147 кН/мм2, прогиб составляет 2/3 значения, приведенного в таблице. | |||||

ИС МЕГАНОРМ: примечание. Нумерация формул дана в соответствии с официальным текстом документа. |

Номер позиции | Категория инструмента | Примечание |
Механические устройства | Включая длину стандартного устройства | |
Измерительные приборы длины и смещения | От дальнего измерения к короткому | |
Прибор для измерения прямолинейности | - | |
Устройство для измерения прямоугольности | - | |
Устройство для измерения плоскостности | - | |
Инструмент измерения угла | - | |
Специальное измерительное устройство | - |
1 | Наименование прибора | Указание наименования прибора или метода измерения |
2 | Описание | Простое описание прибора или метода измерения |
3 | Размер, мм | Примерные или рекомендуемые размеры описания |
4 | Точность MPE | Пример или рекомендуемый MPE описания |
5 | Корректировка MPE в определенных точках, мкм | Сведения о состоянии и очередной контрольной проверки прибора или прибора, проверенного калибровкой, описание примера или рекомендуемое улучшенное MPE |
6 | Уровень чистоты поверхности | Примерное или рекомендуемое качество измеряемой поверхности в точке измерения |
7 | Уровень твердости поверхности | Указывается примерная или рекомендуемая степень измерения твердости поверхности в точке измерения для каждого используемого материала |
8 | Рабочая среда | Рекомендации для рабочей среды, температуры, описание |
9 | Долгосрочная стабильность | - |
10 | Температурный коэффициент линейного расширения, мкм/(м·°C) | Коэффициент полного теплового расширения |
11 | Соответствующие стандарты | Стандарты для спецификации прибора, описание |
12 | Ссылка на серию ИСО 230 | Пример применения в серии ИСО 230 |
13 | Погрешность измерения | Номера основных пунктов, наименования или описания нестабильности измерительного прибора, указанные в 4.2 |
14 | Замечания | Описание дополнительных замечаний |
15 | Примеры рисунков | Приведение изображения внешнего вида или ссылки на пример в ИСО 230-1 |
Наименование приборов | Параметры измерения | |||||||||
Параллелизм | Параллелизм | Перпендикулярность | Круглость | Радиальное смещение | Плоскостность | Профиль | Позиция | Позиционирование | ||
+ | + | |||||||||
Контрольные оправки | + | + | ||||||||
+ | + | |||||||||
+ | + | |||||||||
плоскость и край | + | + | ||||||||
цилиндрический угольник | + | + | ||||||||
угольник типа блока | + | + | ||||||||
+ | + | + | ||||||||
+ | + | |||||||||
+ | + | + | ||||||||
+ | + | |||||||||
+ | + | + | ||||||||
+ | ||||||||||
+ | ||||||||||
Примечание - "+" указывает на применимое свойство движения. | ||||||||||
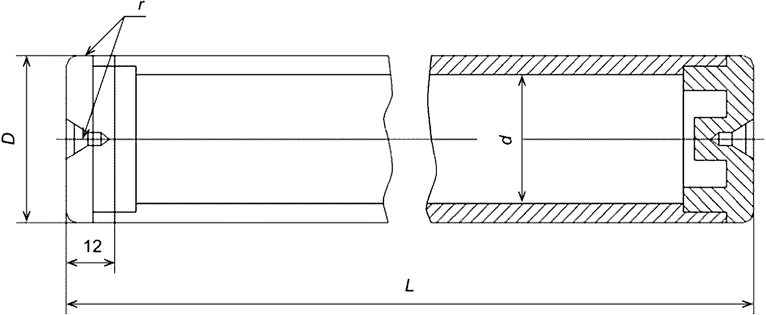
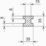
1 | Наименование прибора | Контрольная линейка | |||||
2 | Описание | Контрольная линейка представляет собой прибор, предназначенный для измерений прямой линии, с конкретным MPE, по которым могут быть определены отклонения от прямолинейности или плоскостности. Существует два основных типа линеек: - линейная линейка с одной рабочей поверхностью [см. рисунок 6a)]; - линейка с двумя параллельными рабочими поверхностями [см. рисунок 6b)]. В последнем случае может быть: - равномерное сечение со сплошным или облегченным полотном [см. рисунок 6c)]; - простое прямоугольное сечение | |||||
3 | Рекомендуемый размер | Длина измерения + 40 мм | |||||
4 | Рекомендуемая длина измерения L, мм | 300 | 500 | 1000 | 1500 | 2000 | 3000 |
5 | Рекомендуемая прямолинейность MPE и плоскостность MPE рабочих поверхностей, мкм: менее чем (2 + L/250) мкм местный допуск 5 мкм для > 300 мм | 3 | 4 | 6 | 8 | 10 | 14 |
6 | Рекомендуемый параллелизм MPE рабочих поверхностей, мкм менее 1,5 (2 + 0,01L) мкм | 5 | 10 | 15 | 25 | 30 | 45 |
7 | Рекомендуемая прямолинейность боковых поверхностей, мкм менее 10 (2 + 0,01L) мкм | 30 | 50 | 100 | 150 | 200 | 300 |
8 | Рекомендуемый параллелизм боковых поверхностей - менее 15 (2 + 0,01L) мкм | 45 | 70 | 150 | 220 | 300 | 450 |
9 | Пример уменьшенной (скорректированной) прямолинейности MPE в определенных точках, мкм | От 0,1 до 1 | От 0,5 до 2 | От 1 до 2 | От 2 до 4 | От 2 до 5 | От 3 до 5 |
10 | Допустимое естественное отклонение | 0,01 мм на 1000 мм, если опираться на две опоры, расположенные на крайних концах. Точное максимальное значение должно быть отмечено на одной из граней | |||||
11 | Рекомендуемая прямоугольность MPE боковых поверхностей к рабочим поверхностям | 5 мкм для длины измерения 10 мм | |||||
12.1 | Рекомендуемая обработка поверхности | Шероховатость менее 0,8 мкм, Rt. Тонко измельченный, притертый или соскобленный | |||||
12.2 | Рекомендуемая твердость поверхности | Hv490 до Hv620 | |||||
13 | Рабочая среда | Рабочие условия (см. ИСО 230-3:2007, таблица C.1) | |||||
14 | Долгосрочная стабильность | - | |||||
15 | Температурный коэффициент линейного расширения, мкм/(м·°C) (влияет на изгиб в случае тепловых градиентов) | Зависит от используемого материала: сталь - 11; керамика - 8; стекло со сверхнизким расширением (ULE) - 0,1 | |||||
16 | Соответствующие стандарты | BS 5204, DIN 874, JIS B7514 | |||||
17 | Ссылка на серию ИСО 230 | ИСО 230-1:2012, 8.2.2.1, 10.3.2.3, 12.2.3.1 и 12.2.3.2 | |||||
18 | Погрешность измерения | См. таблицу D.1. Пример - | |||||
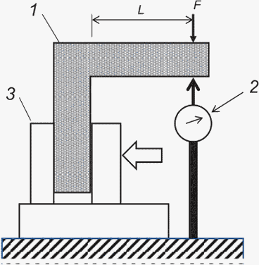
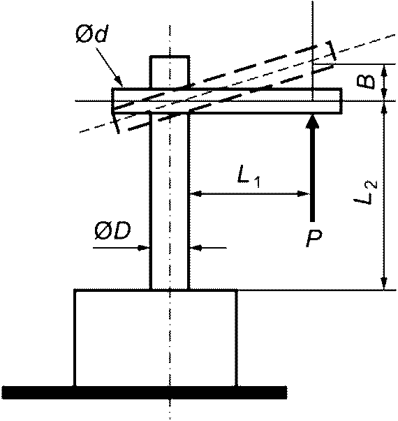
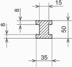
19 | Замечания | Когда линейку используют с уровнем, ширина рабочих поверхностей должна быть не менее 35 мм. При измерении в вертикальном направлении расстояние опоры должно составлять 5 L/9. Таблица 6 указывает рекомендуемое поддерживающее состояние грани | |||||
20 | Пример рисунков | См. рисунок 6 | |||||



N | Длина, мм | Схема | Широкий тип | Нормальный тип | |||
Рабочая | Общая <a> | Раздел | Масса <b>, кг | Раздел | Масса <b>, кг | ||
1 | 300 | 340 | ![]() | ![]() | 2 | ![]() | 1 |
2 | 500 | 540 | ![]() | ![]() | 4 | ![]() | 3 |
3 | 800 | 840 | ![]() | ![]() | 5 | ||
4 | 1000 | 1040 | ![]() | ![]() | 12 | ||
5 | 1600 | 1640 | ![]() | ![]() | 33 | ||
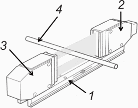
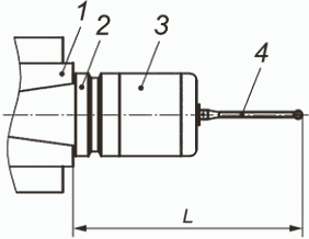
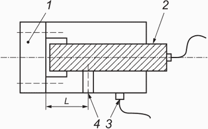
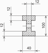
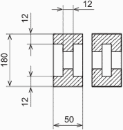
1 | Наименование прибора | Испытательные оправки с коническим хвостовиком | ||||
2 | Описание | Испытательная оправка представляет собой при определенных пределах ось, которую необходимо проверить либо на биение, либо на местоположение (положение и ориентация) относительно других компонентов станка. Контрольные оправки имеют конический хвостовик для вставки в гнездо испытуемого станка и цилиндрический корпус, который используется в качестве эталона для измерений | ||||
3 | Рекомендуемый размер | Длина измерения + 40 мм + длина конического хвостовика | ||||
4 | Рекомендуемый диапазон измерения (длина прямой части), мм | 75 | 150 | 200 | 300 | 500 |
5 | Рекомендуемое естественное отклонение (конус Морзе), мкм | 0,65 | 1,5 | 1,8 | 3,3 | 5,8 |
6 | Рекомендуемая прямолинейность MPE (конус Морзе), мкм | 1,6 | 2,1 | 2,5 | 4 | 6,2 |
7 | Рекомендуемое общее отклонение по всей длине, мкм | 2 | 2 | 3 | 3 | 3 |
8 | Рекомендуемое максимальное отклонение диаметра цилиндрической части, мкм | 2 | 2 | 3 | 3 | 3 |
9 | Пример уменьшенной (скорректированной) прямолинейности MPE в определенных точках, мкм | 0,8 | 0,8 | 1,0 | 1,0 | 1,5 |
10.1 | Рекомендуемая обработка поверхности | Шероховатость менее 0,8 мкм, Rt | ||||
10.2 | Рекомендуемая твердость поверхности | Hv490 до Hv620 с покрытием или без покрытия | ||||
11 | Рекомендуемые материалы | Закаленная и улучшенная сталь | ||||
12 | Рабочая среда | Условия испытаний | ||||
13 | Долгосрочная стабильность | Требуется термообработка без стресса | ||||
14 | Температурный коэффициент линейного расширения, мкм/(м·°C) | Зависит от используемого материала: сталь - 11; керамика - 8 | ||||
15 | Соответствующие стандарты | JIS B7545 | ||||
16 | Ссылка на серию ИСО 230 | ИСО 230-1:2012, 10.1.2 - 10.1.5, 10.2, 10.4.4, 12.3.2.4, 12.3.2.6, 12.3.3, 12.3.4, 12.4.6 и 12.5 | ||||
17 | Погрешность измерения | См. таблицу D.1. Пример - | ||||
18 | Они изготовлены из закаленной и модифицированной стали, без покрытия или с твердым хромом. Они также имеют следующие характеристики: a) шлифованные и полированные центры, углубленные на концах для защиты с целью обработки и контроля; b) четыре опорные линии разнесены на 90° (1, 2, 3 и 4); c) в случае относительно медленной конусности Морзе и метрики оправки держатся в гнезде самостоятельно, см. рисунок 7a)a). Резьбовая часть предназначена для приема гайки для извлечения оправки из гнезда; d) в случае относительно крутых конусов [см. рисунок 7a)b)] предусмотрено резьбовое отверстие для крепления оправки с помощью резьбовой фиксирующей планки или фиксирующей ручки, используемой с устройством автоматической смены инструмента [см. рисунок 7a)c)]. Во избежание переворачивания оправки инструмент также может быть снабжен удлинителем P длиной от 14 до 32 мм и диаметром, немного меньшим, чем диаметр цилиндрической части [см. рисунок 7a)d)]. На рисунках 7b) - 7e) в качестве примера показана серия подходящих оправок. Внешние размеры (диаметр и длина) и профиль отверстия этих оправок были определены таким образом, чтобы (за исключением тех, которые имеют конусы Морзе N 0 и N 1) прогиб на свободном конце из-за нависания массы оправки, вызванной давлением на нее стрелочного индикатора, сводились к минимуму при испытаниях этими приборами. Прогибы рассчитаны для E = 206 кН/мм2; даже для несколько меньших значений (E = 176 кН/мм2 - 186 кН/мм2) прогибы все еще незначительны. Для конуса 7/24 в таблице указано соответствие между цилиндрическими частями и размерами конуса. | |||||
Если оправки с размерами, отличными от указанных на рисунке 7, используют для проверки выравнивания, их прогиб должен быть четко обозначен на них и учитываться при испытании станков. Оправки массой более 5 кг имеют тенденцию вызывать отклонение горизонтального шпинделя, в который они вставляются. Примечание - Конус идеально вписывается в гнездо. Это проверяется, например, берлинской глазурью. Чтобы измерить биение, оправка должна быть последовательно вставлена в шпиндель в четырех положениях, каждое под углом 90° к предыдущему, и получено среднее значение из четырех полученных результатов. Чтобы проверить точность поперечного положения компонента или параллельности, испытание должно проводиться последовательно на двух противоположных контрольных линиях на цилиндрической поверхности оправки, поворачивая оправку и шпиндель на 180° (см. ИСО 230-1:2012, 8.2.2.1.1). После установки оправки в шпиндель должно пройти время для рассеивания тепла от руки оператора и для стабилизации температуры. Для оправок с конусами Морзе N 0 и N 1 необходимо учитывать их естественное отклонение. Их следует использовать только с показаниями стрелочного индикатора до 0,001 мм и силой, не превышающей 0,5 Н. Предпочтительно, чтобы циферблатный датчик наносился на нижнюю часть оправки, чтобы противостоять ее естественному провисанию. В таблице 7 указаны цилиндрические детали испытательной оправки конических хвостовиков 7/24. Рисунок 7e) обозначает хвостовик типа HSK. Подробнее размеры см. ИСО 12164-1. | ||||||
19 | Пример рисунков | |||||





Dhsk | 32 | 40 | 40 | 63 |
L | 150 | 200 | 300 | 300 |
Конус N 7/24 | 30 | 40 | 45 | 50 | |
короткая оправка | длинная оправка | ||||
Длина измерения, мм | 200 | 300 | 300 | 300 | 500 |
Оправка Морзе, к которой приспособлена цилиндрическая часть | 3 | 4 и 5 | 4 и 5 | 4 и 5 | 6 |
1 | Наименование прибора | Оправка между центрами | |||
2 | Описание | В то время как испытательная оправка с коническим хвостовиком служит материальным представлением оси вращения, оправка, установленная между центрами, представляет собой просто прямую линию, проходящую между двумя точками. Ось такой оправки должна быть прямой, а ее наружная поверхность действительно цилиндрической. Она имеет на каждом конце четыре контрольные метки, расположенные в двух перпендикулярных осевых плоскостях, и центры, утопленные для защиты | |||
3 | Рекомендуемый размер | 300 | 500 | 1000 | 1600 |
4 | Рекомендуемый наружный диаметр, мм | 40 | 63 | 80 | 125 |
5 | Рекомендуемый внутренний диаметр, мм | 0 | 50 | 61 | 105 |
6 | Рекомендуемая масса без концевых заглушек, кг | От 1,5 до 3 | От 2,7 до 4,5 | От 8,3 до 16,5 | От 28,2 до 45 |
7 | Рекомендуемое максимальное изменение диаметра, мкм | 3 | 3 | 4 | 5 |
8 | Рекомендуемая прямолинейность MPE, мкм | 1 | 2 | 2 | 2 |
9 | Рекомендуемая цилиндрическая плотность MPE, мкм | 4 | 4 | 5 | 6 |
10 | Рекомендуемое максимальное биение, мкм | 3 | 3 | 7 | 10 |
11 | Пример уменьшенной (скорректированной) прямолинейности MPE в определенных точках, мкм | 2 | 2 | 3 | 3 |
12 | Рекомендуемое максимальное естественное отклонение, мкм E = 206 кН/мм2 | От 0,02 до 0,04 | От 0,1 до 0,7 | От 0,5 до 8 | С 3 по 19 |
13.1 | Рекомендуемая обработка поверхности | Шероховатость менее 0,8 мкм, Rt | |||
13.2 | Рекомендуемая твердость поверхности | Цилиндр должен быть закаленным и иметь твердое хромированное покрытие, чтобы повысить его износостойкость. HV490 - для стали, Hv600 - для керамики | |||
14 | Рекомендуемые материалы | Сталь или Al2O3 | |||
15 | Рабочая среда | Условия испытаний | |||
16 | Долгосрочная стабильность | Для материала используют сварную горячедеформированную трубу, поэтому она стабилизируется перед окончательным шлифованием | |||
17 | Температурный коэффициент линейного расширения, мкм/(м·°C) | Зависит от используемого материала: сталь - 11; керамик - 8 | |||
18 | Соответствующие стандарты | JIS B7545 | |||
19 | Ссылка на серию ИСО 230 | ИСО 230-1:2012, 10.2.1 | |||
20 | Погрешность измерения | См. таблицу D.1. Пример - | |||
21 | Пример рисунков | См. рисунок 8 | |||

1 | Наименование прибора | Угольник |
2 | Описание | Основными типами угольников являются: 1) угольник, представленный плоскостью и ребром под прямым углом, с ребром жесткости или без него [рисунок 10a)]; 2) цилиндрический угольник, представленный осью, перпендикулярной к плоскости [рисунок 10b)]; 3) угольник блочного типа с ребрами жесткости или без них [рисунки 10c) и d)] |
3 | Рекомендуемый размер, мм | Как правило, не должен превышать 500 мм. Для цилиндрических угольников не более 1200 мм |
4 | Рекомендуемая плоскостность MPE (плеча) и прямолинейность MPE, мкм | (2 + 0,01L), где L - рабочая длина, мм |
5 | Рекомендуемая MPE прямоугольности, мкм | (2 + L/200) мкм для цилиндрических угольников; (1 + L/200) мкм для двухрукого типа; 5 мкм для любой длины измерения 300 мм, где L - рабочая длина, мм. Угол может быть менее или более 90° |
6 | Пример уменьшенной (скорректированной) прямоугольности MPE в определенных точках, мкм | 0,5 |
7 | Рекомендуемая обработка поверхности | Шероховатость менее 0,8 мкм, Rt. Тонко измельченный, притертый или очищенный |
8 | Рекомендуемая твердость поверхности | Более Hv360 для закаленной стали. Для незакаленной стали, более HV170 |
9 | Рабочая среда | Условия испытаний |
10 | Долгосрочная стабильность | Требуется термообработка без напряжения |
11 | Температурный коэффициент линейного расширения, мкм/(м·°C) | Зависит от используемого материала: сталь - 12; чугун - 10; керамика - 8; гранит - 8 |
12 | Допуск на прогиб угольников двумя руками | Прогиб d = 0,7L(1/2)/1000 мм. Метод испытания, см. рисунок 9 |
13 | Соответствующие стандарты | JISB 7526, B 7539, BS 939 |
14 | Ссылка на серию ИСО 230 | ИСО 230-1:2012, 10.3.2.2 и 12.4 |
15 | Погрешность измерения | См. таблицу D.1. Пример - |
16 | Замечания | Для повышения точности измерения следует применять метод измерения с переворотом (см. ИСО 230-1) - измерение в центре |
17 | Примеры рисунков |

![]() | ![]() | ![]() | ![]() |
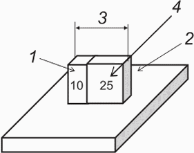
1 | Наименование прибора | Прецизионный куб, контрольный куб |
2 | Описание | Точно изготовленный куб, используемый для задания площади, прямолинейности и положения. Типовые общетехнического применения доступные кубы также применимы к использованию |
3 | Рекомендуемый размер, мм | Как правило, площадь от 100 до 500 мм |
4 | Рекомендуемая прямоугольность MPE | 2 мкм для любой длины измерения 300 мм |
5 | Рекомендуемая плоскостность/параллельность MPE | 2 мкм в плоскостности/параллельности |
6 | Пример сокращенных (исправленных) MPE в определенных точках, мкм | Прямоугольность: 1 мкм; прямолинейность: 1 мкм; плоскостность: 2 мкм |
7 | Рекомендуемая обработка поверхности | Шероховатость менее 1 мкм, Rt. Тонко измельченный, притертый или очищенный |
8 | Рекомендуемая твердость поверхности | HB200 < чугун: HB200; камень: Hs70; керамика: Hv1600 |
9 | Рабочая среда | Условия испытаний |
10 | Долгосрочная стабильность | Термическая обработка без напряжения требуется для стали |
11 | Температурный коэффициент линейного расширения, мкм/(м·°C) | Зависит от используемого материала: сталь - 11; керамика - 8; гранит - 10 |
12 | Соответствующие стандарты | Нет |
13 | Ссылка на серию ИСО 230 | Нет |
14 | Погрешность измерения | См. таблицу D.1. Пример - |
15 | Замечания | Возможно получить калиброванный размер, плоскость, прямолинейность и прямоугольность предмета |
16 | Примеры рисунков | См. рисунок 11 |

1 | Наименование прибора | Поверочные плиты | |||||||||||
2 | Описание | Поверочная плита является контрольной рабочей плоскостью. Применяют для центровки, сборки и измерения работы. Ее верхняя поверхность отшабрена или доведена притиркой для достижения хорошей точности поверхности | |||||||||||
3 | Рекомендуемый размер, мм | 160 x 100 до 2500 x 1600 | |||||||||||
4 | Рекомендуемый размер X, Y, мм | 160 x 100 | 250 x 160 | 400 x 250 | 630 x 400 | 1000 x 630 | 1600 x 1000 | 2000 x 1000 | 2500 x 1600 | 250 x 250 | 400 x 400 | 630 x 630 | 1000 x 1000 |
5 | Рекомендуемая плоскостность MPE для ИСО класс 0 (ИСО 8512), мкм | 3 | 3,5 | 4 | 5 | 6 | 8 | 9,5 | 11,5 | 3,5 | 4,5 | 5 | 7 |
6 | Пример снижения (исправления) MPE в определенных точках, мкм | 0,5 | 0,5 | 0,5 | 0,5 | 1,0 | 1,0 | 1,0 | 1,5 | 0,5 | 0,5 | 0,5 | 1,0 |
7.1 | Рекомендуемая обработка поверхности | Отшабренная, шлифованная или притертая | |||||||||||
7.2 | Рекомендуемая твердость поверхности | Чугун - HB200; камень - Hs70; керамика - Hv1600 | |||||||||||
8 | Рабочая среда | Условия испытаний | |||||||||||
9 | Долгосрочная стабильность | Термическая обработка без напряжения требуется для чугуна | |||||||||||
10 | Температурный коэффициент линейного расширения, мкм/(м·°C) | Чугун - 11; гранит - 10; керамика - 8 | |||||||||||
11 | Соответствующие стандарты | ИСО 8512, DIN 876, JIS B7513, ISIRI 10137.1/2 | |||||||||||
12 | Ссылка на серию ИСО 230 | ИСО 230-1:2012, 10.5.1 и 12.2.2 | |||||||||||
13 | Погрешность измерения | См. таблицу D.1. Пример - | |||||||||||
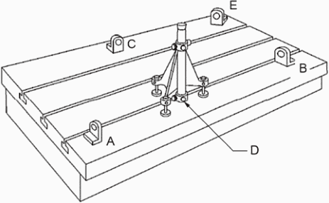
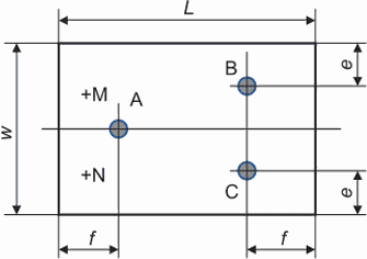
14 | Замечания | Для крупногабаритной поверхности: ![]() | Обозначение: L - длина; w - ширина; A, B, C - опорные точки; M, N - точки поддержки безопасности; e = 2 w/9; f = 2 L/9. Если рабочая зона превышает 400 x 250 мм, соответствие должно быть менее 1 мкм/200 Н в центральной позиции | ||||||||||
Правило распределения для точек поддержки | |||||||||||||
15 | Пример рисунков | См. рисунок 12 | |||||||||||


1 | Наименование прибора | Прецизионный шар (сфера), контрольная сфера |
2 | Описание | Точно изготовленный шар, который используют для определения положения и поворота. Имеющиеся в наличии шары также применимы для использования |
3 | Рекомендуемый размер, мм | Как правило, диаметр от 16 до 30 мм |
4 | Рекомендуемая форма допуска (сферичность) | 0,2 мкм или менее |
5 | Рекомендуемый допуск по размеру | Диаметр 0,3 мкм, если указан диаметр |
6 | Пример снижения (исправления) MPE в определенных точках, мкм | - |
7.1 | Рекомендуемая обработка поверхности | Шероховатость менее 0,1 мкм, Rt |
7.2 | Рекомендуемая твердость поверхности | HV1600 (керамика), HV800 (сталь) |
8 | Рабочая среда | Условия испытаний |
9 | Долгосрочная стабильность | Термическая обработка без напряжения требуется для стали |
10 | Температурный коэффициент линейного расширения мкм/(м·°C) | Зависит от используемого материала: сталь - 11; керамика - 8; гранит - 10; кварц - 1 |
11 | Соответствующие стандарты | Нет |
12 | Ссылка на серию ИСО 230 | ИСО 230-1:2012, 10.1.4.4, 10.4.4, 11.2.5.1 и 11.4; ИСО 230-10 |
13 | Погрешность измерения | Основные участники: см. таблицу D.1. Пример - |
14 | Замечания | Если шарик используют для проверки точности вращения шпинделя, может потребоваться концентричность между центром шарика и хвостовиком |
15 | Примеры рисунков | См. рисунок 13 |

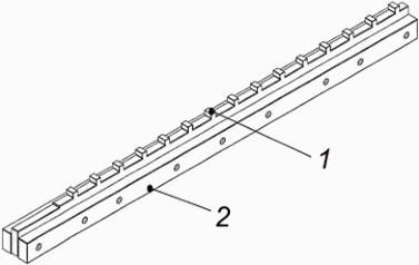
1 | Наименование инструмента | 1D шариковая матрица или шариковая балка |
2 | Описание | Серия прецизионных шариков закреплена на конструкции балки и откалибрована на CMM, используемой для определения относительных положений центра прецизионных шариков. Такой прибор стабилен и устанавливается на столе детали станка без напряжения, чтобы избежать нагрузок и деформаций (ухудшающих достоверность его калибровки) |
3 | Типичная длина | От 250 до 2000 мм |
4 | Типичный материал балки | Углеродное волокно (CF), карбид кремния (SiC), сталь |
5 | Типичный размер луча (Д x Ш x В) | 500 x 50 x 70 мм (CF) 500 x 40 x 40 мм (SiC) |
6 | Типичная форма луча | Прямоугольный, квадратный, треугольный или цилиндрический |
7 | Типичный диаметр шарика | От 16 до 30 мм |
8 | Типичный материал мяча | Керамика (Al2O3, Si3N4) или сталь |
9 | Типичная твердость мяча | > HV1650 (Al2O3) |
10 | Типичная форма допуска (сферичность) MPE | < 0,3 мкм |
11 | Типичная шероховатость поверхности | Шероховатость < 0,1 мкм, Rt |
12 | Температурный коэффициент линейного расширения, мкм/(м·°C) | CF = 0,8; SiC = 4,5; Steel = 11; Al2O3 = 8,5 |
13 | Типичный вес | 2,5 кг (ряд шариков CF, длина 500 мм) 1,6 кг (массив шариков SiC, длина 500 мм) |
14 | Типичная погрешность калибровки | U (k = 2) = (0,14 + 0,6·L) мкм с L, м |
15 | Интервал повторной калибровки | Раз в год |
16 | Соответствующие стандарты | Нет |
17 | Ссылка на серию ИСО 230 | ИСО 230-1, 11.6.2 (1D шариковая матрица), ИСО 230-2, ИСО 230-6 (диагональные испытания) |
18 | Погрешность измерения | См. таблицу D.1. Пример - |
19 | Примеры рисунков | См. рисунок 14 |
20 | Приложения | a) Ось параллельная 1D-матрицу шариков используют в сочетании с системой зондирования для определения положения мяча (то есть датчиков линейного перемещения, гнезда 3D-датчика, сенсорного триггера, головки 3D-датчика и т.д.). 1D шаровой массив устанавливают номинально параллельно оси, что позволяет определять: погрешности позиционирования (т.е. EXX). Отклонения прямолинейности (т.е. EYX и EZX). b) Диагональные испытания 1D матрица шаров также может быть измерена по диагонали поверхности и/или корпуса рабочего объема станка для проверки точности измерения объема |
21 | Замечания | a) Для поддержания стабильности массива с 1D-шариками следует обращаться с осторожностью и избегать ударов. b) При применении 1D-матрицу шаров предпочтительно монтируют на станке так же, как и во время его калибровки, чтобы отменить эффекты провисания. Эффекты провисания также сводятся к минимуму за счет поддержки массива 1D шариков в точках Бесселя (который равен 2L/9 от концов балок, разделенных 5L/9), что рекомендуется. c) Из-за производственных допусков шарики не расположены точно по прямой линии, а обычно изменяются в пределах +/- 0,1 мм в трехмерном пространстве. Поэтому шарики точно не разделены на равном расстоянии. Для измерения такой одномерной шариковой матрицы обычно требуются три линейные оси станка, даже если она установлена параллельно оси. Иногда применяют смещенные шарики, чтобы облегчить определение ориентации крена 1D матрицы шариков, что необходимо, когда обе погрешности прямолинейности определяются одновременно. d) Размер массива 1D-шаров должен соответствовать рабочему объему станка. Для очень больших станков 1D шариковая матрица может перемещаться пошагово вдоль оси машины, и измерения могут комбинироваться/сшиваться при условии достаточного перекрытия |

1 | Наименование инструмента | 2D шариковая матрица или шариковая балка |
2 | Описание | Серия прецизионных шариков закреплена на пластине. Их положения точно откалиброваны. Это используют для калибровки двумерной точности позиционирования станка. Это также применимо для измерения погрешности прямолинейности и прямоугольности движения |
3 | Примерный размер | 500 x 500 x 100 мм |
4 | Примерный диапазон измерения | 400 x 400 мм |
5 | Примерный MPE или линейность | 2 мкм |
6 | Примерное снижение (исправления) MPE в определенных точках, мкм | 0,6 мкм |
7 | Разрешение | - |
8 | Стабильность | Зависит от датчика положения |
9 | Частотный отклик | - |
10 | Измерение силы или нагрузки | Зависит от датчика положения |
11 | Рабочая среда | Условия испытаний |
12 | Долгосрочная стабильность считывания | - |
13 | Температурный коэффициент линейного расширения | На основе материала рамы. Сталь - 11 |
14 | Соответствующие стандарты | Нет |
15 | Ссылка на серию ИСО 230 | ИСО 230-1:2012, 11.5.2 ИСО 230-2 |
16 | Погрешность измерения | См. таблицу D.1. Пример - |
17 | Замечания | Применение методов обращения |
18 | Пример рисунков | См. рисунок 15 |


1 | Наименование датчика | Шагомер | |||
2 | Описание | Шагомер является одним из конечных стандартных датчиков. Он состоит из множества коротких блоков и стального стержня. Твердый тип (изготовленный из единого материала, например, керамики, стали и стекла) также возможен | |||
3 | Примерный размер | От 300 до 1500 мм | |||
4 | Примерный диапазон измерения | По размеру от 0 до 1000 мм | |||
5 | Примерный MPE, мкм | От 0 до 310 | От 310 до 610 | От 610 до 1000 | От 1010 до 1050 |
5 | 7 | 10 | 16 | ||
6 | Примерный шаг блока | 20 мм (10 + 10 мм) | |||
7 | Материал | Используемый материал - сталь и керамика из диоксида циркония | |||
8 | Измерение силы или нагрузки | Согласно считыванию инструмента | |||
9 | Рабочая среда | Условия испытаний | |||
10 | Долгосрочная стабильность считывания | - | |||
11 | Коэффициент теплового расширения оборудования, мкм/(м·°C) | Сталь - 11; керамика - 8 | |||
12 | Соответствующие стандарты | Нет | |||
13 | Ссылка на серию ИСО 230 | ИСО 230-2 | |||
14 | Погрешность измерения | См. таблицу D.1. Пример - | |||
15 | Пример рисунков | См. рисунок 16 | |||
16 | Замечания | Ступенчатый указатель устанавливают на станке, и его положение считывается с помощью шкалы рычажного типа или электрического микрометра. В некоторых случаях используются измерительные блоки вместо ступенчатого датчика | |||

1 | Наименование прибора | Измерительный блок, испытуемый измерительный блок |
2 | Описание | Точно изготовленные серии блоков, которые используют для определения длины, расстояния и положения. Желаемая длина может быть получена путем скручивания двух или более разных блоков. Прямоугольный тип, квадратный блок с отверстием применим к использованию |
3 | Примерный размер, мм | От 0,5 до 1000 мм |
4 | Примерный диапазон измерения | Зависит от количества сборок |
5 | Примерный MPE | От 0,24 (10 мм) до 4,00 мкм (1000 мм) в зависимости от класса и размера |
6 | Примерный уменьшенный (скорректированный) MPE в определенной позиции, мкм | 0,05 мкм (100 мм) |
7 | Рекомендуемая обработка поверхности | Шероховатость менее 20 нм, Rt |
8 | Примерный материал | Калибр стали WC, керамика, стеклокерамика |
9 | Рекомендуемая твердость поверхности | HV800 |
10 | Рабочая среда | Условия испытаний |
11 | Долгосрочная стабильность считывания | Термическая обработка без напряжения требуется для стали |
12 | Температурный коэффициент линейного расширения, мкм/(м·°C) | Зависит от используемого материала: сталь - 11,5; керамика - 8; стеклокерамика - 0 |
13 | Соответствующие стандарты | ИСО 3650, BS 4311, DIN 861, ISIRI 2606 |
14 | Ссылка на серию ИСО 230 | ИСО 230-1 |
15 | Погрешность измерения | См. таблицу D.1. Пример - |
16 | Замечания | Любой размер может быть создан сжатием |
17 | Пример рисунков | См. рисунок 17 |



1 | Наименование инструмента | Лазерный интерферометр | |
2 | Описание | Развитие лазерной интерферометрии обеспечило станкостроительную промышленность высокоточным стандартом, который может использоваться на станках всех типов и размеров. Стабилизированный по частоте гелий-неоновый лазер в настоящее время представляет собой новейшее достижение в области стандартов длины лазеров и на практике стал принятым стандартом длины для измерений в испытаниях | |
3 | Примерный размер | 200 x 300 x 100 мм (лазерный источник) | |
4 | Примерный диапазон измерения | До 40 м | |
5 | Примерный MPE или линейность | MPE интерферометра определяется длиной волны лазера и лучше, чем 0,5 части на миллион, если температура воздуха, температура станка, влажность воздуха и давление воздуха постоянны | |
6 | Примерное разрешение | От 1 до 10 нм | |
7 | Примерная стабильность | Зависит от обстоятельств (см. примечания) | |
8 | Частотный отклик | От 100 кГц до 100 МГц на сигналах интерфейсного порта | |
9 | Измерение силы или нагрузки | Нет | |
10 | Рабочая среда | Условия испытаний | |
11 | Долгосрочная стабильность считывания | 8 x 10-9/м (только лазерный луч) | |
12 | Температурный коэффициент линейного расширения, мкм/(м·°C) | На длину волны лазера влияют не только температура воздуха, но и давление воздуха, влажность и состав. Пример - Если температура воздуха изменяется на 1 °C, это соответствует 1 мкм/м длины измерения | |
13 | Погрешность измерения | См. таблицу D.2, а также 17, ИСО 230-2:2014, приложение A и ISO/TR 230-9 | |
Даже состояние воздуха возможно измерить и компенсировать, сохраняется влияние неопределенности датчиков, таких как температура, давление. В случае точного применения следует использовать рефрактометр для повышения точности измерений. Проверка общего влияния окружающей среды с помощью испытания на изменение окружающей среды с описанием испытания (см. ИСО 230-3) | |||
a) погрешность окружающей среды (4.2.3.9) | Перемещение карманов теплого и холодного воздуха вызывает его турбулентность воздуха. Когда эти карманы теплого и холодного воздуха движутся через измерительные лазерные лучи, длина лазерной волны внутри карманов меняется. Если этот карман на 0,1 °C теплее окружающего воздуха и имеет ширину 1 м, то это приведет к изменению линейного показания на 0,1 мкм. Чтобы свести к минимуму этот эффект, воздух, окружающий лазерный луч, должен быть либо очень стабильным, либо перемешиваться вентиляторами. Фактическое влияние окружающей среды должно быть проверено с помощью испытания EVE, (см. ИСО 230-2:2014, приложение A) | ||
Для станков, в которых для определения положения каретки используют стальной ходовой винт, этот эффект представляет собой расширение приблизительно на 11 мкм/м при повышении температуры свинцового винта на 1 °C. Если общий ход каретки составляет 1000 мм, этот эффект представляет собой потенциальное изменение рассматриваемой длины ходового винта на 0,011 мм на одно изменение температуры (см. ИСО 230-2). Датчики температуры материала должны быть правильно расположены для определения температуры поверхности стола. Полученные значения температуры применяются для компенсации теплового расширения целевой части | |||
См. 4.2.4.23 | |||
d) косинус погрешности | См. 4.2.4.1 | ||
e) погрешность смещения Аббе | См. 4.2.4.2 | ||
14 | Соответствующие стандарты | Нет | |
15 | Ссылка на серию ИСО 230 | ИСО 230-1:2012, 8.3.2.1, ИСО 230-2, ИСО 230-3 и ISO/TR 230-9 | |
16 | Пример рисунков | См. рисунок 18 | |
Замечания | Лазерный интерферометр допускается использовать для пяти из шести степеней свободы: линейное позиционирование, горизонтальная прямолинейность, вертикальная прямолинейность, наклон и перемещение, а также прямоугольность между двумя осями. Другие степени свободы имеют одинаковую важность, поскольку погрешности позиционирования, возникающие в результате движения погрешности наклона (движения наклона и перемещения), могут быть потенциально большими, чем погрешности системы линейного позиционирования осей станка. Другие источники погрешностей, которые следует учитывать перед началом измерений, указаны в замечаниях по применению. При настройке лазерной измерительной системы для оценки станка следует руководствоваться тремя основными принципами: a) выбрать правильную настройку для измерения желаемых параметров; b) минимизировать потенциальные источники ошибок (выравнивание, компенсация, мертвый ход и т.д.); (см. ИСО 230-2:2014, приложение A. См. также 13a), b), c); c) максимально точно моделируют условия работы станка. Каждая отдельная установка должна быть тщательно проанализирована, чтобы гарантировать, что измерения погрешности станка представляют погрешности заготовки. Измерения должны отражать относительные движения режущего инструмента и заготовки. Всегда следует устанавливать один оптический компонент там, где будет располагаться режущий инструмент, а другой оптический компонент - в позиции заготовки. Лазер должен быть расположен таким образом, чтобы максимально увеличить количество измерений, которые можно выполнить без изменения положения лазерной головки. Несмотря на то, что измерения лазерной системы чрезвычайно точны, их точность зависит от первоначальной настройки и устранения потенциальных ошибок. Это оптический измерительный прибор | ||

1 | Наименование инструмента | Цифровая линейная шкала |
2 | Описание | Цифровые весы используют скользящую головку для создания сигналов положения из стационарной шкалы, состоящей из оптической или магнитной цифровой маркировки с равным интервалом между ними. Эти маркировки производятся именно как стандарты длины. Сигналы интерполируются для достижения более высокого разрешения |
3 | Типичный размер | От 50 до 3000 мм (сталь/стекло) Более 10 000 мм (ленточная шкала) |
4 | Примерный диапазон измерения | Зависит от размера |
5 | Типичный MPE или линейность | 6 мкм в полном диапазоне считывания (1000 мм, класс JIS 0) или (3 + 3 L/1000) мкм, где L - эффективная длина измерения |
6 | Примерное снижение (исправление) MPE в определенных точках | 0,5 мкм |
7 | Типичное разрешение | От 0,01 до 1 мкм |
8 | Примерная повторяемость | 0,2 мкм |
9 | Частотный отклик | Зависит от системы интерполяции и электронных устройств |
10 | Измерение силы или нагрузки | - |
11 | Рабочая среда | Условия испытаний |
12 | Долгосрочная стабильность считывания | Зависит от обстоятельств |
13 | Температурный коэффициент линейного расширения, мкм/(м·°C) | 11 - для стали, 8 - для стеклянного материала, 1 - для железоникелевого сплава, и 0 - для стеклянной шкалы со сверхнизким расширением (ULE) |
14 | Соответствующие стандарты | JIS B7450, ZBJ 42036 |
15 | Ссылка на серию ИСО 230 | ИСО 230-1:2012, 8.3.2.2 |
16 | Погрешность измерения | См. таблицу D.2. Пример - |
17 | Пример рисунков | См. рисунок 19 |
18 | Замечания | Цифровые весы, используемые для калибровки станка, устанавливают на специальном оборудовании для удобного обращения и размещения на столе станка. Считывающую головку снабжают линейной направляющей системой, чтобы поддерживать постоянный зазор между поверхностью шкалы и считывающей головкой |

1 | Наименование инструмента | Стандартная шкала | ||||||
2 | Описание | Стандартная шкала имеет линейчатую, гравированную или вытравленную разметку с одинаковым интервалом между ними. Шаг линии и общее расстояние откалиброваны | ||||||
3 | Типичный размер | От 100 до 1500 мм (сталь/стекло) | ||||||
4 | Типичный диапазон измерения | Зависит от размера | ||||||
5 | Размер, мм | От 100 до 200 | От 200 до 300 | От 300 до 400 | От 400 до 500 | От 500 до 600 | От 600 до 800 | От 800 до 1000 |
Типичный MPE или линейность, мкм | 1,2 | 1,3 | 1,4 | 1,5 | 1,6 | 1,8 | 2,0 | |
6 | Пример снижения (исправления) MPE в определенных точках, мкм | 0,5 | ||||||
7 | Примерный шаг линии шкалы | 1 мм | ||||||
8 | Примерная повторяемость | 0,2 мкм (по данным считывающего устройства) | ||||||
9 | Материалы | Используемые материалы: никель, нержавеющая сталь, сталь, обычное стекло и стекло с низким коэффициентом расширения | ||||||
10 | Измерение силы или нагрузки | Нет | ||||||
11 | Рабочая среда | Условия испытаний | ||||||
12 | Долгосрочная стабильность считывания | Зависит от обстоятельств | ||||||
13 | Температурный коэффициент линейного расширения, мкм/(м·°C) | 11 - для стали; 8 - для стеклянного материала; 1 - для железоникелевого сплава и 0 - для стеклянной шкалы со сверхнизким расширением | ||||||
14 | Соответствующие стандарты | JIS B7541 | ||||||
15 | Ссылка на серию ИСО 230 | ИСО 230-1:2012, 8.3.2.2 | ||||||
16 | Погрешность измерения | См. таблицу D.2. Пример - | ||||||
17 | Пример рисунков | См. рисунок 20 | ||||||
18 | Замечания | Положения линий считываются микроскопом с линией сетки, CCD с контрольной линией и фотоэлектрическим микроскопом. Точность зависит от точки опоры. Рекомендуется поддержка с точками Бесселя (расстояние = 0,559 L), чтобы минимизировать искажения | ||||||

1 | Наименование измерительного преобразователя | Циферблат рычажного типа |
2 | Описание | Циферблат представляет собой небольшой, компактный инструмент для использования на станках, поверхностных пластинах и для множества других целей. Этот инструмент имеет линейный ходовой поршень и циферблат, который показывает смещение. Линейный ход поршня преобразуется во вращательное движение, например шестернями или витыми полосами, что обозначается указателем |
3 | Типичный размер | Диаметр 50 мм. Длина плунжера 50 мм |
4 | Типичный диапазон измерения | 2 мм, 10 мм |
5 | Типичный MPE или линейность | 14 мкм в полном диапазоне считывания |
6 | Типичное разрешение | 2 мкм |
7 | Типичная повторяемость | 1 мкм (в одном направлении) 3 мкм (двунаправленный) |
8 | Частотный отклик | Менее 5 Гц |
9 | Типичное измерение силы или нагрузки | 0,4 Н |
10 | Рабочая среда | Условия испытаний |
11 | Долгосрочная стабильность считывания | Зависит от обстоятельств |
12 | Температурный коэффициент линейного расширения, мкм/(м·°C) | 11 |
13 | Соответствующие стандарты | ИСО 463, JIS B 7503, BS 907, DIN 878, NFE 11-050, ISIRI 9675, 14526, JIS B 7533 |
14 | Ссылка на серию ИСО 230 | - |
15 | Погрешность измерения | См. таблицу D.2. Пример - |
16 | Пример рисунков | См. рисунки 21a) и b) |
17 | Замечания | Для получения подробной информации об индикаторах часового типа см. ИСО 463. Испытания допускается проводить с индикаторами часового типа с ценой деления 0,01 мм, но для более точных испытаний (например, биение функциональных поверхностей шпинделя станка) следует использовать измерительные приборы с ценой деления 0,001 мм. Основными характеристиками этих инструментов являются: a) тенденция погрешности такой линейной, вогнутой, выпуклой и синусоидальной волны; b) максимальное значение гистерезиса; c) предельные значения измерительной силы в начале и в конце хода наконечника; d) максимальная локальная вариация измерительной силы (эта сила обычно имеет разные значения для входных и выходных перемещений плунжера в каждой позиции хода); e) повторяемость при использовании вверх ногами. Рекомендуется, чтобы используемые круговые шкалы имели короткий ход, низкий гистерезис и силу легкого контакта. Для круговых шкал рычажного типа подчеркивается, что выравнивание между направлением действия рычага и измеряемым смещением должно быть параллельным. В противном случае генерируется косинусная ошибка. Когда приборы с цифровой шкалой применяют для измерений с движением, направление движения должно быть направлением, которое не наносит ущерба поворотному действию рычага |


1 | Наименование измерительного преобразователя | Линейный переменный дифференциальный трансформатор (ЛПДТ) |
2 | Описание | Линейный переменный дифференциальный трансформатор выдает выходной сигнал, который пропорционален смещению подвижного сердечника в поле нескольких катушек. Когда сердечник перемещается из своего нулевого положения, напряжение, индуцированное катушками, изменяется, создавая выход, представляющий разницу в индуцированном напряжении. Головка датчика LVDT может быть картриджной или рычажной. |
3 | Типичный размер | Диаметр 8 мм; длина 90 мм (линейный зонд) 15 x 17 x 90 мм (рычажный тип) |
4 | Типичный диапазон измерения | 4 мм (линейный тип); 0,6 мм (рычажного типа) |
5 | Примерный MPE или линейность | 4% полной шкалы (рычажного типа) |
6 | Типичное разрешение | 0,01 до 0,1 мкм |
7 | Примерная повторяемость | 0,02 (линейный тип) 0,1 мкм (рычажный тип) |
8 | Частотный отклик | Примерно 20 Гц |
9 | Типичное измерение силы или нагрузки | 1 Н (линейный тип) 0,1 Н (рычажный тип) |
10 | Рабочая среда | От -10 °C до +75 °C |
11 | Долгосрочная стабильность считывания | Зависит от обстоятельств |
12 | Температурный коэффициент линейного расширения, мкм/(м·°C) | 11 |
13 | Соответствующие стандарты | JIS B 7536 |
14 | Ссылка на серию ИСО 230 | - |
15 | Погрешность измерения | См. таблицу D.2. Пример - |
16 | Замечания | Эквивалентное тепловое поведение может быть изменено с помощью положения зажима и метода |
17 | Пример рисунков | См.рисунок 22 |

1 | Наименование измерительного преобразователя | Датчик линейного перемещения |
2 | Описание | Датчик этого типа состоит из небольшой линейной цифровой шкалы, направляющей линейного перемещения и контактного датчика. Диапазон считывания (диапазон перемещения) более чем LVDT, как правило, диапазон от 5 до 30 мм с разрешением от 1 до 0,1 мкм. Применяемые цифровые весы бывают емкостные, магнитные и фотоэлектрические. Для емкостной шкалы возможная скорость отклика ограничена. Тип датчика набора может быть получен (см. рисунок 23) |
3 | Типичный размер | Диаметр 12 мм, длина 50 мм |
4 | Типичный диапазон измерения | От 5 до 50 мм |
5 | Типичный MPE или линейность | 0,4% полной шкалы |
6 | Пример снижения (исправления) MPE в определенных точках, мкм | Две цифры |
7 | Типичное разрешение | От 0,01 до 1 мкм |
8 | Стабильность | Зависит от обстоятельств |
9 | Частотный отклик | Приблизительно 1 кГц (в зависимости от системы интерполяции и электрического устройства) |
10 | Типичное измерение силы или нагрузки | 2 Н |
11 | Рабочая среда | От 0 °C до 50 °C |
12 | Долгосрочная стабильность считывания | Зависит от обстоятельств |
13 | Температурный коэффициент линейного расширения, мкм/(м·°C) | 8 (стекло) |
14 | Соответствующие стандарты | Нет |
15 | Ссылка на серию ИСО 230 | - |
16 | Погрешность измерения | См. таблицу D.2. Пример - |
17 | Замечания | Эквивалентное тепловое поведение может быть изменено с помощью положения зажима и метода |
18 | Пример рисунков | См. рисунок 23a) и b) |


1 | Наименование измерительного преобразователя | Емкостный датчик смещения |
2 | Описание | Емкостный датчик; системы измерения емкостного смещения основаны на функционировании идеальных пластинчатых конденсаторов. Если расстояние между двумя конденсаторными электродами изменяется, значение напряжения конденсатора изменится соответственно. В случае бесконтактного измерения смещения два пластинчатых электрода состоят из датчика и мишени. Измерительная головка может быть контактного или бесконтактного типа |
3 | Типичный размер | Диаметр 5 мм; длина 50 мм |
4 | Типичный диапазон измерения | 0,2 мм (в зависимости от разрешения) |
Примерный MPE или линейность | 0,4% от полной шкалы | |
6 | Типичное разрешение | От 0,01 до 0,1 мкм (скорректированная ширина полосы частот может изменяться) |
7 | Стабильность | Зависит от обстоятельств |
8 | Типичная частотная характеристика | Приблизительно 100 кГц (разрешение может меняться. См. пункт 5) |
9 | Измерение силы или нагрузки | Бесконтактная |
10 | Рабочая среда | От 0 °C до 50 °C |
11 | Долгосрочная стабильность считывания | Зависит от обстоятельств |
12 | Температурный коэффициент линейного расширения, мкм/(м·°C) | Так же как с материалами дела |
13 | Соответствующие стандарты | Нет |
14 | Ссылка на серию ИСО 230 | ИСО 230-3, ИСО 230-7 |
15 | Погрешность измерения | См. таблицу D.2. Пример - |
16 | Замечания | Применимый диапазон смещения небольшой, как правило, от 0,1 до 0,2 мм в зависимости от максимального разрешения и ширины полосы. Если максимальное разрешение достигает уровня 10 нм, то возможный диапазон, как правило, составляет 100 мкм |
17 | Пример рисунков | - |
1 | Наименование измерительного преобразователя | Емкостный датчик смещения |
2 | Описание | Электрический, т.е. ток в контрольной катушке создает электромагнитное поле, которое объединяется с полем, создаваемым в активной катушке. Результирующее электромагнитное поле взаимодействует с проводником, создавая поток тока на поверхности и внутри мишени. Индуцированный ток создает магнитное поле, которое противодействует и уменьшает интенсивность исходного поля. Это изменяет эффективный импеданс активной катушки, который обнаруживается электроникой формирования сигнала. Это изменение используется в качестве датчика смещения |
3 | Типичный размер | Диаметр 5 мм, длина 20 мм |
4 | Типичный диапазон измерения | 0,5 мм |
Типичный MPE или линейность | 0,1% до 0,5% от полной шкалы | |
6 | Типичное разрешение | 0,1 мкм |
7 | Типичная повторяемость | 0,2 мкм |
8 | Примерная частотная характеристика | Приблизительно 100 кГц (разрешение может меняться. См. пункт 5) |
9 | Измерение силы или нагрузки | Бесконтактная |
10 | Рабочая среда | От 0 °C до 50 °C |
11 | Примерная долгосрочная стабильность считывания | 0,15 мкм в месяц |
12 | Температурный коэффициент линейного расширения, мкм/(м·°C) | Так же как со сталью |
13 | Соответствующие стандарты | Нет |
14 | Ссылка на серию ИСО 230 | - |
15 | Погрешность измерения | См. таблицу D.2. Пример - |
16 | Пример рисунков | - |
1 | Наименование измерительного преобразователя | Волоконно-оптический датчик смещения |
2 | Описание | Расстояние от прибора до поверхности волоконно-оптического пучка, состоящего из исходного и приемного волокон, может быть определено на основе интенсивности отраженного света, который воспринимается. Когда датчик находится очень близко к поверхности, свет не может отражаться в приемных волокнах. Принимающие волокна передают отраженный свет обратно на фотодиод, который измеряет интенсивность |
3 | Типичный размер | Диаметр от 3 до 5 мм |
4 | Типичный диапазон измерения | От 0 мм до 0,5 мм |
5 | Типичный MPE или линейность | 5% полной шкалы |
6 | Типичное разрешение | 10 нм |
7 | Стабильность | Зависит от обстоятельств |
8 | Типичная частотная характеристика | 100 кГц |
9 | Измерение силы или нагрузки | Бесконтактная |
10 | Рабочая среда | Условия испытаний |
11 | Долгосрочная стабильность считывания | Зависит от температурной стабильности |
12 | Температурный коэффициент линейного расширения, мкм/(м·°C) | Почти равен волокнистым материалам (стекло или пластик) |
13 | Соответствующие стандарты | - |
14 | Ссылка на серию ИСО 230 | - |
Погрешность измерения | См. таблицу D.2. Пример - | |
16 | Замечания | Чувствительность зависит от структуры его пучка (см. пункт 15). Является оптическим датчиком |
17 | Пример рисунков | См. рисунок 24 |
18 | Структура волокон | Половинный тип, случайный тип, коаксиальный тип |

1 | Наименование измерительного преобразователя | Лазерный датчик смещения треугольника |
2 | Описание | Свет от лазера создает пятно на поверхности мишени, а линза используется для фокусировки рассеянного света на поверхности фотоприемника. Выходной сигнал фотоприемника пропорционален положению центра интенсивности сфокусированного изображения |
3 | Примерный размер | 100 x 150 x 50 мм (сканирующая головка) |
4 | Примерный диапазон измерения | От 5 до 50 мм |
5 | Примерный MPE или линейность | 4% полной шкалы |
6 | Примерное разрешение | 0,02% полной шкалы |
7 | Стабильность | 0,05% полной шкалы |
8 | Типичная частотная характеристика | 2,5 кГц |
9 | Измерение силы или нагрузки | Бесконтактная |
10 | Рабочая среда | От 0 °C до 40 °C; условия испытаний |
11 | Долгосрочная стабильность считывания | - |
12 | Температурный коэффициент линейного расширения, мкм/(м·°C) | - |
13 | Соответствующие стандарты | - |
14 | Ссылка на серию ИСО 230 | - |
15 | Погрешность измерения | См. таблицу D.2. Пример - |
16 | Замечания | Является оптическим датчиком |
17 | Пример рисунков | - |
1 | Наименование измерительного преобразователя | Оптический датчик смещения фокусировки |
2 | Описание | Световое пятно, излучаемое лазерным диодом, фокусируется на поверхности мишени. Отраженное световое пятно сфокусировано на фотодиоде. Фокус контролируется путем изменения расстояния между датчиком и целью с помощью системы сервоуправления. Этот управляющий сигнал пропорционален изменению расстояния |
3 | Примерный размер | 50 x 65 мм (чувствительная головка) |
4 | Примерный диапазон измерения | 1 мм |
5 | Примерный MPE или линейность | 1 мкм полной шкалы |
6 | Примерное разрешение | 0,01 мкм |
7 | Стабильность | - |
8 | Примерная частотная характеристика | 1 кГц |
9 | Измерение силы или нагрузки | Бесконтактная |
10 | Рабочая среда | Условия испытаний |
11 | Долгосрочная стабильность считывания | - |
12 | Соответствующие стандарты | - |
13 | Ссылка на серию ИСО 230 | - |
14 | Погрешность измерения | См. таблицу D.2. |
15 | Замечания | Является оптическим датчиком |
16 | Пример рисунков | - |
1 | Наименование измерительного преобразователя | Лазерный сканирующий микрометр |
2 | Описание | Существует два типа сканирующего микроскопа: один - система механического сканирования луча, а другой - стационарный световой луч с ПЗС-детектором. Этот прибор был изначально разработан для измерения диаметров проволоки и трубки. Система состоит из лазерного источника света, призмы сканирования луча, системы измерения угла поворота, временной шкалы и двух связанных ПЗС-матриц, которые определяют положение луча. Диаметр цели и ее центральное положение рассчитывают из положения луча и скорости вращения призмы. Одна система может измерять как центральное положение проволоки, так и ее диаметр, чтобы можно было определить прямолинейность машины |
3 | Типичный размер | 40 x 100 x 340 мм (зависит от расстояния головки) |
4 | Типичный диапазон измерения | 0,3 до 30 мм |
5 | Типичный MPE или линейность | 5% полной шкалы |
6 | Типичное разрешение | От 0,01 до 100 мкм |
7 | Типичная повторяемость | 0,3 мкм |
8 | Типичная частотная характеристика | Зависит от циклов усреднения. Общее время обработки данных: - для среднего числа N = 1; 3 мс; - для среднего числа N = 128; 60 мс; - для среднего числа N = 2048; 870 мс [с частотой дискретизации: 2400 раз/с] |
9 | Измерение силы или нагрузки | Бесконтактная |
10 | Рабочая среда | От 0 °C до 50 °C |
11 | Долгосрочная стабильность считывания | 0,5 мкм (от 0 °C до 50 °C) |
12 | Температурный коэффициент линейного расширения, мкм/(м·°C) | - |
13 | Соответствующие стандарты | - |
14 | Ссылка на серию ИСО 230 | - |
15 | Погрешность измерения | См. таблицу D.2. Пример - |
16 | Замечания | Прибор допускается использовать для измерения натянутой проволоки и измерения теплового смещения. Своего рода оптический инструмент |
17 | Пример рисунков | См. рисунок 25 |

1 | Наименование инструмента | Сенсорный триггер |
2 | Описание | Сенсорный датчик - это датчик, который определяет относительное положение между целью и устройством удержания датчика при контакте с наконечником датчика. Сенсорный датчик состоит из соединительного устройства между системой датчиков и станка, корпуса датчика с электрическим датчиком, стержня датчика и контактного наконечника. Датчик обнаруживает контакт между наконечником зонда и целью по механическому отклонению, вибрации и т.д. Система зонда переносится движущимся компонентом до тех пор, пока наконечник не коснется поверхности мишени. Сигнал от датчика генерирует команду остановки движущегося компонента. Движущийся компонент останавливается после получения этой команды. Есть некоторые превышения расстояния, вызванные этой задержкой. На расстояние перемещения влияет скорость движения, задержка системы запуска и механический гистерезис конструкции зонда. Существует два основных типа зондов: один обнаруживает только контакт, а другой постоянно обнаруживает относительное смещение между мишенью и системой датчиков. Этот тип датчика только определяет положение контакта между целью и датчиком |
3 | Примерный размер и вес: | - |
4 | Примерный диапазон измерения | - |
5 | Примерный MPE или линейность | - |
6 | Разрешение | - |
7 | Примерная повторяемость | От 0,1 до 1 мкм |
8 | Примерная частотная характеристика | 100 Гц |
9 | Измерение силы или нагрузки | 0,5 Н |
10 | Рабочая среда | Условия испытаний |
11 | Долгосрочная стабильность считывания | - |
12 | Температурный коэффициент линейного расширения, мкм/(м·°C) | 11 |
13 | Соответствующие стандарты | - |
14 | Ссылка на серию ИСО 230 | ИСО 230-3, ИСО 230-10 |
15 | Погрешность измерения | См. таблицу D.3. Пример - |
16 | Замечания | - |
17 | Пример рисунков | См. рисунок 26 |

1 | Наименование инструмента | 1D-зонд (сканирующий) |
2 | Описание | 1D-датчик - это датчик, который определяет относительное положение между мишенью и устройством удержания датчика при контакте с наконечником датчика. 1D-датчик состоит из соединительного устройства между системой датчиков и станка, корпуса датчика с электрическим датчиком, стержня датчика и контактного наконечника. Датчик обнаруживает смещение между наконечником зонда и целью по шкале, механическому отклонению, вибрации и т.д. Система датчика перемещается движущимся компонентом до тех пор, пока наконечник не коснется поверхности мишени |
3 | Примерный размер и вес | - |
4 | Примерный диапазон измерения | 5 мм |
5 | Примерный MPE или линейность | - |
6 | Разрешение | 0,1 мкм |
7 | Примерная повторяемость | От 0,1 до 1 мкм |
8 | Примерная частотная характеристика | 100 Гц |
9 | Измерение силы или нагрузки | 0,5 Н |
10 | Рабочая среда | Условия испытаний |
11 | Долгосрочная стабильность считывания | - |
12 | Температурный коэффициент линейного расширения, мкм/(м·°C) | 11 |
13 | Соответствующие стандарты | - |
14 | Ссылка на серию ИСО 230 | ИСО 230-3, ИСО 230-10 |
15 | Погрешность измерения | См. таблицу D.3. Пример - |
16 | Замечания | - |
17 | Пример рисунков | См.рисунок 26 |
1 | Наименование инструмента | Сенсорный триггер |
2 | Описание | Сенсорный датчик - это датчик, который определяет относительное положение между целью и устройством удержания датчика, контактируя с наконечником датчика. Сенсорный датчик состоит из соединительного устройства между системой датчиков и станка, корпуса датчика с электрическим датчиком, стержня датчика и контактного наконечника. Датчик обнаруживает контакт между наконечником зонда и целью по механическому отклонению, вибрации и т.д. Система зонда переносится движущимся компонентом до тех пор, пока наконечник не коснется поверхности мишени. Сигнал от датчика генерирует команду остановки движущегося компонента. Движущийся компонент останавливается после получения этой команды. Есть некоторые превышения расстояния, вызванные этой задержкой. На расстояние перемещения влияет скорость движения, задержка системы запуска и механический гистерезис конструкции зонда |
3 | Примерный размер и вес | - |
4 | Примерный диапазон измерения | - |
5 | Примерный MPE или линейность | - |
6 | Разрешение | - |
7 | Примерная повторяемость | От 0,1 до 1 мкм |
8 | Примерная частотная характеристика | 100 Гц |
9 | Измерение силы или нагрузки | 0,5 Н |
10 | Рабочая среда | Условия испытаний |
11 | Долгосрочная стабильность считывания | - |
12 | Температурный коэффициент линейного расширения, мкм/(м·°C) | 11 |
13 | Соответствующие стандарты | - |
14 | Ссылка на серию ИСО 230 | ИСО 230-3, ИСО 230-10 |
15 | Погрешность измерения | См. таблицу D.3. Пример - |
16 | Замечания | - |
17 | Пример рисунков | См. рисунок 26 |
1 | Наименование инструмента | 2D-зонд |
2 | Описание | - |
3 | Примерный размер и вес | - |
4 | Примерный диапазон измерения | - |
5 | Примерный MPE или линейность | - |
6 | Разрешение | 0,1 мкм |
7 | Примерная повторяемость | От 0,1 до 1 мкм |
8 | Примерная частотная характеристика | 100 Гц |
9 | Измерение силы или нагрузки | 0,5 Н |
10 | Рабочая среда | Условия испытаний |
11 | Долгосрочная стабильность считывания | - |
12 | Температурный коэффициент линейного расширения, мкм/(м·°C) | 11 |
13 | Соответствующие стандарты | - |
14 | Ссылка на серию ИСО 230 | ИСО 230-3, ИСО 230-10 |
15 | Погрешность измерения | См. таблицу D.3. Пример - |
16 | Замечания | - |
17 | Пример рисунков | - |

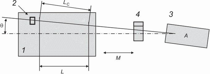
1 | Наименование инструмента | Натянутая струна с оптическим считывающим устройством |
2 | Описание | Горизонтальное отклонение центра проволоки измеряют микроскопом или другим оптическим устройством, чтобы оценить прямолинейность движения машины, на которой закреплен микроскоп |
3 | Типичный размер в мм | Диаметр должен быть от 0,1 до 0,7 мм |
4 | Типичный материал | Стальные или нейлоновые струны |
5 | Рекомендуемая система считывания | Микроскоп с регулировкой сетки и микрометра для точного определения его положения относительно натянутой проволоки. Вместо того, чтобы использовать микроскоп, ПЗС, лазерный сканирующий микрометр или другие устройства обработки изображений могут быть использованы для обнаружения изображения проводов. С помощью электрических устройств обнаружения изображения система может напрямую считывать положение провода. Лазерный сканирующий микрометр (см. 7.3.2.6) |
6 | Рабочая среда | Условия испытаний. Поскольку воздушная тяга влияет на стабильность провода, требуется состояние неподвижного воздуха (низкий градиент температуры и т.д.) |
7 | Соответствующие стандарты | - |
8 | Ссылка на серию ИСО 230 | ИСО 230-1:2012, 8.2.2.2 |
9 | Погрешность измерения | Применяется для следующих параметров: прямолинейность проволоки, сила натяжения; см. таблицу D.3. Пример - |
10 | Замечания | Микроскоп можно отрегулировать на станке с помощью точного уровня (который может быть интегрирован с опорой микроскопа). Два конца провода выровнены с помощью перекрестия измерительного микроскопа. Показания принимаются в горизонтальной плоскости по мере прохождения таблицы. Следует соблюдать осторожность при обращении с проволокой, которая должна иметь достаточное натяжение и не иметь перегибов. Диаметр проволоки должен быть как можно меньше, в любом случае не более 0,1 мм. Возможна вертикальная конфигурация для измерения прямолинейности вертикальной колонны |
11 | Пример рисунков | См. рисунок 27 |

1 | Наименование инструмента | Лазерный интерферометр с оптическим приспособлением |
2 | Описание | Выходящий из лазера луч проходит через интерферометр прямолинейности, разделяющий его на два луча, которые расходятся под небольшим углом и направляются на отражатель прямолинейности. Затем лучи отражаются от отражателя прямолинейности и возвращаются по новому пути к интерферометру прямолинейности, как показано на рисунке. В интерферометре прямолинейности два луча сходятся, и один луч возвращается в порт входа в лазерной головке. Существует два типа оптики: одна с плоскими зеркалами, а другая с зеркалом под углом 90° |
3 | Примерный размер и вес | Отражатель 42 x 160 x 42 мм и интерферометр 40 x 50 x 30 мм |
4 | Примерный диапазон измерения | +/- 2,5 мм для измерения длины от 0,1 до 4 м |
5 | Примерный MPE или линейность | 1% полной шкалы |
6 | Примерное разрешение | 0,01 мкм |
7 | Примерная повторяемость | - |
8 | Частотный отклик | - |
9 | Рабочая среда | Условия испытаний |
10 | Долгосрочная стабильность считывания | - |
11 | Температурный коэффициент линейного расширения, мкм/(м·°C) | - |
12 | Соответствующие стандарты | - |
13 | Ссылка на серию ИСО 230 | ИСО 230-1:2012, 8.2.2.5 |
14 | Погрешность измерения | См. таблицу D.3. Пример - U = 2 мкм/м в комнате с контролируемой температурой, U = 6 мкм/м в обычном испытании [U (k = 2)] |
15 | Замечания | Является оптическим датчиком |
16 | Пример рисунков | См. рисунок 28 |

1 | Наименование инструмента | Регулирующий телескоп |
2 | Описание | Регулирующий телескоп с принадлежностями предназначен для проверки прямолинейности, параллельности и прямоугольности. Посредством расположения линз, содержащихся в трубчатом корпусе, вид на горизонтальные и вертикальные поперечные провода может быть спроецирован на цель. Вертикальное и горизонтальное смещения поперечных проводов к цели измеряются непосредственно в миллиметрах с помощью микрометровых шкал. Градуированный диск фокусировки меняет положение фокусирующего прибора, позволяя сфокусировать цели от нуля до бесконечности. Фокус перекрестных проводов достигается на окуляре. Телескоп чаще всего монтируется на горизонтальном основании, содержащем сферическую цапфу, чтобы обеспечить возможность боковой и вертикальной регулировки линии визирования. Прямолинейность может быть измерена путем перемещения цели вдоль линии визирования. Приспособление для размещения точных уровней и оптических угольников расширяют возможности прибора для измерения параллельности и прямоугольности |
3 | Примерный размер и вес: | 500 x 200 x 100 мм |
4 | Примерный диапазон измерения | От 1 до 10 м в зависимости от погрешности измерения |
5 | Примерный MPE или линейность | 3 мкм/1 м, 10 мкм/5 м |
6 | Примерное разрешение | 1 мкм |
7 | Примерная повторяемость | - |
8 | Частотный отклик | - |
9 | Измерение силы или нагрузки | Бесконтактный |
10 | Рабочая среда | Условия испытаний |
11 | Долгосрочная стабильность считывания | - |
12 | Температурный коэффициент линейного расширения, мкм/(м·°C) | - |
13 | Соответствующие стандарты | - |
14 | Ссылка на серию ИСО 230 | ИСО 230-1:2012, 8.2.2.3 |
15 | Погрешность измерения | См. таблицу D.3. Пример - Измерение U = 3 мкм/1 м [U (k = 2)] в контролируемых условиях |
16 | Замечания | Центр мишени должен быть расположен как можно ближе к функциональной точке. Расстояние между оптической осью телескопа и центром мишени следует считывать непосредственно на сетке или с помощью оптического микрометра. Следует убедиться, что показания микрометрического набора интерпретируются правильно, т.е. + ve не следует путать с - ve. Предложенное правило соглашения - это принцип "LURD" [см. рисунок 29b)] (т.е. влево, вверх, вправо, вниз). Является оптическим датчиком |
17 | Пример рисунков | См. рисунок 29 |



1 | Наименование инструмента | Двухплоскостной непрерывный лазер с двумя мишенями |
2 | Описание | Непрерывно растягивающиеся лазерные плоскости создаются путем изгиба лазерного луча точно на 90° с использованием оптической пентапризмы. Лазерные плоскости используют в качестве эталонов для измерения прямолинейности осей станка. Горизонтальное отклонение и вертикальное отклонение от лазерных плоскостей измеряют оптическим датчиком цели для каждой оси, чтобы оценить вертикальную прямолинейность и горизонтальную прямолинейности движения станка, на котором закреплены цели. Лазер сканера установлен на регулировочном основании с регулировочным валом и регулировкой перемещения для точного выравнивания плоскостей, параллельных движению станка. Два точных уровня позволяют определить параллельность горизонтальной плоскости или гравитации. Ту же систему допускается применять для измерения прямолинейности и прямоугольности |
3 | Примерный размер лазерного излучателя | Габаритные размеры: 280 x 220 x 220 мм; вес: 4,5 кг |
4 | Примерный размер и вес датчиков цели | 60 x 110 x 50 мм; 400 г |
5 | Примерный диапазон измерения | 30 м |
6 | Примерная прямолинейность луча | 0,001 мм/м +/- 0,002; 5 мм/м для воздушного шума |
7 | Примерная плоскостность плоскости лазера | 0,25" или 0,001 мм/м + максимальная погрешность перевода 0,001; 3 мм при развертке 90° |
8 | Примерная прямоугольность лазерной плоскости | Верхняя плоскость лазера к боковой плоскости лазера: прямоугольность 0,005 мм/м |
9 | Примерное разрешение целей и MPE | Диапазон ячеек 5 мм; разрешение: 0,00025 мм; ПДВ: 0,0015 мм. Диапазон ячеек 24 мм; разрешение: 0,0005 мм; ПДВ: 0,0035 мм |
10 | Рекомендуемая система считывания | Отображение нескольких осей на основе дисплея с беспроводным подключением к датчикам или беспроводным интерфейсом к ПК для сбора и сохранения данных для дальнейшего анализа и составления отчетов |
11 | Рабочая среда | Условия испытаний. На производительность лазерной системы влияет турбулентность в атмосфере, поэтому крайне важно использовать как вентиляторы для смешивания воздуха, так и электронную фильтрацию шума, когда требуется максимальный MPE системы |
12 | Соответствующие стандарты | - |
13 | Ссылка на серию ИСО 230 | ИСО 230-1:2012, 12.2.5.3 |
14 | Погрешность измерения | См. таблицу D.5. Пример - Типичное значение для погрешности U = 5 мкм на 3 м пути [U (k = 2)] |
15 | Замечания | Горизонтальная и вертикальная прямолинейности могут быть собраны одновременно. Своего рода оптический инструмент |
16 | Пример рисунков | См. рисунок 30 |

1 | Наименование инструмента | Регулирующий лазер |
2 | Описание | Выравнивающий лазер с принадлежностями применяют для проверки прямолинейности, параллельности и прямоугольности. Лазерный луч используют в качестве эталона, и отклонение расстояния между лазерным лучом и прибором измерения измеряют в двух или более позициях с использованием двумерного детектора положения. Вертикальное и горизонтальное смещения пятна на мишени измеряют непосредственно в миллиметрах с помощью двумерного датчика. Прямолинейность может быть измерена путем перемещения цели вдоль линии визирования |
3 | Примерный размер | Приемник: 60 x 50 x 40 мм; 120 г. Передатчик: 60 x 60 x 140 мм; 1100 г |
4 | Примерный диапазон измерения | До 50 м в зависимости от погрешности измерения |
5 | Примерный MPE или линейность | 1% полной шкалы или 6 мкм |
6 | Примерное разрешение | 1 мкм |
7 | Стабильность | 3 мкм |
8 | Частотный отклик | 3 Гц |
9 | Измерение силы или нагрузки | Бесконтактный |
10 | Рабочая среда | От 0 °C до 50 °C; условия испытаний |
11 | Долгосрочная стабильность считывания | - |
12 | Температурный коэффициент линейного расширения, мкм/(м·°C) | - |
13 | Соответствующие стандарты | - |
14 | Ссылка на серию ИСО 230 | ИСО 230-1:2012, 8.2.2.3 |
15 | Погрешность измерения | См. таблицу D.3. Пример - |
16 | Замечания | Существует несколько типов лазеров. Некоторые могут работать с беспроводной связью. Применение к измерениям плоскостности, параллельности и прямоугольности также возможно. Центр детектора должен быть расположен как можно ближе к функциональной точке. Является оптическим датчиком |
17 | Пример рисунков | См. рисунок 31 |


1 | Наименование инструмента | Лазерный интерферометр с оптическим приспособлением |
2 | Описание | Измерения прямоугольности выполняют путем измерения прямолинейности вдоль каждой из двух номинально ортогональных осей, представляющих интерес, с использованием общего эталона. Требуется общий эталон, чтобы можно было сравнить два набора измерений прямолинейности и вычислить отклонение от прямоугольности двух осей. Общим эталоном, как правило, является оптическое выравнивание отражателя прямолинейности, которое не перемещается (относительно таблицы) и не регулируется между двумя измерениями прямолинейности. Оптический угольник используется по меньшей мере для одного из измерений прямолинейности, чтобы позволить лазерному лучу выравниваться вдоль каждой оси, не касаясь отражателя прямолинейности. Оптические принципы измерения прямоугольности те же, что и для измерений прямолинейности, но с дополнительным использованием оптического угольника |
3 | Примерный размер, мм | 160 x 160 x 60 мм (оптический блок) |
4 | Примерный диапазон измерения | +/- 3/(длина измерения, м) |
5 | Примерный MPE или линейность | 1% от полной шкалы |
6 | Примерное разрешение | 0,01 мкм/м |
7 | Пример повторяемости | - |
8 | Частотный отклик | - |
9 | Рабочая среда | Условия испытаний |
10 | Долгосрочная стабильность считывания | - |
11 | Температурный коэффициент линейного расширения | - |
12 | Соответствующие стандарты | - |
13 | Ссылка на серию ИСО 230 | ИСО 230-1:2012, 10.3.2.4 |
14 | Погрешность измерения | См. таблицу D.3. Пример - |
15 | Замечания | Является оптическим датчиком |
16 | Пример рисунков | См. рисунок 32 |

1 | Наименование инструмента | Индексная таблица с линейкой |
2 | Описание | - |
3 | Примерный размер и вес | 200 x 200 x 60 мм; 3 кг |
4 | Примерный диапазон измерения | 360° |
5 | Примерный MPE или линейность | 0,4" |
6 | Примерное разрешение | 2° (180 деление) |
7 | Пример повторяемости | 0,2" |
8 | Частотный отклик | - |
9 | Измерение силы или нагрузки | - |
10 | Рабочая среда | Условия испытаний |
11 | Долгосрочная стабильность считывания | - |
12 | Температурный коэффициент линейного расширения, мкм/(м·°C) | - |
13 | Соответствующие стандарты | - |
14 | Ссылка на серию ИСО 230 | ИСО 230-1:2012, рисунок 65 |
15 | Погрешность измерения | См. таблицу D.3. Пример - |
16 | Пример рисунков | См.рисунок 33 |

1 | Наименование инструмента | Трехплоскостной лазер непрерывного качания с двумя одноосными мишенями |
2 | Описание | Непрерывно растягивающиеся лазерные плоскости создаются путем изгиба лазерного луча точно на 90° с использованием оптической пентапризмы. Лазерные плоскости ортогональны друг другу и, таким образом, могут использоваться в качестве эталона для измерения прямоугольности между поверхностями или осями станка. Лазерная плоскость выставляется параллельно поверхности или линии движения путем регулировки шага, крена или перемещения лазерного основания, пока цель не покажет одинаковые показания в каждой контрольной точке. Затем цели используют для измерения отклонения от контрольных точек на расстоянии до 30 м от лазера. Два точных уровня позволяют определить параллельность горизонтальной плоскости или гравитации. Та же система может применяться для измерения прямолинейности и плоскостности |
3 | Примерный размер и вес лазерного излучателя | Габаритные размеры: 280 x 220 x 220 мм; вес: 4,5 кг |
4 | Примерный размер и вес датчиков цели | 60 x 110 x 50 мм; вес: 400 г |
5 | Примерный диапазон измерения | 30 м в каждом направлении |
6 | Примерная прямолинейность луча | 0,001 мм/м +/- 0,002; 5 мм/м для воздушного шума |
7 | Примерная плоскостность плоскости лазера | 0,25" или 0,001 мм/м + максимальная погрешность перехода 0,001; 3 мм при развертке 90° |
8 | Примерная прямоугольность лазерной плоскости | Верхняя плоскость лазера к боковой плоскости лазера: прямоугольность 0,005 мм/м |
9 | Примерное разрешение целей и MPE | Диапазон ячеек 5 мм; разрешение: 0,00025 мм; MPE: 0,0015 мм. Диапазон ячеек 24 мм; разрешение: 0,0005 мм; MPE: 0,0035 мм |
10 | Рекомендуемая система считывания | Отображение нескольких осей на основе дисплея с беспроводным подключением к датчикам или беспроводным интерфейсом к ПК для сбора и хранения данных для дальнейшего анализа и составления отчетов |
11 | Рабочая среда | Условия испытаний. На производительность лазерной системы влияет турбулентность в атмосфере, поэтому крайне важно использовать как вентиляторы для смешивания воздуха, так и электронную фильтрацию шума, когда требуется максимальный MPE системы |
12 | Соответствующие стандарты | - |
13 | Ссылка на серию ИСО 230 | ИСО 230-1:2012, 12.2.5.3 |
14 | Погрешность измерения | См. таблицу D.5. Пример - Типичное значение для неопределенности U = 5 мкм на 3 м пути [U (k = 2)] |
15 | Замечания | Трехплоскостность допускается собирать без изменения положения инструмента и изменения контрольных точек. Является оптическим датчиком |
16 | Пример рисунков | См. рисунок 34 |


1 | Наименование инструмента | Развернутый оптический угольник |
2 | Описание | Развернутый оптический угольник используют совместно с юстировочным телескопом и тремя базовыми целями, чтобы установить опорную плоскость, которая позволяет проверять плоскостность поверхности (см. рисунок 35). Телескоп установлен в раме, в которой установлен вращающийся оптический блок с пятиугольной призмой. Рамка содержит регулируемые опоры, чтобы приблизить плоскость, пройденную инструментом, к центру опорных целей. Цели сфокусированы, как описано в 8.4, а микрометрический циферблат на вращающемся оптическом блоке измеряет вертикальное смещение целей относительно поперечных проводов |
3 | Примерный размер | 600 x 300 x 300 мм |
4 | Примерный диапазон измерения | До 10 м |
5 | Примерный MPE или линейность | 5 мкм/2 м |
6 | Примерное разрешение | 0,002 мм |
7 | Примерная повторяемость | Зависит от обстоятельств |
8 | Частотный отклик | - |
9 | Измерение силы или нагрузки | Бесконтактный |
10 | Рабочая среда | Условия испытаний |
11 | Долгосрочная стабильность считывания | - |
12 | Температурный коэффициент линейного расширения, мкм/(м·°C) | - |
13 | Соответствующие стандарты | - |
14 | Ссылка на серию ИСО 230 | ИСО 230-1:2012, 12.2.5.1 |
15 | Погрешность измерения | См. таблицу D.3. Пример - U = 2 мкм/м2 [U (k = 2)] |
16 | Замечания | Следующие меры предосторожности должны быть приняты в использовании: a) избегайте использования там, где есть изменения температуры, которые могут вызвать чрезмерное преломление; b) убедитесь, что основание магнитного держателя цели чистое; c) убедитесь, что показания микрометрического набора интерпретируются правильно, т.е. положительное не путается с отрицательным. Предложенное правило соглашения - принцип LURD [см. рисунок 29b)]; d) убедитесь, что настройки фокуса четкие; e) по возможности, убедитесь, что инструменты установлены жестко. Является оптическим датчиком |
17 | Пример рисунков | См. рисунок 35 |

1 | Наименование инструмента | Лазерный интерферометр с плоскостным оптическим приспособлением |
2 | Описание | Угловой интерферометр прикреплен к поворотному зеркалу, а угловой отражатель прикреплен к верхней части выбранной плоскости плоскостности. Угловой интерферометр размещен на пути между лазерной головкой и угловым отражателем. Лазерный луч разделяется на два с помощью светоделителя внутри углового интерферометра. Одна часть луча (измерительный луч A1) проходит прямо через интерферометр и отражается одним из сдвоенных отражателей углового отражателя обратно через интерферометр в лазерную головку. Другой луч (измерительный луч A2) проходит через перископную часть углового интерферометра ко второму отражателю, откуда он возвращается через интерферометр и в лазерную головку. |
Угловое измерение получают путем сравнения разности путей между лучами A1 и A2 (т.е. измерение не зависит от расстояния между лазером и интерферометром). Величина плоскостности, отображаемая программным обеспечением, представляет собой инкрементную высоту между передней и задней опорами плоской пластины, на которой установлен угловой отражатель. Эта инкрементная высота вычисляется из углового измерения и известного расстояния между центрами передней и задней опор плоской пластины. Это расстояние, называемое расстоянием между опорами, вводится в программу калибровки до начала измерения. Для каждой линии измерения угловой интерферометр (установленный на поворотном зеркале) остается неподвижным, в то время как отражатель (установленный на плоскости плоскостности) движется вдоль линии с шагом, определяемым расстоянием между сторонами (см. 12.2.5.4) | ||
3 | Примерный размер, мм | 70 x 40 x 40 мм; 70 x 40 x 40 мм (только оптический блок) |
4 | Примерный диапазон измерения | От 0 до 15 м, +/- 1,5 мм |
5 | Примерный MPE или линейность | 1,2% полной шкалы |
6 | Примерное разрешение | 0,01 мкм |
7 | Примерная повторяемость | 2" |
8 | Частотный отклик | - |
9 | Рабочая среда | Условия испытаний |
10 | Долгосрочная стабильность считывания | - |
11 | Температурный коэффициент линейного расширения | - |
12 | Соответствующие стандарты | Нет |
13 | Ссылка на серию ИСО 230 | См. 12.2.5.4 |
14 | Погрешность измерения | См. таблицу D.3. Пример - |
15 | Замечания | Является оптическим датчиком |
16 | Пример рисунков | См. рисунок 36 |

1 | Наименование инструмента | Одноплоскостной непрерывный качающийся лазер с одной или тремя одноосными мишенями |
2 | Описание | Непрерывно развернутая лазерная плоскость получается путем изгиба лазерного луча точно на 90° с использованием оптической пентапризмы. Лазерная плоскость является плоской и может использоваться в качестве эталона для измерения плоскостности поверхности станка, как по горизонтали, так и по вертикали. Лазерная плоскость делается параллельной поверхности путем регулировки шага, крена или перемещения лазерного основания, пока цели не отобразят одинаковые показания в каждой контрольной точке. Затем цели используются для измерения отклонения от контрольных точек на расстоянии до 30 м от лазера. Два точных уровня позволяют определить параллельность горизонтальной плоскости. Та же система может применяться для измерения прямолинейности и прямоугольности |
3 | Примерный размер и вес лазерного излучателя | Габаритные размеры: 280 x 220 x 220 мм; вес: 4,5 кг |
4 | Примерный размер и вес датчиков цели | 60 x 110 x 50 мм; вес: 400 г |
5 | Примерный диапазон измерения | Радиус 30 м |
6 | Примерная прямолинейность луча | 0,001 мм/м +/- 0,002; 5 мм/м для воздушного шума |
7 | Примерная плоскостность плоскости лазера | 0,25" или 0,001 мм/м + максимальная погрешность перехода 0,001; 3 мм при развертке 90° |
8 | Примерное разрешение целей и MPE | Диапазон ячеек 5 мм; разрешение: 0,00025 мм; MPE: 0,0015 мм Диапазон ячеек 24 мм; разрешение: 0,0005 мм; MPE: 0,0035 мм |
9 | Рекомендуемая система считывания | Отображение нескольких осей на основе дисплея с беспроводным подключением к датчикам или беспроводным интерфейсом к ПК для сбора и хранения данных для дальнейшего анализа и составления отчетов |
10 | Рабочая среда | Условия испытаний. На производительность лазерной системы влияет турбулентность в атмосфере, поэтому крайне важно использовать как вентиляторы для смешивания воздуха, так и электронную фильтрацию шума, когда требуется максимальный MPE системы |
11 | Соответствующие стандарты | - |
12 | Ссылка на серию ИСО 230 | ИСО 230-1:2012, 12.2.5.3 |
13 | Погрешность измерения | См. таблицу D.5. Пример - Типичное значение для погрешности U = 5 мкм на 3 м пути [U (k = 2)] |
14 | Замечания | Является оптическим датчиком |
15 | Пример рисунков | См. рисунок 37 |

1 | Наименование инструмента | Уровень точности |
2 | Описание | Уровень может быть снабжен микрометрическим винтом или градуированными линиями на трубе, с регулируемым винтом или без него. В первом случае изменения наклона считываются по отклонению микрометра; во втором случае они читаются непосредственно на градуированных линиях трубки. Константа уровня или кажущейся чувствительности n представляет собой изменение наклона, выраженное в миллиметрах на миллиметр (или в секундах дуги), которое приводит к смещению пузырька на одно деление |
3 | Примерный размер и вес | 250 x 50 x 50 мм; 1 кг |
4 | Примерный диапазон измерения | +/- 1° |
5 | MPE или линейность | MPE уровня не должен превышать 0,020 мм/1000 мм (диапазон), и пузырь должен перемещаться по крайней мере на одно деление для изменения угла не более 0,05 мм/1000 мм |
6 | Примерное разрешение | 0,02 мм/м |
7 | Стабильность | 0,01 мм/1000 мм |
8 | Частотный отклик | Менее 2 с |
9 | Измерение силы или нагрузки | - |
10 | Рабочая среда | От 0 °C до 40 °C |
11 | Долгосрочная стабильность считывания | 0,01°/°C |
12 | Температурный коэффициент линейного расширения, мкм/(м·°C) | - |
13 | Соответствующие стандарты | JIS B 7510 |
14 | Ссылка на серию ИСО 230 | ИСО 230-1:2012, 8.4.2.1, 12.1.3.1, 12.2.3.2, 12.2.4, 12.3.2.2.2, 12.3.2.3.2, 12.3.2.8 и 12.3.2.9 |
15 | Погрешность измерения | См. таблицу D.4. Пример - |
16 | Замечания | Плоскостность основания должна соответствовать следующим допускам: - 0,004 мм для L < 250 мм; - 0,006 мм для 250 мм < L < 500 мм. Для уровня, имеющего непрерывное невыпущенное плоское основание, важно, чтобы основание не было выпуклым. Испытания с уровнем следует проводить как можно быстрее, а измерения должны повторяться в обратном направлении, чтобы учесть колебания температуры, которые могут возникнуть между начальными и конечными показаниями. Поскольку их стеклянные трубки подвержены деформации с возрастом, уровни спирта должны регулярно калиброваться. Дата каждой калибровки должна быть указана на листе калибровки уровней |
17 | Пример рисунков | См. рисунок 38 |

1 | Наименование инструмента | Электронный уровень |
2 | Описание | Подвесной маятник с демпфирующим устройством наклоняется в зависимости от силы тяжести. Его угол наклона определяют датчиком линейного перемещения или датчиком угла |
3 | Примерный размер | 100 x 150 x 45 мм |
4 | Примерный диапазон измерения | +/- 19,99 мм/м или 1,999 мм/м |
5 | Примерный MPE или линейность | 20% считывания |
6 | Примерное снижение (исправление) MPE в определенных точках | - |
7 | Примерное разрешение | 0,01 мм/м или 0,001 мм/м |
8 | Примерная повторяемость | 0,001 мм/м |
9 | Частотный отклик | Менее 2 с |
10 | Измерение силы или нагрузки | - |
11 | Рабочая среда | От 0 °C до 40 °C |
12 | Долгосрочная стабильность считывания | 0,01°/°C |
13 | Температурный коэффициент линейного расширения, мкм/(м·°C) | 11 |
14 | Соответствующие стандарты | - |
15 | Ссылка на серию ИСО 230 | См. ИСО 230-1:2012, 8.1 |
16 | Погрешность измерения | См. таблицу D.4. Пример - |
17 | Замечания | Электронные уровни по сравнению с точными уровнями более чувствительны, быстрее реагируют и могут быть подключены к автоматическим устройствам построения графиков, на которые сильно влияет температура тела человека. Важно, чтобы увеличение периодически калибровалось с использованием синусоиды, чтобы наклонить ее на известный угол. На некоторые электронные уровни отрицательно влияет магнитная сила, например магнитные патроны или магнитные индикаторы. Следует убедиться, что поверхность под углом 90° к направлению измерения находится на уровне, соответствующем спецификации изготовителя прибора. При проверке абсолютного уровня необходимо сделать два показания уровня, второе из которых проводится после поворота уровня на 180°. Два значения должны быть алгебраически сложены и разделены на два, чтобы обеспечить среднее значение. При проведении топографической съемки важно знать расстояние в футах L между серединой опорных точек и снимать показания, перемещая уровень и его опору с шагом L между каждым показанием, гарантируя, что задняя нога занимает ту же точку, которую ведущая нога занимала во время предыдущего считывания |
18 | Пример рисунков | См. рисунок 39 |


1 | Наименование инструмента | Инклинометр |
2 | Описание | Подвесной маятник с демпфирующим устройством наклоняется в зависимости от силы тяжести. Его угол наклона измеряют с помощью решетки или датчика угла до 45° |
3 | Примерный размер и вес | 100 x 75 x 30 мм; 0,5 кг |
4 | Примерный диапазон измерения | +/- 45° |
5 | Примерный MPE или линейность | 2' |
6 | Примерное разрешение | 0,02 мм/м |
7 | Стабильность | - |
8 | Частотный отклик | Менее 2 с |
9 | Измерение силы или нагрузки | - |
10 | Рабочая среда | От 0 °C до 40 °C |
11 | Долгосрочная стабильность считывания | 0,01°/°C |
12 | Температурный коэффициент линейного расширения, мкм/(м·°C) | 11 |
13 | Соответствующие стандарты | - |
14 | Ссылка на серию ИСО 230 | См. ИСО 230-1:2012, 8.1 |
15 | Погрешность измерения | См. таблицу D.4. Пример - |
16 | Замечания | - |
17 | Пример рисунков | - |
1 | Наименование инструмента | Автоколлиматор |
2 | Описание | Целевые провода занимают место источника света, и они освещаются лампой и конденсатором сбоку, а свет отражается вдоль оптической оси прозрачным отражателем. Параллельный луч попадает в зеркало, наклон которого должен быть измерен. Отраженный параллельный луч затем фокусируется на сетке окуляра, чтобы получить изображение целевой сетки. Поворот зеркала-мишени (установленного на движущемся компоненте) вокруг горизонтальной оси, ортогональной к оптической оси, влечет за собой вертикальное смещение изображения сетки в фокальной плоскости. Измерение этого смещения с помощью окулярного микрометра позволяет определить угловое отклонение зеркала. Примечание - Фотоэлектрический автоколлиматор и лазерный автоколлиматор имеют одинаковый принцип. Считывающее устройство отличается от ручного автоколлиматора |
3 | Примерный размер и вес | Диаметр 60 мм x длина 420 мм; 5 кг |
4 | Примерный диапазон измерения | 9 м |
5 | Примерный MPE или линейность | Барабан микрометра градуируется за полсекунды, и с хорошей отражающей поверхностью можно получить повторные показания с точностью до 1/4 секунды дуги |
6 | Примерное разрешение | 0,1" |
7 | Примерная повторяемость | - |
8 | Частотный отклик | - |
9 | Измерение силы или нагрузки | Нет |
10 | Рабочая среда | Условия испытаний |
11 | Долгосрочная стабильность считывания | - |
12 | Температурный коэффициент линейного расширения, мкм/(м·°C) | - |
13 | Соответствующие стандарты | JIS B 7538 |
14 | Ссылка на серию ИСО 230 | ИСО 230-1:2012, 8.4.2.2, 9.2.1.1 и 12.1.3.2 |
15 | Погрешность измерения | См. таблицу D.4. Пример - |
16 | Замечания | Во время измерений автоколлиматорный телескоп должен быть выполнен заодно с опорным элементом на проверяемой линии и должен быть установлен на устойчивой жесткой опоре. Зеркало установлено на измеряемой линии. Любое отклонение машины должно быть отмечено. Важно избегать вибраций или быстрых изменений температуры. Является оптическим датчиком |
17 | Пример рисунков | См. рисунок 40 |


1 | Наименование инструмента | Фотоэлектрический автоколлиматор |
2 | Описание | В автоколлиматоре задействованы электрические устройства, которые могут определять положение изображения проводов (см. рисунок 40b). Благодаря высокой чувствительности и широкому диапазону возможностей одновременные изменения угла по оси X и Y также могут быть считаны с помощью одной настройки |
3 | Примерный размер и вес | Диаметр 60 мм x длина 500 мм; 5 кг |
4 | Типичный диапазон измерения | +/- 20" |
5 | Типичный MPE или линейность | От 0,1% до 0,05% полной шкалы |
6 | Разрешение | От 0,1 до 0,01" |
7 | Стабильность | Зависит от условий окружающей среды |
8 | Частотный отклик | 30 Гц (при 0"); 1000 Гц (при 1') |
9 | Измерение силы или нагрузки | - |
10 | Рабочая среда | Условия испытаний |
11 | Долгосрочная стабильность считывания | 0,2'/м для градиента 1 °C |
12 | Температурный коэффициент линейного расширения, мкм/(м·°C) | - |
13 | Соответствующие стандарты | JIS B 7538 |
14 | Ссылка на серию ИСО 230 | ИСО 230-1:2012, 8.4.2.2, 9.2.1.1 и 12.1.3.2 |
15 | Погрешность измерения | См. таблицу D.4. Пример - |
16 | Замечания | Является оптическим датчиком |
17 | Пример рисунков | См. рисунок 41 |

1 | Наименование инструмента | Лазерные автоколлиматоры |
2 | Описание | См. 11.3.2 |
1 | Наименование инструмента | Лазерный интерферометр с прибором для измерения угла |
2 | Описание | Для измерения углов необходимо вращение одного оптического компонента (углового отражателя) относительно другого (углового интерферометра). Это вызывает изменение разности путей между двумя измерительными лучами, как описано ниже. Это изменение в разности пути определяется схемой счета полос в лазере и преобразуется программным обеспечением в угловое измерение или угловую погрешность. Угловой интерферометр размещен на пути луча между лазерной головкой и угловым отражателем. Сторона углового интерферометра с двумя оптическими гранями обращена от лазерной головки в сторону отражателя. Для измерений шага по горизонтальной оси оба оптических компонента установлены вертикально; для измерений перемещения они оба установлены горизонтально. Лазерный луч разделяется на две части с помощью светоделителя, содержащегося в угловом интерферометре. Одна часть луча проходит прямо через интерферометр и отражается от половины углового отражателя обратно к лазерной головке. Другой луч проходит через перископ углового интерферометра к другой половине углового отражателя, который возвращает его через интерферометр к лазерной головке. |
Угловые измерения достигаются путем сравнения разности траекторий между лучами (т.е. измерение не зависит ни от расстояния между лазером и угловым интерферометром, ни от расстояния между угловым интерферометром и угловым отражателем) | ||
3 | Типичный размер и вес | 70 x 70 x 40 мм; 200 г, отражающая и интерферометрическая оптика |
4 | Примерный диапазон измерения | От 0 до 15 м; +/- 175 мм/м |
5 | Примерный MPE или линейность | 1,2% полной шкалы |
6 | Примерное разрешение | 0,01" |
7 | Примерная повторяемость | - |
8 | Частотный отклик | - |
9 | Измерение силы или нагрузки | - |
10 | Рабочая среда | Условия испытаний |
11 | Долгосрочная стабильность считывания | - |
12 | Температурный коэффициент линейного расширения, мкм/(м·°C) | - |
13 | Соответствующие стандарты | - |
14 | Ссылка на серию ИСО 230 | ИСО 230-1:2012, 8.4.2.3, 12.1.3.3 и 12.2.5.4 |
15 | Погрешность измерения | См. таблицу D.4. Пример - |
16 | Замечания | Коррекция воздействий окружающей среды имеет небольшое значение. Изменение условий все равно необходимо учитывать. Угол наклона, отличный от цели измерения, может повлиять на погрешность измерения. Является оптическим датчиком |
17 | Пример рисунков | См. рисунок 42 |

1 | Наименование инструмента | Справочная таблица индексации (механический многоугольник) |
2 | Описание | - |
3 | Типичный размер и вес | 130 x 130 x 30 мм; 0,6 кг |
4 | Диапазон измерения | 360° |
5 | MPE или линейность | От 0,5' до 2" |
6 | Примерное снижение (исправление) MPE в определенных точках | - |
7 | Примерное разрешение или шаг | 360/12; 360/8; 360/4 |
8 | Примерная повторяемость | 0,1" |
9 | Частотный отклик | - |
10 | Материалы | Сталь |
11 | Рабочая среда | Условия испытаний |
12 | Долгосрочная стабильность считывания | - |
13 | Температурный коэффициент линейного расширения, мкм/(м·°C) | Равный стали |
14 | Соответствующие стандарты | - |
15 | Ссылка на серию ИСО 230 | ИСО 230-1:2012, 9.2.1.1 и 10.3.2.3 |
16 | Погрешность измерения | См. таблицу D.4. Пример - |
17 | Замечания | Настройка эффекта угла наклона - см. [26] |
18 | Пример рисунков | См. рисунок 43 |

1 | Наименование инструмента | Оптический полигон |
2 | Описание | - |
3 | Примерный размер и вес | 130 x 130 x 30 мм; 0,2 кг Площадь отражающей поверхности: 30 x 20 мм |
4 | Диапазон измерения | 360° |
5 | MPE или линейность (рекомендуется) | 2" (в зависимости от автоколлиматора) |
6 | Примерное снижение (исправление) MPE в определенных точках | 0,2" |
7 | Примерное разрешение или шаг | 360/12; 360/8; 360/4 |
8 | Примерная повторяемость | Зависит от автоколлиматора |
9 | Частотный отклик | - |
10 | Материалы | Корона, кварцевое стекло |
11 | Рабочая среда | (20 +/- 5) °C |
12 | Долгосрочная стабильность считывания | - |
13 | Температурный коэффициент линейного расширения, мкм/(м·°C) | Равен стеклянным материалам |
14 | Соответствующие стандарты | JIS B7432 |
15 | Ссылка на серию ИСО 230 | ИСО 230-1:2012, 9.2.1.1 и ИСО 230-2 |
16 | Погрешность измерения | См. таблицу D.4. Пример - |
17 | Замечания | Является оптическим датчиком |
18 | Пример рисунков | См. рисунок 44 |

1 | Наименование инструмента | Лазерное индексированное устройство |
2 | Описание | - |
3 | Примерный размер | 180 x 140 x 65 мм |
4 | Диапазон измерения | 360°, +/- 10° |
5 | Примерный MPE или линейность (рекомендуется) | 2" |
6 | Примерное разрешение | 0,01" |
7 | Примерная повторяемость | 0,2" |
8 | Частотный отклик | - |
9 | Измерение силы или нагрузки | Нормальная нагрузка: 5 кг |
10 | Рабочая среда | Условия испытаний |
11 | Долгосрочная стабильность считывания | - |
12 | Температурный коэффициент линейного расширения, мкм/(м·°C) | Равный стали |
13 | Соответствующие стандарты | - |
14 | Ссылка на серию ИСО 230 | ИСО 230-1:2012, 9.2.1.2 |
15 | Погрешность измерения | См. таблицу D.4. Пример - |
16 | Замечания | Моторизованный указатель. Управляется ПК. Является оптическим датчиком |
17 | Пример рисунков | См. рисунок 45 |

1 | Наименование инструмента | Поворотный энкодер |
2 | Описание | - |
3 | Примерный размер и вес | Диаметр 150 мм x высота 50 мм |
4 | Диапазон измерения | 360° |
5 | Примерный MPE или линейность | 1" |
6 | Пример снижения (исправления) MPE в определенных точках, мкм | - |
7 | Примерное разрешение | От 0,1' до 10" |
8 | Стабильность | 0,2" |
9 | Примерная частотная характеристика | 100 кГц при выходном сигнале интерфейса |
10 | Измерение силы или нагрузки | - |
11 | Рабочая среда | Условия испытаний |
12 | Долгосрочная стабильность считывания | - |
13 | Температурный коэффициент линейного расширения, мкм/(м·°C) | - |
14 | Соответствующие стандарты | - |
15 | Ссылка на серию ИСО 230 | ИСО 230-1:2012, 9.2.1.3 |
16 | Погрешность измерения | См. таблицу D.4. Пример - |
17 | Замечания | Для проверки точности зубофрезерного станка допускается использовать два поворотных датчика с системой обработки данных. Является оптическим датчиком |
18 | Пример рисунков | См. рисунок 46 |

1 | Наименование инструмента | Телескопическая шаровая штанга широкого диапазона |
2 | Описание | Телескопическая штанга, интегрированная с датчиком линейного перемещения и имеющая шарик на каждом конце, прикреплена к стойке станка и стороне заготовки. Относительные смещения между шариками непрерывно измеряются, записываются и наносятся на график. Прибор допускается применять для измерения кругового отклонения и прямоугольности между двумя прямыми движениями |
3 | Примерный размер и вес | Номинальная длина от 100 до 300 мм |
4 | Примерный диапазон измерения | 1,6 мм |
5 | Примерный MPE или линейность | 1,6 мкм полной шкалы |
6 | Примерное разрешение | 0,1 мкм |
7 | Стабильность | - |
8 | Частотный отклик | 300 образцов/с |
9 | Измерение силы или нагрузки | - |
10 | Рабочая среда | От 0 °C до 50 °C |
11 | Долгосрочная стабильность считывания | 10000 оборотов при нормальном использовании |
12 | Температурный коэффициент линейного расширения, мкм/(м·°C) | (0 +/- 0,03) частей на миллион/°C |
13 | Соответствующие стандарты | - |
14 | Ссылка на серию ИСО 230 | ИСО 230-1:2012, 11.2.4.1.3, 11.2.5.2 и ИСО 230-4 |
15 | Погрешность измерения | См. таблицу D.5. Пример - |
16 | Замечания | При измерении частичной дуги может быть важен процесс центрирования. Специальное центрирующее устройство [см. рисунок 47b)] может быть полезным. Метод реверса (вращение магнитного гнезда для изменения положения контакта) может быть полезен для проверки точности поверхности контакта |
17 | Пример рисунков | См. рисунок 47 |


1 | Наименование инструмента | Шариковая штанга с телескопической стрелой |
2 | Описание | Телескопическая штанга, интегрированная с датчиком линейного перемещения и имеющая шарик на каждом конце, прикрепленная к стороне станка и стороне заготовки. Относительное смещение непрерывно измеряется и регистрируется, как правило, с помощью интерферометра. Прибор подходит для косвенного измерения линейной и круговой оси на основе мультилатерации, а также для круговых испытаний |
3 | Примерный размер и вес | 40 x 80 x 350 мм; 2 кг |
4 | Примерный диапазон измерения | От 250 до 1000 мм (шарик к шарику) |
5 | Примерный MPE или линейность | 1 мкм полной шкалы |
6 | Примерное разрешение | 0,01 мкм |
7 | Стабильность | 0,5 мкм |
8 | Частотный отклик | 1000 образцов/с |
9 | Измерение силы или нагрузки | < 1 Нм (с реверсивным движением) |
10 | Рабочая среда | От 10 °C до 40 °C |
11 | Долгосрочная стабильность считывания | - |
12 | Температурный коэффициент линейного расширения, мкм/(м·°C) | |
13 | Соответствующие стандарты | - |
14 | Ссылка на серию ИСО 230 | ИСО 230-1:2012, 11.7.5 и ИСО 230-4 |
15 | Погрешность измерения | См. таблицу D.5. |
16 | Замечания | Механическая повторяемость магнитных чашек имеет решающее значение |
17 | Пример рисунков | См. рисунок 48 |

1 | Наименование инструмента | Абсолютный волоконный интерферометр |
2 | Описание | Интерферометр с абсолютной измерительной способностью. Луч может восстановить абсолютное расстояние после прерывания. Технология основана, например, на частотных сканирующих лазерах с пассивными оптическими сенсорными головками. Системы обычно способны управлять несколькими датчиками. Измерение выполняется с интервалами. Возможность реального времени не предоставляется |
3 | Примерный размер и вес | Инструмент: 800 x 400 x 600 мм; 25 кг Датчик: диаметр 8 мм, длина 25 мм, вес 20 г |
4 | Примерный диапазон измерения | От 0,02 до 30 м |
5 | Примерный MPE или линейность | 0,5 мкм/м |
6 | Примерное разрешение | 0,1 мкм |
7 | Стабильность | 0,2 мкм/м |
8 | Частотный отклик | До 2000000 образцов/с |
9 | Измерение силы или нагрузки | 0 |
10 | Рабочая среда | От 10 °C до 40 °C |
11 | Долгосрочная стабильность считывания | - |
12 | Температурный коэффициент линейного расширения, мкм/(м·°C) | См. лазерный интерферометр (7.2.1) |
13 | Соответствующие стандарты | - |
14 | Ссылка на серию ИСО 230 | - |
15 | Погрешность измерения | См. таблицу D.5 (интерферометр) |
16 | Замечания | Возможна большая длина волокна, особенно подходящая для мониторинга деформации и регулярной геометрической проверки. Является оптическим датчиком |
17 | Пример рисунков | См. рисунок 49 |

1 | Наименование инструмента | Двумерная цифровая шкала |
2 | Описание | Кодировщик контрольной сетки расположен на стороне заготовки станка, а детекторы двумерной шкалы прикреплены на стороне инструмента. Относительное движение между ними непрерывно записывается и наносится на график |
3 | Примерный размер и вес | Максимальные номинальные диаметры: 320 мм |
4 | Примерный диапазон измерения | 300 мм |
5 | Примерный MPE или линейность | 2 мкм |
6 | Разрешение | От 0,004 до 0,1 мкм |
7 | Стабильность | - |
8 | Частотный отклик | 2000 образцов/с |
9 | Измерение силы или нагрузки | Бесконтактный |
10 | Рабочая среда | От 0 °C до 50 °C |
11 | Долгосрочная стабильность считывания | Зависит от термостойкости |
12 | Температурный коэффициент линейного расширения, мкм/(м·°C) | (8 +/- 0,03) частей на миллион/°C |
13 | Соответствующие стандарты | - |
14 | Ссылка на серию ИСО 230 | ИСО 230-1:2012, 11.2.4.1.4 |
15 | Погрешность измерения | См. таблицу D.5. Пример - |
16 | Замечания | Устройство допускается применять для измерения прямолинейности и прямоугольности. Является оптическим датчиком |
17 | Пример рисунков | См. рисунок 50 |

1 | Наименование инструмента | Отслеживающий интерферометр |
2 | Описание | Интерферометр с сервоприводами, которые автоматически направляют измерительный луч на отражатель, установленный на шпинделе. Относительные смещения регистрируются интерферометром. Прибор подходит для косвенного измерения линейной и круговой оси на основе мультилатерации, а также для круговых испытаний |
3 | Примерный размер и вес | Отслеживающий интерферометр: 200 x 200 x 200 мм; 10 кг Отражатель: диаметр от 20 до 40 мм; от 60 до 300 г |
4 | Примерный диапазон измерения | От 0,2 до 20 м |
5 | Примерный MPE или линейность | 0,2 мкм + 0,3 мкм/м |
6 | Примерное разрешение | 0,01 мкм |
7 | Стабильность | 0,1 мкм |
8 | Частотный отклик | 1000 образцов/с |
9 | Измерение силы или нагрузки | 0 |
10 | Рабочая среда | От 10 °C до 40 °C |
11 | Долгосрочная стабильность считывания | - |
12 | Температурный коэффициент линейного расширения, мкм/(м·°C) | См. лазерный интерферометр (7.2.1) |
13 | Соответствующие стандарты | - |
14 | Ссылка на серию ИСО 230 | ИСО 230-1:2012, 11.7.5 и ИСО 230-6 |
15 | Погрешность измерения | См. таблицу D.5. Пример - |
16 | Замечания | Используется также для координатно-измерительных машин. Является оптическим датчиком |
17 | Пример рисунков | См. рисунок 51 |

1 | Наименование инструмента | 3D-головка зонда для шаров, тип контакта |
2 | Описание | Головка зонда содержит три ортогональных датчика, которые одновременно определяют положение X, Y и Z прецизионной сферы |
3 | Размер | Длина: 56 мм, диаметр: 75 мм |
4 | Вес | 375 г |
5 | Диапазон измерения | 1 мм по X, Y и Z |
6 | Частота дискретизации | 6,5 кГц (X, Y и Z) |
7 | Разрешение | 0,1 мкм |
8 | Монтажный диаметр вала | 16 мм |
9 | Длина кабеля (зонд - интерфейсный блок) | 5 м |
10 | Пропускная способность | 150 Гц (актуально для динамического R-теста) |
11 | Рабочая среда | От 15 °C до 30 °C; условия испытаний |
12 | Соответствующие стандарты | - |
13 | Ссылка на серию ИСО 230 | ИСО 230-2, ИСО 230-10:2016, 6.8, 6.9 и 6.10 |
14 | Погрешность измерения | См. таблицу D.5. Пример - Значение для погрешности U = 1,2 мкм [U (k = 2)]: - отклонение от округлости контрольного шарика < 0,6 мкм (класс 10 или выше); - изменение диаметра < 2,5 мкм |
15 | Замечания/приложения | Головка зонда используется в сочетании с: a) один испытуемый шарик; b) шариковая балка/шариковая пластина (т.е. прибор с шариками). Одиночный испытуемый шарик используют для R-теста (круговые оси). R-тест позволяет определить погрешности распределения и отклонения от прямоугольности круговых осей, а также динамические погрешности движения оси R (то есть радиальные, тангенциальные и осевые погрешности движения). Измерения допускается выполнять статически и/или динамически. 1D шариковую матрицу или шариковую балку используют для измерения линейных осей станка. Это позволяет одновременно определять позиционирование и обе ошибки прямолинейности линейной оси. 2D шариковые матрицы (т.е. шариковые пластины) также допускается использовать в сочетании с этой головкой 3D-зонда |
16 | Пример рисунков | См. рисунок 52 |

1 | Наименование инструмента | 3D-головка зонда для шаров, бесконтактного типа |
2 | Описание | Головка зонда содержит три ортогональных датчика, которые одновременно определяют положение X, Y и Z прецизионной сферы без какого-либо контакта |
3 | Размер | Длина: 130 мм, диаметр: 80 мм |
4 | Вес | 770 г |
5 | Диапазон измерения | 3,5 мм в X, Y и Z |
6 | Частота дискретизации | 2 кГц (X, Y и Z) |
7 | Разрешение | 0,2 мкм |
8 | Монтажный диаметр вала | 16 мм |
9 | Передача данных | USB-приемник данных (2,4 ГГц, WPA2-защита) |
10 | Рабочая среда | От 18 °C до 30 °C; условия испытаний |
11 | Соответствующие стандарты | - |
12 | Ссылка на серию ИСО 230 | ИСО 230-2, ИСО 230-10:2016, 6.8, 6.9 и 6.10 |
13 | Погрешность измерения | См. таблицу D.5. Пример - Значение для погрешности U = 1,0 мкм [U (k = 2)] для X, Y и Z положения центра сферы. Для использования с точным шариком класса 25 или выше: - справочное отклонение от округлости шара < 0,6 мкм; - изменение диаметра < 2,5 мкм |
14 | Замечания/приложения | Головку зонда используют в сочетании с прецизионной сферой. Эталонный шар. Шариковая балка/шариковая пластина (т.е. прибор с шариками). Эталонный шар используют для R-теста (круговые оси). R-тест позволяет определить погрешность распределения и отклонения от прямоугольности круговых осей, а также динамические погрешности движения оси R (т.е. радиальные, тангенциальные и осевые погрешности движения). Измерения допускается выполнять статически и/или динамически. 1D шариковая матрица или шариковая балка используется для измерения линейных осей станка. Это позволяет одновременно определять позиционирование и обе погрешности прямолинейности линейной оси. 2D шариковые матрицы (т.е. шариковая пластина) также допускается использоваться в сочетании с этой 3D измерительной головкой зонда |
15 | Пример рисунков | См. рисунок 53 |

1 | Наименование инструмента | Оборудование для проверки погрешности шпинделя |
2 | Тип | Одновременное измерение относительного расположения оси вращения шпинделя на 3° или 5° свободы. Измерение динамических погрешностей, включая: синхронную, асинхронную, общую погрешность в радиальных направлениях X и Y, осевых направлениях Z и наклона X и Y. Измеряют смещение оси, вызванное изменением условий эксплуатации (температура, гидравлическое или воздушное давление, режим регулятора и центробежные силы, меняющие углы контакта подшипников). Три или пять бесконтактных емкостных датчиков смещения устанавливают в гнезде жесткого зонда и обнаруживают внешнюю поверхность основного прибора, который вращается с рабочими скоростями |
3 | Описание | Зонды устанавливают на стол обрабатывающего центра, а главный прибор устанавливают в шпиндель. Программное обеспечение прибора собирает данные с высокой частотой дискретизации (до 1 миллиона выборок в секунду), данные анализируются, чтобы обеспечить синхронные, асинхронные и суммарные погрешности движения, а также сдвиги, вызванные изменениями условий работы |
4 | Размер | Размер датчика варьируется от 3 до 8 мм в диаметре; гнезда для зондов варьируются от 35 мм куба - для зонда 3 мм до 100 x 100 x 200 мм - для зондов диаметром 8 мм. Устройства варьируются от диаметра 3 мм для небольших высокоскоростных шпинделей до хвостовика диаметром 20 мм с сферическими поверхностями диаметром 25,4 мм для станков стандартного размера |
5 | Вес | 1 кг для самых маленьких приборов до 10 кг для самых больших |
6 | Диапазон измерения | Для стандартных станков используют диапазон 250 мкм. Для высокоточных станков (пневматические или масляные гидростатические шпиндели) допускается использовать диапазон от 50 до 10 мкм |
7 | Разрешение | 5 нм при полосе 15 кГц для стандартных станков. 0,6 нм при полосе пропускания 50 кГц для высокоскоростных или высокоточных шпинделей |
8 | MPE | Зависит от обстоятельств. Сам датчик см. в 7.3.2.1 |
9 | Частотный отклик (пропускная способность) | Для типичных измерений шпинделя достаточно 15 кГц. Для высокоскоростных шпинделей или там, где требуется высокочастотный анализ, также доступна частота 50 кГц. Требуемая полоса пропускания зависит от количества волнистостей на оборот, которые необходимо разрешить, и диапазона скоростей шпинделя. Для большинства станков полоса пропускания 10 кГц приемлема для скоростей вращения до 6000 об/мин. Такой датчик смещения способен обнаруживать до 50 волн на оборот на этой скорости. Во многих случаях такое большое количество волнообразных колебаний не ожидается в шпинделе станка, поэтому более высокие скорости шпинделя могут быть достигнуты с использованием датчиков с полосой пропускания 10 кГц. В целом, для более высоких скоростей шпинделя и большего числа волнистостей может потребоваться пропорционально более высокая пропускная способность (см. ИСО 230-7:2015, приложение H). Количество точек измерения см. в 4.2.4.18 |
10 | Измерение сила | Бесконтактные датчики не оказывают никакого влияния на вращающийся прибор |
11 | Сопряжение | Гнездо датчика устанавливается на столе обрабатывающего центра или в револьверной головке токарного центра. Главный прибор монтируется в шпинделе с помощью цанги диаметром 20 мм (или размера цанги, подходящего для выбранного прибора). Емкостные датчики подключены к ПК. Сигналы анализируются и отображаются в формате, совместимом с ИСО 230-7 |
12 | Интервал калибровки | 1 год |
13 | Ссылка на серию ИСО 230 | ИСО 230-7, ИСО 230-3 |
14 | Пример рисунков | См. рисунок 54 |
15 | Приложения | Обрабатывающие центры, токарные центры, шлифовальные станки, оси вращения |
16 | Замечание | Допускается также использовать для диагностики проблем температуры и вибрации окружающей среды, структурных движений и вибрации, а также частоты дефектов подшипников шпинделя |


1 | Наименование инструмента | Устройство для измерения угла поворота |
2 | Описание | Прибор состоит из поворотного энкодера и электрического уровня, который может определять наклон. Когда инструмент установлен на поворотный стол с горизонтальной осью и наклонен, значения наклона измеряются автоматически |
3 | Примерный размер и вес | 165 x 150 x 150 мм; 3,7 кг (головка) |
4 | Примерный диапазон измерения | 800° +/- 400° |
5 | Примерный MPE или линейность | 2" для поворотного стола, 4" для поворотного стола |
6 | Разрешение | 0,03" |
7 | Стабильность | - |
8 | Частотный отклик | Довольно медленно |
9 | Измерение силы или нагрузки | Бесконтактный |
10 | Рабочая среда | От 0 °C до 30 °C |
11 | Долгосрочная стабильность считывания | Зависит от термостойкости |
12 | Эквивалентный коэффициент теплового расширения | - |
13 | Соответствующие стандарты | - |
14 | Ссылка на серию ИСО 230 | ИСО 230-1, ИСО 230-2 |
15 | Погрешность измерения | См. таблицу D.5. Пример - |
16 | Замечания | Используют также для координатно-измерительных машин. Является оптическим датчиком |
17 | Пример рисунков | См. рисунок 55 |





Устройство | Основные параметры |
Для a) | Погрешность калибровки измерительного блока. Выравнивание измерительного блока. Жесткость крепежа. Типичная погрешность калибровки: U = 2 мкм/100 мкм [U (k = 2)] диапазон считывания с микрометрической головкой 0,5 мкм с контрольным датчиком скольжения |
Для b) | Точность контрольной головки микрометра. Жесткость удерживающей рамы. Выравнивание микрометрической головки. Типичная погрешность калибровки: U = 2 мкм/100 мкм [U (k = 2)] диапазон считывания с микрометрической головкой 0,5 мкм с контрольным датчиком скольжения |
Для c) | Соответствующие требования погрешности калибровки. Качество поверхности клина, прямолинейность поверхности, точность угла клина, микрометр точности головки, жесткость опорной рамы. Типичные значения погрешности калибровки: U = 0,2 мкм в диапазоне 10 мкм [U (k = 2)]. При соотношении клина: 1/10, показания микрометрической головки - 1 мкм |
Для d) | Погрешность калибровки: коэффициент уменьшения, плавность поворота и клиренс. Точность контрольного микрометра. Гладкость направляющего подшипника, выравнивание микрометра. Типичная погрешность калибровки: линейность U = 0,2 мкм/20 мкм [U (k = 2)], повторяемость 0,1 мкм с микролинейной направляющей подшипника |




N | Наименование | ИСО | ANSI (US) | BS (UK) | DIN (DE) | JIS (JP) | NF (FR) | GB (China) | ISIRI (IR) |
1 | Металлическая шкала | 4372 | B7516 | T9056 | |||||
2 | Штангенциркуль | ИСО 13385-1:2011 | 862 ЕН ИСО 13385-1 | B7507 | XP E11-091 | T18311.16 | 16761-1 | ||
3 | Нониус измеритель высоты | ИСО 13225-1:2011 | 1643 | ЕН ИСО 13225-1 | B7517 | T1214.3 | |||
4 | Микрометр | ИСО 3611:2010 | B89.1.13 | 863-1 ЕН ИСО 3611 | B7502 | E11-090/095/09 | T1216 | 6442 | |
5 | Стрелочный индикатор | ИСО 463:2006 | B89.1.10M | 907 | 878 ЕН ИСО 463 | B7503 | ЕН ИСО 463 | T1219 | 9675 |
6 | Рычажный циферблат | ИСО 9493:2010 | B89.1.10M | 2795 | 2270 ЕН ИСО 9433 | B7533 | E11-053 | T8123 | 14526 |
7 | Калибровочный блок | ИСО 3650:1996 | B89.1.9 | 4311 | 861 ЕН ИСО 3650 | B7506 | ЕН ИСО 3650 | T6093 | 2606 |
8 | Электрический компаратор | 1054 | 32876-1 | B7536 | E11-062 | T10036 | |||
9 | Поверхность плиты | ИСО 8512-1:1990; ИСО 8512-2:1990 | B89.3.7 | 817 | 876-1/-2 | B7513 | E11-101 | T7974/7975 | 10137.1/2 |
10 | Прямая линейка | B7514 | |||||||
11 | Площадь | 939 | B7526/7539 | ||||||
12 | Стандартная шкала | 865 | B7541 | ||||||
13 | Цифровая шкала | B7450 | T10030 | ||||||
14 | Уровень точности | B7510 | |||||||
15 | Автоколлиматор | B7538 | |||||||
16 | Проверка стержня | B7545 |

D1. Механические приборы | Контрольная оправка | Контрольный угольник | |||||||||
Окружающая среда | Абсолютная температура | y | y | y | y | y | y | y | y | ||
Температурный градиент/дисперсия | y | y | y | y | y | y | y | y | y | ||
Вибрация/шум | |||||||||||
Влажность | |||||||||||
Загрязнение | y | y | y | y | y | y | y | y | y | y | |
Давление окружающей среды | |||||||||||
Воздушный поток/состав воздуха | |||||||||||
Сила тяжести | y | y | y | y | y | y | y | y | y | ||
Измерительное оборудование | Стабильность | y | y | y | y | y | y | y | y | y | |
Масштаб/качество/разрешение/стабильность | y | y | y | y | y | y | y | y | y | ||
Тепловое расширение/проводимость | y | y | y | y | y | y | y | y | y | ||
Калибровка/неопределенность/время | y | y | y | y | y | y | y | y | y | y | |
Увеличение | |||||||||||
Интерполяция/погрешность/разрешение | |||||||||||
Измерение силы/значение/стабильности | y | y | y | y | y | y | y | ||||
Жесткость/прочность | y | y | y | y | y | y | y | y | y | y | |
Система зондов/система наконечников | |||||||||||
Гистерезис | |||||||||||
Установка и процедура измерения | Косинус и синусоидальные погрешности | y | y | y | y | ||||||
Принцип Аббе | y | y | y | y | |||||||
Система датчиков/жесткость/выравнивание | |||||||||||
Оптическая апертура | |||||||||||
Взаимодействие между стандартом и настройкой | |||||||||||
Разогрев | |||||||||||
Кондиционирование | |||||||||||
Номер/заказ/продолжительность/измерение | y | y | y | y | y | y | y | y | y | y | |
Центровка | y | y | y | y | y | y | y | y | y | y | |
Закрепление | y | y | y | y | y | y | y | y | y | ||
Количество точек измерения | y | y | y | y | y | y | y | y | y | y | |
Стратегия измерения/исследования | |||||||||||
Реверсивное измерение | y | y | y | y | y | y | |||||
Многократное резервирование, разделение погрешностей | |||||||||||
Программное обеспечение и расчеты | Округление/квантификация | ||||||||||
Алгоритмы | |||||||||||
Выборка | |||||||||||
Фильтрация | |||||||||||
Интерполяция/экстраполяция | |||||||||||
D2. Длина и смещение | |||||||||||||
Окружающая среда | Абсолютная температура | y | y | y | y | y | y | y | |||||
Температурный градиент/дисперсия | y | y | y | y | y | y | y | y | |||||
Вибрация/шум | y | y | y | y | y | y | y | y | y | y | |||
Влажность | y | y | |||||||||||
Загрязнение | y | y | y | y | y | y | |||||||
Давление окружающей среды | y | ||||||||||||
Воздушный поток/состав воздуха | y | ||||||||||||
Сила тяжести | y | y | y | ||||||||||
Измерительное оборудование | Стабильность | y | y | y | y | y | y | y | y | y | y | y | |
Масштаб/качество/разрешение/стабильность | y | y | y | y | y | y | y | y | y | y | y | y | |
Тепловое расширение/проводимость | y | y | y | y | y | y | y | y | y | y | y | ||
Калибровка/неопределенность/время | y | y | y | y | y | y | y | y | y | y | y | ||
Увеличение | y | y | y | y | y | y | y | ||||||
Интерполяция/погрешность/разрешение | y | y | y | y | |||||||||
Измерение силы/значение/стабильности | y | y | y | ||||||||||
Жесткость/прочность | y | y | y | y | y | ||||||||
Система зондов/система наконечников | y | y | y | ||||||||||
Гистерезис | y | y | y | ||||||||||
Установка и процедура измерения | Косинус и синусоидальные погрешности | y | y | y | y | y | y | y | y | y | y | y | |
Принцип Аббе | y | y | y | y | y | y | y | y | y | y | y | ||
Система датчиков/жесткость/выравнивание | y | y | y | ||||||||||
Оптическая апертура | y | y | y | ||||||||||
Взаимодействие между стандартом и настройкой | y | y | y | y | y | y | y | y | |||||
Разогрев | y | y | y | y | y | y | y | y | y | ||||
Кондиционирование | y | y | y | y | y | y | |||||||
Номер/заказ/продолжительность/измерение | y | y | y | y | y | y | y | y | y | y | y | y | |
Центровка | y | y | y | y | y | y | y | y | y | y | y | y | |
Закрепление | y | y | y | y | y | y | y | y | y | y | y | y | |
Количество точек измерения | y | y | y | y | y | y | y | y | y | y | y | y | |
Стратегия измерения/исследования | y | y | y | y | y | y | y | y | y | y | |||
Реверсивное измерение | y | y | |||||||||||
Многократное резервирование, разделение погрешностей | |||||||||||||
Программное обеспечение и расчеты | Округление/квантификация | y | y | y | y | y | y | ||||||
Алгоритмы | y | y | y | y | y | y | y | y | y | ||||
Выборка | y | y | y | y | y | ||||||||
Фильтрация | y | y | y | y | y | y | y | y | y | ||||
Интерполяция/экстраполяция | y | y | y | ||||||||||
D3. Зонд, прямолинейность и плоскостность | ||||||||||||||
Окружающая среда | Абсолютная температура | |||||||||||||
Температурный градиент/дисперсия | y | y | y | y | y | y | y | y | y | |||||
Вибрация/шум | y | y | y | y | y | y | y | y | y | y | y | y | y | |
Влажность | ||||||||||||||
Загрязнение | y | y | y | y | y | y | y | y | ||||||
Давление окружающей среды | ||||||||||||||
Воздушный поток/состав воздуха | y | y | y | y | y | y | y | y | ||||||
Сила тяжести | y | y | y | y | y | y | y | |||||||
Измерительное оборудование | Стабильность | y | y | y | y | y | y | y | y | y | y | y | y | y |
Масштаб/качество/разрешение/стабильность | y | |||||||||||||
Тепловое расширение/проводимость | y | y | y | y | y | y | y | |||||||
Калибровка/время/неопределенность | y | y | y | y | y | y | y | y | y | |||||
Увеличение | y | y | y | y | y | y | ||||||||
Интерполяция/погрешность/разрешение | y | y | y | y | y | y | ||||||||
Измерение силы/значение/стабильности | y | y | y | y | y | |||||||||
Жесткость/прочность | y | y | y | y | y | y | y | |||||||
Система зондов/система наконечников | y | y | y | y | y | |||||||||
Гистерезис | y | y | y | y | y | |||||||||
Установка и процедура измерения | Косинус и синусоидальные погрешности | y | y | y | y | y | y | y | ||||||
Принцип Аббе | ||||||||||||||
Система датчиков/жесткость/выравнивание | y | y | y | y | ||||||||||
Оптическая апертура | y | y | y | |||||||||||
Взаимодействие между стандартом и настройкой | y | y | y | y | ||||||||||
Разогрев | y | y | y | y | y | |||||||||
Кондиционирование | ||||||||||||||
Номер/заказ/продолжительность/измерение | y | y | y | y | y | y | y | y | y | y | y | y | y | |
Центровка | y | y | y | y | y | y | y | y | y | y | y | y | y | |
Закрепление | y | y | y | y | y | y | y | y | y | y | y | y | y | |
Количество точек измерения | y | y | y | y | y | y | y | y | y | y | y | y | y | |
Стратегия измерения/исследования | y | y | y | y | y | y | y | y | y | y | y | |||
Реверсивное измерение | y | y | y | |||||||||||
Многократное резервирование, разделение погрешностей | y | y | y | y | y | y | y | y | ||||||
Программное обеспечение и расчеты | Округление/квантификация | y | y | y | y | y | y | y | ||||||
Алгоритмы | y | y | y | y | y | y | y | y | ||||||
Выборка | y | y | y | y | y | y | y | y | ||||||
Фильтрация | y | y | y | y | y | y | y | y | ||||||
Интерполяция/экстраполяция | y | y | y | |||||||||||
D4. Угол | ||||||||||||
Окружающая среда | Абсолютная температура | |||||||||||
Температурный градиент/дисперсия | y | y | y | y | y | y | y | y | ||||
Вибрация/шум | y | y | y | y | y | y | y | y | y | y | y | |
Влажность | ||||||||||||
Загрязнение | ||||||||||||
Давление окружающей среды | ||||||||||||
Воздушный поток/состав воздуха | y | y | y | y | y | y | y | |||||
Сила тяжести | y | y | y | |||||||||
Измерительное оборудование | Стабильность | y | y | y | y | y | y | y | y | y | ||
Масштаб/качество/разрешение/стабильность | y | y | y | y | y | |||||||
Тепловое расширение/проводимость | y | y | y | y | y | |||||||
Калибровка/неопределенность/время | y | y | y | y | y | y | y | y | y | y | y | |
Увеличение | y | y | y | y | y | y | y | |||||
Интерполяция/погрешность/разрешение | y | y | y | y | y | y | ||||||
Измерение силы/значение/стабильности | ||||||||||||
Жесткость/прочность | y | |||||||||||
Система зондов/система наконечников | ||||||||||||
Гистерезис | y | y | y | y | y | |||||||
Установка и процедура измерения | Косинус и синусоидальные погрешности | |||||||||||
Принцип Аббе | ||||||||||||
Система датчиков/жесткость/выравнивание | ||||||||||||
Оптическая апертура | ||||||||||||
Взаимодействие между стандартом и настройкой | ||||||||||||
Разогрев | y | y | y | y | y | y | ||||||
Кондиционирование | ||||||||||||
Номер/заказ/продолжительность/измерение | y | y | y | y | y | y | y | y | y | y | y | |
Центровка | y | y | y | y | y | y | y | y | y | y | y | |
Закрепление | y | y | y | y | y | y | y | y | y | y | y | |
Количество точек измерения | ||||||||||||
Стратегия измерения/исследования | ||||||||||||
Реверсивное измерение | y | y | y | y | y | |||||||
Многократное резервирование, разделение погрешностей | ||||||||||||
Программное обеспечение и расчеты | Округление/квантификация | y | y | y | y | y | ||||||
Алгоритмы | y | y | ||||||||||
Выборка | y | y | y | y | y | y | y | |||||
Фильтрация | y | y | y | y | y | y | y | |||||
Интерполяция/экстраполяция | y | y | y | y | ||||||||
D5. Специального назначения | ||||||||||
Окружающая среда | Абсолютная температура | y | y | y | y | y | y | y | y | |
Температурный градиент/дисперсия | y | y | y | y | y | y | y | y | y | |
Вибрация/шум | y | y | y | y | y | y | y | y | y | |
Влажность | y | y | ||||||||
Загрязнение | y | y | y | y | y | y | y | y | ||
Давление окружающей среды | y | y | y | y | ||||||
Воздушный поток/состав воздуха | y | y | y | y | ||||||
Сила тяжести | y | y | y | |||||||
Измерительное оборудование | Стабильность | y | y | y | y | y | y | y | y | y |
Масштаб/качество/разрешение/стабильность | ||||||||||
Тепловое расширение/проводимость | y | y | y | y | y | |||||
Калибровка/неопределенность/время | y | y | y | y | y | y | y | y | y | |
Увеличение | y | y | y | y | y | y | y | y | y | |
Интерполяция/погрешность/разрешение | y | y | y | y | y | y | y | y | y | |
Измерение силы/значение/стабильности | y | y | ||||||||
Жесткость/прочность | y | y | y | y | y | y | y | |||
Система зондов/система наконечников | y | |||||||||
Гистерезис | y | y | y | |||||||
Установка и процедура измерения | Косинус и синусоидальные погрешности | y | y | y | ||||||
Принцип Аббе | y | y | y | |||||||
Система датчиков/жесткость/выравнивание | y | y | y | |||||||
Оптическая апертура | ||||||||||
Взаимодействие между стандартом и настройкой | y | |||||||||
Разогрев | y | y | y | y | y | y | y | y | y | |
Кондиционирование | ||||||||||
Номер/заказ/продолжительность/измерение | y | y | y | y | y | y | y | y | y | |
Центровка | y | y | y | y | y | y | y | y | y | |
Закрепление | y | y | y | y | y | y | y | y | y | |
Количество точек измерения | y | y | y | y | y | y | y | y | y | |
Стратегия измерения/исследования | y | y | y | y | y | y | y | y | y | |
Реверсивное измерение | y | y | y | y | y | |||||
Многократное резервирование, разделение погрешностей | y | y | y | |||||||
Программное обеспечение и расчеты | Округление/квантификация | y | y | y | y | y | y | y | y | y |
Алгоритмы | y | y | y | y | y | y | y | y | y | |
Выборка | y | y | y | y | y | y | y | y | y | |
Фильтрация | y | y | y | y | y | y | y | y | ||
Интерполяция/экстраполяция | y | y | y | y | y | y | y | y | y | |
[1] | ISO 1, Geometrical product specifications (GPS) - Standard reference temperature for the specification of geometrical and dimensional properties (Геометрические характеристики продукции. Стандартная эталонная температура для уточнение геометрических и размерных свойств) |
[2] | ISO 230-1, Test code for machine tools - Part 1: Geometric accuracy of machines operating under no-load or quasistatic conditions (Нормы и правила испытания станков. Часть 1. Геометрическая точность станков, работающих в соответствии с холостым или квазистатическим условием) |
[3] | ISO 23 0-2, Test code for machine tools - Part 2: Determination of accuracy and repeatability of positioning of numerically controlled axes (Нормы и правила испытания станков. Часть 2. Определение точности и повторяемости позиционирования численно управляемых осей) |
[4] | ISO 230-3, Test code for machine tools - Part 3: Determination of thermal effects (Нормы и правила испытания станков. Часть 3. Определение тепловых воздействий) |
[5] | ISO/TR 230-8, Test code for machine tools - Part 8: Vibrations (Нормы и правила испытания станков. Часть 8. Вибрации) |
[6] | ISO/TR 230-9, Test code for machine tools - Part 9: Estimation of measurement uncertainty for machine tool tests according to series ISO 230, basic equations (Нормы и правила испытания станков. Часть 9. Оценка неопределенности измерения для испытания станков в соответствии с серией ISO 230, основные уравнения) |
[7] | ISO 463, Geometrical Product Specifications (GPS) - Dimensional measuring equipment - Design and metrological characteristics of mechanical dial gauges (Геометрические характеристики изделий. Оборудование для измерения размеров. Проектирование и метрологические характеристики механических стрелочных датчиков) |
[8] | ISO 3611, Geometrical Product Specifications (GPS) - Dimensional measuring equipment: Micrometers for external measurements - Design and metrological characteristics (Геометрические характеристики изделий (GPS). Оборудование для измерения размеров. Микрометры для наружных измерений. Конструкция и метрологические характеристики) |
[9] | ISO 3650, Geometrical Product Specifications (GPS) - Length standards - Gauge blocks (Геометрические характеристики изделий (GPS). Стандарты длины. Калибровочные блоки) |
[10] | ISO 8512-1, Surface plates - Part 1: Cast iron (Поверхностные плиты. Часть 1. Чугун) |
[11] | ISO 8512-2, Surface plates - Part 2: Granite (Поверхностные плиты. Часть 2. Гранит) |
[12] | ISO 9493, Geometrical Product Specifications (GPS) - Dimensional measuring equipment: Dial test indicators (level type) - Design and metrological characteristics (Геометрические характеристики изделий. Оборудование для измерения размеров: проверка набора, индикаторы (рычажного типа). Расчетно-метрологические характеристики) |
[13] | ISO 10012, Measurement management systems - Requirement for measurement processes and measuring equipment (Системы менеджмента измерений. Требования к процессам измерения и измерительное оборудование) |
ISO 10109, Optics and photonics - Guidance for the selection of environmental tests (Оптика и фотоника. Руководство по выбору экологических испытаний) | |
[15] | ISO 12164-1, Hollow taper interface with flange contact surface Part 1: Shanks - Dimensions (Интерфейс с полым конусом и контактной поверхностью фланца. Часть 1. Хвостовики. Размеры) |
[16] | ISO 14253-1, Geometrical product specifications (GPS) - Inspection by measurement of workpieces and measuring equipment - Part 1: Decision rules for verifying conformity or nonconformity with specifications (Геометрические характеристики изделий. Контроль путем измерения заготовок и измерительное оборудование. Часть 1. Правила принятия решений для проверки соответствия или несоответствия технической характеристики) |
[17] | ISO 14253-2, Geometrical product specifications (GPS) - Inspection by measurement of workpieces and measuring equipment - Part 2: Guidance for the estimation of uncertainty in GPS measurement, in calibration of measuring equipment and in product verification (Геометрические характеристики изделий. Контроль путем измерения заготовок и измерительное оборудование. Часть 2. Руководство по оценке неопределенности измерений, при калибровке измерительного оборудования и при проверке продукции) |
[18] | ISO 14978, Geometrical product specifications (GPS) - General concepts and requirements for GPS measuring equipment (Геометрические характеристики изделий. Общие понятия и требования к GPS измерительное оборудование) |
[19] | ISO/TR 16015, Geometrical product specifications (GPS) - Systematic errors and contributions to measurement uncertainty of length measurement due to thermal influences (Геометрические характеристики изделий. Систематические ошибки и вклад в погрешность измерения длины из-за тепловых воздействий) |
[20] | JIS Z8103, Glossary terms used in measurement (Глоссарий, используемые в измерениях термины) |
[21] | CGM 200, International vocabulary of metrology - Basic and general concepts and associated terms (VIM) 3ed edition (Международный словарь по метрологии. Основные и общие понятия и связанные с ними условия 3-е издание) |
[22] | JCGM 100, Guide to the expression of uncertainty in measurement [GUM] (Руководство по выражению неопределенности в измерениях) |
Определения в методике измерения длины, 5.6, TGL15040, Marz, 1965, DDR | |
Берндт Г. Функциональная толерантность и точность измерения, обзор Йены, Карл Цейсс, 1968, 263 | |
Эванс Крис Дж., Хокен Роберт Дж., Тайлер Эстлер В. Калибровка самообращения, избыточность, Разделение ошибок и абсолютное тестирование, Основные доклады, Анналы CIRP, Vol. 45/2/1996, Hallwag Ltd., Берн, CH | |
Юнь Х. Куин: Эффекты наклона в измерениях угла зрения, журнал исследований Национального Института стандартов и технологий, вып. 99/5/1994 |
УДК 621.9.02-434.5:006.354 | ОКС 25.080.01 |
Ключевые слова: нормы и правила испытаний, металлорежущие станки, измерительные инструменты, геометрические испытания | |