Главная // Актуальные документы // ГОСТ Р (Государственный стандарт)СПРАВКА
Источник публикации
М.: ФГБУ "РСТ", 2022
Примечание к документу
Документ
введен в действие с 01.09.2022.
Название документа
"ГОСТ Р 59686-2021. Национальный стандарт Российской Федерации. Панели слоистые с утеплителем из пенопластов для стен и покрытий зданий. Методы испытаний"
(утв. и введен в действие Приказом Росстандарта от 10.12.2021 N 1764-ст)
"ГОСТ Р 59686-2021. Национальный стандарт Российской Федерации. Панели слоистые с утеплителем из пенопластов для стен и покрытий зданий. Методы испытаний"
(утв. и введен в действие Приказом Росстандарта от 10.12.2021 N 1764-ст)
Утвержден и введен в действие
агентства по техническому
регулированию и метрологии
от 10 декабря 2021 г. N 1764-ст
НАЦИОНАЛЬНЫЙ СТАНДАРТ РОССИЙСКОЙ ФЕДЕРАЦИИ
ПАНЕЛИ СЛОИСТЫЕ С УТЕПЛИТЕЛЕМ ИЗ ПЕНОПЛАСТОВ
ДЛЯ СТЕН И ПОКРЫТИЙ ЗДАНИЙ
МЕТОДЫ ИСПЫТАНИЙ
Layered panels with foam insulation for buildings,
walls and coverings. Test methods
ГОСТ Р 59686-2021
Дата введения
1 сентября 2022 года
1 РАЗРАБОТАН Акционерным обществом "Научно-исследовательский центр "Строительство" (АО "НИЦ "Строительство") - Центральным научно-исследовательским институтом строительных конструкций им. В.А. Кучеренко (ЦНИИСК им. В.А. Кучеренко)
2 ВНЕСЕН Техническим комитетом по стандартизации ТК 465 "Строительство"
3 УТВЕРЖДЕН И ВВЕДЕН В ДЕЙСТВИЕ
Приказом Федерального агентства по техническому регулированию и метрологии от 10 декабря 2021 г. N 1764-ст
4 ВВЕДЕН ВПЕРВЫЕ
Правила применения настоящего стандарта установлены в статье 26 Федерального закона от 29 июня 2015 г. N 162-ФЗ "О стандартизации в Российской Федерации". Информация об изменениях к настоящему стандарту публикуется в ежегодном (по состоянию на 1 января текущего года) информационном указателе "Национальные стандарты", а официальный текст изменений и поправок -
в ежемесячном информационном указателе "Национальные стандарты". В случае пересмотра (замены) или отмены настоящего стандарта соответствующее уведомление будет опубликовано в ближайшем выпуске ежемесячного информационного указателя "Национальные стандарты". Соответствующая информация, уведомление и тексты размещаются также в информационной системе общего пользования -
на официальном сайте Федерального агентства по техническому регулированию и метрологии в сети Интернет (www.rst.gov.ru)
Настоящий стандарт распространяется на панели с утеплителем из пенопластов и с облицовками из листовых материалов и устанавливает методы определения физико-механических характеристик пенопластов.
В настоящем стандарте использованы нормативные ссылки на следующие стандарты:
ГОСТ 166 (ИСО 3599-76) Штангенциркули. Технические условия
ГОСТ 577 Индикаторы часового типа с ценой деления 0,01 мм. Технические условия
ГОСТ 1033 Смазка солидол жировой. Технические условия
ГОСТ 6267 Смазка ЦИАТИМ-201. Технические условия
ГОСТ 12423 (ISO 291:2008) Пластмассы. Условия кондиционирования и испытания образцов (проб)
ГОСТ 18321 Статистический контроль качества. Методы случайного отбора выборок штучной продукции
ГОСТ Р 59687 Панели металлические с утеплителем из пенопласта. Общие технические условия
Примечание - При пользовании настоящим стандартом целесообразно проверить действие ссылочных стандартов в информационной системе общего пользования - на официальном сайте Федерального агентства по техническому регулированию и метрологии в сети Интернет или по ежегодному информационному указателю "Национальные стандарты", который опубликован по состоянию на 1 января текущего года, и по выпускам ежемесячного информационного указателя "Национальные стандарты" за текущий год. Если заменен ссылочный стандарт, на который дана недатированная ссылка, то рекомендуется использовать действующую версию этого стандарта с учетом всех внесенных в данную версию изменений. Если заменен ссылочный стандарт, на который дана датированная ссылка, то рекомендуется использовать версию этого стандарта с указанным выше годом утверждения (принятия). Если после утверждения настоящего стандарта в ссылочный стандарт, на который дана датированная ссылка, внесено изменение, затрагивающее положение, на которое дана ссылка, то это положение рекомендуется применять без учета данного изменения. Если ссылочный стандарт отменен без замены, то положение, в котором дана ссылка на него, рекомендуется применять в части, не затрагивающей эту ссылку.
4.1 Число и порядок отбора образцов пенопластов для определения прочностных и деформационных характеристик следует принимать в соответствии со стандартами на конкретные виды панелей. Если в стандарте не указан порядок отбора и число образцов, то следует принимать их в соответствии с
ГОСТ 18321.
4.2 Образцы пенопластов для определения прочности и деформативности при сжатии, растяжении, сдвиге вырезают из панелей с приформованными к утеплителю листами облицовок не ранее чем через 3 сут после изготовления панелей. В случае профилированных листов образцы вырезают на плоских участках профиля.
Определение прочности и деформативности при сдвиге допускается проводить на образцах без листов.
4.3 Образцы для испытаний не должны иметь видимых дефектов, трещин, расслаиваний, раковин, вмятин, вырывов в утеплителе и выступающих заусенцев на кромках металлических листов.
4.4 Перед началом испытаний на образцах должны быть нанесены обозначения марки панели и порядкового номера партии, а также направления оси образца по отношению к плоскости панели.
4.5 Перед началом испытаний образцы пенопласта следует кондиционировать. Период и условия кондиционирования следует устанавливать в нормативном документе или технической документации на панели. Если в стандарте или технических условиях не указаны условия кондиционирования, то их следует принимать в соответствии с
ГОСТ 12423.
4.6 Размеры образцов следует определять с точностью до 0,1 мм.
4.7 Отклонения размеров поперечного сечения образцов от номинальных должны быть не более 1 мм.
4.8 Испытательные машины должны обеспечивать измерение нагрузки с точностью 1% измеряемой величины.
4.9 Периодичность испытаний образцов следует принимать в соответствии со стандартами на панели.
5 Метод определения прочности при сжатии
5.1 Сущность метода заключается в определении напряжения сжатия в образце при 10% деформации пенопласта или его разрушении.
5.2 Подготовка образцов для испытаний
5.2.1 Отбор образцов и подготовку к испытаниям проводят в соответствии с
4.1 -
4.7.
5.2.2 Образцы для определения прочности при сжатии должны иметь форму прямоугольной призмы с высотой, равной наименьшей толщине панели. Размеры сторон квадратного основания принимают равными толщине панели и кратными 5 мм (с округлением в большую сторону).
5.3 Средства испытаний, приборы, устройства, установки
5.3.1 Для испытаний применяют испытательную машину (пресс), позволяющую регистрировать усилие, действующее на испытуемый образец, и деформацию образца в соответствии с
4.8.
5.3.2 Испытательная машина должна иметь шарнирную опору и систему измерения перемещений захватов. Допускается применение приспособления, показанного на
рисунке 1, с индикаторным устройством, обеспечивающим измерение деформаций с точностью 0,1 мм.
1 - нижняя траверса реверсора; 2 - верхняя
траверса реверсора; 3 - шарнирная опора; 4 - образец;
5 - индикатор часового типа; 6 - упорный шток
Рисунок 1 - Схема установки и образец
для определения прочности при сжатии
5.4 Проведение испытаний
5.4.1 При испытании образцы следует устанавливать на опорную плиту испытательной машины или приспособления таким образом, чтобы сжимающее усилие действовало по оси образца.
5.4.2 Образцы центрируют по рискам нижней плиты испытательной машины или приспособления. Скорость сжатия принимают равной (0,1 +/- 0,002) h/мин, где h - толщина пенопласта, мм.
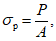
5.4.3 Нагружение образца проводят до достижения нагрузки, соответствующей 10% относительной деформации пенопласта, или до его разрушения при меньшей деформации. Эту нагрузку принимают за значение предельной нагрузки.
5.4.4 Прочность при сжатии

, Па, вычисляют по формуле

(1)
где P - предельная нагрузка, Н;
A - площадь поперечного сечения образца, м2.
5.5 Обработка результатов
5.5.1 За результат испытаний принимают среднее арифметическое параллельных определений.
5.5.2 Результаты испытаний записывают в журнал, в котором указывают:
- наименование и марку панелей, номер партии;
- тип и марку испытательной машины и измерителя деформаций;
- число образцов, взятых для испытания;
- даты изготовления панелей и испытания образцов.
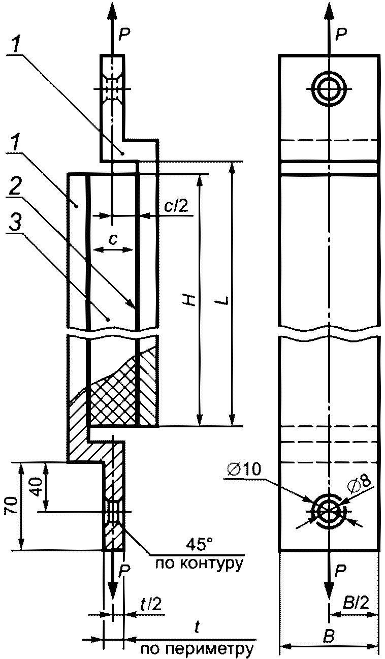
6 Метод определения прочности при растяжении
6.1 Сущность метода заключается в определении напряжения растяжения в образце при его разрушении.
6.2 Подготовка образцов для испытаний
6.2.1 Метод отбора образцов и подготовка к испытаниям - в соответствии с
4.1 -
4.7.
6.2.2 Образцы для определения прочности при растяжении должны иметь форму прямоугольной призмы с высотой, равной наименьшей толщине панели, и квадратным основанием 50 x 50 мм.
Допускается при профилированных листах применять образцы с прямоугольным основанием 40 x 60 мм.
6.3 Средства испытаний, приборы, устройства, установки
6.3.1 Для испытаний применяют универсальную испытательную машину в соответствии с
4.8 и захваты для крепления образца.
6.3.2 Захваты испытательной машины должны обеспечивать надежное шарнирное крепление образцов, совпадение продольной оси образца с направлением растяжения.
6.3.3 Для крепления образцов в захватах испытательной машины используют захватные приспособления, показанные на
рисунке 2 и состоящие из Т-образных металлических пластин с отверстиями. Размеры Т-образных пластин в плане должны соответствовать размерам образца в рабочем сечении. Поверхности Т-образных пластин должны быть плоскими и перпендикулярными к продольной оси образца.
1 - Т-образная пластина; 2 - клей; 3 - образец
Рисунок 2 - Образец и приспособление
для определения прочности при растяжении
6.4 Проведение испытаний
6.4.1 Перед проведением испытаний захватные приспособления приклеивают к верхней и нижней поверхностям образцов. Клей, применяемый для приклеивания захватных приспособлений, должен иметь достаточную прочность, чтобы обеспечить разрушение по пенопласту.
6.4.2 Образцы с захватными приспособлениями центрируют в захватах испытательной машины таким образом, чтобы растягивающее усилие действовало по оси образца.
6.4.3 Испытание проводят при скорости перемещения захватов испытательной машины (0,05 +/- 0,001)
h/мин, где
h - высота образца, мм (см.
рисунок 2).
6.4.4 При испытании следует фиксировать характер разрушения образцов: по пенопласту или по поверхности контакта пенопласта с Т-образными пластинами.
6.5 Обработка результатов
6.5.1 Прочность при растяжении

, Па, вычисляют по формуле

(2)
где P - максимальное усилие, Н;
A - площадь поперечного сечения образца, м2.
| | ИС МЕГАНОРМ: примечание. В официальном тексте документа, видимо, допущена опечатка: пункт 4.5.2 отсутствует. Возможно, имеется в виду пункт 5.5.2. | |
6.5.2 Результаты испытаний записывают в журнал согласно
4.5.2.
7 Метод определения прочности при сдвиге
7.1 Сущность метода заключается в определении прочности при сдвиге пенопласта в плоскости, параллельной плоскости облицовок слоистой конструкции в направлении длины панелей.
7.2 Подготовка образцов для испытаний
7.2.1 Метод отбора образцов и подготовку к испытаниям проводят в соответствии с
4.1 -
4.7.
7.2.2 Образцы для определения прочности при сдвиге могут быть без облицовки, с облицовкой с одной стороны или с облицовками с обеих сторон.
Размеры образцов пенопласта - 200 x 60 x 10 мм.
Для пенопластов с прочностью при сдвиге более 0,15 МПа допускается использовать образцы размерами 50 x 15 x 10 мм.
7.2.3 Для проведения испытания необходимо использовать захватное приспособление, состоящее из металлических Г-образных пластин с габаритными размерами 10 x 60 x 300 мм, показанное на
рисунке 3. Размеры плоскостей пластин для приклейки образцов пенопласта должны составлять 60 x 305 мм.
1 - захват; 2 - клей; 3 - образец
Рисунок 3 - Образец и приспособление
для определения прочности на сдвиг
7.2.4 Для испытания пенопластов с прочностью при сдвиге более 0,15 МПа допускается использовать захватное приспособление, состоящее из металлических Г-образных пластин с габаритными размерами 10 x 15 x 80 мм (см.
рисунок 3). Размеры плоскостей пластин для приклейки пенопласта должны составлять 15 x 55 мм.
7.2.5 Для соединения металлических пластин захватного приспособления с образцом используют клей, прочность клеевой пленки которого должна быть больше прочности испытуемого пенопласта, например клей на основе эпоксидных смол. Пластины захватного приспособления необходимо приклеивать к большим поверхностям образца (см.
рисунок 3).
7.2.6 Поверхности образца пенопласта и захватного приспособления перед склеиванием следует очистить от пыли и других загрязнений.
7.3 Средства испытаний, приборы, устройства, установки
7.3.1 Для испытаний применяют испытательную машину в соответствии с
4.8.
7.3.2 Захваты испытательной машины должны обеспечивать надежное шарнирное крепление образцов, совпадение продольной оси образца с направлением растяжения.
7.4 Проведение испытаний
7.4.1 Каждую из пластин захватного приспособления с приклеенным образцом пенопласта соединяют шарнирно с захватом испытательной машины.
7.4.2 Нагрузку прикладывают к металлическим Г-образным пластинам захватного приспособления, с помощью которых осуществляется растяжение образца (см.
рисунок 3).
7.5 Обработка результатов
7.5.1 Прочность при сдвиге, Па, вычисляют по формуле

(3)
где P - максимальное усилие, при котором произошло разрушение, Н;
A - площадь образца (площадь сдвига пенопласта), м2.
7.5.2 Результаты испытаний записывают в журнал согласно
5.5.2.
Отмечают также характер разрушения: по образцу пенопласта, по клеевому соединению пенопласта с металлическими пластинами захватного приспособления или одновременно по пенопласту и клеевому соединению, а также описание вида образца после разрушения.
8 Метод определения модуля упругости при сжатии
8.1 Сущность метода заключается в определении взаимозависимости между напряжением и деформацией при испытании образцов определенной формы при сжатии при воздействии сжимающей силы, передающейся на образец через металлические самоустанавливающиеся опоры испытательной машины.
8.2 Подготовка образцов для испытаний
8.2.1 Для определения модуля упругости при сжатии используют такие же образцы, как и для определения прочности пенопласта при сжатии согласно
5.2.2.
8.2.2 Подготовку образцов к испытаниям проводят в соответствии с
4.1 -
4.7.
8.3 Средства испытаний, приборы, устройства, установки
8.3.1 Для испытаний применяют испытательную машину в соответствии с
4.8.
8.3.2 Испытательная машина должна иметь самоустанавливающуюся опору и систему измерения перемещений захватов. При отсутствии опоры и системы измерения следует применять приспособление (см.
рисунок 1) с индикаторным устройством, обеспечивающим измерение деформаций с погрешностью 0,01 мм. Допускается применение других измерительных приборов с указанной погрешностью измерения.
8.3.3 Для определения модуля упругости при сжатии могут быть использованы испытательные машины, снабженные устройством для автоматической записи диаграмм "нагрузка - перемещение".
8.3.4 При расчете модулей упругости по автоматической записи диаграммы "усилие - деформация" масштаб записи деформаций в диапазоне измерений от 0,2 до 1 мм должен быть не менее 25:1, в диапазоне измерений от 1 до 10 мм и более - не менее 10:1.
8.4 Проведение испытаний
8.4.1 При испытании образцы устанавливают на опорную плиту испытательной машины или приспособления таким образом, чтобы сжимающее усилие действовало по оси образца. Образцы центрируют по рискам нижней плиты испытательной машины или приспособления.
8.4.2 Скорость сжатия
v, мм/мин, принимают равной
v = (0,05 +/- 0,01)
h/мин, где
p - толщина образца, мм (см.
рисунок 1).
8.4.3 Предельную нагрузку принимают равной нагрузке при 10%-ной деформации образца или нагрузке при его разрушении при достижении меньшей деформации.
8.4.4 Нагружение образца с записью диаграммы "нагрузка - перемещение" в процессе определения перемещений проводят до нагрузки, равной 0,4 предельной нагрузки при сжатии. При нагружении измеряют перемещения образца при 0,1 предельной нагрузки и 0,4 предельной нагрузки.
8.5 Обработка результатов
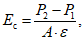
8.5.1 Модуль упругости образца при сжатии Eс, Па, вычисляют по формуле

(4)
где P1 и P2 - нагрузки на образец, равные 0,1 и 0,4 соответственно от предельной нагрузки, Н;
A - площадь поперечного сечения образца, м2;

- относительная деформация сжатия образца при изменении нагрузки от
P1 до
P2.
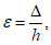
8.5.2 Относительную деформацию

вычисляют по формуле

(5)
где

- абсолютная деформация при сжатии образца, мм.
8.5.3 Абсолютную деформацию сжатия образца

вычисляют по формуле

(6)
где

,

и

- абсолютные деформации отдельных нагружений.
| | ИС МЕГАНОРМ: примечание. Текст дан в соответствии с официальным текстом документа. | |
8.5.4 Абсолютную деформацию отдельного нагружения

(

и

) определяют как разность двух отсчетов по индикатору, взятых при значениях нагрузок
P2 и
P2.
8.5.5 За результат испытаний принимают среднее арифметическое всех значений модуля упругости при сжатии, вычисленных для каждого из образцов, число которых предусмотрено стандартами на панели.
8.5.6 Результаты испытаний записывают в журнал, в котором указывают:
- значение определяемого модуля;
- наименование и марку панелей, номер партии;
- тип и марку испытательной машины;
- число образцов, взятых для испытаний;
- даты изготовления панелей и испытания образцов.
9 Метод определения модуля упругости при растяжении
9.1 Сущность метода заключается в определении взаимозависимости между напряжением и деформацией при испытании образцов определенной формы при растяжении при воздействии растягивающей силы, передающейся на образец через металлические пластины, прикрепленные к образцу.
9.2 Подготовка образцов для испытаний
9.2.1 Для определения модуля упругости при сжатии используют такие же образцы, как и для определения прочности пенопласта при растяжении согласно
6.2.2.
9.2.2 Требования к образцам принимают в соответствии с
4.1 -
4.4.
9.2.3 Подготовку образцов к испытаниям проводят в соответствии с
4.5 -
4.7.
9.3 Средства испытаний, приборы, устройства, установки
9.3.1 Для испытаний применяют машину в соответствии с
8.3.1 -
8.3.4.
9.3.2 Для крепления образцов в захватах испытательной машины используют захватные приспособления в виде Т-образных металлических пластин с отверстиями (см.
рисунок 2). Размеры Т-образных пластин в плане должны соответствовать размерам образца в рабочем сечении. Поверхности Т-образных пластин должны быть плоскими и перпендикулярными к продольной оси образца.
9.3.3 Захваты испытательной машины должны обеспечивать надежное крепление образцов и совпадение продольной оси образца с направлением растяжения.
9.4 Проведение испытаний
9.4.1 Перед проведением испытаний захватные приспособления приклеивают к листам образцов. Клей, применяемый для приклеивания захватных приспособлений, должен обеспечивать разрушение по образцу.
9.4.2 Для измерения деформаций используют две треугольные металлические пластины с тремя индикаторами часового типа с ценой деления 0,01 мм. В прорези треугольных пластин пропускают Т-образные захватные приспособления, склеенные с образцом (см.
рисунок 4).
1 - образец; 2 - клей; 3 - Т-образная пластина;
4 - треугольные приспособления для измерения деформаций;
5 - индикаторы
Рисунок 4 - Образец и приспособление для определения
модуля упругости при растяжении
9.4.3 Образцы с приспособлениями центрируют в захватах испытательной машины таким образом, чтобы растягивающее усилие действовало по оси образца.
9.4.4 Скорость растяжения
v, мм/мин, принимают равной
v = (0,05 +/- 0,01)
h/мин, где
h - толщина пенопласта, мм (см.
рисунок 2).
9.4.5 Нагружение образца при растяжении проводят в соответствии с
8.4.4.
9.5 Обработка результатов
9.5.1 Модуль упругости образца при растяжении Eр, Па, вычисляют по формуле

(7)
где P1 и P2 - нагрузки на образец, равные 0,1 и 0,4 соответственно от разрушающей нагрузки, Н;
A - площадь поперечного сечения образца, м2;

- относительная деформация растяжения образца при изменении нагрузки от
P1 до
P2.
9.5.2 Относительную деформацию растяжения образца вычисляют в соответствии с
8.5.2.
9.5.3 Абсолютную деформацию растяжения образца вычисляют в соответствии с
8.5.3.
9.5.4 Абсолютную деформацию растяжения отдельного нагружения

(

и

) определяют как среднее арифметическое разностей двух отсчетов, взятых при значениях нагрузок
P1 и
P2 по каждому из трех индикаторов.
9.5.5 За результат испытаний принимают среднее арифметическое всех значений модуля упругости при растяжении, вычисленных для каждого из образцов, число которых предусмотрено стандартами на панели.
9.5.6 Результаты испытаний записывают в журнал согласно
8.5.6.
10 Метод определения модуля сдвига
10.1 Сущность метода заключается в определении взаимозависимости между напряжением и деформацией при испытании образцов определенной формы на сдвиг при воздействии срезывающей силы, передающейся на образец через металлические пластины, прикрепленные к образцу.
10.2 Подготовка образцов для испытаний
10.2.1 Для определения модуля сдвига используют такие же образцы, как и для определения прочности пенопласта при сдвиге согласно
7.2.2.
10.2.2 Требования к образцам следует принимать в соответствии с
4.1 -
4.4.
10.3 Средства испытаний, приборы, устройства, установки
10.3.1 Для испытаний применяют испытательную машину, позволяющую проводить отсчеты нагрузки и перемещения захватов по силоизмерителю и индикатору перемещения захватов машины визуально или позволяющую проводить запись диаграммы "нагрузка - перемещение" захватов при испытании образца пенопласта.
10.3.2 Для испытаний применяют испытательную машину с таким диапазоном измерения нагрузки, чтобы отсчет нагрузки, необходимой для разрушения испытуемого образца, проводился в диапазоне от 15% до 85% максимального значения нагрузки на измерительной шкале.
10.4 Проведение испытаний
10.4.1 Перед проведением испытаний захватные приспособления приклеивают к листам образцов. Клей, применяемый для приклеивания захватных приспособлений, должен обеспечивать разрушение по образцу.
10.4.2 Для измерения деформаций используют две металлические пластины с отверстиями для крепления двух индикаторов часового типа с ценой деления 0,01 мм на одной пластине и отверстиями для крепления двух штоков - на другой (см.
рисунок 5).
1 - захват; 2 - индикатор часового типа; 3 - держатель;
4 - удлинитель; 5 - клей; 6 - образец
Рисунок 5 - Образец и приспособление для определения
модуля упругости при сдвиге
10.4.3 После закрепления образца с приклеенными металлическими пластинами захватного приспособления к захватам испытательной машины к металлическим пластинам захватного приспособления со скоростью нагружения (1,0 +/- 0,5) мм/мин прикладывают нагрузку на растяжение (см.
рисунок 3). Максимальная длительность приложения нагрузки не должна превышать 3 - 6 мин.
10.4.4 При расчете модуля сдвига по автоматической записи диаграммы "усилие - деформация" масштаб записи деформаций в диапазоне измерений от 0,2 до 1 мм должен быть не менее 25:1, в диапазоне измерений от 1 до 10 мм и более - не менее 10:1.
10.4.5 При нагружении образца проводят отсчеты перемещений захвата испытательной машины, при нагрузках на образец, равных 0,1 и 0,4 соответственно от разрушающей нагрузки, визуально или по диаграмме "нагрузка - перемещение" машины, позволяющей производить запись диаграммы.
10.5 Обработка результатов
10.5.1 При расчете модуля сдвига по автоматической записи диаграммы "усилие - деформация" масштаб записи деформаций в диапазоне измерений от 0,2 до 1 мм должен быть не менее 25:1, в диапазоне измерений от 1 до 10 мм и более - не менее 10:1.
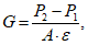
10.5.2 Модуль сдвига пенопласта G, Па, вычисляют по формуле

(8)
где P1 и P2 - нагрузки на образец, равные 0,1 и 0,4 от разрушающей нагрузки соответственно, Н;
A - площадь поперечного сечения образца, м2;

- относительная деформация сдвига при изменении нагрузки от
P1 до
P2.
Относительную деформацию сдвига

вычисляют по формуле

(9)
где

- абсолютная деформация сдвига образца (перемещение Г-образных пластин относительно друг друга), мм;
h - толщина образца, мм.
10.5.3 Абсолютную деформацию сдвига образца

, мм, вычисляют по формуле

(10)
где

,

и

- абсолютные деформации отдельных нагружений.
10.5.4 Абсолютную деформацию отдельного нагружения

(

и

) определяют как разность двух отсчетов по индикатору, взятых при значениях нагрузок
P1 и
P2.
10.5.5 За результат испытаний принимают среднее арифметическое всех значений модуля упругости при растяжении, вычисленных для каждого из образцов, число которых предусмотрено стандартами на панели.
10.5.6 Результаты испытаний записывают в журнал согласно
8.5.6.
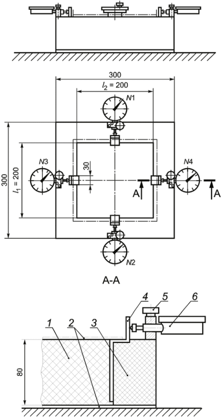
11 Метод определения усадки
11.1 Сущность метода заключается в определении разности размеров формы и свежеотформованного в ней образца пенопласта при отверждении и последующем его охлаждении, а также при выдержке его в нормальных условиях при температуре (22 +/- 2) °C и влажности не более 60%. Метод предусматривает определение максимальных значений усадочных деформаций по длине и ширине образца и характера изменения их во времени.
Метод основан на измерении деформаций противоположных, соприкасающихся с внутренними поверхностями ограничительного контурного элемента, граней блока пенопласта, отформованного между двумя листами.
Применение данного метода должно предусматриваться стандартами и техническими условиями, устанавливающими требования к панелям с конструкционным утеплителем из пенопластов для стен и покрытий зданий.
11.2 Средства испытаний, приборы, устройства, установки
11.2.1 Для определения технологической усадки применяют приспособление, состоящее из формы и индикаторов, показанное на
рисунке 6.
1 - образец; 2 - листы; 3 - ограничительная рамка;
4 - упорная пластина; 5 - кронштейн; 6 - индикатор
Рисунок 6 - Приспособление для определения
технологической усадки
11.2.2 Форма представляет собой ограничительную рамку с двумя съемными листами.
Ограничительная рамка должна иметь в плане размеры (внутренние) 200 x 200 мм и высоту 80 мм. Предельные отклонения внутренних размеров ограничительной рамки должны быть не более +/- 0,5 мм.
Ограничительную рамку изготовляют из древесины. Допускается изготовление ограничительной рамки из пластмассы.
Материал съемных листов должен соответствовать материалу листов облицовки, применяемой при изготовлении слоистых панелей.
11.2.3 Для измерения внутренних размеров ограничительной рамки используют штангенциркуль по
ГОСТ 166, обеспечивающий измерение с погрешностью 0,1 мм.
11.2.4 Для измерения усадки пенопласта используют индикаторы часового типа по
ГОСТ 577 с ценой деления 0,01 мм.
11.3 Изготовление образцов. Подготовка к испытанию
11.3.1 Для изготовления образцов используют заливочную композицию, взятую непосредственно с поста заливки технологической линии по изготовлению панелей.
11.3.2 Массу заливочной композиции для заливки в форму P рассчитывают по формуле

(11)
где 1,2 - коэффициент потери массы, учитывающий способ заливки, состав и вид заливочной композиции и др.;
V - объем формы, см3;

- плотность пенопласта, г/см
3.
11.3.3 Режим изготовления образцов должен соответствовать технологическому регламенту на изготовление панелей, утвержденному в установленном порядке. При изготовлении образцов должно быть обеспечено восприятие избыточного давления, возникающего при вспенивании композиции.
11.3.4 Число образцов для испытания следует принимать в соответствии со стандартами на панели, но не менее трех.
11.3.5 Перед испытанием измеряют внутренние размеры рамки. Измерения проводят во взаимно перпендикулярных направлениях в фиксированных точках, расположенных в центре каждой грани рамки.
11.3.6 С внутренней стороны рамки устанавливают упорные пластины (см.
рисунок 6), обеспечивающие контакт индикаторов с отформованным образцом.
11.3.7 Для надежности соединения упорных пластин с образцом в процессе формования на нижнюю часть пластин (со стороны образца) наносят слой клея, обеспечивающего сцепление вспенивающейся композиции и упорной пластины.
11.3.8 На внутренние поверхности рамки и листов наносят слой антиадгезионного состава по
ГОСТ 6267 или
ГОСТ 1033.
11.4 Проведение испытания
11.4.1 Испытание проводят при температуре (22 +/- 2) °C.
11.4.2 Через 5 мин после завершения изготовления образца в соответствии с
11.3.3 удаляют листы облицовок, устанавливают индикаторы так, чтобы их штоки упирались в верхние части упорных пластин (см.
рисунок 6), после чего снимают отсчеты по индикаторам. Измерение усадки проводят один раз в сутки.
11.4.3 Испытание считается законченным, если разница между двумя последующими отсчетами не превышает 3%.
11.5 Обработка результатов
11.5.1 Усадку S, %, вычисляют по формуле

(12)
где

,

,

,

- разности конечных (в конце испытания) и начальных отсчетов по четырем индикаторам, мм;
l1,
l2 - внутренние размеры формы, мм, измеренные согласно
11.3.5.
11.5.2 За результат испытания принимают среднее арифметическое значение усадок всех испытанных образцов, вычисленное с точностью до 0,01%.
11.5.3 Результаты испытаний записывают в журнал, в котором указывают:
- дату изготовления образцов;
- режим изготовления;
- число образцов, взятых для испытаний;
- значение усадки;
- наименование и марку панелей, номер партии.
УДК 691.175.5/.8:006.354 | |
Ключевые слова: пенопласты; слоистые панели; общие положения; средства испытаний; приборы; устройства; установки; метод определения прочности при сжатии, растяжении, сдвиге; метод определения модуля упругости при сжатии, растяжении, сдвиге; метод определения усадки |