Главная // Актуальные документы // ГОСТ Р (Государственный стандарт)СПРАВКА
Источник публикации
М.: Стандартинформ, 2020
Примечание к документу
Текст данного документа приведен с учетом
поправки, опубликованной в "ИУС", N 4, 2021.
Документ
введен в действие с 01.01.2021.
Название документа
"ГОСТ Р 59233-2020. Национальный стандарт Российской Федерации. Единая энергетическая система и изолированно работающие энергосистемы. Релейная защита и автоматика. Автоматическое противоаварийное управление режимами энергосистем. Устройства автоматики разгрузки при коротких замыканиях. Устройства фиксации тяжести короткого замыкания. Нормы и требования"
(утв. и введен в действие Приказом Росстандарта от 30.11.2020 N 1220-ст)
"ГОСТ Р 59233-2020. Национальный стандарт Российской Федерации. Единая энергетическая система и изолированно работающие энергосистемы. Релейная защита и автоматика. Автоматическое противоаварийное управление режимами энергосистем. Устройства автоматики разгрузки при коротких замыканиях. Устройства фиксации тяжести короткого замыкания. Нормы и требования"
(утв. и введен в действие Приказом Росстандарта от 30.11.2020 N 1220-ст)
Утвержден и введен в действие
агентства по техническому
регулированию и метрологии
от 30 ноября 2020 г. N 1220-ст
НАЦИОНАЛЬНЫЙ СТАНДАРТ РОССИЙСКОЙ ФЕДЕРАЦИИ
ЕДИНАЯ ЭНЕРГЕТИЧЕСКАЯ СИСТЕМА
И ИЗОЛИРОВАННО РАБОТАЮЩИЕ ЭНЕРГОСИСТЕМЫ
РЕЛЕЙНАЯ ЗАЩИТА И АВТОМАТИКА
АВТОМАТИЧЕСКОЕ ПРОТИВОАВАРИЙНОЕ УПРАВЛЕНИЕ
РЕЖИМАМИ ЭНЕРГОСИСТЕМ.
УСТРОЙСТВА АВТОМАТИКИ РАЗГРУЗКИ ПРИ КОРОТКИХ ЗАМЫКАНИЯХ.
УСТРОЙСТВА ФИКСАЦИИ ТЯЖЕСТИ КОРОТКОГО ЗАМЫКАНИЯ.
НОРМЫ И ТРЕБОВАНИЯ
United power system and isolated power systems.
Relay protection and automation. Automatic emergency
control of electric power systems. Device for unloading
automation during short circuits. Short circuit severity
fixation device. Norms and requirements
ГОСТ Р 59233-2020
Дата введения
1 января 2021 года
1 РАЗРАБОТАН Акционерным обществом "Системный оператор Единой энергетической системы" (АО "СО ЕЭС")
2 ВНЕСЕН Техническим комитетом по стандартизации ТК 016 "Электроэнергетика"
3 УТВЕРЖДЕН И ВВЕДЕН В ДЕЙСТВИЕ
Приказом Федерального агентства по техническому регулированию и метрологии от 30 ноября 2020 г. N 1220-ст
4 ВВЕДЕН ВПЕРВЫЕ
Правила применения настоящего стандарта установлены в статье 26 Федерального закона от 29 июня 2015 г. N 162-ФЗ "О стандартизации в Российской Федерации". Информация об изменениях к настоящему стандарту публикуется в ежегодном (по состоянию на 1 января текущего года) информационном указателе "Национальные стандарты", а официальный текст изменений и поправок - в ежемесячном информационном указателе "Национальные стандарты". В случае пересмотра (замены) или отмены настоящего стандарта соответствующее уведомление будет опубликовано в ближайшем выпуске ежемесячного информационного указателя "Национальные стандарты". Соответствующая информация, уведомление и тексты размещаются также в информационной системе общего пользования - на официальном сайте Федерального агентства по техническому регулированию и метрологии в сети Интернет (www.gost.ru)
Согласно
пункту 154 Правил
[1] владельцами объектов электроэнергетики должна быть обеспечена проверка комплексов и устройств противоаварийной автоматики, устанавливаемых на принадлежащих им объектах электроэнергетики и энергопринимающих установках, на заданную функциональность.
Общие требования к организации автоматического противоаварийного управления в электроэнергетической системе, функциональности комплексов и устройств противоаварийной автоматики установлены
Требованиями [2] и
ГОСТ Р 55105.
Настоящий стандарт разработан в развитие указанных нормативных правовых актов и
ГОСТ Р 55105 и направлен на обеспечение выполнения положений указанных нормативных документов.
1.1 Настоящий стандарт устанавливает:
- основные требования к микропроцессорным устройствам, реализующим функцию автоматики разгрузки при коротких замыканиях в случае, когда указанная автоматика выполнена в виде отдельного устройства противоаварийной автоматики (далее - устройства АРКЗ);
- основные требования к микропроцессорным устройствам, входящим в состав автоматики разгрузки при коротких замыканиях, выполненной в виде совокупности устройств противоаварийной автоматики, и реализующим функцию фиксации тяжести короткого замыкания (далее - устройства ФТКЗ);
- порядок и методику проведения испытаний микропроцессорных устройств АРКЗ и ФТКЗ для проверки их соответствия указанным требованиям.
1.2 Настоящий стандарт распространяется на субъекты оперативно-диспетчерского управления в электроэнергетике, собственников и иных законных владельцев электрических станций и объектов электросетевого хозяйства, на объектах электроэнергетики которых установлены устройства АРКЗ (ФТКЗ), организации, осуществляющие деятельность по разработке, изготовлению, наладке, эксплуатации устройств и комплексов противоаварийной автоматики, проектные и научно-исследовательские организации.
1.3 Настоящий стандарт предназначен для применения при подготовке, согласовании и выполнении технических условий на технологическое присоединение объектов электроэнергетики и энергопринимающих установок потребителей электрической энергии к электрическим сетям, строительстве, реконструкции, модернизации и техническом перевооружении объектов электроэнергетики, создании (модернизации) устройств и комплексов противоаварийной автоматики.
Требования настоящего стандарта также должны учитываться при обеспечении функционирования в составе электроэнергетической системы устройств АРКЗ (ФТКЗ), указанных в
1.4.
1.4 Требования настоящего стандарта распространяются на вновь устанавливаемые на объектах электроэнергетики устройства АРКЗ (ФТКЗ), а также на существующие устройства АРКЗ (ФТКЗ) в случаях, указанных в
1.5, абзац четвертый.
1.5 Требования настоящего стандарта не распространяются (за исключением случаев, указанных в
абзаце четвертом настоящего пункта) на устройства АРКЗ и ФТКЗ в случае, если такие устройства:
- установлены на объектах электроэнергетики до вступления в силу настоящего стандарта;
- подлежат установке на объектах электроэнергетики в соответствии с проектной (рабочей) документацией на создание (модернизацию) устройств или комплексов противоаварийной автоматики, согласованной и утвержденной в установленном порядке до вступления в силу настоящего стандарта.
Для указанных устройств АРКЗ (ФТКЗ) выполнение требований настоящего стандарта должно быть обеспечено при их модернизации либо замене, а также в случае изменения алгоритма их функционирования [при наличии технической возможности реализации в устройстве АРКЗ (ФТКЗ)].
1.6 Настоящий стандарт не устанавливает требования к электромагнитной совместимости, условиям эксплуатации, сервисному обслуживанию, объему заводских проверок, пожаробезопасности, электробезопасности, информационной безопасности устройств АРКЗ (ФТКЗ), оперативному и техническому обслуживанию устройств АРКЗ (ФТКЗ).
В настоящем стандарте использованы нормативные ссылки на следующие стандарты:
ГОСТ Р 55105 Единая энергетическая система и изолированно работающие энергосистемы. Оперативно-диспетчерское управление. Автоматическое противоаварийное управление режимами энергосистем. Противоаварийная автоматика энергосистем. Нормы и требования
ГОСТ Р 57114 Единая энергетическая система и изолированно работающие энергосистемы. Электроэнергетические системы. Оперативно-диспетчерское управление в электроэнергетике и оперативно-технологическое управление. Термины и определения
Примечание - При пользовании настоящим стандартом целесообразно проверить действие ссылочных стандартов в информационной системе общего пользования - на официальном сайте Федерального агентства по техническому регулированию и метрологии в сети Интернет или по ежегодному информационному указателю "Национальные стандарты", который опубликован по состоянию на 1 января текущего года, и по выпускам ежемесячного информационного указателя "Национальные стандарты" за текущий год. Если заменен ссылочный стандарт, на который дана недатированная ссылка, то рекомендуется использовать действующую версию этого стандарта с учетом всех внесенных в данную версию изменений. Если заменен ссылочный стандарт, на который дана датированная ссылка, то рекомендуется использовать версию этого стандарта с указанным выше годом утверждения (принятия). Если после утверждения настоящего стандарта в ссылочный стандарт, на который дана датированная ссылка, внесено изменение, затрагивающее положение, на которое дана ссылка, то это положение рекомендуется применять без учета данного изменения. Если ссылочный стандарт отменен без замены, то положение, в котором дана ссылка на него, рекомендуется применять в части, не затрагивающей эту ссылку.
3 Термины, определения и сокращения
3.1 В настоящем стандарте применены термины по
ГОСТ Р 57114,
ГОСТ Р 55105, а также следующие термины с соответствующими определениями:
3.1.1 устройство автоматики разгрузки при коротких замыканиях; устройство АРКЗ: Отдельное микропроцессорное устройство противоаварийной автоматики, реализующее функцию автоматики разгрузки при коротких замыканиях.
3.1.2 устройство фиксации тяжести короткого замыкания; устройство ФТКЗ: Микропроцессорное устройство противоаварийной автоматики, реализующее функцию фиксации тяжести короткого замыкания, как выполненное в виде отдельного устройства противоаварийной автоматики, так и в виде микропроцессорного многофункционального устройства противоаварийной автоматики, в котором реализована функция фиксации тяжести короткого замыкания.
Примечание - По тексту настоящего стандарта указание на "устройство АРКЗ (ФТКЗ)" означает, что соответствующее требование стандарта относится как к устройству АРКЗ, так и к устройству ФТКЗ, выполненному в виде отдельного устройства.
3.1.3 функция автоматики разгрузки при коротких замыканиях: Совокупность функций фиксации тяжести короткого замыкания, контроля предшествующего режима, выбора вида, объема и мест (направлений) реализации управляющих воздействий и выдачи управляющего воздействия, реализуемых устройством (совокупностью устройств) противоаварийной автоматики, предназначенных для предотвращения нарушения динамической устойчивости генерирующего оборудования электростанций.
3.1.4 номер версии алгоритма функционирования устройства АРКЗ (ФТКЗ): Индивидуальный цифровой, буквенный или буквенно-цифровой набор (номер), в том числе входящий в состав номера версии программного обеспечения устройства АРКЗ (ФТКЗ), отличающий указанную версию алгоритма функционирования устройства АРКЗ (ФТКЗ) от других версий и подлежащий изменению при внесении изменений в алгоритм функционирования устройства АРКЗ (ФТКЗ), включая изменения, вносимые при модификации, иной переработке или адаптации алгоритма функционирования устройства АРКЗ (ФТКЗ).
3.1.5 программно-аппаратный комплекс моделирования энергосистем в режиме реального времени: Программно-аппаратный комплекс, предназначенный для создания математической модели энергосистемы, расчета параметров электроэнергетического режима энергосистемы при заданных возмущающих воздействиях и обеспечивающий физическое подключение испытываемого (проверяемого) устройства релейной защиты и автоматики к математической модели энергосистемы и получения устройством релейной защиты и автоматики данных о параметрах режима в режиме реального времени.
3.1.6 тестовая модель энергосистемы: Цифровая модель энергосистемы, созданная в программно-аппаратном комплексе моделирования энергосистем в режиме реального времени, в объеме, необходимом для проведения сертификационных испытаний устройств АРКЗ (ФТКЗ).
3.2 В настоящем стандарте использованы следующие сокращения:
АРКЗ - автоматика разгрузки при коротких замыканиях;
АСУ ТП - автоматизированная система управления технологическими процессами объекта электроэнергетики;
КЗ - короткое замыкание;
КПР - контроль предшествующего режима;
ЛЭП - линия электропередачи;
ПАК РВ - программно-аппаратный комплекс моделирования энергосистем в режиме реального времени;
ПС - подстанция;
РЗА - релейная защита и автоматика;
ТН - трансформатор напряжения;
ТЭС - тепловая электростанция;
ФТКЗ - фиксация тяжести короткого замыкания;
ЭДС - электродвижущая сила.
4 Требования к устройствам автоматики разгрузки при коротких замыканиях (фиксации тяжести короткого замыкания)
4.1 Устройства АРКЗ (ФТКЗ) предназначены для предотвращения нарушения динамической устойчивости генерирующего оборудования электростанций.
4.2 Для реализации функции ФТКЗ устройство АРКЗ (ФТКЗ) должно обеспечивать возможность определения тяжести КЗ непосредственным и прямым измерением следующих параметров во время КЗ:
- величины снижения (сброса) активной мощности электростанции (отдельных генераторов или групп генераторов);
- величины напряжения на шинах электростанции (или ПС в соответствии с
ГОСТ Р 55105);
- длительности КЗ.
Дополнительно к указанным способам реализации функции ФТКЗ в устройстве АРКЗ (ФТКЗ) допускается реализация с определением тяжести КЗ непосредственным прямым измерением величины угла между ЭДС и напряжением на шинах электростанции (или ПС в соответствии с
ГОСТ Р 55105).
4.3 Устройство АРКЗ (ФТКЗ) для реализации функции ФТКЗ должно обеспечивать возможность:
а) пуска функции ФТКЗ по факту фиксации признаков КЗ;
б) задания не менее четырех ступеней с контролем напряжения;
в) задания для каждой из ступеней с контролем напряжения отдельной уставки по напряжению и времени срабатывания и отдельной уставки по напряжению и времени возврата;
г) задания не менее четырех ступеней с контролем снижения (сброса) активной мощности;
д) измерения напряжения не менее чем в двух точках распределительного устройства электростанции (или ПС в соответствии с
ГОСТ Р 55105) и выполнения функции ФТКЗ при выводе одного из ТН в ремонт.
4.4 Для реализации функции КПР устройство АРКЗ должно обеспечивать возможность:
а) измерения активной мощности четырех и более присоединений;
б) задания уставок срабатывания и возврата по активной мощности;
в) задания не менее восьми ступеней фиксации активной мощности;
г) задания уставок по времени срабатывания и возврата ступеней КПР.
4.5 В устройстве АРКЗ (ФТКЗ) должна быть предусмотрена возможность изменения уставок.
4.6 Устройство АРКЗ (ФТКЗ) не должно срабатывать при:
- возникновении неисправностей в цепях напряжения;
- потере цепей напряжения;
- возникновении неисправностей в цепях тока;
- перезагрузке устройства;
- изменении уставок (групп уставок) и отсутствии требования на срабатывание;
- замыкании на землю в одной точке в сети оперативного постоянного тока;
- снятии, подаче оперативного тока (в том числе обратной полярности);
- перерывах питания любой длительности и глубины снижения напряжения оперативного тока.
4.7 После перерывов питания любой длительности и/или перезагрузки устройство АРКЗ (ФТКЗ) должно восстанавливать работоспособность с заданными уставками и алгоритмом функционирования.
4.8 Устройство АРКЗ (ФТКЗ) должно обеспечивать:
- внутреннюю функцию регистрации аналоговых сигналов и дискретных событий в объеме, необходимом для анализа работы устройства;
- экспорт осциллограмм в формате COMTRADE (см.
[3]).
4.9 В устройстве АРКЗ (ФТКЗ) должна быть предусмотрена автоматическая диагностика программно-аппаратных средств с сигнализацией о неисправности.
4.10 В устройстве АРКЗ (ФТКЗ) должна быть предусмотрена возможность синхронизации с глобальными навигационными системами. Все зарегистрированные в устройстве АРКЗ (ФТКЗ) данные должны иметь метки всемирного координированного времени.
4.11 В устройстве АРКЗ (ФТКЗ) должна быть реализована возможность передачи информации о его функционировании в АСУ ТП и во внешние регистраторы аварийных событий и процессов.
4.12 Документация на устройство АРКЗ (ФТКЗ) должна быть на русском языке и включать следующую информацию.
4.12.1 Руководство по эксплуатации устройства АРКЗ (ФТКЗ), содержащее:
- информацию об области применения устройства;
- версию программного обеспечения устройства (при наличии - также версию алгоритма функционирования);
- описание технических параметров (характеристик) устройства;
- функционально-логические схемы и схемы программируемой логики устройства с описанием алгоритма работы данных схем;
- схемы подключения устройства по всем входным и выходным цепям.
4.12.2 Документация по техническому обслуживанию устройства АРКЗ (ФТКЗ):
- инструкция по наладке, техническому обслуживанию и эксплуатации устройства с указанием требований по периодичности, виду обслуживания и необходимому объему профилактических работ по каждому виду обслуживания;
- форма протокола технического обслуживания, учитывающая последовательность и объем работ по техническому обслуживанию устройств РЗА, установленных законодательством РФ в области электроэнергетики, и при необходимости дополнительные объемы проверки, установленные организацией - изготовителем устройства АРКЗ (ФТКЗ);
- инструкция по обновлению программного обеспечения устройства с необходимым объемом проверочных работ при обновлении программного обеспечения.
Примечание - Документацию по техническому обслуживанию, указанную в
4.12.2, допускается включать в состав руководства по эксплуатации устройства АРКЗ (ФТКЗ).
4.12.3 Методика расчета и выбора параметров настройки (уставок) и алгоритмов функционирования устройства АРКЗ (ФТКЗ), в том числе включающая бланк уставок, содержащий перечень всех параметров настройки (уставок) и алгоритмов функционирования, предусмотренных организацией - изготовителем устройства АРКЗ (ФТКЗ), условия выбора каждого параметра настройки (уставки) и алгоритма функционирования устройства АРКЗ (ФТКЗ), типовые примеры их выбора.
5 Требования к испытаниям устройств автоматики разгрузки при коротких замыканиях (фиксации тяжести короткого замыкания)
5.1 Для проверки выполнения требований к устройствам АРКЗ (ФТКЗ), установленных настоящим стандартом, следует проводить испытания.
Результаты испытаний распространяются на конкретный тип (марку) устройства АРКЗ (ФТКЗ) и конкретную версию алгоритма функционирования устройства АРКЗ (ФТКЗ), непосредственно прошедшую проверку выполнения указанных требований. В случае изменения алгоритма функционирования устройства АРКЗ (ФТКЗ), прошедшего проверку, необходимо проводить повторные испытания.
5.2 Испытания устройства АРКЗ (ФТКЗ) следует проводить в соответствии с методикой проведения испытаний устройств АРКЗ (ФТКЗ) согласно
приложению А с использованием ПАК РВ.
5.3 Для проведения испытаний устройства АРКЗ (ФТКЗ) организация (испытательная лаборатория, испытательный центр), проводящая испытания (далее - организация, осуществляющая испытания), должна быть оснащена соответствующей производственно-технической базой (техническими средствами), необходимой для проведения испытаний, включая математическую модель энергосистемы, созданную с применением ПАК РВ, в составе тестовой схемы с характеристиками, требуемыми для проведения испытаний устройств АРКЗ (ФТКЗ) в соответствии с
приложением А.
5.4 Испытания следует проводить по программе, разработанной в соответствии с
приложением А.
Программа испытаний должна учитывать вид устройства (АРКЗ или ФТКЗ).
5.5 Для проведения испытаний собственником или иным законным владельцем объекта электроэнергетики, на котором планируется к установке (установлено) устройство АРКЗ (ФТКЗ), или иным лицом, заинтересованным в их проведении (далее - владелец устройства), должны быть предоставлены следующие документы и информация:
- руководство (инструкция) по эксплуатации устройства АРКЗ (ФТКЗ), включающее техническое описание с обязательным указанием типа, функционально-логические схемы, а также инструкция по монтажу, настройке и вводу в эксплуатацию устройств АРКЗ (ФТКЗ);
- номер версии алгоритма функционирования устройства АРКЗ (ФТКЗ), применяемого в устройстве АРКЗ (ФТКЗ), и краткое описание алгоритма функционирования устройства АРКЗ (ФТКЗ);
- параметры настройки устройства АРКЗ (ФТКЗ) для проведения испытаний, а также обоснование их выбора.
5.6 Для проведения испытаний владелец устройства передает организации, осуществляющей испытания, устройство АРКЗ (ФТКЗ) и согласовывает схему его подключения к тестовой модели энергосистемы (к интерфейсным блокам ПАК РВ), параметры настройки устройств АРКЗ (ФТКЗ) и параметры ПАК РВ.
5.7 Организация, осуществляющая испытания, проводит их в соответствии с этапами подготовки и проведения испытаний устройств АРКЗ (ФТКЗ) согласно
А.2, приложение А.
5.8 Результаты испытаний оформляют протоколом. Протокол испытаний должен быть подписан всеми участниками испытаний.
5.9 Протокол испытаний должен содержать следующую информацию:
- наименование и адрес владельца устройства;
- наименование и адрес организации, проводившей испытания;
- номер и дату протокола испытаний, нумерацию каждой страницы протокола, а также общее количество страниц;
- дату (период) проведения испытаний;
- место проведения испытаний;
- перечень лиц, принявших участие в испытаниях;
- ссылку на настоящий стандарт, на соответствие которому проведены испытания;
- программу испытаний;
- описание устройства АРКЗ (ФТКЗ) (тип, номинальные параметры, номер версии алгоритма функционирования, структурная схема алгоритма функционирования и ее описание с учетом внесенных при испытаниях изменений);
- описание тестовой модели энергосистемы, на которой проводились испытания;
- параметры ПАК РВ (тип, модель, заводской номер);
- параметры настройки (уставки) устройства АРКЗ (ФТКЗ) с обоснованием их выбора, представленные владельцем устройства АРКЗ (ФТКЗ) или уполномоченным им лицом;
- результаты проведенных испытаний, содержащие материалы (осциллограммы, отражающие все входные и выходные аналоговые и дискретные сигналы, подаваемые в устройство и принимаемые от устройства, а также информация о внутренних вычисляемых переменных и сигналах, показания регистрирующих приборов, журналы срабатываний испытываемого устройства АРКЗ [(ФТКЗ) и т.п.]), достаточные для оценки правильности функционирования испытуемого устройства АРКЗ (ФТКЗ) в каждом из проведенных опытов;
- скорректированные параметры настройки устройства АРКЗ (ФТКЗ) [в случае если такие параметры, измененные по сравнению с первоначально выбранными параметрами настройки, были предложены владельцем устройства АРКЗ (ФТКЗ) или уполномоченным им лицом в ходе испытаний] с приложением обоснования корректировки;
- оценку правильности функционирования устройства АРКЗ (ФТКЗ) в каждом из проведенных опытов и выводы о соответствии или несоответствии проверяемых параметров, характеристик устройства АРКЗ (ФТКЗ) настоящему стандарту, в том числе по каждому проверяемому параметру, характеристике.
5.10 Устройство АРКЗ (ФТКЗ) считают прошедшим испытания, если по результатам оценки правильности функционирования устройства АРКЗ (ФТКЗ) в каждом из проведенных опытов сделан вывод о соответствии всех проверяемых параметров, характеристик устройства АРКЗ (ФТКЗ) требованиям настоящего стандарта.
5.11 Информация о результатах испытаний с указанием наименования, вида устройства АРКЗ (ФТКЗ), его типа (марки) и номера версии алгоритма функционирования устройства АРКЗ (ФТКЗ), в отношении которой проводились испытания, и приложением копии протокола испытаний должна быть направлена владельцем устройства (уполномоченным им лицом) субъекту оперативно-диспетчерского управления в электроэнергетике.
(обязательное)
МЕТОДИКА ПРОВЕДЕНИЯ ИСПЫТАНИЙ УСТРОЙСТВ АВТОМАТИКИ
РАЗГРУЗКИ ПРИ КОРОТКИХ ЗАМЫКАНИЯХ
(ФИКСАЦИИ ТЯЖЕСТИ КОРОТКОГО ЗАМЫКАНИЯ)
А.1 Область применения методики
Методика должна применяться при проведении испытаний устройств АРКЗ (ФТКЗ) для проверки их соответствия требованиям настоящего стандарта.
А.2 Этапы подготовки и проведения испытаний устройств АРКЗ (ФТКЗ)
Испытания устройств АРКЗ (ФТКЗ) проводят с использованием тестовой модели энергосистемы и ПАК РВ.
Испытания должны содержать следующие этапы:
- сборка тестовой модели энергосистемы;
- установка в устройстве АРКЗ (ФТКЗ) представленных владельцем устройства параметров настройки устройства АРКЗ (ФТКЗ) для тестовой модели энергосистемы;
- подключение устройства АРКЗ (ФТКЗ) к ПАК РВ;
- проведение испытаний;
- анализ результатов испытаний;
- подготовка протокола испытаний с заключением.
А.3 Сборка тестовой модели энергосистемы
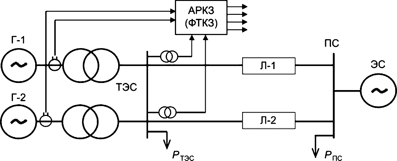
А.3.1 Тестовая модель энергосистемы должна соответствовать схеме, приведенной на
рисунке А.1. Нормальная схема и параметры установившегося предаварийного режима для проведения опытов приведены на
рисунке А.2.
Г-1, Г-2 - генератор 1 и 2; Л-1, Л-2 - линия электропередачи
1 и 2; ЭС - энергосистема; PТЭС - нагрузка в узле ТЭС;
PПС - нагрузка в узле ПС
Рисунок А.1 - Схема тестовой модели энергосистемы
для проведения испытаний устройств АРКЗ (ФТКЗ)
Г-1, Г-2 - генератор 1 и 2; Л-1, Л-2 - линия электропередачи
1 и 2; ЭС - энергосистема; PТЭС - нагрузка в узле ТЭС;
PПС - нагрузка в узле ПС; PГ1, PГ2 - активная мощность
генератора 1 и 2; UГ1, UГ2 - номинальное напряжение
генератора 1 и 2; UПС - напряжение в узле ПС;
UТЭС - напряжение в узле ТЭС
Рисунок А.2 - Нормальная схема и параметры
предаварийного электрического режима для проведения опытов
А.3.2 Параметры элементов тестовой модели энергосистемы должны соответствовать параметрам, приведенным в
таблицах А.1 -
А.4. Генераторы Г-1 и Г-2 должны быть оснащены устройствами автоматического регулирования возбуждения сильного действия.
Таблица А.1
Параметры генераторов тестовой модели энергосистемы
Узел | Pг.ном | Xd | | | Td0 | Tj |
МВт | Ом | о. е. | Ом | о. е. | Ом | о. е. | с | с |
Г-1 | 300 | 610 | 1,54 | 186 | 0,47 | 75 | 0,19 | 7 | 4 |
Г-2 | 300 | 610 | 1,54 | 186 | 0,47 | 75 | 0,19 | 7 | 4 |
ЭС | Энергосистема активной мощностью, равной 10 000 МВт |
Примечание - Г-1, Г-2 - генератор 1 и 2; ЭС - энергосистема; Pг.ном - номинальная активная мощность генератора; Xd - синхронное реактивное сопротивление по продольной оси;  - переходное реактивное сопротивление по продольной оси;  - сверхпереходное реактивное сопротивление по продольной оси; Td0 - постоянная времени обмотки возбуждения при разомкнутой обмотке якоря; Tj - постоянная времени инерции турбоагрегата. |
Таблица А.2
Параметры трансформаторов тестовой модели энергосистемы
Узел | Sном, МВА | Uном.вн/Uном.нн | Rтр | Xтр | Группа соединения обмоток |
Ом | о. е. | Ом | о. е. |
Т-1 | 400 | 330/20 | 0,6 | 0,002 | 34,7 | 0,115 | |
Т-2 | 400 | 330/20 | 0,6 | 0,002 | 34,7 | 0,115 | |
Примечание - Т-1, Т-2 - трансформатор 1 и 2; Sном - полная мощность трансформатора номинальная; Uном.вн/Uном.нн - номинальный коэффициент трансформации; Rтр - активное сопротивление трансформатора; Xтр - реактивное сопротивление трансформатора. |
Таблица А.3
Параметры ЛЭП тестовой модели энергосистемы
Номер линии | Номера узлов примыкания | R1 + jX1 | X0 | b |
Ом | Ом | мкСм |
1 | 1 - 2 | 2,75 + j43,23 | 108,06 | 444,3 |
2 | 1 - 2 | 2,07 + j32,5 | 81,25 | 334,1 |
Примечание - R - активное сопротивление ЛЭП; X - реактивное сопротивление ЛЭП; j - обозначение мнимой части комплексного числа; X0 - реактивное сопротивление нулевой последовательности; b - емкостная проводимость ЛЭП. |
Таблица А.4
Мощность нагрузки в узлах тестовой модели энергосистемы
Узел нагрузки | Pпотр, МВт |
ТЭС | |
ПС | |
<*> Нагрузка потребления моделируется активным сопротивлением. Примечание - Pпотр - активная мощность нагрузки. |
А.3.3 Подключение устройства АРКЗ (ФТКЗ) по цепям тока можно производить к трансформаторам тока, установленным со стороны высокого или низкого напряжения силовых трансформаторов ТЭС. Подключение устройства АРКЗ (ФТКЗ) по цепям напряжения необходимо производить к ТН, установленным со стороны высокого напряжения ТЭС.
А.3.4 Тестовая модель энергосистемы должна быть оснащена системой контроля и регистрации параметров электроэнергетического режима, обеспечивающей:
- измерение и запись параметров электроэнергетического режима с дискретностью не более 1 мс;
- запись параметров электроэнергетического режима в течение не менее 30 с в формате COMTRADE (см.
[3]).
А.4 Проведение испытаний
А.4.1 Испытания проводят в соответствии с программой испытаний, разработанной организацией, осуществляющей испытания.
А.4.2 Количество ступеней устройств АРКЗ (ФТКЗ) и условия их срабатывания при проведении испытаний приведены в
таблице А.5. Каждая ступень устройства АРКЗ (ФТКЗ) при проведении испытаний должна включать в себя ступень с уставками срабатывания по напряжению и ступень с уставками по снижению (сбросу) активной мощности. Ступень с уставками по углу между ЭДС генераторов и напряжением на шинах станции задается только при реализации данного метода определения тяжести КЗ в устройстве АРКЗ (ФТКЗ). Величина уставки КПР по активной мощности устройства АРКЗ составляет 60% от номинальной активной мощности ТЭС.
Таблица А.5
Ступени устройства АРКЗ (ФТКЗ) и условия их срабатывания
Номер ступени | Уставки срабатывания | Уставка по длительности КЗ tсраб, с | Предназначение ступени |
по напряжению | по снижению (сбросу) активной мощности | по углу между ЭДС генераторов и напряжением на шинах станции |
1 | Определяется владельцем устройства | 0,12 | Срабатывание при близких <*> К (3) |
2 | Определяется владельцем устройства | 0,12 | Срабатывание при близких и удаленных <**> К (3) и близких К (1,1) |
3 | Определяется владельцем устройства | 0,35 | Срабатывание при близких и удаленных К(3), К(2), К(1,1) |
4 | Определяется владельцем устройства | 0,35 | Срабатывание при близких К(3), переходящих в К(1) |
<*> Близкое КЗ - КЗ на линии Л-1 у шин 330 кВ ТЭС. <**> Удаленное КЗ - КЗ на линии Л-1 на расстоянии, равном 20% от длины линии Л-1 от шин ТЭС. Примечание - К(1,1) - двухфазное КЗ на землю; К(2) - двухфазное КЗ; К(3) - трехфазное КЗ. |
А.4.3 Программа испытаний должна включать опыты, приведенные в
таблице А.6.
Таблица А.6
Перечень опытов программы испытаний
Номер опыта | Предшествующий режим | Испытания | Корректное действие устройства АРКЗ <*> | Корректное действие устройства ФТКЗ <*> |
| Нормальная схема | Замыкание клеммы питания "+" устройства на землю | Отсутствие срабатывания | Отсутствие срабатывания |
| Нормальная схема | Замыкание клеммы питания "-" устройства на землю | Отсутствие срабатывания | Отсутствие срабатывания |
3 | Нормальная схема | Отключение оперативного питания на 60 с и включение оперативного питания | Отсутствие срабатывания. Готовность устройства к работе | Отсутствие срабатывания. Готовность устройства к работе |
4 | Нормальная схема | Отключение фазы A вторичных цепей ТН 1 | Отсутствие срабатывания | Отсутствие срабатывания |
5 | Нормальная схема | Отключение фаз A и B вторичных цепей ТН 1 | Отсутствие срабатывания | Отсутствие срабатывания |
6 | Нормальная схема | Отключение фаз A, B, C вторичных цепей от обмоток ТН 1, соединенных "звездой" | Отсутствие срабатывания | Отсутствие срабатывания |
7 | Нормальная схема | Замыкание фазы B вторичной цепи от ТН 1 на корпус (землю) | Отсутствие срабатывания | Отсутствие срабатывания |
8 | Нормальная схема | Замыкание фаз A и B вторичной цепи от ТН 1 на корпус (землю) | Отсутствие срабатывания | Отсутствие срабатывания |
9 | Нормальная схема | Смена фаз A и B вторичной цепи от ТН 1 | Отсутствие срабатывания | Отсутствие срабатывания |
10 | Нормальная схема | Отключение нулевого вывода обмоток ТН 1, соединенных "звездой" | Отсутствие срабатывания | Отсутствие срабатывания |
11 | Нормальная схема | Отключение одной фазы вторичных цепей трансформатора тока | Отсутствие срабатывания | Отсутствие срабатывания |
12 | Нормальная схема | Отключение двух фаз вторичных цепей трансформатора тока | Отсутствие срабатывания | Отсутствие срабатывания |
13 | Нормальная схема | Изменение уставок в устройстве АРКЗ (ФТКЗ) | Отсутствие срабатывания | Отсутствие срабатывания |
14 | Нормальная схема | Перезагрузка устройства (с помощью кнопки на устройстве, тумблера и т.д.) | Отсутствие срабатывания | Отсутствие срабатывания |
15 | Нормальная схема | На устройство АРКЗ (ФТКЗ) подают сигнал об изменении группы уставок | Смена группы уставок. Отсутствие срабатывания | Смена группы уставок. Отсутствие срабатывания |
16 | Нормальная схема | Трехфазное КЗ длительностью 0,08 с на Л-1 вблизи ТЭС (RШ = 0,1 Ом) с неуспешным АПВ с временем 0,5 с | Отсутствие срабатывания | Отсутствие срабатывания |
17 | Нормальная схема | Трехфазное КЗ длительностью 0,15 с на Л-1 вблизи ТЭС (RШ = 0,1 Ом) без отключения ЛЭП | Срабатывание 1, 2 ступеней | Срабатывание 1, 2 ступеней |
18 | Нормальная схема. Вывод ТН 1 в ремонт | Трехфазное КЗ длительностью 0,15 с на Л-1 вблизи ТЭС (RШ = 0,1 Ом) без отключения ЛЭП | Срабатывание 1, 2 ступеней | Срабатывание 1, 2 ступеней |
19 | Нормальная схема | Трехфазное КЗ на землю длительностью 0,15 с на Л-1 вблизи ТЭС (RШA = 3 Ом, RШB,C = 0,1 Ом) без отключения ЛЭП | Срабатывание 1, 2 ступеней | Срабатывание 1, 2 ступеней |
20 | Нормальная схема | Трехфазное КЗ длительностью 0,15 с на Л-1 на расстоянии 20% от длины ЛЭП от ТЭС (RШ = 0,1 Ом) без отключения ЛЭП | Срабатывание 2 ступени | Срабатывание 2 ступени |
21 | Нормальная схема | Двухфазное КЗ (фаз A, B) длительностью 0,39 с на Л-1 вблизи ТЭС (RШ = 0,1 Ом) без отключения ЛЭП | Срабатывание 3 ступени | Срабатывание 3 ступени |
22 | Нормальная схема | Двухфазное КЗ (фаз A, B) на землю длительностью 0,39 с на Л-1 вблизи ТЭС (RШ = 0,1 Ом) без отключения ЛЭП | Срабатывание 2, 3 ступеней | Срабатывание 2, 3 ступеней |
23 | Нормальная схема | Двухфазное КЗ (фаз A, B) на землю длительностью 0,39 с на Л-1 на расстоянии 15% длины от ЛЭП от ТЭС (RШ = 0,1 Ом) без отключения ЛЭП | Срабатывание 3 ступени | Срабатывание 3 ступени |
24 | Нормальная схема | Однофазное КЗ (фазы A) длительностью 0,39 с на Л-1 вблизи ТЭС (RШ = 0,1 Ом) без отключения ЛЭП | Отсутствие срабатывания | Отсутствие срабатывания |
25 | Нормальная схема | Трехфазное КЗ длительностью 0,08 с на Л-1 вблизи ТЭС (RШ = 0,1 Ом), переходящее в однофазное КЗ фазы A длительностью 0,32 с без отключения ЛЭП | Срабатывание 4 ступени | Срабатывание 4 ступени |
26 | Нормальная схема | Двухфазное КЗ (фаз A, B) на землю длительностью 0,08 с на Л-1 вблизи ТЭС (RШ = 0,1 Ом), переходящее в однофазное КЗ фазы A длительностью 0,32 с без отключения ЛЭП | Отсутствие срабатывания | Отсутствие срабатывания |
27 | Нормальная схема PГ1 = PГ2 = 0,5Pном | Трехфазное КЗ длительностью 0,15 с на Л-1 вблизи ТЭС (RШ = 0,1 Ом), переходящее в однофазное КЗ фазы A длительностью 0,3 с без отключения ЛЭП | Отсутствие срабатывания | Корректность работы устройства ФТКЗ не проверяется |
28 | Нормальная схема | Отключение фазы A на Л-1 и однофазное автоматическое повторное включение через 1,5 с | Отсутствие срабатывания | Отсутствие срабатывания |
29 | Нормальная схема | Отключение Л-1 и АПВ через 0,7 с | Отсутствие срабатывания | Отсутствие срабатывания |
30 | Нормальная схема | Сброс мощности станции до уровня 0,5Pном за 0,3 с | Отсутствие срабатывания | Отсутствие срабатывания |
31 | Нормальная схема PГ1 = PГ2 = 0,5Pном | Набор мощности станции до уровня Pном за 1 с | Отсутствие срабатывания | Отсутствие срабатывания |
32 | Нормальная схема | Асинхронный режим ТЭС относительно ЭС с длительностью цикла асинхронного режима 2 с и расположением электрического центра качаний на Л-1 и Л-2 | Отсутствие срабатывания | Отсутствие срабатывания |
<*> В каждом из опытов, в котором фиксируется срабатывание устройства АРКЗ (ФТКЗ), срабатывают также соответствующие ступени по напряжению и по сбросу мощности. Примечание - ТН 1 - трансформатор напряжения 1; Л-1, Л-2 - линии (электропередачи) 1, 2; PГ1, PГ2 - активная мощность генератора 1 и 2; Pном - номинальная активная мощность генератора; RШ - активное сопротивление шунта КЗ; RШA - активное сопротивление шунта КЗ в фазе A; RШB,C - активное сопротивление шунта КЗ в фазе C. |
А.4.4 Число опытов может быть сокращено, если
опыты 1 и
2, приведенные в
таблице А.6, проводились в ходе заводских испытаний и подтверждены соответствующими протоколами испытаний.
А.4.5 Программа может быть дополнена с учетом индивидуальных особенностей выполнения устройства АРКЗ (ФТКЗ).
А.4.6 Настройка испытуемого устройства АРКЗ (ФТКЗ) должна быть выполнена организацией, осуществляющей испытания, в соответствии с представленными владельцем устройства параметрами настройки устройства АРКЗ (ФТКЗ) для тестовой модели энергосистемы.
А.4.7 Все опыты, предусмотренные в программе испытаний, должны выполняться при неизменных параметрах настройки испытуемого устройства АРКЗ (ФТКЗ). Если в процессе проведения испытаний выявится необходимость корректировки настройки испытуемого устройства АРКЗ (ФТКЗ), все опыты, предусмотренные программой испытаний, должны быть выполнены повторно с измененными параметрами настройки устройства АРКЗ (ФТКЗ).
А.4.8 Регистрацию параметров электроэнергетического режима необходимо выполнять для каждого опыта.
А.5 Анализ результатов испытаний
А.5.1 Описание правильной работы устройства АРКЗ (ФТКЗ) при проведении опытов приведено в
таблице А.6.
А.5.2 Устройство АРКЗ (ФТКЗ) считают прошедшим испытания, если в каждом из опытов оно работало правильно.
А.5.3 Устройство АРКЗ (ФТКЗ) считают не прошедшим испытания, если хотя бы в одном из опытов оно работало неправильно.
| Правила технологического функционирования электроэнергетических систем (утверждены Постановлением Правительства Российской Федерации от 13 августа 2018 г. N 937) |
| Требования к оснащению линий электропередачи и оборудования объектов электроэнергетики классом напряжения 110 кВ и выше устройствами и комплексами релейной защиты и автоматики, а также к принципам функционирования устройств и комплексов релейной защиты и автоматики (утверждены Приказом Минэнерго России от 13 февраля 2019 г . N 101) |
| МЭК 60255-24:2013 | Измерительные реле и устройства защиты. Часть 24. Общий формат для обмена данными переходных процессов (COMTRADE) для энергосистем [Measuring relays and protection equipment - Part 24: Common format for transient data exchange (COMTRADE) for power systems] |
УДК 621.311:006.354 | |
Ключевые слова: противоаварийная автоматика, энергосистема, динамическая устойчивость, электростанция, автоматика разгрузки при коротких замыканиях, фиксация тяжести короткого замыкания |