Главная // Актуальные документы // ГОСТ Р (Государственный стандарт)СПРАВКА
Источник публикации
М.: ФГБУ "Институт стандартизации", 2023
Примечание к документу
Документ
введен в действие с 01.09.2023.
Название документа
"ГОСТ Р 70848-2023. Национальный стандарт Российской Федерации. Оборудование противодымной защиты зданий и сооружений. Клапаны избыточного давления. Метод испытаний на огнестойкость"
(утв. и введен в действие Приказом Росстандарта от 15.08.2023 N 639-ст)
"ГОСТ Р 70848-2023. Национальный стандарт Российской Федерации. Оборудование противодымной защиты зданий и сооружений. Клапаны избыточного давления. Метод испытаний на огнестойкость"
(утв. и введен в действие Приказом Росстандарта от 15.08.2023 N 639-ст)
Утвержден и введен в действие
агентства по техническому
регулированию и метрологии
от 15 августа 2023 г. N 639-ст
НАЦИОНАЛЬНЫЙ СТАНДАРТ РОССИЙСКОЙ ФЕДЕРАЦИИ
ОБОРУДОВАНИЕ ПРОТИВОДЫМНОЙ ЗАЩИТЫ ЗДАНИЙ И СООРУЖЕНИЙ
КЛАПАНЫ ИЗБЫТОЧНОГО ДАВЛЕНИЯ
МЕТОД ИСПЫТАНИЙ НА ОГНЕСТОЙКОСТЬ
The equipment of smoke control systems.
Overpressure dampers. Test method for the fire resistance
ГОСТ Р 70848-2023
Дата введения
1 сентября 2023 года
1 РАЗРАБОТАН Федеральным государственным бюджетным учреждением "Всероссийский ордена "Знак Почета" научно-исследовательский институт противопожарной обороны Министерства Российской Федерации по делам гражданской обороны, чрезвычайным ситуациям и ликвидации последствий стихийных бедствий" (ФГБУ ВНИИПО МЧС России)
2 ВНЕСЕН Техническим комитетом по стандартизации ТК 274 "Пожарная безопасность"
3 УТВЕРЖДЕН И ВВЕДЕН В ДЕЙСТВИЕ
Приказом Федерального агентства по техническому регулированию и метрологии от 15 августа 2023 г. N 639-ст
4 ВВЕДЕН ВПЕРВЫЕ
Правила применения настоящего стандарта установлены в статье 26 Федерального закона от 29 июня 2015 г. N 162-ФЗ "О стандартизации в Российской Федерации". Информация об изменениях к настоящему стандарту публикуется в ежегодном (по состоянию на 1 января текущего года) информационном указателе "Национальные стандарты", а официальный текст изменений и поправок - в ежемесячном информационном указателе "Национальные стандарты". В случае пересмотра (замены) или отмены настоящего стандарта соответствующее уведомление будет опубликовано в ближайшем выпуске ежемесячного информационного указателя "Национальные стандарты". Соответствующая информация, уведомление и тексты размещаются также в информационной системе общего пользования - на официальном сайте Федерального агентства по техническому регулированию и метрологии в сети Интернет (www.rst.gov.ru)
1.1 Настоящий стандарт устанавливает метод испытаний на огнестойкость клапанов избыточного давления, устанавливаемых в ограждающих строительных конструкциях помещений, защищаемых системами приточной противодымной вентиляции при пожаре.
1.2 Настоящий стандарт не распространяется:
- на клапаны избыточного давления, устанавливаемые вне ограждающих строительных конструкций помещений, защищаемых системами приточной противодымной вентиляции при пожаре;
- на клапаны избыточного давления, предназначенные для установки на вентиляционных каналах систем приточной и вытяжной противодымной вентиляции и обеспечивающих требуемые режимы работы указанных систем.
В настоящем стандарте использованы нормативные ссылки на следующие стандарты:
ГОСТ 12.1.019 Система стандартов безопасности труда. Электробезопасность. Общие требования и номенклатура видов защиты
ГОСТ 12.2.003 Система стандартов безопасности труда. Оборудование производственное. Общие требования безопасности
ГОСТ 6616 Преобразователи термоэлектрические. Общие технические условия
ГОСТ 30247.0-94 (ИСО 834-75) Конструкции строительные. Методы испытаний на огнестойкость. Общие требования
ГОСТ 30247.1-94 (ИСО 834-75) Конструкции строительные. Методы испытаний на огнестойкость. Несущие и ограждающие конструкции
ГОСТ Р 8.585 Государственная система обеспечения единства измерений. Термопары. Номинальные статические характеристики преобразования
ГОСТ Р 53301-2019 Клапаны противопожарные вентиляционных систем. Метод испытаний на огнестойкость
Примечание - При пользовании настоящим стандартом целесообразно проверить действие ссылочных стандартов в информационной системе общего пользования - на официальном сайте Федерального агентства по техническому регулированию и метрологии в сети Интернет или по ежегодному информационному указателю "Национальные стандарты", который опубликован по состоянию на 1 января текущего года, и по выпускам ежемесячного информационного указателя "Национальные стандарты" за текущий год. Если заменен ссылочный стандарт, на который дана недатированная ссылка, то рекомендуется использовать действующую версию этого стандарта с учетом всех внесенных в данную версию изменений. Если заменен ссылочный стандарт, на который дана датированная ссылка, то рекомендуется использовать версию этого стандарта с указанным выше годом утверждения (принятия). Если после утверждения настоящего стандарта в ссылочный стандарт, на который дана датированная ссылка, внесено изменение, затрагивающее положение, на которое дана ссылка, то это положение рекомендуется применять без учета данного изменения. Если ссылочный стандарт отменен без замены, то положение, в котором дана ссылка на него, рекомендуется применять в части, не затрагивающей эту ссылку.
В настоящем стандарте применены следующие термины с соответствующими определениями:
3.1 клапан избыточного давления: КИД: Устройство, открытие которого осуществляется под действием усилия, создаваемого избыточным давлением, и предназначенное для перекрытия вентиляционных проемов в ограждающих строительных конструкциях помещений, имеющее предельное состояние по огнестойкости, с заслонкой, автоматически закрываемой при перепаде давления на клапане менее 20 Па, автоматически открываемой при перепаде давления в диапазоне от 20 до 150 Па.
3.2 корпус клапана избыточного давления: Неподвижный элемент конструкции клапана, устанавливаемый в монтажном проеме ограждающей строительной конструкции помещения.
3.3 заслонка клапана избыточного давления: Подвижный элемент конструкции клапана, установленный в корпусе и перекрывающий его проходное сечение или часть этого сечения.
3.4 предел огнестойкости: Промежуток времени от начала огневого воздействия в условиях стандартных испытаний до наступления одного из нормируемых для клапана избыточного давления предельных состояний.
4.1 Предел огнестойкости КИД определяется временем от начала нагревания испытуемого образца до наступления одного из предельных состояний.
4.2 Учитываются два вида предельных состояний КИД по огнестойкости:
E - потеря плотности;
I - потеря теплоизолирующей способности.
Цифровой показатель в обозначении предела огнестойкости должен соответствовать одному из чисел следующего ряда: 15, 30, 60.
4.3 Потеря теплоизолирующей способности КИД характеризуется повышением температуры в среднем более чем на 140 °C или локально более чем на 180 °C, с необогреваемой стороны на наружной поверхности заслонки клапана (не менее чем в трех точках на указанном расстоянии), в узлах уплотнения корпуса клапана в проеме ограждающей конструкции испытательного стенда (не менее чем в четырех точках).
Вне зависимости от первоначальной температуры значение локальной температуры должно быть не более 220 °C в любых точках на наружной поверхности КИД (в том числе, где ожидается локальный прогрев - стыки, углы, теплопроводные участки).
4.4 Потеря плотности КИД характеризуется:
- проникновением продуктов горения и открытого пламени через образованные в узле уплотнения корпуса клапана по его наружным посадочным поверхностям сквозных трещин и сквозных отверстий, приводящим к воспламенению тампона, размещаемого согласно ГОСТ 30247.1-94
(пункт 8.1.3);
- проникновением продуктов горения через образованные в узле примыкания заслонки (заслонок) клапана к корпусу, в узлах соединения заслонок между собой (при наличии двух и более заслонок в клапане), сквозных трещин и сквозных отверстий, приводящим к воспламенению тампона, размещаемого согласно ГОСТ 30247.1-94
(пункт 8.1.3).
5 Сущность метода и режим испытаний
5.1 Сущность метода заключается в определении времени, по истечении которого наступает одно из предельных состояний конструкции КИД по огнестойкости (см.
4.1 -
4.4) при одностороннем тепловом воздействии на его конструкцию.
5.2 Тепловое воздействие на КИД, установленный на границе между защищаемым приточной противодымной вентиляцией помещением и помещением с очагом пожара, осуществляется в соответствии с температурным режимом в печи и допускаемыми отклонениями температур согласно требованиям ГОСТ 30247.0-94
(пункт 6.1).
5.3 Тепловое воздействие на КИД, установленный на границе между защищаемым приточной противодымной вентиляцией помещением и коридором (вестибюлем, холлом), сообщающимся через дверной или иной проем с помещением с очагом пожара, осуществляется в соответствии с температурным режимом в печи и допускаемыми отклонениями температур согласно требованиям ГОСТ Р 53301-2019
(пункт 5.3).
5.4 Совместно с оценкой предела огнестойкости КИД проводят проверку его работоспособности в условиях теплового воздействия на его конструкцию в соответствии с одним из принятых температурных режимов по
5.2 или
5.3. Сущность проверки работоспособности заключается в следующем:
- заслонка КИД должна закрыться при снижении перепада давления до значения менее 20 Па;
- заслонка КИД должна открыться (в т.ч. частично) при перепаде давления 20 Па и более;
- перепад давления на КИД не должен превышать 150 Па при перемещении через него воздуха с максимальным значением расхода, заявленного производителем для испытуемого изделия.
5.5 Избыточное давление в огневой камере по отношению к окружающей среде на уровне горизонтального геометрического центра образца должно быть:
- не более 15 Па, при определении его предела огнестойкости;
- не нормируется, при определении его работоспособности.
5.6 Допустимое отклонение от значений, указанных в
5.4,
5.5, не должно превышать 10%.
5.7 Положение заслонки, соответствующее ее закрытому положению, а также открытому положению (в т.ч. частичному) по
5.4 приведено на рисунке 1.
Примечание -

- заслонка КИД закрыта;

- заслонка КИД открыта.
1 - ось заслонки; 2 - первоначальное положение заслонки КИД
до момента включения вентилятора стенда; 3 - положение
заслонки КИД после включения вентилятора стенда; 4 - корпус
КИД; L - расстояние, на которое происходит отклонение
заслонки КИД после включения вентилятора стенда
по отношению к ее первоначальному положению, мм;

- толщина заслонки КИД, мм
Рисунок 1 - Определение положения заслонки КИД
6 Стендовое оборудование и измерительная аппаратура
6.1 Стенд для проведения испытаний приведен на
рисунках А.1,
А.2 (приложение А) и состоит из огневой камеры (печи) с внутренними размерами не менее 2,0 x 2,0 x 2,5 м, с проемом для установки образца КИД размерами не менее 1,2 x 1,2 м и системы для создания и регулирования избыточного давления и расхода на образце, включающей вентилятор, измерительный расходомерный участок, а также соединительные магистрали для стыковки испытуемого образца с указанной выше системой.
6.2 Вентилятор стенда должен обеспечивать подачу воздуха (при 20 °C) со значением, превышающим установленное в
5.4 на 10% и более.
Напор вентилятора подбирается (рассчитывается) с учетом фактического сопротивления вентиляционной сети.
6.3 Регулирование избыточного давления и расхода на образце обеспечивается регулировочным шибером, установленным на напорном участке системы для создания и регулирования избыточного давления и расхода на образце, площадью проходного сечения не менее испытуемого КИД согласно
рисунку А.2 (приложение А). Для дополнительного регулирования подачи и напора вентилятора стенда допускается применение шибера на всасе, а также преобразователя частоты (инвертора).
6.4 Испытательный стенд оснащается средствами измерения температуры, интервалов времени, скорости воздушных потоков и перепада давлений.
6.5 Для измерения температуры используют термоэлектрический преобразователь (ТЭП) типа ТХА (технические условия по
ГОСТ 6616), номинальные статистические характеристики и пределы допускаемых отклонений термоэлектродвижущей силы которых, должны соответствовать
ГОСТ Р 8.585 или ТЭП с индивидуальной градуировкой.
6.6 Для измерения температуры в огневой камере используют ТЭП с диаметром электродов не менее 1,0 мм. Место установки ТЭП приведено на
рисунках А.1,
А.2 (приложение А).
6.7 Для измерения температуры на необогреваемых поверхностях клапана и узлов уплотнения в проеме печи, а также в мерном сечении используют ТЭП с диаметром электродов от 0,5 до 0,7 мм. Количество ТЭП и места их установки указаны на
рисунках А.1,
А.2 (приложение А).
6.8 Регистрацию температур осуществляют приборами с диапазоном измерения от 0 °C до 1300 °C, класса точности не менее 1,0.
6.9 Для отбора статического давления в мерном сечении следует устанавливать не менее четырех приемников в виде трубок с внутренним диаметром от 2 до 5 мм, расположенных равномерно по периметру воздуховода на его поверхности. Приемники статического давления должны быть соединены между собой трубкой с диаметром, превышающим диаметр отверстий приемников более чем в два раза.
6.10 Для регистрации перепада давления на КИД следует применять приборы (дифференциальные манометры, микроманометры и т.п.) класса точности не ниже 1,0. Для регистрации перепада давления на КИД допускается применять цифровые дифференциальные манометры с погрешностью измерения:
- не более +/- 25% от измеряемого значения в диапазоне измеряемых значений от 20 до 50 Па;
- не более +/- 20% от измеряемого значения в диапазоне измеряемых значений от 51 до 150 Па.
6.11 Для измерения скорости воздушного потока используют цифровые термоанемометры с погрешностью измерения не более +/- 10% от измеряемого значения. При этом мерный участок воздуховода должен быть прямым и иметь длину не менее 20
D. Допускается уменьшение длины мерного участка воздуховода до 3
D, при условии установки выравнивающего устройства, осевая длина каждой ячейки которого должна быть не менее 6
d ячейки. Расстояние от корпуса КИД до мерного сечения во всех случаях должно быть равным 1,5
D.
Координаты точек измерения скорости воздушного потока в мерном сечении, а также количество точек определяются по рисунку 2.

- точка измерения
Рисунок 2 - Координаты точек измерения скорости
воздушного потока
6.12 Для измерения интервалов времени следует использовать секундомеры класса точности не менее 2,0.
6.13 Для определения положения заслонки по
5.7, а также положении шибера при испытаниях следует использовать линейки и/или штангенциркули класса точности не менее 2,0.
6.14 Для определения атмосферного давления воздуха при испытаниях следует применять барометры-анероиды с классом точности не ниже 1,0.
7 Подготовка к испытаниям
7.1 К испытаниям допускаются образцы, укомплектованные необходимыми для установочного монтажа узлами и деталями в соответствии с технической документацией завода-изготовителя.
7.2 Образцы, поставленные для испытаний, должны соответствовать конструкторской документации. Степень соответствия устанавливается входным контролем.
7.3 Габаритные размеры испытуемых образцов должны быть не более установочных размеров монтажных проемов испытательного стенда.
7.4 Количество образцов, подлежащих испытаниям, должно быть не менее двух. При этом:
- для определения предела огнестойкости образец подлежит подключению (установке) на испытательном стенде в соответствии со схемой, представленной на
рисунке А.1 (приложение А);
- для определения работоспособности образец подлежит подключению (установке) на испытательном стенде в соответствии со схемой, представленной на
рисунке А.2 (приложение А).
7.5 Все регулировочные настройки по выбору положения удерживающей заслонку пружины, балансировочных грузов и других элементов, проводит производитель до момента начала испытаний по
8.2.1,
8.3.1. Не допускается проведение испытаний на огнестойкость и работоспособность образцов с различными положениями удерживающей пружины, балансировочных грузов и других регулирующих элементов.
8 Последовательность проведения испытаний
8.1 Испытания следует проводить при температуре окружающей среды от 0 °C до 40 °C в том случае, если в технической документации на изделие не приведены другие условия на испытания.
8.2 Определение предела огнестойкости
8.2.1 Началом испытаний является момент включения форсунок огневой камеры, непосредственно перед которым заслонка образца приведена в закрытое положение.
8.2.2 Тепловое воздействие на конструкцию КИД подбирают с учетом положений
5.2 или
5.3.
8.2.3 В процессе теплового воздействия проводят контроль и осуществляют измерения следующих параметров:
- температуры в огневой камере испытательного стенда;
- температуры на необогреваемой стороне узла уплотнения корпуса клапана в проеме печи испытательного стенда;
- температуры на необогреваемых наружных поверхностях образца клапана с учетом
4.3;
- момента наступления и характерные признаки потери плотности образца в соответствии с
4.4.
8.2.4 Измерения температур в каждой точке контроля следует проводить с интервалом не более 2 мин.
8.2.5 Испытания выполняют до наступления одного из двух предельных состояний конструкции клапана согласно
разделу 5.
8.2.6 Если за время испытаний предельное состояние по
4.1 не достигается, испытания останавливаются по истечении времени заявленного производителем предела огнестойкости, не более чем через 60 мин с момента начала теплового воздействия, соответствующего
8.2.1.
8.3 Определение работоспособности
8.3.1 После установки на испытательный стенд до теплового воздействия на образец КИД подлежит полному открыванию регулировочный шибер с последующим включением вентилятора стенда.
8.3.2 После выхода вентилятора стенда на рабочий режим (но не менее чем через 60 с), проводят 50-кратное полное закрывание и последующее полное открывание заслонки регулировочного шибера. Частота вращения рабочего колеса при применении частного преобразователя должна быть равна 50 Гц.
8.3.3 С помощью шибера и частотного преобразователя (при необходимости его применения) на образце КИД устанавливают расход со значением, установленным в
5.4. При этом перепад давления на образце не должен превышать 150 Па, с учетом описанного в
5.6 допустимого отклонения.
К огневому испытанию допускается изделие, удовлетворяющее установленным выше требованиям.
8.3.4 Положение шибера, соответствующее расходу проходящего через образец воздуха по
8.3.3 фиксируется посредством нанесения отметки (насечки) на корпусе измерительного стенда, либо измеряется линейкой. Данные отметки (измерения) используют при определении работоспособности КИД в условиях теплового воздействия.
При применении преобразователя частоты также фиксируется фактическое значение частоты вращения вентилятора стенда, соответствующее указанному выше положению регулировочного шибера.
8.3.5 После выполнения требований, приведенных в
8.3.4, с помощью регулировочного шибера выставляется перепад давления на испытуемом образце 20 Па, с учетом описанного в
5.6 допустимого отклонения. При этом заслонка КИД должна находиться в закрытом положении по
5.7.
К огневому испытанию допускается изделие, удовлетворяющее установленным выше требованиям.
8.3.6 Положение шибера, соответствующее перепаду давления на заслонке КИД по
8.3.5 фиксируется посредством нанесения отметки (насечки) на корпусе измерительного стенда, либо измеряется линейкой. Данные отметки (измерения) используются при определении работоспособности КИД в условиях теплового воздействия.
При применении преобразователя частоты также фиксируется фактическое значение частоты вращения вентилятора стенда, соответствующее указанному выше положению регулировочного шибера.
8.3.7 Тепловое воздействие на конструкцию КИД подбирается с учетом положений
5.2 или
5.3.
8.3.8 Начало теплового воздействия соответствует моменту включения форсунок огневой камеры.
8.3.9 В процессе теплового воздействия проводят контроль и осуществляют измерения следующих параметров:
- времени теплового воздействия;
- температуры в огневой камере испытательного стенда (с учетом
8.3.11);
- перепада давления на испытуемом образце.
8.3.10 В процессе теплового воздействия равномерно не менее трех раз шибер переводят в положение, установленное в
8.3.4. Аналогичным образом выставляется зафиксированная в
8.3.4 частота вращения рабочего колеса вентилятора стенда (при применении частотного преобразователя). Продолжительность подачи воздуха с установленным выше положением шибера и частоты вращения рабочего колеса стенда должна составлять (30 +/- 5) с, при этом перепад давления на КИД не должен превысить 150 Па, с учетом описанного в
5.6 допустимого отклонения.
Далее шибер возвращается в первоначальное положение, зафиксированное в
8.3.6.
8.3.11 При перемещении через КИД воздушного потока по
8.3.10, а также в течение 60 сек после возвращения перепада давления на КИД к первоначальному значению по
8.3.5 тепловой режим в огневой камере не контролируется.
8.3.12 Испытания выполняют до момента выявления:
- снижения перепада давления на заслонке КИД до значения менее 20 Па, при положении шибера и частоты вращения рабочего колеса согласно
8.3.4;
- увеличения перепада давления на заслонке КИД до значения более 150 Па, при положении шибера и частоты вращения рабочего колеса согласно
8.3.6.
Все значения перепада давления на заслонке КИД принимаются с учетом установленных в
5.6 допустимых отклонений.
8.3.13 Если за время испытаний нарушения работоспособности, указанного в
8.3.12 не выявлено, испытания останавливаются по истечении времени заявленного производителем предела огнестойкости, не более чем через 1 ч с момента начала теплового воздействия, соответствующего
8.3.8.
9 Обработка результатов измерений
Среднее значение скорости воздушного потока Vсрi, м/с, вычисляют по формуле

, (1)
где
Vi - локальное значение скорости воздушного потока в
i-й координате мерного сечения по
6.11, м/с;
n - число измерений.
Объемный расход воздуха Q, м3/с, проходящего через КИД, приведенный к стандартным условиям (температура - 20 °C, давление - 1 атм), вычисляют по формуле

, (2)
где F - площадь мерного сечения, м2;
pa - атмосферное давление воздуха при испытаниях, Па;
Ta - температура воздуха при испытаниях, К.
10 Оценка результатов испытания
10.1 Огнестойкость КИД определяют наименьшим интервалом времени до наступления предельного состояния по огнестойкости в соответствии с
8.2 или нарушения работоспособности в соответствии с
8.3.
10.2 Результаты испытаний действительны для КИД аналогичной конструкции, гидравлический диаметр
Dмакс, мм, которых меньше гидравлического диаметра испытанного (без ограничения), или больше испытанного, при этом удовлетворяет неравенству:
Dмакс <= 1,25Dисп, (3)
Dисп - гидравлический диаметр испытанного КИД, мм.
Гидравлический диаметр D, мм, вычисляют по формуле

, (4)
где F и П - соответственно площадь и периметр проходного сечения КИД, мм.
10.3 Результаты испытаний КИД прямоугольного сечения не могут быть распространены на клапаны круглого сечения и, соответственно, наоборот.
10.4 Результаты испытаний КИД по схемам, представленным на
рисунках А.1 и
А.2 (приложение А), не могут распространяться на КИД той же конструкции, которые могут устанавливаться горизонтально или под другими углами. Принципиальные схемы испытаний КИД, установленных под другими углами, должны быть изменены с учетом фактического угла расположения таких клапанов.
11.1 Отчет об испытании должен содержать следующие данные:
- наименование организации, проводящей испытания;
- наименование и адрес заказчика;
- характеристику объекта испытаний;
- метод испытания (описание или ссылка);
- описание процедуры испытания;
- характеристики испытательного оборудования;
- результаты испытаний;
- оценку результатов испытаний.
11.2 Пример записи в отчете об испытаниях:
"Фактический предел огнестойкости клапана избыточного давления типа КИД-150-600x600, подлежащего установке вертикально, составляет EI 30 при тепловом воздействии по
5.3 ГОСТ Р 70848-2023.
12.1 При проведении аэродинамических испытаний необходимо соблюдать требования безопасности и производственной санитарии согласно
ГОСТ 12.2.003 и
ГОСТ 12.1.019.
12.2 К испытанию допускаются лица, ознакомленные с техническим описанием и инструкцией по эксплуатации испытательного стенда.
12.3 Перед проведением испытаний необходимо проверить надежность креплений и соединений испытательного оборудования.
12.4 Все быстродвижущиеся и вращающиеся части стендовой установки должны иметь ограждения.
(обязательное)
СХЕМЫ ИСПЫТАНИЙ
1 - огневая камера стенда (печь); 2 - регулирующий шибер
для изменения избыточного давления в огневой камере;
3 - испытуемый образец клапана избыточного давления;
4 - заслонка клапана избыточного давления;

- ТЭП, установленные: 1 - 3 - в огневой камере;
4 - 6 - на заслонке (створке) клапана;
7 - 10 - на поверхностях уплотнений корпуса клапана
в проеме печи;

- перепад давления на клапане
Рисунок А.1 - Схема стенда для проведения испытаний
на огнестойкость клапана избыточного давления
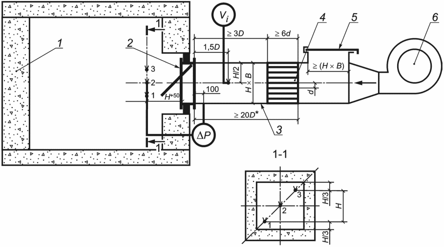
--------------------------------
1 - огневая камера стенда (печь); 2 - испытуемый образец
клапана избыточного давления; 3 - мерный участок;
4 - выравнивающее устройство; 5 - регулировочный шибер;
6 - вентилятор;

- ТЭП, установленные: 1 - 3 - в огневой камере;
4 - в центре мерного сечения;

- перепад давления
на клапане; Vi - скорость воздуха в i-й точке мерного
сечения по
6.11;
D - эквивалентный гидравлический диаметр
КИД по
10.2;
d - эквивалентный гидравлический диаметр
ячейки выравнивающего устройства по
6.11;
H, B - высота и ширина КИД, соответственно
Рисунок А.2 - Схема стенда для проведения испытаний
на работоспособность клапана избыточного давления
УДК 614.841:006.354 | |
Ключевые слова: клапан избыточного давления, огнестойкость, метод испытаний |