Скачать Типовой проект 164-87-118 Пятиэтажное общежитие для рабочих и служащих на 232 местаДата актуализации: 01.01.2021
|
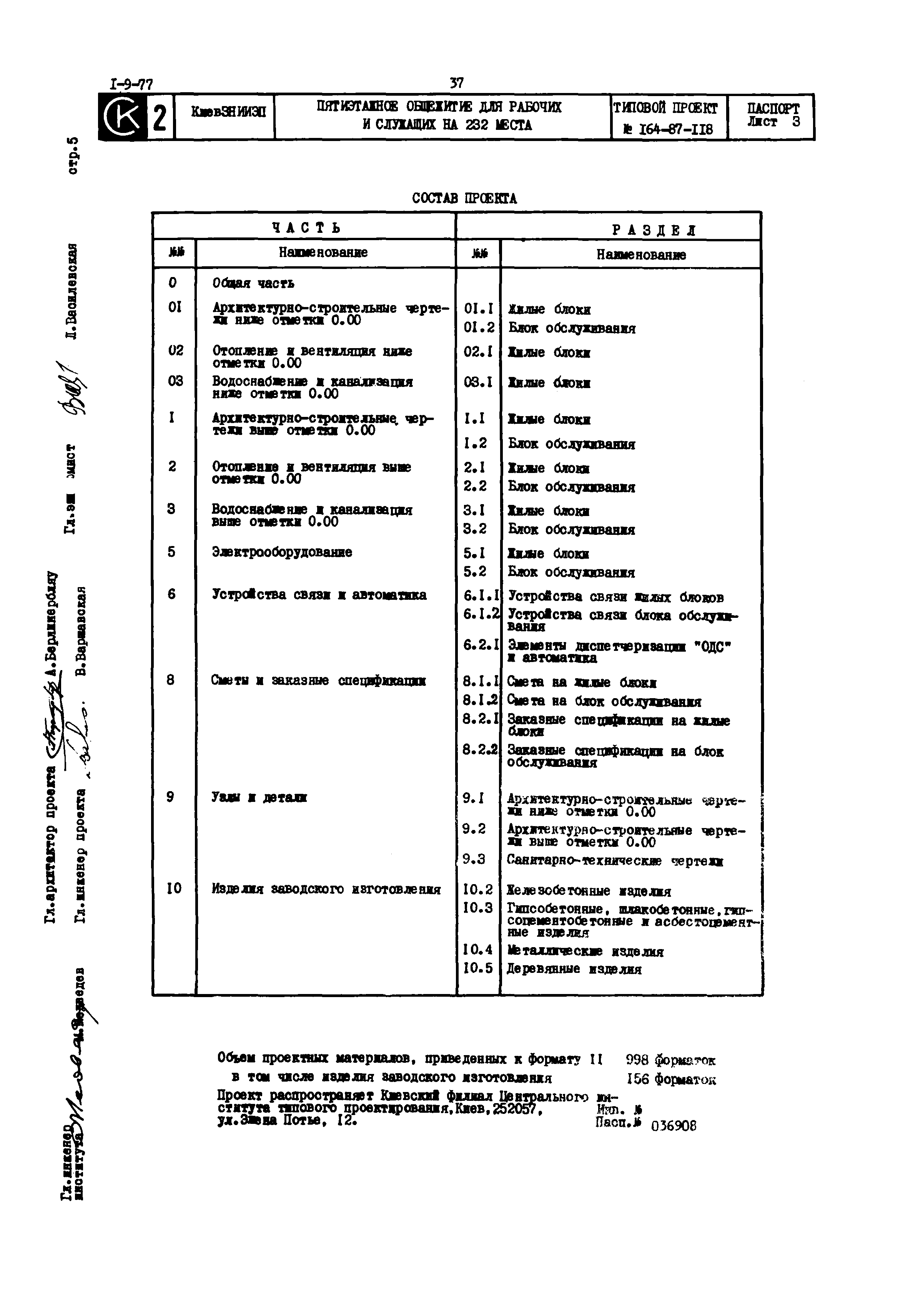
| Обозначение: | Типовой проект 164-87-118 |
| Обозначение англ: | 164-87-118 |
| Статус: | действует |
| Название рус.: | Пятиэтажное общежитие для рабочих и служащих на 232 места |
| Дата добавления в базу: | 01.09.2013 |
| Дата актуализации: | 01.01.2021 |
| Дата введения: | 30.12.1976 |




