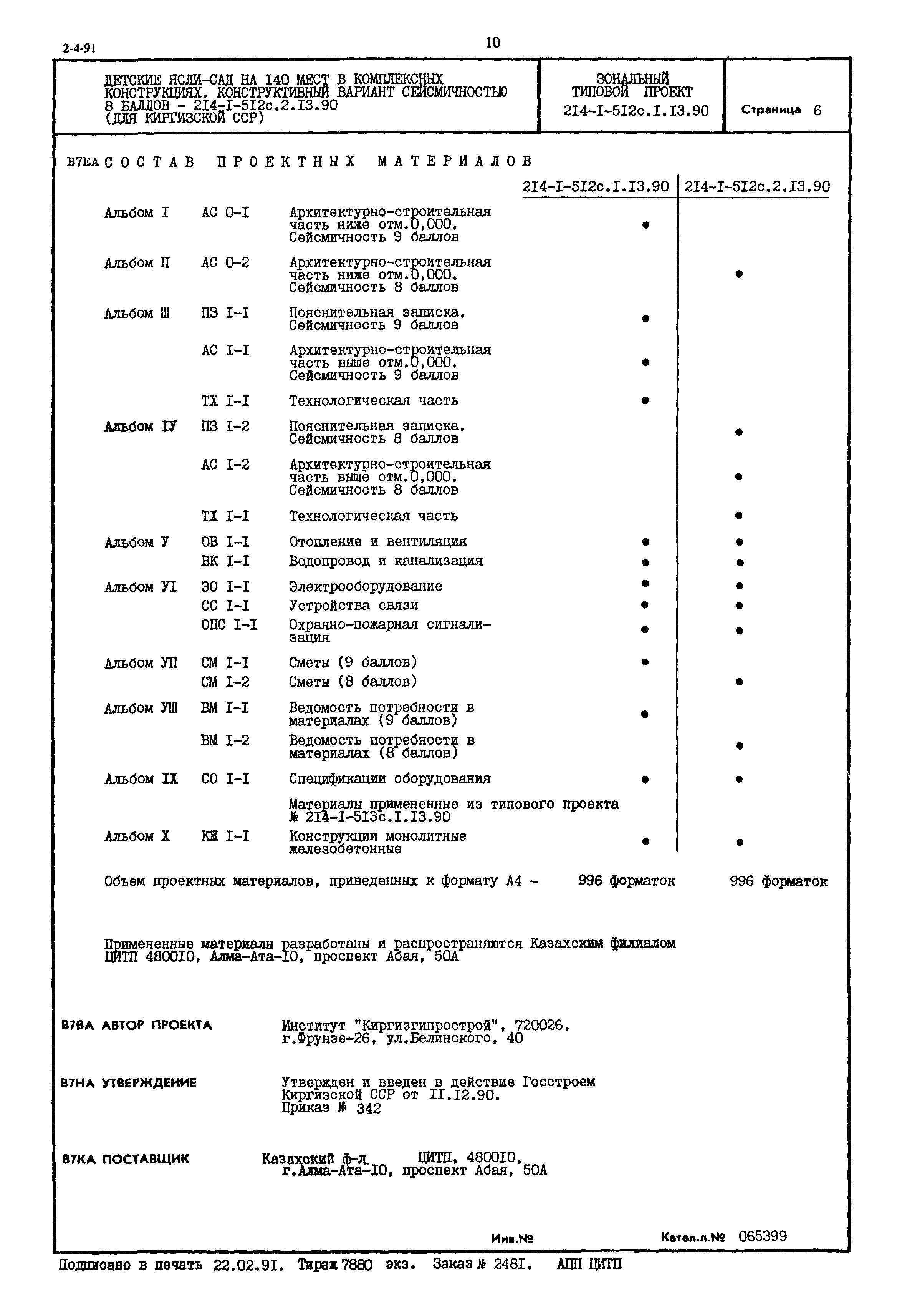
Скачать Типовой проект 214-1-512с.1.13.90 Детские ясли-сад на 140 мест в комплексных конструкциях (для Киргизской ССР)Дата актуализации: 01.01.2021 Типовой проект 214-1-512с.1.13.90
Детские ясли-сад на 140 мест в комплексных конструкциях (для Киргизской ССР)| Обозначение: | Типовой проект 214-1-512с.1.13.90 | | Обозначение англ: | 214-1-512с.1.13.90 | | Статус: | действует | | Название рус.: | Детские ясли-сад на 140 мест в комплексных конструкциях (для Киргизской ССР) | | Дата добавления в базу: | 01.10.2014 | | Дата актуализации: | 01.01.2021 | | Дата введения: | 11.12.1990 |
    
|