Скачать ГОСТ 12.1.046-85 Система стандартов безопасности труда. Строительство. Нормы освещения строительных площадокДата актуализации: 01.01.2021
|
| Обозначение: | ГОСТ 12.1.046-85 |
| Обозначение англ: | GOST 12.1.046-85 |
| Статус: | заменен |
| Название рус.: | Система стандартов безопасности труда. Строительство. Нормы освещения строительных площадок |
| Название англ.: | Occupational safety standards system. Building. Lighting of building sites |
| Дата добавления в базу: | 01.09.2013 |
| Дата актуализации: | 01.01.2021 |
| Дата введения: | 01.01.1986 |
| Дата окончания срока действия: | 01.07.2015 |
| Область применения: | Стандарт устанавливает нормы освещенности, методы контроля и защиты и распространяется на проектирование и эксплуатацию осветительных установок для всех видов технологических процессов, имеющих место на строительных площадках, а также в местах производства строительных и монтажных работ внутри зданий. |
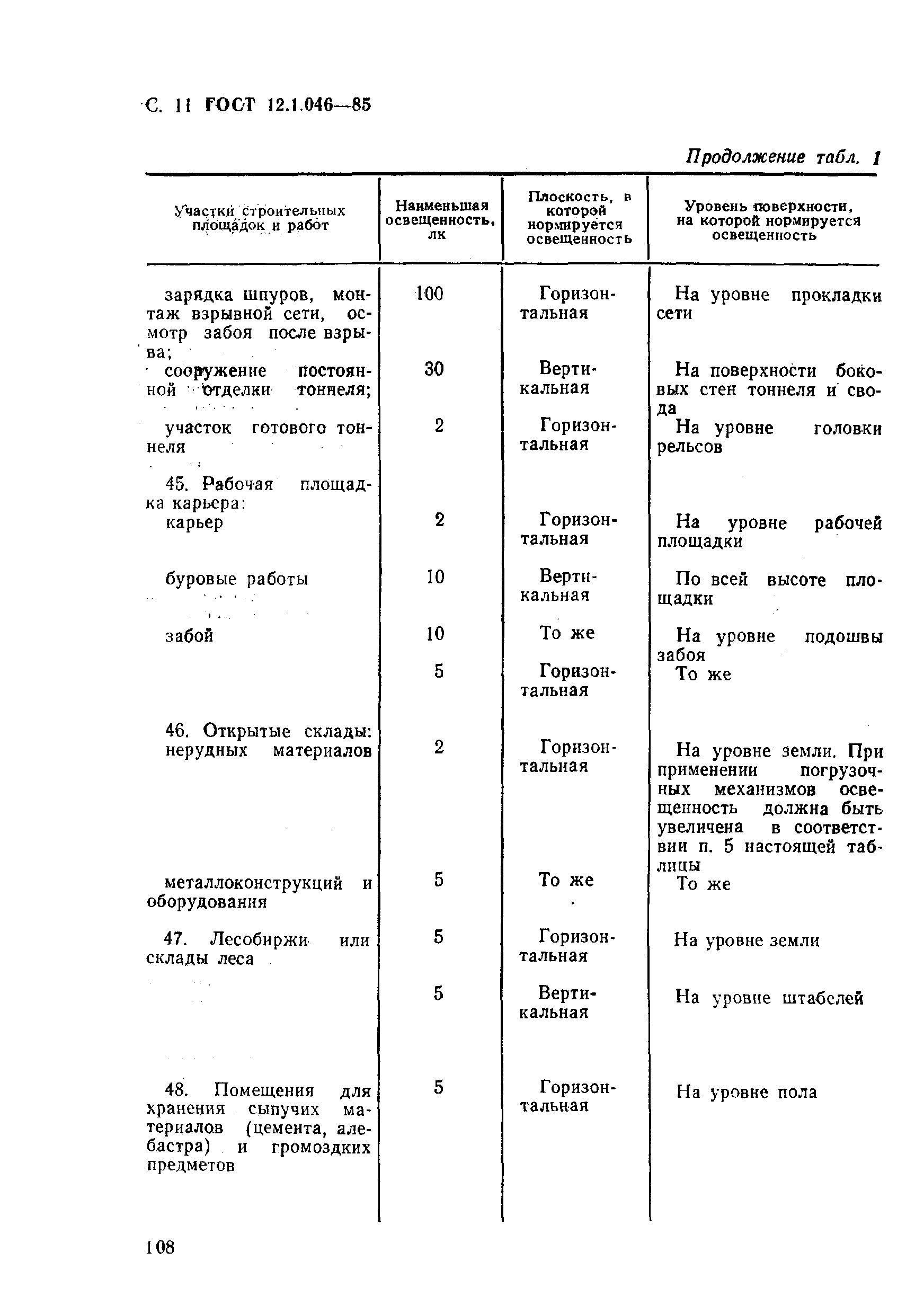
| Оглавление: | 1 Общие положения 2 Нормы освещенности 3 Контроль уровня освещенности 4 Методы защиты Приложение 1 (рекомендуемое) Параметры осветительных установок общего равномерного освещения при нормируемо2й освещенности Ен=2лк Приложение 2 (обязательное) Схемы расположения световых приборов для общего равномерного освещения Приложение 3 (справочное) Методы расчета прожекторной установки Приложение 4 (обязательное) Минимально допустимая высота установки прожекторов и светильников прожекторного типа |
| Разработан: | НИИСФ (Научно-исследовательский институт строительной физики) ВЦНИИОТ ВЦСПС ВНИПИ труда в строительстве Госстроя СССР ЦНИИОМТП |
| Утверждён: | 25.04.1985 Госкомитет СССР по делам строительства (National Committee on Construction 58) |
| Издан: | Издательство стандартов (1988 г. ) |
| Нормативные ссылки: |
|


























