Скачать Рекомендации по содержанию и ремонту металлических пролетных строений автодорожных мостовДата актуализации: 01.01.2021 |
| Статус: | действует |
| Название рус.: | Рекомендации по содержанию и ремонту металлических пролетных строений автодорожных мостов |
| Название англ.: | Recommended Practice for Maintenance and Repair of Metal Span Structures of Road and Highway Bridges |
| Дата добавления в базу: | 01.09.2013 |
| Дата актуализации: | 01.01.2021 |
| Дата введения: | 28.10.1982 |
| Область применения: | В "рекомендациях" освещены вопросы организации содержания пролетных строений, даны перечень основных дефектов и методика их выявления, приведен ориентировочный срок периодичности ремонта элементов конструкций. В разделах по технологии ремонта предложены способы устранения повреждений и дефектов в мостовом полотне, железобетонной плите проезжей части, в металлических конструкциях (замена заклепок, усиление элементов, окраска металла и проч.). Приложения справочного характера даны в конце документа. |
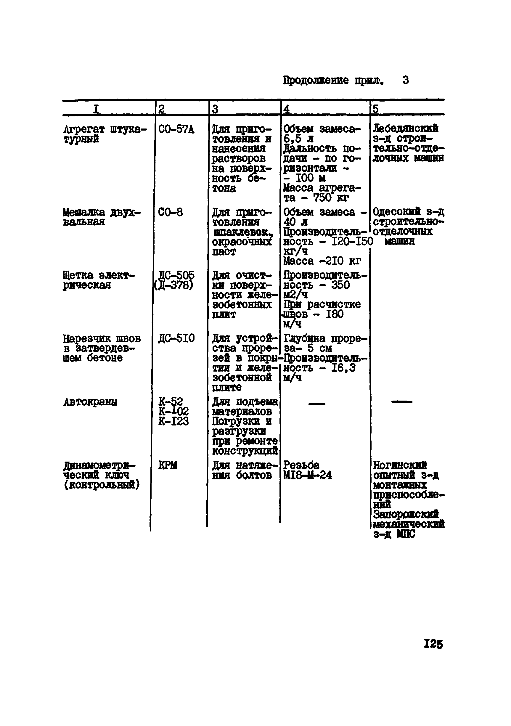
| Оглавление: | Предисловие 1 Общие положения 1.1 Задачи и состав работ по содержанию и ремонту 1.2 Организация работ по содержанию и ремонту 1.3 Требования к пролетным строениям и оценка их технического состояния 2 Содержание пролетных строений 2.1 Текущий надзор и уход 2.2 Особенности содержания пролетных строений в северных районах при низких минусовых температурах и в зонах повышенной агрессивности среды 2.3 Осмотры и порядок выявления дефектов 3 Ремонт элементов проезжей части 3.1 Восстановление асфальтобетонного покрытия 3.2 Ремонт цементобетонного покрытия и защитного слоя 3.3 Ремонт перил 3.4 Ремонт деревянной проезжей части 3.5 Ремонт гидроизоляции проезжей части 3.6 Ремонт деформационных швов 3.7 Ремонт железобетонной плиты проезжей части 4 Ремонт элементов металлических конструкций 4.1 Подготовительные работы 4.2 Замена слабых заклепок 4.3 Восстановление металлических элементов 4.4 Окраска металлических элементов 4.5 Выправление подвижных опорных частей 5 Контроль качества содержания и ремонта пролетных строений 5.1 Требования по контролю качества при содержании 5.2 Контроль качества при ремонте 6 Охрана труда и техника безопасности 6.1 Общие требования 6.2 Дравида техники безопасности при работе с механизмами и механизированным инструментом 6.3 Правила техники безопасности при ремонте пролетных строений Приложение 1 Книга моста (путепровода) Приложение 2 Ориентировочные нормы затрат труда на работы по ремонту и содержанию металлических пролетных строений Приложение 3 Типы машин и механизмов, рекомендуемые для ремонта металлических пролетных строений Литература |
| Разработан: | Гипродорнии Минавтодора РСФСР |
| Утверждён: | 28.10.1982 Минавтодор РСФСР (Russian Federation Minavtodor 29) |
| Издан: | ЦБНТИ Минавтодора РСФСР (1983 г. ) |
| Нормативные ссылки: |
|



































































































































