Скачать ГОСТ 11700-80 Станции смазочные двухмагистральные. Технические условияДата актуализации: 01.01.2021
|
| Обозначение: | ГОСТ 11700-80 |
| Обозначение англ: | GOST 11700-80 |
| Статус: | взамен |
| Название рус.: | Станции смазочные двухмагистральные. Технические условия |
| Название англ.: | Two-line lubricating stations. Specifications |
| Дата добавления в базу: | 01.09.2013 |
| Дата актуализации: | 01.01.2021 |
| Дата введения: | 01.01.1982 |
| Область применения: | Стандарт устанавливает требования к двухмагистральным смазочным станциям с электрическим приводом (далее - станции), предназначенным для поочередного нагнетания пластичных смазочных материалов с числом пенетрации не ниже 260 при температуре 25 °С и вязкостью при 0 °С и среднем градиенте скорости деформации 10 с-1 не более 2500 П, отфильтрованных от частиц размером более 0,25 мм в магистрали централизованных смазочных систем объемного дозирования с автоматическим контролем подачи при температуре окружающей среды и смазочного материала 5-40 °С, изготовляемым для нужд народного хозяйства и экспорта. |
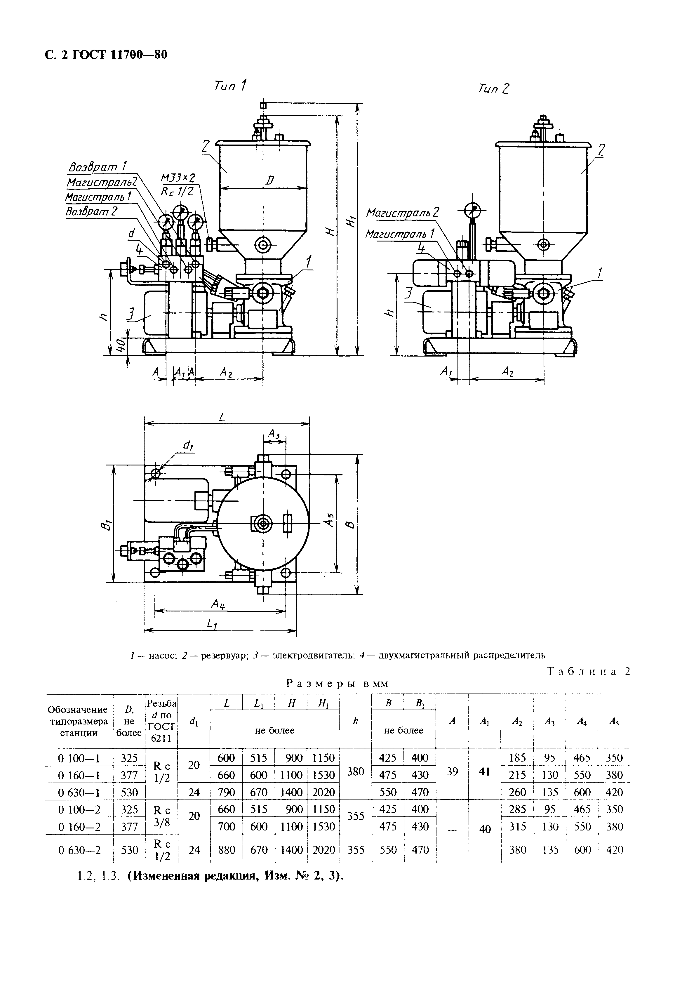
| Оглавление: | 1 Типы, основные параметры и размеры 2 Технические требования 3 Требования безопасности 4 Комплектность 5 Правила приемки 6 Методы испытаний 7 Маркировка, упаковка, транспортирование и хранение 8 Указания по эксплуатации 9 Гарантии изготовителя |
| Разработан: | Министерство тяжелого и транспортного машиностроения |
| Утверждён: | 18.12.1980 Государственный комитет СССР по стандартам (USSR National Committee on Standards 5879) |
| Издан: | Издательство стандартов (1980 г. ) ИПК Издательство стандартов (1999 г. ) |
| Список изменений: |
|
| Заменяет собой: |
|
| Нормативные ссылки: |
|








Текстовое изменение № 3 от 01.08.1988
