Скачать РД 34.48.402-77 Инструкция по наладке и эксплуатации приемопередатчиков УПЗ-70Дата актуализации: 01.01.2021
|
| Обозначение: | РД 34.48.402-77 |
| Обозначение англ: | RD 34.48.402-77 |
| Статус: | действует |
| Название рус.: | Инструкция по наладке и эксплуатации приемопередатчиков УПЗ-70 |
| Название англ.: | Guidelines for Adjustment and Operation of Transceivers UPZ-70 |
| Дата добавления в базу: | 01.09.2013 |
| Дата актуализации: | 01.01.2021 |
| Дата введения: | 25.01.1977 |
| Область применения: | Инструкция содержит краткое описание приемопередатчика УПЗ-70, рекомендации по его наладке и проверке. Инструкция рассчитана на работников, занимающихся эксплуатацией, проектированием и наладкой приемопередатчиков УПЗ-70. |
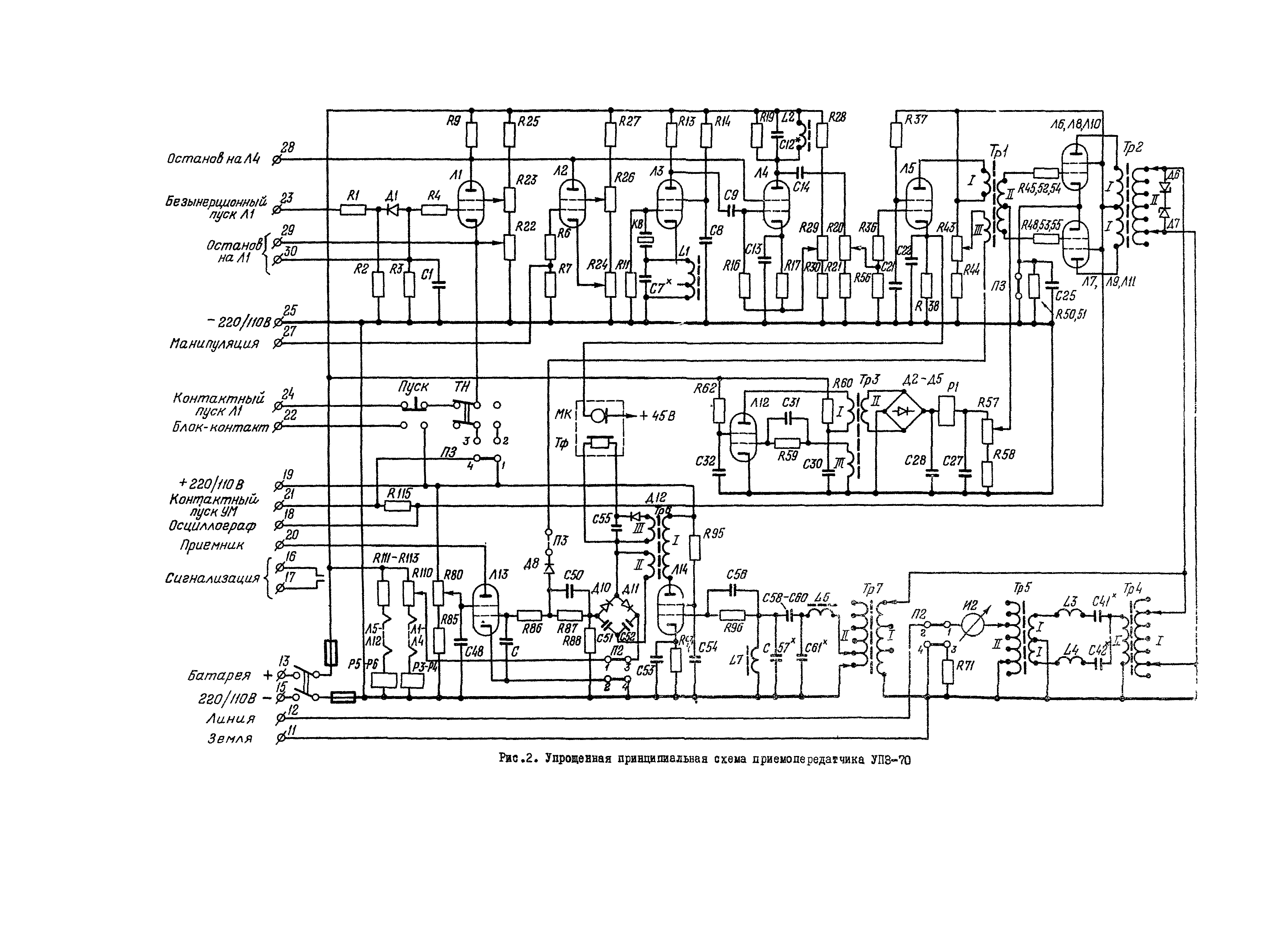
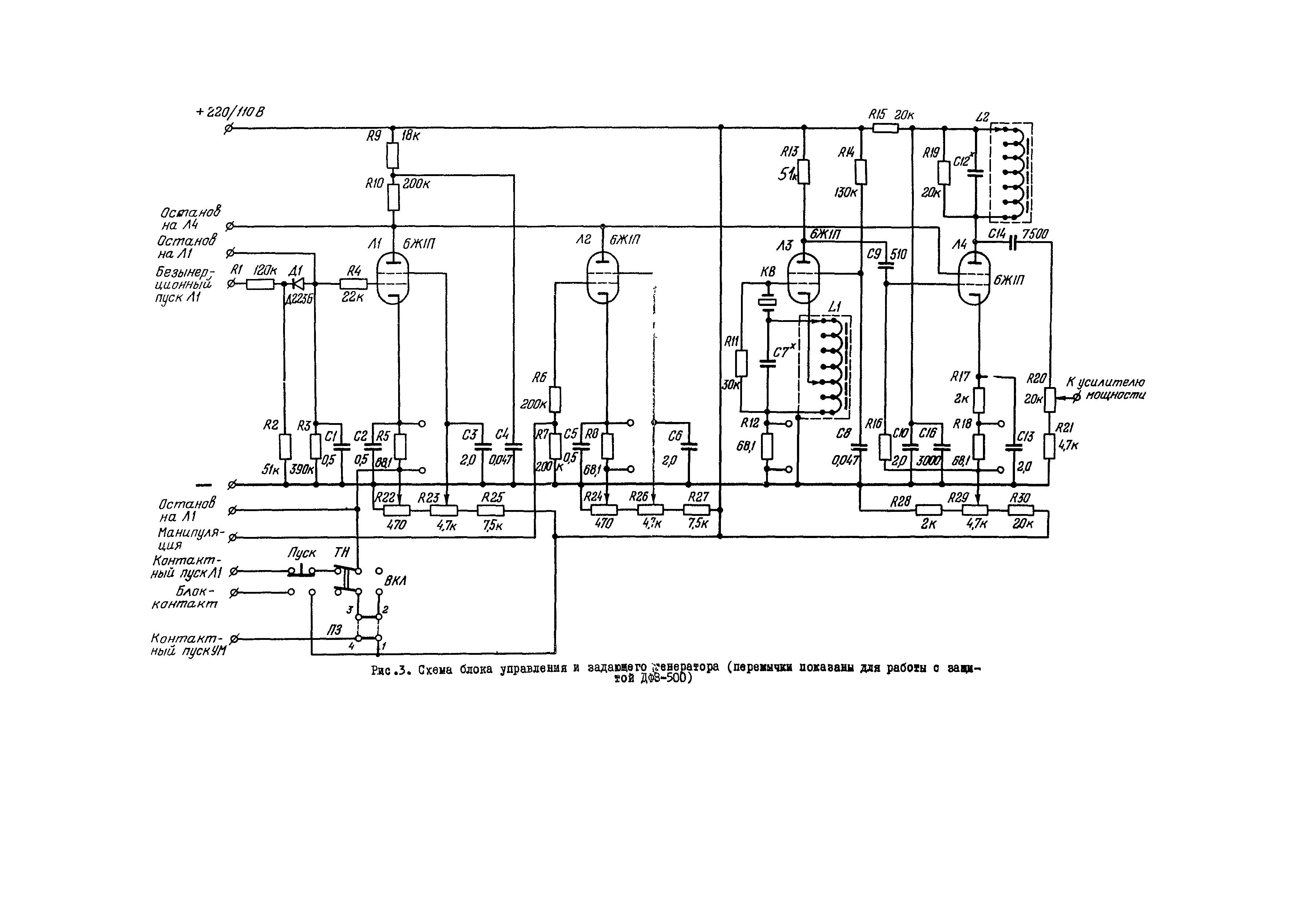
| Оглавление: | Введение Глава 1 Характеристика приемопередатчика УПЗ-70 и ВЧ канала релейной защиты Глава 2 Наладка высокочастотного канала с приемопередатчиками УПЗ-70 Глава 3 Настройка и регулировка отдельных блоков и узлов приемопередатчика УПЗ-70 Глава 4 Эксплуатация ВЧ каналов релейной защиты Приложение 1 Переводная таблица уровней мощности и график для определения напряжения чувствительности Приложение 2 Таблицы нормальных режимов Приложение 3 Эксплуатация радиоламп Приложение 4 Паспорт-протокол ВЧ канала защиты |
| Разработан: | ВНИИЭ |
| Утверждён: | 25.01.1977 Минэнерго СССР (USSR Minenergo ) |
| Издан: | СПО Союзтехэнерго (1978 г. ) |




























































































































