Скачать РД 34.40.509-93 Типовая инструкция по эксплуатации систем регенерации высокого давления энергоблоков мощностью 100 - 800 МВтДата актуализации: 01.01.2021
|
| Обозначение: | РД 34.40.509-93 |
| Обозначение англ: | RD 34.40.509-93 |
| Статус: | действует |
| Название рус.: | Типовая инструкция по эксплуатации систем регенерации высокого давления энергоблоков мощностью 100 - 800 МВт |
| Название англ.: | Model Guidelines for Operation of High-Pressure Regeneration Systems for 100-800 MW Power Units |
| Дата добавления в базу: | 12.02.2016 |
| Дата актуализации: | 01.01.2021 |
| Дата введения: | 01.01.1994 |
| Область применения: | Типовая инструкция является руководящим материалом для разработки местных рабочих инструкций по эксплуатации систем регенерации высокого давления с подогревателями типов от ПВ-425-230 до ПВ-2300-380, установленных в тепловых схемах энергоблоков 150 - 800 МВт КЭС и 110 - 250 МВт ТЭЦ. Типовая инструкция устанавливает основные требования, обеспечивающие надежную работу регенерации высокого давления в процессе пусковых операций, при работе под нагрузкой, при останове, при выводе в ремонт. |
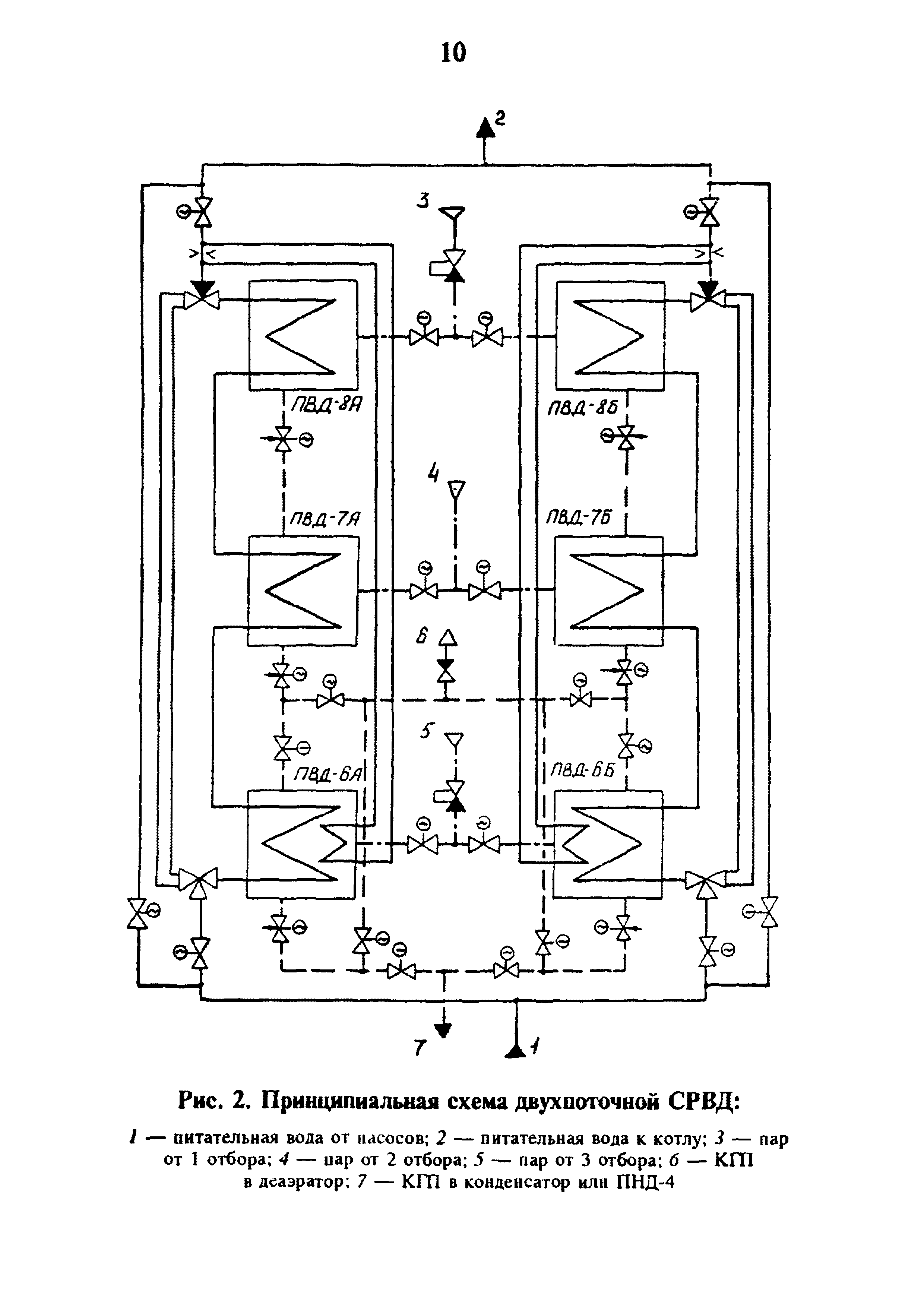
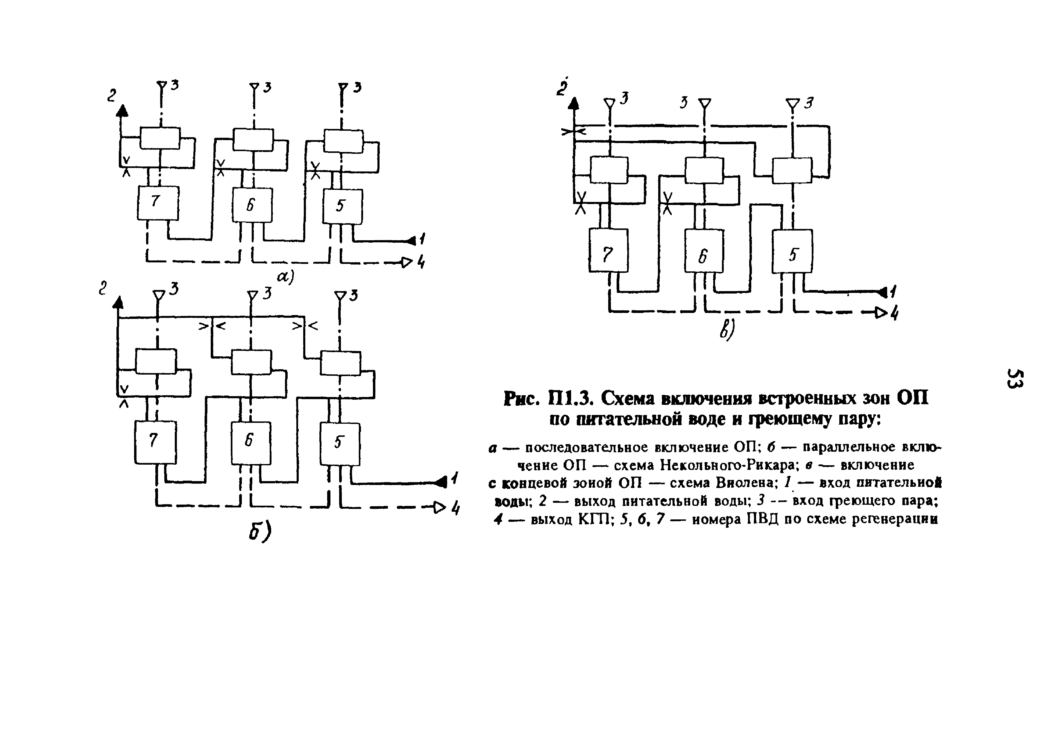
| Оглавление: | 1 Общие указания 2 Требования безопасности 3 Типовая тепловая схема включения ПВД 4 Защитные устройства ПВД 5 Основные технологические принципы организации режимов включения и отключения ПВД 6 Подготовка к включению 7 Включение ПВД 8 Обслуживание при работе в гегулировочном дианазоне нагрузок блока 9 Отключение ПВД 10 Вывод в ремонт 11 Характерные неисправности и способы их устранения Приложение 1. Устройство и технические характеристики ПВД Приложение 2. Контроль, управление, автоматическое регулирование, защиты и блокировки Приложение 3. Рекомендации по повышению надежности и эффективности работы ПВД Приложение 4. Перечень нормативно-технических документов |
| Разработан: | АО Фирма ОРГРЭС НПО ЦКТИ им. И.И. Ползунова УралВТИ ПО Красный котельщик |
| Утверждён: | 05.07.1993 РАО ЕЭС России (UES of Russia RAO ) |
| Издан: | СПО ОРГРЭС (1994 г. ) |
| Нормативные ссылки: |
|







































































