Скачать ГОСТ 15167-85 Изделия санитарные керамические. Общие технические условияДата актуализации: 01.01.2021
|
| Обозначение: | ГОСТ 15167-85 |
| Обозначение англ: | GOST 15167-85 |
| Статус: | заменен |
| Название рус.: | Изделия санитарные керамические. Общие технические условия |
| Название англ.: | Ceramic sanitary ware. General specifications |
| Дата добавления в базу: | 21.05.2015 |
| Дата актуализации: | 01.01.2021 |
| Дата введения: | 01.01.1986 |
| Дата окончания срока действия: | 01.01.1995 |
| Область применения: | Стандарт распространяется на керамические (фарфоровые, полуфарфоровые и фаянсовые) умывальники, унитазы, смывные бачки, бидэ, писсуары, раковины и другие аналогичные изделия, устанавливаемые в санитарных узлах, в бытовых и других помещениях зданий различного назначения, в санитарных узлах речных и морских судов и железнодорожных вагонов. |
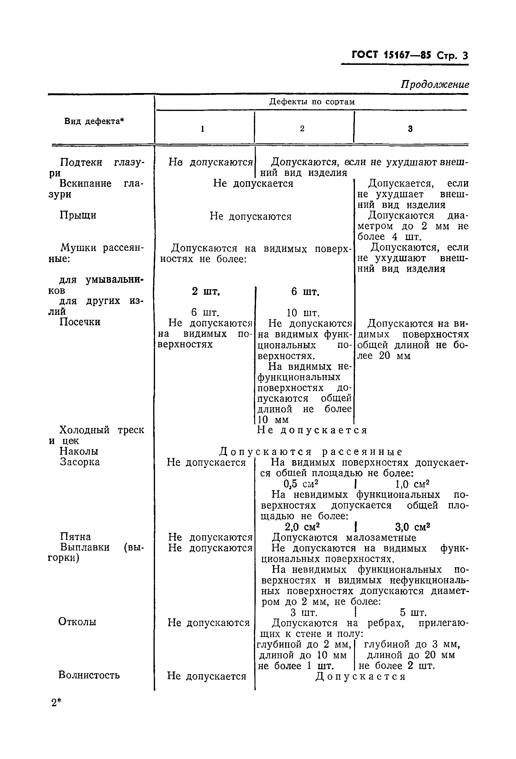
| Оглавление: | 1. Технические требования 2. Правила приемки 3. Методы испытаний 4. Маркировка, упаковка, транспортирование и хранение Приложение (справочное) Распределение поверхностей санитарных керамических изделий по назначению, условиям установки (монтажа) и эксплуатации |
| Разработан: | Министерство промышленности строительных материалов СССР |
| Утверждён: | 06.06.1985 Государственный комитет СССР по делам строительства (78) |
| Издан: | Издательство стандартов (1985 г. ) |
| Заменяет собой: | |
| Нормативные ссылки: |
|











