Скачать ГОСТ 19125-90 Части штуцеров соединительные бортовых авиационных приборов. Конструкция и размеры

Дата актуализации: 01.01.2021

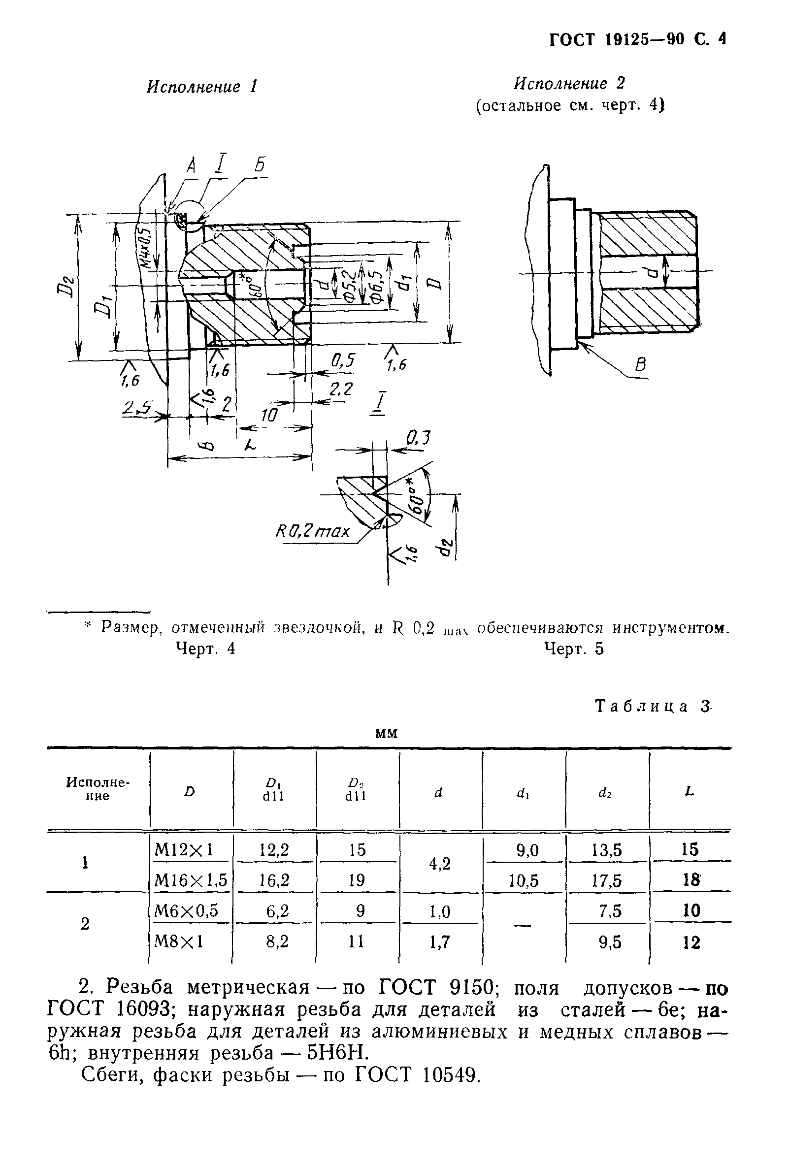
ГОСТ 19125-90

Части штуцеров соединительные бортовых авиационных приборов. Конструкция и размеры

Обозначение: ГОСТ 19125-90
Обозначение англ: GOST 19125-90
Статус:действует
Название рус.:Части штуцеров соединительные бортовых авиационных приборов. Конструкция и размеры
Название англ.:Fittings of connections for airborne instruments. Design and dimensions
Дата добавления в базу:01.09.2013
Дата актуализации:01.01.2021
Дата введения:01.07.1991
Область применения:Стандарт распространяется на соеднительные части штуцеров бортовых авиационных приборов, предназначенных для измерения давления различных жидких и газообразных сред и устанавливает конструкцию и размеры соединительных частей штуцеров.
Оглавление:Приложение Примеры присоединения штуцеров к системам давления
Разработан: Министерство авиационной промышленности СССР
Утверждён:02.03.1990 Госстандарт СССР (USSR Gosstandart 339)
Издан: Издательство стандартов (1990 г. )
Заменяет собой:
  • ГОСТ 19125-73 «Штуцера бортовых авиационных приборов. Соединительные части штуцеров. Конструкция и размеры»
Нормативные ссылки:
ГОСТ 19125-90ГОСТ 19125-90ГОСТ 19125-90ГОСТ 19125-90ГОСТ 19125-90ГОСТ 19125-90ГОСТ 19125-90ГОСТ 19125-90