Скачать ГОСТ 20742-81 Муфты цепные. Типы, основные параметры и размеры

Дата актуализации: 01.01.2021

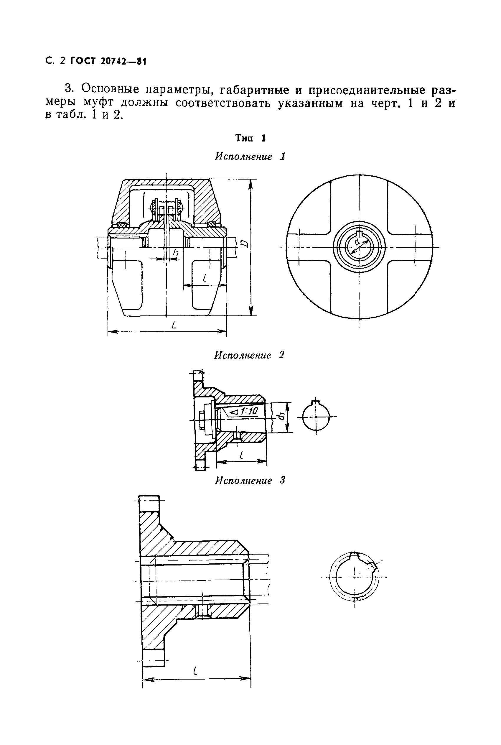
ГОСТ 20742-81

Муфты цепные. Типы, основные параметры и размеры

Обозначение: ГОСТ 20742-81
Обозначение англ: GOST 20742-81
Статус:заменен
Название рус.:Муфты цепные. Типы, основные параметры и размеры
Название англ.:Single chain couplings. Main data. Dimensions
Дата добавления в базу:01.11.2014
Дата актуализации:01.01.2021
Дата введения:01.01.1982
Дата окончания срока действия:01.07.1996
Область применения:Стандарт распространяется на цепные муфты общемашиностроительного применения с приводными роликовыми одно- и двухрядными цепями по ГОСТ 13568—75, предназначенные для соединения соосных валов при передаче крутящего момента от 63 до 16000 Н.м и компенсации смещений осей валов без уменьшения динамических нагрузок, климатических исполнений У и Т для категорий 1-3, климатических исполнений УХЛ и О для категории 4 по ГОСТ 15150—69.
Разработан: Министерство станкостроительной и инструментальной промышленности
Утверждён:16.03.1981 Государственный комитет СССР по стандартам (USSR National Committee on Standards 1362)
Издан: Издательство стандартов (1989 г. )
Заменяет собой:
  • ГОСТ 20742-75 «Муфты цепные однорядные. Основные параметры. Габаритные и присоединительные размеры»
Нормативные ссылки:
ГОСТ 20742-81ГОСТ 20742-81ГОСТ 20742-81ГОСТ 20742-81ГОСТ 20742-81ГОСТ 20742-81ГОСТ 20742-81ГОСТ 20742-81ГОСТ 20742-81ГОСТ 20742-81ГОСТ 20742-81ГОСТ 20742-81ГОСТ 20742-81ГОСТ 20742-81ГОСТ 20742-81