Скачать ГОСТ 21467-81 Амортизаторы бортового оборудования летательных аппаратов. Типы, основные параметры, размеры и технические требованияДата актуализации: 01.01.2021
|
| Обозначение: | ГОСТ 21467-81 |
| Обозначение англ: | GOST 21467-81 |
| Статус: | действует |
| Название рус.: | Амортизаторы бортового оборудования летательных аппаратов. Типы, основные параметры, размеры и технические требования |
| Название англ.: | Vehicle airborne equipment shock absorbers. Types and main characteristics. Technical requirements |
| Дата добавления в базу: | 01.09.2013 |
| Дата актуализации: | 01.01.2021 |
| Дата введения: | 01.07.1982 |
| Область применения: | Стандарт устанавливает типы, основные параметры, размеры и технические требования к амортизаторам бортового оборудования летательных аппаратов, предназначенным для защиты бортового оборудования от воздействия вибрации и ударов, действующих в любом направлении. Стандарт не распространяется на амортизаторы космических аппаратов (искусственные спутники, межпланетные станции, орбитальные корабли и станции и т.д.). |
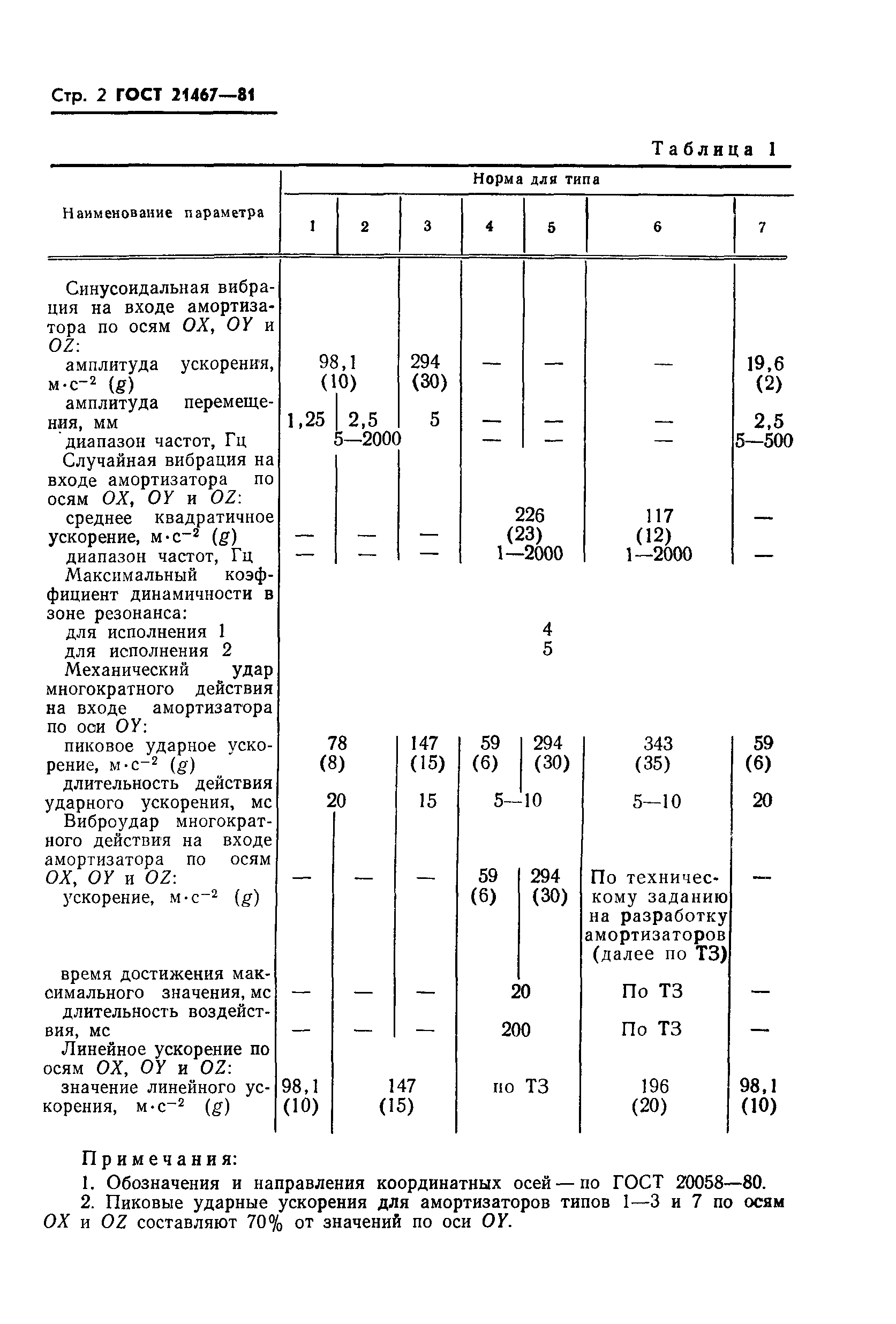
| Оглавление: | 1 Типы, основные параметры и размеры 2 Технические требования Приложение 1 Термины, применяемые в стандарте, и пояснения к ним Приложение 2 Виброзащитные характеристики амортизаторов для самолетного оборудования |
| Утверждён: | 07.08.1981 Госстандарт СССР (USSR Gosstandart 3710) |
| Издан: | Издательство стандартов (1981 г. ) |
| Список изменений: |
|
| Заменяет собой: |
|
| Нормативные ссылки: |
|










