
ГОСУДАРСТВЕННЫЙ СТАНДАРТ
СОЮЗА ССР
АМОРТИЗАТОРЫ БОРТОВОГО
ОБОРУДОВАНИЯ ЛЕТАТЕЛЬНЫХ
АППАРАТОВ
ТИПЫ, ОСНОВНЫЕ ПАРАМЕТРЫ,
РАЗМЕРЫ
И ТЕХНИЧЕСКИЕ ТРЕБОВАНИЯ
ГОСТ 21467-81
ГОСУДАРСТВЕННЫЙ КОМИТЕТ СССР ПО СТАНДАРТАМ
Москва
ГОСУДАРСТВЕННЫЙ СТАНДАРТ СОЮЗА ССР
|
АМОРТИЗАТОРЫ БОРТОВОГО ОБОРУДОВАНИЯ ЛЕТАТЕЛЬНЫХ АППАРАТОВ Типы, основные параметры, размеры и технические требования Vehicle airborne equipment shock
absorbers. |
ГОСТ Взамен |
Постановлением Государственного комитета СССР по стандартам от 7 августа 1981 г. № 3710 срок введения установлен
с 01.07.1982 г.
до 01.07.1987 г.
Несоблюдение стандарта преследуется по закону
Настоящий стандарт устанавливает типы, основные параметры, размеры и технические требования к амортизаторам бортового оборудования летательных аппаратов (далее - амортизаторам), предназначенным для защиты бортового оборудования от воздействия вибрации и ударов, действующих в любом направлении.
Стандарт не распространяется на амортизаторы космических аппаратов (искусственные спутники, межпланетные станции, орбитальные корабли и станции и т.д.).
Термины, применяемые в стандарте, и пояснения к ним приведены в справочном приложении 1.
1.1. В зависимости от условий эксплуатации амортизаторы подразделяют на семь типов. Амортизаторы всех типов изготовляют двух исполнений: 1 - цельнометаллические; 2 - резинометаллические. Каждое исполнение амортизаторов подразделяют на 13 типоразмеров.
1.2. Основные параметры амортизаторов приведены в табл. 1.
Таблица 1
|
Норма для типа |
|||||||
|
1 |
2 |
3 |
4 |
5 |
6 |
7 |
|
|
Синусоидальная вибрация на входе амортизатора по осям OX, OY и OZ: |
|||||||
|
амплитуда ускорения, м·с-2 (g) |
98,1 (10) |
294 (30) |
- |
- |
- |
19,6 (2) |
|
|
амплитуда перемещения, мм |
1,25 |
2,5 |
5 |
- |
- |
- |
2,5 |
|
диапазон частот, Гц |
5 - 2000 |
- |
- |
- |
5 - 500 |
||
|
Случайная вибрация на входе амортизатора по осям OX, OY и OZ: |
|||||||
|
среднее квадратичное ускорение, м·с-2 (g) |
- |
- |
- |
226 (23) |
117 (12) |
- |
|
|
диапазон частот, Гц |
- |
- |
- |
1 - 2000 |
1 - 2000 |
- |
|
|
Максимальный коэффициент динамичности в зоне резонанса: |
|||||||
|
для исполнения 1 |
4 |
||||||
|
для исполнения 2 |
5 |
||||||
|
Механический удар многократного действия на входе амортизатора по оси OY: |
|||||||
|
пиковое ударное ускорение, м·с-2 (g) |
78 (8) |
147 (15) |
59 (6) |
294 (30) |
343 (35) |
59 (6) |
|
|
длительность действия ударного ускорения, мс |
20 |
15 |
5 - 10 |
5 - 10 |
20 |
||
|
Виброудар многократного действия на входе амортизатора по осям OX, OY и OZ: |
|||||||
|
ускорение, м·с-2 (g) |
- |
- |
- |
59 (6) |
294 (30) |
По техническому заданию на разработку амортизаторов (далее по ТЗ) |
- |
|
время достижения максимального значения, мс |
- |
- |
- |
20 |
По ТЗ |
- |
|
|
длительность воздействия, мс |
- |
- |
- |
200 |
По ТЗ |
- |
|
|
Линейное ускорение по осям OX, OY и OZ: |
|||||||
|
значение линейного ускорения, м·с-2 (g) |
98,1 (10) |
147 (15) |
по ТЗ |
196 (20) |
98,1 (10) |
||
Примечания:
1. Обозначения и направления координатных осей - по ГОСТ 20058-80.
2. Пиковые ударные ускорения для амортизаторов типов 1 - 3 и 7 по осям ОХ и OZ составляют 70 % от значений по оси OY.
3. Пиковые ударные ускорения для амортизаторов типов 4 - 6 по осям ОХ и OZ составляют 80 % от значений по оси OY.
4. Требования, задаваемые по ТЗ на разработку конкретных типов амортизаторов, предъявляет заказчик.
5. Для цельнометаллических амортизаторов (исполнение 1) допускается один повторный резонанс в диапазоне высоких частот с шириной полосы Δf ≤ 50 Гц.
6. Значения максимальных амплитуд выходных вибрационных ускорений в зарезонансной зоне и выходных ударных ускорений устанавливают в технических заданиях на разработку.
7. Виброзащитные характеристики амортизаторов, предназначенных для защиты самолетного оборудования, приведены в рекомендуемом приложении 2.
1.3. Диапазоны весовых нагрузок амортизаторов должны соответствовать указанным в табл. 2.
Таблица 2
|
Диапазон весовых нагрузок, Н (кгс) |
|
|
1 |
0,3 - 1,2 (0,03 - 0,12) |
|
2 |
1,0 - 3,5 (0,10 - 0,35) |
|
3 |
3,0 - 10,0 (0,30 - 1,00) |
|
4 |
8,0 - 25,0 (0,80 - 2,50) |
|
5 |
20,0 - 50,0 (2,00 - 5,00) |
|
6 |
45,0 - 98,0 (4,50 - 10,00) |
|
7 |
88,5 - 157,0 (9,00 - 16,00) |
|
8 |
147,0 - 245,0 (15,00 - 25,00) |
|
9 |
215,0 - 390,0 (22,00 - 40,00) |
|
10 |
343,0 - 588,0 (35,00 - 60,00) |
|
11 |
538,0 - 785,0 (55,00 - 80,00) |
|
12 |
735,0 - 1176,0 (75,00 - 120,00) |
|
13 |
1078,0 - 1470,0 (110,00 - 150,00) |
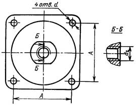
1.4. Присоединительные размеры амортизаторов должны соответствовать указанным на черт. 1 - 3 и в табл. 3.
Черт. 1

Черт. 2
Черт. 3
Таблица 3
мм
|
А |
d |
d1 |
d2 |
d3 |
|
|
1 - 3 |
25 |
3,2Н12 |
4,2Н12 |
М4 - 5Н6Н |
М5-6е |
|
4 - 6 |
35 |
4,3Н12 |
6,2Н12 |
М6 - 5Н6Н |
М8-6е |
|
7, 8 |
45 |
5,3Н12 |
10,2Н12 |
М10 - 5Н6Н |
М12-6е |
|
9, 10 |
54 |
6,4Н12 |
12,3Н12 |
M12 - 5Н6Н |
М16-6е |
|
11 - 13 |
88 |
8,4Н12 |
16,3Н12 |
М16 - 5Н6Н |
М20-6е |
1.5. Предельные отклонения размеров, координирующих оси отверстий - по ГОСТ 14140-81.
(Измененная редакция, Изм. № 1).
1.6. Объем и масса амортизаторов должны соответствовать указанным в табл. 4.
Таблица 4
|
Объем, см3 |
Масса, кг |
|
|
не более |
||
|
1 - 3 |
15 |
0,025 |
|
4 - 6 |
60 |
0,060 |
|
7, 8 |
100 |
0,200 |
|
9, 10 |
200 |
0,400 |
|
11 - 13 |
950 |
1,000 |
Пример условного обозначения амортизатора типа 2, исполнения 1, типоразмера 3:
Амортизатор 2-1-3 ГОСТ 21467-81
2.1. Амортизаторы должны быть изготовлены в соответствии с требованиями настоящего стандарта по рабочим чертежам, утвержденным в установленном порядке.
2.2. Амортизаторы должны быть стойкими, прочными и устойчивыми к внешним воздействующим факторам, характеристики которых приведены в табл. 5.
Таблица 5
|
Норма для типа |
|||||||
|
1 |
2 |
3 |
4 |
5 |
6 |
7 |
|
|
Синусоидальная и случайная вибрации, механический удар и виброудар многократного действия, линейное ускорение |
По табл. 1 |
||||||
|
Механический удар одиночного действия: |
|||||||
|
пиковое ударное ускорение, м·с-2 (g) |
147 (15) |
По ТЗ |
981 (100) |
1470 (150) |
147 (15) |
||
|
длительность действия ударного ускорения, мс |
15 |
1 - 3 |
0,3 - 1 |
15 |
|||
|
Виброудар одиночного действия: |
|||||||
|
ускорение, м·с-2 (g) |
- |
- |
- |
981 (100) |
По ТЗ |
- |
|
|
время достижения максимального значения, мс |
- |
- |
- |
2 |
По ТЗ |
- |
|
|
длительность воздействия, мс |
- |
- |
- |
20 |
По ТЗ |
- |
|
|
Акустический шум: |
|||||||
|
диапазон частот, Гц |
50 - 10000 |
||||||
|
уровень звукового давления относительно 2·10-5 Па), дБ |
150 |
160 |
170 |
150 |
|||
|
Атмосферное пониженное давление: рабочее давление до, кПа (мм рт. ст.) |
0,67 (5) |
По ТЗ |
26,7 (200) |
||||
|
Повышенная температура среды, ºС: |
|||||||
|
рабочая |
+60 |
По ТЗ |
+60 |
+55 |
+60 |
||
|
рабочая кратковременная |
+70 |
По ТЗ |
- |
- |
+70 |
||
|
предельная |
+125 |
По ТЗ |
+85 |
+65 |
+85 |
||
|
Пониженная температура среды, °С: |
|||||||
|
рабочая |
-60 |
-55 |
-50 |
-60 |
|||
|
предельная |
-60 |
||||||
|
Повышенная относительная влажность, % |
100 |
98 - 100 |
100 |
98 |
100 |
||
|
при температуре, °С |
+35 |
+55 |
+35 |
+25 |
+35 |
||
|
Атмосферные конденсированные осадки (роса и внутреннее обледенение): |
|||||||
|
Относительная влажность при температуре 28 °С, %, не менее |
95 |
||||||
|
пониженная температура, °С |
-30 |
||||||
|
пониженное давление, кПа (мм рт. ст.), не менее |
22,67 (170) |
||||||
|
Соляной (морской) туман: |
|||||||
|
водность, г∙м-3 |
2 - 3 |
||||||
|
температура, °С |
+35 |
||||||
|
Статическая пыль (песок): |
|||||||
|
влажность относительная пониженная, % |
50 |
||||||
|
скорость циркуляции, м∙с-1 |
0,5 - 10,0 |
||||||
|
массовая концентрация, г∙м-3 |
3 |
||||||
|
Динамическая пыль (песок): |
|||||||
|
влажность относительная пониженная, % |
50 |
||||||
|
скорость циркуляции, м∙с-1 |
10 - 15 |
||||||
|
массовая концентрация, г∙м-3 |
5 |
||||||
|
Солнечное излучение: |
|||||||
|
интегральная плотность потока излучения, Вт∙м-2 |
1125 |
||||||
|
плотность ультрафиолетового потока, Вт∙м-2 |
68 |
||||||
|
спектр ультрафиолетового излучения, мкм |
0,28 - 0,40 |
||||||
|
температура, °С |
+55 |
||||||
|
Плесневые грибы: |
|||||||
|
повышенная влажность, % |
95 - 98 |
||||||
|
температура, °С |
+29 |
||||||
(Измененная редакция, Изм. № 1).
Примечание. Для амортизаторов 6-го типа допускается воздействие многократных ударов, превышающее установленное в табл. 5. Характеристики их должны быть оговорены в технических заданиях на разработку амортизаторов.
2.3. Амортизаторы должны быть стойкими к циклическим изменениям температур от предельной повышенной до предельной пониженной.
2.4. Амортизаторы должны быть общеклиматического исполнения.
2.5. - 2.8. (Исключены, Изм. № 1).
2.9. Амортизаторы в упакованном виде и в составе изделия должны быть прочными при транспортировании всеми видами транспорта на любое расстояние.
2.10. Назначенный ресурс амортизаторов должен быть:
не менее ресурса до первого ремонта летательного аппарата - для типов 1, 2, 3 и 7;
400 ч - для типов 4 и 5;
1 ч - для типа 6.
2.11. Назначенный срок службы амортизаторов всех типов - 10 лет.
2.12. Назначенный срок хранения амортизаторов всех типов - 4 года.
Справочное
ТЕРМИНЫ, ПРИМЕНЯЕМЫЕ В СТАНДАРТЕ, И ПОЯСНЕНИЯ К НИМ
|
Термин |
Пояснение |
|
Коэффициент динамичности на заданной частоте (коэффициент динамичности) |
Отношение значения максимальной амплитуды виброускорения на выходе амортизатора, нагруженного в диапазоне весовых нагрузок, к значению максимальной амплитуды виброускорения воздействующей вибрации на входе амортизатора |
|
Назначенный ресурс |
По ГОСТ 27.002-83 |
|
Назначенный срок службы |
По ГОСТ 27.002-83 |
|
Назначенный срок хранения |
По ГОСТ 27.002-83 |
|
Длительность ударного импульса |
|
|
Спектральная плотность стационарного случайного процесса |
(Измененная редакция, Изм. № 1).
Рекомендуемое
ВИБРОЗАЩИТНЫЕ ХАРАКТЕРИСТИКИ АМОРТИЗАТОРОВ ДЛЯ САМОЛЕТНОГО ОБОРУДОВАНИЯ
По виброзащитным свойствам самолетные амортизаторы делят на: низко-, средне- и высокочастотные.
Кривые А, В и С (чертеж) определяют виброзащитные свойства соответственно низко-, средне- и высокочастотных амортизаторов в относительных величинах, т.е. амплитудно-частотных характеристиках и абсолютных величинах - максимальных уровнях спектральной плотности в диапазоне высоких частот.

λ - коэффициент динамичности;
ξ - максимально допустимый уровень спектральной плотности стационарного случайного процесса в диапазоне высоких частот.
Значения частот fa, fb и fc определяют при испытаниях конкретных типов амортизаторов, исходя из уровня вибрационного воздействия на входе амортизатора.
Низкочастотные амортизаторы (кривая А) используются для защиты оборудования на вертолетах.
СОДЕРЖАНИЕ