Скачать ГОСТ 22334-93 Цапфы для деревянных стержневых ящиков. Конструкция

Дата актуализации: 01.01.2021

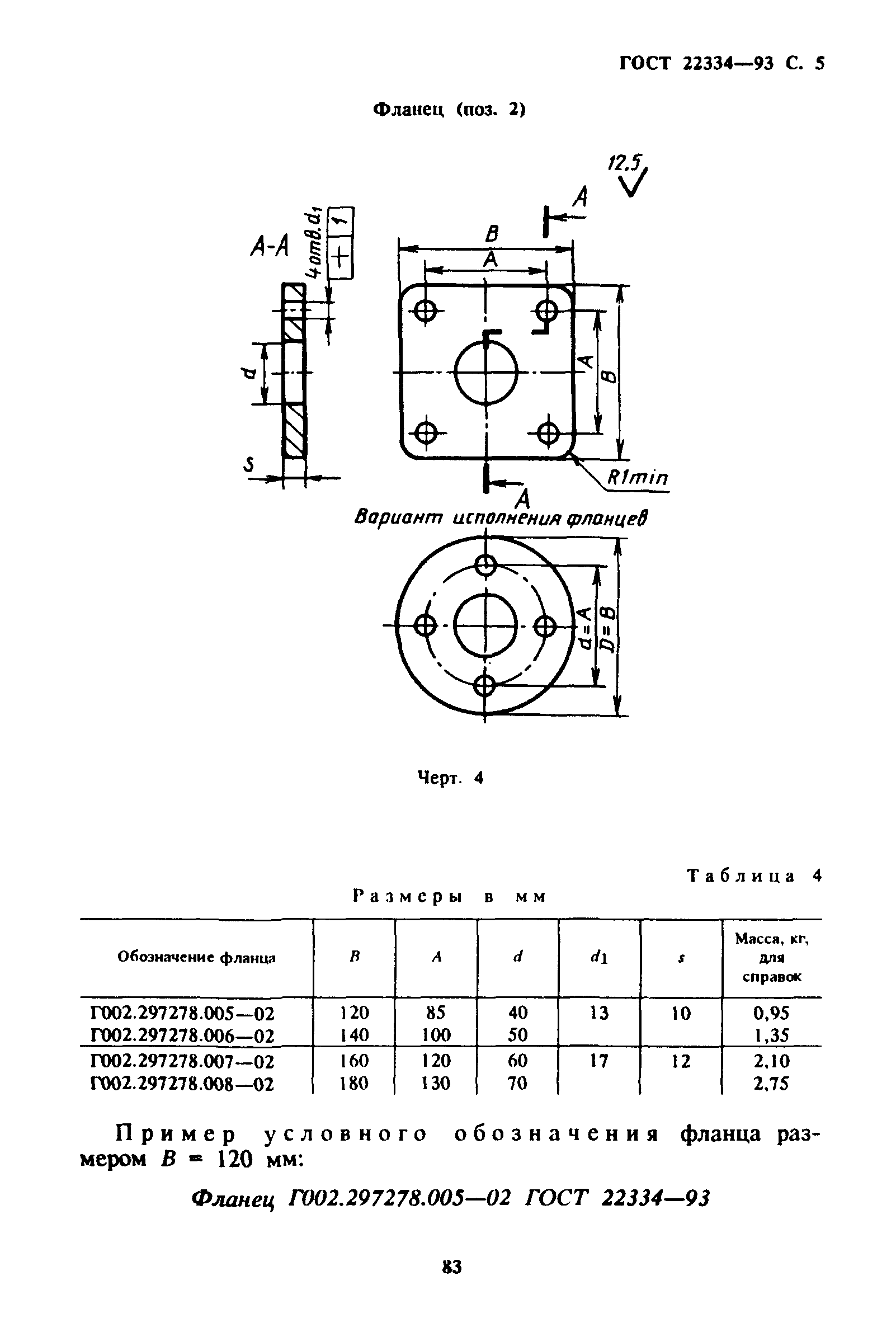
ГОСТ 22334-93

Цапфы для деревянных стержневых ящиков. Конструкция

Обозначение: ГОСТ 22334-93
Обозначение англ: GOST 22334-93
Статус:взамен
Название рус.:Цапфы для деревянных стержневых ящиков. Конструкция
Название англ.:Trunnton for wooden cast patterns. Design
Дата добавления в базу:01.09.2013
Дата актуализации:01.01.2021
Дата введения:01.01.1995
Область применения:Стандарт устанавливает конструкцию и размеры цельнолитых и сварных цапф.
Разработан: Госстандарт России
Утверждён:21.10.1993 Межгосударственный Совет по стандартизации, метрологии и сертификации (Inter-Governmental Council on Standardization, Metrology, and Certification )
02.06.1994 Комитет Российской Федерации по стандартизации, метрологии и сертификации (160)
Издан: ИПК Издательство стандартов (1995 г. )
Заменяет собой:
  • ГОСТ 22334-77 «Цапфы для деревянных стержневых ящиков. Конструкция и размеры» (ИУС 5-94)
Нормативные ссылки:
ГОСТ 22334-93ГОСТ 22334-93ГОСТ 22334-93ГОСТ 22334-93ГОСТ 22334-93ГОСТ 22334-93ГОСТ 22334-93ГОСТ 22334-93ГОСТ 22334-93ГОСТ 22334-93ГОСТ 22334-93