Скачать ГОСТ 26509-85 Инструмент для холодноштамповочных материалов. Матрицы третьего перехода. Конструкция и размеры

Дата актуализации: 01.01.2021

ГОСТ 26509-85

Инструмент для холодноштамповочных материалов. Матрицы третьего перехода. Конструкция и размеры

Обозначение: ГОСТ 26509-85
Обозначение англ: GOST 26509-85
Статус:введен впервые
Название рус.:Инструмент для холодноштамповочных материалов. Матрицы третьего перехода. Конструкция и размеры
Название англ.:Tools for cold-forming machines. 3D station dies. Construction and dimensions
Дата добавления в базу:01.09.2013
Дата актуализации:01.01.2021
Дата введения:01.07.1987
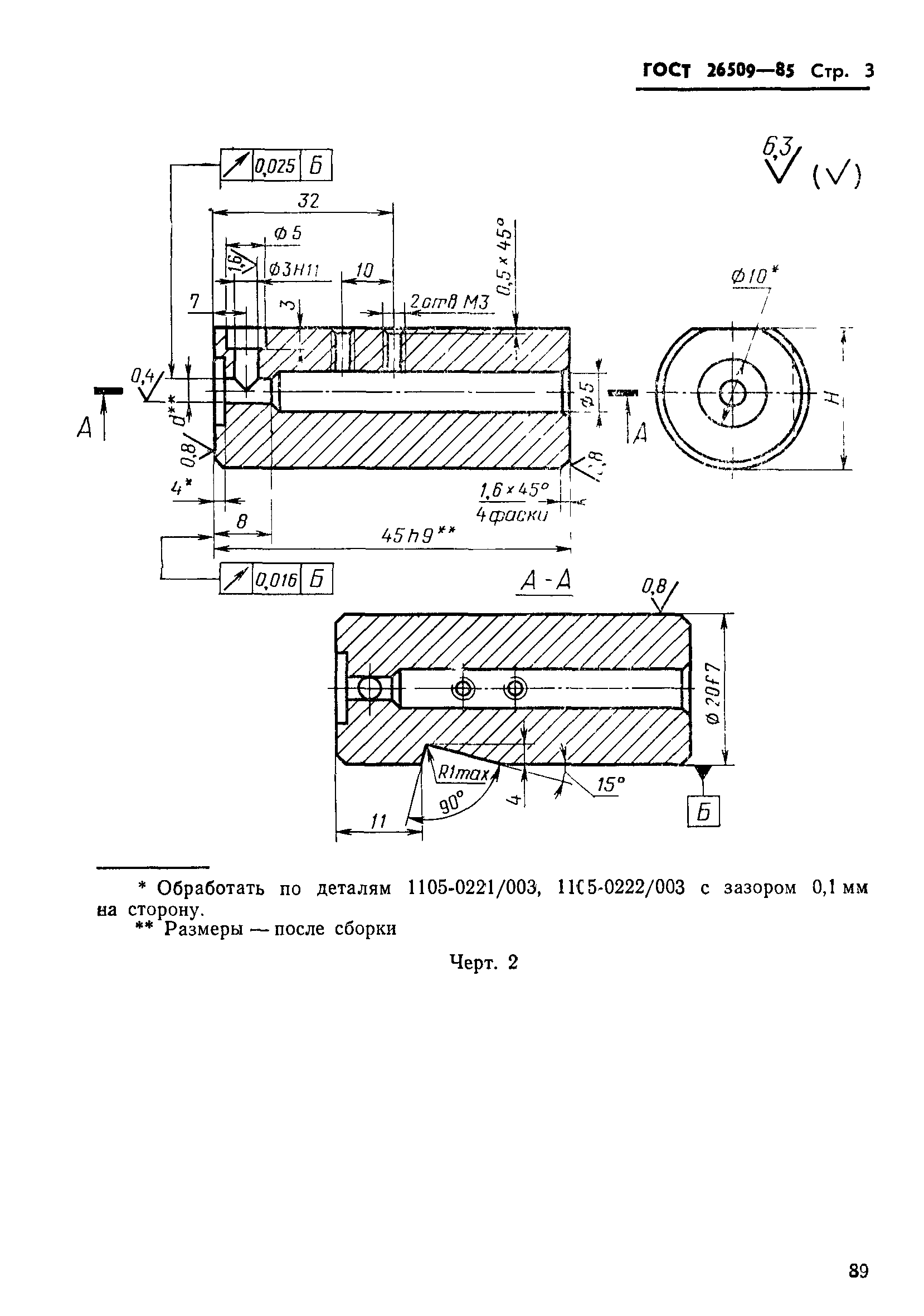
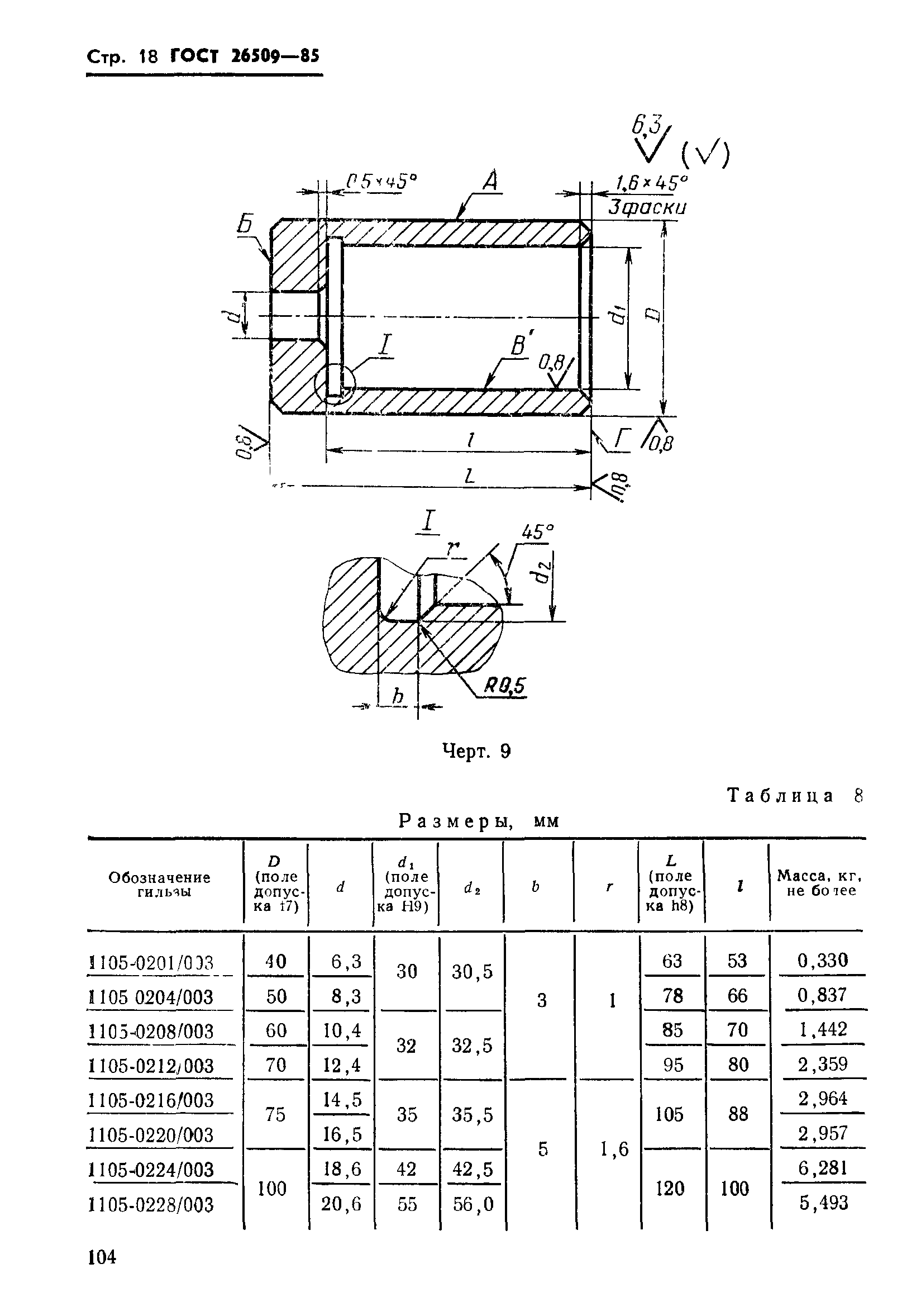
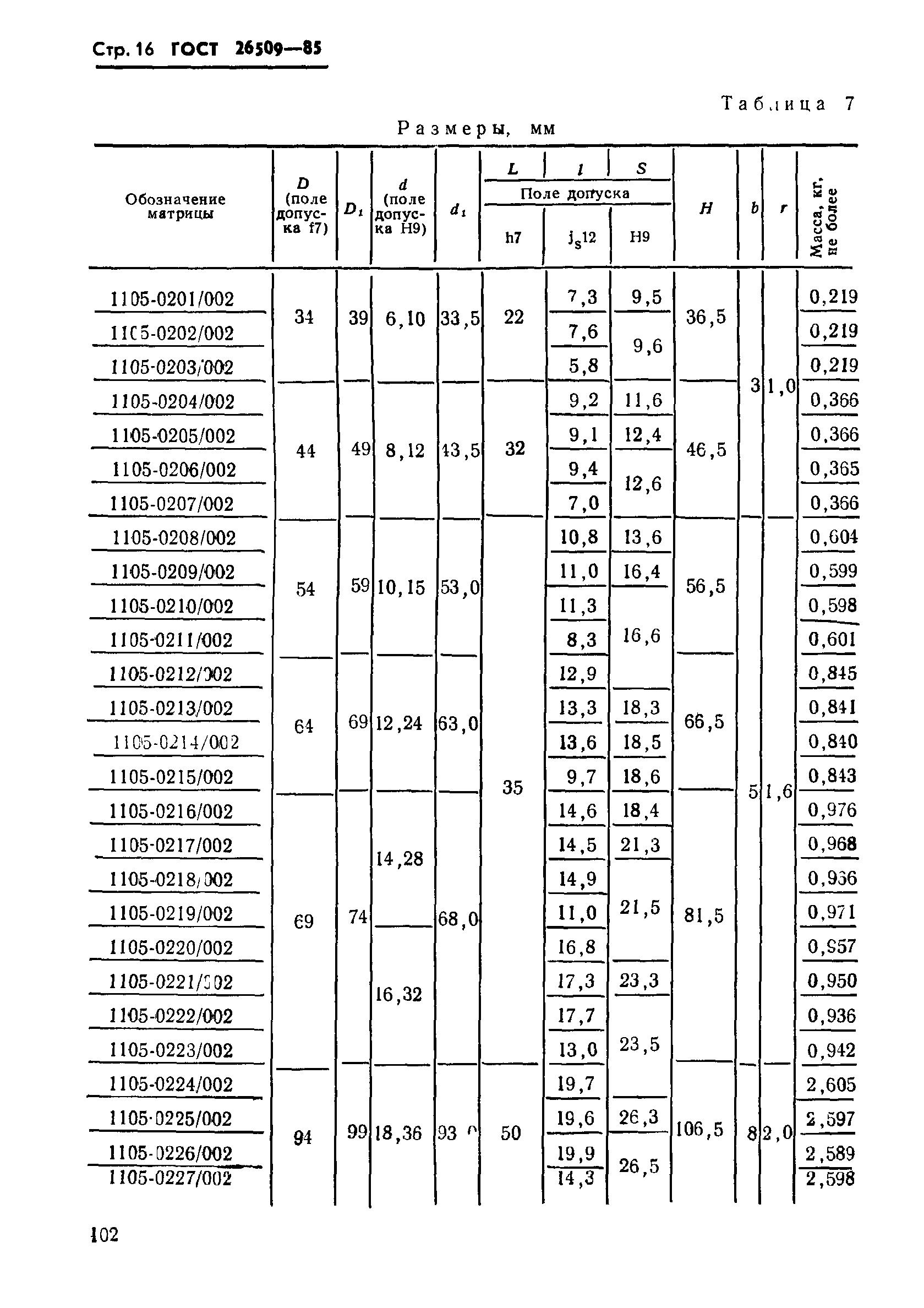
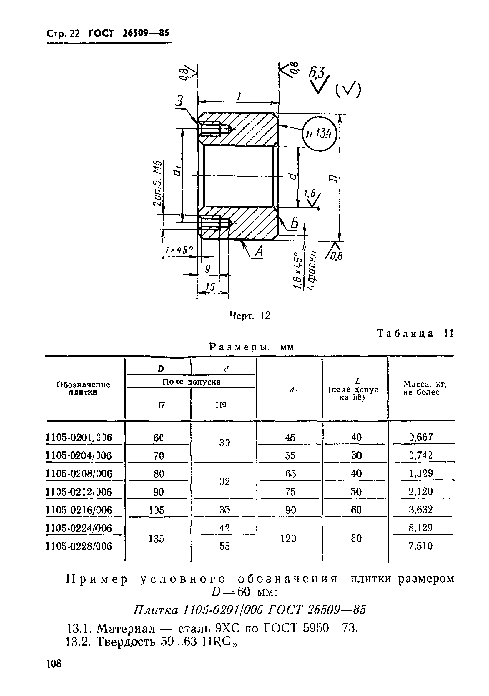
Область применения:Стандарт распространяется на матрицы третьего перехода для высадки заготовок гаек номинальным диаметром резьбы от 4 до 20 мм.
Разработан: Министерство станкостроительной и инструментальной промышленности
Утверждён:28.03.1985 Государственный комитет СССР по стандартам (USSR National Committee on Standards 962)
Список изменений:
Нормативные ссылки:
ГОСТ 26509-85ГОСТ 26509-85ГОСТ 26509-85ГОСТ 26509-85ГОСТ 26509-85ГОСТ 26509-85ГОСТ 26509-85ГОСТ 26509-85ГОСТ 26509-85ГОСТ 26509-85ГОСТ 26509-85ГОСТ 26509-85ГОСТ 26509-85ГОСТ 26509-85ГОСТ 26509-85ГОСТ 26509-85ГОСТ 26509-85ГОСТ 26509-85ГОСТ 26509-85ГОСТ 26509-85ГОСТ 26509-85ГОСТ 26509-85ГОСТ 26509-85ГОСТ 26509-85ГОСТ 26509-85ГОСТ 26509-85ГОСТ 26509-85ГОСТ 26509-85ГОСТ 26509-85

Текстовое изменение № 1 от 01.01.1991

№ 1№ 1№ 1№ 1