Скачать ГОСТ 28005-88 Материал углеродный волокнистый Урал. Технические условия

Дата актуализации: 01.01.2021

ГОСТ 28005-88

Материал углеродный волокнистый Урал. Технические условия

Обозначение: ГОСТ 28005-88
Обозначение англ: GOST 28005-88
Статус:введен впервые
Название рус.:Материал углеродный волокнистый Урал. Технические условия
Название англ.:Carbonic fibre material Ural. Specifications
Дата добавления в базу:01.09.2013
Дата актуализации:01.01.2021
Дата введения:01.01.1990
Область применения:Стандарт распространяется на углеродный волокнистый материал УРАЛ, предназначенный для наполнения пластмасс при изготовлении углепластиков конструкционного назначения, прессовочных материалов антифрикционного, электротехнического и общего назначения и других целей.
Оглавление:1. Технические требования
2. Требования безопасности
3. Правила приемки
4. Методы испытаний
5. Транспортирование и хранение
6. Гарантии изготовления
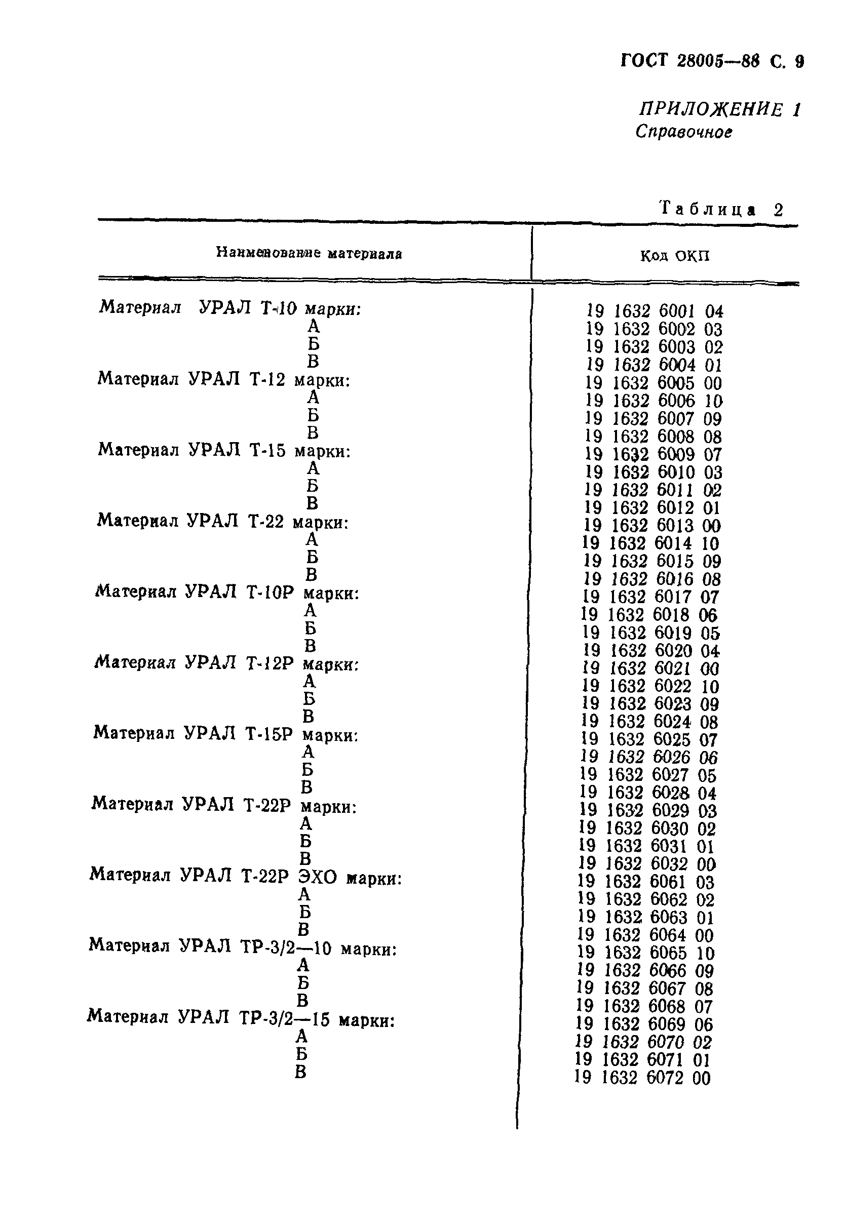
Приложение 1 (справочное)
Приложение 2 (справочное) Дополнительные показатели свойств волокнистых углеродных материалов
Разработан: Министерство химической промышленности СССР
Утверждён:27.12.1988 Государственный комитет СССР по стандартам (USSR National Committee on Standards 4596)
Издан: Издательство стандартов (1989 г. )
Нормативные ссылки:
ГОСТ 28005-88ГОСТ 28005-88ГОСТ 28005-88ГОСТ 28005-88ГОСТ 28005-88ГОСТ 28005-88ГОСТ 28005-88ГОСТ 28005-88ГОСТ 28005-88ГОСТ 28005-88ГОСТ 28005-88ГОСТ 28005-88ГОСТ 28005-88ГОСТ 28005-88