Скачать ГОСТ 3910-75 Изделия огнеупорные динасовые для кладки стекловаренных печей. Технические условия

Дата актуализации: 01.01.2021

ГОСТ 3910-75

Изделия огнеупорные динасовые для кладки стекловаренных печей. Технические условия

Обозначение: ГОСТ 3910-75
Обозначение англ: GOST 3910-75
Статус:взамен
Название рус.:Изделия огнеупорные динасовые для кладки стекловаренных печей. Технические условия
Название англ.:Refractory silica products for brickwork of glassmaking furnaces. Specifications
Дата добавления в базу:01.09.2013
Дата актуализации:01.01.2021
Дата введения:01.07.1977
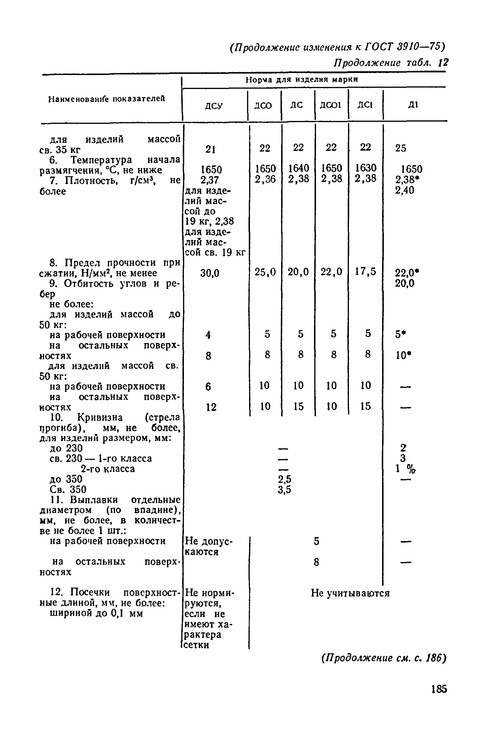
Область применения:Стандарт распространяется на динасовые огнеупорные изделия для кладки верхнего строения и регенераторов стекловаренных печей.
Оглавление:1 Марки
2 Форма и размеры
3 Технические требования
3а Требования безопасности
4 Правила приемки
5 Методы испытаний
6 Маркировка, упаковка, транспортирование и хранение
Приложение 1 (справочное) Расчетная масса и объем изделий
Приложение 2 (обязательное)
Разработан: Министерство металлургии СССР
Утверждён:29.12.1975 Госстандарт СССР (USSR Gosstandart 4061)
Издан: Издательство стандартов (1975 г. )
Издательство стандартов (1987 г. )
ИПК Издательство стандартов (1998 г. )
Список изменений:
Заменяет собой:
Нормативные ссылки:
ГОСТ 3910-75ГОСТ 3910-75ГОСТ 3910-75ГОСТ 3910-75ГОСТ 3910-75ГОСТ 3910-75ГОСТ 3910-75ГОСТ 3910-75ГОСТ 3910-75ГОСТ 3910-75

Текстовое изменение № 4 от 01.01.1987

№ 4№ 4№ 4№ 4

Текстовое изменение № 5 от 01.07.1990

№ 5№ 5№ 5№ 5