Скачать РД 34.17.416-96 Методические указания по проведению спектрального анализа металла деталей энергетических установок с помощью стилоскопаДата актуализации: 01.01.2021
|
| Обозначение: | РД 34.17.416-96 |
| Обозначение англ: | RD 34.17.416-96 |
| Статус: | действует |
| Название рус.: | Методические указания по проведению спектрального анализа металла деталей энергетических установок с помощью стилоскопа |
| Название англ.: | Procedural Guidelines for Spectral Analysis of Metal in Components of Energy Installations Using a Steeloscope |
| Дата добавления в базу: | 01.09.2013 |
| Дата актуализации: | 01.01.2021 |
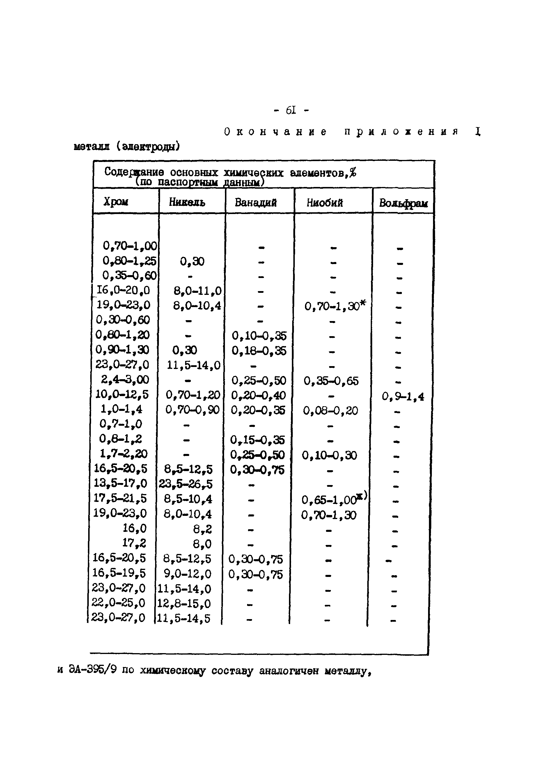
| Область применения: | Методические указания предназначены для монтажного, ремонтного и эксплуатационного персонала, осуществляющих организацию и производство работ по монтажу и ремонту оборудования, а также контроль и наблюдение за металлом трубопроводов, котлов и турбин на тепловых электрических станциях. |
| Оглавление: | Введение I Понятие о визуальном спектральном анализе и аппаратуре II Подготовка изделий и стандартных электродов к анализу III Организация и оформление работ по спектральному анализу IV Методика анализа V Уход за аппаратурой VI Работа с переносным стилоскопом СЛП-2 VII Работа со стационарным стилоскопом СЛ-11 VIII Меры безопасности при работе со стилоскопом IX Устройство и оборудование пункта спектрального анализа X Приложения |
| Разработан: | ОРГРЭС |
| Утверждён: | Минэнерго СССР (USSR Minenergo ) |
| Издан: | СЦНТИ ОРГРЭС (1969 г. ) |
| Заменяет собой: |
|
| Нормативные ссылки: |






































































