Скачать ГОСТ 4440-48 Фланцы судовых трубопроводов. Фланцы трубные свободные на приварном или припаянном латунном кольце. Размеры и технические требованияДата актуализации: 01.01.2021
|
| Обозначение: | ГОСТ 4440-48 |
| Обозначение англ: | GOST 4440-48 |
| Статус: | отменен |
| Название рус.: | Фланцы судовых трубопроводов. Фланцы трубные свободные на приварном или припаянном латунном кольце. Размеры и технические требования |
| Дата добавления в базу: | 01.01.2021 |
| Дата актуализации: | 01.01.2021 |
| Дата введения: | 01.07.1949 |
| Дата окончания срока действия: | 01.01.1977 |
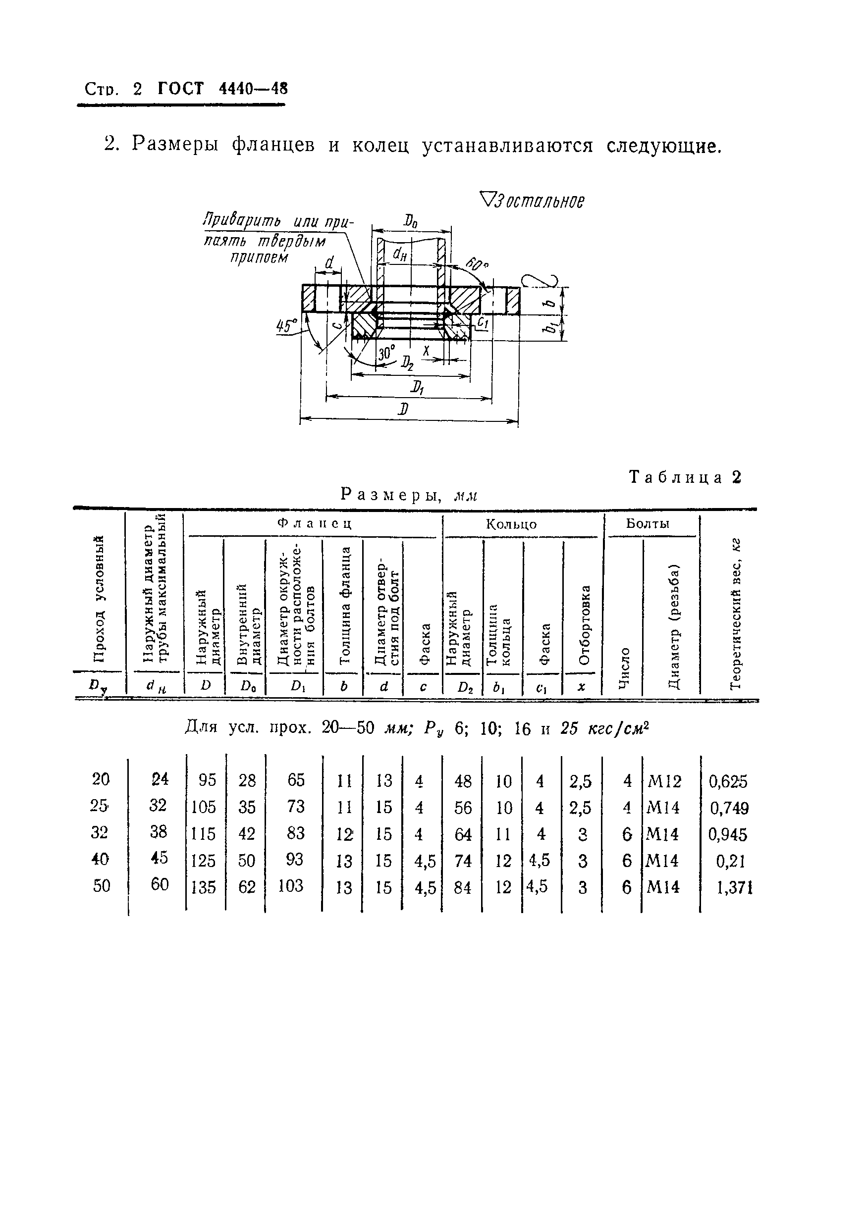
| Область применения: | Стандарт распространяется на трубные свободные фланцы на приварном или припаянном латунном кольце для условных давлений Py — 6; 10; 16 и 25 кгс/см2. |
| Оглавление: | I. Размеры II. Технические требования III. Правила приемки IV. Маркировка и упаковка |
| Утверждён: | 29.10.1948 Всесоюзный комитет стандартов при Совете Министров Союза ССР |
| Издан: | Издательство стандартов (1972 г. ) |
| Список изменений: |
|
| Нормативные ссылки: |
|









Текстовое изменение № 1


Текстовое изменение № 2 от 01.07.1963



