Скачать ГОСТ 12064-76 Бумага иллюстрационная. Технические условияДата актуализации: 01.01.2021
|
| Обозначение: | ГОСТ 12064-76 |
| Обозначение англ: | GOST 12064-76 |
| Статус: | отменен |
| Название рус.: | Бумага иллюстрационная. Технические условия |
| Название англ.: | Illustration paper. Specifications |
| Дата добавления в базу: | 21.05.2015 |
| Дата актуализации: | 01.01.2021 |
| Дата введения: | 01.01.1978 |
| Дата окончания срока действия: | 01.07.1987 |
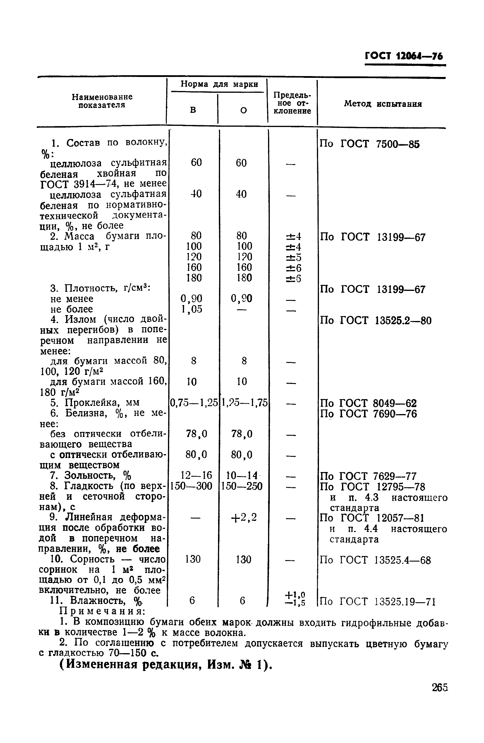
| Область применения: | Стандарт распространяется на бумагу, предназначенную для печатания иллюстрационно-текстовой продукции высоким и офсетным способами. |
| Оглавление: | 1. Марки и размеры 2. Технические требования 3. Правила приемки 4. Методы испытаний 5. Маркировка, упаковка, транспортирование и хранение |
| Утверждён: | 02.12.1976 Государственный комитет стандартов Совета Министров СССР (USSR National Committee on Standards at the Cabinet of Ministers 2694) |
| Издан: | Издательство стандартов (1986 г. ) |
| Заменяет собой: |
|
| Нормативные ссылки: |
|







